Pentair净水器滤芯更换说明
- 格式:doc
- 大小:19.50 KB
- 文档页数:1
家用纯水机的安装及滤芯的更换步骤随着净水器市场百花争鸣,在水宜家不断的发展,规模不断的扩大,纯水机逐渐在全国市场开花,现在好多家庭都会用到家用纯水机,反渗透纯水机。
反渗透纯水机使用时间长时,需要更换滤芯!在此,水宜家为众多家庭消费者讲解反渗透纯水机滤芯更换步骤流程,当您需要更换滤芯时,您可请专业人员为您服务或按照本文介绍的方法进行更换。
一、安装顺序全自动反渗透纯水机是一种以微电脑自动控制的对终端自来水进行有效处理的设施,安装使用方便。
当您购买或者为用户安装该机时,为了保证安装质量,通常可按以下顺序安装:安装RO膜→纤维滤芯→精密活性碳滤芯→纤维滤芯→打孔→安装主机→关闭总阀门→安装进水三通→安装进水直通→进水直通至纤维滤芯水管→检验进水是否漏水→安装储水桶上球阀→鹅颈龙头→鹅颈龙头至后置性碳出口水管→废水比至水槽水管→后置活性碳前端水管→接通电源→检测制水质量→水质合格并稳定后→连接储水桶上球阀水管→制水→放水→再制水→结束安装.二、橱下式纯水机安装(一)安装RO膜去掉RO膜包装薄膜,卸掉RO膜外壳盖处的水管,旋开RO膜壳盖,将有两个橡胶密封圈的一端插入RO膜外壳内的止口内,转动着将其插到底部。
将膜壳端盖的密封圈先挪至RO膜壳外壳螺纹止口处,在以手力旋紧外壳盖,装上水管,拧紧。
检查端盖处弯头是否松动,如已松动,将其卸下,缠绕2-3圈生料带,再将其按原样旋上。
特别注意:拆开RO膜外包装前应将手洗干净,安装过程也要保持手的洁净,不得造成对RO膜的污染。
(二)安装滤芯去掉塑料包装薄膜,将顺序将纤维滤芯、颗粒活性碳滤芯和纤维滤芯带双密封圈的一边插入滤瓶盖的接口内。
把滤瓶上的O型胶圈沿周边抹一点白色凡士林,旋上滤瓶并用手拧紧,使用专用扳手时,旋紧过程用力要均匀且不宜过大。
(三)安装固定主机1.墙上安装:在选定的安装位置打两个直径为8毫米的孔。
放入随机携带的塑料胀栓,旋进螺钉,挂上主机并旋紧螺钉。
2.橱柜内安装:可不用打孔固定,选好位置放稳即可。
2021年节能直饮水机滤芯换装操作步骤节能直饮水机滤芯换装操作步骤当您新买一台节能直饮水机,通常逆渗透膜已经装入逆渗透膜管。
使用了一段时间,当您需要更换纯水机的逆渗透膜时,请按照下列程序自行更换:注意事项:不锈钢直饮水龙头在安装/换装的过程中,应尽量避免拉扯到其他管线,以免漏水。
节能直饮水机滤芯换装步骤:1、关闭进水电镀球阀,稍等十分钟左右(让系统减压)。
2、用手或工具旋开膜壳右方的螺帽接头,将水管拔出。
3、面对机器,用左手扶紧膜壳,以右手用力转开尾端盖子。
(如果逆渗透膜管上方的后置活性碳滤芯妨碍到此步骤的操作,可将其稍加移位或整个拔出,若是整个拔出,是需拆开额外管线)。
4、关闭压力桶球阀,以手或工具旋开其上方的螺帽接头,并将水管导入一个空桶或洗水槽内。
5、用左手扶紧逆渗透膜管,再用钳子夹住旧的逆渗透膜,将其用力拔出膜壳外。
6、打开直饮水机的新逆渗透膜的封套,将其取出。
7、将新开封的逆渗透膜塞入逆渗透膜管,直到有两个黑色小"O"型圈的一端顶到膜壳的底端为止。
8、以转开膜壳盖的相同姿势,将膜壳盖旋紧。
9、如有必要,以顺时针(锁紧)方向,调整接头使指向机器后方。
10、塞入水管,并旋紧接头螺帽。
(切记勿忘放管塞)。
11、打开直饮水机的电镀球阀。
12、让纯水机运转两小时以上,使系统进入正常造水状态后,再将水管与压力桶球阀连接并且打开压力桶球阀。
整个换装过程到此完成。
目前市面上的节能直饮水机有很多种类,但是其工艺配件都大同小异。
一般人们在购置纯水机使用一段时间后就会发现水质大不如前,这就是在提醒大家需要对想过的部件进行清洗更换。
而滤芯是保障水质关键,用户需要根据原水水质和使用时间酌情更换滤芯。
节能直饮水机前面三级滤芯的更换方法:更换滤芯过程中通常会有水溢出,请预备好水盆或毛巾等清洁用具:1)关掉电镀球阀及压力桶球阀。
2)打开出水的鹅颈龙头,以排清管道中残留水。
3)待水不再流出后,用滤壳扳手将装有滤芯的滤壳打开。
怡口净水器滤芯更换教程(二)怡口净水器滤芯更换教程概述•为了保持怡口净水器的正常工作和滤净水质,定期更换滤芯是必要的。
•本教程将为您介绍怡口净水器滤芯更换的详细步骤。
准备工作在开始更换滤芯之前,请准备好以下物品: - 新的怡口净水器滤芯 - 温水及清洁剂(可选) - 干净的抹布或纸巾步骤一:确认滤芯型号在准备更换滤芯前,您需要确认您的怡口净水器所使用的滤芯型号。
这通常可以在设备的说明书上找到。
步骤二:断开电源在开始更换滤芯之前,请先断开怡口净水器的电源。
这是为了确保您的安全。
步骤三:打开净水器•找到净水器上的滤芯盖,并旋转它,将其打开。
•如果您的净水器有多个滤芯,请按照顺序逐个打开滤芯盖。
步骤四:取出旧滤芯•将旧的滤芯从滤芯盖中取出。
•注意滤芯底部的连接器,确保不要弯曲或损坏。
步骤五:清洗滤芯盖•用温水和适量清洁剂轻轻清洗滤芯盖,以确保清除积存的污垢和细菌。
•使用干净的抹布或纸巾擦干滤芯盖,并确保没有残留的清洁剂。
步骤六:安装新滤芯•打开新的怡口净水器滤芯的包装。
•按照滤芯上的标识,确定滤芯的正确安装方向。
•将滤芯插入滤芯盖中,并确保连接器与底部对齐。
步骤七:封闭滤芯盖•将滤芯盖逆时针旋转,直到它完全封闭并紧密固定在净水器上。
•如果您的净水器有多个滤芯,请按照相同的步骤逐个封闭滤芯盖。
步骤八:恢复电源•确保滤芯盖已紧密封闭后,重新接通怡口净水器的电源。
步骤九:初次使用和滤芯激活•请按照怡口净水器的使用说明书,对新安装的滤芯进行初次使用和激活。
结论通过按照以上步骤,您已成功完成了怡口净水器滤芯的更换。
请定期按照生产商的建议和使用说明,进行滤芯的更换,以保障净水器的正常运转和水质的安全。
净水器维修保养知识之更换滤芯
按照说明及时更换滤芯
净化自来水的过程本身就是靠滤芯将有害物质拦截掉的过程,有消费者提出是否能有不换滤芯的净水器,这点水事易只想说,假如滤芯不拦截有害物质,那样的净水器滤芯有用吗?既然净水器滤芯拦截有害物质,那就有一个有害物质堆积的过程,堆积到一定程度后,会堵塞过滤孔,造成水流量变小、甚至反过来污染水的状况发生。
为了让您和家人真正饮用到健康的水,水事易提醒消费者,一定要勤换滤芯,并且要根据使用人数和您当地水质情况适当增减更换时间。
滤水、软水设备更换流程下载温馨提示:该文档是我店铺精心编制而成,希望大家下载以后,能够帮助大家解决实际的问题。
文档下载后可定制随意修改,请根据实际需要进行相应的调整和使用,谢谢!并且,本店铺为大家提供各种各样类型的实用资料,如教育随笔、日记赏析、句子摘抄、古诗大全、经典美文、话题作文、工作总结、词语解析、文案摘录、其他资料等等,如想了解不同资料格式和写法,敬请关注!Download tips: This document is carefully compiled by theeditor. I hope that after you download them,they can help yousolve practical problems. The document can be customized andmodified after downloading,please adjust and use it according toactual needs, thank you!In addition, our shop provides you with various types ofpractical materials,such as educational essays, diaryappreciation,sentence excerpts,ancient poems,classic articles,topic composition,work summary,word parsing,copy excerpts,other materials and so on,want to know different data formats andwriting methods,please pay attention!净水软水设备更换流程。
1. 关闭进水阀。
关闭进入净水软水设备的总进水阀。
过滤器更换滤芯安全操作规程
一.作业前准备;
1.劳保着装,准备相关工具、喷水壶、灭火器。
2.熟悉掌握过滤器的性能、原理及作用。
3.检查过滤器进口阀、出口阀及排污阀应转动自如。
二.操作程序
1.过滤器排污操作
1.1更换滤芯前应开启备用管线,确保正常供气。
1.2过滤器排污时须依次关闭其出口阀、入后阀,缓慢开启排污阀(保持常开状态没有压力)。
2滤芯更换操作
2.1使用正确工具拆卸过滤器。
2.2缓慢打开过滤器盖,用水壶向过滤器内喷水,预防有硫化氩铁自燃。
2.3取出过滤器滤芯,拿到安全区域内。
2.4更换后,按照拆卸的逆顺序依次安装并更换过滤器密封圈。
2.5通气前,关闭压差表两端的进出气阀及操作中的球阀和截止阀,依次开启过滤器入口阀和出口阀。
2.6用检漏仪或检漏液进行检漏,同时观察压力表指示情况,气压稳定后,开启压差表的进出气阀。
2.7作业完成后填写排污记录表、设备保养记录表。
三、注意事项
1.作业应避开雨雪雷电及大风等恶劣天气。
2.操作时,操作人员所处位置应符合安全要求。
超纯水机怎么更换滤芯纯水机滤芯里面一般都是KDF以及活性炭,滤芯是使受到污染的水被洁净到生产、生活所需要的状态,也就是使水达到一定的洁净度。
除去水中的固体颗粒,杀灭细菌、滤除有害化学成分。
今天我们就来看看纯水机滤芯如何更换以及纯水机滤芯的更换步骤吧。
纯水机滤芯如何更换纯水机滤芯的更换步骤一、前置三级滤芯的更换方法此过程中通常会有水溢出,请预备好水盆或毛巾等清洁用具:1、关掉电镀球阀及压力桶球阀;2、打开鹅颈龙头,以排清管道中残留水;3、待水不再流出后,用滤壳扳手将装有滤芯的滤壳打开;4、取出旧的滤芯,装入同规格新的滤芯;5、将滤壳上方的黑色“ O ”型圈,涂上如凡士林等润滑剂,再将“ O ”型圈放入滤壳中的凹槽内。
6、以垂直方式,旋紧滤壳,尽量避免让“ O ”型圈移位。
7、打开电镀球阀及压力桶球阀。
二、更换RO膜的步骤及注意事项此过程中通常会有水溢出,请预备好水盆或毛巾等清洁用具。
当您新买一台纯水机,通常逆渗透膜已经装入逆渗透膜管。
使用了一段时间,当您需要更换逆渗透膜时,您可请专业人员为您服务或按照下列程序自行更换。
准备工具:扳手、钳子、水桶、剪刀或刀子。
注意事项:在安装/换装的过程中,应尽量避免拉扯到其他管线,以免漏水。
换装步骤:1、关闭电镀球阀,稍等十分钟左右。
(让系统减压)2、用手或工具旋开膜壳右方的螺帽接头,将水管拔出。
3、面对机器,用左手扶紧膜壳,以右手用力转开尾端盖子。
(如果逆渗透膜管上方的后置活性碳滤芯妨碍到此步骤的操作,可将其稍加移位或整个拔出,若是整个拔出,是需拆开额外管线。
)4、关闭压力桶球阀,以手或工具旋开其上方的螺帽接头,并将水管导入一个空桶或洗水槽内。
5、用左手扶紧逆渗透膜管,再用钳子夹住旧的逆渗透膜,将其用力拔出膜壳外。
6、打开新的逆渗透膜的封套,将其取出。
7、将新开封的逆渗透膜塞入逆渗透膜管,直到有两个黑色小“ O ”型圈的一端顶到膜壳的底端为止。
8、以转开膜壳盖的相同姿势,将膜壳盖旋紧。
更换滤芯需要注意什么事项更换滤芯是保持净水器正常运行和水质纯净的重要步骤。
在进行滤芯更换之前,需要注意以下几个事项:1. 了解净水器的滤芯种类:不同型号和品牌的净水器可能使用不同种类的滤芯,包括颗粒活性炭滤芯、前置活性炭滤芯、超滤膜滤芯、反渗透膜滤芯等。
了解自己净水器所需要的滤芯种类和规格,以便购买正确的滤芯。
2. 预先购买滤芯:在滤芯的使用寿命接近或超过推荐更换时间前,就应该购买新的滤芯备用。
这样可以确保在需要更换滤芯时能够及时进行更换,避免因为没有备用滤芯而无法使用净水器。
3. 规律更换滤芯:滤芯的寿命一般根据水质和使用情况而定,但通常情况下建议每3-6个月更换一次。
一旦滤芯使用时间超过推荐寿命,滤芯的过滤效果将会下降,甚至可能出现水质恶化的情况。
因此,要根据滤芯的使用时间和使用寿命提醒进行规律更换。
4. 关闭进水阀门:在更换滤芯之前,需要先关闭房屋或者净水器的进水阀门,以防止水射出或者滴漏。
同时,还可以先拔掉电源,确保安全操作。
5. 清理滤芯周围的灰尘和杂质:在将滤芯拆下之前,应该先用清水冲洗滤芯周围的灰尘和杂质。
这样可以确保在更换新滤芯时,不会有杂质附着在旧滤芯上,从而影响新滤芯的使用效果。
6. 拆下旧滤芯:根据净水器的使用方式,拆下旧滤芯的步骤可能略有不同。
一般来说,需要找到滤芯安装位置,按照说明书或者使用方法进行拆卸。
可以使用工具或者手动拧下滤芯连接螺纹,同时要注意滤芯下面会有一定数量的水排出,需要准备好接水的容器或者毛巾。
7. 安装新滤芯:在拆下旧滤芯之后,需要根据净水器的要求将新滤芯安装到指定的位置。
在进行安装之前,可以先将新滤芯泡在水中,以充分使滤芯激活。
安装滤芯时要根据滤芯上的箭头方向来确定滤芯正向安装,以确保水可以顺利通过滤芯。
8. 拔掉密封塑料膜:在安装滤芯时,一些滤芯上可能会有塑料膜或者密封膜,需要在安装之前将其拔掉。
这些膜主要是用于保护滤芯,在使用前需要完全去除。
9. 校准净水器:在更换滤芯之后,有些净水器可能需要进行校准以确保正常运行。
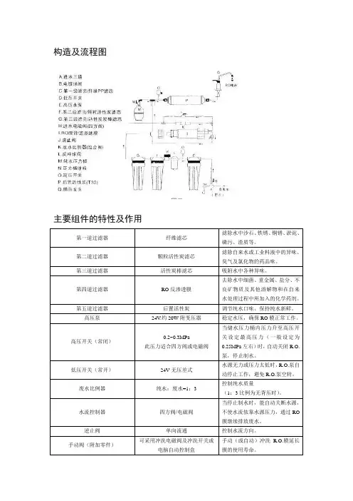
构造及流程图主要组件的特性及作用安装步骤(一)关闭自来水总开关,拆下水龙头。
取出零件包内的进水三通,把直通的一端接回原水源处,另一端接上刚拆下的水龙头。
在其侧孔处接上电镀球阀,然后在电镀球阀出口处接PE管。
(二)将前置三道滤芯拆封后按对应上下标记装入滤壳。
(三)将连在电镀球阀出口上的PE管的另一端接至第一级滤壳的进口处。
(四)将蓄压式储水罐(压力罐)接上塑胶球阀(或堵头及球阀开关)入水管街头,然后接上PE管,管子的另一端接至R.O.机的后置活性炭入口之三通接头。
(五)在洗碗台上合适的地方钻一个小的11mm左右的孔,装上鹅颈龙头后固定好。
然后在后置活性炭的出口处接上PE管,PE管的另一端接至鹅颈龙头下端的牙管处。
(六)将RO膜管的进水管拆下,打开水源并插上电源让前三道处理装置的滤壳完全注满水并让活性炭黑色粉屑溶于水流出处,待黑水流尽。
然后暂时关闭电源,将拆下的RO进水管装回,此时安装即告完成。
(七)以上工作程序全部完成后,需检查各接头处是否渗水,以免进入正常使用后漏水影响到用户的家庭装潢。
调试启用(一)安装完成后,打开进水电镀球阀,并关闭废水比例器K上方的反冲洗球阀(自动冲洗机型无需此项工作)。
然后将压力桶上的塑胶球阀打开。
(二)将变压器电线插头插入电源(AC220V)座,此时泵启动。
纯水机开始制水。
(三)检查废水排出:制水时,过滤后的纯水进入储水压力桶,另一方面,反渗透膜管的废水经废水比例器管路排出。
(四)试自动启动与停止:制纯水需要较长的时间(约60~90分钟),才能使压力储水罐装满,为了快速确知动作,5分钟后将储水压力罐球阀关闭,此时管线内压力增高到一定值(大约0.25MPa),高压开关动作而使高压泵停止运转。
然后打开鹅颈龙头放水,高压泵应自动运转。
如此反复动作几次,检查高压泵是否自动启动和停止,确认动作正常后,打开储水压力罐球阀。
(五)试低压开关动作:将自来水(水源)管路上之进水电镀球阀关闭,表示预设无水或缺水时状态,则低压开关应动作而使高压泵自动停止,以防止高压泵无水空转而损坏,试动作正常后,再打开水源管路之球阀。
过滤器排污更换滤芯操作规范与注意事项
1检查与准备
1.1熟悉掌握过滤器的性能、原理及作用。
1.2检查过滤器进口阀、出口阀及排污阀应转动自如。
1.3观察过滤器压差表读数,当压差超过规定值时,应清洗或更换滤芯。
2操作程序
2.1过滤器排污操作
(1)过滤器排污时须关闭其进口阀、出口阀,缓慢开启排污阀。
(2)当排污管内气体流动声音发生变化时,关闭排污阀门,排污结束。
3滤芯更换操作
3.1清洗或更换滤芯前应开启备用管线,确保正常供气。
3.2按照过滤器排污步骤对过滤器排污,观察压力表指示情况,当压力显示为零时,依次打开放散阀和截止阀对工艺管线放空,确保过滤器内没有剩余压力。
3.3使用正确工具拆卸过滤器,在指定区域内进行清洗。
3.4清洗后,按照拆卸的逆顺序依次安装并更换过滤器密封圈。
3.5通气前,关闭压差表两端的进出气阀及3.2操作中的放散阀和截止阀,开启过滤器进口阀和出口阀。
3.6用检漏仪或泡沫水进行检漏,同时观察压力表指示情况,气压稳定后,开启压差表的进出气阀。
3.7填写相关记录。
4注意事项
4.1排污时应平稳缓慢,以保证管线压力稳定,避免阀门损坏。
4.2定期检查及排污,防止污物积余过多进入燃气管线。
爱惠浦机器的滤芯如何更换?
1.关闭三通上的进水球阀,打开净水龙头排空机内余水;
(节水贴士:龙头下放容器盛接余水)
2.手握主滤芯横向转动(向内)90度左右,向下取出滤芯;
(保洁贴士:主芯下放洁布吸拭机头下余水)
3.打开新滤芯包装,摘下滤嘴封盖,垂直对准机头向上插入,横向转动(向外)90 度左右扣紧;
(防护贴士:轻轻摇动主芯确保安正,以防漏水)
4.打开进水球阀,此时净水龙头未关,数秒后出水,任其自排10分钟(一是激活滤芯保证过滤功能同时延长使用寿命,二是可能会有少量活性炭粉末冲出导致深颜色水待其流清);(节水贴士:当流清水时放容器盛接,不要饮用,可做洗涤冲厕)
5.观察主芯是否漏水,10分钟后关闭净水龙头,安装完成。
(测漏贴士:可用干净卫生纸绕主芯机头下一圈,吸湿测试)
前置滤芯更换说明
1. 打开净水龙头,让龙头出水。
关上净水机的进水阀门,排除余水。
关闭爱惠浦主机头开头(顺时针弦动)。
用专用前置扳手将前置滤桶下体旋下(逆时针弦动)。
2. 按住前置滤瓶上的红色减压阀7秒减压,打开前置滤瓶更换PP 棉把滤瓶盖子拧紧。
3. 按住前置滤瓶上的红色按钮的时候打开进水球阀开到四分之一位置,直到红色按钮有水出,感觉前置滤瓶不再有空气在里头时松开红色按钮,排出所有的空气。
4. 空气排完后,再将净水机进水阀开到二分之一,放水一分钟
5. 水流正常后将净水机阀门全开,然后关上净水龙头,更换完成。
纯水机更换滤芯步骤及注意事项
1.在机器静止状态下(泵停止工作)才可给机器换芯
2.分别关闭机器的三个开关,必须按照顺序
3.首先关闭电源,把电源拔下
4.其次关闭压力桶球阀(压力桶上部蓝色的扳把)
5.最后关闭进水球阀(与自来水处连接的黑色球阀手柄)
6.现在可以更换机器滤芯,用滤瓶扳子分别拧开 3个滤瓶,顺序面对机器从右向左分别为123级
7.1级放置5微米PP棉12级放置网状压柱碳/3级放置1微米PP棉
8.换好前三级滤芯后,开始换 RO膜,膜的位置在机器铁板上方的白色塑料壳呢
9.用膜壳扳子拧开盖子看到膜,注意由于长时间使用机器,膜有时很难拔出,可以用尖嘴钳夹住拔出
10.按照旧膜取出的方向装入新膜,膜的一端有双0型圈这端朝里,装好结束
11.换后置活性炭即膜壳后面细小的碳棒,先从弯头上拧下旧的碳棒,再拧上新的即可,可在新碳棒接口处缠少许生料带,防止漏水
12.滤芯及膜全部换完后,依照步骤逐一打开开关,同样顺序不能错
13.首先打开进水球阀(与自来水处连接的黑色球阀手柄)
14.其次打开压力桶球阀(压力桶上部蓝色的扳把)
15.最后插上电源
16.机器换芯后,应打开鹅颈龙头冲水 20分钟左右同新装机器一样
17.滤芯全部换好,您可以放心饮用纯净水了,祝您操作顺利!。
净水器一体的滤芯拆卸方法净水器作为一个非常实用的家用电器,可以有效地去除水中的杂质和有害物质,保障家人饮用的水质安全。
然而,在使用净水器一段时间后,滤芯的滤网会积累大量的污垢,需要进行清洗或更换滤芯。
本文将介绍净水器一体的滤芯拆卸方法,以帮助大家更好地进行滤芯的维护和更换工作。
步骤一:准备工具在开始净水器滤芯的拆卸工作之前,我们需要准备一些工具以确保操作的顺利进行:- 扳手或螺丝刀:用于松开滤芯连接螺纹。
- 滤芯安装说明书:不同品牌和型号的净水器滤芯可能存在一定的差异,正确阅读和理解使用说明书是必不可少的。
步骤二:安全关闭净水器在开始拆卸净水器滤芯之前,务必确保净水器处于关闭状态。
这样可以避免在拆卸滤芯时水源不断流出,造成不必要的麻烦和水的浪费。
步骤三:找到滤芯位置每个净水器的滤芯位置可能稍有差异,但一般情况下,滤芯的安装位置都是在净水器的底部或侧面。
通过观察净水器外观,按照使用说明书的指引,准确定位到滤芯的具体位置。
步骤四:松开滤芯连接螺纹使用扳手或螺丝刀,顺时针松开滤芯连接螺纹。
这个过程可能需要一定的力气,但并不需要过度用力,避免损坏净水器或滤芯。
当螺纹松开时,你应该能够轻松地将滤芯从净水器中取出。
步骤五:清洗滤芯(可选)在取出滤芯后,你可以选择对其进行清洗。
根据滤芯的材质和使用情况,清洗方法可能有所不同。
一般来说,你可以用淡盐水或中性洗涤剂轻轻搓洗滤芯的外表面,然后用清水冲洗干净。
特别注意,不要使用过激的清洁剂或高温水清洗滤芯,以避免破坏滤芯的滤网结构。
步骤六:更换新滤芯如果你决定更换新的滤芯,将拆卸下来的旧滤芯放在一旁备用,然后按照滤芯安装说明书的指示,正确安装新的滤芯。
注意检查滤芯连接螺纹是否密封,确保把滤芯安装牢固并且不会漏水。
步骤七:开启净水器在成功安装好新滤芯后,你可以打开净水器,并根据需要调整净水器的出水流量和温度。
此时,你应该能够享用到清新、口感良好的净水。
注意事项:- 在拆卸和清洗滤芯时,做好防护措施,避免滤芯的水污染接触到人体或其他物体。
怡口净水器滤芯更换教程第一步:准备工作首先,确定好自己的净水器型号,并购买与之对应的滤芯。
怡口净水器有不同型号的滤芯可供选择,例如PP棉滤芯、颗粒活性炭滤芯、碳棒滤芯等。
根据自己的需要选择合适的滤芯,并向正规渠道购买确保质量。
第二步:关闭水源更换滤芯之前,务必关闭水源,防止水流导致滤芯更换过程中的水溢出。
关闭水源的方式根据不同的家庭情况而定,一般可以在水管上找到一个开关,将其顺时针旋转关闭即可。
第三步:拆卸旧滤芯找到净水器的滤芯安装位置,一般来说,滤芯安装在净水器的底部或者后部,根据不同的型号而有所区别。
首先,用一个空净水瓶或者其他容器接住净水器滤芯下方的残留水,避免水的浪费和对周围环境的影响。
然后,用力扳动滤芯下方的旋钮,让滤芯从净水器中取出。
第四步:清洁滤芯安装位置用柔软的刷子或者布把滤芯安装位置进行一次彻底清洁,将残留的污渍和杂质清洗干净。
第五步:安装新滤芯将新滤芯插入净水器滤芯安装位置,确保滤芯的密封良好且卡槽对齐。
然后,用力扳动滤芯下方的旋钮,使滤芯牢固地固定在净水器中。
第六步:冲洗新滤芯在完成滤芯的安装之后,打开水源,让水顺利通过滤芯,并通过水温开关调节水的温度。
此步骤旨在清洗滤芯,去除其中的杂质和沉淀物,确保滤芯能够正常工作。
第七步:启动净水器滤芯更换完毕后,打开净水器的电源,将其插入电源插座,然后打开净水器的功能开关或者开关面板,在屏幕上查看是否有正常的运行指示灯。
等待净水器系统的正常启动和运行,确保水质安全饮用。
总结:怡口净水器滤芯的更换并不复杂,遵循以上步骤操作,即可完成滤芯的更换。
需要注意的是,滤芯的更换周期应根据家庭用水量和水质情况来决定,一般建议3-6个月更换一次,如果家庭用水量较大或者水质较差,可以适当缩短更换周期。
此外,滤芯更换后应注意及时清洗滤芯周围的水池和外壳,保持净水器的整洁和卫生。
净水器滤芯更换指南一、净水器的功能净水器的功能主要是过滤水中的漂浮物,重金属、细菌、病毒等都去除掉,它具较高的过滤技术,一般为五级过滤,笫一级为滤芯又称PP棉,第二级颗粒活性碳,第三级为精密压缩活性炭,笫四级为反渗透膜或超滤膜,笫五级为后置活性炭。
主要用于改善口感,比较适合自来水污染较为严重的地区。
1.了解滤芯功能:超滤芯0.01微米,陶瓷滤芯0.15微米,可以滤除水中杂质、细菌、病毒;活性碳滤芯可以去除水中漂白粉味、泥味等异色异味;RO膜滤芯可去除水中重金属,水烧开不结垢,目前是市场的主流;2.了解几支滤芯(几级):一般来说,五级过滤。
(孔径精度更重要)三级以下过滤净化功能较少,水质较差;五级以上过滤净化功能较多,水质较好;3.了解滤芯材料结构:PP棉滤芯的孔径,自来水中有大量的杂质,这些杂质藏在PP棉滤芯和活性碳滤芯里,在购买净水器时,应该注意产品过滤材质的使用期限,因为净水器的过滤材质不是无限期使用的。
由于过滤材质在使用一段时间后会吸附较多的杂质,如不及时更换反而会造成净化水质的二次污染。
旭莱特净水器覆盖纯水机、直饮机、中央净水器、全屋净水器以及工程水处理。
第一级:PP棉。
主要是去除泥沙铁锈等大颗粒物体。
第二级和第三级都是活性炭,一个是颗粒状的,一个是压缩的,这东西挺有用,什么油污和异物,基本上会被吸附掉。
家里用,买椰壳的炭吧,比较好。
第四级RO反渗透膜(很重要),主要是过滤重金属等有害物质。
第五级:后置活性炭,改善口感。
就是喝起来有点甘甜的。
作为家用净水器,比较主流的两种技术:1.反渗透2.超滤。
这两种技术都是纯物理过滤,反渗透过滤到0.0001微米,超滤过滤到0.01微米。
这两种净水器的主要区别就是反渗透的用电,有浓缩水排出,凉水直接喝,热水无水垢,能直饮。
而超滤不需用电,不排浓缩水,细菌病毒过滤到了,不能能直饮,烧开了还是有水垢。
从以上净水器的分类和功能中不难看出,家用净水器实质上是给水深度处理的小型化,其主要处理对象是自来水中的浊度、色度、异嗅和有机物等。
更换超纯水机滤芯的操作方法
2020年6月18日
超纯水机的滤芯性能是超纯水机出水水质的保障,因此实验室超纯水机用户应详细掌握滤芯的更换周期及正确的更换方法。
下面,就为大家介绍一下正确更换超纯水机滤芯的操作方法。
超纯水机滤芯更换具体操作方法如下:
1、滤芯的更换必须在切断水源和电源的条件下进行。
2、更换过程中通常会有水流出,请预备好水盆以及毛巾等清洁用具,以备换装滤芯后清洁机器。
3、"O"形密封圈不能损坏或丢失,否则会严重漏水。
同时在旋紧滤壳时应尽量避免使"O"密封圈移位或变形。
任何设备的使用都离不开正确的保养和维护,以上就是为大家介绍的正确更换超纯水机滤芯的操作方法,希望以上的介绍能够帮助到大家。
过滤器清洗更换操作规程
1、过滤器装有差压表,根据测得的压力降可以判断过滤器的堵塞情
况。
在正常情况下,气体通过过滤器的压力损失不超过10Kpa(或规定红线值)。
当差压显示达到10Kpa(或规定红线值)时,需要清洗滤芯。
2、正确穿戴劳动保护用具,使用金属工器具时要注意轻拿轻放。
3、拆卸滤芯
a.倒换流程,然后关闭过滤器进、出口阀门,关闭差压表的前后小球阀,然后打开过滤器排污阀泄压、排污,泄压后关闭排污阀;b.松开法兰盖压紧螺母,将法兰盖及密封件拉出(大规格过滤器用吊杆组件),转过一定角度后即可拆卸滤芯;
c.拆卸要做到稳、轻、有序,防止野蛮操作使设备受损或碰撞出电火花造成安全隐患;
4、滤芯清洗
a.松开滤芯压紧固定螺母,取出滤芯,用压缩空气由内向外吹洗,去掉脏物;
b.滤网可以用自来水冲洗,但洗后应干燥,清洗完毕后装好滤芯和压紧固定螺母,即可正常使用;
c.由于使用时间长,脏物堵塞滤芯通道难以清洗干净,或滤芯损坏,则需更换滤芯;。