铁路信电缆施工工艺规定
- 格式:docx
- 大小:41.09 KB
- 文档页数:17
铁路通信电缆测试及配盘工艺要求及方法1、技术要求(1)电缆配盘技术要求1)在一定的地段配设一定长度的电缆,以避免任意截断电缆,避免增加接头,浪费材料。
管道电缆配盘前,应自行测量管道长度(核实及修正设计图纸所标数值),根据实际测量长度进行配盘(全塑电缆严禁在管道中间接头),合理计算电缆在人(手)孔中的迂回长度、电缆接头的重叠长度和接续的操作长度。
2)根据电缆结构配盘:同一地段应布放同一类型的电缆,并根据自然地势等情况,在必要的地段按设计配置不同结构的电缆(如铠装电缆等)。
3)当低频四线组需要加感时,应按下列要求进行配盘:①根据设计要求按1.5km或2km加感节距进行配盘,相邻节距间的配盘偏差应不大于5%,进入通信站应考虑半节距加感。
①车站引入电缆的长度,应计算在加感节距内,环引长度全部计入节距,桥引长度可按1/2计入节距。
①节距内采用电容耦合K1和对地不平衡电容e1、e2值相互抵消的方法,并确定各接续点交叉形式。
(2)电缆单盘测试1)根据出厂记录并对照实物检查电缆程式、芯径、绝缘介质、外护层、色谱标识及其他机械物理特性,符合相关技术标准的规定。
2)开盘检验电缆端面,确定A、B端。
3)对号检查所有芯线有无断线、混线等障碍。
4)检测芯线的单线电阻。
5)检测每一根芯线对其他所有芯线及金属护套之间的绝缘电阻。
6)检测低频四线组电缆电性能指标应符合下表要求。
▲低频四线组电缆电性能指标注:L为被测电缆长度7)检测铜芯聚烯烃绝缘铝塑综合护层市内通信电缆性能应符合下表的要求。
▲铜芯聚烯烃绝缘铝塑综合护层市内通信电缆特性要求注:L为被测电缆长度。
8)采用其他型号的电缆时,应符合相关技术标准的规定。
2、工艺流程▲工艺流程图3、施工方法(1)施工准备1)测试仪表经计量检验合格,并在计量检验有效期内。
2)已将施工图纸、电缆订货合同、电缆参数及指标、定测台账、径路复测台账等对施工人员进行技术交底。
3)电缆单盘出厂资料齐全。
铁路信号电缆施工工艺规定第一章总则第一条为了规范在广铁集团公司管内的铁路信号电缆施工;从源头预防信号设备故障;特制定本规定..第二章铁路信号电缆使用规定第二条 ZPW—2000系列自动闭塞轨道区段以及2000系列的站内电码化设备采用铁路数字信号电缆;计轴设备、应答器使用专用数字信号电缆;其它设备应采用综合护套或铝护套信号电缆等非数字信号电缆..第三条电化区段主干信号电缆应采用铝护套信号电缆;电化区段与非电化区段连接的站场联电缆应采用铝护套信号电缆..第四条 ZPW—2000系列采用的铁路内屏蔽数字信号电缆;应遵循以下使用原则1.两个频率相同的发送与接收不能采用同一根电缆..2.两个频率相同发送接收不能设置在同一屏蔽四线组内.. 3.电缆中有两个及其以上的相同频率的发送或接收时;该电缆需采用内屏蔽电缆..4.电缆中各发送、各接收频率均不相同时;可采用非内屏蔽电缆;但线对必须按4线组对角线成对使用..5.内屏蔽电缆有2对以上的备用芯线时;必须有一个完整的内屏蔽4芯组..第五条轨道电路发送、接收电缆应成对使用..第三章铁路信号电缆径路选择原则第六条铁路信号电缆敷设前;由施工单位会同工务段、电务段、通信段等设备管理单位配合人员进行现场踏勘;共同确认敷设径路..第七条两设备间距离最短;通过股道及障碍物最少;利于施工及维修方便..第八条避开线路和其他建筑物的改、扩建处..第九条避免在道岔的岔尖、辙岔心和钢轨接头处穿越股道..第十条避免通过碱、酸、盐性等有化学腐蚀物质的地带;各种管道径路复杂地带..第十一条避免通过土壤松软容易塌陷的地带;以及坚石、池沼、污水坑等处..第十二条电缆径路与铁路平行时;距最近轨底边缘的距离;在线路外侧L为2m..如路基宽度不够时;在保证轨底边缘与电缆间斜面距离不小于2m的情况下;L可减至不小于1.7m..在线路间;L为 1.6m..若线路间距为 4.5m;此项距离L可减至不小于1.5m..距铁路边排水沟边沿不小于1000mm..如下图所示..电缆径路与铁路平行时布置示第十四条电缆径路与上下水管道平行时;距上下水管的距离不小于500mm..第十五条电缆径路与煤气或液体燃料管道平行时;距煤气或液体燃料管道的距离不小于1000mm..第十六条电缆径路与热力管道平行时;距热力管道的距离不小于2000mm..第十七条电缆径路与建筑物平行时;距建筑物的距离不小于600mm..第十八条电缆径路在树木附近时;距树木的距离不小于2000mm..第十九条干线电缆与电力杆平行时;距电力杆边缘的距离不小于700mm;距电力线路的防雷地线的距离不小于20m..第二十条电缆径路应设在铁路地界内;箱盒必须安装在工务防护栏内第四章地下管线的探测第二十一条探测电缆径路地下管线;是开挖电缆沟前很重要的一项工作;必须在电务段、通信段等设备管理单位配合下进行现场探测;提高施工安全系数..第五章开挖电缆沟第二十二条开挖的电缆沟要求沟直且沟底平;同时要深度符合电缆的埋设深度1.站内电缆埋设深度距地面不能小于700mm..2.站内石质地段电缆的埋设深度不能小于500mm..3.区间电缆的埋设深度不能小于1200mm;在农田或有农作物地段电缆的埋设深度不能小于1400mm..4.箱盒设备处的储备电缆埋设深度受条件限制不能与引入沟同深时;可以适当减少电缆的埋设深度;但也不能小于200mm;同时在箱盒设备处设置围桩进行防护..5.在铁路边开挖电缆沟及开挖过道时;要采取相应的防护措施避免污染道床..防护材料如彩条布或塑料布等..第二十三条开挖电缆沟时应注意的安全事项1.挖成的电缆沟在未敷设电缆前有塌方的可能;塌方则会危害行车安全;必须采取必要的防护措施;并尽量缩短电缆沟敞口时间..2.已经挖好的电缆沟敞口过夜时;必须采取安全防护措施;并及时通知车务人员注意;同时设专人防护..3.在线路附近施工时;设专人防护..4.开挖电缆沟时;两人间的施工距离不应小于5米..第六章电缆过道开挖第二十四条电缆过道开挖;挖出的土堆放在线路外侧;深度挖至地面200mm以下;以满足电缆防护管的埋设要求..第二十五条电缆过道防护管应采用镀锌钢管;钢管必须倒角;防止穿电缆时损伤电缆外皮..防护管内径应大于总电缆外径的 1.5倍..将防护管放入过道内;用麻袋片等材料将管口堵塞;先回填土;后回填石碴;并分层夯实..第二十六条在满足第二十四条的前提下必须保证过道防护镀锌钢管顶部距离钢轨底部大于800mm;镀锌钢防护管长度伸出轨枕端500 mm以上..第七章电缆敷设第二十七条电缆敷设前时;要严格按要求进行单盘测试;用高阻兆欧表测量电缆芯线间、每芯线对地间的绝缘电阻不小于3000MΩ·km;应检查电缆绝缘外护套完整;钢带地的绝缘电阻为2MΩ·km;并做好记录..第二十八条电缆敷设时;电缆朝向应统一以上行方向为电缆A端;下行方向为电缆B端;同时电缆要A、B端对接..第二十九条贯通地线与信号电缆同沟埋设于电缆槽下方土壤中;距电缆槽底部不少于300mm;贯通地线采用截面积不少于35平方毫米铜当量的铅包铜缆或35平方毫米的裸铜缆..分支地线采用聚乙烯外护套25平方毫米的多股铜缆..贯通地线过钢桥时应使用带绝缘护套的地线;并与光电缆有效隔离..在采用综合接地系统的区段;贯通地线截面积按有关标准执行;信号设备按规定与综合接地系统贯通地线相连接..第三十条电缆沟内;距信号楼最近端的设备电缆排列在线路侧;由近端电缆到远端电缆顺序整齐平铺排列..第三十一条内屏蔽电缆敷设时弯曲半径要大于电缆外径的20倍;其它电缆弯曲半径要大于电缆外径的15倍;不能出现背扣、小弯及损伤电缆外护层现象..第三十二条检查确认电缆的敷设位置、规格型号与电缆径路图相符..第三十三条所有地点电缆储备量不能盘成环状“○”型;可呈“Ω”状或“S、∽”状布置..电缆储备量及做头量第三十四条电缆穿过防护管时;要在防护管管口处做好防护;钢防护管管口必须做好扩口和倒角;以免损伤电缆..第三十五条严禁电力电缆与信号通信电缆同沟同槽敷设;如受地形限制需平行或交叉敷设电缆;其相互交叉、间隔距离最短距离必须大于500mm;最短距离小于500mm的;应采用镀锌钢管加砖沙防护..第八章电缆的防护第三十六条当电缆的埋设深度大于或等于700mm时;采取分层夯实的直埋防护..第三十七条电缆穿越轨道时应采用完整的镀锌钢管对电缆进行防护..镀锌钢管两端各伸出轨枕端不得小于500mm;埋于地面200mm以下..第三十八条电缆在站台上时;应采用站台上专用的电缆沟槽防护;并在沟槽内填砂防护;没有专用电缆沟槽时;应采用混凝土电缆槽进行防护;混凝土电缆槽的埋设深度为槽盖顶面距地面200mm—300mm..第三十九条电缆穿越公路时;应采用镀锌钢管对电缆进行防护;镀锌钢管埋深不低于700mm;埋深大于1200mm时;防护管可以采用硬塑料管..防护管两端露出公路边缘不小于500mm..在防护管管口处;用麻袋片将电缆缠绕后将管口封堵..防护前用卷尺等测量工具;测量公路的宽度;提前预制防护管..第四十条电缆过小混凝土桥或涵洞时;采用标准尺寸的热镀锌钢槽或热镀锌钢管进行防护..当利用既有钢槽时;应当首选靠近线路侧的钢槽..第四十一条电缆过带护栏长桥的防护:电缆过带护栏长桥时应采用热镀锌钢槽防护;根据工务要求安装..电缆过桥时钢槽应涂黑白相间的斑马线..第四十二条电缆过隧道的防护:电缆过隧道时;应采用水泥电缆槽或预留的槽道并填砂对电缆进行防护..第四十三条电缆过水沟、水渠采用镀锌钢管防护;并用水泥包封;包封厚度不少于100mm..第四十四条电缆在通过坚石等地段或埋深不足700mm时;应采用水泥电缆槽或钢槽对电缆进行防护;槽盖据地面至少200mm..第四十五条电缆要尽量避免在居民点、地下排水沟、取土坑等附近通过;必须要通过时;要在电缆上、下各敷设软土或砂100mm;并在上面敷砖管、槽防护..第四十六条电缆地下接续时;接续处用水泥电缆槽对电缆进行防护;长度不小于1m..第四十七条室外电缆要尽量远离其它管线、建筑物;当不得已与其它管线、建筑物交叉或平行敷设时;最短距离应大于500mm;小于500mm时应采用镀锌钢管或水泥电缆槽防护..第四十八条在室内的电缆线引入孔处;按引入孔尺寸用防火材料将电缆线引入孔封堵严密..第四十九条信号电缆距接触网支柱基础边沿有300mm以上的保护距离;否则;必须对电缆加镀锌钢管或水泥电缆槽进行防护..第五十条小于20m的分支电缆采用镀锌钢管或UPVC管防护..第九章电缆标埋设第五十一条电缆标要准确的埋设在电缆径路上;并在信号电缆径路图上做好记录:公里标、距离线路尺寸及标志性参照物..第五十二条在桥梁两端的备用电缆处以及隧道两端的电缆埋设处都要埋设电缆标..第五十三条在电缆的分支处、转向处、接近建筑物的最近点、可能遭受意外损伤的地点、穿越障碍物、穿越铁路、穿越道路、穿越河流、穿越桥梁、穿越涵洞、箱盒设备接地点、电缆接续处及与其它电缆和管道交叉点埋设电缆标..第五十四条长度大于100m且中间又无转向或分支电缆埋设标的电缆径路;需要每隔50m的距离安装电缆标..第五十五条电缆标上应有“信号”字样;并标明电缆走向、埋深;地下接头电缆标标明“接续”字样;并标明电缆编号、走向、埋深..第五十六条地线标、接续标及电缆标尺寸大小为120mm×120mm×800mm;用钢筋混凝土制作;电缆标桩底部为“⊥”型;各种标桩上方应采用刻制箭头标明电缆走向;根据用途标桩侧面刻制“地线”、“接续”或“信号”等字样;箭头、字样采用钢模制作;箭头、字模均用反光漆填充;标桩埋设深度为250—300mm;应进行水泥硬化加固;硬化面与地面相平或略高于地面;硬化面尺寸350 mm×350 mm×50 mm..第五十七条安全保护区以外的电缆径路每隔100m及穿越障碍物、铁路、道路、河流、桥梁、涵洞两侧等处应设警示牌..第五十八条站台电缆沟等不能埋设电缆标的地方采用钢模预置标识电缆盖板;标识为“信号电缆”..第十章电缆敷设后的绝缘测试第五十九条必须在电缆敷设后未回填前;人工全面检查电缆是否破皮损伤;特别是电缆穿钢管处和箱盒保护管下端;如有损伤;应及时采用电缆专用热缩胶带处理..防护结束后;对电缆做敷设后的绝缘测试;检验电缆在敷设过程中是否受到损伤..不合格的电缆详细记录;查明原因后处理好;不能处理的及时更换电缆;真正做到早发现、早处理不留隐患..未连接设备时;任意芯线对地绝缘和线间绝缘电阻值不得小于3000MΩ·km;由相关设备单位验收测试..第十一章电缆接续第六十条信号电缆的地下接续连接装置为免维护地中接头盒..第六十一条电缆总长度超过 2.5km接续时应设一个地上接头盒;便于电缆检测..每个地下接续标对应一个地下接续头;同时在接续标和接续头上注明电缆的编号..地上对接盒必须在电缆径路竣工图上标明;每个地上对接盒准确里程必须标识清楚;地下接续必须在电缆径路图上标明:接续坐标、距离线路尺寸及标志性参照物;并在地上设置信号电缆接续标..地下接头200米以内严禁接续..第六十二条电缆接续时必须有设备管理单位配合人员旁站;接续材料需经检验合格后方可使用..电缆接续时应将有电缆型号、名称、用途、接续人签名、设备管理单位配合人员签名、接续日期等记录的标签封闭在接头内..第六十三条电缆在距穿越铁路、公路、道口、河流、桥梁、涵洞、各类管道2m范围内不应接续..第六十四条同径路的两个接头盒间的距离不得小于1m;准确记录接头坐标、距离线路尺寸及标志性参照物..第六十五条雨、雪天气以及环境温度不符合电缆施工的要求时;不能进行地下接续..第六十六条地下接续的备用量集中放在接头的一端;长度不小于4m..地下接头应水平放置;接头两端各300mm内不得弯曲..第六十七条电缆接续必须符合A、B端对接的原则;相同芯组内相同颜色的芯线相接;电缆接续必须是同型号信号电缆对接..屏蔽连接线及电缆芯线焊接时不应使用腐蚀性焊剂;焊接应牢固..第六十八条接续人员要经过严格的专业技术培训;考试合格后持证上岗..第十二章电缆的成端及接地第六十九条为提高电缆的绝缘性能;电缆在箱盒的成端必须做密封处理..第七十条雨、雪天气不宜进行电缆的成端作业..第七十一条箱盒的分支地线采用聚乙烯外护套截面积25平方毫米多股铜缆..第七十二条终端电缆盒及无绝缘轨道电路匹配变压器不做电缆的接地..第七十三条箱盒中的电缆成端后屏蔽引出线直接接到铜制接地端子排上;分支电缆的长度小于200m时;另一端可以不接地..第七十四条区间箱盒分支地线固定在面向铁路方向最右侧的电缆引入孔上;变压器箱分支地线固定在面向变压器箱底部胶室最左侧的电缆引入孔上;HF—7、HF—4方向盒分支地线单独固定在靠近大号端子的电缆引入孔上..第七十五条分支地线的外护套在箱盒外不剥开..第十三章电缆配线第七十六条普通箱盒的电缆配线:所有安装在铜螺杆上的电缆芯线都必须压接防断线环;用剥线钳开剥电缆芯线;使芯线露出5mm—6mm的铜芯线;将铜芯线穿入压接线环的引线管内;压接钳一次压接成功..选择压接线环时;压接线环的允许压接截面积应与芯线的截面积相符..第七十七条采用回拉式弹簧端子箱盒的电缆配线:将已剥好线头的电缆芯线8mm—9mm顺靠近测试孔一侧的配线孔壁;插入配线孔中;必须将导线插到配线孔底..第七十八条站内方向电缆盒原则上设于路基边;安装与轨道平行便于维修处;面对信号楼根据主管电缆去向判断;以“1点钟”位置为一号端子;顺时针方向依次编号..第七十九条电缆盒的主管电缆在电缆盒里不应绕圈;副管电缆应予绑扎;线把在盒内走线应不少于半圈;线头从线把底部及外侧绕过上端子..电缆配线应以30mm高的鹅头弯平上端子;严禁采用O型配线方式..第八十条电缆的内护套剥切长度为30—40mm;灌胶后胶面应低于内护套5—10mm..无电缆的箱盒孔用盖板封闭后灌冷封胶20mm;胶面光亮..第八十一条箱盒内每根电缆进口处挂电缆去向牌;标明电缆型号、芯数、用途、去向、长度、备用芯数和端别等..第八十二条配线整齐、备用芯线应留有足够长度分开卷成螺旋状..上端子线头按顺时针方向;垫片不压塑料皮..第八十三条数字信号电缆皮泡皮绝缘芯线严禁90度直弯;避免芯线弯曲过大损伤外皮..数字信号电缆芯线出线把上端子时;电缆芯线与线把角度不小于120度;确保芯线弯曲度..每根芯线保留有能再做2—3次线头的余量;芯线端头做成高30mm的鹅头弯直接上端子..不得做成为“O”型上端子..第八十四条根据不同箱盒的配线方式顺把;将最远端芯线放在外层;最近端的芯线放在内层依次相叠;用塑料绑扎带绑扎整齐、不交叉..第八十五条电缆引入分线柜时;不得有硬弯;每根电缆必须有大于5米的备用余量;备用余量电缆呈“Ω”状或“S、∽”状盘放在电缆房井内;不得盘成为“O”型;室外预留电缆在“Ω”状或“S、∽”状最突出处增设电缆标..第八十六条箱盒内电缆芯线可采用塑料扎带丝和尼龙扣绑扎;但数字信号电缆皮泡皮绝缘芯线抗挤压强度很弱;禁止采用尼龙扣绑扎数字信号电缆芯线..第八十七条备用电缆芯线:1.自动闭塞区间每根干线电缆除站联电缆以外贯通一对备用电缆芯线;并配置到电缆盒和分线盘端子上..2.自动闭塞区间的站联电缆的所有备用芯线须贯通;并配置到电缆盒和分线盘端子上..3.站内每根干线电缆贯通一对备用电缆芯线至最远端方向盒电缆盒或XB箱; 并配置到电缆盒和分线盘端子上..4.将备用贯通电缆芯线设计在电缆配线竣工图上;电缆盒和分线盘的备用电缆芯线端子须标识..第十四章配线后的对地绝缘测试第八十八条设备未通电时应对每芯电缆配线进行综合对地绝缘的测试;电缆绝缘电阻值不得小于10MΩ..设备通电后电缆绝缘电阻值不得小于1MΩ..第十五章防火第八十九条信号楼电缆房、站台、桥隧等电缆沟盖板齐全不漏缝;电缆沟内外不得存有树枝、落叶等易燃物;电缆沟内须用沙覆盖电缆;沙的厚度为100mm..电缆引入口须用防火材料封堵;电缆柜若为木质材料须刷防火涂料或采取其他防火措施;各种电缆屏蔽接地可靠..第十六章附则第九十条适用范围1.集团管内列车速度小于200km/h的信号设备基本建设、更新改造、大修工程..2.铁道部、集团公司投资及其它款源的所有项目;地方铁路和专用铁路可参照执行..。
铁路通信工程的施工技术要点及质量控制措施铁路通信工程是铁路运输系统中的重要组成部分,它为铁路的安全运行、高效调度和旅客服务提供了关键的通信保障。
随着铁路技术的不断发展和智能化程度的提高,对铁路通信工程的施工技术和质量控制提出了更高的要求。
一、铁路通信工程施工技术要点(一)光电缆线路敷设光电缆是铁路通信传输的重要载体,其敷设质量直接影响通信的稳定性和可靠性。
在敷设前,要进行详细的现场勘查,确定最佳的敷设路径,避开地质不稳定、易受外力破坏等区域。
同时,要根据不同的敷设环境选择合适的光电缆类型和防护措施。
例如,在穿越铁路、公路等特殊地段时,应采用钢管或混凝土管进行防护。
在敷设过程中,要注意控制光电缆的弯曲半径,避免过度弯曲导致光电缆损伤。
还要确保光电缆的敷设深度符合设计要求,一般情况下,直埋光电缆的深度不应小于 08 米。
此外,要做好光电缆的接续工作,接续点应进行防潮、防水处理,以保证光电缆的传输性能。
(二)通信设备安装通信设备的安装包括基站设备、传输设备、交换设备等。
在安装前,要对设备进行严格的检验和测试,确保设备的性能和质量符合要求。
安装过程中,要按照设备的安装说明书和施工规范进行操作,保证设备的安装位置准确、固定牢固。
对于基站设备,要注意天线的安装方向和角度,以保证信号的覆盖范围和质量。
对于传输设备,要做好线缆的连接和标识,确保信号传输的畅通。
对于交换设备,要进行合理的配置和调试,满足通信业务的需求。
(三)通信铁塔建设通信铁塔是铁路通信无线覆盖的重要基础设施。
在建设通信铁塔时,要根据铁路沿线的地形地貌和通信需求确定铁塔的高度和类型。
铁塔的基础施工要严格按照设计要求进行,确保基础的稳定性和承载能力。
铁塔的安装要由专业的施工队伍进行,采用吊车等设备进行组装。
在安装过程中,要注意安全,防止发生高空坠落等事故。
同时,要对铁塔进行防雷接地处理,保证铁塔在雷雨天气下的安全运行。
(四)通信系统调试通信系统调试是确保通信工程正常运行的关键环节。
铁道信号工程施工作业指导书-电缆工程1.适用范围本作业指导书适用于信号电缆工程。
2.作业准备2.1 内业技术准备作业指导书编制后,应在开工前组织技术人员认真学习实施性施工组织设计,阅读、审核施工图纸,澄清有关技术问题,熟悉规范和技术标准。
制定安全确保措施,提出应急预案。
对施工人员进行技术交底,对参加施工人员进行上岗前技术培训,考核合格后持证上岗。
2.2 外业技术准备施工作业层中所设计的各种外部技术数据收集。
租赁生活房屋以及料库,配齐生活、办公设施,满足主要管理、技术人员进场生活、办公需要。
3.技术要求信号电缆线路的规格型号应符合设计要求,并对电缆径路进行定测,定测结果作为施工依据,电缆工程施工坚持“三检制度”,并做好检测记录;电缆回填前应通知监理工程师进行检查验收。
4.施工程序与工艺流程为了确保工期,信号工程各工序采取平行与流水相结合的办法进行施工,工序间采取合理的搭接,施工程序如下:电缆线路径路复测→电缆采购→到货检验→电缆单盘测试→开挖电缆沟→敷设电缆→电缆防护→电缆接续→电气特性测试→回填夯实→埋设电缆标→箱盒安装。
为确保施工质量和施工进度的顺利进行,常规部分的施工方法,选择已成熟的施工工法、施工工艺进行组织施工;采用新技术、新工艺、新设备部分的施工,参照新设备提供商提供的安装规范,制定相应的施工方法和施工工艺,满足工程的施工需要。
5.施工要求电缆工程5.1 一般规定5.1.1 工程所采用电缆的型号、规格应符合设计文件规定。
5.1.2 电缆敷设前应检查:电缆盘是否完整、无破损、无机械损伤、钢带外护层无破损开裂、硬化变质现象。
5.1.3 电缆敷设前应进行电气特性测试:5.2 电缆沟要求5.2.1 普通土敷设单层电缆时,沟深不得少于750mm。
5.2.2 普通土敷多层电缆时,沟深不得少于850mm。
5.2.3 穿越道口或公路等处的沟深应大于本电缆沟深200mm,且有钢管防护。
5.2.4 使用电缆槽时,正常情况下槽盖上面距地面不得少于500mm。
铁路通信管道光电缆敷设施工工艺和方法1、技术要求(1)管道光缆敷设的技术要求1)按设计核对光缆占用的管孔位置,所用管孔必须清刷干净。
2)光缆一次牵引长度不宜大于1000m,超长时应采取盘“8”字分段牵引或中间辅助牵引。
3)光缆布放后应紧靠人(手)孔壁,并留适当余量避免光缆绷得太紧(一般预留0.5m~1.0m),逐个人(手)孔将光缆放置在规定的托板上。
4)人(手)孔的光缆可采用纵剖塑料波纹管保护,并用胶带缠扎牢固,缠孔间距300mm,并用扎带绑扎在电缆托板上。
5)光缆与子管端口采用PVC胶带缠绕密封,备用子管端口安装塑料塞子。
6)光缆在人(手)孔应安装标识牌。
7)塑料子管在管道中间不得有接头,在人(手)孔各伸出100mm~150mm。
8)接头处增设标石(一般适用于郊外管道光缆)。
9)管道光缆敷设方式:①硅管管道宜采用气吹法进行敷设,盘长不宜超过2000m;②混凝土管道或双壁波纹管管道内穿塑料子管的管道光缆,应采用人工方式敷设。
要求人(手)孔间距不应大于150m。
(2)管道电缆敷设的技术要求1)敷设电缆前要准备标识牌,标明电缆的编号、型号、规格、图位号、起始地点。
2)放线前对管路进行检查,穿线前应进行管路清扫、打磨管口。
清除管内杂物及积水,有条件时应使用0.25Mpa压缩空气吹入滑石粉风保证穿线质量。
所有金属线槽盖板、护边均应打磨,不留毛刺,以免划伤电缆。
3)在管内穿线时,要避免电缆受到过度拉引,每米的拉力不能超过7kg以便保护线对绞距。
4)电缆敷设完毕后,两端必须留有足够的长度,各拐弯处、直线段应整理到位。
5)线槽内线缆布放完毕后应盖好槽盖,满足防火、防潮、防鼠害之要求。
2、工艺流程▲管道光电缆施工流程图3、施工方法(1)施工准备1)首先应对施工人员进行安全培训和技术交底,同时讲解敷缆方法要领等内容,确保施工人员服从指挥。
安全培训完毕要进行必要的安全考试,合格后才能上岗作业。
2)为了确保光电缆敷设质量和施工安全,施工前必须严密组织,配备专人指挥,备有良好的联络手段,严禁在无联络工具的情况下敷设光电缆。
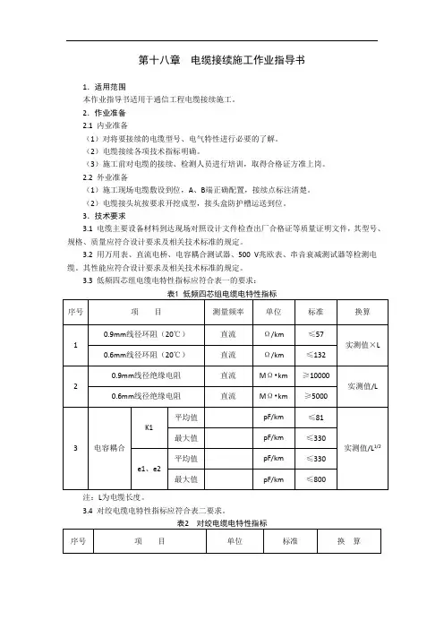
第十八章电缆接续施工作业指导书1.适用范围本作业指导书适用于通信工程电缆接续施工。
2.作业准备2.1 内业准备(1)对将要接续的电缆型号、电气特性进行必要的了解。
(2)电缆接续各项技术指标明确。
(3)施工前对电缆的接续、检测人员进行培训,取得合格证方准上岗。
2.2 外业准备(1)施工现场电缆敷设到位,A、B端正确配置,接续点标注清楚。
(2)电缆接头坑按要求开挖成型,接头盒防护槽运送到位。
3.技术要求3.1 电缆主要设备材料到达现场对照设计文件检查出厂合格证等质量证明文件,其型号、规格、质量应符合设计要求及相关技术标准的规定。
3.2 用万用表、直流电桥、电容耦合测试器、500 V兆欧表、串音衰减测试器等检测电缆。
其性能应符合设计要求及相关技术标准的规定。
3.3 低频四芯组电缆电特性指标应符合表一的要求:注:L为电缆长度。
3.4 对绞电缆电特性指标应符合表二要求。
10.7mm 线径单线电阻(20℃) Ω/km ≤48 实测值/L0.6mm 线径单线电阻(20℃) Ω/km ≤65.8 0.5mm 线径单线电阻(20℃) Ω/km ≤95 2绝缘电阻M Ω•km≥5000实测值×L 注:L 为电缆长度。
4.施工程序与工艺流程电缆接续施工程序:施工准备→开剥电缆→钢带接地及防腐→电缆接续→电气测试→接头盒安装→接地处理→防水测试5.施工要求 5.1 准备工作(1)首先在接头地点将A、B端两侧的对称电缆引出地面,并平整好接头场地。
(2)用棉纱擦去电缆外护套上的污泥(两侧各1.5m),再将两侧接头部位理直并交叉放置,长度为1000mm 。
(3)准备需用工具及材料,擦净待用。
(4)打开包装取出接头盒后,将塑料薄膜包装袋的底边剪去,套入任意一端本缆上待用。
(5)用钢锯锯去A、B端头,其长度为100~120mm ,A、B端别是否正确。
5.2 护层开剥(1)距对称电缆端头700mm 处,用电工刀环切PE 外护套一周,再向端头纵向切割300mm 长,翻起PE 外护套,并将其切除,裸露钢带(A、B两侧相同)。
高铁通信工程综合布线施工方法及工艺1、施工工艺流程图综合布线施工流程见下图:2、施工准备材料要求对绞电缆和光缆型号规格、程式、形式应符合设计的规定和购销合同的规定。
电缆所附标志、标签内容应齐全、清晰。
电缆外护套须完整无损,电缆应附有出厂质量检验合格证,并应附有本批量电缆的性能检验报告(注:电缆标志内容:在电缆的护套上约以lm的间隔标明生产厂厂名或代号及电缆型号规格,必要时还标明生产年份。
标签内容:电缆型号规格,生产厂厂名或专用标志,制造年份、电缆长度);钢管(或电线管)型号规格,应符合设计要求,壁厚均匀,焊缝均匀,无劈裂,砂眼,棱刺和凹扁现象。
除镀锌管外其它管材需预先除锈刷防腐漆(现浇混凝土内敷钢管,可不刷防腐漆,但应除锈)。
镀锌管或刷过防腐漆的钢管外表完整无剥落现象,并有产品合格证;管道采用水泥管块时,应符合信息部部《通信管道工程施工及验收技术规范》(GB50374一2006)中相关规定;金属线槽及其附件:应采用经过镀锌处理的定型产品。
其型号规格应符合设计要求。
线槽内外应光滑平整,无棱刺,不应有扭曲、翘边等变形现象,并应有产品合格证;各种镀锌铁件表面处理和镀层应均匀完整,表面光洁,无脱落、气泡等缺陷;接插件:各类跳线、接线排、信息插座、光纤插座等型号规格,数量应符合设计要求,其发射、接收标志明显,并应有产品合格证;配线设备,电缆交接设备的型号规格应符合设计要求,光电缆交接设备的编排及标志名称应与设计相符。
各类标志名称统一,标志位置正确、清晰。
并应有产品合格证及相关技术文件资料;电缆桥架、金属桥架的型号规格、数量应符合设计要求,金属桥架镀锌层不应有脱落损坏现象,桥架应平整、光滑、无棱刺,无扭曲、翘边、铁损变形现象,并应有产品合格证;各种模块设备型号规格、数量应符合设计要求,并应有产品合格证;交接箱、暗线箱型号规格、数量应符合设计要求,并应有产品合格证;塑料线槽及其附件型号规格应符合设计要求,并选用相应的定型产品。
一、工程简介通信工程施工工艺标准页脚内容1目录第一章编制依据............................................................................... - 1 -第二章光电缆线路 ........................................................................... - 1 -第四章数字调度系统 ..................................................................... - 38 -第五章通信设备移设扩容及光电缆线路割接............................... - 42 -第六章通信系统及设备调测.......................................................... - 46 -第七章通信工程竣工文件的编制…………………………- 37附:工程管理程序工作表施工测试、记录工作表质保资料工作表(铁程检表、质统表、通信验收、检验批记录)审批:复核:编制:说明由于本工程有多个施工单位参加建设,各单位施工技术水平不尽相同,为提高各单位施工技术水平,统一全线工程质量,达到各单位施工技术取长补短的目的,本项目将制定统一的技术标准下发至各项目部,各项目部要严格按照技术标准执行。
第一章编制依据《新建太中银铁路Ⅱ标段工程施工总承包招标文件》;太中银工程建设指挥部下发的施工设计文件、图纸;太中银工程建设指挥部下发的指导性总体施工组织设计;太中银工程建设指挥部批准的实施性施工组织设计;国家和铁道部现行的设计、施工、验收采用的规范、规则和标准;集团公司《管理手册》和《程序文件》;第二章光电缆线路1、复测径路选择的原则:⑴选择路由应顺直、地势平坦、地质稳定、高差较小、土质较好、石方较少、不易塌方和冲刷的地段。
铁路通信直埋光电缆敷设工艺要求及施工方法1、技术要求(1)长途通信电缆敷设技术要求1)电缆埋深及防护应符合设计及施工技术规程的相关规定。
2)电缆保护管煨弯半径不应小于外径的6倍。
3)穿越铁路电缆保护管的长度,应大于轨道两侧枕头以外0.3m;穿越公路的电缆保护管长度,应大于公路面以外0.2m。
4)电缆敷设“A”、“B”端朝向应符合设计规定,设计未规定的情况下,按照“A”端朝向上行方向、“B”端朝向下行方向敷设。
5)电缆敷设后的余留量:电缆接续后余留0.8~1.5m;通信站引入口处余留3~5m;穿越30m以上河流时,两岸各余留1~5m;200m及以上大桥两端和250~500m的隧道两端,各余留1~3m;带伸缩缝的钢结构桥梁敷设电缆时,每个伸缩缝余留不应小于0.5m,通过500m以上隧道时,应在一侧大避车洞内适当余留。
在有塌方、滑坡、穿越铁路及有其他规划地段,应适当余留。
带伸缩缝的钢结构桥梁敷缆时,除必要的余留外,还应做蛇形敷设或其他特殊处理。
电缆余留的方法,如下图所示:▲电缆余留弯曲线单位:mm注:R为电缆最小弯曲半径,r为根据电缆须余留长度确定的弯曲半径。
6)电缆敷设时的弯曲半径:铝护套电缆不应小于电缆外径的15倍,困难地段为20倍;铅护套电缆不应小于电缆外径的7.5倍。
7)电缆标桩、警示牌、地线等设施的埋设,应符合设计要求及有关规定。
(2)地区(站场)通信电缆敷设技术要求1)电缆埋深及防护应符合设计及施工技术规程的相关规定。
2)用电缆槽防护敷设电缆时,埋设深度为:在站场股道附近或铁路路肩上,槽盖板顶面距离路基面不应小于0.2m;在石渣和砂子填平的股道间,槽盖板面至轨枕底面不应小于0.55m,盖板顶面在路基面下的覆盖厚度不应小于0.2m。
3)敷设电缆时,铅护套电缆弯曲半径不得小于电缆外径的7.5倍,铝护套电缆不得小于电缆外径的15倍。
4)电缆余留:接头处余留1m,进通信站、电话所信号楼余留1m,分线设备和端子盒引入处余留1.5m。
中华人民共和国铁道部部标准TB 1472-83 综合护套、铝护套信号电缆技术条件本标准适用于交流额定电压500V直流电压1000V及以下的室外固定敷设电缆。
1 引言1.1 适用的温度条件1.1.1线芯的长期允许工作温度应不超过70℃。
1.1.2 电缆在温度–40~60℃时使用。
1.1.3普通护套在环境温度不低于–5℃耐寒护套不低于–10℃的条件下敷设时无须预热。
1.2 屏蔽作用1.2.1 综合护套、铝护套均有屏蔽作用。
均适用于经过计算需要设置屏蔽电缆的电气化区段。
1.2.2综合护套带铠装的电缆,当护套上的感应电压为35~200V/km时,电缆的屏蔽系数γ小于或等于0.8。
1.2.3 铝护套带铠装的电缆,当护套上的感应电压为35~200V/km时,电缆的理想屏系数γ小于或等于0.3。
1.3 弯曲半径敷设时的弯曲半径不小于电缆外径的15倍。
1.4 适用的频率范围1.4.1综合扭绞的扭绞线对适用于音频范围以内的设备,也可用于一般的工频以下或直流设备。
1.4.2 普通型结构适用于工频以下或直流设备。
2 品种规格2.1 综合护套信号电缆2.1.1 综合护套普通型信号电缆的型号如表1所示:中华人民共和国铁道部1983—03—05发布 1983—10—01实施2.1.2综合护套综合扭绞信号电缆的型号如表2所示:2.2 铝护套信号电缆2.2.1 铝护套普通型信号电缆型号如表3如示:以一机部的电缆型号编制为原则,并参考通信电缆的型号进行编制。
3 技术要求3.1线芯3.1.1电缆为铜导电线芯,其芯径为1.0mm。
3.1.2导电线芯应符合JB 647–77《圆铜线》TR型软圆铜单线标准。
3.2导电线芯绝缘采用高压聚乙烯,熔融指数为0.3,其标称厚度为0.6mm,厚度允许偏差为±0.1mm。
3.3普通线芯的绞合及识别方式3.3.1绝缘线芯应绞合,绞合时相邻两层的绞合方向相反,最外层的绞合方向为右向。
各层间允许疏绕棉纱或其它纤维村料。
铁路通信、信号工程施工方案1.通信、信号工程施工方案本标段无通信工程施工,只负责信号工程的贯通地线敷设。
通信信号及信息工程安排一个通信信号施工队进行施工.2.贯通地线敷设施工方法及工艺2.1.路基地段贯通地线敷设⑴施工工艺路基地段贯通地线敷设施工工艺见图2-1。
图2-1路基地段贯通地线敷设施工工艺图①路基面碾压平:路基基床底层AB组填料按正常填筑工艺施工至基床底层顶面以下300mm时,进行路基面的碾压平整,检测合格。
②测量定位:在路基面上测设纵向贯通地线埋设位置,(每侧距本线3.9m)撒白灰标识。
③成槽:沿白灰线用切割机械或人工以锹、镐等小型工具在填筑面开挖出约100mm 深、宽度约100mm的小槽。
清除槽内虚渣及碎石块等坚硬凸出物,达到设计标高且平整无突变起伏,满足铺设综合接地线的要求。
④铺设综合贯通地线:经检查合格后向小槽内回填40mm厚的粒径不大于5mm的土壤,然后敷设综合地线,地线敷设采用电缆头,困难区段端头间隔200m,贯通地线端头处裸露铜导体进行密封防腐处理。
⑤分支线引接及横向线连接引出线与综合贯通地线用“C”字连接器以压接方式连接,压接采用12t的专用压接钳。
⑥回填①人工夯实:综合贯通地线及分支、引接横向连接线敷设完后,回填60mm粒径不大于5mm的土壤,人工用小型冲击夯夯实。
②保护层施工:在夯实完成后,再在地线位置上部铺设不小于100mm厚的A、B 组填料。
用压路机碾平压实,进行正常的路基填筑施工。
⑦接地电阻测试综合接地电缆埋设后,进行接地电阻测试,确保综合接地系统的接地电阻不大于1欧姆。
并填写“路基地段综合接地接口检查记录表”,电阻测试按500m检测一点。
采用直线布极法和三角形布极法或采用数字接地电阻测试接地电阻。
⑵连接工艺①准备贯通地线接续所需的工具、材料主要工具有:KUB-412液压钳、压模、电工刀、锯弓等。
主要材料有:54755型铜接头、FSJD复合绝缘防水胶带。
②将需要接续的贯通地线端头用锯弓进行修复平整处理,然后使用电工刀从断开处向端头纵向切开,剥去护套,露出铜绞线100mm左右。
铁路信号电缆施工工艺规定第一章总则第一条为了规范在广铁(集团)公司管内的铁路信号电缆施工,从源头预防信号设备故障,特制定本规定。
第二章铁路信号电缆使用规定第二条 ZPW—2000系列自动闭塞轨道区段以及2000系列的站内电码化设备采用铁路数字信号电缆,计轴设备、应答器使用专用数字信号电缆,其它设备应采用综合护套或铝护套信号电缆等非数字信号电缆。
第三条电化区段主干信号电缆应采用铝护套信号电缆,电化区段与非电化区段连接的站(场)联电缆应采用铝护套信号电缆。
第四条 ZPW—2000系列采用的铁路内屏蔽数字信号电缆,应遵循以下使用原则1.两个频率相同的发送与接收不能采用同一根电缆。
2.两个频率相同发送(接收)不能设置在同一屏蔽四线组内。
3.电缆中有两个及其以上的相同频率的发送或接收时,该电缆需采用内屏蔽电缆。
4.电缆中各发送、各接收频率均不相同时,可采用非内屏蔽电缆,但线对必须按4线组对角线成对使用。
5.内屏蔽电缆有2对以上的备用芯线时,必须有一个完整的内屏蔽4芯组。
第五条轨道电路发送、接收电缆应成对使用。
第三章铁路信号电缆径路选择原则第六条铁路信号电缆敷设前,由施工单位会同工务段、电务段、通信段等设备管理单位配合人员进行现场踏勘,共同确认敷设径路。
第七条两设备间距离最短,通过股道及障碍物最少,利于施工及维修方便。
第八条避开线路和其他建筑物的改、扩建处。
第九条避免在道岔的岔尖、辙岔心和钢轨接头处穿越股道。
第十条避免通过碱、酸、盐性等有化学腐蚀物质的地带,各种管道径路复杂地带。
第十一条避免通过土壤松软容易塌陷的地带,以及坚石、池沼、污水坑等处。
第十二条电缆径路与铁路平行时,距最近轨底边缘的距离,在线路外侧L为2m。
如路基宽度不够时,在保证轨底边缘与电缆间斜面距离不小于2m的情况下,L可减至不小于1.7m。
在线路间,L为1.6m。
若线路间距为4.5m,此项距离L可减至不小于1.5m。
距铁路边排水沟边沿不小于1000mm。
水蚌线电气化改造工程(信号专业)施工作业指导书中铁电气化局集团水蚌线电气化改造工程项目三分部二〇一二年二月十五日目录一、电缆工程............................................ - 1 -1.1电缆径路及敷设 (1)1.2电缆沟的防护及开挖 (1)1.3敷设电缆的施工流程 (2)1.3电缆防护 (2)1.4电缆接续 (3)1.5电缆标的安装 (3)二、室外箱盒安装......................................... - 4 -2.1站内、区间箱盒安装 (4)3、信号机的安装 (6)3.1一般规定 (6)四、轨道电路............................................ - 8 -4.1钢轨绝缘安装流程 (8)4.2站内轨道电路 (8)4.3ZPW-2000无绝缘轨道电路 (9)4.5调谐区禁停标志牌安装 (11)4.6机械绝缘节处设备的安装 (12)4.7补偿电容的安装 (13)4.8室外设备防雷及地线 (13)7.6箱盒配线 (14)一、电缆工程施工时电缆应按定长放置,不能有非常接头,不允许通过增加电缆接头等方式进行处理,杜绝信号电缆与其他缆线相互交叉干扰,严禁信号电缆与电力电缆同沟放置。
1.1 电缆径路及敷设1.1.1电缆沟与最近钢轨底在线路外侧不得小于2m,当路基宽度不够时,在保证轨底边沿与电缆斜面距离不少于2m的情况下,此项距离可减至不少于1.7m。
1.1.2在线路间不得少于1.6m,若线路间距为4.5m时,此项距离可减少至1.5m。
1.1.3电缆与地下建筑物之间距离不少于600mm。
1.1.4直埋电缆与公路边的距离不得小于1m。
1.1.5电缆应缓和地敷设在沟槽内,保持一定的自然弯曲,并不得出现背扣,电缆拐角处不得拐直角。
1.1.6电缆A、B端规定:站内:B端在信号楼;配线时必须按四芯组对角线进行施工,维修电话使用对角线配线。
信号施工工艺标准为满足铁路建设和运输发展的需要,近几年来铁路信号技术和装备水平得到了大幅度的提高。
为提高施工水平及信号工程的施工质量,特制定施工工艺标准如下,望在施工中遵照执行。
信号施工工艺标准编制依据:《铁路信号工程施工质量验收标准》一、通则1、各部安装装置固定螺丝必须紧固,并有防松装置,螺杆应伸出螺母外且外露丝扣必须无锈蚀。
2、各种设备及箱(盒)体无损伤,设备基础不断裂和缺损。
各种变压器箱安装箱盖开盖朝向轨道,即箱轴在箱与轨道之间。
3、各种设备及箱盒内部各种端子和器材必须名称、标记齐全。
4、各种箱盒必须密封良好,箱盒灌胶良好无裂纹,箱盒备用电缆引入口用铁板封堵严密。
5、各种设备建筑限界必须符合维规要求。
6、各种设备地线必须完整、固定良好,且地线电阻符合标准,地线桩完整醒目。
7、室外各种箱盒电缆线头必须加辅助线环,并留有能做2-3次线环的余量(盒子余量用Φ5套筒绕3圈,箱子余量用Φ6套筒绕3圈。
绕圈大小一致,不高于端子),塑料套管长度一致、适当,两辅助线环背靠背上,中间不加垫片。
每根电缆均应加电缆铭牌,备用电缆芯线绕圈并编号(含室内)。
8、室外箱盒软线线头均应绕制线环,绕环线用7×0.52的铜线,胶管长度应一致、适当,绕制线环间必须加垫片。
配线幸免应垂直出线,线把绑扎、固定良好。
9、轨道变压器箱配线采用悬空配线,并用3.0铁线穿胶管制作配线支架。
支架上至轨道箱内固定耳朵下方。
10、设备电话线按设计要求配在箱盒最后两个端子,电话端子使用电缆芯线,引出箱盒外部。
11、定型配线应用扎带绑扎。
二、信号机标准1、矮型四显示带进路表示器出站基础埋设时,要求基础面高出轨面150±50mm。
2、矮型调车或出站信号基础埋设时,要求基础面高出轨面250±50mm。
安装限界突出边缘距本线路中心不小于1875mm,突出边缘距临线线路中心不小于1875mm。
3、高柱色灯信号机安装标准如下:高柱进站信号机最低灯位中心至轨面3500mm;四显示高柱出站信号机最下方灯位距轨面4700mm;两显示高柱调车信号机最下方灯位中心距轨面5300mm。
铁路信号电缆施工工艺规定第一章总则第一条为了规范在广铁(集团)公司管内的铁路信号电缆施工,从源头预防信号设备故障,特制定本规定。
第二章铁路信号电缆使用规定第二条 ZPW—2000系列自动闭塞轨道区段以及2000系列的站内电码化设备采用铁路数字信号电缆,计轴设备、应答器使用专用数字信号电缆,其它设备应采用综合护套或铝护套信号电缆等非数字信号电缆。
第三条电化区段主干信号电缆应采用铝护套信号电缆,电化区段与非电化区段连接的站(场)联电缆应采用铝护套信号电缆。
第四条 ZPW—2000系列采用的铁路内屏蔽数字信号电缆,应遵循以下使用原则1.两个频率相同的发送与接收不能采用同一根电缆。
2.两个频率相同发送(接收)不能设置在同一屏蔽四线组内。
3.电缆中有两个及其以上的相同频率的发送或接收时,该电缆需采用内屏蔽电缆。
— 1 —4.电缆中各发送、各接收频率均不相同时,可采用非内屏蔽电缆,但线对必须按4线组对角线成对使用。
5.内屏蔽电缆有2对以上的备用芯线时,必须有一个完整的内屏蔽4芯组。
第五条轨道电路发送、接收电缆应成对使用。
第三章铁路信号电缆径路选择原则第六条铁路信号电缆敷设前,由施工单位会同工务段、电务段、通信段等设备管理单位配合人员进行现场踏勘,共同确认敷设径路。
第七条两设备间距离最短,通过股道及障碍物最少,利于施工及维修方便。
第八条避开线路和其他建筑物的改、扩建处。
第九条避免在道岔的岔尖、辙岔心和钢轨接头处穿越股道。
第十条避免通过碱、酸、盐性等有化学腐蚀物质的地带,各种管道径路复杂地带。
第十一条避免通过土壤松软容易塌陷的地带,以及坚石、池沼、污水坑等处。
第十二条电缆径路与铁路平行时,距最近轨底边缘的距离,在线路外侧L为2m。
如路基宽度不够时,在保证轨底边缘与电缆间斜面距离不小于2m的情况下,L可减至不小于1.7m。
在线路间,L为1.6m。
若线路间距为4.5m,此项距离L可减至— 2 —不小于1.5m。
距铁路边排水沟边沿不小于1000mm。
如下图所示。
电缆径路与铁路平行时布置示第十三条电缆径路与公路平行时,距公路路面边沿和排水沟边沿不小于1000mm。
第十四条电缆径路与上下水管道平行时,距上下水管的距离不小于500mm。
第十五条电缆径路与煤气或液体燃料管道平行时,距煤气或液体燃料管道的距离不小于1000mm。
第十六条电缆径路与热力管道平行时,距热力管道的距离不小于2000mm。
第十七条电缆径路与建筑物平行时,距建筑物的距离不小于600mm。
第十八条电缆径路在树木附近时,距树木的距离不小于2000mm。
第十九条干线电缆与电力杆平行时,距电力杆边缘的距离不小于700mm,距电力线路的防雷地线的距离不小于20m。
— 3 —第二十条电缆径路应设在铁路地界内,箱盒必须安装在工务防护栏内第四章地下管线的探测第二十一条探测电缆径路地下管线,是开挖电缆沟前很重要的一项工作,必须在电务段、通信段等设备管理单位配合下进行现场探测,提高施工安全系数。
第五章开挖电缆沟第二十二条开挖的电缆沟要求沟直且沟底平,同时要深度符合电缆的埋设深度1.站内电缆埋设深度距地面不能小于700mm。
2.站内石质地段电缆的埋设深度不能小于500mm。
3.区间电缆的埋设深度不能小于1200mm,在农田或有农作物地段电缆的埋设深度不能小于1400mm。
4.箱盒设备处的储备电缆埋设深度受条件限制不能与引入沟同深时,可以适当减少电缆的埋设深度,但也不能小于200mm,同时在箱盒设备处设置围桩进行防护。
5.在铁路边开挖电缆沟及开挖过道时,要采取相应的防护措施避免污染道床。
防护材料如彩条布或塑料布等。
第二十三条开挖电缆沟时应注意的安全事项1.挖成的电缆沟在未敷设电缆前有塌方的可能,塌方则会— 4 —危害行车安全,必须采取必要的防护措施,并尽量缩短电缆沟敞口时间。
2.已经挖好的电缆沟敞口过夜时,必须采取安全防护措施,并及时通知车务人员注意,同时设专人防护。
3.在线路附近施工时,设专人防护。
4.开挖电缆沟时,两人间的施工距离不应小于5米。
第六章电缆过道开挖第二十四条电缆过道开挖,挖出的土堆放在线路外侧,深度挖至地面200mm以下,以满足电缆防护管的埋设要求。
第二十五条电缆过道防护管应采用镀锌钢管,钢管必须倒角,防止穿电缆时损伤电缆外皮。
防护管内径应大于总电缆外径的1.5倍。
将防护管放入过道内,用麻袋片等材料将管口堵塞,先回填土,后回填石碴,并分层夯实。
第二十六条在满足第二十四条的前提下必须保证过道防护镀锌钢管顶部距离钢轨底部大于800mm,镀锌钢防护管长度伸出轨枕端500 mm以上。
第七章电缆敷设第二十七条电缆敷设前时,要严格按要求进行单盘测试,用高阻兆欧表测量电缆芯线间、每芯线对地间的绝缘电阻不小于3000MΩ·km,应检查电缆绝缘外护套完整,钢带地的绝缘电阻— 5 —为2MΩ·km,并做好记录。
第二十八条电缆敷设时,电缆朝向应统一以上行方向为电缆A端,下行方向为电缆B端,同时电缆要A、B端对接。
第二十九条贯通地线与信号电缆同沟埋设于电缆(槽)下方土壤中,距电缆(槽)底部不少于300mm,贯通地线采用截面积不少于35平方毫米铜当量的铅包铜缆或35平方毫米的裸铜缆。
分支地线采用聚乙烯外护套25平方毫米的多股铜缆。
贯通地线过钢桥时应使用带绝缘护套的地线,并与光电缆有效隔离。
在采用综合接地系统的区段,贯通地线截面积按有关标准执行,信号设备按规定与综合接地系统贯通地线相连接。
第三十条电缆沟内,距信号楼最近端的设备电缆排列在线路侧,由近端电缆到远端电缆顺序整齐平铺排列。
第三十一条内屏蔽电缆敷设时弯曲半径要大于电缆外径的20倍,其它电缆弯曲半径要大于电缆外径的15倍,不能出现背扣、小弯及损伤电缆外护层现象。
第三十二条检查确认电缆的敷设位置、规格型号与电缆径路图相符。
第三十三条所有地点电缆储备量不能盘成环状(“○”型),可呈“Ω”状或“S、∽”状布置。
电缆储备量及做头量— 6 —— 7 —第三十四条电缆穿过防护管时,要在防护管管口处做好防护,钢防护管管口必须做好扩口和倒角,以免损伤电缆。
第三十五条严禁电力电缆与信号通信电缆同沟同槽敷设,如受地形限制需平行或交叉敷设电缆,其相互交叉、间隔距离最短距离必须大于500mm,最短距离小于500mm的,应采用镀锌钢管加砖沙防护。
第八章电缆的防护第三十六条当电缆的埋设深度大于或等于700mm时,采取分层夯实的直埋防护。
第三十七条电缆穿越轨道时应采用完整的镀锌钢管对电缆进行防护。
镀锌钢管两端各伸出轨枕端不得小于500mm,埋于地面200mm以下。
第三十八条电缆在站台上时,应采用站台上专用的电缆沟槽防护,并在沟槽内填砂防护;没有专用电缆沟槽时,应采用混凝土电缆槽进行防护,混凝土电缆槽的埋设深度为槽盖顶面距地面200mm—300mm。
— 8 —第三十九条电缆穿越公路时,应采用镀锌钢管对电缆进行防护,镀锌钢管埋深不低于700mm,埋深大于1200mm时,防护管可以采用硬塑料管。
防护管两端露出公路边缘不小于500mm。
在防护管管口处,用麻袋片将电缆缠绕后将管口封堵。
防护前用卷尺等测量工具,测量公路的宽度,提前预制防护管。
第四十条电缆过小混凝土桥或涵洞时,采用标准尺寸的热镀锌钢槽或热镀锌钢管进行防护。
当利用既有钢槽时,应当首选靠近线路侧的钢槽。
第四十一条电缆过带护栏长桥的防护:电缆过带护栏长桥时应采用热镀锌钢槽防护,根据工务要求安装。
电缆过桥时钢槽应涂黑白相间的斑马线。
第四十二条电缆过隧道的防护:电缆过隧道时,应采用水泥电缆槽或预留的槽道并填砂对电缆进行防护。
第四十三条电缆过水沟、水渠采用镀锌钢管防护,并用水泥包封,包封厚度不少于100mm。
第四十四条电缆在通过坚石等地段或埋深不足700mm时,应采用水泥电缆槽或钢槽对电缆进行防护,槽盖据地面至少200mm。
第四十五条电缆要尽量避免在居民点、地下排水沟、取土坑等附近通过,必须要通过时,要在电缆上、下各敷设软土(或砂)100mm,并在上面敷砖(管、槽)防护。
第四十六条电缆地下接续时,接续处用水泥电缆槽对电缆— 9 —进行防护,长度不小于1m。
第四十七条室外电缆要尽量远离其它管线、建筑物,当不得已与其它管线、建筑物交叉或平行敷设时,最短距离应大于500mm,小于500mm时应采用镀锌钢管或水泥电缆槽防护。
第四十八条在室内的电缆(线)引入孔处,按引入孔尺寸用防火材料将电缆(线)引入孔封堵严密。
第四十九条信号电缆距接触网支柱基础边沿有300mm以上的保护距离,否则,必须对电缆加镀锌钢管或水泥电缆槽进行防护。
第五十条小于20m的分支电缆采用镀锌钢管或UPVC管防护。
第九章电缆标埋设第五十一条电缆标要准确的埋设在电缆径路上,并在信号电缆径路图上做好记录:公里标、距离线路尺寸及标志性参照物。
第五十二条在桥梁两端的备用电缆处以及隧道两端的电缆埋设处都要埋设电缆标。
第五十三条在电缆的分支处、转向处、接近建筑物的最近点、可能遭受意外损伤的地点、穿越障碍物、穿越铁路、穿越道路、穿越河流、穿越桥梁、穿越涵洞、箱盒设备接地点、电缆接续处及与其它电缆和管道交叉点埋设电缆标。
第五十四条长度大于100m且中间又无转向或分支电缆埋— 10 —设标的电缆径路,需要每隔50m的距离安装电缆标。
第五十五条电缆标上应有“信号”字样,并标明电缆走向、埋深;地下接头电缆标标明“接续”字样,并标明电缆编号、走向、埋深。
第五十六条地线标、接续标及电缆标尺寸大小为120mm×120mm×800mm,用钢筋混凝土制作,电缆标桩底部为“⊥”型,各种标桩上方应采用刻制箭头标明电缆走向,根据用途标桩侧面刻制“地线”、“接续”或“信号”等字样,箭头、字样采用钢模制作,箭头、字模均用反光漆填充,标桩埋设深度为250—300mm,应进行水泥硬化加固,硬化面与地面相平或略高于地面,硬化面尺寸350 mm×350 mm×50 mm。
第五十七条安全保护区以外的电缆径路每隔100m及穿越障碍物、铁路、道路、河流、桥梁、涵洞两侧等处应设警示牌。
第五十八条站台电缆沟等不能埋设电缆标的地方采用钢模预置标识电缆盖板,标识为“信号电缆”。
第十章电缆敷设后的绝缘测试第五十九条必须在电缆敷设后未回填前,人工全面检查电缆是否破皮损伤,特别是电缆穿钢管处和箱盒保护管下端,如有损伤,应及时采用电缆专用热缩胶带处理。
防护结束后,对电缆做敷设后的绝缘测试,检验电缆在敷设过程中是否受到损伤。
不合格的电缆详细记录,查明原因后处理好,不能处理的及时更换— 11 —电缆,真正做到早发现、早处理不留隐患。
未连接设备时,任意芯线对地绝缘和线间绝缘电阻值不得小于3000MΩ·km,由相关设备单位验收测试。