灌封胶产品操作指南
- 格式:doc
- 大小:20.50 KB
- 文档页数:3
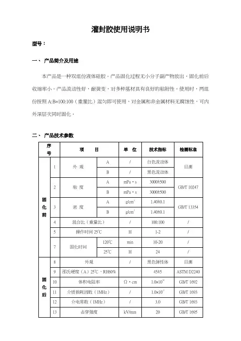
灌封胶使用说明书型号:一、产品简介及用途本产品是一种双组份液体硅胶。
产品固化过程无小分子副产物放出,固化前后收缩率小。
产品流动性好,耐黄变,对多种基材具有良好的粘附性。
使用时,两组份按照A:B=100:100(重量比)混匀即可使用,对金属和非金属材料无腐蚀性,可内外深层次同时固化。
二、产品技术参数三、使用方法与注意事项●施胶前需保持基材及模具的干燥、清洁、无刮痕或缺陷,以免影响固化后性能。
●使用前分别将A/B组分搅拌均匀,然后AB组份按比例称好,在干净容器中充分混合均匀(有条件可将混合后产品抽真空消除气泡)后即可使用。
●施胶时,注意施胶方式,避免产生气泡和溢胶;烘烤固化前,检查胶水的充盈度和结合面有无瑕疵;烘烤时,根据实际状况合理调节温度或烘烤时间,保证胶水固化完全。
●本品使用时,操作时间仅仅与环境温度有关,环境温度越高,允许操作时间越短,反之,允许操作时间较长。
●本品易被含P、S、N的有机物“毒化”而影响固化效果,使用时注意清洁,防止杂质混入。
●本品切忌与不或加入硫化剂的缩合型硅橡胶、加入固化剂的环氧树脂、聚氨酯等相混可接触。
四、包装、储存、运输●本品分A、B两组份,分别包装于10kg/桶或20kg/桶的塑料桶中,或按用户需求协商指定包装。
●本品在贮存及运输时,应密闭保存在阴凉干燥处,防止雨淋。
贮存期6个月,建议储存温度在0~40℃。
●本品按非危险品储存和运输。
五、安全与环保1、本产品属非危险化学品,可按照非危险品贮存和运输,使用时,对人体和环境没有毒害和污染。
2、使用后的包装物,请按照相关的环保规定要求进行处理,不得随意乱丢弃。
注:●我公司只对产品是否符合规格给予保证,由于客户的使用条件差异和产品储存运输和施工过程不受本公司控制,客户在使用时,一定要先进行测试,以确认适合您使用目的产品。
●产品的部分性能参数均可根据客户的要求作专门调整,客户可与我公司联系。
●本公司的有机硅产品是面向一般电子工业用途而开发。
罐胶操作规程
一、使用前准备
1.产品罐胶部分必须密封,防止胶体渗漏到电器部分;
2.产品引线可用扎带或皮筋扎好,排布规范整齐;
3.需要浇封的产品摆放必须与地面垂直,可用水平尺测试垂直度,以保证胶体浇灌均匀不会单边溢出。
二、使用方法
在环境清洁的场所进行操作,操作过程分为三个步骤:配比→浇灌→固化
清洗: 阻燃环氧胶与固化剂(重量4:1,体积2.75:1)比例配置。
涂抹: 可用一次性杯做容器,两种液体必须搅拌均匀后才可以浇灌。
固化:浇灌完成后放入高温箱固化,固化时间60°c / 4小时
70°c/ 3小时。
三、注意事项
1.使用该产品时应配戴胶皮防护手套,用完后注意密封存放在阴凉干燥处;
2.阻燃环氧胶气温高时间长会有少量沉淀,使用前搅拌均匀即
可。
3.高温情况下容易损坏的元器件(如:电池组)不要放入高温箱固化,放在常温下固化即可。
常州市佐安电器有限公司
质检部
2012年4月1日。
环氧树脂灌封胶使用方法嘿,你问环氧树脂灌封胶使用方法?那咱就来好好聊聊。
要用环氧树脂灌封胶啊,首先得把要灌封的东西准备好。
比如说电子元件啊、小摆件啥的,把它们擦干净,不能有灰尘和油污哦。
就像你要给一个漂亮的盒子包装礼物,得先把盒子擦干净一样。
然后呢,把环氧树脂灌封胶拿出来。
一般都是A、B 两种胶,得按照一定的比例混合。
可不能随便倒哦,得用电子秤或者量杯啥的量好。
就像你做蛋糕的时候,面粉和鸡蛋得按比例放,不然蛋糕就不好吃啦。
接着,把 A 胶和 B 胶倒在一个干净的容器里,用搅拌棒慢慢地搅拌均匀。
搅拌的时候不能太用力,也不能太快,不然会产生很多气泡。
就像你搅拌咖啡一样,得轻轻地搅拌,让咖啡和牛奶充分融合。
等搅拌均匀了,就可以把胶倒在要灌封的东西上啦。
倒的时候要小心,不能倒得太多也不能太少。
可以用滴管或者注射器啥的,这样比较好控制。
就像你给花浇水,不能浇得太多把花淹死了,也不能浇得太少让花渴着。
倒完胶后,让它自然流平。
如果有气泡,可以用牙签或者针把气泡挑破。
就像你吹气球的时候,发现有个小疙瘩,可以用手指把它按平。
然后,把灌封好的东西放在一个干燥、通风的地方,让胶慢慢固化。
固化的时间根据不同的胶可能会不一样哦,得看说明书。
在固化的过程中,可不能去动它,不然会影响固化效果。
就像你做布丁,得等它凝固了才能吃。
我给你讲个事儿吧。
我有个朋友,他自己做了一个小台灯,想用环氧树脂灌封胶把灯泡和电线封起来。
他一开始不知道怎么用,就随便把胶倒上去,结果弄得一团糟。
后来他看了说明书,又请教了别人,终于学会了用灌封胶。
他把小台灯做得可漂亮了,还送给了我一个呢。
所以啊,用环氧树脂灌封胶要准备好东西,按比例混合胶,搅拌均匀,小心倒胶,挑破气泡,让胶固化。
只要你用心,就能用好灌封胶。
加油吧!。
灌封胶使用方法灌封胶是一种高分子材料,在工业制造和家庭维修中有广泛的应用。
它能够填充和密封不同材料之间的空隙,增强结构的强度和稳定性,防止液体、气体和杂质渗透,延长产品的使用寿命。
以下是灌封胶使用方法的详细步骤。
1.准备工作在使用灌封胶之前,需要做一些准备工作。
首先,要确认所需要镶嵌、填充或密封的表面材料的种类和状态。
如果表面是油污、灰尘、水珠或化学物质,需要使用清洁剂、去脂剂或酒精清洗干净,并等待干燥。
如果表面有裂缝、孔洞或缺损,需要先修复或加固。
其次,要选择合适的灌封胶。
不同种类、型号和颜色的灌封胶有不同的特性和用途,如高强度、高温度、导电、阻燃、黑色、白色等。
要根据实际需要和要求选择合适的灌封胶。
最后,要准备好相关的工具和辅助材料,如刮刀、气枪、压紧器、控制台、防護板等。
这些工具和材料可以帮助你更容易地施工和控制灌封胶的流动和硬化。
2.施工操作当准备工作完成后,就可以开始施工操作了。
以下是一些常见的灌封胶使用方法:a.点状填充如果需要填充小孔、缝隙或端子,可以使用点状填充的方法。
首先,在表面上涂上少量的灌封胶,然后用刮刀或气枪将其压入目标区域。
最后,用手轻轻按压几秒钟,让灌封胶充分贴合和硬化。
b.流线型填充如果需要填充较大的区域或平面,可以使用流线型填充的方法。
首先,将灌封胶挤出至目标区域,尽可能地使其服从所需的形状和结构。
其次,使用刮刀或气枪将其均匀地铺开,并确保它充分填满每个角落和毛细孔。
最后,在灌封胶硬化之前,用控制台或防護板保护施工区域,避免外部环境对其造成干扰或损害。
c.混合填充如果需要混合不同种类或颜色的灌封胶,可以使用混合填充的方法。
首先,将两种灌封胶按照一定比例混合在一起,使它们达到所需的颜色和性能。
然后按照先前的方法进行施工操作。
3.检查在灌封胶施工完成后,需要进行检查,以确保其质量和功效达到预期。
检查主要包括以下几个方面:a.外观检查检查灌封胶的外观,看是否填充或密封完整、平滑、美观,没有漏洞、气泡、悬挂或瑕疵。
软性灌封胶如何正确使用?有哪些步骤?
灌封胶分为硬质和软质,软质灌封胶具有流动性、消泡性和环保性,非常适合产品商标、贴纸和产品表面的软胶封装,被工业企业大批量的应用。
那么,你知道软性灌封胶的正确使用方法吗?因为使用方法很简单,所以我们这里挑了一些容易出错的步骤提示给大家,下面我们一起往下看!
①做好准备工作后,首先我们要对产品进行搅拌。
由于胶粘剂搅拌的过程中容易产生气泡,因此软性灌封胶在混合后建议对胶水进行抽真空除泡处理,以排除搅拌过程中产生的气泡,或静置10-20分钟再使用;
②软性灌封胶对固化的温度要求不高,无论是常温、中温都可以。
如果,我们采用加温固化,滴好胶的产品可静置一段时间再进入烤箱,如发现表面仍有气泡,可使用火焰消泡的方法除泡;
③配胶的时候,要注意使用说明上的比例,切勿多放或者少放。
混合在一起的胶量越多,其反应就越快,固化速度也会越快,请注意控制一次配胶的量,因为由于反应加快,其可使用的时间也会缩短;
④软性灌封胶在混合后有一个可使用时间,这里的可使用时间是指在25℃条件下,100g混合后的胶液的粘稠度增加一倍的时间。
并非可操作时间之后,胶液绝对不能使用,这里不要误会;
⑤无论是什么胶粘剂,施工的时候都要减少直接和皮肤接触。
因为,有极少数人长时间接触胶液会产生轻度皮肤过敏,有轻度痒痛,建议使用时戴防护手套,粘到皮肤上请用丙酮或酒精擦去,并使用清洁剂清洗干净;
⑥最后,我们要告知所有的施工人员在大量使用前,请先小量试用,掌握产品的使用技巧,以免差错。
以上便是软性灌封胶正确的使用方法,虽然不是完整的使用步骤,但是对于经验丰富的操作员来说已经足够。
灌封胶操作流程下载温馨提示:该文档是我店铺精心编制而成,希望大家下载以后,能够帮助大家解决实际的问题。
文档下载后可定制随意修改,请根据实际需要进行相应的调整和使用,谢谢!并且,本店铺为大家提供各种各样类型的实用资料,如教育随笔、日记赏析、句子摘抄、古诗大全、经典美文、话题作文、工作总结、词语解析、文案摘录、其他资料等等,如想了解不同资料格式和写法,敬请关注!Download tips: This document is carefully compiled by theeditor. I hope that after you download them,they can help yousolve practical problems. The document can be customized andmodified after downloading,please adjust and use it according toactual needs, thank you!In addition, our shop provides you with various types ofpractical materials,such as educational essays, diaryappreciation,sentence excerpts,ancient poems,classic articles,topic composition,work summary,word parsing,copy excerpts,other materials and so on,want to know different data formats andwriting methods,please pay attention!灌封胶操作流程一、准备工作阶段。
在进行灌封胶操作之前,需要做好充分的准备工作。
灌胶机作业指导书一、背景介绍灌胶机是一种常用于工业生产中的设备,主要用于将胶水或者密封剂精确地注入到产品中,以达到密封、粘合或者固定的目的。
本文将详细介绍灌胶机的操作步骤、注意事项和常见问题解决方法,以匡助操作人员正确使用灌胶机,提高工作效率。
二、操作步骤1. 准备工作a. 检查灌胶机的电源温和源是否正常,并确保设备接地良好。
b. 检查胶水或者密封剂的储存容器是否充足,如不足应及时补充。
c. 清洁工作台和灌胶机的工作区域,确保无杂物和灰尘。
2. 设定灌胶参数a. 打开灌胶机的控制面板,根据产品要求设定合适的灌胶速度、压力和胶量等参数。
b. 确保灌胶机的针头或者喷嘴与产品的接触面保持垂直,并调整灌胶机的位置和角度,使其与产品接触密切。
3. 开始灌胶a. 将产品放置在工作台上,并确保产品的表面干净且无杂质。
b. 按下启动按钮,灌胶机开始工作。
胶水或者密封剂将通过针头或者喷嘴精确地注入到产品中。
c. 灌胶过程中,操作人员需保持警惕,观察胶水或者密封剂的流动情况,确保灌胶均匀且无漏胶现象。
4. 完成灌胶a. 当灌胶机工作结束时,及时住手设备并关闭电源。
b. 检查产品的灌胶效果,确保胶水或者密封剂已充分覆盖所需区域。
c. 清洁灌胶机的针头或者喷嘴,避免胶水或者密封剂干固阻塞。
三、注意事项1. 操作人员应穿戴好个人防护装备,如手套、护目镜和口罩,以避免接触胶水或者密封剂对身体造成伤害。
2. 在操作过程中,严禁将手指或者其他物体挨近灌胶机的运动部件,以免发生意外伤害。
3. 定期检查灌胶机的电源线、气管和控制系统,确保设备的安全可靠性。
4. 若发现灌胶机浮现异常情况,如漏胶、胶水不均匀等问题,应即将停机检查,并及时进行维修或者更换部件。
四、常见问题解决方法1. 漏胶问题a. 检查灌胶机的针头或者喷嘴是否松动,若松动应紧固。
b. 检查胶水或者密封剂的粘度是否过低,如过低可适当调整灌胶参数。
2. 胶水不均匀问题a. 检查胶水或者密封剂的压力和速度是否适中,如不适中可进行调整。
环氧灌封胶的使用方法及注意事项使用方法配比:A:B = 100:20(重量比)可使用时间:25℃×30-40分钟(100g混合量)固化条件:常温6-8小时或60℃×1小时●要灌封的产品需要保持干燥、清洁;●使用时请先检查A剂,观察是否有沉降,并将A剂充分搅拌均匀;●按配比取量,且称量准确,请切记配比是重量比而非体积比,A、B剂混合后需充分搅拌均匀,以避免固化不完全;●搅拌均匀后请及时进行灌胶,并尽量在可使用时间内使用完已混合的胶液;●灌注后,胶液会逐渐渗透到产品的缝隙中,必要时请进行二次灌胶;●固化过程中,请保持环境干净,以免杂质或尘土落入未固化的胶液表面。
作为生产环氧灌封胶的专业企业,常州市鑫汇电子材料有限公司是当仁不二的首选,它坐落于历史悠久、人文荟萃的长三角洲经济区域中心地带的常州武进区。
该公司是一家专业生产铝壳铝罐阻燃胶的铝壳厂家,主要生产电容器铝壳、铝壳铝罐、环氧胶、灌封胶等。
该公司积累丰富的电容器铝壳、铝壳铝罐、环氧灌封胶生产制造经验,具有完善的管理体系。
设计工艺先进,加工实力雄厚。
制造的产品得到了全国广大客户的一致好评。
下面由鑫汇电子给大家提几点注意点:注意事项●本品在混合后会开始逐渐固化,其粘稠度会逐渐上升,并会放出部分热量;●混合在一起的胶量越多,其反应就越快,固化速度也会越快,并可能伴随放出大量的热量,请注意控制一次配胶的量,因为由于反应加快,其可使用的时间也会缩短,混合后的胶液尽量在短时间内使用完;●可使用时间:是指在25℃条件下,100g混合后的胶液的粘稠度增加一倍的时间,并非可操作时间之后, 胶液绝对不能使用;●有极少数人长时间接触胶液会产生轻度皮肤过敏,有轻度痒痛,建议使用时戴防护手套,粘到皮肤上请用丙酮或酒精擦去,并使用清洁剂清洗干净;●在大量使用前,请先小量试用,掌握产品的使用技巧,以免差错。
储存与包装●本品需在通风、阴凉、干燥处密封保存,保质期六个月,过期经试验合格,可继续使用;●包装规格为每组30kg,其中包含主剂25kg/桶、固化剂5kg/桶。
环氧树脂灌封胶的6个使用步骤,你都记熟了吗?如何选购?很多新人由于刚入行或者是之前没有用过环氧树脂灌封胶,缺乏经验,所以不知道该如何下手。
其实,环氧树脂灌封胶操作起来也不难,只需要记住这下面的6个步骤,保管你操作起来得心应手!赶快随着我一起往下看!一、环氧树脂灌封胶使用步骤详解第①步:在操作之前,要将被粘接物表面的油污、灰尘、水等杂物清理干净,保持被粘接基材表面的干燥和清洁。
第②步:因为环氧树脂灌封胶是需要调配的,所以我们在调配之前先检查一下A胶是否符合要求,有没有沉降物,并且将A胶充分搅拌均匀,如果搅拌的不均匀很容易导致有的地方固化了,而有的地方还没有固化。
第③步:环氧树脂灌封胶的包装上有配比使用说明,所以我们要按配比取量,请一定要记住配比是重量比而非体积比,A、B剂混合后需充分搅拌均匀,以避免固化不完全。
第④步:检查搅拌均匀后要在固化前及时灌胶,并且在使用时间内将已经配比搅拌均匀的灌封胶使用完,切记不要将开封的灌封胶放在下次使用,很影响灌封胶的使用效果。
第⑤步:灌封时要将产品的缝隙填满,所以如果没有填满,那么我们有必要进行二次灌封。
第⑥步:固化的过程中,要清理固化的环境,保持操作环境的干净。
不要让灰尘、油污等掉进胶水中。
二、环氧树脂灌封胶选购选购环氧树脂灌封胶,首先提到的便是灌封胶的品牌,品质好、售后好、出货快是衡量品牌好坏的标注之一。
其次我们在选择环氧树脂灌封胶的时候,最好是结合自己的产品需求去选择,不一定大品牌的就适合你,应该综合考虑,货比三家,总没错的,不过也不要贪小便宜,还是需要选择质量有保障的环氧树脂灌封胶,更放心。
以上便是环氧树脂灌封胶的使用过程,每一步都清晰明朗,我们在施胶的过程中要严格按照步骤来操作,在配比胶水的时候要搅拌均匀,基材的表面要清洁、干燥,这样才能保障环氧树脂灌封胶的使用效果!。
灌胶机作业指导书引言概述:灌胶机作业指导书是为了指导操作人员正确使用灌胶机进行工作,并确保工作的安全和高效。
本文将从五个大点出发,详细阐述灌胶机的操作指导,包括机器准备、操作步骤、常见问题及解决方法、维护保养和安全注意事项。
正文内容:1. 机器准备1.1 确认机器完好无损:检查灌胶机的各个部件是否完好无损,如输送带、灌胶头等。
1.2 确认材料准备就绪:检查胶水、填充物等材料是否充足,并按照要求进行储存和保管。
1.3 调整灌胶机参数:根据工作需要,调整灌胶机的参数,如胶水流量、胶枪温度等,确保机器能够正常运行。
2. 操作步骤2.1 打开机器:按照操作手册的指引,正确打开灌胶机的电源,并等待机器初始化完成。
2.2 调整工作参数:根据产品要求,调整灌胶机的参数,如胶水流量、灌胶速度等。
2.3 安装材料:将胶水和填充物等材料按照要求安装到灌胶机的相应位置。
2.4 开始灌胶:根据产品的要求,按下启动按钮,开始进行灌胶作业。
2.5 监控作业过程:在灌胶过程中,及时观察机器的运行情况,确保灌胶的质量和效率。
2.6 完成作业:灌胶完成后,关闭机器电源,并进行必要的清洁工作。
3. 常见问题及解决方法3.1 胶水流量不稳定:检查胶水供应系统是否正常,如有问题,及时维修或更换部件。
3.2 灌胶头堵塞:清洁灌胶头,确保胶水能够顺畅流动。
3.3 灌胶不均匀:调整灌胶机的参数,如灌胶速度和压力,确保灌胶均匀。
3.4 机器故障:及时联系维修人员进行维修,不要私自拆卸或修理机器。
4. 维护保养4.1 定期清洁:定期清洁灌胶机的各个部件,确保机器的正常运行。
4.2 润滑保养:定期给机器的传动部件和轴承进行润滑,延长机器的使用寿命。
4.3 定期检查:定期检查机器的各个部件是否正常,如有问题及时维修或更换。
5. 安全注意事项5.1 穿戴防护用具:操作人员必须穿戴好防护用具,如手套、护目镜等。
5.2 注意机器运行状态:在操作过程中,要时刻注意机器的运行状态,确保自身安全。
灌封胶产品操作指南一.灌封前的准备:工具:搅拌棒(筷子),塑料杯,电子称分别打开A,B两个容器,1.首先,检查A胶底部有无沉淀,如有沉淀,必须先将沉淀搅拌起来,直到搅拌均匀为止。
2.同样方法,检查B胶3.塑料杯放置于电子称上,电子称去皮清零。
4.将搅拌好了的A胶,直接倒入塑料杯中(根据用量要求取用,单次混合不低于50克)5.根据A胶用量,取出一定比例的B胶(按照说明书中的比例),倒入塑料杯中。
6.用搅拌棒(筷子)顺着一个方向,充分搅拌塑料杯中的胶水(这一步很重要!必须充分搅拌均匀,杯壁要刮到)。
如果一次混合100克以内的话,时间一般在3分钟左右,混合量大的话,时间适当延长。
7.将混合好的胶水,静置5分钟左右(目的是排泡),再灌封到产品中。
二.灌封产品工具:混合好胶的杯子,需要灌封的产品。
操作步骤:1.检查需要灌封的产品是否有灰尘,助焊剂,松香,油污等残留物,如发现残留物,必须用洗板水或酒精清洗干净,晾干。
2.灌封的产品,底部或者边缘不能有缝隙,否则可能发生胶液渗漏。
如有缝隙,可以预先用硅橡胶填缝堵漏。
3.将装有胶水的杯子慢慢倾倒(不要一股脑倒下),顺着一个点,流满产品周围。
4.根据产品要求,选择灌封厚度。
三.固化产品根据产品要求,可以选择常温固化或者热固化。
1.常温固化:室温干燥环境中静置即可,无需做任何处理。
2.热固化,直接将产品置于恒温箱中,加热处理。
四.注意事项:1.环氧树脂灌封胶在固化的过程中会放热,混合量越大,放热越大,固化时间相应也会缩短。
2.加成型灌封硅胶,对于含有磷,硫,胺等化学物质的材料,接触到的地方,会产生“中毒”(不凝固)的情况,请一定要注意。
3.单组分硅胶或者缩合型硅胶都不会深层凝固,单组分硅胶,凝固深度不超过3mm,缩合型灌封硅胶,凝固深度不超过8mm。
灌胶机作业指导书一、背景介绍灌胶机是一种常见的工业设备,用于在产品创造过程中进行胶水的灌注。
本文将详细介绍灌胶机的操作步骤、注意事项和常见故障排除方法,以匡助操作人员正确、高效地使用灌胶机。
二、操作步骤1. 准备工作a. 确保灌胶机的电源已接通,并检查电源线是否正常。
b. 检查灌胶机的胶水储罐,确保胶水充足并符合要求。
c. 检查灌胶机的压力控制器,确保压力调整在正常范围内。
2. 开机准备a. 打开灌胶机的主电源开关,待指示灯亮起后,打开操作面板。
b. 设置灌胶机的工作参数,如胶水流量、压力等,根据实际需要进行调整。
3. 调试灌胶机a. 打开灌胶机的进胶阀门,并观察胶水是否正常流动。
b. 调整压力控制器,确保胶水的压力稳定在预设范围内。
c. 检查灌胶机的出胶阀门,确保胶水顺畅地流出。
4. 开始灌胶a. 将待灌胶的产品放置在灌胶机的工作台上,并根据需要固定好位置。
b. 打开灌胶机的开始按钮,胶水开始注入产品中。
c. 根据产品的尺寸和形状,调整灌胶机的运动轨迹和速度,确保胶水均匀地覆盖整个产品表面。
5. 结束灌胶a. 当产品灌胶完成后,关闭灌胶机的开始按钮。
b. 检查产品的灌胶质量,确保胶水均匀、无气泡、无漏胶等问题。
c. 清洁灌胶机的工作台和出胶口,以便下次使用。
三、注意事项1. 操作人员应熟悉灌胶机的工作原理和操作流程,严格按照操作指导书进行操作。
2. 在操作灌胶机时,应佩戴防护手套和护目镜,以防止胶水溅到皮肤或者眼睛。
3. 定期检查灌胶机的各个部件,如电源线、压力控制器、阀门等,确保其正常工作。
4. 使用合适的胶水,并根据产品的要求进行调整,以确保灌胶质量。
5. 在灌胶过程中,注意胶水的温度和粘度,避免因温度过高或者过低而影响灌胶效果。
四、常见故障排除方法1. 胶水流量不稳定可能原因:胶水储罐中胶水不足,进胶阀门阻塞,压力控制器故障。
解决方法:检查胶水储罐并补充胶水,清洁进胶阀门,更换压力控制器。
灌封胶的操作方法是什么?不同类型操作方法相差很大现在电器或者电子产品在制造过程中离不开一种胶粘剂,这种胶粘剂就是灌封胶,灌封胶的出现有效提高电器的实用性和安全性。
灌封胶虽好,但需要掌握正确操作方法才可以,不同类型灌封胶操作工艺有很大差别。
单组份灌封胶操作方法:1、注胶之前查看施工基材表面是否干净整洁,单组份灌封胶注胶方式分为手工注胶和使用点胶枪。
如果单组分灌封胶属于大容量规格,此时使用点胶枪更合适。
2、在常温环境中注胶,表干时间为3到15分钟,此时不能移动基材,必须等到彻底固化后才能移动,避免被粘接的零部件出现移位。
24小时后完全固化。
双组份灌封胶手工操作方法:1、把两种组分灌封胶液分别称量,然后依次进行搅拌,两种组份胶液充分搅拌均匀后把A组分胶液倒入B组分中再次进行充分搅拌。
2、搅拌均匀后的胶液可以直接对基材进行灌封,灌封完毕后放置在在自然环境中或者加热环境中进行固化。
为了防止气泡产生,胶液在混合后可以进行真空脱泡,这样在注胶到基材中可以有效避免产生气泡。
固化时间根据配比,有着不同的区别,有固化时间快的也有固化时间慢的。
双组份灌封胶机器操作方法:1、分别对两种不同组分胶液进行称重,然后放置在已经预热的机器中进行搅拌。
2、只有搅拌均匀后才能进行注胶,这样有效防止胶液沉淀、分层,固化后才能粘接预期性能。
大批量施工更适合机器注胶,人工注胶可以节省机器置办成本,无论使用哪种方法只要正确施工固化后均能达到同样固化效果。
为了方便用户不同方式注胶需求,建议购买品牌的产品,专注灌封胶的研究,提供定制化的灌封胶胶应用解决方案,用途广泛,能应用于新能源、军工、医疗、航空、船舶、电子、汽车、仪器、电源、高铁等行业领域。
这类的胶液无论人工注胶还是机器注胶固化后性能不变。
灌胶机作业指导书一、背景介绍灌胶机是一种常用的工业设备,用于在各种产品上进行胶水的涂敷工作。
本文将详细介绍灌胶机的操作步骤、注意事项以及常见问题的解决方法,以便操作人员能够正确、安全地使用灌胶机进行作业。
二、操作步骤1. 准备工作a. 确保灌胶机已经接通电源,并且电源线正常。
b. 检查灌胶机的胶水储存罐,确保胶水充足。
c. 检查灌胶机的涂胶管路,确保没有堵塞或泄漏。
2. 开机准备a. 将灌胶机的电源开关置于"ON"位置。
b. 确认灌胶机的控制面板显示正常,没有报警信息。
c. 按照需要设置灌胶机的工作参数,如胶水流量、涂胶速度等。
3. 进行灌胶作业a. 将需要涂胶的产品放置在灌胶机的工作台上,并固定好。
b. 按下启动按钮,灌胶机开始工作。
c. 观察涂胶过程中的胶水流量和涂胶速度,根据需要进行调整。
d. 确保涂胶均匀,避免出现漏涂或重叠的情况。
4. 完成作业a. 当涂胶完成后,按下停止按钮,灌胶机停止工作。
b. 将灌胶机的电源开关置于"OFF"位置,断开电源。
c. 清理灌胶机的涂胶管路和喷嘴,确保畅通。
三、注意事项1. 操作人员必须熟悉灌胶机的工作原理和操作流程,严格按照操作步骤进行作业。
2. 在操作过程中,必须佩戴好防护设备,如手套、护目镜等。
3. 在清理涂胶管路和喷嘴时,必须先断开电源,确保安全。
4. 定期检查灌胶机的各项部件,保持其良好的工作状态。
5. 如遇到操作不当或灌胶机出现故障时,应立即停止作业并联系维修人员。
四、常见问题及解决方法1. 问题:涂胶不均匀。
解决方法:检查涂胶管路是否有堵塞或泄漏,清理或更换相关部件。
2. 问题:胶水流量过大或过小。
解决方法:调整灌胶机的工作参数,如胶水流量控制阀、涂胶速度等。
3. 问题:灌胶机无法启动。
解决方法:检查电源是否正常连接,确认控制面板是否有报警信息,如有,按照相应的报警代码进行故障排查。
4. 问题:喷嘴堵塞。
灌封胶使用方法
灌封胶是一种常见的密封材料,广泛应用于工业、建筑、汽车等领域。
以下是灌封胶的使用方法:
1. 清洁表面:在使用灌封胶之前,必须先清洁表面,以确保胶水能够牢固地附着在表面上。
使用酒精或其他清洁剂擦拭表面,并确保表面干燥。
2. 割开管子:从管子的尖端割开一个小口,并用剪刀剪掉管子的顶部。
3. 挤出胶水:将割开的管子放入胶枪中,然后挤出适量的胶水。
如果需要调整胶水的流量,可以在胶枪上调节。
4. 填充缝隙:将胶水填充到需要密封的缝隙中。
注意不要用手触摸胶水,以免污染表面。
5. 平整表面:使用刮刀或其他工具平整表面,以确保胶水充分填充缝隙并贴合表面。
6. 治疗时间:让胶水在空气中干燥,通常需要几个小时或几天。
具体时间取决于胶水的种类和厚度。
总的来说,灌封胶的使用方法非常简单,只需要注意清洁表面、填充缝隙和平整表面即可。
在使用灌封胶时,还应该注意安全,避免胶水接触皮肤和眼睛。
- 1 -。
黑色灌封胶如何使用?有哪些方面需要注意?随着工业化进程的加速,越来越多的产品需要用到黑色灌封胶。
从外观上看,黑色灌封胶呈黑色粘稠液体状,需要在通风、阴凉、干燥的环境中密封保存。
一般来说,在25摄氏度的常温下,黑色灌封胶的保质期为六个月。
六个月后,经试验测试,各项指标合格,则可继续使用。
面对如此不一样的黑色灌封胶,应该如何使用呢?黑色灌封胶的使用方法(1)从包装上看,黑色灌封胶的包装规格为每组30kg,由两种物质组成,一种是主剂,一般为25kg/桶,另一种是固化剂,一般是5kg/桶。
按照重量计算,黑色灌封胶的主剂和固化剂的使用配比为100:20,为了保证使用的效果,请严格按照比例配合使用;(2)黑色灌封胶将主剂和固化剂配比完成后,在常温25摄氏度的环境中,可有效使用的持续时间为40分钟最佳。
灌封胶配比完成后,请尽快使用,尽量固化前使用,以免影响使用效果;(3)黑色灌封胶的固化时间因温度条件变化而变化:在常温25摄氏度的环境中其固化时间为6到8个小时,在60℃的高温固化条件下,其固化时间大大缩短,在1小时左右;(4)在使用黑色灌封胶前,需要对待使用的产品进行彻底清扫和清洁,并尽量保持待使用界面的干燥,只要在干净、干燥的界面,黑色灌封胶的粘结性、密封性等性能才能真正发挥有效的作用;(5)使用黑色灌封胶时,在对主剂和固化剂进行混合前需要先检查主剂和固化剂,重点观察主剂中是否有沉降,并将主剂充分搅拌均匀;(6)主剂和固化剂的配比标准是按照重量计量的,切记不能自主改换为体积比。
请按配比取量,称量准确,两剂混合后充分搅拌,均匀配合,避免固化不完全。
综上所述,就是黑色灌封胶的一些内容了,我们在选择的时候,可以根据自己的需求,合理的选择性价比高、品质有保障的灌封胶,这样使用安全的同时更能节约成本,比如柯斯摩尔,专注灌封胶的研发,可以根据不同的需求,提供定制化的灌封胶解决方案。
灌封胶MP-301的操作SOP
前期准备:
材料:A组份:B组份5:1
工具:搅拌容器(务必圆桶)电动搅拌器(量少可以选硬木棍)
操作指引:
第一步:先将A组份搅拌均匀,否则发生沉淀时,上部分和下部分的成分不一致。
第二步:称取A组份和B组份,按重量5:1(微量偏差可以忽略不计)
注:忌根据个人经验验目测或手感,配比
第三步:先倒入B组份到容器,再倒入A组份。
再用电动搅拌器,用适合的转速搅拌均匀。
建议每次最多按一组30KG的量进行配比,量少可以用硬木棍搅拌均匀。
注:(1)搅拌时要适当上下移动电动搅拌器(如用木棍人工搅拌时,搅拌速度和频率要快,否则会导致混合不均匀),使搅拌更加均匀。
(2)搅拌时间不适宜过长,操作时间为2min至5min
(3)判断搅拌是否均匀,成分混合后,颜色完全一致,无油状物分离。
第四步:将搅拌均匀的灌封胶用灌胶容器或设备,注入产品中。
注:一次混合的量不宜太多,需要在30min内用完,否则会出现固化现象,造成浪费。
第五步:将成品静置3-5h,可完全固化,可以进行出货处理。
(具体固化时间需要参考环境的温度等因素影响)
深圳市新能昌科技有限公司编制。
灌封胶产品操作指南
一.灌封前的准备:
工具:搅拌棒(筷子),塑料杯,电子称
分别打开A,B两个容器,
1.首先,检查A胶底部有无沉淀,如有沉淀,必须先将沉淀搅拌起来,直到搅拌均匀为止。
2.同样方法,检查B胶
3.塑料杯放置于电子称上,电子称去皮清零。
4.将搅拌好了的A胶,直接倒入塑料杯中(根据用量要求取用,单次混合不低于50克)
5.根据A胶用量,取出一定比例的B胶(按照说明书中的比例),倒入塑料杯中。
6.用搅拌棒(筷子)顺着一个方向,充分搅拌塑料杯中的胶水(这一步很重要!必须充分搅拌均匀,杯壁要刮到)。
如果一次混合100克以内的话,时间一般在3分钟左右,混合量大的话,时间适当延长。
7.将混合好的胶水,静置5分钟左右(目的是排泡),再灌封到产品中。
二.灌封产品
工具:混合好胶的杯子,需要灌封的产品。
操作步骤:
1.检查需要灌封的产品是否有灰尘,助焊剂,松香,油污等残留物,如发现残留物,必须用洗板水或酒精清洗干净,晾干。
2.灌封的产品,底部或者边缘不能有缝隙,否则可能发生胶液渗漏。
如有缝隙,可以预先用硅橡胶填缝堵漏。
3.将装有胶水的杯子慢慢倾倒(不要一股脑倒下),顺着一个点,流满产品周围。
4.根据产品要求,选择灌封厚度。
三.固化产品
根据产品要求,可以选择常温固化或者热固化。
1.常温固化:室温干燥环境中静置即可,无需做任何处理。
2.热固化,直接将产品置于恒温箱中,加热处理。
四.注意事项:
1.环氧树脂灌封胶在固化的过程中会放热,混合量越大,放热越大,固化时间相应也会缩短。
2.加成型灌封硅胶,对于含有磷,硫,胺等化学物质的材料,接触到的地方,会产生“中毒”(不凝固)的情况,请一定要注意。
3.单组分硅胶或者缩合型硅胶都不会深层凝固,单组分硅胶,凝固深度不超过3mm,缩合型灌封硅胶,凝固深度不超过8mm。
欢迎您的下载,
资料仅供参考!
致力为企业和个人提供合同协议,策划案计划书,学习课件等等
打造全网一站式需求。