变配电站安全(正式版)
- 格式:docx
- 大小:143.49 KB
- 文档页数:7
变配电安全操作规程正式版第一章总则第一条为确保变配电设备的正常运行和用电安全,提高人员的安全意识和操作技能,制定本规程。
第二条适用范围:凡使用或维护变配电设备的人员,均应遵守本规程。
第三条术语解释:1.变配电设备:包括变压器、配电柜、电动机及其它相关设备。
2.用电安全:指变配电设备安装、维护和使用过程中的电气安全和消防安全。
3.人员:指在变配电设备的安装、维护和使用过程中的操作人员及管理人员。
第二章用电安全管理第四条用电安全责任制度:1.企业应明确用电安全的责任人,并制定用电安全责任制度。
2.用电安全责任人应做好用电设备的日常巡检工作,并记录设备的运行情况。
3.发现设备异常情况时,应立即进行处理或上报相关部门。
第五条用电安全宣传教育:1.企业应定期组织用电安全宣传教育活动,提高人员的安全意识。
2.宣传教育活动应包括电气安全知识的讲解和实际操作演练。
3.新员工进入企业时,应进行用电安全培训。
第六条用电设备维护保养:1.变配电设备应定期进行维护保养,确保设备的良好运行状态。
2.维护保养工作应有专人负责,记录维护保养情况。
3.维护保养时应断电操作,并采取相应的安全防护措施。
第三章变配电设备操作规则第七条设备检查:1.在使用设备之前,应进行设备检查,确保设备无漏电、漏油等故障。
2.发现设备故障时,应立即停止使用,并上报相关部门。
第八条设备操作:1.首次启动设备和设备停电后重新启动时,应按照设备操作规程进行操作。
2.设备操作时,应按照操作规程操作,不得超负荷使用设备。
3.设备运行过程中,如发现异常情况,应立即停机,并上报相关部门。
第九条电气安全:1.操作人员应了解设备电源的位置和开关位置,并正确使用设备开关。
2.操作人员应穿着绝缘鞋和使用绝缘手套,以确保电气安全。
3.禁止在设备周围堆放易燃和易爆物品。
第十条消防安全:1.禁止在变配电设备附近吸烟或使用明火。
2.变配电设备应设有有效的灭火器,并定期检查和维护。
变配电站安全技术配电站是电力系统中的重要组成部分,负责将发电厂产生的高压电力转换为适用于低压用电的电能,因此配电站的安全技术非常重要。
以下是几种常见的变配电站安全技术。
1. 综合保护装置综合保护装置是配电站安全技术的核心。
它包括故障保护装置、过电压保护装置、过电流保护装置等,通过对电流、电压等参数进行监测,一旦发现异常情况,会迅速切断供电,保护设备和人员的安全。
2. 火灾自动报警系统火灾是配电站中最常见的风险之一。
通过安装火灾自动报警系统,当发生火灾时,能够及时发出警报,并启动喷水系统进行灭火,保护人员和设备的安全。
3. 地震监测系统地震是造成配电站重大事故的主要原因之一。
地震监测系统可以通过对地震的监测和分析,实时了解地震的发生和破坏情况,并在发生地震时自动切断供电,防止设备受损和人员伤亡。
4. 防雷装置雷击是造成配电站设备损坏和引发火灾的常见原因之一。
通过安装防雷装置,可以有效地将雷电引到地下,减少对设备的损害。
5. 地面接地系统地面接地系统是配电站安全技术中非常重要的一部分。
它将配电站的金属结构、设备和电气系统与地面相连接,形成一个低阻抗路径,将电压分散到地面,减少触电和火灾的风险。
6. 水泵喷淋系统配电站通常会安装水泵喷淋系统,用于在发生火灾时进行灭火。
水泵将水供应到喷淋头,通过喷淋头向火灾区域喷水,将火势控制在可控范围内,防止火灾扩散。
7. 空气处理系统配电站内存在大量的电器设备,使用空气处理系统可以有效地控制温度、湿度和灰尘,保持设备的正常运行。
此外,空气处理系统还可以净化空气中的有害物质,提供良好的工作环境。
8. 安全警示标识在配电站中设置合适的安全警示标识非常重要,可以提醒人员注意安全事项和遵守安全规定,警示潜在的危险。
总结起来,变配电站安全技术是保障配电站设备和人员安全的重要手段,包括综合保护装置、火灾自动报警系统、地震监测系统、防雷装置、地面接地系统、水泵喷淋系统、空气处理系统以及安全警示标识等。
第一章总则第一条为确保变配电站安全、稳定、高效地运行,保障电力系统安全可靠,防止事故发生,根据《中华人民共和国电力法》、《电力安全生产条例》等法律法规,结合本变配电站实际情况,制定本制度。
第二条本制度适用于本变配电站所有工作人员,包括运行、检修、维护、管理、操作等人员。
第三条变配电站安全操作应遵循“安全第一、预防为主、综合治理”的原则,严格执行国家有关电力安全生产的法律法规、标准、规程和制度。
第二章安全生产责任制第四条变配电站安全生产实行逐级负责制,各级人员应明确自己的安全职责,做到安全生产人人有责。
第五条变配电站主要负责人对本站安全生产工作全面负责,确保安全生产各项措施落实到位。
第六条运行值班人员负责变配电站的日常运行管理,严格执行操作规程,确保设备安全运行。
第七条检修人员负责变配电站设备的检修和维护,确保设备完好,满足安全运行要求。
第八条管理人员负责变配电站的日常管理工作,保障安全生产条件的落实。
第九条操作人员应熟悉操作规程,严格按照规程进行操作,确保操作安全。
第三章安全教育培训第十条变配电站应定期对工作人员进行安全教育培训,提高安全意识和操作技能。
第十一条新员工上岗前必须经过三级安全教育,考核合格后方可上岗。
第十二条定期组织安全知识竞赛、安全演讲等活动,增强员工的安全意识。
第四章安全操作规程第十三条变配电站操作人员必须持证上岗,严格遵守操作规程。
第十四条变配电站操作人员应熟悉设备结构、原理、性能和安全注意事项。
第十五条操作前应检查设备状态,确认设备处于正常状态后方可进行操作。
第十六条操作过程中应严格执行操作规程,严禁违章操作。
第十七条操作过程中应密切注意设备运行状态,发现异常情况立即停止操作,并向值班负责人报告。
第十八条变配电站操作人员应熟练掌握紧急事故处理程序,确保在发生事故时能迅速、正确地处理。
第五章设备维护与检修第十九条变配电站设备应定期进行维护和检修,确保设备处于良好状态。
第二十条设备维护和检修应由专业人员进行,严格执行检修规程。
变配电站安全技术范本一、引言配电站作为电力系统中的重要环节,承担着电能分配和控制的重要任务。
为保障变配电站的安全运行,需要采取一系列有效的安全技术措施。
本文将分析和介绍一些常用的变配电站安全技术,以提供给相关人员参考和应用。
二、基于行业标准的安全技术措施1. 建立健全安全管理制度:制定相关的安全管理制度,包括安全责任制、安全操作规程、安全检查制度等,确保变配电站的正常运行。
2. 培训人员:对变配电站工作人员进行全面的培训,使其具备安全操作技能和应急处理能力,提高其安全意识和职业素质。
3. 实施安全巡检:定期组织对配电站设备、设施进行安全巡检,及时发现和排除安全隐患,确保变配电站的安全运行。
4. 配电站设备检修:按照规定的时间和要求对配电站设备进行定期检修,确保设备的正常运行和安全可靠性。
5. 火灾防护措施:配电站应设有合适的消防设备,并制定相关的火灾防护措施,如消防器材的配置、防火措施的执行等,防止火灾事故的发生。
三、基于技术手段的安全技术措施1. 温度监测系统:安装温度监测仪器,实时监测变配电站设备的温度,一旦温度超出安全范围,及时采取措施防止设备过热或短路引起火灾。
2. 气体监测系统:安装气体监测仪器,监测变配电站内有害气体的浓度,及时发现有害气体泄漏,防止中毒事故的发生。
3. 视频监控系统:安装视频监控设备,监测配电站的运行状态和周围环境,及时识别和报警有关安全风险的异常情况,保障变配电站的安全。
4. 漏电检测系统:安装漏电检测装置,实时监测变配电站内的漏电情况,避免漏电引起电击或火灾事故。
5. 遥感监测系统:利用遥感技术,对变配电站进行远程监控和故障诊断,实现在线监测和快速响应,提高变配电站的安全性。
四、事故预防和应急处理技术1. 应急预案制定:根据各种可能发生的事故情况,制定详细完善的应急预案,对人员行为、设备操作、事故处置等进行规范和指导。
2. 防护设备使用:配备相应的个人防护设备,如安全帽、安全鞋、防护眼镜等,确保人员的安全。
变配电站安全技术范本配电站作为电力系统的重要组成部分,其安全技术是保证电力系统运行安全的关键。
下面是一个关于变配电站安全技术范本的示例,供参考,全文共计____字。
一、引言变配电站作为电力系统的重要环节,起着电能转换和配电的作用。
随着电力系统的发展和电力需求的增长,变配电站安全问题日益凸显。
为了确保变配电站的安全运行,需要建立完善的安全技术体系,并采取相应的措施来应对安全风险。
本文将从变配电站的安全风险评估、安全设备选择、安全运行管理等方面进行论述,以期为变配电站的安全工作提供参考。
二、变配电站安全风险评估1. 安全风险评估的意义变配电站安全风险评估是指对变配电站可能出现的安全风险进行分析和评估,旨在识别潜在的安全隐患和风险因素,为制定相应的安全措施提供依据。
通过安全风险评估,可以全面了解变配电站的安全状况,更好地防范和控制安全风险。
2. 安全风险评估的方法(1)定性评估:根据变配电站的特点和相关经验,对安全风险因素进行分析和评估。
如评估变配电站的建筑结构、设备状态、作业流程等,确定潜在的安全隐患。
(2)定量评估:通过数据采集和分析,对变配电站的安全风险进行量化评估。
如统计变配电站的事故数据、设备故障率等指标,评估安全风险的大小和可能带来的损失。
3. 安全风险评估的内容(1)建筑结构评估:对变配电站的建筑结构进行评估,包括主要设备的承重能力、防火安全措施、地震防护等。
(2)设备状态评估:对变配电站的设备状态进行评估,包括变压器、开关设备、电缆等的运行情况、绝缘状态、老化程度等。
(3)作业流程评估:对变配电站的作业流程进行评估,包括作业程序、操作规程、作业人员技能要求等。
(4)环境因素评估:对变配电站周围的环境因素进行评估,包括气象条件、污染物排放、应急救援资源等。
三、变配电站安全设备选择1. 安全设备的分类变配电站的安全设备主要包括保护设备、监控设备和应急救援设备。
(1)保护设备:用于监测和保护变配电站设备和线路的安全运行,包括过电流保护装置、过压保护装置、故障录波器等。
变配电室安全管理规定配电室是电力系统中非常重要的一个部分,它起到将电能从发电厂输送到用户之间的作用。
然而,由于配电室中存在大量的高压电设备和电缆,因此需要采取严格的安全管理措施,以防止事故的发生。
下面是一个关于配电室安全管理规定的____字的范文,供您参考。
第一章总则第一条为了加强对配电室的安全管理,确保电力系统的正常运行和人身安全,制定本规定。
第二条配电室是指用于变配电设备的运行、控制、保护和维护的房间或建筑物。
第三条配电室的管理应遵循安全第一、预防为主的原则,确保设备安全、操作规范、人员素质高。
第四条配电室的安全管理应根据具体情况制定相关制度和规则,并定期组织培训和演练。
第五条配电室的安全管理应严格执行国家相关法律法规和标准规范,对于违章操作和事故责任人应予以严肃处理。
第二章配电室的设施和设备管理第六条配电室的布局应符合电力系统的要求,设备布置合理,通道畅通,设施完善。
第七条配电室应配备完善的消防设施,包括灭火器、消防水带、烟感探测器等,并定期进行维护和检查。
第八条配电室的进出口通道应宽敞明亮,应设置防撞设施和应急照明灯。
第九条配电室应设置防护门,并定期进行检查,确保防护门的开关灵活可靠。
第十条配电室内应设置明确的设备标识和操作标识,以便快速准确地识别设备和操作方式。
第十一条配电室内应设置明显的安全警示标志,如高压警示、禁止吸烟、禁止下蹲等。
第十二条配电室的设备应定期进行维护和检修,确保设备的正常运行和安全。
第三章配电室的作业管理第十三条配电室的作业人员应持有效的岗位证书和电工证书,并定期进行培训和考核。
第十四条配电室的作业人员应穿戴符合要求的工作服和防护用品,严禁穿拖鞋进行作业。
第十五条配电室的作业人员应严格按照操作规程进行操作,禁止违章操作和擅自改变设备运行状态。
第十六条配电室的作业人员应保持良好的工作状态和心理状态,严禁酒后作业和过度疲劳作业。
第十七条配电室的作业人员应熟悉应急预案和应急措施,并能够熟练操作应急设备和工具。
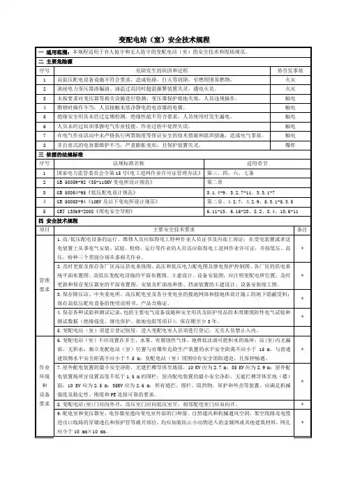
变配电站(室)安全技术规程
维修30.安全用具和防护用品检测周期按国家和地方相应标准执行;其中绝缘手套、绝缘靴、高压验电器每半年由供电部门或其指定的具有资质的单位进行一次检验,保存记录。
*
31.断路器及其操作机构每年至少进行一次检修;检修时应执行保证安全的组织措施和技术措施,需供
电部门的上一级电源停、送电时,应事先办理相关手续,报请供电部门审批;应保存检修记录。
32.配电变压器停止运行一年及以上,准备投入运行时应由供电部门或其指定的具有资质的单位进行超
期试验,合格后方可投入运行。
*
33.高压配电装置及设备,应1-3年请当地供电部门进行一次预防性试验,并保存试验报告;试验内容
至少应包括高压开关柜、避雷器、高压电缆等。
*
34.高低压配电装置的定期检修应根据设备的质量、已运行的时间、运行中存在的缺陷及其严重程度、
负载和绝缘老化的情况、历次试验分析结果等确定周期并保存检修记录。
一般宜3年~5年作一次定期
检修。
*
35.变配电设备维检修时,应在被检修设备的两侧和可能来电的各侧的醒目位置悬挂相应内容的标示牌。
*
应急处理36.制定变配电站现场应急处置方案,发生电气打火、漏电等异常情况时,立即启动预案,并报告主管部门处置。
37.遇有人身触电危险的情况,应立即关闭前级电源开关,在保证自身安全的前提下,迅速使触电者与电源相互脱离,并立即根据触电情况进行抢救;保护事故现场,及时向上级报告并将详细情况记录在值班日志上。
38.如发生电气引起的火灾,现场人员应立即使用二氧化碳灭火器、干粉灭火器等扑灭E类电气火灾的灭火器进行扑救,同时上报。
变电所现场安全工作规程范本第一章总则第一条为了保障变电所现场人员的生命安全和财产安全,提高变电所工作的安全性,制定本规程。
第二条变电所现场安全工作规程适用于所有变电所现场的人员,包括变电设备的运维人员、巡检人员、值班人员等。
第三条变电所现场人员应严格遵守本规程,加强安全意识,按照规程进行工作,确保变电所现场的安全。
第四条变电所现场安全工作分为安全管理、安全操作和应急措施三个方面。
第二章安全管理第五条变电所现场设立专职安全管理人员,负责变电所现场的安全工作。
第六条变电所现场安全管理人员应具备相关专业知识和安全管理经验,由相关部门进行培训和资质认证。
第七条变电所现场安全管理人员负责制定变电所现场的安全管理制度和操作规程,并监督实施。
第八条变电所现场安全管理人员应定期组织安全培训,提高现场人员的安全操作意识和应急处理能力。
第九条变电所现场应建立安全检查制度,定期进行安全巡检,及时发现和排除安全隐患。
第十条变电所现场应建立安全档案,记录安全事故和事故处理情况,及时总结教训,改进安全工作。
第三章安全操作第十一条变电所现场人员应按照相关操作规程进行工作,禁止越权操作和违章操作。
第十二条变电所现场人员应严格遵守安全用电操作规程,确保安全用电,防止电气事故的发生。
第十三条变电所现场人员应正确佩戴个人防护装备,包括安全帽、护目镜、耳塞等。
第十四条变电所现场人员在操作设备前应对设备进行检查,确保设备的正常运行和安全性能。
第十五条变电所现场人员应保持严谨的工作态度,不得酗酒、赌博、吸烟等行为,确保工作安全。
第十六条变电所现场人员应加强职业道德教育,遵守职业道德规范,保证与同事之间的和谐关系。
第四章应急措施第十七条变电所现场应制定应急预案,明确各类事故的应急处理措施和责任分工。
第十八条变电所现场应配备应急救援设备和器材,保证应急处理的快速响应。
第十九条变电所现场应建立应急演练制度,定期组织应急演练,提高安全应急处理的能力。
一、总则1.1 为确保变配电站的安全运行,保障人民生命财产安全,根据《中华人民共和国安全生产法》、《电力安全生产监督管理条例》等相关法律法规,结合本站实际情况,特制定本制度。
1.2 本制度适用于本变配电站的所有工作人员及外来施工、参观人员。
1.3 本制度是变配电站安全管理的基本依据,全体工作人员必须严格遵守。
二、安全责任2.1 变配电站站长为安全生产第一责任人,全面负责变配电站的安全生产工作。
2.2 各部门负责人对本部门安全生产工作负直接领导责任。
2.3 电气值班员、操作员、巡检员等岗位人员对各自岗位的安全生产工作负直接责任。
2.4 各级管理人员要定期对安全生产工作进行检查、督促、指导,确保各项安全措施落实到位。
三、安全教育培训3.1 变配电站应定期组织全体工作人员进行安全教育培训,提高安全意识和操作技能。
3.2 新员工在上岗前必须经过岗前培训,考核合格后方可上岗。
3.3 定期对全体工作人员进行安全生产知识、技能考核,考核不合格者不得上岗。
3.4 外来施工、参观人员必须接受安全教育培训,了解变配电站的安全规定,掌握必要的安全技能。
四、安全操作规程4.1 变配电站工作人员必须穿戴符合安全要求的工作服、安全帽、绝缘鞋等防护用品。
4.2 严格执行操作规程,不得擅自改变设备运行状态。
4.3 禁止无关人员进入变配电站设备区,非工作人员进入必须佩戴临时出入证。
4.4 严禁酒后、疲劳上岗,确保操作准确无误。
4.5 电气设备操作必须遵循“一人操作、一人监护”的原则。
4.6 电气设备操作前必须确认设备处于停电状态,并采取必要的安全措施。
4.7 操作过程中发现异常情况,应立即停止操作,报告上级并采取相应措施。
4.8 变配电站内禁止使用明火,禁止吸烟。
五、设备维护保养5.1 变配电站设备应定期进行维护保养,确保设备正常运行。
5.2 设备维护保养应按照设备制造商的要求和本站实际情况进行。
5.3 设备维护保养过程中,必须严格遵守安全操作规程。
变配电所的安全工作措施变配电所是电力系统中的重要环节,对电网的正常运行起着至关重要的作用。
然而,由于变配电所中存在着高压电流、大功率设备以及复杂的电力接线,存在一定的安全隐患。
因此,在变配电所的建设和运行中,必须采取一系列的安全工作措施,保证人员和设备的安全。
首先,变配电所的建设需要符合相应的标准和规范。
在设计和施工过程中,必须按照国家的相关规定进行,并进行必要的验收。
建设过程中需要注意选址,避免地质灾害和环境污染等因素对变配电所的安全造成影响。
同时,在变配电所的建设中,应严格按照设计方案进行,确保设备的稳定运行和人员的安全。
其次,变配电所的设备维护和检修工作是非常重要的。
变配电设备是变配电所的核心,对设备的定期检修和维护可以有效地减少设备故障和事故的发生。
在变配电所中,应建立健全的设备维护管理制度,明确维护工作的责任和程序。
同时,对设备进行定期的检查和维护,及时发现和消除可能存在的安全隐患。
第三,变配电所的安全防范工作是必不可少的。
变配电所是高压电网的重要组成部分,存在着高压电流和高功率设备,因此安全防范工作必须严格执行。
首先,变配电所应设有防火设施,并对电气线路进行保护,以防止因电弧击穿等原因造成火灾。
其次,变配电所应配备必要的安全设备,如安全开关、温湿度监测器等,及时发现异常情况并采取相应的措施。
再次,变配电所应进行安全培训,提高人员的安全意识和应急处理能力,确保在紧急情况下能够正确处理。
最后,变配电所应建立健全的事故报告和应急处置制度。
一旦发生事故或异常情况,变配电所的工作人员应及时报告,并迅速采取相应的应急措施。
同时,变配电所应制定应急预案,明确各岗位的职责和工作流程,确保在紧急情况下能够迅速、有效地应对。
综上所述,变配电所的安全工作措施非常重要。
通过建设符合标准和规范的变配电所、定期维护和检修设备、加强安全防范工作以及建立健全的事故报告和应急处置制度,可以最大程度地保障变配电所的安全。
变配电所的安全要求范文一、引言变配电所是电力系统的重要组成部分,它负责将高压电能转换为低压电能并向用户供电。
由于其涉及高压电能传输和转换,变配电所的安全要求非常高。
为了保障人员和设备的安全,制定并遵守变配电所的安全要求至关重要。
二、变配电所的基本安全要求1. 设备安全要求变配电所中的设备应符合国家相关电气安全标准,具备正常运行、抗爆炸、防火、防雷击等功能。
设备的安装应符合相关规定,保证设备之间的安全距离,避免相互干扰产生危险。
同时,设备的接地要求应符合规范,确保电流的正常漏走,保护人员免受触电伤害。
2. 工作人员安全要求变配电所工作人员应具备相关电气知识和技能,并经过专业培训。
工作人员应熟悉变配电所的设备操作和应急处理方法,能够迅速应对各种故障和事故。
在工作期间,工作人员应佩戴防静电衣服、安全鞋等防护用具,避免静电引起的火灾和爆炸。
3. 火灾防护要求变配电所应设置火灾报警设备和灭火设备,及时发现和扑灭火灾,避免火灾进一步蔓延和造成人员伤亡。
变配电所内禁止乱堆杂物,保持通道畅通,以便人员疏散和灭火。
4. 安全标识要求变配电所应设置醒目的安全标识,标明高压区域、禁止靠近区域、防火注意事项等。
标识应清晰可见,以提醒人员注意安全,避免发生意外事故。
三、变配电所的特殊安全要求1. 高压电缆安全要求变配电所的高压电缆应避免过度拉伸,以防止电缆的绝缘层破损。
在安装和维护高压电缆时,应戴好绝缘手套和鞋,确保人员与电缆保持安全距离,避免触电危险。
2. 防爆安全要求变配电所的设备应具备防爆性能,防止电气设备产生火花引发爆炸。
在变配电所内禁止使用易燃易爆材料,定期检查电气设备的防爆措施,确保设备的正常运行和人员的安全。
3. 防雷安全要求变配电所应设置有效的避雷装置,防御雷电侵袭。
避雷装置应符合国家相关标准,并定期检查和维护,确保其有效性。
变配电所的设备和电缆应接地良好,以保护人员和设备免受雷击。
四、变配电所的安全管理要求1. 安全检查和巡视变配电所应定期进行安全检查和巡视,对设备、电缆、接地系统等进行全面的安全检查,确保设备的正常运行和安全性。
变、配电站组成和一般安全要求范本变电站是指将输电系统的电能进行调整、变换、分配的电力系统设施。
一座变电站一般由以下几个主要部分组成:变电设备、配电设备、控制设备和保护设备。
1. 变电设备:变电设备是指实现变电站的电力变换功能的设备,包括变压器、断路器、电容器等。
变压器负责实现电压的升降换,断路器负责控制电流的开断和合闸操作,电容器用于无功补偿和电压调整。
2. 配电设备:配电设备是指将电能从变电站输出到用户终端的设备,包括开关柜、电缆、电缆段、支路开关等。
开关柜用于控制和保护电能的分配和输出,电缆用于输送电能,电缆段用于连接各个设备和设施,支路开关用于控制各个支路的供电。
3. 控制设备:控制设备是指用于控制变电站各个设备运行状态、实现电力系统的自动化控制的设备,包括自动化控制系统、监控设备、通信设备等。
自动化控制系统负责监控和控制变电站各个设备的运行,监控设备用于实时监测变电站的运行状态,通信设备用于与上级电网进行通讯和数据交换。
4. 保护设备:保护设备是指用于监测电力系统的异常情况,并采取相应的保护措施的设备,包括保护继电器、遥信遥测设备、故障指示器等。
保护继电器用于监测电力系统的电流、电压、频率等参数,并在发生故障或异常情况时采取保护动作,遥信遥测设备用于实时监测电力系统的运行状态,故障指示器用于指示故障位置和类型。
除了以上主要部分,变电站还可能包括辅助设备、附属设施和安全设施等。
辅助设备包括电源设备、照明设备、空调设备等,用于提供电力供应、照明和调节变电站的环境温度。
附属设施包括消防设备、防雷设备、安全门禁系统等,用于保证变电站的安全性。
安全设施包括安全标识、安全警示标牌、安全防护设备等,用于提示和保护人员的安全。
一般安全要求范本:1. 变电站应采取必要的安全防护措施,确保人员的安全。
包括设置防护栏杆、安全门、安全警示标牌等,严禁擅自闯入变电站。
2. 变电设备和配电设备的安装、维护和操作人员必须具备相应的资质,并按照相关规定进行操作和维护。
变配电室安全要求供配电系统是电力系统的一个重要组成部分,直接面向用电设备及其使用者,因此供、用电的安全性尤显重要。
目前,供配电系统的电压通常在110kV以下,即配电电压,其电力网即为高、中、低压配电网。
一、分类通常将向工业企业供电的供配电系统称为工业企业供配电系统;向商业和居民供电的供配电系统称为民用供配电系统。
按用电规模分类:二级降压的供配电系统(特大型民用建筑群或工业企业)一级降压的供配电系统(中型建筑或工业企业)直接供电的供配电系统(小型建筑或工业企业)二、用户供配电的组成一.、组成供配电系统由一次部分和二次部分组成。
系统中用于变换和传输电能的部分叫一次部分,其设备叫一次设备,由这些设备组合起来的电路叫一次回路。
系统中用于监测运行参数(电压、电流、功率)、保护一次设备、自动进行开关投切操作的部分叫二次部分,其设备叫二次设备,由这些设备组合起来的电路叫二次回路。
二次回路配合一次回路工作,构成一个完整的系统。
二、高压电力线路的结线方案1.高压放射式结线电能在高压母线汇集后向各高压配电线路输送,每个高压配电回路直接向一个用户供电,沿线不分接其他负荷。
高压单回路放射式结线①结线清晰,操作维护方便,各供电线路互不影响,供电可靠性较高,还便于装设自动装置,保护装置也较简单;②高压开关设备用的较多,投资高,某一线路发生故障或需检修时,该线路供电的全部负荷都要停电。
应用:只能用于二、三级负荷或容量较大及较重要的专用设备。
三、变配电所的安全运行的要求一.现场管理要求1.变配电所应有以下记录:①抄表记录:②值班记录:③设备缺陷记录:④设备试验、检修记录:⑤设备异常及事故记录2、变配电所应制定以下制度值班人员岗位责任制度交接班制度倒闸操作票制度巡视检查制度检修工作票制度设备缺陷管理制度工作器具保管制度安全保卫制度3、运行基本要求①变配电所等作业场所必须设置安全遮栏,悬挂相应的警告标示,配置有效的灭火器材及通讯设施。
主要变配电设备安全范本1. 引言变配电设备是现代电力系统中的重要组成部分,对电能的分配和供应起着关键作用。
然而,由于电力系统的特殊性,变配电设备存在着一定的安全风险。
为了确保电力系统的安全稳定运行,本文提出了主要变配电设备的安全范本,并对其中的关键要点进行详细阐述。
2. 断路器安全范本2.1 断路器的选择在选择断路器时,应首先考虑负荷电流的大小和断路器的额定容量是否匹配。
同时还需要注意断路器的短路承受能力和电弧抑制能力是否满足要求。
2.2 断路器的安装断路器的安装应符合相关的安装规范和标准。
安装时要确保断路器与电源正常连接,并且连接良好。
同时还要注意断路器的固定,确保其不会受到外界震动或振动的干扰。
2.3 断路器的操作在正常使用过程中,应按照操作规程进行断路器的操作。
禁止在电流过大或电压过高的情况下操作断路器。
在操作过程中,要注意断路器的动作是否正常,是否存在异常声音和振动。
3. 变压器安全范本3.1 变压器的绝缘测试在安装和使用变压器之前,应进行绝缘测试,确保变压器的绝缘性能符合要求。
测试结果应符合相关标准,不得超出规定的范围。
3.2 变压器的运行监测定期对变压器进行运行监测,检查变压器的温度、振动和噪声是否正常。
如发现异常情况,应及时采取措施进行处理,确保变压器的正常运行。
3.3 变压器的维护保养定期对变压器进行清洁和维护保养,及时清除变压器上的灰尘和杂物。
同时还要定期检查变压器的油位和油质,确保变压器的正常工作。
4. 开关柜安全范本4.1 开关柜的通风和散热在安装开关柜时,应确保开关柜的通风和散热条件良好。
开关柜的通风口和散热风扇不得被遮挡,以防止过热导致设备故障。
4.2 开关柜的线缆接线在接线过程中,应按照标准和规范进行线缆的接地和接线操作。
接地线应保持良好的接地效果,接线处应牢固可靠,避免接触不良或短路。
4.3 开关柜的运行维护定期对开关柜进行运行维护,检查开关柜的接线和连接螺栓是否紧固。
变、配电站组成和一般安全要求变配电站是接受、变换和分配电能的环节,是企、事业单位的动力枢纽。
变配电站一旦发生事故必将带来重大损失。
再者,变配电站装有大量高压设备和低压设备,而且密集度很高,安全问题比较特殊。
因此,保证变配电站的安全运行是十分重要的。
一、变配电站组成变配电站种类很多。
按照电压高低,变配电站分为高压变配电站、高压配电站和低压配电站;按照有无变压器,分为变配电站和配电站;按照主要配电装置的安装位置,分为室外变配电站和室内变配电站等。
以前一般以35kV为分界线,35kV以上者,由于变配电设备的体积较大,安全间距也较大,为了节省投资,多建成室外变配电站。
室外变配电站占地面积大、建筑面积小、土建费用低、受环境的影响比较严重。
10kV及10kV以下者,由于变配电设备的体积和安全间距较小,为了便于管理,多建成室内变配电站。
由于科学技术的不断发展,人民生活水平的提高,城市用电量大幅度增长。
因此在城市内的负荷中心建110KV高压变电站,应用元氟化硫组合电器。
由于元氟化硫组合电器具有体积小、短路容量大、无污染、安全、可靠,且有免维护的特点,因此,广泛被采用于城内电网,使高压进城变为可能。
因而110kV甚至220kV亦可建成室内变电站。
室内变配电站占地面积小、建筑费用高,适用于市内居民密集的地区和周围空气受到污染的地区。
一般变配电站由高压配电室、低压配电室、值班室、变压器室、电容器室等组成。
不同变配电站的接线方式有较大的差别。
变配电站的接线方式用单线图表示。
单线图是用一条线代替同样功能和同样连接的三条线以表示三相电路。
二、变配电站一般安全要求变配电站一般安全要求包括建筑设计、设备安装、运行管理等方面的要求。
1.变配电站位置选择从供电经济性的角度考虑,变配电站应接近负荷中心。
从生产角度考虑,变配电站不应妨碍生产和厂内运输;变配电站本身设备的运输也应当方便。
从安全角度考虑,变配电站应避开易燃易爆场所;变配电站宜设在企业的上风侧,并不得设在容易沉积粉尘和纤维的场所;变配电站不应设在人员密集的场所。
2024年变配电站安全技术随着电力系统的快速发展,变配电站(以下简称配电站)作为电力系统中的重要组成部分,承担着电能传输和配电的重要任务。
然而,由于配电站的特殊性,存在一定的安全隐患和风险。
因此,在变配电站的建设和运营中,必须重视安全技术,以保障人员和设备的安全。
本文将围绕2024年变配电站安全技术展开讨论。
一、配电站存在的安全隐患和风险配电站安全是电力系统安全的一个重要方面。
目前,配电站存在以下安全隐患和风险:1. 电器设备故障风险:配电站的设备包括变压器、开关设备、电动机等,长期运行容易出现故障,可能引发火灾、爆炸等安全事故。
2. 电缆和导线故障风险:电缆和导线在长期使用过程中,可能出现老化、磨损等故障,导致短路、漏电等安全事故。
3. 人为操作错误风险:配电站的运维人员需要进行各种操作,如操作开关、维护设备等,操作不当可能引发电击、触电等事故。
4. 天气灾害风险:配电站通常位于露天或半露天环境中,容易受到雷击、暴雨等灾害的影响,引发火灾、电击等安全事故。
以上是配电站常见的安全隐患和风险,对于2024年变配电站安全技术的发展,需要解决这些问题并加强安全防护。
二、2024年变配电站安全技术发展方向1. 设备监测与维护技术配电站的设备监测与维护技术是保障变配电站安全的重要环节。
随着物联网、人工智能等技术的发展,可以采用智能监测设备进行设备状态实时监测,及时发现设备故障风险,并进行预测与维护。
同时,加强设备巡检和定期维护,保持设备的良好状态,降低故障风险。
2. 安全防护设施技术变配电站需要设置相应的安全防护设施,以减轻事故发生时的危害程度。
2024年将进一步完善配电站的安全防护设施,例如安装自动灭火系统、烟雾报警器等,提高配电站的火灾防护能力。
此外,可以通过视频监控、门禁系统等技术手段,加强对配电站进出人员的管控,以防止恶意操作和非法入侵。
3. 安全培训与管理技术在2024年推进变配电站安全技术发展的过程中,必须注重人员的安全培训与管理。
变配电站安全工作制度安全生产人人有责,贯彻以“预防为主,安全第一”的思想。
安全就是效益,安全就是生命。
必须从思想上、组织上、制度上、技术上、纪律上采取措施,防止事故的发生。
一.变配电所房屋建筑应确保四防一通(防雨雪、防汛、防火、防小动物、一通通风),以利电气设备的安全运行。
二.保证安全的组织措施为:1.工作票制度;2.工作许可制度;3.工作监护制度;4.工作间断转移和终结制度。
三.保证安全的技术措施:1.停电;2.验电;3.装设接地线;4.悬挂标示牌和装设遮栏。
四.倒闸操作安全制度1.倒闸操作按操作票顺序进行操作;2.操作应有二人进行,一人操作,一人监护;3.操作前先核对设备,确认无错误,再进行操作;4.停电拉闸操作必须按照开关,负荷侧刀闸,母线侧刀闸顺序依次操作,送电合闸的顺序与此相反,严防带负荷拉刀闸。
五.将检修设备停电,必须把各方面的电源完全断开,禁止在只经开关断开电源的设备上工作,必须拉开刀闸,使各方面至少有一个明显的断开点。
与停电设备有关的变压器和电压互感器,必须从高低压两侧断开,防止向停电检修设备反送电。
六.高压验电必须载绝缘手套。
高压操作必须戴绝缘手套,穿绝缘靴,站在绝缘垫上。
七.装拆接地线应使用绝缘棒或戴绝缘手套。
八.在一经合闸即可送电到工作地点的开关,合刀闸的操作把手上均应悬挂“禁止合闸,有人工作!”的标示牌,并上保安锁。
九.正确使用安全用具,注意:不能用辅助安全用具直接操作高压电气设备。
十.加强劳动纪律是保障工人自身安全的需要,做到不迟到,不早退,不旷工,坚守工作岗位,不脱岗,执行请假制度。
文件编号:TP-AR-L8532
In Terms Of Organization Management, It Is Necessary To Form A Certain Guiding And Planning Executable Plan, So As To Help Decision-Makers To Carry Out Better Production And Management From Multiple Perspectives.
(示范文本)
编订:_______________
审核:_______________
单位:_______________
变配电站安全(正式版)
变配电站安全(正式版)
使用注意:该安全管理资料可用在组织/机构/单位管理上,形成一定的具有指导性,规划性的可执行计划,从而实现多角度地帮助决策人员进行更好的生产与管理。
材料内容可根据实际情况作相应修改,请在使用时认真阅读。
变配电站是企业的动力枢纽。
变配电站装有变压
器、互感器、避雷器、电力电容器、高低压开关、高
低压母线、电缆等多种高压设备和低压设备。
变配电
站发生事故不仅使整个生产活动不能正常进行,还可
能导致火灾和人身伤亡事故。
1.变配电站位置设置
变配电站位置设置应符合供电、建筑、安全的基
本原则。
从安全角度考虑,变配电站应避开易燃易爆
环境;变配电站宜设在企业的上风侧,并不得设在容
易沉积粉尘和纤维的环境,变配电站不应设在人员密
集的场所。
变配电站的选址和建筑应考虑灭火、防
蚀、防污、防水,防雨、防雪、防振的要求。
地势低
洼处不宜建变配电站。
变配电站应有足够的消防通道并保持畅通。
2.建筑结构
高压配电室、低压配电室、油浸电力变压器室、电力电容器室、蓄电池室应为耐火建筑。
蓄电池室应隔离。
变配电站各间隔的门应向外开启;门的两面都有配电装置时,应两边开启。
门应为非燃烧体或难燃烧体材料制作的实体门。
长度超过7 m
的高压配电室和长度超过10 m
的低压配电室至少应有两个门。
室内油量600 kg
以上的充油设备必须有事故蓄油设施。
贮油坑应能容纳100%的油。
3.间距、屏护和隔离
变配电站各部间距和屏护应符合专业标准的要求。
室外变、配电装置与建筑物应保持规定的防火间距。
室内充油设备油量60 kg
以下者允许安装在两侧有隔板的间隔内;油量60~600 kg
者须装在有防爆隔墙的间隔内; 600 kg
以上者应安装在单独的间隔内。
4.通道
变配电站室内各通道应符合要求。
高压配电装置长度大于6m
时,通道应设两个出口;低压配电装置两个出口间的距离超过15m
时, 应增加出口。
5.通风
蓄电池室、变压器室、电力电容器室应有良好的
通风。
6.封堵
门窗及孔洞应设置网孔小于10×10mm
的金属网,防止小动物钻入。
通向站外的孔洞、沟道应予封堵。
7.标志
变配电站的重要部位应设有“止步,高压危
险!”等标志。
8.连锁装置
断路器与隔离开关操动机构之间、电力电容器的开关与其放电负荷之间应装有可靠的连锁装置。
9.电气设备正常运行
电流、电压、功率因数、油量、油色、温度指示应正常;连接点应无松动、过热迹象;门窗、围栏等辅助设施应完好;声音应正常,应无异常气味;瓷绝
缘不得掉瓷、不得有裂纹和放电痕迹并保持清洁;充油设备不得漏油、渗油。
10.安全用具和灭火器材
变配电站应备有绝缘杆、绝缘夹钳、绝缘靴、绝缘手套、绝缘垫、绝缘站台、各种标示牌、临时接地线、验电器、脚扣、安全带、梯子等各种安全用具。
变配电站应配备可用于带电灭火的灭火器材。
11.技术资料
变配电站应备有高压系统图、低压系统图、电缆布线图、二次回路接线图、设备使用说明书、试验记录、测量记录、检修记录、运行记录等技术资料。
12.管理制度
变配电站应建立并执行各项行之有效的规章制度,如工作票制度、操作票制度、工作许可制度、工
作监护制度、值班制度、巡视制度、检查制度、检修制度及防火责任制、岗位责任制等规章制度。
此处输入对应的公司或组织名字
Enter The Corresponding Company Or Organization Name Here。