上海理工PLC实验报告-控制三彩灯闪烁电路等
- 格式:docx
- 大小:658.39 KB
- 文档页数:30
目录一.任务书 (2)一、基础实训项目一:变频器对电机的运行控制 (2)二、基础实训项目二:模拟量采集与数据处理的综合应用 (2)三、综合型自主实训项目:霓虹灯控制系统的设计 (3)四、实训报告要求 (3)五、实训进度安排 (4)六、实训考核办法 (4)二.基础实训项目一 (5)2.1 项目名称:变频器对电机的运行控制 (5)2.2 项目实训目的: (5)2.3 项目实训设备 (5)2.4 实现过程 (5)2.4.1 实现过程流程图 (5)2.4.2 I/O分配表 (5)2.4.3 I/O接线图 (6)2.4.4 MM440参数设置 (7)2.4.5 PLC控制程序 (8)2.3.6 调试运行 (9)三.基础实训项目二 (9)3.3 设备 (9)3.4 模拟量输入 (10)3.4.2 实现流程图 (100)3.4.3 I/O接线图 (10)3.4.4 PLC控制程序 (11)3.5 模拟量输出 (11)3.5.1 任务内容 (11)3.5.2 实现流程 (11)3.5.3 PLC控制程序 (11)3.6 调试运行 (12)四.综合型自主实训项目 (13)4.1 项目名称:霓虹灯控制系统的设计 (13)4.2 项目工艺要求 (13)4.3 实现方案 (13)4.3.1 I/O接线图 (13)4.3.2 I/O地址分配 (13)4.3.3 实现流程图 (14)4.3.4 控制程序 (14)4.3.5 调试运行 (18)五.收获、体会 (20)六.参考文献 (21)一.任务书一、基础实训项目一:变频器对电机的运行控制一)实训目的1、进一步巩固掌握PLC基本指令功能的及其运用方法;2、根据实训设备,熟练掌握PLC的外围I/O设备接线方法;3、掌握异步电动机变频调速原理,熟悉变频器的用法。
二)实训设备PLC主机单元模块、电位器、MM440(或MM420)变频器、个人计算机 PC、PC/PPI 编程电缆。
三)工艺控制要求使用变频器实现异步电动机的可逆调速控制,即可以电动机可正反向运行、调速和点动功能。
数字电子技术课程设计报告题目:专业:班级:学号:姓名:指导教师:设计日期:目录一、设计目的作用――――――――――――――(1)二、设计要求――――――――――――――――――(1)三、设计的具体实现―――――――――――――――(1)四、总结――――――――――――――――――(10)五、附录――――――――――――――― (11)六、参考文献――――――――――――――― (12)彩灯控制电路一.设计目的作用随着人们生活环境的不断改善和美化,在许多场合可以看到彩色霓灯。
由于其丰富的灯光色彩,低廉的造价以及控制简单等特点而得到了广泛的应用,用彩灯来装饰街道和城市建筑物已经成为一种时尚。
二.设计要求1.控制红、绿、黄一组彩灯循环闪亮,变化的规律是:红→红绿→绿→黄绿→黄→全亮→全灭→红,如此循环,产生“流水”般的效果。
2.“流水”的速度由快到慢,再由慢到快循环变化。
三、设计的具体实现1、系统概述彩灯控制电路由三个模块构成,显示电路﹑秒脉冲电路和维持电路。
秒脉冲电路全程为电路提供矩形波信号使彩灯定时发亮;显示电路为维持电路提供电源:维持电路在显示电路部分提供电源的情况下为电路提供一段较长的高电平,使彩灯在全部变亮后保持一段时间。
同时结合显示电路部分所带元件(主要是74LS194)的性质,使彩灯从右到左依次由暗变亮,亮后维持一段时间,然后熄灭,并且不断重复。
设计及框图如下2、单元电路设计与分析(1)﹑秒脉冲电路图 1、秒脉冲发生电路本电路秒脉冲电路由一个集成的555定时器够成,当电源接通后,VCC通过对R1﹑R2向电容器充电。
电容上得到电压按指数规律上升,当电压上升到2/3VCC时,输出电压V0为零,电容器放电。
当电压下降到1/3VCC时,输出电平为高电平,电容器放电结束。
这样周而复始形成了振荡。
脉冲发生器由NE555与R1,R2,RP,C1,C2组成的多谐振荡器组成,它是为灯光流动控制器提供流动控制脉冲的,多谐振荡器的振荡频率可根据所需要的灯光流动速度,通过RP进行调节,由于RP阻值较大,所以有较大的调速范围。
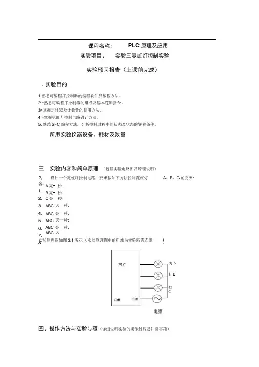
实验项目: 实验三霓虹灯控制实验实验预习报告(上课前完成)、实验目的1熟悉可编程序控制器的编程软件及编程方法。
2 •熟悉可编程序控制器的组成及基本逻辑指令。
3•掌握定时器及计数器的使用方法。
4 •掌握霓虹灯控制电路设计方法。
5.熟悉SFC 编程方法,分析控制过程中的状态及状态的转移条件。
所用实验仪器设备、耗材及数量四、操作方法与实验步骤(详细说明实验的操作过程及注意事项)课程名称:PLC 原理及应用三、实验内容和简单原理 (包括实验电路图及原理说明)内容:1. 2. 3. 4. 5. 6. 7. & 设计一个霓虹灯控制电路,要求按如下方法控制霓红灯 A 、B 、C 的亮灭:A 亮- 秒;B 亮- 秒;C 亮- 秒; ABC 灭一秒; ABC 亮一秒; ABC 灭一秒; ABC 亮一秒; ABC 灭一秒。
实验原理图如图3.1所示(实验原理图中的粗线为实验所需连线 )°灯A 灯E灯C1确定输入与输出量。
2.画该控制过程的状态转移图(SFC)。
3•编写可编程序控制器的梯形图程序或指令表程序。
4•进入FX系列可编程序控制器的编程软件界面,把程序输入计算机。
5•按事先画好的连线图连线,进行PLC实验。
实验报告部分五、实验数据记录及处理(实验前画好表格或坐标图形)(实验结束时交予老师签名)(1)原始数据记录1、I/O分配表2、指令表程序LD M80I 02SET MOLD MOAND T0SET M1RST M0LD M1AND T1SET M2RST M1LD M2AND T2SET M3RST M2LD M0OUT TO K10 LD M1OUT T1 K10 LD M2OUT T2 K10 3、梯形图程序LD M3 OUT Y001 MPS LD M3 AND T6 AND T6 OUT T5 K10 OR M2MRD OUT Y002 ANI T5 ENDOUT T6 K10MPPAND T3SET M0RST M3LD M3OUT T3 K49LD M3AND T6OR M0OUT Y000LD M3AND T6OR M1。
一、实训题目:霓虹灯控制电路实训目的及要求:1、掌握欧姆龙PLC的指令,具有独立分析和设计程序的能力2、掌握PLC梯形图的基本设计方法3、培养分析和解决实际工程问题的能力4、培养程序设计及调试的能力5、熟悉霓虹灯控制电路系统的原理及要求实训设备:1、OMRONPLC及模拟试验装置2、安装有CX-P编程软件的PC机3、PC机与PLC通讯的RS232电缆线实训内容:1、分析工艺过程,明确控制要求控制要求:设计一个霓虹灯控制电路如图5所示,该电路可以控制霓虹灯L1,L2,L3按照如下方式亮灭:(1)L1亮1s(2)L2亮1s(3)L3亮1s(4)三个灯都灭1s(5)三个灯都亮1s(6)三个灯都灭1s(7)三个灯都亮1s(8)三个灯都灭1s(9)1~8循环直到按下关断按钮。
图1霓虹灯控制示意图2、统计I/O点数并选择PLC型号输入:开始按钮00000,复位按钮00001。
输出:彩灯1,彩灯2,彩灯3。
输入一共有2个,考虑到留有15%~20%的余量即2×(1+15%)=2.3取整数3,所以共需3个输入点。
输出共有3个,3×(1+15%)=3.45取整数4,所以共需4个输出点。
可以选OMRON公司的CPM1A/CPM2A型PLC就能满足此例的要求。
4、PLC控制程序设计及分析实现功能:按下开始按钮00000,中间继电器20000自锁,并且启动定时器TIM000,定时1秒,按下复位按钮00001或中间继电器20001带电后,程序复位,或者定时器TIM007定时完毕,程序复位实现功能:中间继电器20000带电后,并且定时器TIM000定时完毕,中间继电器20001自锁,并且启动定时器TIM001,定时1秒,按下复位开关00001或中间继电器20002带电后,程序复位。
实现功能:中间继电器20001带电后,定时器TIM001定时完毕,中间继电器20002自锁,并且启动定时器TIM002,定时1秒,按下复位开关00001或中间继电器20003带电后,程序复位。
目录引言.................................................. 错误!未定义书签。
一、概述 (2)1 PLC课程设计任务 (2)2 PLC课程设计要求 (2)二、PLC的相关知识 (2)1 PLC的历史和发展 (2)2 PLC的定义和特点 (4)3 PLC的应用领域 (4)4 PLC的工作原理 (4)三、控制系统的硬件设计 (5)1主电路图 (5)2 控制电路原理图 (5)3 PLC硬件配置 (5)4 PLC的外部接线图 (5)四、控制系统的软件设计 (6)1 I/O分配表 (6)2 梯形图程序 (6)3 控制系统的指令表 (6)4 控制系统测试 (7)五、电气设备及其元件明细表 (7)总结 (7)参考文献 (8)引言随着科学技术的发展以及人们生活水平的提高,在现代生活中。
彩灯作为一种装饰,既可增加人们的感观,起到广告宣传的作用,又可以增添们节日气氛,为人们的生活增添亮丽,用在舞台上增强晚会灯光效果。
随着电子技术的发展,应用系统想着小型化、快速化、大容量、重量轻、功能全的方向发展,PLC技术的应用引起电子产品及系统开发的巨大变革。
针对PLC日益得到广泛应用的现状,本文介绍PLC在不同变化类型的彩灯控制中的应用,灯的亮灭、闪烁时间及流动方向的控制均通过PLC来达到控制要求。
在彩灯的应用中,装饰灯、广告灯、布景灯的变化多种多样,但就其工作模式,可分为三种主要类型:长明灯、流水灯及变幻灯。
长明灯的特点是只要灯投入工作,负载即长期接通,一般在彩灯中用以照明或衬托底色,没有频繁的动态切换过程,因此可用开关直接控制,不需经过PLC控制。
流水灯负载变化频率高,变换速度快,使人有眼花缭乱之感,分为多灯流动、单灯流动等情形。
变幻灯则包括字形变化、色彩变化、位置变化等,其主要特点是在整个工作过程中周期性地花样变化,但频率不高。
流水灯及变幻灯均适宜采用PLC控制。
而本次设计的8路彩灯是属于变换灯的一种,8路彩灯循环工作,整个过程可以通过 PLC自动完成控制,减轻了设计人员的工作强度,提高了设计质量,减小了出错机会。
实验报告课程名称 PLC实验实验名称 PLC实验实验日期实验地点 _ ___评定成绩评阅教师--------- -----实验报告要目----- ---------1实验目的要求2 实验仪器、设备3 实验线路、原理框图4 实验方法步骤5 实验的原始数据和分析6 实验讨论目录实验一PLC控制三相异步电机Y―△启动实验二PLC控制三彩灯闪烁电路实验三PLC控制智力竞赛抢答装置实验四PLC控制运料小车实验五PLC控制机械滑台实验六计件控制实验七红绿灯信号实验八PLC控制输送带实验一、PLC控制三相异步电机Y―△启动一、实验目的:1、熟悉三菱编程软件的使用2、熟悉PLC I/O端口的接线二、实验内容:图示为继电器控制异步电动机Y―△起动电路。
按启动按钮SB1,KM0、KM1接触器接通,电动机接成Y形联结启动。
此时KT时间继电器接通,当延时5S后,KT常闭触点断开,KT常开触点闭合,KM1接触器失电,KM2接触器接通,电动机接成△形联结投入运行。
当按停止按钮SB0,KM0、KM2接触器失电,电动机停止运行。
各元器件说明如图,在自行分析电路功能后,完成实验要求。
三、实验要求:1、用FX2N系列PLC按三相异步电动机Y―△启动继电器控制电路图改成PLC梯形图、写出语句表(必须有栈存指令及块指令)。
2、用模拟设置控制三相异步电动机Y―△启动继电器电路运行过程。
3、按基本指令编制的程序,进行程序输入并完成系统、调试。
五、梯形图和语句表:实验二PLC控制三彩灯闪烁电路一、实验目的:1、进一步熟悉三菱编程软件的使用2、进一步熟悉PLC I/O端口的接线3、熟悉定时器的使用二、实验内容:1、彩灯电路受一启动开关S07控制,当S07接通时,彩灯系统LD1~LD3开始顺序工作。
当S07断开时,彩灯全熄灭。
2、彩灯工作循环:(1)、LD1彩灯亮,延时8秒后,→闪烁三次(每一周期为亮1秒熄1秒)。
(2)、→LD2彩灯亮,延时2秒后。
PLC实训报告项目名称: plc花样彩灯班级:姓名:学号:指导教师:实训时间:一、实训项目PLC花样彩灯控制二、控制要求1、实现以下四种模式的彩灯控制:(1)从彩灯1到彩灯8依次点亮0.5秒,然后灭掉(2)所有彩灯一起点亮3秒(3)所有彩灯一起闪烁3秒(4)彩灯1,彩灯3,彩灯5,彩灯7进行闪烁3秒其他灯不闪烁2、自动模式下四种模式依次从模式1工作到模式43、可以用开关进行手自动转换4、在手动控制下可以在七段译码管中显示模式代码,按下按钮可显示代码三、I/O口分配表输入输出电气设备IO点功能说明电气设备IO点功能说明Sb1 1.06启动按钮彩灯1 100.00Sb2 1.07 停止按钮彩灯2 100.01Sb3 1.09 手动停止彩灯3 100.02按钮彩灯4 100.03 Sb4 1.08 手动选择按钮Sq1 0.00 手自动彩灯5 100.04转换彩灯6 100.05彩灯7 100.06彩灯8 100.07 四、硬件电路图五、程序设计分析1 、分段设计分析:先将程序分为自动段、手动段、输出段三个阶段进行设计,这样的设计更有条理,程序结构更清晰,更便于分析;2 、自动段设计:(1)模式1:从彩灯1到彩灯8依次点亮0.5秒,然后灭掉程序如下:分析:1.06为自动段的启动按钮,1.07为自动段的停止按钮,使用传送指令SFT控制模式1所要求的输出效果,w0.00为输入启动的条件,P_1s为0.5s通断功能;并且当按下1.07按钮的时候、或者传送到中间继电器w1.08时、或者按下手自动转换按钮0.00时,指令复位;(2)模式2:所有彩灯一起点亮3秒程序如下:分析:当传送指令运行到1.08时,启动模式2,彩灯开始动作;模式2以定时器为核心,定时时间为3s,定时器为0000,当定时器0000计时完成之后,常闭触点T0断开,停止模式2,彩灯停止动作,也可以通过停止按钮1.07停止;(3)模式3:所有彩灯一起闪烁3秒程序如下:分析:当模式2中的定时器0000完成计时后,常开触点T0闭合,启动模式3;定时器0001做闪烁总时间定时,定时时间为3s;定时器0002和定时器0003做闪烁功能,0.5秒亮,0.5秒灭;定时器0001计时完成后,常闭触点T1断开,停止模式3,也可以由停止按钮1.07停止;(4)模式4:彩灯1,彩灯3,彩灯5,彩灯7进行闪烁3其他灯不闪烁程序如下:分析:当模式3中的定时器0001完成计时后,常开触点T1闭合,启动模式4;定时器0004做闪烁总时间定时,定时时间为3s;定时器0005和定时器0006做闪烁功能,0.5秒亮,0.5秒灭;定时器0004计时完成后,常闭触点T4断开,停止模式4,也可以由停止按钮1.07停止;3、自动模式中的输出程序如下:分析:这是自动输出的程序;w1.01到w1.07控制彩灯1到彩灯8的模式1的输出;w2.00控制模式2的输出;w3.00控制模式3的输出;w4.00控制模式4的输出;只有1、3、5、7四盏彩灯存在模式4;(4)自动模式的循环程序如下:分析:当模式4中的定时器计时完成后,常开触点T4闭合,启动循环,按下停止按钮1.07或者手自动转换开关0.00时停止;(5)手动段的设计程序如下:分析:P_First_Cycle 用来做商店初始化状态,1.09用来做手动段的停止,0.00是手自动转换开关,mov指令把#0传送给下面的D0指令;(6)手动模式的设计程序如下:分析:按下手动选择按钮1.08,当处于手动模式,按下手动选择按钮1.08时,手动模式开始动作,@++是加法指令,1.08每输入1下,#0加#1分析:按下1.08一下,开始手动动作,当不处于模式1时,模式1立即停止。
实验一、PLC控制三相异步电机Y―△启动一、实验目的:1、熟悉三菱编程软件的使用2、熟悉PLC I/O端口的接线二、实验内容:图示为继电器控制异步电动机Y―△起动电路。
按启动按钮SB1,KM0、KM1接触器接通,电动机接成Y形联结启动。
此时KT时间继电器接通,当延时5S后,KT常闭触点断开,KT常开触点闭合,KM1接触器失电,KM2接触器接通,电动机接成△形联结投入运行。
当按停止按钮SB0,KM0、KM2接触器失电,电动机停止运行。
各元器件说明如图,在自行分析电路功能后,完成实验要求。
三、实验要求:1、用FX2N系列PLC按三相异步电动机Y―△启动继电器控制电路图改成PLC梯形图、写出语句表(必须有栈存指令及块指令)。
2、用模拟设置控制三相异步电动机Y―△启动继电器电路运行过程。
3、按基本指令编制的程序,进行程序输入并完成系统、调试。
五、计算机实验图:1)PLC梯形图2)指令表3) 分析及接线原理试验过程:当x001闭合时,y000导通,此时y001也相继导通,电动机接成Y形联结启动,此后经过5s的延时,t0变为1,y001断开,y002导通,电动机接成△形联结投入运行。
试验中为保证KM1、KM2所控制的灯不同时亮,我们在梯形图上使用Y001和Y002的“0”有效进行“互锁”。
实验二PLC控制三彩灯闪烁电路一、实验目的:1、进一步熟悉三菱编程软件的使用2、进一步熟悉PLC I/O端口的接线3、熟悉定时器的使用二、实验内容:1、彩灯电路受一启动开关S07控制,当S07接通时,彩灯系统LD1~LD3开始顺序工作。
当S07断开时,彩灯全熄灭。
2、彩灯工作循环:(1)、LD1彩灯亮,延时8秒后,→闪烁三次(每一周期为亮1秒熄1秒)。
(2)、→LD2彩灯亮,延时2秒后。
(3)、→LD3彩灯亮;LD2彩灯继续亮,延时2秒后熄灭;→LD3彩灯延时10秒后。
(4)、→进入再循环。
三、实验要求:1、用FX2N系列PLC按工艺流程写出梯形图、语句表。
plc彩灯控制实验报告PLC彩灯控制实验报告摘要:本实验旨在利用PLC(可编程逻辑控制器)控制彩灯的亮灭和颜色变化,通过实验验证PLC在彩灯控制方面的可行性和稳定性。
实验结果表明,PLC彩灯控制具有良好的效果,能够实现精准的控制和多种颜色的变化。
引言:随着科技的不断发展,PLC在工业自动化控制领域得到了广泛的应用。
彩灯控制是其中的一个重要应用场景,通过PLC可以实现对彩灯的精准控制,包括亮灭和颜色的变化。
本实验旨在验证PLC在彩灯控制方面的可行性和稳定性,为工业生产和生活提供更加智能化的解决方案。
实验目的:1. 了解PLC的基本工作原理和控制方法;2. 掌握PLC彩灯控制的硬件和软件配置方法;3. 验证PLC在彩灯控制方面的可行性和稳定性。
实验设备和材料:1. PLC控制器;2. 彩灯模块;3. 电源供应器;4. 串口通信线;5. 电脑;6. PLC编程软件。
实验步骤:1. 将PLC控制器和彩灯模块连接好,并接入电源供应器;2. 通过串口通信线将PLC控制器连接到电脑上,并打开PLC编程软件;3. 编写PLC程序,实现彩灯的亮灭和颜色变化控制;4. 上传程序到PLC控制器,并进行调试;5. 观察实验现象,记录实验数据。
实验结果:经过实验验证,PLC彩灯控制具有良好的效果。
通过PLC程序的编写和调试,我们成功实现了对彩灯的亮灭和颜色变化的精准控制。
无论是单色灯还是多色灯,PLC都能够满足需求,并且具有较高的稳定性和可靠性。
结论:本实验验证了PLC在彩灯控制方面的可行性和稳定性,为工业生产和生活提供了更加智能化的解决方案。
PLC彩灯控制技术的应用将为人们的生活带来更加丰富多彩的体验,也将在工业生产中发挥重要作用。
希望通过本实验,能够进一步推动PLC技术在彩灯控制领域的应用和发展。
plc彩灯实验报告PLC彩灯实验报告引言:PLC(Programmable Logic Controller,可编程逻辑控制器)是一种用于工业自动化控制系统的数字计算机。
彩灯实验是PLC应用的一个常见实验,通过控制PLC来实现彩灯的变换和闪烁,展示PLC在灯光控制方面的应用。
一、实验目的本实验旨在通过PLC控制彩灯的亮灭、颜色和闪烁频率,了解PLC的基本控制原理和应用。
二、实验器材和原材料1. PLC控制器2. 彩灯组件(包括红、绿、蓝三种颜色的LED灯)3. 电源线、连接线等辅助材料三、实验步骤1. 连接电源线:将PLC控制器与电源线连接,并接通电源。
2. 连接彩灯组件:将彩灯组件与PLC控制器相应的输入输出端口连接。
3. 编写PLC程序:通过PLC编程软件,编写控制彩灯的程序。
根据实验要求,可以设置彩灯的亮灭、颜色和闪烁频率等参数。
4. 上传程序:将编写好的PLC程序上传到PLC控制器中,使其能够执行相应的控制命令。
5. 运行实验:按下PLC控制器上的启动按钮,观察彩灯的变化和闪烁效果。
四、实验结果与分析经过实验,我们成功地实现了对彩灯的控制。
通过PLC程序的编写,我们可以根据需要控制彩灯的亮灭、颜色和闪烁频率。
这种灵活的控制方式使得彩灯在不同场合下都可以展现出不同的效果,增加了彩灯的艺术性和观赏性。
在实验过程中,我们还发现了一些问题。
首先,PLC程序的编写需要一定的技术和经验,对于初学者来说可能会有一定的难度。
其次,彩灯的连接和布线也需要注意,以免出现接触不良或短路等问题。
最后,PLC控制器的使用需要谨慎,避免误操作或操作失误导致电路短路或其他安全问题。
五、实验应用与展望PLC彩灯实验是PLC应用的一个典型案例,通过该实验可以深入了解PLC的控制原理和应用。
在实际工程中,PLC广泛应用于各种自动化控制系统中,如工厂生产线、机械设备控制等。
彩灯控制只是PLC应用的冰山一角,PLC还可以实现更复杂的控制任务,如温度控制、压力控制、流量控制等。
P L C实验三霓虹灯控制实验报告程序梯形图Document serial number【NL89WT-NY98YT-NC8CB-NNUUT-NUT108】课程名称: PLC原理及应用实验项目:实验三霓虹灯控制实验实验预习报告(上课前完成)一、实验目的1.熟悉可编程序控制器的编程软件及编程方法。
2.熟悉可编程序控制器的组成及基本逻辑指令。
3.掌握定时器及计数器的使用方法。
4.掌握霓虹灯控制电路设计方法。
5.熟悉SFC编程方法,分析控制过程中的状态及状态的转移条件。
二、所用实验仪器设备、耗材及数量三、实验内容和简单原理(包括实验电路图及原理说明)内容:设计一个霓虹灯控制电路,要求按如下方法控制霓红灯A、B、C的亮灭:1.A亮一秒;2.B亮一秒;3.C亮一秒;4.ABC灭一秒;5.ABC亮一秒;6.ABC灭一秒;7.ABC亮一秒;8.ABC灭一秒。
实验原理图如图所示(实验原理图中的粗线为实验所需连线)。
四、操作方法与实验步骤(详细说明实验的操作过程及注意事项)1.确定输入与输出量。
2.画该控制过程的状态转移图(SFC)。
3.编写可编程序控制器的梯形图程序或指令表程序。
4.进入FX系列可编程序控制器的编程软件界面,把程序输入计算机。
5.按事先画好的连线图连线,进行PLC实验。
实验报告部分五、实验数据记录及处理(实验前画好表格或坐标图形)(实验结束时交予老师签名)(1)原始数据记录1类别元件PLC元件作用输入单脉冲信号M8002启动L1Y000灯A亮L2Y001灯B亮L3Y002灯C亮2、指令表程序LD M8002 LD M3 OUT Y001 SET M0 MPS LD M3LD M0 AND T6 AND T6 AND T0 OUT T5 K10 OR M2SET M1 MRD OUT Y002 RST M0 ANI T5 ENDLD M1 OUT T6 K10AND T1 MPPSET M2 AND T3RST M1 SET M0LD M2 RST M3AND T2 LD M3SET M3 OUT T3 K49RST M2 LD M3LD M0 AND T6OUT TO K10 OR M0LD M1 OUT Y000OUT T1 K10 LD M3LD M2 AND T6OUT T2 K10 OR M13、梯形图程序3、PLC接线图(2)数据处理与分析教师签名:六、回答思考题1.添加一个启动和停止按钮,程序该如何改动将原梯形图程序第一行改为下图:X0为启动按钮,X1为停止按钮2.试述使用定时器进行程序控制的方法用定时器组成闪烁电路;用多个定时器组合实现较长时间的延时;用定时器和计算器组合,实现长延时功能电路。
成绩:电气信息学院自创实验报告课程名称:可编程控制器原理及应用指导教师:日期:2013.5.23学生姓名:专业:测控技术与仪器年级:2010级学号:组号:实验室:可编程控制实验室课程代码:实验名称:用PLC实现彩灯的控制一、实验项目的提出在现实生活中,随着社会市场经济的不断繁荣和发展,各种装饰彩灯,广告彩灯越来越多地出现在城市中。
在大型的晚会现场,彩灯更是成为不可缺少的一道景观。
小型的彩灯多为采用霓虹灯管做成各种各样和多种色彩的灯管,或是以日光灯、白炽灯作为光源,另配大型广告语、宣传画来表达效果。
这些灯的控制设备多为数字电路。
而在现代的生活中,大型楼宇的轮廓装饰或大型晚会的灯光布景,由于其变化多、功率大,数字电路则不能胜任。
针对PLC日益得到广泛应用的现状,本为介绍PLC在对彩灯的控制应用,灯的亮灭、闪烁时间及流动方向的控制均通过PLC 来达到控制要求。
二、实验目的本实验旨在利用在学校所学的PLC知识,应用于彩灯控制系统中。
掌握如何应用PLC来设计一套彩灯自动控制系统的方法以及在设计中对PLC机型的选择、PLC输入/输出点数的选择和PLC 程序的编制,为以后打下一个基础。
本次设计使用PLC来控制变幻灯和流水灯(其流水方式递增),其实现流动方式是以1s的流动速率,由圆心向外扩张的方向,每个圆弧上的灯依次增加。
使学生在对PLC硬件和软件的控制上得到更直接的了解。
三、实验项目的要求1、按下启动按钮,圆心灯亮1s后灭,接着第一个圆环上的灯亮,1s后灭,再接着第二个圆环上的灯亮,如此循环下去。
2、按下停止按钮,所有灯都灭。
四、实验仪器设备:可编程控制器FX2N-48MR、硬件模拟输入板、计算机,通讯转换器JH-04或SC-08,Gppw (基于WINDOWS平台且带模拟运行功能的编程平台),易控组态软件等。
五、实验项目设计5.1 系统设计系统构成如图1所示。
图1 系统结构框图选择三菱FX2N PLC作为控制器,其编程平台选用CX Developer;易控组态软件。
彩灯自动闪烁控制一、课题背景1、课题背景随着社会市场经济的不断繁荣和发展,各种装饰彩灯、广告彩灯越来越多地出现在城市中。
在大型晚会的现场,彩灯更是成为不可缺少的一道景观。
小型的彩灯多为采用霓虹灯管做成各种各样和各种色彩的灯管,或是以日光灯、白炽灯作为光源,另配大型广告语、宣传画来达到效果。
这些灯的控制设备多为数字电路。
而在现代生活中,大型楼宇的轮廓装饰或大型晚会的灯光布景,由于其变化多、功率大,数字电路则不能胜任。
针对PLC日益得到广泛应用的现状,本文介绍PLC在不同变化类型的彩灯控制中的应用,灯的亮灭、闪烁时间及流动方向的控制均通过PLC 来达到控制要求。
在彩灯的应用中,装饰灯、广告灯、布景灯的变化多种多样,但就其工作模式,可分为三种主要类型:长明灯、流水灯及变幻灯。
长明灯的特点是主要灯投入工作,负载即长期接通,一般在彩灯中用以照明或衬托底色,没有频繁的动态切换过程,因此可用开关直接控制,不需经过PLC控制。
流水灯负载变换频率高,变换速度快,是人有眼花缭乱之感,分为多灯流动、单灯流动等情形。
变幻灯则包括字形变化、色彩变化、位置变化等,其主要特点是在整个工作过程中周期性的花样变化,但频率不高。
流水灯及变幻灯均适宜采用PLC控制。
2、研究目的和意义在现实生活中,彩灯是很好的装饰品,让彩灯按照一定的有规律的形式闪烁,将为生活增添不少乐趣,是我们的环境更加美好。
随着人们生活环境的不断改善和美化,在许多场合可以看到彩色霓虹灯。
彩灯由于其丰富的灯光色彩,低廉的造价,以及控制简单等特点得到了广泛的应用,用彩灯来装饰街道和城市建筑物已经成为一种时尚。
广泛应用于城市景观、风景名胜、道路桥梁、建筑轮廓、娱乐场所、户外广告、室内装饰等美化、亮化工程。
随着科学技术的日新月异,自动化程度要求越来越高,原有的彩灯装置远远不能满足当前高度自动化的需要。
可编程控制器彩灯控制系统集成自动控制技术、计量技术、新传感器技术、计算机管理技术于一体的机电一体化产品;充分利用计算机技术对生产过程进行集中监视、控制管理和分散控制;充分吸收了分散式控制系统和集中控制系统的优点,采用标准化、模块化、系统化设计,配置灵活、组态方便。
实验报告
课程名称 PLC实验
实验名称 PLC实验
实验日期实验地点 _ ___
评定成绩评阅教师
--------- -----实验报告要目----- ---------
1实验目的要求
2 实验仪器、设备
3 实验线路、原理框图
4 实验方法步骤
5 实验的原始数据和分析
6 实验讨论
目录
实验一PLC控制三相异步电机Y―△启动
实验二PLC控制三彩灯闪烁电路
实验三PLC控制智力竞赛抢答装置
实验四PLC控制运料小车
实验五PLC控制机械滑台
实验六计件控制
实验七红绿灯信号
实验八PLC控制输送带
实验一、PLC控制三相异步电机Y―△启动
一、实验目的:1、熟悉三菱编程软件的使用
2、熟悉PLC I/O端口的接线
二、实验内容:
图示为继电器控制异步电动机Y―△起动电路。
按启动按钮SB1,KM0、KM1接触器接通,电动机接成Y形联结启动。
此时KT时间继电器接通,当延时5S后,KT常闭触点断开,KT常开触点闭合,KM1接触器失电,KM2接触器接通,电动机接成△形联结投入运行。
当按停止按钮SB0,KM0、KM2接触器失电,电动机停止运行。
各元器件说明如图,在自行分析电路功能后,完成实验要求。
三、实验要求:
1、用FX2N系列PLC按三相异步电动机Y―△启动继电器控制电路图改成PLC
梯形图、写出语句表(必须有栈存指令及块指令)。
2、用模拟设置控制三相异步电动机Y―△启动继电器电路运行过程。
3、按基本指令编制的程序,进行程序输入并完成系统、调试。
五、梯形图和语句表:
实验二PLC控制三彩灯闪烁电路
一、实验目的:1、进一步熟悉三菱编程软件的使用
2、进一步熟悉PLC I/O端口的接线
3、熟悉定时器的使用
二、实验内容:
1、彩灯电路受一启动开关S07控制,当S07接通时,彩灯系统LD1~LD3
开始顺序工作。
当S07断开时,彩灯全熄灭。
2、彩灯工作循环:
(1)、LD1彩灯亮,延时8秒后,→闪烁三次(每一周期为亮1秒熄1秒)。
(2)、→LD2彩灯亮,延时2秒后。
(3)、→LD3彩灯亮;LD2彩灯继续亮,延时2秒后熄灭;→LD3彩灯延时10秒后。
(4)、→进入再循环。
三、实验要求:
1、用FX2N系列PLC按工艺流程写出梯形图、语句表。
2、用模拟设置控制三彩灯闪烁电路运行过程。
3、按基本指令编制的程序,进行程序输入并完成系统、调试。
五.梯形图和语句表:
实验三PLC控制智力竞赛抢答装置
一、实验目的:用PLC控制智力竞赛抢答装置
二、实验内容:
主持人一个总停开关S06控制三个抢答桌。
主持人说出题目并按动启动开关S07后,谁先按按钮,谁的桌子上的灯即亮。
当主持人按总停开关S06后,灯才灭,否则一直亮着。
三个抢答桌的按钮是这样安排的:一是儿童组,抢答桌上有两只按钮S01 和S02,是并联形式,无论按哪一只,桌上的灯LD1即亮;二是中学生组,抢答桌上只有一只按钮S03,且只有一个人,一按灯LD2即亮;三是大人组,抢答桌上也有两只按钮S04和S05,是串联形式,只有两只按钮都按下,抢答桌上的灯LD3才亮。
当主持人将启动开关S07处于开状态时,10秒之内有人抢答按按钮,电铃DL响。
三、实验要求:
1、用FX2N系列PLC按工艺流程写出梯形图、语句表。
2、用模拟设置控制智力竞赛抢答装置的控制过程。
3、按基本指令编制的程序,进行程序输入并完成系统、调试。
实验四PLC控制运料小车
一、实验目的:1、用PLC构成运料小车控制系统
2、熟悉步进指令编程法
二、实验内容:
启动按钮S01用来开启运料小车,停止按钮S02用来手动停止运料小车,按S01小车从原点起动,KM1接触器吸合使小车向前运行直到碰SQ2开关停,KM2接触器吸合使甲料斗装料5秒,然后小车继续向前运行直到碰SQ3开关停,此时KM3接触器吸合使乙料斗装料3秒,随后KM4接触器吸合小车返回原点直到碰SQ1开关停止,KM5接触器吸合使小车卸料5秒后完成一次循环。
控制要求:
按了启动按纽后小车连续作3次循环后自动停止,中途按停止按钮S02则小车完成一次循环后才能停止;
输入输出端口配置
三、实验要求:
1.画状态转移图;
2.画梯形图;
3.写语句表;
4.用FX2系列PLC简易编程器或计算机软件进行程序输入;
5.在考核箱上接线,用电脑软件模拟仿真进行调试。
实验五 PLC 控制机械滑台
一、实验目的:用PLC 构成机械滑台控制系统
二、实验内容:机械滑台上带有主轴动力头,在操作面板上装有起动按钮S01、停止按钮S02。
工艺流程如下:
1、当工作台在原始位置时,按下循环启动按钮S01,电磁阀YV1得电,工作台快进,同时由接触器KM1驱动的动力头电机M起动。
2、当工作台快进到达A点时,行程开关SI4压合,YV1、YV2得电,工作台由快进切换成工进,进行切削加工。
3、当工作台工进到达B点时,SI6动作,工进结束,YV1、YV2失电,同时工作台停留3秒钟,当时间到,YV3得电,工作台作横向退刀,同时主轴电机M 停转。
4、当工作台到达C点时,行程开关SI5压合,此时YV3失电,横退结束,YV4得电,工作台作纵向退刀。
5、工作台退到D点碰到开关SI2,YV4失电,纵向退刀结束,YV5得电,工作台横向进给直到原点,压合开关SI1为止,此时YV5失电完成一次循环。
控制要求:
机械滑台连续循环与单次循环可按S07自锁按钮进行选择,当S07为“0”时机械滑台连续循环,当S07为“1”时机械滑台单次循环;
三、实验要求:
1.画状态转移图;
2.画梯形图;
3.写语句表;
4.用FX2系列PLC简易编程器或计算机软件进行程序输入;
5.在考核箱上接线,用电脑软件模拟仿真进行调试。
实验六 计件控制
一、实验目的:1、用PLC 构成机械滑台控制系统
2、熟悉步进指令编程法
二、实验内容
按P01启动传送带1,传送带上的器件经过检测传感器时,传感器发出一个器件的计数脉冲至X00(由电脑模拟仿真软件自动产生),计数器C0计数,当X3=“1”时选择大包装计数12个;当X3=“0”时选择小包装计数6个。
计数器动作后,延时3秒钟,停止传送带1,同时启动传送带2,传送带2保持运行5S 后停止,继续第二次循环,完成三次循环后自动停止。
设有一个停止按钮P02,当中途按动P02后,需完成本次包装后停止。
三、实验要求:
1.画状态转移图;
2.画梯形图;
3.写语句表;
4.用FX2系列PLC简易编程器或计算机软件进行程序输入;
5.在考核箱上接线,用电脑软件模拟仿真进行调试。
实验七红绿灯信号
一、实验目的:1、用PLC构成红绿灯控制系统
2、熟悉步进指令编程法
二、实验内容:
设置一个启动按钮S01,当按S01时,信号灯控制系统开始工作,且先南北红灯亮,东
西绿灯亮。
设置一个停止按钮S02,当按S02时,信号灯全部熄灭。
工艺流程如下:
1、南北红灯亮并保持15秒,同时东西绿灯亮,但保持10秒,到10秒时东西绿灯闪亮
3次(每周期1秒)后熄灭;继而东西黄灯亮,并保持2秒,到2秒后,东西黄灯熄灭,东
西红灯亮,同时南北红灯熄灭和南北绿灯亮。
2、东西红灯亮并保持10秒。
同时南北绿灯亮,但保持5秒,到5秒时南北绿灯闪亮3
次(每周期1秒)后熄灭;继而南北黄灯亮,并保持2秒,到2秒后,南北黄灯熄灭,南北
红灯亮,同时东西红灯熄灭和东西绿灯亮。
3、上述过程作一次循环;当强制按钮S03接通时,南北黄灯和东西黄灯同时亮,并不断闪亮(每周期2秒);同时将控制台指示灯点亮并关闭信号灯控制系统。
控制台指示灯及强制闪烁的黄灯在下一次启动时熄灭。
控制要求:
红绿灯连续循环,按停止按钮S02红绿灯立即停止;当再按启动按钮S01红绿灯重新运行;
三、实验要求:
1.画状态转移图;
2.画梯形图;
3.写语句表;
4.用FX2系列PLC简易编程器或计算机软件进行程序输入;
5.在考核箱上接线,用电脑软件模拟仿真进行调试。
实验八 PLC控制输送带
一、实验目的:用PLC控制输送带
二、实验内容:
按S01启动按钮,第二条输送带的电磁阀KM3吸合,延时3秒,第一条输送带的电磁阀KM2吸合,延时3S,卸料电磁阀KM1吸合。
按S02停止按钮,若料斗已工作,则卸料电磁阀KM1断开,延时6S,第一条输送带的电磁阀KM2断开,延时6S,第二条输送带的电磁阀KM3断开;若料斗没有工作,则立即停止。
设二条输送带均有热继电器作过载保护,热继电器输入接常闭触点,若第二条输送带FR2动作,则全部停止,若第一条输送带FR1动作,则御料斗和第一条皮带轮立刻停止,第二条皮带轮隔6s后停止。
三、实验要求:
1.画状态转移图;
2.画梯形图;
3.写语句表;
4.用FX2系列PLC简易编程器或计算机软件进行程序输入;
5.在考核箱上接线,用电脑软件模拟仿真进行调试。