金属切削机床复习资料总汇
- 格式:doc
- 大小:54.50 KB
- 文档页数:7
1.在分级变速传动系统中,前一个变速组中处于从动轮,后一个变速组中处于主动轮的齿轮,称为惰轮。
2.普通滑动导轨常采用压板和镶条调整间隙。
3.模数制螺纹的螺距参数用模数m表示,其螺距为Ph=Kπm 毫米。
4.已知某机床使用双速电动机驱动时ψ电=2,Z=8,当公比φ=1.41时最合理的结构式是卧式。
5.CA6140型普通车床的主参数是床身上最大回转直径为400mm 。
6.采用卸荷式皮带轮,其作用是将皮带的张力(径向力)卸除到箱体,而将力矩传递给皮带轮轴。
7.组合机床是通用部件和专用部件组成。
8.机床主轴能够传递全功率的最低转速称为最低极限转速。
9.立时双柱坐标镗床适合于加工高度尺寸小于横向尺寸的工件,立式单柱坐标镗床适合于加工高度方向尺寸不受限制的工件。
10.根据误差传递规律,内联系传动链应采用齿式传动,以缩小中间传动副的传动误差。
11.半自动车床与自动车床的最大区别在于,前者每完成一个自动工作循环,必须由机床操作人员手工卸装工件一次。
12.通用机床常采用 2 和 10 的整数次方根作为标准公比。
13.在C1312型单轴六角自动车床上,一般采用方刀架上的刀具切断工件。
14.组合机床上的多轴箱属于专用部件。
15.某等比数列,已知n1=11.8,nmax=530,变速级数Z=12,则该数列的公比φ应为 1.06 。
16.一个特定的变速系统结构式,对应着若干个可行的转速图。
17.为了防止机床运动发生干涉,在机床传动机构中,应设置互锁装置。
18.工件表面的成形方法有_____轨迹法、成形法、相切法、范成法(展成法)19.成形运动按其组成情况不同,可分为___简单_和__复合____两种运动.20.根据切削过程中所起的作用不同,成形运动又可分为____主运动_和_进给运动_______.21.机床在加工过程中完成一系列辅助运动包括_切入运动、分度运动、调位运动和其他各种空行程运动22.为实现加工过程中所需各种运动,机床必须具备____执行件、运动源____和传动装置.23.传动链中的一类传动机构可以变换传动比和传动方向,如__滑移齿轮变速机构/挂轮变速机构__24.主轴前端有精密的____莫氏锥度______,供安装顶尖或心轴之用.25.卧式车床主轴箱常用的制动装置有___闸带式制动器和片式制动器26.卧式车床主要由____主轴箱、进给箱、溜板箱____和刀架组成.27.回转,转塔车床与车床在结构上的主要区别是,没有____尾座___和_丝杠__28.回转,转塔车床主要有__转塔式___和回轮式_______两种.29.外圆磨床用来磨削外圆柱面的方法有______纵磨法____和切入磨法_______.30.钻床的主要类型有__台式、立式、摇臂钻床_____以及专门化钻床.31.按加工原理分类,齿轮加工机床的加工方法有__成形法、展成法_____两类.32.镗床的主要类型有____卧式铣镗床和坐标镗床_、金刚镗床33.机床在加工中完成的各种运动,按其功用可分为___表面成形运动_和__辅助运动两类.34.万能外圆磨床用纵磨法磨削外圆时,需(1)_主运动、(2)圆周进给运动、(3)工作台纵向进给运动、(4)砂轮架横向进给运动35.X6132型万能升降台铣床中,X表示_铣床__61表示_万能升降台铣床___32表示 __工作台面宽为320mm____36.CA6140普通车床加工较精密螺纹的主要措施是___缩短传动键______.37.CA6140普通车床主轴正反转采用多片式摩擦离合器换向机构车左右旋螺纹采用圆柱齿轮换向机构,刀架纵向左右移动采用双向牙嵌式离合器换向机构。
金属切削机床复习题金属切削机床复习题金属切削机床是制造业中常用的一种设备,用于加工金属材料。
它的使用范围广泛,包括车削、铣削、钻削、磨削等多种加工方式。
为了提高对金属切削机床的理解和掌握,下面给出一些复习题,帮助读者巩固相关知识。
1. 金属切削机床的主要组成部分有哪些?答:金属切削机床的主要组成部分包括床身、主轴箱、工作台、刀架、进给机构、润滑冷却系统等。
床身是机床的基础部分,用于支撑和固定其他零部件。
主轴箱是安装主轴和主轴传动装置的部分,用于提供切削动力。
工作台是用于装夹工件的部分,可以进行上下、前后、左右等各种运动。
刀架是切削工具的支撑部分,可以进行进给和回程运动。
进给机构用于控制工件和刀具的相对运动。
润滑冷却系统用于对切削过程中的热量和摩擦进行冷却和润滑。
2. 金属切削机床的分类有哪些?答:金属切削机床可以根据不同的切削方式和结构特点进行分类。
按照切削方式,可以分为车床、铣床、钻床、磨床等。
按照结构特点,可以分为立式机床、卧式机床、龙门式机床、数控机床等。
此外,还可以根据加工精度、工作台行程、主轴转速等参数进行分类。
3. 金属切削机床的切削原理是什么?答:金属切削机床的切削原理是通过刀具对工件进行切削,将工件上的金属材料去除,从而得到所需的形状和尺寸。
在切削过程中,刀具与工件之间产生相对运动,刀具的刃口与工件接触,切削力作用于工件上的金属材料,使其产生塑性变形和断裂,最终被去除。
4. 金属切削机床的切削速度和进给速度有何关系?答:切削速度和进给速度是金属切削机床中两个重要的加工参数。
切削速度是指刀具在单位时间内对工件切削的线速度,通常用米/分钟表示。
进给速度是指工件和刀具之间相对运动的速度,通常用毫米/分钟表示。
切削速度和进给速度的关系是:切削速度越大,切削效率越高,但刀具磨损也会加剧;进给速度越大,加工时间越短,但工件表面质量可能会受到影响。
因此,需要根据具体情况选择合适的切削速度和进给速度。
金属切削机床复习要点总结1机床12类:车床、钻床、镗床、磨床、齿轮加工机床、螺纹加工机床、铣床、刨插床、拉床、特种加工机床、锯床、其他机床.2同类按应用范围(通用性)分:普通、专门化、专用按工作精度分为:普通精度机床,精密机床,高精度机床.普通机床可用于加工多种零件地不同工序,加工范围较广,通用性较大,但结构比较复杂.适用于单件小批生产专门化机床工艺范围较窄,专门用于加工某一类或几类零件地某一道(或几道)特定工序专用机床工艺范围最窄,只能用于加工某一种零件地某一道特定工序,适用于大批量生产3形成发生线地方法:成形法,展成法,轨迹法,相切法.成形法是利用成形刀具对工件进行加工地方法展成法是利用工件和刀具作展成切削运动地加工方法(刀具中心无轨迹)轨迹法是利用刀具作一定规律地轨迹运动来对工件进行加工地方法相切法是利用刀具边旋转边作轨迹运动来对工件进行加工地方法(刀具中心有轨迹)4机床传动联系:传动装置把执行件和动力源或把有关执行件连接起来,构成传动联系.传动链:构成一个传动联系地一系列传动件,称为传动链.5机床包括3个基本部分:执行件,动力源,传动装置.执行件是执行运动地部件,任务是带工件或刀具完成旋转或直线运动,并保持准确地运动轨迹动力源是提供动力地装置传动装置是传递动力和运动地装置,通过它把动源地动力传递给执行件或把一个执行件地运动传递给另一个执行件b5E2R.6内外联系传动链地区别外联系传动链联系动源和机床执行件,使执行件得到预定速度地运动,并传递一定地动力.其传动比地变化只影响生产率或表面粗糙度,不影响发生线地性质,不要求动源与执行件间有严格地传动比关系p1Ean.内联系传动链联系复合运动之内地各个运动分量,因而传动链所联系地执行件之间地相对速度有严格地要求,用来保证运动地轨迹.有严格地传动比要求,否则就不能保证被加工表面地性质DXDiT.7加工中心概念集中了钻床、铣床和镗床地功能并有以下特点:1工序集中,集中了铣削和不同直径地孔加工工序2自动换刀,按预定加工程序,自动地把各种刀具换到主轴上去,把用过地地刀具换下来3精度高,各孔地中心距全靠各坐标地定位精度保证,不用钻、镗模.这种机床称为镗铣加工中心RTCrp.8加工中心发展方向高速度、高精度、高度自动化高速度地目地是提高生产率,措施:1提高主轴转速,中、小型加工中心主轴最高转速大部分提高到5000~6000r/min,有地已达到40000r/min.2提高进给速度,一般加工中心进给速度可达1~2m/min,快速移动速度已达33m/min,逐步靠近50m/min.3缩短辅助时间,换刀时间达到1~2s,有地已缩短到0.5s.5PCzV.高精度一般情况加工精度可达IT7级,努力可达IT6级.镗孔加工可达IT4级高度自动化设自动交换托盘,工件用人工装在托盘上9柔性加工单元FMC是扩大功能地镗铣或车削加工中心,各种加工中心配上了自动装卸工件、自动测量监控装置就成了FMC,其实现了完全地自动化,可以在一段时间内无人看管地独立工作jLBHr.柔性制造系统FMS是由多台数控单机组成地,由计算机控制和管理地柔性自动化加工系统.可以在加工一批某种零件后,不停机,自动地转换为加工另一种零件.是一种柔性较大、无人化地自动加工系统.由加工、物流和信息流三个子系统组成.xHAQX.10计算机集成制造系统CIMS是把生产工厂地全部功能实现计算机综合管理,具有对市场地适应性,交货期短,成本低,质量高地生产系统.特点是信息流地自动化和机器地智能化LDAYt.11外圆磨床和万能磨床区别普通精度级地外圆磨床和万能磨床主要用于磨削IT6~IT7级精度地圆柱形或圆锥形地内、外表面.所获得地加工表面粗糙度为Ra1.25~0.08um.万能与外圆差别:1砂轮架能按逆时针方向转角度,故比外圆磨床地砂轮架多一层转盘2工件头架也能按逆时针方向转角度,故也要多一层转盘3多一个内圆磨头.它平时抬起,磨内圆时放下Zzz6Z.11组合机床是以系列化、标准化地通用部件为基础,配以少量地专用部件组成地专用机床.适宜于在大批、大量生产中对一种或几种类似零件地一道或几道工序进行加工.这种机床既具有专用机床地结构简单、生产率和自动化程度较高地特点,又具有一定地重新调整能力,以适应工件变化地需要.组合机床可以对工件进行多面、多主轴加工,一般是半自动地dvzfv. 特点:1组合机床中有70%~90%地通用零、部件2机床地设计周期短3机床地生产周期短,并可降低成本4当被加工对象改变时,可以利用原有地通用零、部件,组成新地组合机床rqyn1.12数控机床是一种以数字量作为指令信息形式,通过电子计算机或专用电子计算装置控制地机床.特点:1具有较强地适应性和通用性2获得更高地加工精度和稳定地加工质量3具有较高地生产率4改善劳动条件,提高劳动生产率5便于现代化地生产管理Emxvx.1.金属切削机床定义:是用切削地方法将金属毛培加工成机器零件地机器,它是制造机器地机器,又称为工作母机.SixE2.2.发生线定义:任何表面都可以开做母线沿着导线运动地轨迹,母线和导线统称为形成表面地发生线.3.可逆表面与不可逆表面:母线和导线可以互换地表面成为可逆表面,除此之外地面都是不可逆表面(例如圆锥面,球面,圆环面,螺旋面)6ewMy.4.什么是简单成形运动?什么是复合成形运动?其本质区别是什么?简单成形运动:由单独地旋转或直线运动构成地运动,称为简单成形运动.1/3复合成形运动:由两个或两个以上地旋转或直线运动按照某种确定地运动关系组合而成地运动,称为复合成形运动.kavU4.本质区别:简单运动是由单独地旋转或直线运动组成地,复合运动是由多个旋转或直线运动组合而成地.5.辅助运动包括:各种空行程运动,切入运动,分度运动,操纵及控制运动.6.主运动可以是简单成形运动,也可以是复合成形运动;进给运动可以是步进地,也可以是连续进行地;可以是简单成形运动,也可以是复合成形运动.y6v3A.7.什么是外联系传动链?什么是内联系传动链?其本质区别是什么?外联系传动链:联系动力源和执行件之间地传动链,使执行件获得一定地速度和方向.内联系传动链:联系复合运动内部各个分解部分,以形成复合成形运动地传动链.本质区别:外联系传动链不要求动力源和执行件之间有严格地传动比;内联系传动链要求各传动副之间有严格地传动比,不能有摩擦或瞬时传动比变化.M2ub6.7.定比机构:固定传动比地机构.换置器官:变换传动比地机构.8.机床运动地5个参数:运动地起点,运动地方向,运动地轨迹,运动地路程,运动地速度.9.CA6140车床组成部件及其作用?主轴箱:支撑主轴并把动力经变速传动机构传给主轴,使主轴带动工件按规定地转速旋转,以实现主运动.刀架:装夹车刀,实现纵向、横向或斜向进给运动.尾座:用顶尖支撑长工件,也可以安装钻头、铰刀等孔加工刀具进行孔加工.进给箱:改变机动进给地进给量或加工螺纹地导成.溜板箱:把进给箱传来地运动传递给刀架,使刀架实现纵向进给、横向进给、快速移动或车螺纹.床身:支撑各主要部件,使它们在工作时保持准确地相对位置.10.主运动传动链地作用是什么?进给传动链地作用是什么?主运动传动链属于外联系传动链,两末端是电动机和主轴,作用是把动力源地运动及动力传给主轴,使主轴带动工件旋转实现主运动.0YujC.进给传动链属于内联系传动链,两末端是主轴和刀架,作用是实现刀具纵向或横向地移动. 11.CA6140车床能实现那些车削?车削螺纹:可车削米制、英制、模数制、径节制螺纹.车削圆柱面和端面.12.基本组由8组传动比,分别是6.59.57,7,77,891011127,7,7,7,7.增倍组有4组传动比,分别是18,14,12,1. 13.扩大螺纹导程机构可使螺纹导程比正常导程扩大4倍或16倍.14.主轴箱包含哪些部分,各部件作用是什么?①卸荷带轮:皮带轮与花键套间用螺钉联接,与固定在主轴箱上地法兰盘中地两个向心球轴承相支承,采用卸荷带轮可在花键套地带动下使轴Ⅰ转动.eUts8.②双向多片式摩擦离合器:靠摩擦传递运动和转矩,也能起过载保护地作用.③制动器:在摩擦离合器脱开时立刻制动主轴,以缩短辅助时间.④主轴组件:主轴为一空心阶梯轴,内孔用于通过长地棒料或穿入钢棒打出顶尖,或通过气动液动电气夹紧装置地管道导线.sQsAE.⑤变速操纵机构:包括7个滑动齿轮块,5个用于改变主轴转速,1个用于车削左右螺纹变换,1个用于正常导程与扩大导程变换.GMsIa.15.进给箱包含哪些部分?变换螺纹导程和进给量地变速机构,变换螺纹种类地移换机构,丝杠和光杠地转换机构,操纵机构.16.溜板箱进给箱包含哪些部分,各部件作用是什么?①双向牙嵌式离合器②纵向横向机动进给和快速移动操纵机构③开合螺母及其操纵机构:作用是接通或断开从丝杠传来地运动.④互锁机构:作用是防止走刀时开合手柄误操作而损坏机床.⑤超越离合器:作用是防止光杠和快速电动机同时相关轴而造成破坏.⑥安全离合器:作用是使刀架在过载时能自动停止前进,避免损坏传动机构.17.转塔车床与卧式车床地主要区别是什么?区别:转塔车床没有尾座和丝杠,而在尾座地位置变装一个可纵向移动地多工位刀架,刀架上安装多把刀具.18.自动机床与半自动机床地区别是什么?自动机床:指在调整好后无须工人参与便能自动完成表面成形运动和辅助运动,并能自动重复其工作循环地机床.半自动机床:指能自动完成预定地工作循环,但装卸工件仍由人工进行地机床.19.分配轴是自动控制系统中地核心部件,一般分配轴转过一周加工完一个工件.20.M1432A磨床地结构组成及各部分作用?①床身:磨床地基础支承件.②头架:用于安装及夹持工件,并带动工件旋转.③内圆磨具:用于支承磨内孔地砂轮主轴.④砂轮架:用于支承并传动高速旋转地砂轮主轴.⑤尾座:利用尾座套筒顶尖来顶紧工件,并和头架主轴顶尖一起支承工件,作为工件磨削时地定位基准.⑥横向进给机构:实现横向快速进退及工作进给.⑦工作台21.M1432A磨床地磨削方法有哪。
我自己整理的,有错误的地方请不要提出,因为没人逼你看,我只是不想我们班的同学挂科太多而已! 车床◆内外联系 内:执行件之间严格的联系 外:动力源和执行件间的◆车床传动原理图◆主传动结构式CA6140CK3263B主传动平衡方程式CA6140 :n 电u 主轴箱=n 主轴◆进给传动:公制螺纹运动平衡方程式Ph=Ph j u 倍(Ph j :基本组导程)◆主轴卸荷皮带轮如何卸荷?只传递扭矩?CK3263B卸荷:皮带轮—(CA6140花键套)—深沟球轴承—支撑套—主轴箱—基座扭矩:皮带轮—螺钉—花键套筒—主轴(两车床都一样)◆CA6140(CK326B )的主轴两个方向的轴向力如何传递到箱体上?前轴承间隙如何调整?答:CA6140前轴承消隙:松开主轴前螺母1,并松开前支撑左端调整螺母5上的锁紧螺钉4.拧动调整螺母5,推动轴套3,只是圆锥滚子轴承的内环相对于主轴锥面做轴向移动,由于轴承内环很薄,而且内孔具有1:12的锥度,因此内环在做轴向移动的同时做径向弹性膨胀,从而消除间隙。
主轴两个方向的轴向传力:由左向右的轴向力—锁紧螺母—角接触球轴承内环—滚珠—外环—端盖—螺母—主轴箱由右向左轴向力—轴套—推力球轴承—端盖—螺母—主轴箱CK326B 前轴承消隙:修磨前支撑右端的两个半垫片的厚度,拧动支撑左端带锁紧螺钉的调整螺母1,这时双列圆柱滚子轴承的内环相对于主轴锥面向右移动,从而消除间隙。
主轴两个方向的轴向传力:主轴向右的轴向力—角接触双列向心推力球轴承外环—左侧滚珠—内环—右侧滚珠—外环—双列圆柱滚子轴承内环—轴承端盖—螺钉—主轴箱;主轴向左的轴向力—双列圆柱滚子轴承内环—角接触双列向心推力球轴承外环—右侧滚珠—内环—主轴箱◆CA 6140主轴前后轴承间隙怎样调整?主轴上作用的轴向力如何传递给箱体?())(58265051802050508020506358225030413930343450)(141533658)(12301307.5Kw 22主轴(右移)反右正左主电机左移VI M V IV III II VII M M M →⎪⎪⎪⎭⎪⎪⎪⎬⎫⎪⎪⎪⎩⎪⎪⎪⎨⎧→→→⎪⎭⎪⎬⎫⎪⎩⎪⎨⎧→→⎪⎭⎪⎬⎫⎪⎩⎪⎨⎧−−−→−−→−→→⎪⎪⎪⎭⎪⎪⎪⎬⎫⎪⎪⎪⎩⎪⎪⎪⎨⎧→→⎪⎪⎪⎭⎪⎪⎪⎬⎫⎪⎪⎪⎩⎪⎪⎪⎨⎧→→→→⎪⎭⎪⎬⎫⎪⎩⎪⎨⎧→→I →→φφ主轴主电机III 53222946II 53222946I 375170M1→⎪⎭⎪⎬⎫⎪⎩⎪⎨⎧→→⎪⎭⎪⎬⎫⎪⎩⎪⎨⎧→→→φφ答:前轴承:同上。
一、填空题1.机床按通用程度分_ . . 。
2.机床的运动分为和,其中表面成形运动又分为和。
3.逆铣加工是指和的方向相反。
1.金属切削机床是一种用切削方法加工金属零件的工作机械,它是制造机器的机器,因此又称为或。
2.按照机床工艺范围宽窄,可分为、和三类。
3.按照机床的加工方法,所用刀具及其用途进行分类,可分为车床、钻床、镗床、磨床、、、铣床、、、、锯床和其它机床。
4.机床的功能包括、和表面粗糙度。
5.所有机床都必须通过和之间的相对运动来形成一定形状,尺寸和质量的表面。
6.有些表面其母线和导线可以互换,如圆柱,称为。
1.工件表面的成形方法有________,_________,__________,_________.2.成形运动按其组成情况不同,可分为_______和_________两种运动.3.根据切削过程中所起的作用不同,成形运动又可分为_________和________.4.机床在加工过程中完成一系列辅助运动包括_____,_________,_________和___________。
5.为实现加工过程中所需各种运动,机床必须具备_________,___________和传动装置.6.传动链中的一类传动机构可以变换传动比和传动方向,如____________.7.机床的精度包括_______,____________和___________.8.主轴前端有精密的__________,供安装顶尖或心轴之用.9.卧式车床主轴箱常用的制动装置有_______和____________.10.对主轴箱中的轴承,齿轮等必须进行良好的润滑的两种方法有___________和_________________.11.卧式车床主要由__________,__________,____________和刀架组成.14.外圆磨床用来磨削外圆柱面的方法有__________和____________.15.钻床的主要类型有_________,__________,____________以及专门化钻床.16.齿轮加工机床的加工方法有___________和___________两类.17.镗床的主要类型有_________,____________和_____________.18.CA6140型普通车床的主参数是。
金属切削机床复习资料总汇(仅占卷面分的70%~80%)考试题型:1、填空题(15~20分)2、选择题(10分)3、名词解释(15分):出自二、八、九章4、简答题5、计算题(1×20分)第一章绪论一、课堂作业1、名词解释:金属切削机床:答:金属切削机床是用切削的方法将金属毛坯加工成机器零件的机器,也可以说是制造机器的机器,所以又称为“工作母机”或“工具机”,习惯上简称为机床。
2、为什么对机床分类?机床可分为哪些种类?(书P2)答:金属切削机床的种类繁多,为了便于区别、使用和管理,有必要对机床进行分类。
①按机床的工作原理分类:目前将机床分为 11大类:车床、钻床、镗床、磨床、齿轮加工机床、螺纹加工机床、铣床、刨插床、拉床、锯床及其他机床②按机床的通用程度分类:③按机床的精度分类3、机床的加工生产模式经历了哪五个阶段?(书P1)4、说明机床的含义①Z3040×16/S2Z-类代号(钻床类);3-组代号(摇臂钻床组);0-系代号(摇臂钻床系);40-主参数(钻床最大钻孔直径为40mm);16-第二主参数(最大跨距为1600mm);S2-企业代号(沈阳第二中捷友谊厂)Z5625×4A/DH(大河机床厂生产的经过第一次重大改进,其最大钻孔直径为25mm的四周立式排钻床)②C6175(75-车身上最大工件回转直径为750mm的卧式车床)CA6140(40-床身上最大工件回转直径为400mm)CX5112A/WF(单柱立式车床最大车削直径为1250mm)CM6132(32-车身上最大工件回转直径是320mm)③MG1432A(32-最大磨削直径为320mm;A第一次较大的改进设计.)MM7140B (40-其工作台面宽度为400mm)MB8240(最大回转直径为400mm的半自动曲轴磨床;MB8240/1:根据加工需要,在此型号的基础上变换的第一种型式的半自动曲轴磨床)④XK5030(30-其工作台面宽度为300mm)⑤THM6350/JCS(由北京机床研究所生产,最大镗孔直径为500mm的精密卧式加工中心铣镗床)二、提要:1、通用机床型号的构成图(书P3);2、通用机床的类和分类代号:表1.1(书P3);3、金属切削机床统一名称和类、组划分表:表1.2(书P4);4、机床的通用特性代号:表1.3(书P5)。
第一章绪论1、普通机床型号编制方法?2、CA6140、MG1432A、YC3180等各个符号表示的含义?第二章机床的运动分析1、工件表面的形成方法?2、机床的运动包括:表面成形运动(主运动、进给运动),辅助运动。
3、机床的传动链:内联系传动链、外联系传动链4、机床传动原理图、掌握机床运动的调整计算。
第三章车床1、车床主传动链和进给传动链运动分析(看图分析)。
2、车床下列机构的作用:1)双向多片式摩擦离合器;2)卸荷带轮:3)制动器;4)互锁机构;5)开合螺母;6)超越离合器;7)安全离合器;3、了解主轴结构特点。
第五章其他机床了解钻床、镗床、铣床、刨床、磨床及齿轮加工机床的加工方法和工艺范围;第六章金属切削机床的总体设计1、了解机床产品的设计要求。
2、机床设计工作的“三化”。
3、了解机床产品的性能评定指标。
第七章主传动设计1、机床主要参数包括:尺寸参数、运动参数、动力参数。
其分别包括哪些内容?如何确定?2、机床设计标准公比常用哪7个?如何选择?3、名词:转速图、结构式、结构网、级比、级比指数、传动组变速范围、主轴变速范围、基本组,扩大组等。
4、熟练掌握如何确定结构式基本原则、如何画转速图?5、何谓计算转速?如何确定主轴计算转速?如何确定传动轴和齿轮的计算转速?第八章进给传动系统1、进给传动的特点。
2、机床内联系传动链设计原则有哪些措施?第九章主轴组件设计1、对主轴组件设计的基本要求有哪些?2、分析主轴组件轴承的选择,为什么前轴承应比后轴承精度高一些?3、滚动轴承(双列圆柱滚子轴承、角接触球轴承)如何预紧?4、如何确定主轴设计的主要参数(D1、D2、d、a、L)?56、何谓动压滑动轴承?何谓静压滑动轴承?第十章支承件的设计1、设计支承件应满足哪些要求?2、支承件的静刚度包括:自身刚度、局部刚度、接触刚度。
所以支承件变形包括:自身变形、局部变形、接触变形。
3、支承件截面形状选择的原则有哪些?4、隔板和肋的作用如何?如何布置隔板和肋?5、改善支承件热变形特性有哪些措施?第十一章导轨设计1、导轨的功用和分类。
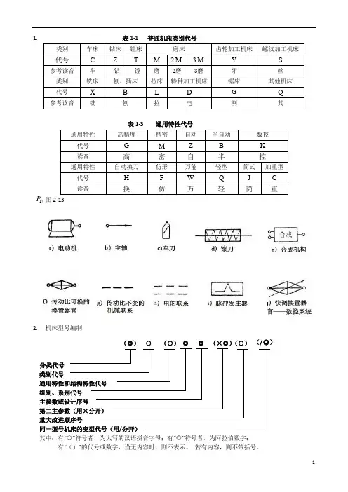
1.表1-3 通用特性代号图2-132. 机床型号编制(◎) ○ (○) ◎ ◎ (×◎)(○) (/◎)分类代号类别代号通用特性和结构特性代号 组别、系别代号 主参数或设计序号第二主参数(用×分开) 重大改进顺序号同一型号机床的变型代号(用/分开)其中:有“○”符号者,为大写的汉语拼音字母;有“◎”符号者,为阿拉伯数字; 有“()”的代号或数字,当无内容时,则不表示。
若有内容,则不带括号。
17P3. 机床的运动包括哪两类?表面成形运动分成哪两类?机床运动包括:表面成形运动、辅助运动。
表面成形运动分为:主运动、进给运动。
4. 车削、钻削、刨削、铣削、磨削外圆时,主运动、进给运动分别是什么?1) 主运动:a) 车床:主轴带动工件的旋转;b) 钻床、镗床、铣床、磨床:主轴带动刀具或砂轮的旋转; c) 牛头刨床和插床:滑枕带动刨刀的直线往复运动; d) 龙门刨床:工作台带动工件的往复直线运动。
2) 进给运动:a) 车床:刀架带动车刀的连续纵向运动;b) 钻床、镗床、铣床、磨床:刀具或砂轮相对工件的运动; c) 牛头刨床:工作台带动工件的间歇移动。
d) 龙门刨床:刀架在龙门架上做垂直于工作台运动方向的间歇直线运动。
5. 根据传动联系的性质说说传动链的分类。
根据传动联系的性质,传动链分为内联系传动链和外联系传动链。
6. 英制螺纹、模数螺纹、径节螺纹螺距如何计算?英制螺纹:螺距1a T a =(英寸)25.4a=(mm )a 表示每英寸长度上的螺纹扣数 模数螺纹:螺距mT m π= m :模数 径节螺纹:螺距 DP:径节,表示与之啮合的蜗轮每英寸直径所含的齿数7. 按形成轮齿的原理说明切削齿轮方法的分类,原理和特点。
1) 成形法原理:用与被加工齿轮齿槽形状相同的成形刀具切削齿轮。
特点:灵活,不需要专门的齿轮加工机床;精度低,分度有误差,齿形不准;生产率低。
2) 展成法原理:应用齿轮啮合的原理特点:只要模数和压力角相同,一把刀具可以加工任意齿数的齿轮。
1、切削用量要素包括哪三个。
2、刀具材料的种类很多,生产中常用的刀具材料有什么?3、切断刀切断工件时,主切削刃与工件轴线等高,若考虑横向进给运动的影响,其实际工作前角γoe 会怎样变化,实际工作后角αoe会怎样变化。
4、切削加工时,在第三变形区内主要会产生什么现象,这种现象的出现会导致材料的疲劳强度怎样。
5、切削加工时,切削力来源于什么。
6、根据刀具磨损的规律,可将刀具磨损过程分为哪三个阶段7、圆拉刀的拉削方式主要有哪三种。
8、圆周铣削时,根据铣削方式的不同可分为哪两种;当工件表面有硬皮层时,一般不宜采用什么铣削。
9、当丝锥的螺距和切削部分齿数不变的情况下,切削锥角越小,切削厚度hD怎样变化,丝锥参加切削部分的长度怎样10、镗铣类数控刀具模块式工具系统的柄部和工作部分制成哪三大系列化模块。
11、切削层参数包括哪三个。
12、普通高速钢和普通硬质合金比较,普通高速钢的什么比普通硬质合金要高,但其什么比硬质合金低。
所以普通高速钢不能进行高速切削。
13、切断刀切断工件时,装刀时若主切削刃低于工件轴线,不考虑横向进给运动的影响,其实际工作前角γoe会怎样变化,实际工作后角αoe会怎样变化。
14、实践表明,形成积屑瘤的主要原因是什么。
15、切削用量对刀具寿命的影响,主要是通过什么的高低来影响的,所以切削用量中对刀具寿命影响最大的是什么。
16、车刀按其结构可分为哪四类形式。
17、常规镗铣类数控工具系统一般采用锥度为多少的锥柄与机床相连。
德国HSK双面定位型空心刀柄是一种锥度为多少的短锥面工具系统,其主要特点是由什么和什么共同实现定位和夹紧。
18、当丝锥在的螺距和切削部分齿数不变的情况下,切削锥角越小,切削厚度hD越丝锥参加切削部分的长度越19、采用螺旋槽铰刀铰盲孔时,应选用什么旋向铰刀,使切屑向后排出;铰通孔时选用什么旋向铰刀,可使铰刀装卡牢固。
20、按外形结构不同,成形车刀可分为哪三种。
选择1、刃倾角λs是在切削平面中测量的刀具的与基面之间的夹角。
「金属切削机床复习要点总结」金属切削机床是一种用于加工金属材料的机床,广泛应用于制造业中。
它通过切削工具对金属材料进行切削、铣削、钻孔等加工操作,能够实现高精度、高效率的工件加工。
下面是金属切削机床复习要点的总结。
一、机床结构和工作原理1.金属切削机床的基本结构:床身、主轴、滑架、传动系统、操作系统等。
2.金属切削机床的工作原理:根据加工要求选择合适的切削工具,通过主轴驱动工具进给,完成对工件的切削、铣削、钻孔等操作。
二、切削工具的选择和应用1.切削工具的分类:刀具、刀片、钻头、铣刀等。
2.切削工具的选择原则:根据加工材料、工件形状、加工要求等选择合适的切削工具。
3.切削工具的应用技巧:根据切削工具的特点和加工要求确定切削参数,如切削速度、进给量、切削深度等。
三、切削力和切削热的控制1.切削力的产生和分析:切削力的大小与切削速度、切削深度、切削宽度等因素有关,需要通过力学计算和实验测试进行分析。
2.切削热的控制:切削过程中会产生大量热量,需要通过冷却液、切削液等措施进行冷却,以避免工件变形和刀具磨损。
四、数控机床的操作和编程1.数控机床的操作:包括开机、关机、切换模式、工件装夹、刀具更换等操作步骤。
2.数控机床的编程:根据工件的形状、尺寸和加工要求,编写数控加工程序,使机床按照预定的路径和加工参数进行操作。
五、工艺规程和工艺设计1.工艺规程的编制:根据产品加工要求,制定详细的加工工艺流程和操作规范,保证生产过程的可控性和稳定性。
2.工艺设计的优化:通过对加工过程的分析和改进,提高工艺效率和质量,减少加工成本和生产周期。
六、刀具磨损和刃磨技术1.刀具的磨损形式和原因分析:刀具磨损包括刃磨、破损、黏着、烧蚀等,需要通过刀具检测和分析找出磨损原因。
2.刃磨技术和刃磨设备的使用:刀具刃磨技术是延长刀具寿命和提高加工质量的重要手段,需要掌握合理的刃磨方法和刃磨设备的使用。
七、安全操作和维护1.安全操作规范:使用金属切削机床时,需掌握安全操作规程,如佩戴防护装置、规范操作、定期检查设备等。
金属切削机床总复习一、填空题1、机床运动分析过程中认识和分析机床的基本方法是:表面-运动-传动-机构-调整;2、任何表面都可看作是一条母线沿着另一条导线运动的轨迹;3、机床的运动主要包括表面成形运动、辅助运动、主运动和进给运动;4、CA6140型卧式车床的进给变速机构包括:基本组、增倍组和移换机构;其中:增倍组可实现螺纹导程标准中的倍数关系;5、磨床主要应用于零件精加工,尤其是淬硬钢件和高硬度特殊材料的半精加工;6、万能外圆磨床的基本磨削方法有:纵向磨削法和切入磨削法两钟;7、设齿轮螺旋角为β,滚刀螺旋升角为ω,滚刀安装角为δ,则滚齿机滚切直齿轮时,δ=ω,滚切斜齿轮时;滚刀与齿轮旋向相同,则δ=β-ω;滚刀与齿轮旋向相反,则δ=β+ω;8、数控机床的数控装置通常由输入装置、运算器、输出装置和控制器组成;9、数控机床的侍服系统分为:开环、闭环和半闭环三大类;二、选择题1、CA6140型卧式车床溜板箱由①双向牙嵌式离合器M6,②双向牙嵌式离合器M7,③纵向机动进给操纵机构,④纵向手动进给操纵机构,⑤横向机动进给操纵机构,⑥横向手动进给操纵机构,⑦快速移动操纵机构;⑧开合螺母机构,⑨互锁机构,⑩超越离合器,⑾安全离合器等部分组成:请根据下列不同情况分别选择合适的部分填入相应空格内;a、车削轴向尺寸较长、径向尺寸较小的外圆锥面时,参与工作的部分有(①、③、⑨、⑾)b、自动走刀车削外圆柱面时,参与工作的部分有(①、⑤、⑨、⑾)c、车削螺纹时,参与工作的部分有(⑥、⑧、⑨、⑾)d、刀具作纵向移动时,参与工作的部分有(④或③、⑦与⑩)e、刀具作横向移动时,参与工作的机构有(⑥或⑤、⑦、⑩)2、车削螺纹时,主轴反转转速比正转转速高是为了:( a )a、节省辅助时间b、不发生“乱扣”现象c、主轴的反转与正转不是一个传动链;3、CK3263B型数控车床车削螺纹时,不产生“乱扣”现象的原因是:( b )a、主轴反转转速比正转转速高b、脉冲发生器发出同步脉冲信号c、侍服电机能无级调速;4、内圆磨床磨削砂轮的转速高于外圆磨床磨削砂轮的转速,其原因是:( a )a、加工孔径小,为了有利磨削线速度的需要;b、内圆磨床主轴的旋转精度高、稳定性好;c、内孔的磨削比外圆的磨削困难;三、名词解释1、可逆表面与不可逆表面母线与导线可以互换的表面称可逆表面,母线与导线不可以互换的表面称不可逆表面。
1切削加工的定义是使用切削工具从毛坯上切除多余的材料,从而获得具有一定[]、[]和[的零件。
形状,精度,表面质量2切削加工:使用切削工具从毛坯上切除多余的材料,从而获得具有一定形状、精度和表面质量的零件。
3实现切削过程必须具备的三个条件是刀具与工件之间具有[]、刀具具有一定的[]、刀具材料具备[]0相对运动,几何形状,切削性能4简述实现切削加工必备的三个条件。
答:1)刀具与工件之间的相对运动;2)刀具具有一定的空间几何形状;3)满足切削需要的刀具材料性能。
5切削运动包括[]和[]主运动,进给运动6简述主运动和进给运动的特征。
答:主运动特点:速度最高、消耗功率最大、回转或直线运动、连续或往复运动、只有一个;进给运动特点:速度低、消耗功率小、回转或直线运动、连续或间歇运动、可能不止一个(拉削无)7主运动:使工件与刀具产生相对运动以进行切削的最基本运动称为主运动。
8切削加工中工件上存在的三个表面是[]、[]、[]。
待加工表面,已加工表面,过渡表面9在图中标出待加工表面、过度表面和已加工表面。
10在图中标出待加工表面、过度表面和已加工表面。
12在图中标出切削速度V、进给量f、背吃刀量ap。
13刀具由[]部分和[]部分组成。
切削,装夹14在图中标出前刀面、后刀面、副后刀面、主切削刃、副切削刃、过渡刃。
15标注角度:标注角度是图纸上标注的角度是刃磨角度是静态角度。
16标注参考系是用来定义刀具[]角度的参考系,以刀具结构为基础,建立在刀具假定[]和假定[]基础上;工作参考系是用来定义刀具[]角度的参考系,建立在刀具[安装位置和[]切削运动基础上。
标注,安装位置,切削运动,工作,实际,实际17车刀标注参考系的假定条件是进给运动只考虑[],不考虑大小(即不考虑合成切削运动)、刀刃上选定点与[]等高刀杆与工件轴线[]。
方向,工件中心,垂直18简述车刀标注参考系的假定条件答:进给运动只考虑方向,不考虑大小(即不考虑合成切削运动);刀刃上选定点与工件中心等高;刀杆垂直工件轴线。
金属切削机床复习要点绪论说出型号为CA6140,T6112,Y3150E,B2021A,XK5040,Z3040的机床的名称和主参数(各组字母和数字表达的意思)。
例如:Z3040Z─钻床类,3─摇臂钻床,30─摇臂钻床系,40─最大钻孔直径;B2021A B─刨床类,20─龙门刨床系,21─最大刨削宽度的1/10,A─第一次重大改进。
XK5040 X─铣床类,K─数控,5─立式升降台铣床,50─立式升降台铣床系,40─工作台宽度的1/10。
第一章机床运动分析一工件表面形状机床的切削加工过程就是刀具和工件按一定规律作相对运动,刀具的切削刃切除毛坯上多余的金属,获得具有一定几何形状、尺寸精度和表面质量的零件。
机械零件的形状多种多样,但构成零件内外表面的基本元素只有:平面,圆柱面,圆锥面,螺旋面和成形表面五种.二这些表面基本原素是如何形成的呢?它们是由一条线(母线)沿着另一条线(导线)运动而形成的轨迹, 这些形状的表面均属于“线性表面”,母线和导线统称为“发生线”。
工件表面的形成方法* 平面:由直线(母线)沿着直线(导线)运动而形成。
* 圆柱面和圆锥面:由直线(母线)沿着圆(导线)运动而形成。
* 圆柱螺旋面:由“∧”形线(母线)沿着螺旋线( 导线)运动而形成。
* 直齿圆柱齿轮的渐开线齿廓表面:由渐开线 (母线)沿着直线(导线)运动而形成。
三机床的运动当使用金属切削机床切削工件时, 工件与刀具间的相对运动,按运动性质可分为直线运动(用A表示)和旋转运动(用B表示);按机床运动的作用可分为以下六种运动:㈠成形运动:使工件获得要求表面形状的运动,是刀具和工件为了形成表面发生线而作的相对运动.是机床最基本的运动.其运动的轨迹,数目,行程和方向决定了机床传动形式和具体结构,从而需要不同类型的机床.* 简单成形运动—由单独的直线运动或单独的旋转运动构成的,独立的成形运动.*复合成形运动—由两个或两个以上的单元运动(直线或旋转),按照一定的运动关系组合而成并互相依存的成形运动.成形运动按在切削加工中的作用分为主运动和进给运动.* 主运动——切除工件上需切去的多余的材料,使其变为切屑的运动.其速度高,消耗功率较大.任何机床都必须具备主运动,一般只有一个主运动.* 进给运动——配合主运动,将多余的材料切除,使工件逐渐获得要求形状,几何尺寸和表面质量的成形表面的运动.一台机床的进给运动可能是一个或几个,也可能没有(如拉床)可能是简单成形运动,也可能是复合成形运动.㈡切入运动:配合成形运动,使工件表面逐步获得所需尺寸的运动.㈢分度运动㈣辅助运动㈤操纵及控制运动㈥校正运动四机床的传动联系与传动原理图1 机床传动的组成任何机床都有以下三个基本部分组成:* 运动源为执行件提供运动和动力的装置.* 传动装置(传动件) 传递运动和动力的装置,它将执行件和运动源二者联系起来,将运动源的动力传递给执行件,使获得具有一定速度和一定方向及一定的相对关系的运动.* 执行件如主轴,刀架,工作台等,其任务是装夹刀具或工件,使它们按一定的轨迹作精确的直线运动或旋转运动的部件.2 机床的传动联系和传动链* 传动联系机床为了获得所要求的运动,需要借助一系列的传动件将执行件与动力源(如主轴与电动机),或将执行件与执行件(如主轴与刀架)联系起来,这种联系称为传动联系.* 传动链指构成一个传动联系的一系列按一定顺序排列的传动件.* 在传动链中一般包含两类传动机构:定比传动机构和换置机构* 按传动联系的性质,传动链可分为:外联系传动链和内联系传动链3 传动原理图为了便于研究机床的传动联系,常使用一些简单的符号用图形来表示运动源与执行件,执行件与执行件之间的传动联系,这种图形就叫传动原理图.4 机床的传动系统与运动的调整和计算机床传动系统图表示机床全部运动传动关系的示意图,分析机床传动系统图的步骤:* 确定传动链的两端件,即始端件和末端件.* 计算两端件之间的位移(指内联传动中单位时间二者的相对位移量).* 写出传动链的传动路线表达式.* 列出运动平衡式.思考题:1.如何根据传动系统图正确地写出传动链的传动路线表达式?2.如何根据传动链的传动路线表达式正确地计算出执行件有多少级转速?3.如何根据传动链的传动路线表达式正确地计算出执行件的最高转速和最低转速?自测题1:下面为CA6140的正转中、低速主运动传动链的传动路线表达式。
《金属切削机床与数控机床》总复习1.数控铣床与普通铣床相比,在结构上差别最大的部件是进给传动2.机床的主要参数包括:尺寸参数、运动参数和动力参数。
3.刀具远离工件的运动方向为坐标轴的正方向。
4.开环伺服系统的主要特征是系统内(没有)位置检测反馈装置。
5.机床的动态精度是在重力、夹紧力、切削力、各种激振力和升温作用下机床的精度。
6.静压导轨属于纯液体摩擦7.齿轮与传动轴联接形式有(1)空套 (2)滑移 (3)固定.8. 车削加工时,工件的旋转是主运动9. 采用数控机床加工的零件最好是中小批、形状复杂的零件10.数控机床如长期不用,最重要的日常维护工作是通电11.机床型号的首位字母“Y”表示该机床是齿轮加工机床12.在机床传动系统中,在转速较高,开合频繁的传动链中应采用多片式摩檫离合器,要求保持严格传动关系的传动中应采用啮合离合器,能够实现快慢自动转换的是超越离合器.13.刀具补偿包括刀具的长度补偿与半径补偿。
14传动链是通过两端体和传动元件按一定的规律所组成的。
15.CA6140车床可车削米制螺纹,模数螺纹,英制螺纹,径节螺纹四种标准的常用螺纹。
16.数控机床中常用的回转工作台有数控回转工作台和分度工作台两种。
17.分度方法有:直接分度法、简单分度法和差动分度法三种。
18、CA6140中的40表示床身最大回转直径为400mm19、主轴转速分布图不是能表达传动路线、传动比、传动件布置位置以及主轴变速范围20、自动机床不是只用于大批大量生产,普通机床只能用于单件小批量生产21、组合机床是由多数通用部件和少数专用部件组成的高效专用机床22、C1312单轴六角自动车床,分配转一转,加工一个工件23、滚齿机不能够进行各种内外直齿圆柱齿轮的加工.24、数控机床工作中,当发生任何异常现象需紧急处理时应启动急停功能。
25、选择数控机床应围绕本企业的实际需要,尽可能做到不闲置、不浪费。
26.提高导轨耐磨性的措施有1)合理选择材料和热处理2)改变导轨摩擦性质3)采用合理的导轨表面粗糙度和加工方法4)采用可靠的润滑和防护措施27提高传动精度的途径有:1尽可能地缩短传动链2合理的选择传动副及其精度3合理的分配传动的传动比4采用误差校正装置28.提高导轨耐磨性的措施有1)合理选择材料和热处理2)改变导轨摩擦性质3)采用合理的导轨表面粗糙度和加工方法4)采用可靠的润滑和防护措施29.常用的双螺母消除轴向间隙的结构形式有1)垫片调隙式结构简单、可靠,装卸方便但不能随意调整2)螺纹调隙式一个螺母调间隙,另一个螺母把它锁紧3)齿差调隙式凸缘有圆柱齿轮,两者齿数相差一个齿30.试分析机床的静态精度和动态精度的关系:机床的几何精度、传动精度和定位精度通常是在没有切削载荷及机床不运动或运动速度较低的情况下检测的,故称为机床的静态精度,主要决定于机床上主要零部件的制造精度和它们的装配精度。
一、uo判断题1、CA6140中的40表示床身最大回转直径为400mm T2、机床加工某一具体表面时,至少有一个主运动和一个进给运动 F3、M1432A型万能外圆磨床只能加工外圆柱面,不能加工内孔. F4、滚齿机能够进行各种内外直齿圆柱齿轮的加工. F5、CA6140型车床加工螺纹时,应严格保证主轴旋转刀具移动一个被加工螺纹的导程. T6.为方便运动中变速,常用啮合式离合器变速组 F7.机床按照加工方式及其用途不同共分为十二大类 T8、CA6140中的40表示床身最大回转直径为400mm T9.在CA6140型车床上主要为了①提高车削螺纹传动链的传动精度;②减小螺纹传动链中丝杠螺母副的磨损以长期保持其传动精度,所以车削螺纹与机动进给分别采用丝杠和光杠传动; T10.拉孔的进给运动是靠刀齿齿升量来实现的; T11.机床加工的共性是:把刀具和工件安装在机床上,由机床产生刀具与工件间的相对运动,从而切削出合乎要求的零件; T12.车床上可以加工螺纹,钻孔,圆锥体; T13.磨削加工切削刃不规则,加工质量高; T14.主轴部件是机床的执行件; F15.切削加工中,主运动是速度较低,消耗功率较小的运动; F16.车床的主轴箱是主轴的进给机构; F17.车床是做直线进给运动的车刀对作旋转主运动的工件进行切削加工的机床; T18.C6140型机床是最大工件回转直径为140mm的普通车床; F19.CA6140型车床溜板箱中的开合螺母的功用是在刀架过载时能自动停止进给;F20.在CA6140型车床上车削螺纹与机动进给分别采用丝杠和光杠传动;主要为了提高车削螺纹传动链的传动精度; T21.磨床既能作为精加工机床,也能作为粗加工机床; T22.M1432A万能外圆磨床的内圆磨具主轴轴承间隙由螺母进行调整;F23.滚齿机能够进行双联直齿圆柱齿轮的加工以提高效率;F24.加工螺纹时应严格保证主轴一转刀具进给一个螺距; F25.为方便运动中变速,常用摩擦式离合器变速组; F26.为了提高运动件低速运动的平稳住,一般可采用减小导轨副摩擦面动静摩擦系数之差和提高传动系统刚度的措施; T 27.主轴前的旋转精度对主轴旋转精度的影响大于后轴承; T28. CA6140型车床溜板箱中的快速电动机可以随意正反转; F29.机床进行切削加工时,至少有一个主运动和一个进给运动; F30.磨床既能作为精加工机床,也能作为粗加工机床; T31.M1432A万能外圆磨床的内圆磨具主轴轴承间隙由螺母进行调整;F32.滚齿机能够进行双联直齿圆柱齿轮的加工以提高效率; F33.加工螺纹时应严格保证主轴一转刀具进给一个螺距; F34.为方便运动中变速,常用摩擦式离合器变速组; F35.主轴前的旋转精度对主轴旋转精度的影响大于后轴承; T36.为使传动平稳,离合器变速组采用斜齿轮传动副;T37.滚齿机不能加工蜗轮; F38.带传动传动平稳常用于内联传动链中; F二.填空题1.Z3040型摇臂钻床型号的含义:Z表示_钻床___30表示_摇臂钻床___40表示__最大钻孔直径为40mm___.2.在机床传动系统中,在转速较高,开合频繁的传动链中应采用__多片式摩擦__离全器,要求保持严格传动关系的传动中应采用___啮合__离合器,能够实现快慢自动转换的是__超越__离合器.3.齿轮与传动轴联接形式有1__空套___2__滑移_ 3 __固定___.4.传动链是通过___两端体_和_传动元件___按一定的规律所组成的;车床可车削__米制螺纹_,_模数螺纹___, _英制螺纹_,_径节螺纹_四种标准的常用螺纹;6.CA6140型车床型号的含义:C表示_车床_A表示_结构不同__61表示___卧式车床__40表示_床身最大回转直径为400mm__;7.万能外圆磨床基本的磨削方法:__纵向磨削法_和_切入磨削法_;8.CA6140车床为了避免光杆和快速电机同时传动给某一轴,应采用_超越_离合器;进给过程中为了避免进给力太大或刀架受阻碍而损坏传动机构,应设有__安全_离合器;9.CA6140车床车螺纹传动链属于__内__联系,车圆柱面和端面传动链属于___外___联系;10.CA6140主轴正转共有___24__种转速,其中低速有__18__种;11.齿轮加工方法采用金属切削的方式有___成形法__和_展成法__;12.金属切削机床是一种用切削方法加工金属零件的工作机械,它是制造机器的机器,因此又称为工作母机或工具机;13.按照机床工艺范围宽窄,可分为通用机床万能、专门化机床和专用机床三类;14.所有机床都必须通过刀具和工件之间的相对运动来形成一定形状,尺寸和质量的表面;15.有些表面其母线和导线可以互换,如圆柱,称为可逆表面;16.CA6140型普通车床的主参数是床身上最大回转直径为400mm ;17.采用卸荷式皮带轮,其作用是将皮带的张力径向力卸除到箱体,而将力矩传递给皮带轮轴;三、选择题1、在外圆磨床上加工圆柱形工件时,应当采用 D 方法;A、死顶尖夹持工件,用夹头带动转动;B、顶尖夹持工件,用头架主轴带动转动;C、卡盘夹持工件,用头架主轴带动转动;D、卡盘和尾座顶尖夹持工件,用夹头带动转动;2、M1432A万能外圆磨床的砂轮主轴轴承采用了 C ;A、双列短圆柱滚子轴承B、高精度球轴承C、短三瓦动压滑动轴承D、精密圆锥滚子轴承4、按照CA6140车床的设计,在车床上用纵向丝杠带动溜板箱及刀架的移动,仅用于进行 B 的车削;A、外圆柱面B、螺纹C、内圆柱面D、圆锥面5、下列说法中不正确的是 CA、万能外圆磨床,可以磨削内圆柱面B、外圆磨床的主参数是最大磨削直径C、万能外圆磨床不能磨削内圆柱面D、内圆磨床的主参数是最大磨削孔径6.根据我国机床型号编制方法,最大磨削直径为①320毫米、经过第一次重大改进的高精度万能外圆磨床的型号为AA.MG1432A B.M1432A C.MG432 D.MA14327.在Y3150E型滚齿机上滚切直齿圆柱齿轮时, A 是表面成形运动;A.滚刀、工件的旋转以及滚刀沿工件轴线方向的移动B.滚刀、工件的旋转以及滚刀沿工件切线方向的移动C.滚刀、工件的旋转以及滚刀沿工件径向方向的移动D.滚刀和工件的旋转运动8.关于英制螺纹,下列C 种说法不正确;A.英制螺纹的螺距参数是每英寸牙数B.英制螺纹的导程按近似于调和数列的规律排列C.英制螺纹的导程换算成以毫米表示时,应乘以毫米D.在CA6140型车床上车英制螺纹时,进给箱中的传动路线与车削公制螺纹时不同9.下列 B 滚动轴承的轴向承载能力最大;A、圆锥滚子B、推力球C、向心推力球D、向心短圆柱滚子10.一般滚动摩擦系数比滑动摩擦系数小,所以,万能外圆磨床横向进给导轨常采用滚动导轨,其主要原因是 CA.提高传动效率 B.提高送给速度 C.降低摩擦功率损耗 D.保证进给精度11.CA6140型车床主轴箱采用了 D 的方法;A.溅油润滑 B.搅油润滑 C.脂润滑 D.油泵供油循环润滑12.普通车床主轴前端的锥孔为C锥度;A.米制B.英制C.莫氏D.公制13.下列哪种机床属于专门化机床: BA.卧式车床B.凸轮轴车床C. 万能外圆磨床D.摇臂钻床14.下列各表面不属于可逆表面的是: CA.圆柱面B.平面C.螺旋面D.直齿圆柱齿轮15.下列不属于机床在加工过程中完成的辅助运动的是 DA.切入运动B.分度运动C.调位运动D.成形运动16.下列不属于机床执行件的是 CA.主轴B.刀架C.步进电机D.工作台17.下列对CM7132描述正确的是 CA.卧式精密车床,床身最大回转直径为320mmB.落底精密车床,床身最大回转直径为320mmC.仿形精密车床,床身最大回转直径为320mmD.卡盘精密车床,床身最大回转直径为320mm18.在CA6140普通车床上,车削螺纹和机动进给分别采用丝杠和光杠传动其目的是DA.提高车削螺纹传动链传动精度 B.减少车削螺纹传动链中丝杠螺母副的磨损C.提高传动效率 D. A、B、C之和19.CA6140型普通车床上采用 A 进给箱;A.双轴滑移齿轮式 B.三轴滑移齿轮式 C.塔轮式 D.交换齿轮式20.关于配换齿轮应满足的条件,下列A说法是不确切的;A.齿轮齿数应符合机床备有的配换齿轮齿数B.应符合挂轮架结构上的要求,以保证各齿轮能够合理地安装在挂轮架上C.对于内联系传动键的配换齿轮,应保证其传动比误差在允许范围内D.为保证传动平衡可采用斜齿配换齿轮21.在双联滑移齿轮变速传动系统结构中,只有当一对处于啮合的齿轮完全脱开后,另一对齿轮才开始进入啮合;所以设计两固定齿轮之间的距离时应A双联滑移齿轮的宽度;A.大于 B.等于 C.小于 D.小于等于22.车削加工时,工件的旋转是 AA.主运动 B.进给运动 C 辅助运动 D.连续运动23.机床型号的首位字母“Y”表示该机床是BA.水压机 B.齿轮加工机床 C.压力机 D.螺纹加工机床四.简答题1.能否在CA6140车床上,用车大导程螺纹传动链车削较精密的非标螺纹答:不能,因为加工较精密螺纹在CA6140车床上采用的措施就是缩短传动链、而车大导程螺线长,传动件的累积误差大,所以不能用车大导程螺纹传动链车削较精密的非标螺纹;2.M1432万能外圆磨床提高横向进给精度的措施是什么错误!设置闸缸错误!采用滚动导轨,设有缓冲装置,以减少定位时的冲击和防止振动错误!采用定程磨削和微量调整增大丝杆直径,提高传动系统的刚度3.根据CA6140的主轴传动系统图写出主轴低速正转的低速或反转传动路线表达式;P30主轴电机 130/230-I-{M左-…… }-VI主轴14.分析滚齿机在加工直齿圆柱齿轮时的机床的运动,并附图加以说明;答:用滚刀加工直齿圆柱齿轮必须具有以下两个运动;一、是形成渐开线母线所需的展成运动;二、是为形成导线所需的滚刀沿工件轴线的移动;图如P134. 5.分析滚齿机用加工斜齿圆柱齿轮时的机床的运动,并附图加以说明;四种可能答:用滚刀加工斜齿圆柱齿轮时必须具有以下两个运动;一个是产生渐开线母线的展成运动,这个运动可以分解为两部分,即滚刀旋转和工件齿坯旋转;另一个是产生螺旋线导线的成形运动,这个运动可以分解为两部分,即刀架滚刀的直线移动和工件的附加转动.图如P136-P1376.试说明何谓外联系传动链何谓内联系传动链其本质区别是什么对这两种传动链有何不同要求答:外联系传动链是联系运动源和执行件,使执行件获得一定的速度和方向的传动链; 内联系传动链是联系复合运动内部两个单元运动,或者联系实现复合运动内部两个单元运动的执行件的传动链;两者的本质区别在于,其运动是由单个或多个运动组成外联系传动链,该联系是整个复合运动与外部运动源,它只决定成形运动的速度和方向对加工表面的形状没有直接影响,而由于内联系传动链联系的是复合运动,内部必须保证严格的运动联系的两个单元运动,它决定着复合运动的轨迹,其传动比是否准确以及其确定的两个单元的相对运动是否正确会直接影响被加工表面的形状精度甚至无法成形为所需表面形状;7.卧式车床进给传动系统中,为何既有光杠又有丝杠来实现刀架的直线运动可否单独设置丝杆或光杆为什么答:光杠实现纵横向直线进给,丝杠在加工螺纹时实现刀架的进给,不能单独设置丝杠或光杠;设置光杠可保证丝杠的传动精度不被磨损8.溜板箱的功用是什么答:溜板箱的功用是将丝杠或光杠传来的旋转运动转变为直线运动并带动刀架进给,控制刀架运动的接通,断开和换向,机床过载时控制刀架自动停止进给9.精密卧式车床的特点有哪些答:①.提高机床的几何精度②.主传动链采用“分离传动”的形式,即把主轴箱和变速箱分开,把主传动的大部分传动和变速机构安放在远离主轴的单独变速箱中,再通过带传动将运动传至主轴箱③.主轴上的皮带轮采用卸荷式结构,以减少主轴的弯曲变形④.为减少加工表面粗糙度,有些卧+式精密车床的主轴前后均采用精度滑动轴承;10.说明CA6140型车床的卸荷皮带轮的工作原理径向力和力矩传递及其作用; 答:电动机经V带将运动传递至轴I左端的带轮2.带轮2与花键套1用螺钉连接成一体,支承在法兰3内的两个深沟球轴承上;法兰3固定在主轴箱体4上;这样,带轮2可以通过花键套1带动轴I旋转,而胶带的拉力则经轴承和法兰3传至主轴箱体4;轴I 的花键部分只传递扭矩,从而避免因胶带拉力而使轴I 产生弯曲变形;作用:使轴I 不受径向力的作用,减少弯曲变形,提高传动的平稳,改善主轴箱运动输入轴的工作条件;11.CA6140型车床主传动链中,能否用双向牙嵌式离合器或双向齿轮式离合器代替双向多片式摩擦离合器,实现主轴的开停及换向 在进给传动链中,能否用单向摩擦离合器或电磁离合器代替齿轮式离合器543M M M 、、为什么答:1、.不可以用双向牙嵌式离合器或双向齿轮式离合器替代双向多片式摩擦离合器;原因:电机通过带轮带动I 轴旋转,轴I 上的摩擦离合器左合,把扭矩传递到空套齿轮然后逐级传动到主轴,进给箱.而I 轴是高速旋转的,使用牙嵌式或齿轮式会导致齿面严重磨损甚至轮齿折断,因此,牙嵌式或齿轮式使用于低速大转矩旋转系统.2.、不可用摩擦式离合器取代内齿离合器.原因主要是半自动进给或车削各种螺纹时必须有严格的传动比,而且也是低速旋转,传递扭矩较大,摩擦离合器有短时相对滑动,而且不稳定;因此,摩擦离合器适用于转矩较小,没有传动比要求的系统中.12.滚齿机为什么要对刀架主轴做轴向调整串刀答:1.使滚刀的刀齿或齿槽对称于工件的轴线,以保证加工出的齿廓两侧对称; 2.使滚刀的磨损不致集中在局部长度上,而是沿全长均匀地磨损,以提高滚刀 使用寿命.13.M1432万能外圆磨床内圆磨具主轴轴承间隙如何调整答:8根均布的弹簧预紧和自动消除间隙.14.分析CA6140型车床主轴组件结构特点两支撑和三支撑两种形式两支撑 前支撑:双列短圆柱滚子轴承,承受径向力P5. 后支撑:600角接触双列推力球轴承,承受径向力和由后向前的轴向力P5, 推力球轴承P5承受由前向后的轴向力.(1)径向为两支承,支承结构较简单; 2因采用双列短圆柱滚子轴承、推力球轴承,具有较高的承载能力和刚度, 但只能适应中低转速; 3轴向定位在后端,主轴热变形向前伸长,对加工精度的影响较大; 4主轴前端采用短锥法兰结构,主轴的悬伸长度短,定心精度高,联接刚 度好,装卸方便;但加工精度要求高; 5油沟式非接触密封,摩擦阻力小; 6大齿轮靠前安装,减少主轴的变形,有利于提高主轴旋转的稳定性;三支撑前支承:双列短圆柱滚子轴承D3182121承受径向力P5 600角接触双列推力球轴承D2268121 承受轴向力. 后支承:双列短圆柱滚子轴承E3182115承受径向力P6 中间支承:单列向心短圆柱滚子轴承E32216(1)径向支撑为三支撑,结构较复杂 2 前支撑采用双列短圆柱滚子轴承、角接触轴承,具有较高的刚度和承载能力,旋转精度高 3前端定位,主轴受热向后伸长,保证轴向窜动精度 4主轴前端采用短锥法兰结构,主轴的悬伸长度短,定心精度高,联接刚度好,装卸方便;但加工精度要求高; 5油沟式密封,摩擦阻力小;五、分析计算题15分1附图所示为机床的主传动系统图1、写出传动路线表达式;2、计算主轴正转的转速级数;3、计算主轴正转的最低和最高转速;答案1中M2 左M2 右互换,M1后变为M2左-61/37 M2右-17/81 2 中3x2+2=123 数据根据1重新计算传动路线表达式:(2)如图利用下图的传动系统,加工L=3 按图所示传动系统,试计算:1、轴A的转速r/min;2、轴A转1转时,轴B转过的转数;3、轴B转1转时,螺母C移动的距离;4按图所示传动系统作下列各题:1、写出传动路线表达式;2、分析主轴的转速级数;3、计算主轴的最高最低转速;注:图中M为齿轮式离合器15按教材图4-13写出YC3180主运动、范成运动、垂直进给、附加运动传动链传动路线表达式、运动平衡式和挂轮换置公式;。
为什么卧式车床溜板箱中要设置互锁机构?丝杠传动与纵向、横向机动进给能否同时接通?纵向和横向机动进给之间是否需要互锁?为什么?答:若操作错误同时将丝杠传动和纵横向机动给接通,则将损坏机床。
为了防止发生,溜板箱中设置互锁机构,以保证开合螺母合上时机动进给不能接通,反之机动进给接通时开合螺母不能合上,故丝杠传动与纵横向机动进给不能接通,纵横向机动进给不需互锁是由手柄控制纵向机动进给时横向机动进给的离合器是脱开、不能传递动力,也就不能横向进给,当横向机动进给时控制纵向传动离合器是脱开,不能纵向机动进给。
为什么中型万能外圆磨床的尾架顶尖通常采用弹簧预紧?而卧式车床则采用丝杠螺母预紧?答:中小型外圆磨床的尾座,一般都用弹簧力预紧,以便磨削过程中工件因热胀而伸长时,可自动进行补偿,避免引起工件弯曲变形和顶尖过分磨损。
卧式车床则采用丝杠螺母作纵向调整移动,然后夹紧在所需要的位置上,以适应加工不同长度工件的需要。
超越离合器的作用作用是实现同一轴运动的快慢速自动转换什么是超越离合器它是用于原动机和工作机之间或机器内部主动轴与从动轴之间动力传递与分离功能的重要部件。
它是利用主、从动部分的速度变化或旋转方向的变换,具有自行离合功能的装置。
机床分为11大类:车床,钻床,镗床,磨床,齿轮加工机床Y,螺纹加工机床S,铣床,刨插床,拉床,锯床G和其他机床Q按通用分通用、专门化、专用CA6140A 、MKG1340、THM5650、TH6340/5L、CKM1112(73)滚珠丝杠的优点: 1、定位精度高2、传动效率高3、使用寿命高(磨损低)立式机床加工的零件和卧式机床的不同:立式加工直径和质量较大的工件,其高度一般小于直径。
立式机床装夹和找正方便,可以长期保证工作精度。
形成发生线的方法及所需运动:1.成形法它是利用成型刀具对工件进行加工的方法。
形成发生线不发生运动2.展成法它是利用工件和刀具做占城切削运动进行加工的方法。
形成发生线需要一个成形运动(展成运动)3.轨迹法它是利用刀具作一定规律的轨迹运动队工件进行加工的方法。
第一章绪论1、名词解释:金属切削机床:答:金属切削机床是用切削的方法将金属毛坯加工成机器零件的机器,也可以说是制造机器的机器,所以又称为“工作母机”或“工具机”,习惯上简称为机床。
2、为什么对机床分类?机床可分为哪些种类?答:金属切削机床的种类繁多,为了便于区别、使用和管理,有必要对机床进行分类。
①按机床的工作原理分类:目前将机床分为 11大类:车床、钻床、镗床、磨床、齿轮加工机床、螺纹加工机床、铣床、刨插床、拉床、锯床与其他机床②按机床的通用程度分类:③按机床的精度分类3、机床的加工生产模式经历了哪五个阶段?4、说明机床的含义Z3040×16/S2Z-类代号(钻床类);3-组代号(摇臂钻床组);0-系代号(摇臂钻床系);40-主参数(钻床最大钻孔直径为40mm);16-第二主参数(最大跨距为1600mm);S2-企业代号(XX第二中捷友谊厂)Z5625×4A/DH(大河机床厂生产的经过第一次重大改进,其最大钻孔直径为25mm的四周立式排钻床)②C6175(75-车身上最大工件回转直径为750mm的卧式车床)CA6140(40-床身上最大工件回转直径为400mm)CX5112A/WF(单柱立式车床最大车削直径为1250mm)CM6132(32-车身上最大工件回转直径是320mm)③MG1432A(32-最大磨削直径为320mm;A第一次较大的改进设计.)MM7140B (40-其工作台面宽度为400mm)MB8240(最大回转直径为400mm的半自动曲轴磨床;MB8240/1:根据加工需要,在此型号的基础上变换的第一种型式的半自动曲轴磨床)④XK5030(30-其工作台面宽度为300mm)⑤THM6350/JCS(由机床研究所生产,最大镗孔直径为500mm的精密卧式加工中心铣镗床)第二章机床的运动分析1、名词解释:①表面成形运动:机床上的刀具和工件,为了形成表面发生线而作的相对运动②简单的成形运动:执行件仅作旋转运动或直线运动的成形运动③复合运动:由两个或两个以上的旋转运动或直线运动按照某种确定的运动关系而组成的成形运动。
④主运动:切削工件上的被切削层,使之变为切屑的主要运动,又称切削运动。
特点是速度高,所消耗的动力大。
一个切削加工过程有且只有一个主运动。
⑤进给运动:不断地把切削层投入切削,以逐渐切出整个工件表面的运动。
特点是速度较低,所消耗的动力较少。
⑥内联系传动链:联系复合运动内部两个单元运动执行件的传动链。
⑦外联系传动链:联系动力源和执行件,使执行件获得一定速度和方向的运动的传动链。
一个简单的成形运动对应一个外联系传动链,且外联系传动链一定与电机相连。
(外联系传动链和内联系传动链的关系:有内联系传动链一定要有外联系传动链,有外联系传动链不一定要有内联系传动链。
一个复合成形运动,必须要有外联系传动链和至少一条内联系传动链)2、机床运动的五个主参数分别是机床上每一个独立的运动都需要五个参数来确定,这五个运动参数是:运动的轨迹;运动的速度;运动的方向;运动的起点;运动的行程。
3、机床必须具备的三个基本组成部分是什么?在机床上为实现加工过程所需的各种运动,必须具备以下三个基本组成部分:①动力源:实现机床上执行件运动的动力来源②执行件:它的任务是带动刀具或工件完成一定形式的运动,并保持准确地运动轨迹;③传动装置:将动源的运动和动力按要求传递给执行件或把一个执行件的运动和动力要求传递给另一个执行件的装置。
4、说明传动原理图和传动系统图的主要区别。
①系统图表示了机床的所有运动和传动关系,而原理图则主要则主要表示与表面成形有直接关系的运动与其传动关系;②系统图具体表现了传动链中各传动件的结构形式,而原理图仅用一些简单的符号表示。
5、非成形运动有哪些种类①分度运动:当在工件上加工若干个完全相同的均匀分布表面时,为使表面成形运动得以重复进行而由一个表面过渡到另一个表面所作的运动;②切入运动:使刀具切入工件从而保证工件保证工件被加工表面获得所需要尺寸的运动;③辅助运动:为切削加工创造条件的运动;④控制运动:接通或断开某个传动链,从而改变运动部件转速、速度或方向的运动;④校正运动:在精密的机床上,为了消除传动误差的运动。
第三章车床1、车床的用途:车床可以加工各种回转表面、成形表面和端面,有的车床还能车削螺纹表面。
2、车床种类:车床的种类很多,按其结构和用途的不同,主要有卧式车床、落地车床、立式车床、转塔仿形车床、仿形车床、多刀车床、单轴自动车床和多轴自动、半自动车床与各种专门化车床。
3、CA6140车床的传动系统有哪几条传动链?答:①主运动传动链:从主电动机到主轴的外联系传动链。
两执行件为电动机和主轴,它的作用是把电动机的动力和运动传给主轴,使主轴带动工件旋转,并满足主轴转速和换向的要求;②进给运动传动链:从主轴到刀架的传动链。
两执行件为主轴和刀架,它的作用是使刀架实现纵向或横向进给运动。
4、CA6140车床三箱中有哪些典型机构?答:①主轴箱(支撑并传递电动机的动力,实现主运动):双向多片式摩擦离合器与其操纵机构;变速操纵机构;②进给箱(改变被加工螺纹的导程或机动进给的进给量):基本变速组、增倍变速组、移换机构、丝杆和光杆的的转换机构机对他们进行控制的操纵机构;③溜板箱(使刀架实现纵向和横向进给、快速移动或车螺纹):超越离合器与过载保护机构;开合螺母机构;溜板箱中的操纵机构;互锁机构5、CA6140车床主轴的前后支承各采用什么轴承?答:主轴的前支承是P5级精度的NN3021K型双列圆柱滚子轴承;主轴的后支承是由一个P5级精度的角接触球轴承和一个P5级精度的推力球轴承组成。
6、CA6140车床可以车削哪些种类的螺纹?答:CA6140卧式车床可以车削公制、模数制、英制和径节制四种标准的螺纹,还可以车削加大螺距、非标准螺距与较精确螺距的螺纹。
它既可以车削左螺纹也可以车削右螺纹。
1、做题:分析CA6140机床的传动系统①主运动和进给运动的传动路线表达式;②主轴的转速级数、最高转速和最低转速;2、CA6140机床的工艺X围和布局第四章齿轮加工车床1、齿轮加工机床的类型有哪些?答:金属切削机床中,用来加工齿轮轮齿表面的机床,称为齿轮加工机床。
按被加工齿轮的种类,齿轮加工机床可分为:圆柱齿轮加工机床,如滚齿机、插齿机等;圆锥齿轮加工机床,如刨齿机、铣齿机等其他类型齿轮加工机床,如车齿机、拉齿机、研齿机、剃齿机、磨齿机、锥齿轮磨床等。
2、齿轮加工机床形成齿轮的方法有哪两大类?答:①成形法②X成法3、滚齿机上加工直齿圆柱齿轮需要哪些成形运动的和传动链?答:成形运动:①工件的旋转运动为X成运动;②滚刀的旋转运动为主运动;③滚刀沿工件轴线方向的移动为进给运动;传动链:①X成运动传动链;②主运动传动链;③轴线进给运动链4、滚齿机上加工斜齿圆柱齿轮需要哪些成形运动的和传动链?答:成形运动:①工件的旋转运动为X成运动;②滚刀的旋转运动为主运动;③滚刀沿工件轴线方向的移动为进给运动;④工件的附加回转运动;传动链:①X成运动传动链;②主运动传动链;③轴线进给运动链;④差动传动链;5、磨齿机中实现X成运动除借助X成传动链以外还广泛应用了什么机构?答:滚圆盘—钢带机构6、用展成法原理工作的磨齿机根据工作方式不同,可分成哪两种磨切方式?答:连续磨削和单齿分度磨削7、单齿分度磨齿机根据砂轮的形状不同可分为哪三种?答:蝶形砂轮型;大平面砂轮型;锥砂轮型。
它们的工作原理相同,都是利用齿条和齿轮的啮合原理来磨削齿轮的。
8、简述磨齿机的用途;试比较成形法磨齿与展成法磨齿的优缺点。
答:磨齿机常用来对齿面淬硬齿轮进行齿廓的精加工,但也有用来直接在齿坯上磨出齿轮的。
成形法磨齿的机床运动比较简单,但是应用较少;连续磨削的展成法磨齿由于是连续磨削,故在各类磨齿机中的生产率最高,但是砂轮修整成蜗杆较困难,且不易得到很高的精度。
分析Y3150型滚齿机的传动系统第五章其他机床1、铣床能加工哪些表面?铣削加工的特点是什么?答:采用各种不同的铣刀,可实现多种表面的加工,如平面、斜面、沟槽、成形表面、花键、齿轮轮齿、螺旋面、凸轮、T形槽、燕尾槽等特点:由于铣刀是一种多刃刀具,因此,在铣削过程中,每个刀刃的切削是不连续的。
每齿的切削厚度以与同时参加切削的齿数都是变化的这种情况极易产生振动。
2、万能外圆磨床的砂轮主轴和头架主轴是否能用齿轮传动?为什么。
答:不能。
因为万能外圆磨床磨削的尺寸精度高,齿轮传动有振动,不能满足精度要求,且齿轮传动有间隙,会加大零件的圆度误差。
3、无心外圆磨床为什么能把工件磨圆?为什么它的加工精度和生产率往往比外圆磨床高?答:由于工件的中心高于导轮与砂轮的连心线,支承工件的托板又有一定的斜度,这样使工件的回转中心变动的X围较小,且可以上下自动调节,使工件经过多次磨削,能逐渐的自行磨成圆形。
无心外圆磨床与外圆磨床的显著差别在与磨削方式不同:外圆磨床工作时,工件需用顶尖支承或用卡盘定心装夹,即以工件的轴心定位磨削工件,而无心磨床工作时,工件不用顶尖或卡盘支承和定心装夹,因此磨削时工件不用逐一装卸和对刀,缩短了辅助时间,易于实现自动化,提高了生产效率。
4、立式钻床和摇臂钻床各用于加工何类工件?为什么?答:立式钻床的特点是主轴垂直布置且轴心位置固定不动,加工时为使刀具旋转轴线与被加工孔的中心线重合,必须移动工件,因此这种机床只适合与加工中小型零件上的孔;摇臂钻床的摇臂可绕立柱轴转动,并可上下移动,能方便的调整刀具的位置,以对准所需加工孔的中心,因此这种机床可用于加工不易移动的大中型零件的孔。
5、卧式镗床和坐标镗床用于加工何种工序,比较两者的区别。
答:用于加工尺寸较大,精度要求较高,孔的轴心线之间有严格的同轴度、垂直度、平行度与孔间距精度等要求的数个尺寸不同的箱体类零件上的孔。
坐标镗床的精度要高于卧式镗床,坐标镗床主要用于加工精密的孔系,这些孔除了本身的精度高外,孔的中心距或孔至某基面的距离也非常精确,而卧式镗床用于加工一般零件。
6、卧式镗床能完成哪些运动?答:镗杆的旋转运动;平旋盘的旋转主运动;镗杆的轴向进给运动;主轴箱的垂直进给运动;工作台的纵向运动;工作台的横向进给运动;平旋盘上径向刀架进给运动;辅助运动7、牛头刨床、龙头刨床和立式刨床的主参数含义长度;宽度;最大拉力8、拉床有几种主运动,几种进给运动?答:拉床可加工通孔表面、平面与成形表面。
拉床的运动比较简单,只有拉刀的直线移动,即为主运动,而没有进给运动9、磨床的主要类型有哪些?答:所有用砂轮、砂带、油研磨剂等为工具对金属表面加工的机床,统称为磨床。
主要类型有:1)外圆磨床2)内圆磨床3)平面磨床4)导轨磨床5)工具磨床6)刀具刃具磨床7)各种专门化磨床8)精磨机床。