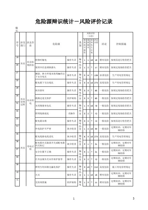
危险源辨识汇总表(仓储部
- 格式:docx
- 大小:25.94 KB
- 文档页数:9
最新物流仓储危险源辨识与风险评价表
1. 引言
该文档旨在帮助物流仓储行业从业者识别潜在的危险源,并进行风险评价。
通过及时掌握和评估潜在风险,可以采取相应的防范措施,保障物流仓储运营的安全和顺畅。
2. 危险源辨识
2.1 人员相关危险源
- 不合格的员工培训和缺乏安全意识
- 人员密集区域的安全隐患
- 各类紧急情况下的人员疏散问题
2.2 设备设施相关危险源
- 仓库设施老化和损坏
- 不合格的货架和堆垛设备
- 不符合安全标准的起重设备
2.3 物品相关危险源
- 危险品储存和管理不当
- 可燃物品和易爆物品的存放问题- 物品丢失、遗漏或混淆的风险
2.4 环境相关危险源
- 仓储场地的周边环境问题
- 不合理的温湿度控制
- 火灾、洪水等自然灾害的风险3. 风险评价
3.1 人员相关风险评价
- 自评等级:______
- 风险等级:______
- 风险控制措施:______
3.2 设备设施相关风险评价
- 自评等级:______
- 风险等级:______
- 风险控制措施:______ 3.3 物品相关风险评价
- 自评等级:______
- 风险等级:______
- 风险控制措施:______ 3.4 环境相关风险评价
- 自评等级:______
- 风险等级:______
- 风险控制措施:______
4. 结论
根据对物流仓储危险源的辨识和风险评价,应当采取相应的风险控制措施来降低潜在风险。
持续的监测和改进将确保物流仓储行业的安全和可持续发展。
仓储危险源辨识与风险评价表背景简介仓储企业是市场流通的生产和供应环节之一,具有重要的社会功能。
然而,在仓储企业的生产经营中,存在着多种危险源,例如火灾、爆炸、有毒、有害等。
如果危险源得不到及时识别和评估,就有可能导致重大事故及环境污染事件的发生,不仅会对企业造成财务损失,也会对周边居民和环境造成不可估量的影响。
因此,仓储企业必须做好危险源辨识和风险评价工作,及时排除隐患,确保安全生产,保护人民群众的生命财产安全。
仓储危险源辨识与风险评价表为了实现仓储危险源辨识和风险评价,我们可以使用风险评价表。
下面是一份简要的仓储危险源辨识与风险评价表:第一部分:基本信息1.企业名称:2.企业地址:3.企业联系人:4.联系电话:第二部分:危险源辨识1.仓库名称:2.存储物品:3.存储位置:4.危险源类型:(请在下面的选项中勾选)•火灾•爆炸•有毒化学品•有害化学品•其他5.危险源具体描述:第三部分:风险评价1.风险程度评估(请在下面的选项中勾选)•低风险•中等风险•高风险•极高风险2.风险控制措施建议:•提出针对该危险源的控制措施建议,包括管理、技术和物理措施等,确保风险降到最低。
第四部分:审核1.审核人:2.审核日期:注意事项1.风险评价表需要在每次存储货物前填写,以确保及时发现和排除危险源。
2.填写风险评价表时,应根据实际情况选择危险源类型和风险程度评估。
3.风险控制措施建议应该根据实际情况具体制定,确保实施可行。
结论在仓储企业的生产经营管理中,危险源辨识和风险评价具有重要的意义。
针对不同的危险源类型,我们需要制定相应的控制措施,在生产中及时检查和维护,确保安全生产。
通过使用风险评价表,能够帮助仓储企业及时发现和排除危险源,达到安全生产的目的,也能够保障人民群众的生命财产安全。
仓库危险源辨识评价表一、评价表的基本信息1.评价基本信息评价单位:评价对象: 仓储设施评价日期:评价人:2. 评价目的对仓库的危险源进行辨识,评价和分析,建立危险源防控措施,提高仓库的环境安全性能。
3.评价分类评价分类如下:(1)人员安全类(2)设备安全类(3)储存安全类(4)交通安全类4. 评价方法评价采用现场实地检查、资料收集方法,采用危险源辨识评价表进行评价。
二、评价表的具体内容1. 人员安全类危险源评价指标风险等级防控措施1.1 人员伤害员工人为因素造成人员伤害高培训员工安全意识和操作规程建立安全监管制度使用符合标准的个人防护用品1.2 跌落工作高处存在跌落危险中设置防护栏杆和网设备维护时使用扶梯和护栏1.3 火源使用明火和火源高禁止使用明火和火源使用电动设备定期检查电气设备2. 设备安全类危险源评价指标风险等级防控措施2.1 设备故障设备因自然因素造成损坏中定期维护设备年限更新及更换2.2 电器设备电气线路存在短路和漏电高设备电线材质符合标准电线连接牢固使用正品电器定期检查设备电器3. 储存安全类危险源评价指标风险等级防控措施3.1 氧化物氧化物、易燃液体、易燃气体存放不规范高分类存放使用不同类型的储存柜定期清理3.2 化学物品化学品中毒、爆炸威胁高采取安全措施工序采取科学储存使用安全性能高的化学品3.3 危险废物处理不当引起二次污染中设立专门的危废储存区进行分类储存、标识化装按规定时间处理4. 交通安全类危险源评价指标风险等级防控措施4.1 车辆物品运输车辆操作不当引发事故中安排专人负责安全运输定期检查车辆驾驶人员经过专业培训4.2 叉车叉车操作不当造成事故高对叉车驾驶人员进行培训和考核对叉车维修进行定期检查与维护使用符合标准的叉车4.3 地面场地积水、道路颠簸中定期检查场地积水情况进行场地维护三、评价总结通过以上对危险源的评价,得出以下结论:1. 针对人员安全类,需要加强员工安全意识培训,建立安全监管制度和使用符合标准的个人防护用品。
仓储企业危险源及风险辨识与评价表参考前言随着经济的快速发展和物流业的不断发展,仓储业也得到了广泛的关注。
但是在仓储过程中,由于操作快速、操作人员疏忽等因素,往往会产生重大的安全事故。
因此,对于仓储企业来说,危险源和风险的辨识与评价十分重要。
本文将介绍仓储企业中常见的危险源及其风险辨识与评价表参考,以帮助企业更好地进行安全措施。
仓储企业危险源及风险辨识危险源1.物理危险源:如电气设备、机械设备等。
2.化学危险源:如易燃、易爆、有毒、有害化学品等。
3.生物危险源:如细菌、病毒等。
4.人为危险源:如人为操作不当、疏忽等。
5.自然灾害危险源:如地震、洪水等。
风险辨识风险辨识是通过对危险源的认识,从而识别风险和确定危险程度的过程。
方法1.观察法:通过观察现场,察觉危险源和潜藏的危险。
2.问卷法:通过填写问卷等方式,了解危险源及其相关信息,了解可能的危险。
3.检验法:通过对设备、机器等进行检查,排除潜在的安全隐患。
4.危险源分析法:对可能出现的危险源进行分析,了解可能对安全造成的影响程度和可能性。
5.事故案例分析法:通过分析事故案例,了解可能产生的安全隐患和应对方法。
步骤1.识别/列出潜在的危险源;2.识别危险源特征(物理、化学、机械等);3.识别危险源概率(常出现、偶发或罕见);4.识别危险源影响程度(轻度、中度或严重);5.评估危险源的重要性(高、中或低);6.确定控制措施。
风险评价表参考对于辨识出来的危险源,需要进行风险评价。
下面是一份风险评价表的参考,供仓储企业参考使用。
危险源特征概率影响程度重要性控制措施物理危险源电气设备常出中度中定期检修、维护危险源特征概率影响程度重要性控制措施现化学危险源危险化学品偶发严重高严格操作规程生物危险源细菌、病毒罕见严重中室内消毒、通风人为危险源操作不当常出现中度中加强培训自然灾害危险源洪水偶发严重高设备置于高处、定期排查结语本文介绍了仓储企业中常见的危险源、风险辨识及评价表的参考。