数控机床-斯沃仿真实验报告
- 格式:doc
- 大小:587.50 KB
- 文档页数:13
数控加工仿真实验报告第一篇:数控加工仿真实验报告数控技术实验报告实验名称:数控加工仿真系统实验实验日期:2012-1-9一、实验目的1、学会运用计算机仿真技术,模拟数控车床、数控铣床完成零件加工的全过程;2、在宇龙数控仿真系统中进行加工仿真实验;3、为后续的“数控编程实训”,实地操作数控机床进行数控加工,积累和打下操作技能训练的基础。
二、实验基本要求1、熟悉并掌握FANUC 0i系统仿真软件面板操作过程;2、按给定车削零件图样,编制加工程序,在计算机上运用仿真软件,进行模拟加工;3、按给定铣削零件图样,编制加工程序,在计算机上运用仿真软件,进行模拟加工。
三、仿真实验设备1、待加工零件图纸参数2、宇龙数控仿真系统软件、操作电脑四、主要操作步骤第一部分:1、启动宇龙数控仿真系统软件,选择合适的机床类型,根据待加工图样定义毛胚零件,正确装夹毛胚零件并安放在机床。
2、选择合适的加工刀具。
3、激活机床。
检查急停按钮是否松开,若未松开,点击急停按钮,将其松开。
按下操作面板上的“启动”按钮,加载驱动,当“机床电机”和“伺服控制”指示灯亮,表示机床已被激活。
4、机床回参考点。
在回零指示状态下选择操作面板上的X轴,点击“+”按钮,使X轴回零,回零后相应操作面板上“X原点灯”的指示灯变亮,同时LCD上的X坐标变为“0.000”。
相应的调整机床依次使Y,Z轴回零。
机床回零结束后LCD显示的坐标值(XYZ:0.000,0.000,0.000),操作面板指示灯亮为回零状态。
机床运动部件(铣床主轴、车床刀架)返回到机床参考点。
5、对刀,实验中选用刚性芯棒进行对刀。
刚性芯棒采用检查塞尺松紧的方式对刀,同时将基准工具放置在零件的左侧(正面视图)对刀方式。
6、X轴方向对刀:点击机床操作面板中手动操作按钮,将机床切换到JOG状态,进(4)按LCD画面软键【操作】,再点击画面软键,再按画面【READ】对应软件;(5)在MDI键盘在输入域键入文件名:O1111;(6)点击[EXEC]对应软键,直接导入数控程序:O1111,并在LCD屏显示。
一、前言随着我国制造业的快速发展,数控技术逐渐成为现代制造业的核心技术之一。
为了提高我国制造业的竞争力,我国政府高度重视数控技术的普及与推广。
斯沃数控仿真软件作为一种先进的数控技术培训工具,在数控技术培训领域发挥着重要作用。
通过斯沃软件的实训,我对数控技术有了更加深入的了解,现将实训心得体会总结如下。
二、实训背景本次实训是在我国某知名数控技术培训中心进行的,实训时间为一个月。
实训期间,我们学习了斯沃数控仿真软件的基本操作、编程、加工工艺等方面的知识。
实训过程中,我们通过实际操作和模拟加工,掌握了数控加工的基本原理和操作技能。
三、实训内容1. 斯沃数控仿真软件的基本操作实训初期,我们学习了斯沃数控仿真软件的基本操作,包括软件界面、菜单、工具栏等。
通过学习,我们熟悉了软件的操作流程,为后续的学习奠定了基础。
2. 数控编程数控编程是数控加工的核心环节,实训过程中,我们学习了数控编程的基本原理和方法。
通过学习,我们掌握了G代码、M代码等编程指令,能够编写简单的数控程序。
3. 数控加工工艺数控加工工艺是数控加工的关键环节,实训过程中,我们学习了数控加工工艺的基本原理和方法。
通过学习,我们了解了数控加工工艺规程的编制,掌握了刀具、夹具、量具等工具的正确使用方法。
4. 数控加工仿真实训过程中,我们利用斯沃数控仿真软件进行了数控加工仿真实验。
通过仿真实验,我们直观地了解了数控加工过程,提高了对数控加工工艺的认识。
四、实训心得体会1. 理论与实践相结合斯沃数控仿真软件实训过程中,我们既学习了理论知识,又进行了实践操作。
通过理论与实践相结合,使我们对数控技术有了更加全面、深入的了解。
2. 提高动手能力实训过程中,我们通过实际操作和模拟加工,提高了自己的动手能力。
在实训过程中,我们学会了如何正确使用数控机床、刀具、夹具等工具,为今后的工作打下了坚实的基础。
3. 培养团队协作精神实训过程中,我们分为小组进行学习和操作,培养了我们的团队协作精神。
1、切削参数对切削温度的影响实验
实验包括实验真实曲线、前角-温度、切削速度-温度、主偏角-温度
工件材料对切削温度的影响,刀具前角对切削温度的影响,刀具主偏角对切削温度的影响
2、切削参数对切削力的影响实验
实验包括实验真实曲线、切削速度-切削力
工件材料对切削力的影响,切削速度对切削力的影响,进给量和切削深度对切削力的影响
3、切削参数对刀具耐用度的影响实验
实验包括实验真实曲线、背吃刀量-刀具耐用度、进给量-刀具耐用度、切削速度-刀具耐用度切削速度对刀具耐用度的影响,进给量对刀具耐用度的影响,背吃刀量对刀具耐用度的影响
4、切削参数设置不正确有实验指导提示。
6、可以根据主轴速度和进给率来进行模拟不同的参数实验。
7、每个实验都附有工件材料,刀具材料,刀具结构等文字说明。
8、每个实验都配有仪表显示。
实习报告:斯沃数控仿真软件实习体验一、实习背景及目的随着我国制造业的快速发展,数控技术在生产中的应用越来越广泛,对数控操作人才的需求也日益增加。
为了提高自己的数控操作技能,我利用业余时间参加了斯沃数控仿真软件实习。
本次实习旨在通过斯沃数控仿真软件的学习与操作,掌握数控车削、铣削等基本操作技能,提高自己在实际生产中的动手能力。
二、实习内容与过程1. 实习前的准备工作在实习开始前,我首先了解了斯沃数控仿真软件的基本功能和操作界面。
通过查阅资料,掌握了数控仿真软件的操作步骤,为实际操作打下了基础。
2. 实习过程(1)数控车削操作首先,我学习了数控车削的基本操作,包括工件装夹、刀具选择、编程坐标系的设定、对刀等。
通过仿真软件,我熟练掌握了FANUC、SINUMERIK、MITSUBISHI等常见数控系统的操作界面和编程方法。
在实际操作中,我模拟了轴类零件的加工过程,掌握了数控车削的精确加工技巧。
(2)数控铣削操作其次,我学习了数控铣削的操作方法。
通过仿真软件,我了解了铣削刀具的选择、铣削路径的规划等知识点。
在实际操作中,我以一款平面零件为例,进行了数控铣削模拟,掌握了铣削过程中的切削参数调整和刀具补偿技巧。
(3)加工中心操作此外,我还学习了加工中心的基本操作。
在仿真软件中,我熟悉了加工中心的结构和工作原理,掌握了刀具库的建立、加工参数的设置等操作。
通过实际操作,我以一款复合零件为对象,实现了加工中心的仿真加工,提高了自己的综合操作能力。
3. 实习成果通过实习,我掌握了斯沃数控仿真软件的基本操作,能够独立完成数控车削、铣削和加工中心的仿真操作。
在实际操作中,我熟悉了各种数控系统的操作界面,了解了编程坐标系的设定、对刀方法、刀具选择等关键技术。
同时,我还学会了加工过程中参数调整和刀具补偿技巧,为实际生产打下了基础。
三、实习总结通过斯沃数控仿真软件实习,我对数控技术有了更深入的了解,提高了自己的实际操作能力。
数控车削仿真实验报告c.了解如何更换材料,如何加入刀具,如何更换刀具等操作。
在加入刀具的时候,要选择刀具号,以便加工时换刀。
d.了解工件的对刀,程序的导入,程序的修改等各种操作。
四实验步骤: a.打开斯沃数控车削仿真软件,先开机(打开急停,按下启动键即可),消除警报,系统保护。
b.手动状态,移动坐标轴到工件附近,试切外圆一小段_向不动,z向退出,主轴停转,点击主菜单中的测量,测量已切表面的直径d后退出,先是_轴,然后是z轴。
观察刀具运动,和坐标点的变化。
此时,坐标值都是0.c.加入材料,加入刀具,并设置刀号。
d.确定工件坐标系。
用试切对刀,输入刀偏的方式。
快速靠近工件,然后用手摇的方法靠近工件,并切入一些。
然后保证_轴不变,改变z值,将刀具移出工件,用测量工具测量刚才所切一部分材料的直径,输入到刀偏中。
接着车端面,然后保证z轴值不变,把z=0输入到刀补中,完成刀补设置,即完成了工件坐标系的设置。
5.输入程序。
进入到程序输入接口。
EDECT--PROGRAM--程序号(如O0001)--INSERT--EOB(相当于分号)。
完成程序号的输入。
接着输入所需要的各段程序,每一段都要输入EOB,是每一段程序的结束符。
6.检查程序的对错。
在锁住运行下,加入材料,光标随程序一段一段运行,但刀具不动,检查程序的对错。
如果程序有错,则会报警,便于改正程序。
然后进入空运行,不加入材料,刀具移动,会看见刀具在切削虚拟的材料,观察刀具轨迹是否正确。
接着进入单段运行,点击一次,运行光标指向的一段程序,运行完后,自动停止,再点击才又按程序执行,以便观察每一条指令的正确。
最后是内存运行,即自动运行,加工出所需成品。
7.如果有需要保存所需的程序,则保存,然后退出仿真软件。
5)实验小结:这次数控车削仿真软件课程的学习,是又一次数控课程的学习。
结合原先学过的数控课程,还有数控实习,让我更加了解数控指令,数控操作等数控知识。
加深了解了斯沃数控车削仿真软件,了解西门子数控车床。
数控机床实习报告班级学号姓名指导老师:张伟民目录第一章斯沃数控仿真软件的使用 (1)一、对刀 (1)二、程序的调用 (7)第二章数控机床的程序编写 (12)一、编程 (12)二、数控机床加工工件 (17)第三章观看数控线切割加工工件 (20)第四章总结 (23)第二章斯沃数控仿真软件的使用一、对刀打开数控仿真软件后首先进行对刀操作:1.回机床原点点击使能键K1点击后使用+Z,+X回机床原点2.选择刀架位数点击机床操作,选择机床参数,选择四方刀架3.选择毛坯点击工件操作,设置毛坯,设置毛坯的直径和工件材料4.选择刀具点击机床操作,选择刀具管理,选择合适的道具拖动到一个刀位,点击转到加工位,点击确定。
5.手动对刀(1)点击二维显示(2)点击(3)点击使主轴正转(4)手动调节方向调节z轴方向,车一刀端面点击,选择参数刀具补偿点击,点击对刀点击轴+,计算,确认。
Z轴对刀完成。
(5)X轴对刀车一刀外圆退出,点击,使主轴停止。
点击开始工件测量。
测量出直径点击对刀,输入直径点击计算确认。
对刀完成。
二、程序的调用1.首先利用记事本编写程序,将记事本的文件名后缀改为.cnc2.在仿真软件内点击文件、打开,修改文件类型为NC程序文件,选择自己所要使用的文件。
3.观察轨迹4.题目要求已知零件尺寸如图1所示,材料为45号钢,编制该零件的粗加工以及精加工程序,并在斯沃数控仿真软件上实现,按照绝对坐标编程。
主轴转速:400r/min;进给速度:0.2mm/r。
5.点击,使机床自动运行程序6.附录程序:N010 M03 S500 T01 G00 X0 Z0; N020 G01 X28 F50;N030 Z-60;N040 Z0;N050 X26;N060 Z-29;N070 Z0;N080 X24;N090 Z-29;N0100 Z0;N1110 X22;N1120 Z-28;N130 Z0;N140 X20;N150 Z-26;N160 Z0;N170 X18;N180 Z-9;N190 Z0;N200 X16;N210 Z-8;N220 Z0;N230 X14;N240 Z-7;N250 Z0;N260 X12;N270 Z-6;N280 Z0;N290 X10;N300 Z-5;N310 Z0;N320 X8;N330 Z-4;N340 Z0;N350 X6;N360 Z-3;N370 Z0;N380 X4;N390 Z-2;N400 Z0;N410 X2;N420 Z-1;N430 Z0;N440 X0;N450 X20 Z-10;N460 G00 X100 Z50; N470 G00 X20 Z-26;N480 G02 X28 Z-30 I8 K0 F50; N490 G00 X100 Z60;N500 M02;第二章数控机床的程序编写一、编程1.题目一:已知零件尺寸如图1所示,材料为45号钢,毛坯直径尺寸为30mm 编制该零件的粗加工以及精加工程序,并在斯沃数控仿真软件上实现,按照绝对坐标编程。
机械制造工程系目录实验一:数控车软件的启动与基本操作03 实验二:数控车削加工对刀方法分析与操作04 实验三:数控车削加多刀车削加工对刀及操作09 实验四:刀具磨损补偿控制原理与方法分析与操作11 五、实验心得 13实验一:数控车软件的启动与基本操作1) 实验目的:了解斯沃数控车削仿真软件的启动与基本操作方法,通过软键的操作,熟悉数控车削加工的基本操作方法。
2) 实验设备:斯沃数控车削仿真软件3) 实验内容:通过软件掌握数控车的启动与基本操作,其中包括数控车面板上的各种按键的作用,主要有方式建、机床操作选择键、功能键、补正键、系统参数键、故障资料键及图形显示键、编辑程序键等构成。
4) 实验步骤:1、启动swanc6.3软件,单击运行。
2、按下系统启动键,系统启动。
3、按下急停按钮,消除警报。
4、在标准工具栏中使用各种图标,熟悉各种图标的作用,了解软件图标的用途。
5、进行机床面板上的各种操作,如回零,绝对坐标、相对坐标、综合坐标的显示操作,手动移动,手摇移动,主轴倍率的调节及MID运行方式等。
6、运用编辑程序键,练习程序的键入。
如insert键、alter键、delete键等。
(注意:打开保护锁)7、了解数控机床的四种运行方式:锁住运行、空运行、单段运行、存储器运行。
机床回零的作用:数控机床在开机之前,通常都要执行回零的操作,归根于机床断电后,就失去了对各坐标位置的记忆,其回零的目的在于让各坐标轴回到机床一固定点上,即机床的零点,也叫机床的参考点(MRP).回参考点操作是数控机床的重要功能之一,该功能是否正常,将直接影响零件的加工质量.数控机床安全规程的作用:它能提醒我们在操作机床时要注意的东西,而这些东西与我们的人身安全及机床的财产安全密切相关。
5) 实验小结:在本次实验中,使用斯沃软件的这种数控仿真形式行进练习,使我对机床的加工过程和机床的操作流程有了更深的理解。
在实践中学习到了课本上没有的东西。
数控机床的实习报告3篇数控机床的实习报告篇1一、实训目的要求1,、对各典型零件进行工艺分析及程序编制,能熟练掌握较复杂零件的编程.2,、对所操作的数控系统能熟练掌握,并能在数控机床上进行加工操作及调试.3.、能正确处理加工和操作中出现的相关问题.4、实训应在老师的知道下由学生独立完成,在实训中提倡独立思考、深入钻研、苦学巧干的学习态度,要严肃认真地完成实训任务,增强自己的实践动手能力.5、本实训也是针对数控机床操作工技能鉴定等级考试而进行的全面综合训练,其目的是为了使学生能顺利通过数控机床操作技能等级考试,是强化实践加工能力的重要措施.二、实训内容1,熟悉机床操作面板机床操作面板由crt显示器和操作键盘组成.其常用键的作用如下:a编辑方式的作用:新建程序、编辑程序、修改程序、输入程序、删除程序(编辑程序-程序-输入o__-zob键).b自动方式:运行程序对零件进行加工.c录入方式mdi:手动输入-程序键-翻页键-切换mdi界面.d机械回零:一般不能乱按的.e手轮按钮:按下后可以用手轮移动x,z轴的位置.f单端运行:运行单段程序.g急停按钮和复位键作用差不多2,对刀工件和刀具装夹完毕,驱动主轴旋转,移动刀架至工件试切一段外圆.然后保持x坐标不变移动z轴刀具离开工件,测量出该段外圆的直径.将其输入到相应的刀具参数中的刀长中,系统会自动用刀具当前x坐标减去试切出的那段外圆直径,即得到工件坐标系x原点的位置.再移动刀具试切工件一端端面,然后保持z轴不变移动x轴刀具远离工件,在相应刀具参数中的刀宽中输入z0,系统会自动将此时刀具的z坐标减去刚才输入的数值,即得工件坐标系z原点的位置.对螺纹刀时的方法和对外圆车刀的方法差不多,也先车个外圆向z轴方向退刀,量起外圆值输入刀具参数,对z轴时不需要车端面,只需先启动主轴,让刀尖接触端面再向x 轴向退刀,调出刀补输入z03,加工先根据图纸要求确定加工工艺,加工路线,编写程序,再将编好的程序输入数控cnc系统并仔细检查,确定无误后装夹工件,再对刀.对好刀后就可以调出程序,按下自动和运行按钮,关好防护门让机床自动加工.同时操作者不能离开机床,手拿专用工具去处理铁丝,如果机床出现什么异常马上按下急停按钮,预防损坏机床和对操作者造成伤害.三、实训心得时光如流水,四周时间转眼即逝,为期四周的实习给我的体会是:①通过这次实习我们了解了现代机械制造工业的生产方式和工艺过程.熟悉工程材料主要成形方法和主要机械加工方法及其所用主要设备的工作原理和典型结构、工夹量具的使用以及安全操作技术.了解机械制造工艺知识和新工艺、新技术、新设备在机械制造中的应用.②在工程材料主要成形加工方法和主要机械加工方法上,具有初步的独立操作技能.③在了解、熟悉和掌握一定的工程基础知识和操作技能过程中,培养、提高和加强了我们的工程实践能力、创新意识和创新能力.④这次实习,让我们明白做事要认真小心细致,不得有半点马虎.同时也培养了我们坚强不屈的本质,不到最后一秒决不放弃的毅力!⑤培养和锻炼了劳动观点、质量和经济观念,强化遵守劳动纪律、遵守安全技术规则和爱护国家财产的自觉性,提高了我们的整体综合素质.⑥在整个实习过程中,老师对我们的纪律要求非常严格,制订了学生实习守则,同时加强清理机床场地、遵守各工种的安全操作规程等要求,对学生的综合工程素质培养起到了较好的促进作用.很快我们就要步入社会,面临就业了,就业单位不会像老师那样点点滴滴细致入微地把要做的工作告诉我们,更多的是需要我们自己去观察、学习.不具备这项能力就难以胜任未来的挑战.随着科学的迅猛发展,新技术的广泛应用,会有很多领域是我们未曾接触过的,只有敢于去尝试才能有所突破,有所创新.就像我们接触到的车工,虽然它的危险性很大,但是要求每个同学都要去操作而且要作出成品,这样就锻炼了大家敢于尝试的勇气.四周的车工实习带给我们的,不全是我们所接触到的那些操作技能,也不仅仅是通过几项工种所要求我们锻炼的几种能力,更多的则需要我们每个人在实习结束后根据自己的情况去感悟,去反思,勤时自勉,有所收获,使这次实习达到了他的真正目的.数控机床的实习报告篇2摘要:数控机床是数字控制机床(Computer numerical control machine tools)的简称,是一种装有程序控制系统的自动化机床。
数控车床仿真实验实验目的:1、了解斯沃仿真软件的功能。
2、掌握FANUC0iT系统的操作方法。
3、掌握相关G功能指令的用法。
4、熟悉数控车床加工的过程。
5、熟练掌握数控车床仿真软件的对刀方法。
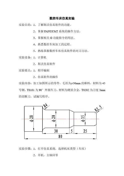
实验设备:1、计算机2、斯沃仿真软件实验要点:1、程序编制2、仿真软件的操作实验内容:加工如图所示的零件,毛坯为 30mm的棒料,材料为45号钢,T0101为90°外圆车刀,材料为硬质合金,T0202为刀宽3mm 的切断刀,试编写程序。
实验步骤:1、打开仿真系统,选择机床类型(车床)2、开机,主轴回零3、定义毛坯,选择刀具4、对刀,建立工件坐标系5、手动编程6、自动运行程序加工7、用软件自带的检测系统对加工结果进行检测程序如下:(1)加工外形轮廓:O0002;N010 G50 X100 Z50;N015 M03 S1000 T0101;N020 G00 X10 Z5;N025 G01 Z0 F0.1;N030 G03 X15 Z-2.5 R2.5;N035 G01 Z-25;N040 X20 W-5;N045 W-26;N050 G02 X28 W-4 R4;N055 G01 Z-80;N060 U5 W5;N065 G00 X100 Z50;N070 M05;N075 M30;(2)采用刀具半径补偿的方法加工轮廓,并将工件切断。
O0003;N010 G50 X100 Z50;N015 M03 S1000 T0101;N020 G00 X10 Z5;N025 G42 G01 Z0 T0101 F0.1;N030 G03 X15 Z-2.5 R2.5;N035 G01 Z-25;N040 X20 W-5;N045 W-26;N050 G02 X28 W-4 R4;N055 G01 Z-83;N060 G40 U5 W5;N065 G00 X100 Z50;N070 M03 S1000 T0202;N075 G00 X34 Z-83;N080 G01 X0 F0.05;N085 G00 X34;N090 X100 Z50;N095 M05;N100 M30;数控铣床仿真实验实验目的:1、了解斯沃仿真软件的功能。
数控机床仿真模拟加工实验报告(大全5篇)第一篇:数控机床仿真模拟加工实验报告数控机床仿真模拟加工实验报告实验目的1、熟悉典型数控加工仿真软件——宇龙数控加工仿真软件的特点及其应用;2、通过软件系统仿真操作和编程模拟加工,进一步熟悉实际数控机床操作,提高编写和调试数控加工程序的能力。
3、了解如何应用数控加工仿真软件进行加工过程预测,以及验证数控加工程序的可靠性、防止干涉和碰撞的发生。
实验基本原理宇龙数控加工仿真软件是模拟实际数控机床加工环境及其工作状态的计算机仿真加工系统;应用该软件,可以基于虚拟现实技术,模拟实际的数控机床操作和数控加工全过程。
本实验在熟悉软件的用户界面及使用方法的基础上,针对典型零件进行机床仿真操作运行和零件数控编程模拟加工,从而预测加工过程,验证数控加工程序的可靠性、防止干涉和碰撞的发生。
实验内容及过程本实验通过指导老师讲解和自己的实际操作练习,分两个阶段完成实验任务;具体如下:一、初步熟悉数控加工仿真软件的用户界面及基本使用方法:通过实际练习,了解应用宇龙数控加工仿真软件系统进行仿真加工操作的基本方法,包括:如何选择机床类型;如何定义毛坯、使用夹具、放置零件;如何选择刀具;FANUC 0i 数控系统的键盘操作方法;汉川机床厂XH715D加工中心仿真操作方法等。
二、针对汉川机床厂XH715D数控加工中心,应用宇龙数控加工仿真软件对凸轮零件进行机床仿真操作运行和数控编程模拟加工:凸轮零件图如下所示:机床仿真操作运行和数控编程模拟加工过程如下:1、机床开启启动数控铣系统前必须仔细检查以下各项:1.所有开关应处于非工作的安全位置;2.机床的润滑系统及冷却系统应处于良好的工作状态;3.检查工作台区域有无搁放其他杂物,确保运转畅通。
之后打开数控机床的电器总开关,启动数控车床。
2、机床回参考点启动数控铣系统后,首先应手动操作使机床回参考点。
将工作方式旋钮置于“手动”,按下“回参考点”按键,健内指示灯亮之后,按“+X”健及“+Z”键,刀架移动回到机床参考点3、设置毛坯,并使用夹具放置毛坯通过三爪卡盘将工件夹紧。
实验一斯沃数控仿真软件的使用与数控加工的基本流程一、实验目的1. 熟悉斯沃数控仿真软件的使用2. 掌握数控加工的基本流程二、实验设备及工具1. 电脑80台2. 斯沃数控仿真软件V6.2 80套三、斯沃数控仿真软件简介南京斯沃软件技术有限公司开发的FANUC、SINUMERIK、MITSUBISHI、广州数控GSK、华中世纪星HNC、北京凯恩帝KND、大连大森DASEN数控车铣及加工中心仿真软件,是结合机床厂家实际加工制造经验与高校教学训练一体所开发的。
通过该软件可以使学生达到实物操作训练的目的,又可大大减少昂贵的设备投入。
斯沃数控仿真软件具有FANUC、SINUMERIK、MITSUBISHI、广州数控GSK、华中世纪星HNC、北京凯恩帝KND系统、大连大森DASEN编程和加工功能,学生通过在PC机上操作该软件,能在很短时间内掌握各系统数控车、数控铣及加工中心的操作,可手动编程或读入CAM数控程序加工,既节省了成本和时间,从而提高学生的实际操作水平。
该软件运行后其界面如下所示:四、数控车床实验内容及步骤1. 启动斯沃数控仿真软件启动界面如下:在左边文件框内选择单机版,在右边的数控系统下拉列表中选择FANUC 0iT,选择机器码加密,点击“运行”进入系统界面。
2. 机床复位此时机床操作面板的指示灯在闪动,松开急停按钮,确保此时机床处于回零模式下。
按Z向复位按键,机床Z向回到机床原点;按X向复位按键,机床X向回到机床原点;按第四轴方向复位按键,机床沿第四轴方向回到机床原点(本机床没有第四轴,故按此键机床没有动作,但是第四轴复位指示灯不再闪动)。
注意:为了安全起见,机床回零一定要Z向先回零,然后其它方向才能回零。
复位后要查看界面主窗口中的机床,可以在主窗口空白处右键单击,利用弹出菜单的功能更好的查看机床:另外,在主窗口中滚动鼠标滚轮,则机床实时放大缩小。
3. 机床参数设置在机床复位后,需要根据情况调整机床参数。
一、实习背景随着我国制造业的快速发展,数控技术已成为制造业的核心技术之一。
为了提高我国制造业的竞争力,培养具备数控技术人才成为当务之急。
本人在实习期间,有幸参加了斯沃数控仿真实习,通过实际操作和理论学习,对数控技术有了更深入的了解。
二、实习目的1. 熟悉数控机床的基本结构和工作原理;2. 掌握数控编程的基本方法和技巧;3. 提高实际操作能力,为今后从事数控相关工作打下基础。
三、实习内容1. 数控机床的基本知识实习期间,我们首先学习了数控机床的基本结构和工作原理。
数控机床主要由控制系统、伺服系统、主轴箱、刀架、工作台等部分组成。
控制系统负责接收编程指令,控制伺服系统驱动各部件完成加工任务。
2. 数控编程数控编程是数控加工的核心,实习期间,我们学习了数控编程的基本方法和技巧。
主要包括以下几个方面:(1)编程语言:学习掌握G代码、M代码等编程语言,了解其功能和应用场景。
(2)编程步骤:熟悉编程的基本步骤,包括确定加工工艺、设置加工参数、编写程序、模拟加工等。
(3)编程技巧:掌握一些编程技巧,如循环、子程序等,提高编程效率。
3. 数控仿真斯沃数控仿真软件具有直观、易用的特点,实习期间,我们利用该软件进行数控加工仿真。
通过仿真,我们可以直观地观察加工过程,及时发现并解决问题,提高实际操作能力。
4. 实际操作在掌握理论知识的基础上,我们进行了实际操作训练。
操作内容包括:(1)数控机床的日常维护和保养;(2)数控机床的安装和调试;(3)数控加工工艺规程的设计;(4)数控加工程序的编写和调试。
四、实习收获1. 理论知识方面:通过实习,我对数控机床的基本结构、工作原理、编程方法等有了深入的了解。
2. 实际操作能力方面:通过实际操作训练,我掌握了数控机床的操作技巧,提高了实际操作能力。
3. 团队协作能力方面:在实习过程中,我与同学们互相学习、互相帮助,共同完成了实习任务。
五、实习总结通过本次斯沃数控仿真实习,我收获颇丰。
一、实习目的通过本次机床仿真实习,使我更好地了解和掌握数控机床的基本原理、操作方法和加工工艺。
同时,提高自己的动手能力和实际操作技能,为今后从事相关工作打下坚实基础。
二、实习内容1. 熟悉数控机床仿真软件在实习过程中,我首先学习了数控机床仿真软件的使用方法。
通过软件操作,我对数控机床的结构、功能以及各个部件的作用有了更深入的了解。
2. 学习数控编程在实习过程中,我学习了数控编程的基本原理和方法。
通过编写程序,我掌握了数控机床的加工工艺和操作流程。
3. 仿真加工实践在熟悉软件和编程的基础上,我进行了仿真加工实践。
通过模拟实际加工过程,我掌握了数控机床的加工方法和技巧。
4. 问题解决与调试在仿真加工过程中,我遇到了一些问题。
通过查阅资料和请教老师,我学会了如何解决这些问题,并对程序进行了调试。
三、实习收获1. 提高了动手能力通过本次实习,我熟练掌握了数控机床仿真软件的使用,提高了自己的动手能力。
2. 丰富了理论知识在实习过程中,我学习了数控机床的基本原理、编程方法和加工工艺,丰富了理论知识。
3. 增强了实践能力通过仿真加工实践,我掌握了数控机床的操作方法和技巧,增强了实践能力。
4. 学会了问题解决方法在实习过程中,我遇到了问题并学会了如何解决,提高了自己的问题解决能力。
四、实习总结本次机床仿真实习让我受益匪浅。
通过实习,我对数控机床有了更深入的了解,提高了自己的动手能力和实际操作技能。
在今后的学习和工作中,我会继续努力,不断提高自己的综合素质。
以下是我对实习过程中的几点体会:1. 重视理论学习:只有掌握了扎实的理论基础,才能在实际操作中游刃有余。
2. 注重实践操作:理论联系实际,通过实践提高自己的操作技能。
3. 勤于思考:在遇到问题时,要学会思考,多查阅资料,寻求解决问题的方法。
4. 团队合作:在实习过程中,要学会与他人合作,共同完成任务。
总之,本次机床仿真实习让我收获颇丰,为我今后从事相关工作奠定了基础。
机械制造工程系目录实验一:数控车软件的启动与基本操作03实验二:数控车削加工对刀方法分析与操作04实验三:数控车削加多刀车削加工对刀及操作09实验四:刀具磨损补偿控制原理与方法分析与操作11五、实验心得 13实验一:数控车软件的启动与基本操作1) 实验目的:了解斯沃数控车削仿真软件的启动与基本操作方法,通过软键的操作,熟悉数控车削加工的基本操作方法。
2) 实验设备:斯沃数控车削仿真软件3) 实验内容:通过软件掌握数控车的启动与基本操作,其中包括数控车面板上的各种按键的作用,主要有方式建、机床操作选择键、功能键、补正键、系统参数键、故障资料键及图形显示键、编辑程序键等构成。
4) 实验步骤:1、启动swanc6.3软件,单击运行。
2、按下系统启动键,系统启动。
3、按下急停按钮,消除警报。
4、在标准工具栏中使用各种图标,熟悉各种图标的作用,了解软件图标的用途。
5、进行机床面板上的各种操作,如回零,绝对坐标、相对坐标、综合坐标的显示操作,手动移动,手摇移动,主轴倍率的调节及MID运行方式等。
6、运用编辑程序键,练习程序的键入。
如insert键、alter键、delete键等。
(注意:打开保护锁)7、了解数控机床的四种运行方式:锁住运行、空运行、单段运行、存储器运行。
机床回零的作用:数控机床在开机之前,通常都要执行回零的操作,归根于机床断电后,就失去了对各坐标位置的记忆,其回零的目的在于让各坐标轴回到机床一固定点上,即机床的零点,也叫机床的参考点(MRP).回参考点操作是数控机床的重要功能之一,该功能是否正常,将直接影响零件的加工质量.数控机床安全规程的作用:它能提醒我们在操作机床时要注意的东西,而这些东西与我们的人身安全及机床的财产安全密切相关。
5) 实验小结:在本次实验中,使用斯沃软件的这种数控仿真形式行进练习,使我对机床的加工过程和机床的操作流程有了更深的理解。
在实践中学习到了课本上没有的东西。
我相信,通过本次实验,必定会指导我在今后的工作中更加努力的去学习!实验二:数控车削加工对刀方法分析与操作1) 实验目的:了解数控车加工的三种对刀原理,掌握三种对刀方法与操作。
实验一 数控车床操作加工仿真实验一、实验目的(1) 掌握手工编程的步骤;(2) 掌握数控加工仿真系统的操作流程。
二、实验内容(1) 了解数控仿真软件的应用背景; (2) 掌握手工编程的步骤;(3) 掌握SEMENS 802c T 数控加工仿真操作流程。
三、实验设备(1) 图形工作站; (2) 斯沃数控仿真软件 四、实验操作步骤 1、 实验试件试件的形状、尺寸如图1-1所示。
2、 加工采用的刀具参数刀具及相关参数如表1-1所列 刀具号 刀具名称 零件材料为10#低碳钢 刀具圆角半径补偿值(mm )备 注转速 (r/min ) 进给量(mm/r) 01 外圆车刀 800 0.5 手动 刀宽25mm 02 割刀 800 0.3 手动 加工退刀槽 03 螺纹刀8002.0手动加工螺纹单位名称产品名称零件名称零件图号数控车削实验件零件1 1工序号程序编号夹具名称使用设备工作地点001 三爪卡盘数控车铣综合实验台CAD/CAM(2)工步工步内容刀具号刀具规格主轴转速(r/min)进给速度(mm/min)背吃刀量(mm)备注1 对刀01—03 所有刀具300 手动手动2 毛坯粗加工01 外圆车刀800 240 2~5 刀宽253 精加工外圆01 外圆车刀800 240 2~5 刀宽254 切槽02 割刀800 240 3.0 刀宽35 加工螺纹03 螺纹刀800 160 0.8 刀宽156 割断02 割刀800 240 3 刀宽3 5参考程序主程序:ZM.MPF:N0010 T1D1S1000F0.3M03;N0020 G00X105.Z5.;N0030 _CNAME="L01";N0040 R105=9R106=0.3R108=4R109=1;N0050 R110=1R111=0.2R112=0.1;N0060 LCYC95;N0061 R105=5R106=0;N0062 LCYC95;N0070 G00Z10.;N0080 T02;N0090 X80.;N0091 Z-85.;N0100 G01X38.F0.1;N0110 X80.;N0120 Z-83.;N0130 X38.;N0140 X60.;N0150 G00Z10.;N0160 T03;N0170 R100=48R101=0R102=48R103=-80;N0180 R104=2R105=1R106=0.3;N0190 R109=5R110=2R111=1.6;N0200 R112=0R113=3R114=1;N0210 LCYC97;N0220 G01X46.F100;N0230 Z10.;N0240 T01;N0250 G01Z0.F0.3;N0260 X48.Z-6.;N0270 X90.Z5.;N0280 M05M02;子程序:L01.SPF:N0010 G00X48.Z5.;N0020 G01Z-82.F0.3;N0030 X70.Z-85;N0040 Z-115;N0050 G02X90.Z-125.CR=10;N0070 G01Z-155.F0.3;N0080 G00X105.;N0090 Z10.;N0100 RET;6数控加工仿真系统中的操作步骤:打开操作界面,返回机床坐标原点,选择合适尺寸的工件,选择刀具并添加到相应的刀具号,然后对刀,添加程序,最后开始仿真加工。
数控机床实训报告数控机床实训报告5篇随着人们自身素质提升,我们使用报告的情况越来越多,不同的报告内容同样也是不同的。
一听到写报告马上头昏脑涨?以下是小编为大家整理的数控机床实训报告,欢迎大家借鉴与参考,希望对大家有所帮助。
数控机床实训报告1两周的金工实习结束了,但带给我的感受却永远的留在了我的心底。
重要的安全今天是实习的第一天。
刚到实习地点,我们便被要求去看一个实习安全方面的录像,录像里详尽的播放了许多工种的实习要求,像电焊气焊,热处理等。
看着许多因不按要求操作机器而发生的事故,再加上老师告诉我们的以前发生的类似事件,我真的有点害怕,许多人也和我有同样的感受。
老师看出了这一点,就告诉我们,只要按照正确的方法,掌握要领,是不会发生事故的,于是我明白了,规范的操作,是安全的重要保证! 听完了老师的动员课,便去一楼听老师讲解有关工业安全方面的知识。
看着发下来的资料,我才明白工业安全的重要性,工业安全知识是工业高层管理人员和开发人员的必备知识,对于草拟或一个企业的安全条例,减少工业污染,防火防爆等方面来说是非常重要的知识,如果不掌握的话,不但会被人斥为无知,有时还会发生重大事故。
看完资料,老师就向我们讲解了有关防火的各种知识,展示了四种常用的灭火器,有二氧化碳灭火器,干粉灭火器,1211灭火器和高效阻燃灭火器。
其中1211灭火器里面含有氯氟烃,会对臭氧层造成破坏,现在已经禁止使用,干粉灭火器是使用较广泛的,对于易燃液体、油漆、电器设备的火灾,都可以用它来扑灭,但由于灭火后有残渣,故不适用于精密机械或仪器的灭火,而且其冷却功能有限,不能迅速降低燃烧物的表面温度,容易复燃。
二氧化碳灭火器弥补了干粉灭火器的缺点,大量适用于精密仪器的灭火,而且随着液态二氧化碳的蒸发,燃烧物体的表面温度也会迅速降低。
高效阻燃灭火器是近年来开发的比较好的灭火器,它可以在表面形成一层阻燃膜,阻止燃烧,彻底隔绝火源,而且由于这层膜是蛋白质,对人体没有任何伤害,故可用于发生火灾时候的逃命——用灭火器把液体喷在皮肤上和头发上,就可在短时间内避免被火烧伤。
数控机床实习报告3篇数控机床实习报告篇1数控机床是人类进行生产劳动的重要工具,也是社会生产力发展水平的重要标志,数控车床和数控铣床是数字程序控制车铣床的简称,它集通用性好的万能型车床、加工精度高的精密型车床和加工效率高的专用型车床的特点于一身,是国内使用量最大,覆盖面最广的一种数控机床,也是是一种通过数字信息,控制机床按给定的运动轨迹,进行自动加工的机电一体化的加工装备,经过半个世纪的发展,数控机床已是现代制造业的重要标志之一,在我国制造业中,数控机床的应用也越来越广泛,是一个企业综合实力的体现。
时光如流水,两周的时间转眼即逝,这次暑期实习给我的体会是:1.通过这次实习我们了解了现代数控机床的生产方式和工艺过程。
熟悉了一些材料的成形方法和主要机械加工方法及其所用主要设备的工作原理和典型结构、工夹量具的使用以及安全操作技术。
了解了数控机床方面的知识和新工艺、新技术、新设备在机床生产上的应用。
2.在数控机床的生产装配以及调试上,具有初步的独立操作技能。
3.在了解、熟悉和掌握一定的数控机床的基础知识和操作技能过程中,培养、提高和加强了我的动手能力、创新意识和创新能力。
4.这次实习,让我们明白做事要认真小心细致,不得有半点马虎。
同时也培养了我们坚强不屈的本质,不到最后一秒决不放弃的毅力!5.培养和锻炼了劳动观点、质量和经济观念,强化遵守劳动纪律、遵守安全技术规则和爱护国家财产的自觉性,提高了我们的整体综合素质。
一、实习意义和目的:通过实习,使学生在学完数控技术等相关理论课程的同时,熟练操作数控机床,熟练数控机床的日常维护及常见的故障的判断和处理,进一步掌握数控程序的编程的方法,以便能够系统、完整的掌握数控技术,更快更好的适应机械专业的发展和需要。
二、实习内容与要求:1、通过数控加工工艺规程的设计,使学生熟练掌握数控加工工艺要求及加工工艺的设计。
2、通过斯沃数控仿真软件,熟练数控机床的操作界面、刀具定义、编程坐标系的设定和对刀,能熟练编制车削和铣削的加工程序。
机械制造工程系目录实验一:数控车软件的启动与基本操作03实验二:数控车削加工对刀方法分析与操作04实验三:数控车削加多刀车削加工对刀及操作09实验四:刀具磨损补偿控制原理与方法分析与操作11五、实验心得 13实验一:数控车软件的启动与基本操作1) 实验目的:了解斯沃数控车削仿真软件的启动与基本操作方法,通过软键的操作,熟悉数控车削加工的基本操作方法。
2) 实验设备:斯沃数控车削仿真软件3) 实验内容:通过软件掌握数控车的启动与基本操作,其中包括数控车面板上的各种按键的作用,主要有方式建、机床操作选择键、功能键、补正键、系统参数键、故障资料键及图形显示键、编辑程序键等构成。
4) 实验步骤:1、启动软件,单击运行。
2、按下系统启动键,系统启动。
3、按下急停按钮,消除警报。
4、在标准工具栏中使用各种图标,熟悉各种图标的作用,了解软件图标的用途。
5、进行机床面板上的各种操作,如回零,绝对坐标、相对坐标、综合坐标的显示操作,手动移动,手摇移动,主轴倍率的调节及MID运行方式等。
6、运用编辑程序键,练习程序的键入。
如insert键、alter键、delete键等。
(注意:打开保护锁)7、了解数控机床的四种运行方式:锁住运行、空运行、单段运行、存储器运行。
机床回零的作用:数控机床在开机之前,通常都要执行回零的操作,归根于机床断电后,就失去了对各坐标位置的记忆,其回零的目的在于让各坐标轴回到机床一固定点上,即机床的零点,也叫机床的参考点(MRP).回参考点操作是数控机床的重要功能之一,该功能是否正常,将直接影响零件的加工质量.数控机床安全规程的作用:它能提醒我们在操作机床时要注意的东西,而这些东西与我们的人身安全及机床的财产安全密切相关。
5) 实验小结:在本次实验中,使用斯沃软件的这种数控仿真形式行进练习,使我对机床的加工过程和机床的操作流程有了更深的理解。
在实践中学习到了课本上没有的东西。
我相信,通过本次实验,必定会指导我在今后的工作中更加努力的去学习!实验二:数控车削加工对刀方法分析与操作1) 实验目的:了解数控车加工的三种对刀原理,掌握三种对刀方法与操作。
2) 实验设备:斯沃数控车削仿真软件3) 实验内容:数控车的对刀有三种方法,即刀具偏置、G50指令及G54~G59指令。
1、刀具偏置的方法是从机械坐标零点看是,通过刀具偏置直接补偿到工件端面和X轴线零点处。
使每把刀具与工件零点产生准确值,再把这些值输入到每把刀具对应的刀补号中,以此来确定机床坐标系与工件坐标的正确关系,达到加工之目的。
2、G50是通过其设定了“起刀点”的位置,再把起刀点至机械零点的距离通过对刀移动刀架求的出来,把这一距离之编到程序段中的第一条移动指令中,这样就把机床坐标与工件坐标系联系起来,形成了一个完整的尺寸链关系,从而建立起了一个确定的工件坐标系。
3、G54~G59对刀方法是用MDI功能从CNC G54~G59六个坐标系中任选一个(如:G54),将工件坐标系偏置X值Z值存在其中。
加工时只要在G54的工件坐标系即可正确的加工。
G54指令的X轴和Z轴的坐标值可用“基准刀”对刀来取得。
4) 实验步骤:(1)几何偏置对刀1、启动机床,回零,装好刀具并设置工件直径为30mm。
2、在编辑的状态,将程序导入机床中。
3、利用软件提供的快速定位将刀具移到加工工件边缘,在刀具补正中的一号刀位中输入X30并测量,Z0并测量。
4、回到程序状态,在自动的状态下,按下循环按钮即可。
(2)G50指令对刀1、1、启动机床,回零,装好刀具并设置工件直径为30mm。
2、在编辑的状态,将程序导入机床中。
3、利用软件提供的快速定位将刀具移到加工工件边缘,在相对坐标系中键入U30及W0.4、将刀具移动到起刀点。
5、回到程序状态,在自动的状态下,按下循环按钮即可。
(3)G54~G59指令对刀1、启动机床,回零,装好刀具并设置工件直径为30mm。
2、在编辑的状态,将程序导入机床中。
3、利用软件提供的快速定位将刀具移到加工工件边缘,在工件坐标系设定中,设定G54中X30并测量,Z0并测量。
4、回到程序状态,在自动的状态下,按下循环按钮即可。
5) 实验小结:通过本次上机实验,使我明白了数控车床对刀的三种方法,即刀具偏置、G50指令及G54~G59指令。
首先,对刀的过程要细心,要精准。
对刀的精准程度决定了加工工件的质量的优劣。
其次,编程前,心中要有所要加工零件的刀路,即:该怎样去编程,如何选刀,如何在精准的前提下,进行简单儿又正确的编程。
再次,编程看似一个很简单的过程,但是要成功的用它来加工出完美的工件,就必须要求我们要有一颗谨慎的心,粗心大意必定是允许的。
最后在积极生产中,安全,作为一个加工的操作人员来说,成天对着机床,安全就很重要!实验三:数控车削加多刀车削加工对刀及操作1) 实验目的:了解数控车加工多刀对刀的原理与操作方法。
了解对多对刀的标准刀与非标准刀的概念,什么场合必须选用标准刀与非标准刀对刀。
2) 实验设备:斯沃数控车削仿真软件3) 实验内容:使用G50及G54~G59指令建立工件坐标系时,采用多刀加工时,必须建立一个道具为标准刀,按前面实验那样进行对刀。
而其余的刀具为非标准刀,利用刀具几何偏置修正其装刀位置误差。
4) 实验步骤:(1)几何偏置对刀1、第一把刀的对刀方法如上次实验那样。
2、第二把刀如有刀具偏差也同样的对刀。
3、加工即可。
(2)G50指令对刀1、第一把刀的对刀方法如上次实验那样。
2、第二把刀如果有偏差则在刀具几何偏置修正其装刀位置误差。
导入程序设置相对坐标将刀具移到起刀点。
2、第二把刀同样对刀(如果有偏差则在刀具几何偏置修正其装刀位置误差,补正方法下述)。
加工后的零件3、3、对刀完成后,回到程序状态,在自动的状态下,按下循环按钮即可。
(3)G54~G59指令对刀1、对刀过程如上次实验介绍的那样,利用G55将第一刀对刀。
2、第二把刀对刀(如果有偏差则在刀具几何偏置修正其装刀位置误差,补正方法下述)。
3、对刀完成后,回到程序状态,在自动的状态下,按下循环按钮即可。
5) 实验小结:。
这里所安排的课程非常出色,上机实验也很合理所学很实用,首先从基础开始让我们打下良好的基础,由浅而深,很贴近实际工作需要。
老师教课的方法也很出色,不仅把理论知识讲得很彻底,而且结合自己的实战经验,让我们提前对实际加工有所了解,马上即将步入社会,不知道自己能不能胜任工作,有些期待又有些胆怯。
但通过老师的悉心指导和同学们的热心帮助,使我顺利完成了本次试验,让我真的认识到加工一个合格的零件真的很不易,要不断地思考和练习。
实验四:刀具磨损补偿控制原理与方法分析与操作1) 实验目的:了解FANUC 0i Mate-TC数控系统刀具偏置存储器的构成与使用,掌握如何利用磨损补偿进行工件几何尺寸的微调与控制原理与方法。
2) 实验设备:斯沃数控车削仿真软件3) 实验内容:刀具磨损补偿的原因在实际加工工件时,使用一把刀具一般不能满足工件的加工要求,通常要使用多把刀具进行加工。
作为基准刀的1号刀刀尖点有进给轨迹,而其它刀具的刀尖点相对于基准刀刀尖有偏移量(即刀位偏差)。
在程序里使用M06指令使刀架转动,实现换刀,T指令则使非基准刀刀尖点从偏离位置移动到基准刀的刀尖点位置(A点)然后再按编程轨迹进给,刀具在加工过程中出现的磨损也要进行位置补偿。
图1.刀具的磨耗和形状补正版面4) 实验步骤:1、进行常规的机床操作,并键入程序。
2、将第二刀具长度减少10mm,并用第一把刀对刀。
3、在加工的过程中通过刀具的磨损的补正进行调节,如图3。
图3.对刀具进行补正4、回到程序状态,在自动的状态下,按下循环按钮即可。
图4. 加工合格零件图2.为没有补正的时候加工的不合格的零件。
图2.刀具在没有补正的加工图4.补正后的加工5) 实验小结:在本次实验中我发现作为一名即将走向工作岗位的大学毕业生,应当养成一种认真严谨的态度。
经过本次试验,让我学到了很多东西,比如:补偿的原则取决于刀尖圆弧中心的动向,它总是与切削表面法向里的半径矢量不重合。
因此,补偿的基准点是刀尖中心。
通常,刀具长度和刀具半径的补偿是按一个假想的刀刃为基准,因此为测量带来一些困难。
而且刀具半径偏置的命令应当在切削进程启动之前完成;并且能够防止从工件外部起刀带来的过切现象。
反之,要在切削进程之后用移动命令来执行偏置的取消过。
我相信,这对我以后在工作的必定产生重要的影响!五、实验心得经过几次的上机模拟练习让我学到了许多知识,使我有很大收获的。
这次实践练习给了我一次全面的、系统的锻炼的机会,巩固了所学的理论知识,增强了我的实际操作能力,我进一步从实践中认识到数控的重要性。
同时,使我认识到在工作中光有理论知识是不够的,还要能把理论运用到实践中去才行。
这次把理论知识运用到实际操作中,既是对实际操作能力的培训,又是对理论知识的复习巩固和延伸。
首先要完全理解数控车床安全操作规程,然后通过电脑让我们自己熟悉操作面板。
在老师的教导下,我们掌握了数控车床的开机与关机;回零的操作以及什么情况下必须回零操作;手动方式主轴正转;编制程序以及如何输入程序;如何对刀和换刀操作,以及使用刀具补偿命令编制程序,尤其是系统在编制程序中使用的G代码等。
经过反复的练习,我们基本熟练掌握了这些实际操作必备的技能。
最后,衷心感谢老师的悉心指导!2010年11月30日。