数控机床原理与结构实验报告答案
- 格式:docx
- 大小:34.08 KB
- 文档页数:34
第1篇一、实验背景随着科技的不断发展,数控技术在我国工业生产中得到了广泛应用。
为了使学生对数控技术有更深入的了解,提高学生的实际操作能力,我校组织了数控实训实验。
本次实验旨在让学生掌握数控编程、数控加工、数控机床操作等基本技能,培养学生的创新能力和实践能力。
二、实验目的1. 熟悉数控机床的结构、性能和操作方法;2. 掌握数控编程的基本原理和方法;3. 学会使用数控机床进行加工;4. 培养学生的创新能力和实践能力。
三、实验内容1. 数控机床的结构与性能2. 数控编程基本原理3. 数控加工工艺4. 数控机床操作四、实验过程1. 数控机床的结构与性能(1)数控机床的结构:数控机床主要由数控系统、伺服系统、进给系统、主轴系统、刀具系统、夹具系统、冷却系统等组成。
(2)数控机床的性能:数控机床具有高精度、高效率、自动化程度高、加工范围广、加工质量稳定等特点。
2. 数控编程基本原理(1)数控编程的基本概念:数控编程是指根据零件的加工要求,编写数控加工程序,实现对数控机床的控制。
(2)数控编程的方法:数控编程方法主要有手工编程、自动编程、图形编程等。
3. 数控加工工艺(1)数控加工工艺的特点:数控加工工艺具有加工精度高、生产效率高、加工范围广、加工质量稳定等特点。
(2)数控加工工艺流程:数控加工工艺流程主要包括工艺分析、工艺设计、编程、加工、检验等环节。
4. 数控机床操作(1)数控机床的操作步骤:数控机床的操作步骤包括开机、回参考点、设置参数、装夹工件、设置刀具、设置切削参数、运行程序、观察加工过程、关机等。
(2)数控机床的操作注意事项:数控机床的操作注意事项包括安全操作、正确装夹工件、合理选择刀具、正确设置切削参数等。
五、实验结果与分析1. 实验结果(1)学生掌握了数控机床的结构、性能和操作方法;(2)学生学会了数控编程的基本原理和方法;(3)学生能够使用数控机床进行加工;(4)学生的创新能力和实践能力得到了提高。
数控车床编程与仿真操作实验报告答案第一篇:数控车床编程与仿真操作实验报告答案机床数控技术实验报告实验二数控车床编程与仿真操作1.数控车床由哪几部分组成?答:数控车床由数控装置、床身、主轴箱、刀架进给系统、尾座、液压系统、冷却系统、润滑系统、排屑器等部分组成。
数控车床分为立式数控车床和卧式数控车床两种类型。
2.为什么每次启动系统后要进行“回零”操作?答:机床断电后,就不知道机床坐标的位置,所以进行回零,进行位置确定每次开机启动数控系统的机械零点和实际的机械零点可能有误差,回零操作是对机械零点的校正。
4.简述对刀过程?答:(1)一般对刀,一般对刀是指在机床上使用相对位置检测手动对刀。
下面以Z向对刀为例说明对刀方法:刀具安装后,先移动刀具手动切削工件右端面,再沿X向退刀,将右端面与加工原点距离N 输入数控系统,即完成这把刀具Z向对刀过程。
(2)机外对刀仪对刀,机外对刀的本质是测量出刀具假想刀尖点到刀具台基准之间X及Z方向的距离。
利用机外对刀仪可将刀具预先在机床外校对好,以便装上机床后将对刀长度输入相应刀具补偿号即可以使用。
(3)自动对刀,自动对刀是通过刀尖检测系统实现的,刀尖以设定的速度向接触式传感器接近,当刀尖与传感器接触并发出信号,数控系统立即记下该瞬间的坐标值,并自动修正刀具补偿值。
5.G00与G01指令有何不同?答:G00指令表示刀具以机床给定的快速进给速度移动到目标点,又称为点定位指令,G01指令使刀具以设定的进给速度从所在点出发,直线插补至目标点。
6.简述用MDI方式换2号刀的操作过程。
答:按下程序建按下MDI建输入一段换刀程序T0101的刀具指令按循环启动实验三数控铣床编程与仿真操作1.数控铣床由哪几部分组成?答:(1)主轴箱包括主轴箱体和主轴传动系统。
(2)进给伺服系统由进给电动机和进给执行机构组成。
(3)控制系统是数控铣床运动控制的中心,执行数控加工程序控制机床进行加工。
(4)辅助装置如液压、气动、润滑、冷却系统和排屑、防护等装置。
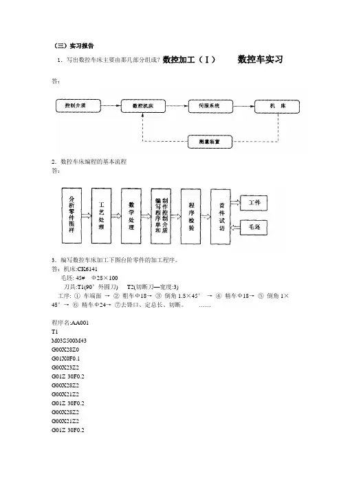
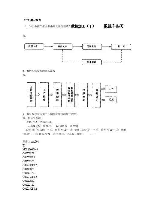
(三)实习报告1.写出数控车床主要由那几部分组成?数控加工(Ⅰ)数控车实习答:2.数控车床编程的基本流程答:3.编写数控车床加工下图台阶零件的加工程序。
答:机床:CK6141毛坯: 45# Ф25×100刀具:T1(90°外圆刀) T2(切断刀—宽度:3)工序: ①车端面→②粗车Ф18→③倒角1.5×45°→④精车Ф18→⑤倒角1×45°→⑥精车Ф24→⑦去锋口、定总长、切断。
……程序名:AA001T1M03S500M43G00X28Z0G01X0F0.1G00X23Z2G01Z-30F0.2G00X28Z2G00X21Z2G01Z-30F0.2G00X28Z2G00X21Z2G01Z-30F0.2G00X28Z2G00X19G01Z-30 F0.2G00X23Z2G01X15Z0G01X18Z-1.5F0.08G01Z-30G01X22G01X24Z-31G01Z-53G00X111Z11T2G00X28Z-53G01X1F0.05X28G00X111Z11M05M024.编写数控车床加工下图手柄零件的程序。
答:机床:CK6141毛坯: 45# Ф25×100刀具:T1(副偏角为35°尖刀) T2(切断刀—宽度:4)程序名:AA006T1M03S500M43M8G00X28Z1G01X24F0.12L001P12G90G0X111Z11T2G00X28Z-49G01X10.2G00X28G00X28Z-53G01X10.2G00X28G00X28Z-57G01X10.2G00X28G00X28Z-61G01X10.2G00X28G00X28Z-65G01X10.2G00X28G00X28Z-69G01X10.2G00X28G00X14Z-48.5G01X12G01X11Z-49G01X10G01Z-68G01X8Z-69G01X0F0.05G00X28M5M9M2L001G91G00X-2G01Z-1G03X10Z-2.35CR=5F0.15 G03X10.81Z-25.33CR=32 G02X12Z-19.67CR=17.5 G01Z-5G00X6G00Z50M02(三)实习报告1.写出数控铣床主要由那几部分组成?答:①控制介质,②数控装置;③伺服系统;④机床本体;⑤电器;⑥液压、气动系统;⑦冷却、排屑、润滑、照明、对刀仪。
第7章 数控机床结构习题及答案1.数控机床的机械结构主要由哪几部分组成?各部分的作用是什么?答:1.主传动系统 它包括动力源、传动件及主运动执行件(主轴)等,其功用是将驱动装置的运动及动力传给执行件,以实现主切削运动。
2.进给传动系统 它包括动力源、传动件及进给运动执行件(工作台、刀架)等,其功用是将伺服驱动装置的运动与动力传给执行件,以实现进给切削运动。
3.基础支承件 它是指床身、立柱、导轨、滑座、工作台等,它支承机床的各主要部件,并使它们在静止或运动中保持相对正确的位置。
4.辅助装置 辅助装置视数控机床的不同而异,如自动换刀系统、液压气动系统、润滑冷却装置等。
2.数控机床的机械结构有哪些特点?答:1.结构简单、操作方便、自动化程度高2.高的静、动刚度及良好的抗振性能3.采用高效、高精度无间隙传动装置4.具有适应无人化、柔性化加工的功能部件3.加工中心的布局有哪几种形式?各有何特点?答:1.卧式加工中心卧式加工中心通常采用移动式立柱,工作台不升降,T形床身。
T形床身可以作成一体,这样刚度和精度保持性能比较好,但铸造和加工工艺性较差。
分离式T形床身的铸造和加工工艺性都大大改善,但连接部位要用定位键和专用的定位销定位,并用大螺栓紧固以保证刚度和精度。
卧式加工中心的立柱普遍采用双立柱框架结构形式,主轴箱在两立柱之间,沿导轨上下移动。
这种结构刚性大,热对称性好,稳定性高。
小型卧式加工中心多数采用固定立柱式结构,其床身不大,且都是整体结构。
2.立式加工中心立式加工中心与卧式加工中心相比,结构简单,占地面积小,价格也便宜。
中小型立式加工中心一般都采用固定立柱式,主轴箱吊在立柱一侧。
通常采用方形截面框架结构、米字形或井字形筋板,以增强抗扭刚度,而且立柱是中空的,以放置主轴箱的平衡重。
立式加工中心通常也有三个直线运动坐标,由溜板和工作台来实现平面上X、Y两个坐标轴的移动。
主轴箱沿立柱导轨上下移动实现Z坐标移动。
数控原理与应用总复习一、名词解释1、数字控制p1数字控制是一种借助数字、字符或其他符号对某一工作过程(如加工、测量、装配等)进行可编程控制的自动化方法,简称数控(NC)。
2、数控技术p1数控技术是指用数字量及字符发出指令并实现自动控制的技术。
3、数控系统p1数控系统是指采用数控技术的控制系统。
4、插补p3根据给定的已知函数,如直线、圆弧或高次曲线,在被加工轨迹或轮廓上的已知点之间,进行数据点的密化,确定一些中间点的方法称为插补。
5、机床刚度p25机床结构抵抗变形的能力,包括静态刚度和动态刚度。
6、译码p72.CNC装置按一个程序段为单位,根据一定的语法规则解释、翻译成计算机能够识别的数据形式,并以一定的数据格式存放在指定的内存专用区。
7、直接数字控制系统8、随动系统输出量以一定准确度跟随输入量变化而变化的系统。
9、系统精度p147系统精度是指在一定长度或转角范围内测量积累误差的最大值.。
10、分辨率p105在数控机床中,刀具或工件的最小位移量是机床坐标轴运动的一个分辨单位,由检测装置辨识,称为分辨率(闭环系统),或称为脉冲当量(开环系统),又叫做最小设定单位。
11、步距角p186对应一个指令电脉冲,转子转动一个固定角度称为步距角。
12、脉冲当量p96在开环系统中,每输出一个脉冲,步进电机转过一定的角度,驱动坐标轴进给一个脉冲对应的距离称为脉冲当量。
13、总线p78总线可分为数据总线、地址总线和控制总线。
14、并行处理p86并行处理是指计算机在同一时刻或同一时间间隔内完成两种或两种以上性质相同或不相同的工作。
二、填空题1、数控系统的组成p71程序、输入/输出设备、计算机数字控制装置、可编程控制单元、主轴控制单元和速度控制单元等组成。
2、数控机床的主要组成部分p9(信息输入、数控装置、伺服驱动装置及检测反馈装置、机床本体、机电接口)3、数控装置的作用p9数控装置接受到输入信息后,经过译码、轨迹计算(速度计算)、插补计算和补偿计算,再给各个坐标的伺服驱动系统分配速度、位移指令。
(三)实习报告1.写出数控车床主要由那几部分组成?数控加工(Ⅰ)数控车实习答:2.数控车床编程的基本流程答:3.编写数控车床加工下图台阶零件的加工程序。
答:机床:CK6141毛坯: 45# Ф25×100刀具:T1(90°外圆刀) T2(切断刀—宽度:3)工序: ①车端面→②粗车Ф18→③倒角1.5×45°→④精车Ф18→⑤倒角1×45°→⑥精车Ф24→⑦去锋口、定总长、切断。
……程序名:AA001T1M03S500M43G00X28Z0G01X0F0.1G00X23Z2G01Z-30F0.2G00X28Z2G00X21Z2G01Z-30F0.2G00X28Z2G00X21Z2G01Z-30F0.2G00X28Z2G00X19G01Z-30 F0.2G00X23Z2G01X15Z0G01X18Z-1.5F0.08G01Z-30G01X22G01X24Z-31G01Z-53G00X111Z11T2G00X28Z-53G01X1F0.05X28G00X111Z11M05M024.编写数控车床加工下图手柄零件的程序。
答:机床:CK6141毛坯: 45# Ф25×100刀具:T1(副偏角为35°尖刀) T2(切断刀—宽度:4)程序名:AA006T1M03S500M43M8G00X28Z1G01X24F0.12L001P12G90G0X111Z11T2G00X28Z-49G01X10.2G00X28G00X28Z-53G01X10.2G00X28G00X28Z-57G01X10.2G00X28G00X28Z-61G01X10.2G00X28G00X28Z-65G01X10.2G00X28G00X28Z-69G01X10.2G00X28G00X14Z-48.5G01X12G01X11Z-49G01X10G01Z-68G01X8Z-69G01X0F0.05G00X28M5M9M2L001G91G00X-2G01Z-1G03X10Z-2.35CR=5F0.15 G03X10.81Z-25.33CR=32 G02X12Z-19.67CR=17.5 G01Z-5G00X6G00Z50M02(三)实习报告1.写出数控铣床主要由那几部分组成?答:①控制介质,②数控装置;③伺服系统;④机床本体;⑤电器;⑥液压、气动系统;⑦冷却、排屑、润滑、照明、对刀仪。
一、实训目的1. 了解数控加工的基本原理和操作流程。
2. 掌握数控编程的基本方法和技巧。
3. 熟悉数控机床的操作方法和安全注意事项。
4. 培养动手实践能力和团队协作精神。
二、实训内容1. 数控加工基本原理与操作流程(1)数控机床的结构及功能(2)数控编程的基本概念和编程语言(3)数控加工工艺及操作流程2. 数控编程(1)编程软件的使用(2)编程方法及技巧(3)编程实例分析3. 数控机床操作(1)数控机床的结构及操作面板(2)数控机床的基本操作步骤(3)数控机床的安全注意事项4. 数控加工工艺分析(1)数控加工工艺路线的制定(2)数控加工刀具的选择(3)数控加工参数的设置三、实训步骤1. 数控加工基本原理与操作流程(1)学习数控机床的结构及功能,了解数控加工的基本原理。
(2)学习数控编程的基本概念和编程语言,掌握数控编程的基本方法。
(3)学习数控加工工艺及操作流程,了解数控加工的全过程。
2. 数控编程(1)熟悉编程软件的使用,掌握编程方法及技巧。
(2)分析编程实例,提高编程能力。
3. 数控机床操作(1)熟悉数控机床的结构及操作面板,了解数控机床的基本操作步骤。
(2)在老师的指导下,进行数控机床的操作练习,掌握数控机床的操作方法。
(3)注意操作过程中的安全事项。
4. 数控加工工艺分析(1)学习数控加工工艺路线的制定,了解数控加工工艺的特点。
(2)学习数控加工刀具的选择,掌握刀具的选用原则。
(3)学习数控加工参数的设置,了解参数对加工质量的影响。
四、实训要求1. 严格遵守实训纪律,认真听讲,积极参与实训活动。
2. 认真做好实训笔记,总结实训过程中的心得体会。
3. 按照实训要求,独立完成实训任务,培养动手实践能力。
4. 在实训过程中,注意安全,遵守操作规程。
五、实训报告内容1. 实训时间、地点、内容及个人表现。
2. 数控加工基本原理与操作流程的学习心得。
3. 数控编程的学习心得及编程实例分析。
4. 数控机床操作的学习心得及操作技巧。
1-1 答:数字控制(Numerical Control)简称数控(NC)。
广义是指利用数字化信息实行控制,也就是利用数字控制技术实现的自动控制系统,其被控对象可以是各种生产过程。
狭义是指利用数字化信息对机床轨迹和状态实行控制。
组成:输入/输出装置、数控装置、伺服系统、机电接口、机床本体;1-4 答:(一)按数控机床运动轨迹分类1、点位控制数控系统;2、直线控制数控系统;3、轮廓控制数控系统;(二)按数控机床伺服系统分类1、开环数控系统;2、闭环数控系统;3、半闭环数控系统;(三)按数控机床的功能水平分类1、经济型数控系统(低档);2、普及型数控系统(中档);3、高档型数控系统(高档);1-5 答:与其他加工设备相比,数控机床具有如下显著特点:1、能加工复杂型面的零件,具有较强的适应性和柔性;2、可以保证较高的加工精度,并且产品质量稳定,一致性好;3、具有较高的生产效率;4、可以改善生产条件,减轻劳动强度;5、便于联网实现现代化管理及大规模的自动化生产;(1)数控系统的发展经历了五代1)电子管(1952)。
2)晶体管(1959)。
3)小规模集成电路(1965)。
4)大规模集成电路及小型计算机(1970)。
5)微处理机或微型计算机(1974)。
前三代简称NC;后两代简称CNC (Computerized NC)。
1-8 答:CNC计算机数控装置;PLC可编程控制器;ISO国际标准化组织;WOP面向车间的编程系统;DNC直接数控系统;FMC柔性制造单元;FMS柔性制造系统;CIMS计算机集成制造系统;CAD计算机辅助设计;CAM计算机辅助制造;CAPP计算机辅助加工工艺规划;CAQ计算机辅助质量分析;LAN本地局域网;TCP/IP 传输控制协议/网际协议;MAP生产自动化局域网协议;MRP制造资源计划;ERP企业资源计划;内码是按属性加编码构成的内部代码。
实用内码可以提高下一步的译码速度。
不是,译码速度满足时可以不用内码。
数控机床认识实验报告数控机床实验报告数实控验报班级姓名:学号:机告床书《》实验一:《宇航数控加工仿真系统》功能熟悉实验二:数控车床编程与仿真操作1.数控车床由哪几部分组成?答:数控车床由数控装置、床身、主轴箱、刀架进给系统、尾座、液压系统、冷却系统、润滑系统、排屑器等部分组成。
数控车床分为立式数控车床和卧式数控车床两种类型。
2.为什么每次启动系统后要进行“回零”操作?答:机床断电后,就不知道机床坐标的位置,所以进行回零,进行位置确定每次开机启动数控系统的机械零点和实际的机械零点可能有误差,回零操作是对机械零点的校正。
3.绘出运行程序的仿真轨迹,并标出轨迹各段所对应的程序段号。
答:略4.简述对刀过程?答:(1)一般对刀,一般对刀是指在机床上使用相对位置检测手动对刀。
下面以Z向对刀为例说明对刀方法:刀具安装后,先移动刀具手动切削工件右端面,再沿X向退刀,将右端面与加工原点距离N输入数控系统,即完成这把刀具Z向对刀过程。
(2)机外对刀仪对刀,机外对刀的本质是测量出刀具假想刀尖点到刀具台基准之间X及Z方向的距离。
利用机外对刀仪可将刀具预先在机床外校对好,以便装上机床后将对刀长度输入相应刀具补偿号即可以使用。
(3)自动对刀,自动对刀是通过刀尖检测系统实现的,刀尖以设定的速度向接触式传感器接近,当刀尖与传感器接触并发出信号,数控系统立即记下该瞬间的坐标值,并自动修正刀具补偿值。
5.G00与G01指令有何不同?答:G00指令表示刀具以机床给定的快速进给速度移动到目标点,又称为点定位指令,G01指令使刀具以设定的进给速度从所在点出发,直线插补至目标点。
6.简述用MDI方式换2号刀的操作过程。
答:按下程序建按下MDI建输入一段换刀程序T0101的刀具指令按循环启动实验三:数控铣床编程与仿真操作1.数控铣床由哪几部分组成?答:(1)、主轴箱包括主轴箱体和主轴传动系统。
(2)、进给伺服系统由进给电动机和进给执行机构组成。
数控原理与系统习题答案数控原理与系统习题答案近年来,随着制造业的快速发展,数控技术在工业生产中的应用越来越广泛。
数控技术作为一种高效、精确的加工方式,为工业制造带来了巨大的变革。
而要学好数控技术,掌握数控原理与系统是非常重要的。
下面是一些数控原理与系统的习题及其答案,希望对广大读者有所帮助。
1. 什么是数控技术?答:数控技术是通过计算机控制机床或其他加工设备进行自动化加工的一种技术。
它通过预先编程的方式,使机床按照设定的路径和速度进行加工,从而实现高效、精确的生产。
2. 数控系统由哪些部分组成?答:数控系统一般由机床主轴驱动系统、运动控制系统、数据输入输出系统和人机界面系统等几个部分组成。
其中,机床主轴驱动系统负责控制机床主轴的转速和方向;运动控制系统负责控制机床各个轴向的运动;数据输入输出系统负责将加工程序输入数控系统,并将加工结果输出;人机界面系统则提供了与数控系统进行交互的界面。
3. 数控系统的主要优势是什么?答:数控系统相比传统的手工操作,具有以下几个主要优势:- 高效性:数控系统能够实现自动化加工,大大提高了生产效率。
- 精确性:数控系统能够按照预定的路径和速度进行加工,保证了加工的精度和一致性。
- 灵活性:数控系统可以根据需要进行编程,适应不同的加工要求。
- 自动化程度高:数控系统能够自动完成加工过程,减少了人力投入。
4. 数控系统中常用的编程语言有哪些?答:数控系统中常用的编程语言有G代码和M代码。
G代码用于控制机床的运动轨迹,如直线插补、圆弧插补等;M代码用于控制机床的辅助功能,如切割液的开关、冷却液的开关等。
5. 数控系统中的坐标系有哪些?答:数控系统中常用的坐标系有绝对坐标系和相对坐标系。
绝对坐标系是以机床坐标系的原点为参考点,确定工件的位置;相对坐标系是以工件上一点为参考点,确定其他点的位置。
6. 数控系统中的插补运动有哪些?答:数控系统中常用的插补运动有直线插补和圆弧插补。
第一章绪论简答题答案,没有工艺题的1 什么是数控机床答:简单地说,就是采用了数控技术(指用数字信号形成的控制程序对一台或多台机床机械设备进行控制的一门技术)的机床;即将机床的各种动作、工件的形状、尺寸以及机床的其他功能用一些数字代码表示,把这些数字代码通过信息载体输入给数控系统,数控系统经过译码、运算以及处理,发出相应的动作指令,自动地控制机床的道具与工件的相对运动,从而加工出所需要的工件。
2 数控机床由哪几部分组成?各组成部分的主要作用是什么?答:(1)程序介质:用于记载机床加工零件的全部信息。
(2)数控装置:控制机床运动的中枢系统,它的基本任务是接受程序介质带来的信息,按照规定的控制算法进行插补运算,把它们转换为伺服系统能够接受的指令信号,然后将结果由输出装置送到各坐标的伺服系统。
(3)伺服系统:是数控系统的执行元件,它的基本功能是接受数控装置发来的指令脉冲信号,控制机床执行元件的进给速度、方向和位移量,以完成零件的自动加工。
(4)机床主体(主机):包括机床的主运动、进给运动部件。
执行部件和基础部件。
3 数控机床按运动轨迹的特点可分为几类?它们特点是什么?答:(1)点位控制数控机床:要求保证点与点之间的准确定位(它只能控制行程的终点坐标,对于两点之间的运动轨迹不作严格要求;对于此类控制的钻孔加工机床,在刀具运动过程中,不进行切削加工)。
(2)直线控制数控机床:不仅要求控制行程的终点坐标,还要保证在两点之间机床的刀具走的是一条直线,而且在走直线的过程中往往要进行切削。
(3)轮廓控制数控机床:不仅要求控制行程的终点坐标值,还要保证两点之间的轨迹要按一定的曲线进行;即这种系统必须能够对两个或两个以上坐标方向的同时运动进行严格的连续控制。
4 什么是开环、闭环、半闭环伺服系统数控机床?它们之间有什么区别?答:(1)开环:这类机床没有来自位置传感器的反馈信号。
数控系统将零件程序处理后,输出数字指令后给伺服系统,驱动机床运动;其结构简单、较为经济、维护方便,但是速度及精度低,适于精度要求不高的中小型机床,多用于对旧机床的数控化改造。
机床数控技术实验报告实验二数控车床编程与仿真操作1.数控车床由哪几部分组成?答:数控车床由数控装置、床身、主轴箱、刀架进给系统、尾座、液压系统、冷却系统、润滑系统、排屑器等部分组成。
数控车床分为立式数控车床和卧式数控车床两种类型。
2.为什么每次启动系统后要进行“回零”操作?答:机床断电后,就不知道机床坐标的位置,所以进行回零,进行位置确定每次开机启动数控系统的机械零点和实际的机械零点可能有误差,回零操作是对机械零点的校正。
4.简述对刀过程?答:(1)一般对刀,一般对刀是指在机床上使用相对位置检测手动对刀。
下面以Z向对刀为例说明对刀方法:刀具安装后,先移动刀具手动切削工件右端面,再沿X向退刀,将右端面与加工原点距离N输入数控系统,即完成这把刀具Z向对刀过程。
(2)机外对刀仪对刀,机外对刀的本质是测量出刀具假想刀尖点到刀具台基准之间X及Z方向的距离。
利用机外对刀仪可将刀具预先在机床外校对好,以便装上机床后将对刀长度输入相应刀具补偿号即可以使用。
(3)自动对刀,自动对刀是通过刀尖检测系统实现的,刀尖以设定的速度向接触式传感器接近,当刀尖与传感器接触并发出信号,数控系统立即记下该瞬间的坐标值,并自动修正刀具补偿值。
5.G00与G01指令有何不同?答: G00指令表示刀具以机床给定的快速进给速度移动到目标点,又称为点定位指令,G01指令使刀具以设定的进给速度从所在点出发,直线插补至目标点。
6.简述用MDI方式换2号刀的操作过程。
答:按下程序建按下MDI建输入一段换刀程序T0101的刀具指令按循环启动实验三数控铣床编程与仿真操作1.数控铣床由哪几部分组成?答:(1)主轴箱包括主轴箱体和主轴传动系统。
(2)进给伺服系统由进给电动机和进给执行机构组成。
(3)控制系统是数控铣床运动控制的中心,执行数控加工程序控制机床进行加工。
(4)辅助装置如液压、气动、润滑、冷却系统和排屑、防护等装置。
(5)机床基础件指底座、立柱、横梁等,是整个机床的基础和框架。
数控技术综合实验预习报告答案《数控技术综合实验》实验报告参考答案1、NC文件格式并注释每一项的名称N×××G××X±×××Y±×××Z±×××F××S××T××M××LF结束符辅助功能字刀具功能字主轴转速功能字进给功能字坐标字准备功能字程序段序号例:N003G90G01X+35Y279.3Z-429S2000T02F500M07LF2、工件零点概念工件零点是指待加工零件的程序基准点,程序中的数据就是以工件零点为基准。
程序基准点与工件零点是同一个点,是建立在机械坐标系上面的工件坐标系的原点。
3、数控编程方法数控编程方法有两种:1手工编程—编程的各个阶段均由人工完成。
利用一般的计算工具,通过各种数学方法,人工进行刀具轨迹的运算并进行指令编制。
适用于中等复杂程度的程度、计算量不大的零件编程。
2自动编程—使用软件自动完成编程工作,编程人员只需根据零件图样的要求,使用数控语言,由计算机自动地进行数值计算及后置处理,编写出零件加工程序单,加工程序通过直接通信的方式送入数控机床,指挥机床工作。
自动编程使得一些计算繁琐、手工编程困难或无法编出的程序能够顺利地完成。
4、数控刀具的分类(按刀具结构分类,按刀具材料分类,按切削工艺分类)根据刀具结构可分为:整体式:刀具为一体,由一个坯料制造而成,不分体;焊接式:采用焊接方法连接,分刀头和刀杆;机夹式:机夹式又可分为不转位和可转位两种;通常数控刀具采用机夹式;特殊型式:如复合式刀具,减震式刀具等。
根据制造刀具所用的材料可分为:高速钢刀具;硬质合金刀具;金刚石刀具;其他材料刀具,如立方氮化硼刀具,陶瓷刀具等。
从切削工艺上可分为车削刀具,分外圆、内孔、螺纹、切断、切槽刀具等多种;钻削刀具,包括钻头、铰刀、丝锥等;镗削刀具;铣削刀具等。
机床数控技术及应用课后答案【篇一:课后习题答案(数控技术)】>第一章绪论1 .数控机床是由哪几部分组成,它的工作流程是什么?答:数控机床由输入装置、cnc 装置、伺服系统和机床的机械部件构成。
2 .按伺服系统的控制原理分类,分为哪几类数控机床?各有何特点?答:(1)开环控制的数控机床;其特点:a.驱动元件为步进电机; b.采用脉冲插补法:逐点比较法、数字积分法; c. 通常采用降速齿轮; d. 价格低廉,精度及稳定性差。
(2)闭环控制系统;其特点: a. 反馈信号取自于机床的最终运动部件(机床工作台);b. 主要检测机床工作台的位移量;c. 精度高,稳定性难以控制,价格高。
(3)半闭环控制系统:其特点: a. 反馈信号取自于传动链的旋转部位; b. 检测电动机轴上的角位移; c. 精度及稳定性较高,价格适中。
应用最普及。
3.什么是点位控制、直线控制、轮廓控制数控机床?三者如何区别?答:(1)点位控制数控机床特点:只与运动速度有关,而与运动轨迹无关。
如:数控钻床、数控镗床和数控冲床等。
(2)直线控制数控机床特点:a.既要控制点与点之间的准确定位,又要控制两相关点之间的位移速度和路线。
b .通常具有刀具半径补偿和长度补偿功能,以及主轴转速控制功能。
如:简易数控车床和简易数控铣床等。
(3)连续控制数控机床(轮廓控制数控机床):对刀具相对工件的位置,刀具的进给速度以及它的运动轨迹严加控制的系统。
具有点位控制系统的全部功能,适用于连续轮廓、曲面加工。
4.数控机床有哪些特点?答:a .加工零件的适用性强,灵活性好; b .加工精度高,产品质量稳定;c .柔性好;d .自动化程度高,生产率高;e .减少工人劳动强度;f .生产管理水平提高。
适用范围:零件复杂、产品变化频繁、批量小、加工复杂等第二章数控加工编程基础1.什么是“字地址程序段格式”,为什么现代数控系统常用这种格式?答:字地址程序段的格式:nxxgxxxxxyxxzxxsxxfxxtxxmxx ;特点是顺序自由。
金工实习数控报告答案金工实习数控报告答案随着个人的素质不断提高,接触并使用报告的人越来越多,报告具有双向沟通性的特点。
在写之前,可以先参考范文,下面是店铺整理的金工实习数控报告答案,欢迎阅读,希望大家能够喜欢。
金工实习数控报告答案1金工实习是一门实践性的技术基础课,是高等院校工科学生学习机械制造的基本工艺方法和技术,完成工程基本训练的重要必修课。
它不仅可以让我们获得了机械制造的基础知识,了解了机械制造的一般操作,提高了自己的操作技能和动手能力,而且加强了理论联系实际的锻炼,提高了工程实践能力,培养了工程素质。
这是一次我们学习,锻炼的好机会!通过这次虽短而充实的实习我懂得了很多。
在实习期间,我先后参加了车工,数控机床,钳工,焊工,刨工的实习,从中我学到了很多宝贵的东西,它让我学到了书本上学不到的东西,增强自己的动手能力。
一、车工第一次金工实习,对我们来说感觉很新鲜,一大早,我们迎着朝阳,兴致勃勃地向实习基地出发,一个小时以后我们乘车来到了朝阳东区,老师对我们专业的48名同学进行了分组,我所在的第一组首先接触的车工。
车工是在车床上利用工件的旋转和xx的移动来加工各种回转体的表面,包括:内外圆锥面、内外螺纹、端面、沟槽等,车工所用的xx 有:车刀、镗刀、钻头等,车销加工时,工件的旋转运动为主的运动,xx相对工件的横向或纵向移动为进给运动。
面对着庞大的车床,我们除了好奇外,对它十分的陌生,老师给我们细心的讲解车床的各个部件的名称和操作细则,我们逐渐熟悉车头,进给箱,走刀箱,托盘等主要部件的控制,老师要求我们先不开动车床,重点进行纵横向手动进给练习。
要求达到进退动作准确、自如,且要做到进给动作缓慢、均匀、连续。
到一定程度后可开车练习,每项操作都进行到我们熟悉为止。
从下午开始,我们开始了实际的加工工作,我们的任务是要用45号钢坯料加工一个锤柄。
老师先给我们演示了一遍加工过程,看着师傅加工出来的精致的锤柄,我们一个个都跃跃欲试。
文档来源为:从网络收集整理.word版本可编辑.欢迎下载支持. 1文档来源为:从网络收集整理.word版本可编辑.欢迎下载支持. 数控机床原理与结构实验报告答案
篇一:数控机床实验报告 数 实 控 验 报 班级 姓名:学号: 机 告 床书 《》 实验一:《宇航数控加工仿真系统》功能熟悉 实验二:数控车床编程与仿真操作 1.数控车床由哪几部分组成? 答:数控车床由数控装置、床身、主轴箱、刀架进给系统、尾座、液压系统、冷却系统、润滑系统、排屑器等部分组成。 数控车床分为立式数控车床和卧式数控车床两种类型。 2.为什么每次启动系统后要进行“回零”操作? 答:机床断电后,就不知道机床坐标的位置,所以进行回零,进行位置确定每次开机启动数控系统的机械零点和实际的机械零点可能有误差,回零操作是对机械零点的校正。 3.绘出运行程序的仿真轨迹,并标出轨迹各段所对应的程序段号。 答:略 4.简述对刀过程? 答:(1)一般对刀,一般对刀是指在机床上使用相对位文档来源为:从网络收集整理.word版本可编辑.欢迎下载支持. 2文档来源为:从网络收集整理.word版本可编辑.欢迎下载支持. 置检测手动对刀。下面以Z向对刀为例说明对刀方法:刀具安装后,先移动刀具手动切削工件右端面,再沿X向退刀,将右端面与加工原点距离N输入数控系统,即完成这把刀具Z向对刀过程。 (2)机外对刀仪对刀,机外对刀的本质是测量出刀具假想刀尖点到刀具台基准之间X及Z方向的距离。利用机外对刀仪可将刀具预先在机床外校对好,以便装上机床后将对刀长度输入相应刀具补偿号即可以使用。 (3)自动对刀,自动对刀是通过刀尖检测系统实现的,刀尖以设定的速度向接触式传感器接近,当刀尖与传感器接触并发出信号,数控系统立即记下该瞬间的坐标值,并自动修正刀具补偿值。 5.G00与G01指令有何不同?答: G00指令表示刀具以机床给定的快速进给速度移动到目标点,又称为点定位指令,G01指令使刀具以设定的进给速度从所在点出发,直线插补至目标点。 6.简述用MDI方式换2号刀的操作过程。答:按下程序建按下MDI建 输入一段换刀程序T0101的刀具指令 按循环启动 实验三:数控铣床编程与仿真操作 1.数控铣床由哪几部分组成? 答:(1)、主轴箱 包括主轴箱体和主轴传动系统。 文档来源为:从网络收集整理.word版本可编辑.欢迎下载支持. 3文档来源为:从网络收集整理.word版本可编辑.欢迎下载支持. (2)、进给伺服系统 由进给电动机和进给执行机构组成。 (3)、控制系统 是数控铣床运动控制的中心,执行数控加工程序控制机床进行加工。 (4)、辅助装置 如液压、气动、润滑、冷却系统和排屑、防护等装置。 (5)、机床基础件 指底座、立柱、横梁等,是整个机床的基础和框架。 (6)、工作台 2.为什么每次启动系统后要进行回零操作? 答:机床断电后,就不知道机床坐标的位置,所以进行回零,进行位置确定每次开机启动数控系 统的机械零点和实际的机械零点可能有误差,回零操作是对机械零点的校正。 3.“超程”是什么意思?出现超程后应如何处理?为什么加工前要进行程序校验或空运行? 答:超程就是机床各个轴向的限位开关。绝大多数机床都设置有“超程解除”触 点,一旦出现“硬限位”报警,在确认限位被压和后,使该触点闭合并在手动方 式下向相反方向移出限位位置。也有一些机床没有设置按钮,此时应在相应的点 文档来源为:从网络收集整理.word版本可编辑.欢迎下载支持. 4文档来源为:从网络收集整理.word版本可编辑.欢迎下载支持. 上采取短接措施,即强制满足条件,然后将机床移出限位位置。看看程序有没有 编错,如果错的话可能会撞刀,这是很危险的,会带来很大的损失。所以加工前要 进行程序校验或空运行。 4绘出运行程序的仿真轨迹,并标出轨迹各段所对应的程序段号。 答:略 实验四:加工中心编程与仿真操作 1.加工中心由哪几部分组成? 答:加工中心具有数控系统、检测装置、驱动装置、机床传动链、伺服电动机五大要素,带 有刀库和自动换刀装置,它将数控铣床、数控镗床、数控钻床的功能组合在一起,功能强大, 近几年又出现了许多车削加工中心,几乎可完成回转体零件的所有加工工序。 2.为什么每次启动系统后要进行回零操作? 答:机床断电后,就不知道机床坐标的位置,所以进行回零,进行位置确定每次开机启动数控系 统的机械零点和实际的机械零点可能有误差,回零操作是对机械零点的校正。 3.典型零件的编程及仿真加工。答: 略 文档来源为:从网络收集整理.word版本可编辑.欢迎下载支持. 5文档来源为:从网络收集整理.word版本可编辑.欢迎下载支持. 4.绘出运行程序的仿真轨迹,并标出轨迹各段所对应的程序段号. 答:略 实验五:数控车床结构与传动认识实验 1.数控机床与普通机床在性能上有什么不同? 答:数控机床对零件的加工过程,是严格按照加工程序所规定的参数及动作执行 的。它是一种高效能自动或半自动机床,与普通机床相比,具有以下明显特点: (1)、适合于复杂异形零件的加工:数控机床可以完成普通机床难以完成或根本 不能加工的复杂零件的加工,因此在宇航、造船、模具等加工业中得到广泛应用 (2)、加工精度高 (3)、加工稳定可靠(4)、高柔性(5)、高生产率 (6)、劳动条件好 (7)、有利于管理现代化 (8)、投资大,使用费用高 (9)、生产准备工作复杂(10)、维修困难 2.数控机床为了保证达到高性能在结构上采用了那些特点? 答:高刚度低惯量。 3.与普通车床比较,数控机床在结构上有那些特点? 答:(1)、采用了全封闭或半封闭防护装置数控车床采文档来源为:从网络收集整理.word版本可编辑.欢迎下载支持. 6文档来源为:从网络收集整理.word版本可编辑.欢迎下载支持. 用封闭防护装置可防止切屑或切削液 飞出,给操作者带来意外伤害。 (2)、采用自动排屑装置数控车床大都采用斜床身结构布 局,排屑方便,便于采用自动排屑机。 (3)、主轴转速高,工件装夹安全可靠。数控车床 大都采用了液压卡盘,夹紧力调整方便可靠,同时也降低了操作工人的劳动强度。 (4)、 可自动换刀数控车床都采用了自动回转刀架,在加工过程中可自动换刀,连续完成多道工序 的加工。(5)、主、进给传动分离数控车床的主传动与进给传动采用了各自独立的伺服电机, 使传动链变得简单、可靠,同时,各电机既可单独运动,也可实现多轴联动。 4.分析数控车床刀架换刀的工作原理。 答:四方刀架:(1)松开:刀架电动机与刀架内一蜗杆相连,刀架电动机转动时与蜗杆配套 的涡轮转动,此涡轮与一条丝杠为一体的(称为“涡轮丝杠”)当丝杠转动时会上升(与丝杠 旋合的螺母与刀架是一体的,当松开时刀架不动作,所以丝杠会上升),丝杠上升后使位于 丝杠上端的压板上升即松开刀架;(2 )换刀:刀架松开后,丝杠继续转动刀架在摩擦力的 文档来源为:从网络收集整理.word版本可编辑.欢迎下载支持. 7文档来源为:从网络收集整理.word版本可编辑.欢迎下载支持. 作用下与丝杠一起转动即换刀;(3)定位:在刀架的每一个刀位上有一个用永磁铁做的感应 器,当转到系统所需的刀位时,磁感应器发出信号,刀架电动机开始反转:(4)锁紧:刀架 是用类似于棘轮的机构装的只能沿一个方向旋转,当丝杠反转时刀架不能动作,丝杠就带着 压板向下运动将刀架锁紧,换刀完成。 5.数控车床日常使用维护项目。 答:数控车床具有机、电、液集于一身的,技术密集和知识密集的特点,是一种自动化程度 高、结构复杂且又昂贵的先进加工设备。为了充分发挥其效益,减少故障的发生,必须做好 日常维护工作,所以要求数控车床维护人员不仅要有机械、加工工艺以及液压气动方面的知 识,也要具备电子计算机、自动控制、驱动及测量技术等知识,这样才能全面了解、掌握数 控车床,及时搞好维护工作。 实验六:数控铣床结构与传动认识实验 1.与普通铣床相比较,数控铣床在结构上有那些特点? 答:数控铣床引是在一般铣床的基础上发展起来的,两者的加工工艺基本相同,结构也有些相 似,但数控铣床是靠程序控制的自动加工机床,所以其文档来源为:从网络收集整理.word版本可编辑.欢迎下载支持. 8文档来源为:从网络收集整理.word版本可编辑.欢迎下载支持. 结构也与普通铣床有很大区别.数控铣 床是在普通铣床上集成了数字控制系统,可以在程序代码的控制下较精确地进行铣削加工的机床。 如图所示,数控铣床一般由数控系统、主传动系统、进给伺服系统、冷却润滑系统等几大部分组成:主轴箱,包括主轴箱体和主轴传动系统,用于装夹刀具并带动刀具旋转,主轴转速范围和输出扭矩对加工有直接的影响。进给伺服系统由进给电机和进给执行机构组成,按照程序设定的进给速度实现刀具和工件之间的相对运动,包括直线进给运动和旋转运动。 控制系统 数控铣床运动控制的中心,执行数控加工程序控制机床进行加工。辅助装置如液压、气动、润滑、冷却系统和排屑、防护等装置。机床基础件通常是指底座、立柱、横梁等,它是整个机床的基础和框架 2..分析数控铣床刀具(包括刀柄结构,常用刀具类型,刀具安装拆卸等)。答:通用的主轴都是莫氏锥孔,锥孔定心好、有自锁功能、装拆刀具方便等特点,常用刀柄锥度截面直径大小为BT40、BT50的等等 (1)盘铣刀 一般采用在盘状刀体上机夹刀片或刀头组成,常用于端铣较大的平面。 (2)端铣刀 端铣刀是数控铣加工中最常用的一种铣刀,广泛用于加工平面类零件。端铣刀除用其端刃铣削外,也常用其侧刃铣削,有时端刃、侧刃同时进行铣削,端铣刀也可