西安交通大学材料力学性能实验报告四
- 格式:doc
- 大小:52.50 KB
- 文档页数:4
西安交通⼤学材料⼒学性能试验报告——电⼦拉⼒机橡胶拉伸试验西安交通⼤学实验报告成绩第页(共页)课程:⾼分⼦物理实验⽇期:年⽉⽇专业班号材料94 组别交报告⽇期:年⽉⽇姓名李尧学号09021089 报告退发:(订正、重做)同组者教师审批签字:实验名称:电⼦拉⼒机测定聚合物的应⼒-应变曲线⼀.实验⽬的1.掌握拉伸强度的测试原理和测试⽅法,掌握电⼦拉⼒机的使⽤⽅法及共⼯作原理;2.了解橡胶在拉伸应⼒作⽤下的形变⾏为,测试橡胶的应⼒-应变曲线;3.通过应⼒-应变曲线评价材料的⼒学性能(初始模量、拉伸强度、断裂伸长率);4.了解测试条件对测试结果的影响;5.熟悉⾼分⼦材料拉伸性能测试标准条件。
⼆.实验原理随着⾼分⼦材料的⼤量使⽤,⼈们迫切需要了解它的性能。
⽽拉伸性能是⾼分⼦聚合物材料的⼀种基本的⼒学性能指标。
拉伸试验是⼒学性能中⼀种常⽤的测试⽅法,它是在规定的试验温度、湿度和拉伸速度下,试样上沿纵向施加拉伸载荷⾄断裂。
在材料试验机上可以测定材料的屈服强度、断裂强度、拉伸强度、断裂伸长率。
影响⾼聚物实际强度的因素有:1)化学结构。
链刚性增加的因素都有助于增加强度,极性基团过密或取代基过⼤,阻碍链段运动,不能实现强迫⾼弹形变,使材料变脆。
2)相对分⼦质量。
在临界相对分⼦质量之前,相对分⼦质量增加,强度增加,越过后拉伸强度变化不⼤,冲击强度随相对分⼦质量增加⽽增加,没有临界值。
3)⽀化和交联。
交联可以有效增强分⼦链间的联系,使强度提⾼。
分⼦链⽀化程度增加,分⼦间作⽤⼒⼩,拉伸强度降低,⽽冲击强度增加。
4)应⼒集中。
应⼒集中处会成为材料破坏的薄弱环节,断裂⾸先在此发⽣,严重降低材料的强度。
5)添加剂。
增塑剂、填料。
增强剂和增韧剂都可能改变材料的强度。
增塑剂使⼤分⼦间作⽤⼒减少,降低了强度。
⼜由于链段运动能⼒增强,材料的冲击强度增加。
惰性填料只降低成本,强度也随之降低,⽽活性填料有增强作⽤。
6)结晶和取向。
结晶度增加,对提⾼拉伸强度、弯曲强度和弹性模量有好处。
实验报告七姓名班级学号成绩实验名称疲劳裂纹扩展速率实验实验目的了解疲劳裂纹扩展速率测定的一般方法和数据处理过程,增加对断裂力学用于研究疲劳裂纹扩展过程的主要作用和认识。
实验设备高频疲劳试验机一台、工具读数显微镜一台、千分尺一把、三点弯曲试样一件试样示意图三点弯曲试样示意图实验原始数据记录1.实验原始记录表一疲劳裂纹扩展速率数据记录应力比R=0.1,P max=5000Na(mm) N/*105a(mm) N/*105a(mm) N/*1053.16 0 7.49 8.461 11.67 11.433.61 1.477 7.89 8.875 12.09 11.604.02 2.328 8.29 9.240 12.52 11.764.47 3.598 8.71 9.580 13.00 11.944.86 4.393 9.15 9.896 13.46 12.075.30 5.356 9.56 10.25 13.96 12.205.726.168 9.96 10.50 14.41 12.306.17 6.813 10.41 10.79 14.95 12.396.617.584 10.81 10.98 15.37 12.477.08 8.072 11.21 11.19根据表一数据,通过软件可画出a(mm)—N/*105曲线,曲线如下:a(mm)—N/周次关系曲线从上图数据可利用割线法得到曲线的斜率da/dN,通常是链接相邻两个数据点的直线斜率:(da/dN)i =(ai+1-ai)/(Ni+1-Ni)由于计算的da/dN是增量(ai+1-ai)的平均速率,故平均裂纹长度(ai+1-ai)/2可用来计算ΔK值。
对三点弯曲试样(跨距S取4W):△K=[][1.99-式中α=a/W。
表二疲劳裂纹扩展数据计算值序号da/dN(m/周次)log(da/dN) △K Log(△K)1 3.05E-09 -8.5162 8.8310 0.94602 4.82E-09 -8.3171 9.3371 0.97023 3.54E-09 -8.4506 9.8329 0.99274 4.91E-09 -8.3093 10.3142 1.01345 4.57E-09 -8.3402 10.7927 1.03316 5.17E-09 -8.2863 11.2964 1.05297 6.98E-09 -8.1563 11.8188 1.07268 5.71E-09 -8.2436 12.3710 1.09249 9.63E-09 -8.0163 12.9587 1.112610 1.05E-08 -7.9772 13.5533 1.132011 9.66E-09 -8.0149 14.1270 1.150112 1.10E-08 -7.9602 14.7216 1.168013 1.24E-08 -7.9082 15.3633 1.186514 1.39E-08 -7.8562 16.0751 1.206215 1.16E-08 -7.9362 16.8222 1.225916 1.60E-08 -7.7959 17.5786 1.245017 1.55E-08 -7.8092 18.4240 1.265418 2.11E-08 -7.6767 19.3281 1.286219 1.90E-08 -7.7202 20.2383 1.306220 1.92E-08 -7.7175 21.2881 1.328121 2.47E-08 -7.6072 22.4475 1.351222 2.69E-08 -7.5707 23.6592 1.374023 2.67E-08 -7.5740 25.0691 1.399124 3.54E-08 -7.4512 26.6643 1.425925 3.85E-08 -7.4150 28.4606 1.454226 4.50E-08 -7.3468 30.4304 1.483327 6.00E-08 -7.2218 32.7203 1.514828 5.25E-08 -7.2798 35.2127 1.5467 根据上表中的log(da/dN)-log(△K)关系再作出曲线,如下:Log(△K)- log(da/dN)关系曲线根据Paris公式。
材料力学性能测试实验报告为了评估材料的力学性能,本实验使用了拉力试验和硬度试验两种常见的力学性能测试方法。
本实验分为三个部分:拉力试验、硬度试验和数据分析。
通过这些试验和分析,我们可以了解材料的延展性、强度和硬度等性能,对材料的机械性质有一个全面的了解。
实验一:拉力试验拉力试验是常见的力学性能测试方法之一,用来评估材料的延展性和强度。
在拉力试验中,我们使用了一个万能材料试验机,将试样夹紧在两个夹具之间,然后施加拉力,直到试样断裂。
试验过程中我们记录了试验机施加的力和试样的伸长量,并绘制了应力-应变曲线。
实验二:硬度试验硬度试验是另一种常见的力学性能测试方法,用来评估材料的硬度。
我们使用了洛氏硬度试验机进行试验。
在实验中,将一个试验头按压在试样表面,然后测量试验头压入试样的深度,来衡量材料的硬度。
我们测得了三个不同位置的硬度,并计算了平均值。
数据分析:根据拉力试验得到的应力-应变曲线,我们可以得到材料的屈服强度、断裂强度和延伸率等参数。
屈服强度是指材料开始塑性变形的应变值,断裂强度是指材料破裂时的最大应变值,延伸率是指试样在断裂前的伸长程度。
根据硬度试验得到的硬度数值,我们可以了解材料的硬度。
结论:本实验通过拉力试验和硬度试验对材料的力学性能进行了评估。
根据拉力试验得到的应力-应变曲线,我们确定了材料的屈服强度、断裂强度和延伸率等参数。
根据硬度试验的结果,我们了解了材料的硬度。
这些数据可以帮助我们判断材料在不同应力下的性能表现,从而对材料的选用和设计提供依据。
总结:本实验通过拉力试验和硬度试验对材料的力学性能进行了评估,并通过应力-应变曲线和硬度数值来分析材料的性能。
通过这些试验和分析,我们对材料的延展性、强度和硬度等性能有了全面的了解。
这些结果对于材料的选用和设计具有重要意义,可以提高材料的应用性能和可靠性。
实验报告十姓名班级学号成绩实验名称金属材料疲劳裂纹扩展门槛值测定实验目的了解疲劳裂纹扩展门槛值测定的一般方法和数据处理过程,增加对断裂力学用于研究疲劳裂纹扩展过程门槛值的作用和认识。
实验设备高频疲劳试验机一台;工具读数显微镜一台;千分尺一把;三点弯曲试样一件试样示意图三点弯曲试样示意图实验初始数据记录及处理结果1. 实验原始记录(见附表)2. 数据处理近门槛值附近的da/dN用割线法处理,用表达式(da/dN)i=(ai+1-ai)/(Ni+1-Ni)算出各个编号的da/dN值。
而ΔK的表达式如下:式中W=25.00mm,B=12.50mm对应于(da/dN)i的ΔK值通过取每级力值下的平均裂纹长度a i和对应的P i代入相应的ΔK表达式计算得到。
取10-7mm/周次≤da/dN≤10-6mm/周次的(da/dN)i对ΔK 一组数据,按paris公式以log(da/dN)为自变量,用线性回归法拟合曲线。
具体计算结果如下:疲劳裂纹扩展数据及应力强度因此计算值序号da/dN(m/周次)log(da/dN)△K Log(△K)18.28571E-09-8.0816712.4190 1.094129.41176E-09-8.0263311.7661 1.070631.21212E-08-7.9164511.1812 1.048547.16049E-09-8.1450610.5471 1.02315 5.75E-09-8.240339.81710.99263.97059E-09-8.401159.11440.959772.83951E-09-8.546768.44640.926787E-10-9.15497.76590.8902 95E-10-9.301037.08690.8505 106E-11-10.2218 6.43880.8088根据上图,拟合Log(△K)- log(da/dN)关系曲线如下:Log(△K)- log(da/dN)关系曲线当da/dN=10-7mm/周次时,log(da/dN)=-10将其代入方程中,得到log(△K)=0.812△Kth=6.49MPa·m1/2C=3.05×10-20n=11.711思考题1. 分析讨论金属材料疲劳裂纹扩展速率和疲劳裂纹门槛值测试原理和方法的异同之处。
实验力学报告指导老师:蔡力勋教授小组成员:管陈和 20044553翁健成 20044554陈帝油 20044556黄磊 20044569班级:2004级工程力学(1)班西南交通大学应用力学与工程系摘要:实验力学是利用测量工具将测试对象的力、位移、应变等力学物理量转化为电量,并将电量数字化送给计算机处理后得到具有一定误差带的对象物理量的固有规律【1】。
可见,实验测试在实验力学中扮有重要的作用。
随着计算机的应用普及,计算机辅助测试(CAT )技术也得到了长足的进步,但传统意义上的电阻应变测试技术【2】和光弹性测试技术由于理论体系的完善性在实验力学领域仍占有重要地位。
本实验即是通过对应变仪和载荷传感器的标定实验、拉伸实验、悬臂梁实验以及纯弯梁实验初步了解电阻应变测试技术,更好地理解实验力学的基本原理及方法。
通过对各种实验仪器(应变仪,传感器等)的标定实验,以及对拉伸试样、悬臂梁和纯弯梁进行电测实验,并熟悉使用虚拟仪器软件YEC_Dasp 动态数据采集系统,使我们较为清晰地掌握了力学CAT 技术的基本原理及方法;培养了我们综合运用所学知识和技能,独立分析,解决实际问题的能力;锻炼了我们正确理论联系实际的工作作风,严肃认真的科学态度;提高自己的实验动手能力并巩固了所学专业知识,树立独立自主的创新意识。
关键词:应变;应变仪;标定;电阻;电桥;EXCEL 数据处理1 前言本次实验是利用力学CAT 技术的基本知识-电阻应变测试技术,进行实验仪器的标定实验及拉伸试样、悬臂梁、纯弯梁的电测实验。
标定实验主要是通过实验了解仪器的使用方法以及原理,为以后的拉伸、弯曲电测实验做好基础准备工作。
另外通过桥盒半桥连接并并联大电阻,模拟桥臂应变片电阻变化,计算并联大电阻对应标ε,并利用应变标定器标定实验得到的u k ,得到此时电压变化量,然后与实测值进行比较分析该模拟方法的误差。
电测实验利用电阻应变测试技术测得应变,并利用材料力学的理论知识进行分析计算,得到相应的理论应变,从而二者进行比较,并分析误差产生的原因。
材料力学性能实验报告姓名:班级:学号:成绩:实验名称 实验四 硬度试验实验目的1. 掌握金属布氏、洛氏、维氏(小载荷)及显微维氏硬度的实验原理和测试方法;2. 了解硬度试验根据应力状态所划分的两种试验方法及其共同特点;3. 学会正确使用硬度计。
实验设备1. HB-3000B-1型布氏硬度计;2. HRD-150型电动洛氏硬度计;3. MH-5型显微维氏硬度计;4. HVS-50Z 型数字式维氏硬度计。
实验结果表1 X80管线钢布氏硬度压痕直径实验数据记录表(单位:mm )取点方向 1 2 3 水平方向 4.0375 3.9870 4.0335 垂直方向 4.0080 3.9935 4.0670 平均值4.02283.99024.0502查布氏硬度值表,得到表2数据:表2 布氏硬度值表(部分)压痕直径10d (mm)负荷为230P D =时的HB 值压痕直径10d负荷为230P D =时的HB 值3.99 2304.03 225 4.00 220 4.04 224 4.01 228 4.05 223 4.022264.06222然后进行线性计算,表1中各个点的布氏硬度值:第1点:226-225HB=(4.0228 4.03)225225.722264.02-4.03⨯-+=≈ 第2点:230220HB=(3.9902 4.00)220229.82303.99 4.00-⨯-+=≈- 第3点:223222HB=(4.0502 4.06)222222.982234.05 4.06-⨯-+=≈-表3 各个硬度测试实验结果硬度布氏硬度HBS 3000(kg) /10(mm) /15(s)洛氏硬度HRC维氏硬度HV 5(kg)/10(s)显微维氏硬度HV 20(g)/10(s)材料X80管线钢40Cr退火铝合金20#珠光体(黑)铁素体(白)1 226 40.9 148.8 425.05 168.372 230 39.5 156.6 446.30 157.743 223 38.6 154.7 467.04 163.06 平均值226 39.7 153.4 446.13 163.06图1 显微镜下X80管线钢布氏硬度压痕图图2 显微镜下铁素体的维氏硬度压痕图3 显微镜下珠光体的维氏硬度压痕实验思考题:1、说明本实验使用的各种硬度计的型号及操作程序。
材料的力学性能实验报告材料的力学性能实验报告1. 引言材料的力学性能是衡量材料质量和可靠性的重要指标之一。
通过力学性能实验,可以对材料的强度、硬度、韧性等进行评估,从而为材料的选择和应用提供科学依据。
本实验旨在通过一系列实验方法和测试手段,对某种材料的力学性能进行全面分析和评价。
2. 实验目的本实验的主要目的是:- 测定材料的拉伸强度和屈服强度;- 测定材料的硬度和韧性;- 分析材料的断裂特性和疲劳性能。
3. 实验方法3.1 拉伸实验通过拉伸实验,可以测定材料在受力下的变形和破坏行为。
首先,从样品中制备出一定尺寸的试样,然后将试样放置在拉伸试验机上,施加逐渐增加的拉力,记录拉伸过程中的应力和应变数据,最终得到拉伸强度和屈服强度等指标。
3.2 硬度实验硬度是材料抵抗外界压力的能力,也是材料的一种重要力学性能指标。
硬度实验常用的方法有布氏硬度、维氏硬度和洛氏硬度等。
通过在材料表面施加一定的压力,然后测量压痕的大小或深度,可以得到材料的硬度值。
3.3 韧性实验韧性是材料在受力下发生塑性变形和吸收能量的能力。
韧性实验主要通过冲击试验来评估材料的韧性。
在冲击试验中,将标准试样固定在冲击机上,然后施加冲击力,观察试样的破裂形态和吸能能力,从而得到材料的韧性指标。
3.4 断裂特性分析通过断裂特性分析,可以了解材料在破坏过程中的断裂形态和机制。
常用的断裂特性分析方法有金相显微镜观察、扫描电镜观察和断口形貌分析等。
通过对破坏试样进行断口观察和形貌分析,可以揭示材料的断裂行为和破坏机制。
3.5 疲劳性能测试疲劳性能是材料在交变载荷下的抗疲劳破坏能力。
疲劳性能测试常用的方法有拉伸疲劳试验和弯曲疲劳试验等。
通过施加交变载荷,观察材料在不同循环次数下的变形和破坏情况,可以评估材料的疲劳寿命和抗疲劳性能。
4. 实验结果与分析通过上述实验方法和测试手段,得到了某种材料的力学性能数据。
在拉伸实验中,测得该材料的拉伸强度为XXX,屈服强度为XXX。
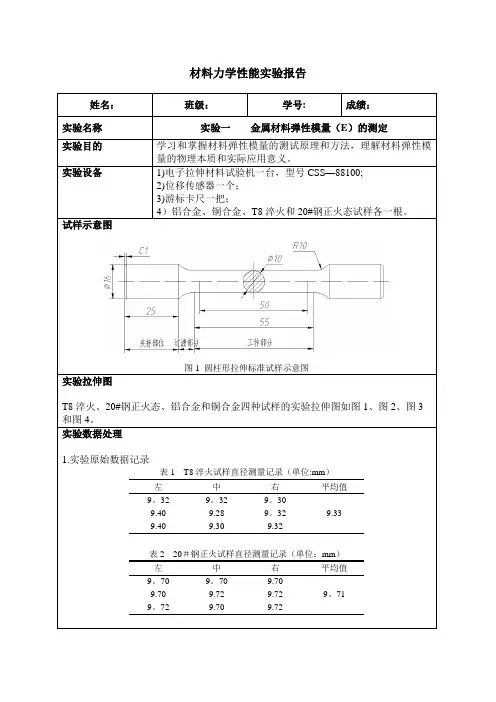
材料力学性能实验报告姓名:班级:学号: 成绩:实验名称实验一金属材料弹性模量(E)的测定实验目的学习和掌握材料弹性模量的测试原理和方法,理解材料弹性模量的物理本质和实际应用意义。
实验设备1)电子拉伸材料试验机一台,型号CSS—88100;2)位移传感器一个;3)游标卡尺一把;4)铝合金、铜合金、T8淬火和20#钢正火态试样各一根。
试样示意图图1 圆柱形拉伸标准试样示意图实验拉伸图T8淬火、20#钢正火态、铝合金和铜合金四种试样的实验拉伸图如图1、图2、图3和图4。
实验数据处理1.实验原始数据记录表1 T8淬火试样直径测量记录(单位:mm)左中右平均值9。
32 9。
32 9。
309.40 9.28 9。
329.339.40 9.30 9.32表2 20#钢正火试样直径测量记录(单位:mm)左中右平均值9。
70 9。
70 9.709.70 9.72 9.729。
719。
72 9.70 9.72020/4/el elel F S F L F L L S d π∆∆∆==∆∆∆ F ∆:轴向力增量(N );0S :试样平行长度部分的原始∆:轴向变形增量(mm );el L :横向引伸计标距(根据实验数据和①式计算四种试样的弹性模量分别为:224(3.370 1.430)9.33(0.418el F L d π∆⨯-=∆⨯⨯#正火态试样24(11.7189.71el F L d π∆⨯=∆⨯)铝合金试样249.80el F L d π∆⨯=∆⨯)铜合金试样249.71el F L d π∆⨯=∆⨯图6 图解法求弹性模量表5 弹性模量实验数据表编号 材料Pa(kN ) Pb (kN) La (mm ) Lb(mm ) ΔP(N )ΔL(mm ) E(GPa ) 1 T8淬火 3.370 1.4300。
418 0.1331。
940 0。
285 4.98 2 20#正火 11。
718 5。
000 3.290 1。
材料力学性能实验报告姓名: 班级: 学号: 成绩:
K的测定
实验名称实验六断裂韧性
1C
实验目的了解金属材料平面应变断裂韧性测试的一般原理和方法。
实验设备 1.CSS-88100万能材料试验机;
2.工具读数显微镜一台;
3.位移测量器;
4.千分尺一把;
5.三点弯曲试样40Cr和20#钢试样各两个。
试样示意图
图1 三点弯曲试样
由于三向应力的存在,使得裂纹扩展区域的位错运动困难,受到更大的摩擦力,从而塑性变差,更易发生脆断。
附录一:
断裂韧性试验中断口照片:
附录二:
%根据试验的数据画P-V 曲线的matlab 程序
%在运行程序之前, 需要将数据导入到matlab 中: “File ”|“Import Data ” (a)试样01的断口图 (b)试样02的断口图
图7 40Cr800℃淬火+100℃回火断口图
(a)试样412的断口图 (b)试样415的断口图
图8 20#退火态试样的断口图
图3 40Cr800℃+100℃回火试样01的P-V 曲线
0.5
1.5
2.5
4
变形/mm
力/N
图4 40Cr800℃+100℃回火试样02的P-V 曲线
4
变形/mm
力/N
变形/mm
力/N
图5 20#钢退火态试样412的P-V 曲线
变形/mm 力/N
图6 20#钢退火态试样415的P-V 曲线。
材料力学性能实验报告姓名:李尧班级:材料94 学号:09021089 成绩:实验名称实验一缺口冲击韧性实验实验目的 1.掌握常温及低温下金属冲击试验方法;2.学会用能量法确定金属冷脆能变温度t;k3.了解冲击试验机结构、工作原理及正确使用方法。
实验设备 1.游标卡尺;2.20#钢退火态试样和40Cr调质态试样各三根;3.JBW-300示波冲击试验机;4.液氮,酒精;5.温度计。
试样示意图图1 冲击试验标准试样示意图实验结果记录20#退火态和40Cr调质态试样的冲击吸收总功记录见附录。
根据裂纹形成能量、裂纹扩展能量以及总冲击能量,以及冲击记录的示波图,得到,裂纹萌生功= 裂纹形成能量;裂纹扩展功=裂纹扩展能量-裂纹形成能量;裂纹撕裂功=总冲击能量-裂纹扩展能量。
20#退火态和40Cr调质态试样的裂纹萌生功、裂纹扩展功和裂纹撕裂功分别见表1和表2:表1 20#退火态各试样的裂纹萌生、扩展、撕裂功记录表试样编号温度/℃裂纹萌生功/J 裂纹扩展功/J 裂纹撕裂功/J 1-1 20 45.8112 0.4700 1.33701-3 20 44.0039 2.2082 20.17314-4 20 30.6656 1.7666 15.3820-2 0 38.8878 0.2872 1.05400-3 0 38.8078 0.2678 2.39715-3 0 37.4989 0.7339 2.47645-2 0 35.4670 0.3494 1.76661-4 -30 6.6485 0.3104 2.40011-6 -30 6.7921 0.3238 2.8115表1 40Cr调质态各试样的裂纹萌生、扩展、撕裂功记录表试样编号温度/℃裂纹萌生功/J 裂纹扩展功/J 裂纹撕裂功/J1-2 20 50.2343 1.4006 18.3959A-1 20 42.0885 2.1613 26.5258B-3 0 41.405 1.4651 14.6755D-3 0 33.6908 0.7463 25.86235-3 0 39.5793 1.1635 4.59205-2 -30 33.9825 1.2214 5.18192-2 -30 26.9017 2.6659 29.03643-2 -60 32.2844 1.4816 19.57542-2 -60 47.6899 0.3546 9.17776-3 -90 40.5959 2.3280 10.0549实验数据处理根据表1和表2,以及各试样在不同温度下的冲击吸收功,做各试样的冲击吸收总功、裂纹萌生功、裂纹扩展功和裂纹撕裂功与温度的关系曲线,分别得到图2—9八幅图:0102030405060-100-80-60-40-202040冲击总功/J温度/℃28.7-11.5ETT 50图2 20#退火态试样冲击总功与温度关系曲线05101520253035404550-40-30-20-10102030裂纹萌生功/J温度/℃图3 20#退火态试样裂纹萌生功与温度关系曲线图4 20#退火态试样裂纹扩展功与温度关系曲线0510152025-40-30-20-10102030裂纹撕裂功/J温度/℃图5 20#退火态试样裂纹撕裂功与温度关系曲线01020304050607080-100-80-60-40-202040冲击总功/J温度/℃-33.056.7EET 50图6 40Cr 调质态试样冲击总功与温度关系曲线图7 40Cr 调质态试样裂纹萌生功与温度关系曲线图8 40Cr调质态试样裂纹扩展功与温度关系曲线图9 40Cr调质态试样裂纹撕裂功与温度关系曲线冷脆转变温度金属韧脆转变温度:有些金属在其使用温度降低时,其塑性、韧性便急剧降低,使材料脆化,冲击值降低,这一现象为冷脆。
实验报告材料力学性能的实验测定实验报告:材料力学性能的实验测定实验目的:本实验旨在通过测定材料的力学性能,了解材料的强度、韧性和硬度等参数,对材料的使用和选择提供参考。
实验装置与材料:1. 断裂强度实验装置:包括万能试验机、夹具、应变计等。
2. 硬度测试仪:如洛氏硬度计、维氏硬度计等。
3. 材料样品:本实验选取了两种常见金属材料,分别为铝合金和钢材。
实验步骤:1. 断裂强度实验:a) 准备样品:将铝合金和钢材分别切割成标准大小的试样。
b) 安装夹具:将试样放置于夹具上,确保夹具夹持牢固。
c) 调节测试参数:根据试样材料的特点,选择合适的测试速度和负荷范围。
d) 开始测试:采用万能试验机施加负荷,记录加载过程中的负荷-位移曲线。
e) 分析结果:根据负荷-位移曲线,计算出试样的断裂强度。
2. 硬度测试:a) 准备样品:将铝合金和钢材制备成标准尺寸的试样。
b) 放置试样:将试样安装在硬度测试仪的固定台上。
c) 施加负荷:根据试样材料硬度的预估值,选择合适的负荷和持续时间。
d) 测量硬度:移除试样后,通过观察试样的硬度缺口或使用显微镜观察硬度尺,确定硬度值。
实验结果与数据分析:1. 断裂强度实验结果:a) 对比分析:将铝合金和钢材的断裂强度进行对比,评估材料的强度差异。
b) 强度参数计算:根据实验数据,计算出材料的屈服强度、抗拉强度和延伸率等参数。
c) 结果解释:根据实验结果,对两种材料的强度差异进行解释。
2. 硬度测试结果:a) 硬度数值:记录并对比铝合金和钢材的硬度数值,评估材料的硬度特性。
b) 结果解释:根据硬度测试结果,解释两种材料在硬度方面的不同。
实验讨论与结论:1. 断裂强度对比:通过对铝合金和钢材的断裂强度数据分析,发现钢材的断裂强度明显高于铝合金,说明钢材在承受外力时更为坚固。
2. 强度参数分析:根据计算得到的屈服强度、抗拉强度和延伸率等参数,可以进一步了解到两种材料的力学性能差异。
3. 硬度对比与解释:通过对铝合金和钢材硬度测试结果的对比和解释,可以评估两种材料在抗划伤和抗磨损性能方面的差异。
材料基本力学性能试验—拉伸和弯曲一、实验原理拉伸实验原理拉伸试验是夹持均匀横截面样品两端,用拉伸力将试样沿轴向拉伸,一般拉至断裂为止,通过记录的力——位移曲线测定材料的基本拉伸力学性能。
对于均匀横截面样品的拉伸过程,如图 1 所示,图 1 金属试样拉伸示意图则样品中的应力为其中A 为样品横截面的面积。
应变定义为其中△l 是试样拉伸变形的长度。
典型的金属拉伸实验曲线见图 2 所示。
图3 金属拉伸的四个阶段典型的金属拉伸曲线分为四个阶段,分别如图 3(a)-(d)所示。
直线部分的斜率E 就是杨氏模量、σs 点是屈服点。
金属拉伸达到屈服点后,开始出现颈缩现象,接着产生强化后最终断裂。
弯曲实验原理可采用三点弯曲或四点弯曲方式对试样施加弯曲力,一般直至断裂,通过实验结果测定材料弯曲力学性能。
为方便分析,样品的横截面一般为圆形或矩形。
三点弯曲的示意图如图 4 所示。
图4 三点弯曲试验示意图据材料力学,弹性范围内三点弯曲情况下C 点的总挠度和力F 之间的关系是其中I 为试样截面的惯性矩,E 为杨氏模量。
弯曲弹性模量的测定将一定形状和尺寸的试样放置于弯曲装置上,施加横向力对样品进行弯曲,对于矩形截面的试样,具体符号及弯曲示意如图 5 所示。
对试样施加相当于σpb0.01。
(或σrb0.01)的10%以下的预弯应力F。
并记录此力和跨中点处的挠度,然后对试样连续施加弯曲力,直至相应于σpb0.01(或σrb0.01)的50%。
记录弯曲力的增量DF 和相应挠度的增量Df ,则弯曲弹性模量为对于矩形横截面试样,横截面的惯性矩I 为其中b、h 分别是试样横截面的宽度和高度。
也可用自动方法连续记录弯曲力——挠度曲线至超过相应的σpb0.01(或σrb0.01)的弯曲力。
宜使曲线弹性直线段与力轴的夹角不小于40o,弹性直线段的高度应超过力轴量程的3/5。
在曲线图上确定最佳弹性直线段,读取该直线段的弯曲力增量和相应的挠度增量,见图 6 所示。
实验报告四水平线垂直,并正确队中。
6.初载时将长针对BC线上,短针对至红点,或有的硬度计长、短针均重合对准B-O线上。
7.加主载,待保载时间结束后,读取C标尺所规定的读书,小数点留一位为估值;8.逆时针方向旋转使载物台下降,方可取走式样,每次至少打三点读取平均值,若三点值在5°以内有效,若偏差超范围,需继续打硬度,直至数据稳定。
分析各种试样的硬度试验方法与试验条件的选择原则。
答:布氏硬度实验试样的选择原则:用较大直径的球体压头压出面积较大的压痕,适合强度级别较低的金属材料硬度的测定,由于压痕较大,测试面积也较大,所以可以测得金属各组成部分的平均硬度值,硬度值比较稳定,精度高,但是效率差且测试的范围有限。
试验条件的选择原则:要求d/D=~之间,通过大量实验可以得图一所示试验结果当试验开始加力后在试验力很小时,硬度值随着试验力的增加成比例上升。
当试验力达到一定值时,硬度值达到一个稳定值,超过某一试验力后,硬度开始降低,也就是说在一定范围内的试验力内硬度值稳定后则与试验力大小无关,即符合HB=F/S关系,因此在布氏硬度实验中应选择与试验力变化无关的试验力,D=是其理想条件,而此时钢球压痕的外切交角为136°。
图一压痕深度t和压痕直径d的关系维氏硬度实验试样的选择原则:测量硬度范围涉及到目前所知的绝大部分金属材料的硬度,主要用于测量面积小、硬度值较高的试样和工件硬度,各种标处理后的渗层或镀层以及薄材的硬度。
洛氏硬度实验试样的选择原则:由于使用的试验力较小,因此压痕较浅,对工作表面损伤很小,可以用于测定半成品或成品工作的硬度。
根据不同硬度的压头可以测量较硬或较软材料的硬度,适用范围广。
实验报告六
三点弯曲试样示意图
实验结果及有效性判定
实验原始记录
表一三点弯曲试样尺寸记录
试样编号屈服强度/MPa 宽度/mm 厚度/mm
06 1050 25.14 12.56
08 1050 25.00 12.16
405 370 25.00 13.00
406 370 25.00 13.00
表二裂纹长度测量原始数据
试样编号0 B/4 B/2 3B/4 B
06号试样宏观断口示意图(脆性)08号试样宏观断口示意图(脆性)
405号试样宏观断口示意图(韧性)406号试样宏观断口示意图(韧性)
讨论试样尺寸选择是否合适,不合适的原因是什么?什么是平面应力?什么是平面应变?为什么平面应变情况最容易脆断?
答:405、406试样的尺寸选择并不是合适,还应增加厚度来达到合适的尺寸标准。
平面应力是由于板材较薄,在厚度方向可以自由变形,即在厚度方向收缩不受限制,因此厚度方向的应力为零,为三向应变状态;平面应。
西安交通大学材料力学性能实验报告—冲击韧性一.实验目的
本实验旨在研究材料对冲击荷载的韧性表现,分析其与冲击能量、材料构造和材料参数之间的相互关系,以验证理论计算结果,为材料性能求解提供依据。
二.实验原理
冲击实验是使用特殊设备,将样品悬挂于振动架上,然后用催化剂控制的火花点燃燃气發生器施加冲击力,不断累积冲击能量,直至样品断裂,记录全部过程中材料表现的参数以及其断裂的形态,力学参数和材料的影响参数。
三.实验设备
DDT-2型冲击实验机,可以很好地反映样品的冲击性能。
它由振动架、火花点燃器、控制系统和测量仪器组成,可以有效地产生比较大的冲击力。
四.实验方法
使用样品尺寸为AA50进行实验,测试步长AA=1.0m,每组测试重复10次,放入冲击机中,将火花燃烧器置于振动架底端,样品置于燃烧器上,采用恒速点火的方法,在规定的冲击速度的范围内不断施加冲击力,每120S内累积冲击能量,一旦样品破裂,9g烟火药会被点燃释放出烟雾,从而可以实现测试反应时间的计算。
五.实验结果
AAAAAAAAAAAAAAAAAAAAAAAAA
实验中,样品在冲击力的作用下呈线性降低冲击强度,且发现冲击能量與断裂面积之间存在一定的正相关性,而断裂形状受到温度的影响很大,温度愈高,断口的孔洞愈大,造成材料的力学性能削弱。
六.结论。