企业质量管理制度考核办法.doc
- 格式:doc
- 大小:23.50 KB
- 文档页数:6
生产过程质量管理制度及考核办法生产过程质量管理制度及考核办法是一种对企业生产过程中各环节进行质量管理和考核的制度和办法。
其目的是为了确保产品质量的稳定和提升,提高企业的竞争力和客户满意度。
下面是一份针对企业的生产过程质量管理制度及考核办法,供参考。
一、生产过程质量管理制度1.质量目标:确保产品质量符合国内外标准和客户需求的要求。
2.组织机构:设立质量管理部门,由专门的质量管理人员负责质量管理工作。
3.质量管理责任:质量管理部门负责制定和改进质量管理制度,并指导企业各部门执行。
各部门负责执行监督下发的任务,并保证任务完成质量。
4.质量管理程序:建立质量管理流程,包括质量计划、质量控制、质量评估和质量改进四个环节。
5.过程控制:通过合理的工艺流程设计、设备设施管理和人员培训,确保生产过程符合质量要求。
6.质量检测:建立完善的质量检测体系,包括过程检测和最终检验两个环节,确保产品质量符合标准和客户要求。
7.不合格品处理:建立不合格品处理流程,及时处理不合格品,防止不合格品流入市场,对不合格品进行分析和改进措施制定,减少不良品率。
二、考核办法1.考核指标:以产品质量和生产过程质量为主要考核指标,包括不良品率、合格品率、一次合格率、客户投诉率等。
2.考核内容:对各生产环节进行定期检查和抽样检验,对不符合要求的环节进行整改和改进。
对不良品、不符合要求的工序和操作进行追究责任,追踪整改情况。
3.考核周期:按照季度、半年和年度进行考核,根据考核结果对员工进行奖惩和晋升调整。
4.考核评价:根据考核指标得分,进行排名和评价。
设立优秀质量管理团队,对优秀团队进行表彰和奖励。
5.考核结果运用:考核结果作为改进和提升的依据,对不良品率高的工序和操作进行重点跟踪和改进,对质量管理团队进行培训和提升。
以上是一份生产过程质量管理制度及考核办法的简要内容,具体制定应根据企业的实际情况和特点进行调整和完善。
通过制度的建立和考核的实施,企业可以不断完善生产质量管理,提高产品质量,增强竞争能力。
生产过程质量管理制度及考核办法一、导言随着企业发展和市场竞争的加剧,加强生产过程质量管理的重要性日益凸显。
为了确保产品的质量,提升企业的竞争力,制定并实施科学的生产过程质量管理制度是必不可少的。
本文将就生产过程质量管理制度及考核办法进行详细的阐述。
二、生产过程质量管理制度1. 目标导向(1)明确质量目标和要求;(2)确保产品符合国家和行业质量标准;(3)持续改进生产过程质量。
2. 管理责任(1)建立质量管理组织,并明确各岗位职责;(2)制定质量管理制度文件,明确各项管理工作的要求;(3)定期召开质量管理会议,评估质量管理工作的实施情况。
3. 生产过程控制(1)建立生产过程监控机制,确保生产过程稳定;(2)设立关键控制点,并建立及时的反馈机制;(3)建立异常处理机制,及时纠正和预防问题。
4. 质量培训与教育(1)建立员工培训制度,确保员工具备必要的专业知识和技能;(2)定期组织质量培训,提升员工的质量意识和管理水平;(3)建立质量学习平台,促进知识分享和交流。
5. 数据分析与改进(1)建立数据收集和分析机制;(2)以数据为基础,进行过程分析并提出改进措施;(3)实施改进措施,并跟踪效果。
三、生产过程质量管理考核办法1. 质量目标考核通过设立质量目标,进行周期性的质量目标考核,包括合格率、不良品率、客户投诉率等指标,评估质量目标的完成情况。
考核结果体现在绩效考核和奖惩机制中。
2. 质量管理责任考核根据各岗位的职责和目标,进行质量管理责任考核。
通过考核岗位内部的责任划分和管理工作的执行情况,评估质量管理责任的履行情况。
3. 生产过程控制考核通过监控关键控制点和异常处理情况,评估生产过程控制的有效性。
考核结果用于及时发现问题,提出改进方案。
4. 培训与教育考核通过定期组织培训和评估员工的培训参与情况、考试成绩等,评估员工的培训和教育效果。
5. 数据分析与改进考核通过评估数据分析的准确性和改进措施的实施情况,评估数据分析和改进工作的效果。
质量检查与考核管理办法第一章总则第一条为全面贯彻落实公司质量管理制度,完善和规范公司质量检查、考核程序,建立质量管理激励约束机制,全面落实质量管理责任制,根据国家有关法律法规并结合公司的实际,特制定本办法。
第二条本办法适用于公司所属分公司(子公司)、直属部、项目部。
第三条公司质量检查、考核工作坚持统一标准、分级检查、规范考核、责权对等、奖罚结合的原则。
第四条质量检查包括工程质量、工作质量的检查。
工程质量必须满足国家标准、规程、行业标准、企业标准和设计图纸要求。
考核以工程质量、工作质量为考核内容,包括对各分公司、直属部、项目部定期质量检查考核和年度质量管理责任状考核。
第五条根据公司资产经营责任制管理分类标准,结合质量管理的主体责任、管理职责和风险的不同,将公司所属单位分为三类进行管理和考核。
具体分类见表1第二章职责和权限第六条公司分管质量工作的领导负责监督、指导本制度的实施,负责执行文件的审批。
公司质量部门为本制度的管理部门,负责本制度实施的检查,组织公司对所属分公司、直属部和项目部的检查、对重大项目的项目部质量检查活动进行监控,对所属分公司、直属部和项目部的质量责任状的进行考核。
第七条所属分公司、直属部分管质量工作的领导负责监督、指导本制度在本单位的实施,负责执行文件的审批。
所属分公司、直属部质量管理部门负责本制度在本单位的实施、检查,对项目部质量检查活动进行监督、指导和检查。
组织对项目部责任状的考核。
第八条直属部负责按照本制度在所属项目部的实施、检查、对所属项目部质量检查活动进行监督、指导和检查。
组织对项目部质量责任状的考核。
第九条项目部是质量检查与验收的执行单位,负责按照项目质量策划形成并经过批准的检验试验计划和施工质量验收标准实施质量检查和验收,负责对工程的质量检查和验收,负责工程原材料的检验和试验、工序、检验批、分项、分部(子分部)工程的内部验收;工程检验批、分项、分部(子分部)工程的质量等级自评工作,参加工程竣工验收,并对发现问题进行整改、验证。
生产过程质量管理制度及考核办法范本第一条目的确保生产过程质量稳定,改善质量,提高生产效率,降低成本第二条范围原料投入生产经加工至成品第三条实施单位质检部人员及有关单位第四条实施要点1.操作人员应确实依照生产工艺进行操作,在每一批第一袋加工完成后,必须经有关人员实施首件检查,等检查合格后方能继续生产,各班长还应实施随机检查。
2.质检人员应确实依据检查标准检查,不合格品严禁进入下道工序。
3.质检科人员应巡回抽验,并做好生产过程质量管理与分析,以及将资料回馈有关单位。
4.发现质量异常应立即处理,追查原因,并矫正及作记录防止再发生。
第五条考核办法1.质检科派人巡回抽检,根据检验结果,对各工序给予评价并考核,明确落实责任班组或责任人。
评价分为:甲、乙、丙三级甲级。
按工艺生产要求进行操作,产品质量稳定。
乙级。
基本按工艺生产要求进行操作,产品质量较为稳定。
丙级。
没有按工艺生产要求进行操作,产品质量不稳定。
2.根据评价结果,对严格按生产工艺规程操作规程,产品质量稳定,给予表彰、奖励。
对没有按生产工艺规程操作,产品质量不稳定,要追究其责任,分析原因,给予通报批评和经济惩罚。
本办法自公布之日起实施。
生产车间质量工作考核办法一、生产计划的执行情况(____分)检查是否按时、按质、按量的全面完成各项工作任务,有一项不合格扣____分。
二、生产工艺的执行情况(____分)是否执行本企业生产工艺技术规程,如不合格本项不得分。
三、操作规程的执行情况(____分)是否按操作规程操作,有无违反操作规程现象,如有一项不合格扣____分。
四、管理制度与标准的执行情况(____分)各项管理制度和执行标准是否落实,有无违犯现象,发现一处不合格扣____分。
五、设备管理执行情况(____分)是否按计划对设备进行日常维护、保养和检修,检查设备运行记录,如一项不合格扣____分。
六、卫生管理执行情况(____分)车间设备、环境、生产达标及个人卫生是否达到规定要求,有关人员定期进行健康查体、卫生常识教育,是否及时落实,发现一处不合格扣____分。
质量管理制度及考核办法质量管理制度及考核办法是企业用来规范和管理质量工作的重要文件,它对企业的质量管理体系、质量目标、质量责任、质量管理活动、质量管理机制等方面进行了详细的规定。
下面将从质量管理制度和考核办法两个方面进行详细的讨论。
一、质量管理制度1.质量管理体系的建立:制定质量管理体系文件,包括质量方针、质量目标、质量管理职责和权限、质量管理计划等内容,以确保质量管理的顺利进行。
2.质量目标的制定:根据企业的实际情况,制定合理、可行的质量目标,并明确具体的指标和时间要求,以激励全体员工积极参与质量管理工作。
3.质量责任的明确:明确各个岗位的质量责任和权限,确保质量管理的全面覆盖,包括从设计、生产到售后服务的全过程。
4.质量管理活动的规范:制定质量管理工作的具体要求和流程,包括质量检测、质量控制、质量改进等方面的活动,并且要求全员落实。
5.质量管理机制的建立:建立健全的质量管理机制,包括质量管理委员会、质量管理评审等,以确保质量管理的及时、有效进行。
二、质量管理考核办法1.考核指标的制定:根据企业的具体情况,确定一系列质量管理的考核指标,包括产品质量指标、质量投诉率、质量事故处理效率等等,以全面评估质量管理的情况。
2.考核方法的确定:明确质量管理考核的具体方法,包括定期抽样检查、现场督查、外部评估等多种方式,以确保考核的客观、公正。
3.考核权责的明确:明确各个岗位的考核权责,明确各个岗位在质量管理中的责任和权限,确保考核的科学有效进行。
4.考核结果的反馈:对考核结果进行及时的反馈和通报,明确考核结果对个人和团队的影响,激励员工积极参与质量管理,提高质量管理水平。
5.考核结果的运用:将考核结果与奖惩制度相结合,对于达到或超过质量管理目标的个人和团队予以奖励,对于未达标的个人和团队予以相应的惩罚,以激励全员提高质量管理意识。
以上就是质量管理制度及考核办法的具体内容,通过制定质量管理制度和实施考核办法,可以推动企业的质量管理工作不断提升,提高产品的质量水平,增强企业的竞争力。
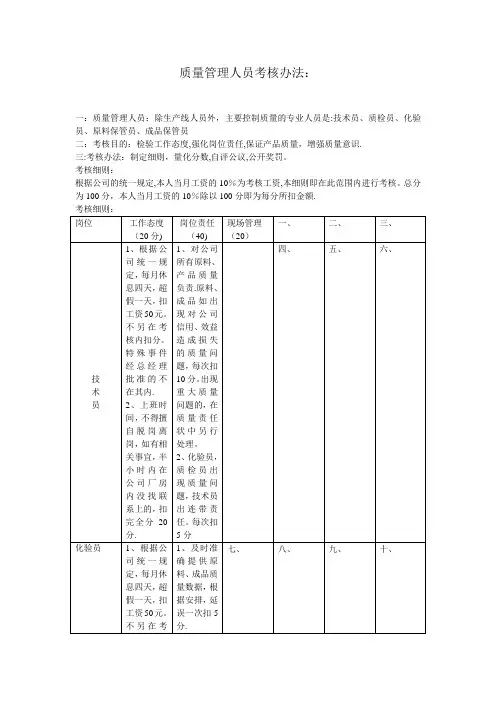
质量管理人员考核办法:一:质量管理人员:除生产线人员外,主要控制质量的专业人员是:技术员、质检员、化验员、原料保管员、成品保管员二:考核目的:检验工作态度,强化岗位责任,保证产品质量,增强质量意识.三:考核办法:制定细则,量化分数,自评公议,公开奖罚。
考核细则:根据公司的统一规定,本人当月工资的10%为考核工资,本细则即在此范围内进行考核。
总分为100分,本人当月工资的10%除以100分即为每分所扣金额.下面总结范文为赠送的资料不需要的朋友,下载后可以编辑删除!祝各位朋友生活愉快!员工年终工作总结【范文一】201x年就快结束,回首201x年的工作,有硕果累累的喜悦,有与同事协同攻关的艰辛,也有遇到困难和挫折时惆怅,时光过得飞快,不知不觉中,充满希望的201x年就伴随着新年伊始即将临近.可以说,201x年是公司推进行业改革、拓展市场、持续发展的关键年.现就本年度重要工作情况总结如下:一、虚心学习,努力工作(一)在201x年里,我自觉加强学习,虚心求教释惑,不断理清工作思路,总结工作方法,一方面,干中学、学中干,不断掌握方法积累经验。
我注重以工作任务为牵引,依托工作岗位学习提高,通过观察、摸索、查阅资料和实践锻炼,较快地完成任务.另一方面,问书本、问同事,不断丰富知识掌握技巧。
在各级领导和同事的帮助指导下,不断进步,逐渐摸清了工作中的基本情况,找到了切入点,把握住了工作重点和难点。
(二)201x年工程维修主要有:在卫生间后墙贴瓷砖,天花修补,二栋宿舍走廊护栏及宿舍阳台护栏的维修,还有各类大小维修已达几千件之多!(三)爱岗敬业、扎实工作、不怕困难、勇挑重担,热情服务,在本职岗位上发挥出应有的作用二、心系本职工作,认真履行职责,突出工作重点,落实管理目标责任制。
(一)201x年上半年,公司已制定了完善的规程及考勤制度。
201x年下半年,行政部组织召开了年的工作安排布置会议年底实行工作目标完成情况考评,将考评结果列入各部门管理人员的年终绩效.在工作目标落实过程中宿舍管理完善工作制度,有力地促进了管理水平的整体提升。
1 基本要求1.1 为了加强和完善工程质量保证体系,进一步加强和严格工程质量管理行为,执行质量责任制贯彻“管生产必须管质量”“谁主管、谁负责”“管业务必须管质量”的原则,明确炼化全体员工在质量工作上的责任、权限。
为贯彻本办法,对项目管理部的各个部门职责、人员职责条款的完成情况执行监督考核。
各部门需要加强对工程承包商的质量管理,以提升工程承包商的质量管理意识和管理水平,确保工程建设安全、优质、规范、有序进行,建设安全工程、优质工程、效益工程、绿色工程、阳光工程,实现工程优质、效益优良、干部优秀、违纪违法为零的目标。
1.2 本办法考评对象为炼化的各个部门,考评的内容条款依据包括各个部门的职责,涵盖了中石化总部、项目管理部对炼化工程建设承包商的例行检查,一旦对工程建设承包商检查出问题,则各个部门将承担相应的考核责任。
质量责任制考核与被考核单位和责任者的奖金挂钩,与评先评优挂钩。
1.3 本规定所称炼化,是指(广东)炼化有限公司、合资广东炼化一体化项目筹备组、合资广东炼化一体化项目管理部。
炼化各部门,是指(广东)炼化有限公司各部门,合资广东炼化一体化项目筹备组各部门、作业部(中心),合资广东炼化一体化项目管理部各部门、区域项目组(以下统称各部门)。
2 职责2.1 综合管理部2.1.1 负责将质量管理考核内容纳入项目管理的整体考核,负责兑现质量责任制的经济考核。
2.1.2 每月对提交的质量责任制考核进行汇总,并负责对接、核实及协调有关考核问题。
2.1.3 负责形成每月质量责任制考核结果。
2.1.4 对各部门质量责任制考核的执行情况进行监督、检查。
2.2 质量管理部2.2.1 是质量责任制考核的专业主管部门,负责质量责任制考核办法的起草、修订。
2.2.2 每月对各部门的质量责任制执行情况进行考核,并提交考核意见、将每月质量责任制的考核结果报与综合管理部。
2.3 控制管理部按照质量责任制考核委员会审定的考核结果对相关责任者(人员),按照合同进行考核。
质量管理制度检查考核计划为了进一步加强质量管理工作力度,使各项质量管理制度行之有效,让各级人员责任感得到加强,保证质量管理工作健康有效运行,根据本公司制订的质量制度及GSP的有关要求,特制定本质量管理制度考核计划,望各级人员做好准备工作。
(各部室人员必须在职在岗、不得缺席,检查到所做的各项记录必须能够及时提供)。
考核时间安排: 2008年12月26日至12月30日考核参加人员:质量领导小组全体成员包括各部室负责人具体人员有(***、***、***、***、***)检查考核内容:岗位技能、现场管理、药品质量、原始记录等,具体项目有:人员的基本素质,业务技能的熟练程度,各岗位质量管理职责的履行情况,业务经营质量控制程度,质量工作过程现场管理状态,质量原始记录的完整、有效,实际质量管理工作目标的满意程度。
检查考核目标:使企业能够严格按照GSP规范运行,使企业制定的各项制度得到有效的落实,最终保证药品质量,从而保证人体用药安全有效。
检查考核方法:采取全面考核与一般考核、定期考核与不定期考核、上级考核与部门考核相结合的办法;对重点制度、关键岗位重点考核,由质量管理部门和质量负责人牵头组织、相关部门参与,对有关岗位责任人采取书面考试结合现场检查和提问、文件核实等方法进行考核。
考核处理措施:对检查的过程予以如实记录,并对在检查中发现的问题和存在的缺陷进行总结,提出切合实际、行之有效的改进意见及整改措施,以使企业制定的各项制度得到有效的落实。
考核成绩作为各部室的工作实绩,记录在案,并作为年底评比先进及进行奖惩的重要参考要素之一。
******医药有限公司二〇〇八年十二月二十日质量管理制度检查考核记录记录人:质量管理制度检查考核记录记录人:质量管理制度检查考核记录记录人:质量管理制度检查考核记录质量管理制度检查考核记录记录人:质量管理制度检查考核记录记录人:质量管理制度检查考核记录记录人:质量管理制度检查考核记录记录人:质量管理制度检查考核记录记录人:THANKS致力为企业和个人提供合同协议,策划案计划书,学习课件等等打造全网一站式需求欢迎您的下载,资料仅供参考。
质量管理考核办法及实施细则范文一、引言质量管理是企业发展和提升竞争力的重要手段。
实施质量管理,需要建立一套科学、合理的考核办法和实施细则,以确保质量管理的有效实施和持续改进。
本文旨在探讨质量管理考核办法及实施细则的制定与实施。
二、质量管理考核目标1. 提高质量意识:通过考核,激发员工对质量管理的重视和参与度,使其形成自觉遵守质量管理制度的习惯。
2. 确保质量目标的实现:通过考核,监控和评估质量管理过程中的绩效指标,确保企业质量目标的顺利实现。
3. 发现和解决问题:通过考核,及时发现质量管理过程中存在的问题,促进改进和解决,为持续改进提供有力的保障。
三、质量管理考核内容1. 质量目标达成情况:考核质量目标的完成情况,包括质量指标的达标率、不合格品率、客户投诉率等。
2. 过程控制情况:考核过程控制的有效性,包括质量控制计划的执行情况、检验方法的正确使用、异常处理的及时性等。
3. 质量管理制度执行情况:考核质量管理制度的执行情况,包括是否按照规定的程序进行操作、是否按照规定的标准进行检验等。
4. 质量改进情况:考核质量改进的效果,包括纠正措施的有效性、预防措施的实施情况、持续改进的推进情况等。
四、质量管理考核方法1. 量化指标评估:将质量目标转化为具体的量化指标,通过评估指标的达成情况,对质量管理进行评估。
评估方法可以采用打分制、百分比制等。
2. 抽样调查:随机抽取一部分样本,对质量管理过程进行调查和检查,了解实际情况,发现存在的问题,并给出改进意见。
3. 自评与互评:组织内各级单位进行自我评估和相互评估,通过评估结果的比对和分析,找出存在的差距,确定改进方向,推动质量管理的持续改进。
4. 客户评价:定期对客户进行调查和询问,听取客户的意见和建议,了解客户对质量管理的满意度,并进行评价和反馈。
五、质量管理考核实施细则1. 考核周期:设定质量管理考核的周期,例如每季度或每半年进行一次考核。
2. 考核责任与组织:明确质量管理考核的责任主体和组织机构,指定专人负责考核工作的协调和监督。
质量管理制度考核办法工作质量是顾客安全和经济效益的前提和保证,各部门员工必须增强质量意识,提高工作效率,牢固树立各项工作以质量第一的思想,加大工作质量管理力度实现严格管理、高质量、盈客户、创效益的目标,特制定工作质量管理实施细则及考核办法。
1.办公室1)保持办公室的清洁卫生,不迟到早退。
发现一次扣____元。
2)所有员工应进行上岗培训和技能培训,培训不足扣____元。
3)在办公室不做与工作无关事情,做好来访人员的接待工作。
发现一次扣____元。
4)做好人员档案的建立和文件管理工作,发现一次扣10~____元。
2.生产车间、班组1)公司设立质量奖励基金,每年____元。
2)各产品质量事故及质量返工的罚款,进入公司质量奖励基金。
3)对一贯重视产品质量的车间、班组,对产品质量有突出贡献的个人(包括质检人员),可由质检人员提出推荐意见,经公司总经理批准,发放质量特别奖____元,并进行表彰。
4)每个分项产品品种,凡一次验收合格者,奖励____元。
5)每个分项产品品种,凡一次验收达到优质产品者,奖励____元。
6)每个分项产品品种,凡二次验收合格者,罚款____元。
7)每个分项产品品种,凡三次验收合格者,罚款____元。
8)以上奖励或罚款在每月结算工资时发扣。
3.操作员工1)不迟到早退,按要求着装,发现一次不合格扣____元。
2)进出入车间,不得吸烟。
发现一次不合格扣____元。
3)在车间内不得做与工作无关事情,不得串岗,不得使物资逆向流转。
发现一次不合格扣____元。
4)生产场所、设备、工器具必须按要求清洗消毒,保持环境卫生。
不得在车间内吃食物、吐痰等。
发现一次不合格扣____元。
5)严格按工艺要求进行生产,并根据技术人员安排做适当调整。
违反一次扣____元,并追究因操作不当引起的损失。
6)按要求对产品进行检验,不得将检验不合格的产品流转。
发现一次不合格扣____元,并追究因操作不当引起的损失。
4.质检员1)按要求对产品进行检验。
质量管理责任制考核方法为加强全体职工的质量意识,提高企业的产品质量,使企业在激烈的市场竞争中立于不败之地,长盛不衰。
按照企业的产品工艺流程和企业的质量管理方法现状,特制定本企业的质量考核方法。
一、原辅材料、添加剂、包材的质量管理1、所有原辅材料、添加剂、包装材料等在生产投入使用前,必须经过化验室检验人员检验合格后方可投入使用。
未经检验投入使用造成本批次产品质量不合格,对直接责任者罚款500元。
2、属于配比的辅助材料必须经过检验,未经验证的辅助材料按检验制度组织检验。
由于辅助材料不合格造成该批产品质量不合格,追究有关人员责任,可处300元罚款。
二、生产过程的质量管理1、在生产前必须检查生产设备的运行是否正常良好状态下运行,以确保生产过程的产品质量。
未经检查生产设备进行开机生产,责令停止生产。
2、属于半成品或中间产品需要检验未经检验的产品不准转移下道生产工序,经检验不合格,有重新加工价值的产品责令返工,无重新加工价值的产品报废品处理。
并且认真填写返工报废通知。
3、终端产品必须经过检验合格后方可入库,未经检验或检验不合格的终端成品,擅自按合格入库一经发现,处罚1000原罚款,造成经济损失的按直接经济损失50%赔偿。
三、产品质量检验管理1、质量检验员(化验员)产品质量检验过程中未能按照检验规范进行检验,造成检验收据不准确,入库或销售,给予检验人员警告处分。
2、质量检验员(化验员)在检验过程中玩忽职守,出具不真实的检验收据或假数据,调离检验岗位,给企业造成经济损失的,按实际经济损失50%赔偿,情节严重违反法律、法规按相应的法律法规处理。
3、质量检验员(化验员)对该批产品检验后必须认真做好原始记录并签发检验报告,并对出具的检验收据,检验结果负责。
四、一般质量问题的处理1、属于没有出厂的产品,因质量问题造成不良影响或损失的,按该批产品的数量,对直接责任人处以50元的罚款。
2、配制、配料、杀菌、灌装、定量包装等关键生产工序,因工作失职影响下道生产工序正常生产的,罚款直接责任人100元,车间主任50元。
生产过程质量管理制度及考核办法一、引言随着市场竞争日益激烈,企业对生产质量的要求越来越高。
为了优化产品质量,提高产品竞争力,必须要建立完善的生产过程质量管理制度。
通过制度的建立和实施,能够使企业加强对生产过程中的关键环节的监控,及时发现和纠正问题,保证产品的质量稳定可靠,提高产品符合率和质量安全性。
二、生产过程质量管理制度生产过程质量管理制度是指一套组织、计划、控制和评审生产过程的管理规程。
它主要包括以下几个方面:1. 生产过程的组织生产过程的组织是指根据产品特点和生产工艺要求,制定生产计划并按照计划实施生产活动。
在这个过程中,需要明确每个生产环节的职责和工作要求,以确保生产按质按量完成,同时避免出现质量问题和工作冲突。
具体包括以下要点:•制定生产计划,包括原材料采购、生产线调整、工艺优化等;•制定生产指导书,并监管实施,确保生产过程中的各项工作按质按量完成。
2. 生产过程的控制生产过程的控制是指为了保证产品质量,建立必要的监控和检测机制,及时发现和纠正问题。
具体包括以下:•制定生产过程的监控表,记录关键生产环节的检验内容和检验结果,随时了解生产进度和质量状况;•制定纠正措施,出现质量和技术问题及时组织报告和解决;•建立生产记录,收集完整、准确的生产数据,为生产管理提供依据。
3. 人员资质管理人员资质管理是指制定关于人员培训和技术提高的规定,以及明确人员责任和权利。
具体包括以下要点:•建立员工技能档案,记录培训、考核和奖惩情况;•制定技术细则,确保员工的工作符合技术标准;•建立技术考核制度,每年进行技术能力评估和考核。
三、生产过程质量管理制度考核办法为了监督生产过程质量管理制度的实施,加强管理,需要制定一套相应的考核办法。
以下是生产过程质量管理制度考核办法:1. 考核标准考核标准包括制度的建立、实施和改进等多个方面,旨在确保系统完善、管理得当和规定得到执行,具体包括以下方面:•制定了完备、规范、可操作的生产过程质量管理制度;•制度执行得当、有效,实现了制度设计的要求;•存在的问题及时发现、处理,具备纠错、改进的能力;•员工技能水平符合技术标准,企业内部技术优势稳步提升。
质量管理考核办法及实施细则前言随着市场竞争的加剧,提高企业质量管理水平已成为企业发展的需要。
质量管理考核是衡量企业质量管理水平的重要手段。
本文将介绍质量管理考核的办法和实施细则。
质量管理考核办法一、考核内容1.产品质量:考核企业生产的产品质量是否符合国家相关标准和企业内部标准。
2.工作流程:考核企业生产、管理和服务等工作流程是否规范、高效。
3.安全生产:考核企业安全生产意识是否强、安全管理制度是否完善。
4.环保情况:考核企业环保意识是否强,生产过程中是否达到环保标准。
二、考核方式1.自查:企业自主进行质量管理考核,对各项考核内容进行自评。
2.第三方考核:聘请第三方考核机构对企业质量管理进行评估。
3.专家评审:邀请有经验的质量管理专家对企业质量管理进行评审。
三、考核标准1.国家相关标准:生产的产品符合国家相关标准。
2.企业内部标准:企业建立内部标准,确保产品质量和工作流程的标准化规范化。
3.安全生产标准:生产中遵守国家和企业内部的安全生产制度,避免安全事故。
4.环保标准:生产过程中对环境的影响达到国家和企业内部要求。
四、考核时间1.年度考核:对企业每年进行一次质量管理考核。
2.随机抽查:每年对企业进行一到两次随机抽查。
质量管理考核实施细则一、自查1.做好准备工作:制定考核计划、明确考核的具体内容、制定考核要求和标准。
2.进行自我评估:企业对自身进行评估,对已有问题进行识别,做出改进计划,并跟踪改进执行情况。
3.形成评估报告:评估报告应包括评估结果、评估及改进建议。
二、第三方考核1.选择考核机构:选择经过认可的、具有一定资质和经验的考核机构进行评估。
2.开展考核:考核机构对企业质量管理进行评估,包括现场考察、资料审核等环节。
3.形成评估报告:评估报告包括企业质量管理状态评估、事实调查和分析挖掘、问题与风险分析、改进建议等内容。
三、专家评审1.确定评审专家:应从具有经验和资格的专家中选派适当人员组成评审小组。
质量管理考核办法及实施细则1. 概述本文旨在制定质量管理考核办法及实施细则,以提高企业质量管理水平,确保产品和服务的质量达到客户的期望。
2. 考核目标质量管理考核的目标是确保产品和服务能够满足客户的需求和期望,并持续提高质量管理水平,提高客户满意度。
3. 考核内容考核内容包括质量管理体系的设立和运行、质量目标的制定和实施、质量绩效的评估和改进等方面。
4. 考核指标(1)质量管理体系的设立和运行a) 是否建立了符合国际标准的质量管理体系,如ISO9001等。
b) 质量管理体系是否得到有效运行,相关流程是否系统化和规范化。
(2)质量目标的制定和实施a) 是否制定了明确的质量目标,目标是否可测量和可追踪。
b) 目标是否与企业战略目标相一致,是否能够反映客户需求和期望。
(3)质量绩效的评估和改进a) 是否对质量绩效进行评估,包括产品质量、服务质量和客户满意度等方面。
b) 是否能够通过评估结果识别问题和不足,制定改进措施并进行跟踪和监控。
5. 考核方法考核方法包括定量指标和定性评价相结合的方式,以全面评估企业的质量管理水平。
(1)定量指标通过设置一些定量指标,如合格率、不良品率、客户满意度指数等,对企业的质量绩效进行评估。
(2)定性评价通过邀请专家组成评审团队,对企业的质量管理体系进行审核和评估,包括文件的完整性、流程的规范性、人员的培训情况等。
6. 考核结果与改进措施(1)考核结果根据考核指标评估结果,对企业质量管理水平进行分类评定,如优秀、良好、一般、不达标等。
(2)改进措施根据考核结果,制定相应的改进措施和行动计划,通过持续改进提高质量管理水平。
7. 考核周期和频次根据企业的具体情况,制定考核周期和频次,一般建议每年至少进行一次质量管理考核。
8. 考核责任和监督质量管理考核由质量管理部门负责组织和实施,相关部门需积极配合,确保考核工作的顺利进行。
9. 考核结果的应用考核结果应及时反馈给相关部门和管理层,作为质量管理决策和改进措施制定的依据,以推动质量管理的持续改进。
广东广垦机械有限公司质量管理制度1 质量方针和质量目标本企业制定的质量方针和质量目标,是本企业质量宗旨和质量方向。
为了实现这质量方针和质量目标,希望质保师、各系统责任人,抓好质量工作,带领全厂员工为实现质量方针和质量目标而努力工作。
本企业质量方针,坚持“质量第一”、“安全第一”和“信誉第一”的质量方针。
本企业质量目标:1、产品出厂合格率100%;2、产品监检率100%;3、用户满意率99%以上。
2 质量管理的组织和领导行政组织机构图(图一)质量体系控制组织机构图(图二)总经理副总经理 副总经理技术开发中心 经营部 企管部、质检办设备制造厂质量保证工程师材料质控负责人 工艺质控负责人 焊接质控负责人最终检验质控负责人 无损检测质控负责人物理质控负责人 化学质控负责人总 经 理3 质量责任制考核办法为了加强本企业的质量管理工作,使全体员工按各项管理制度执行,做到人尽其责,特制订本考核办法。
1、质检科负责全企业的质量管理工作,对出企业的产品质量负全面责任,有权对各部门、各岗位的人员执行质量管理各项规定的情况进行监督、考核。
2、本考核办法采用打分制,每月考核一次,每次10分为满分,年终进行总评比,总分为120分。
3、凡在考核中发现未按规定要求执行,未履行职的部门、车间及个人,每发现一次扣1—5分。
4、对玩忽职守、造成质量损失的,要追究其责任,每发现一次扣10分,对造成重大质量事故的,按考核不合格执行。
5、对质量做出突出贡献的,经经理批准,增加5—20分。
6、年终总评比,总分低于100分,年度考核不合格,扣发部门年终奖金;高于100分者,发给年终奖金;高于120分者,由经理研究决定颁发奖金。
质量管理考核办法及实施细则范文一、背景介绍质量管理考核是企业评估和提升质量管理水平的重要手段,通过对质量管理工作的监督、评估和改进,可以促进企业全面提升质量管理水平,增强产品竞争力和市场声誉。
为了规范企业质量管理考核工作,制定合理的考核办法和实施细则,本文针对质量管理考核的目的、内容、程序和要求进行详细阐述。
二、目的质量管理考核的目的是评估企业质量管理工作的实施情况、发现问题和不足,并提出改进措施,促进企业质量管理的持续改进。
通过质量管理考核,可以确保产品和服务符合客户需求和法律法规要求,提高产品质量和市场竞争力,同时增强企业员工的质量意识和责任心。
三、内容质量管理考核的内容包括以下几个方面:1.质量目标的达成情况:评估企业在规定的时间范围内是否达到了质量目标,包括产品质量指标和客户满意度等方面的考核。
2.质量管理体系的运行情况:评估企业质量管理体系的建立和运行情况,包括质量管理文件的编制、培训和沟通的有效性,以及质量管理流程的实施情况等。
3.质量控制和改进活动的实施情况:评估企业质量控制和改进活动的实施情况,包括制定和执行质量控制计划、持续改进措施和纠正预防措施等。
4.质量问题的处理和反馈情况:评估企业对质量问题的处理和反馈能力,包括质量问题的发现、记录、分析和解决情况,以及对客户投诉的处理和回应等。
5.质量管理人员的履职情况:评估质量管理人员在质量管理工作中的履职情况,包括制定和执行质量目标、组织和推动质量改进项目、培训和激励员工等方面的考核。
四、程序质量管理考核的程序包括以下几个步骤:1.确定考核指标和权重:根据质量管理的目标和要求,制定相应的考核指标,并确定每个指标的权重,以反映其重要性和优先级。
2.收集相关数据和信息:收集与考核指标相关的数据和信息,可以通过内部审核、外部评估、质量报告、客户满意度调查等方式获取。
3.评估质量管理工作情况:根据收集到的数据和信息,对质量管理工作进行评估,判断是否达到了预期目标,并发现存在的问题和不足。
质量管理考核办法及实施细则范本第一章总则第一条为了规范企业的质量管理制度,提高全体员工的质量意识和能力,确保产品、服务的质量达标,制定本办法。
第二条本办法适用于我公司的全体员工,包括正式员工、合同工和临时工。
第三条考核内容包括但不限于:产品质量、服务质量、工作绩效、责任意识和团队合作等。
第四条考核周期为一年,具体时间以公司的年度计划为准。
第二章考核方法第五条根据不同的岗位设置不同的考核指标和考核方式。
第六条考核指标分为定量指标和定性指标,根据不同岗位的特点确定。
第七条定量指标可以根据产品的质量、工作绩效等进行量化评定,以数字表示。
第八条定性指标可以根据员工的态度、责任担当等进行评定,以文字描述。
第九条考核方式分为自评、上级评价和同事互评等。
第十条自评是员工根据实际工作情况,针对各项指标进行全面评价。
第十一条上级评价是员工的直接上级对员工的工作情况进行评价,包括考核指标的完成情况、工作态度等。
第十二条同事互评是员工之间相互评价,评价内容包括工作能力、沟通合作等。
第十三条考核结果以综合评定为准,各项指标的权重由公司根据具体情况确定。
第三章考核程序第十四条考核程序包括设定目标、考核准备、评定结果和反馈四个环节。
第十五条设定目标是根据岗位职责和具体工作内容确定考核指标和目标。
第十六条考核准备包括制定自评表、上级评价表和同事互评表,明确考核的时间节点。
第十七条评定结果是根据各项考核指标和员工的自评、上级评价、同事互评等进行综合评定。
第十八条反馈是根据评定结果,对员工的优点和不足进行指导和培训,帮助员工提高。
第四章考核奖惩第十九条根据考核结果,对于绩效优秀的员工,公司进行相应的奖励,包括晋升、加薪、奖金等。
第二十条对于考核不合格的员工,公司进行相应的惩罚,包括警告、降职、甚至解雇等。
第二十一条对于考核合格但有进步空间的员工,公司提供相应的培训机会,帮助员工进一步提高。
第五章评价与改进第二十二条评价是对本办法的实施效果进行评估,包括考核结果的准确性和员工对本办法的满意度等。
企业质量管理制度考核办法1
企业质量管理制度考核办法
质量管理制度考核办法
各部门员工必须增强质量意工作质量是顾客安全和经济效益的前提和保证,
加大工作质量管理力牢固树立各项工作以质量第一的思想,提高工作效率,识,
度实现严格管理、高质量、盈客户、创效益的目标,特制定工作质量管理实施细
则及考核办法。
、办公室1
元。
10保持办公室的清洁卫生,不迟到早退。
发现一次扣1)
元。
20所有员工应进行上岗培训和技能培训,培训不足扣2)
在办公室不做与工作无关事情,做好来访人员的接待工作。
发现一次扣3)
元。
5
10~50做好人员档案的建立和文件管理工作,发现一次扣4) 元。
、生产车间、班组2
元。
5000-10000公司设立质量奖励基金,每年1) 各产品质量事故及质量返工的罚款,进入公司质量奖励基金。
2)
对一贯重视产品质量的车间、班组,对产品质量有突
出贡献的个人(包3)
括质检人员),可由质检人员提出推荐意见,经公司总经理批准,发放质量特别
50-200奖元,并进行表彰。
元。
2每个分项产品品种,凡一次验收合格者,奖励4)
元。
5每个分项产品品种,凡一次验收达到优质产品者,奖励5)
元。
2每个分项产品品种,凡二次验收合格者,罚款6)
每个分项产品品种,凡三次验收合格者,罚款7) 元。
5
以上奖励或罚款在每月结算工资时发扣。
8)
、操作员工3
元。
5不迟到早退,按要求着装,发现一次不合格扣1)
元。
20进出入车间,不得吸烟。
发现一次不合格扣2)
在车间内不得做与工作无关事情,不得串岗,不得使物资逆向流转。
发3)
元。
10-20现一次不合格扣
生产场所、设备、工器具必须按要求清洗消毒,保持环境卫生。
不得在4)
元。
5-30车间内吃食物、吐痰等。
发现一次不合格扣严格按工艺要求进行生产,并根据技术人员安排做适当调整。
违反一次5)
元,并追究因操作不当引起的损失。
5-50扣
按要求对产品进行检验,不得将检验不合格的产品流
转。
发现一次不合6)
元,并追究因操作不当引起的损失。
10格扣
、质检员4
元并追究因此造成的经5-50误检一次扣漏检、按要求对产品进行检验。
1)
济损失。
2) 元。
10按要求对检测设备进行管理控制,发现一次不合格扣
元并侦察因此造成的经济损失。
10不得徇私舞弊,发现一次扣3)
5-50 按规定对厂区、人员、设备等卫生情况进行监督。
监督不力的,扣4)
元。
元并追5-50误检一次扣漏检、按要求对生产过程和工序产品进行检验。
5)
究因此造成的经济损失。
、采购员5
《采购申请单》严格按生产部填写的1) 规格等要求采购原辅料,上的名称、
追究采购人的责如不清楚也不过问的,避免错买。
不清楚的应向申报人问清楚,
任。
熟悉掌握原材料规格及价格,随时掌握市场行情,尽量降低成本,节约2)
费用。
如无客观因素,如采购原辅料不及时,影响了
地板生产,给公司造成不良
元。
50影响的,一次扣责任人
严格按公司《采购管理程序》进行采购,发现无证采购、关系采购、条3)
子采购、并追究因此造成的经济损元,200-500每次扣回扣采购等等不当做法,
失。
、库管员6
认真做好原辅料入库、发放登记,做到准确无误,出现差错一次扣当月
1)
元。
20工资
2) 元,并追究因此造10-50未经检验合格的原辅料不得入库,发现一次扣
成的经济损失。
发材料配件时,要反复核对名称、规格型号,做好发料原始记录,便于3)
元。
10质量追踪,无原始记录的扣责任人
变质或遗失的,若因工作失误造成损坏、做好原辅材料的保管清查工作,4)
元并追究因此造成的经济损失。
50扣
技术管理人员考核按业绩进行。
、7
各部门应做好规定的质量安全记录,记录不全或遗失、不记的,发现一、8
元,并追究因此造成的经济损失。
5-50次扣
、9 质量事故的处理
对质量事故必须坚持“三不放过”原则,产品质量事故的分析处理原则:1)
没有总结教训事故责任者和群众没有受到教育不放过;即事故原因不清不放过;
和没有防范措施不放过。
5-10元以内的)罚款100凡发生普通质量事故(即一次返工损失金额在2)
元。
3) 10-20罚款元以内的)200(即一次返工损失金额在凡发生一般质量事故
元。
罚款元以内的)300-1000(即一次返工损失金额在凡发生重大质量事故4)
元。
30-200
5) 对违反规定不听劝阻,不遵守劳动纪律,工作不负责任,失职造成质量
处以事故直接对事故的主要责任者和次要责任者,或隐瞒事故不报者,事故者,。
1-5%经济损失的
石嘴山市坤明眼镜有限公司公司培训管理制度
企业培训管理制度
、目的1。