露天矿山主要岗位风险分级管控规范
- 格式:doc
- 大小:296.00 KB
- 文档页数:13
安全风险分级管控岗位职责一、钻工岗位职责(一)在现场生产作业的人员,必须戴好安全帽、防尘口罩,穿好胶鞋、工作服,进行高空作业时,必须系好安全带,违者严禁进入作业现场。
(二)在生产过程中要听从安全员、爆破员的指挥。
(三)炮眼位置选择与布置,同时炮眼位置选择在临空面多的部位。
要尽可以避免穿岩石的裂缝,尤其是装填炸药的部位,不应有裂隙,以免爆炸时气体沿裂缝扩散而降低爆破效果。
(四)炮眼的方向不宜与最小抵抗线平行,最好垂直或斜交,使炮眼的深度大于最小抵抗线的长度,以避免发生冲炮。
(五)炮眼深度应根据岩石的坚硬程度而定。
熟悉和掌握计算公式。
(六)所有操作人员都要严格遵守企业管理生产制度及岗位责任制,认真遵守技术操作规程及文明生产,防止各类事故发生,保质保量完成上级下达的生产任务。
二、放炮工岗位职责(一)放炮工应服从领导分配,认真负责,保证按质按量完成任务。
(二)严格遵守放炮安全规程和操作规程,必须按火工品的管理规定执行领退制度。
炸药、雷管必须分装在加锁的炸药箱内。
领取退还和背炸药箱不得由别人代替,不得有任何违章和冒险作业的行为,如因失职或违反规程,造成炸药雷管丢失及发生事故应及时分析并追究责任。
(三)放炮后必须对工作面认真检查,如发现有不安全情况应及时处理,如确实处理不了的,应及时报告处理,确认安全后,才可进行工作。
(四)严格遵守装药放炮制度,必须认真执行“十不放炮”制度:(1)安全情况不好不放;(2)炮眼不合理不放;(3)设备工具未收齐移至安全地点不放;(4)人数未点清不放;(5)炮线不够长,距离不够远不放;(6)放炮开关(放炮器)不好不放;(7)警戒未设好不放;(8)未发出信号不放;(9)人员未离警戒线不放;(10)警戒人员未到位不放。
三、装载机(挖装机)岗位职责(一)装运机司机要了解所驾驶的机械性能。
熟悉操作方法和保养规定方可进行操作,酒后及非生产装运机司机不得任意开车。
(二)司机要坚持工作岗位,不得擅自离开工作岗位,工作要精神集中,不准开玩笑、打闹或作无益动作,应听从现场人员的指挥,检查机械四周是否有人站立,对有关机械安全生产情况及时汇报。
露天煤矿风险分级管控标准化1. 引言露天煤矿是指采用露天采矿方法进行煤炭开采的矿山。
由于其特殊的开采方式和地质条件,露天煤矿面临着诸多的安全风险。
为了有效地控制和管理这些风险,需要建立一套标准化的风险分级管控标准。
本文将介绍露天煤矿风险分级管控的标准化要求及其实施方法。
2. 露天煤矿风险分级露天煤矿的安全风险主要包括地质灾害、矿山地表塌陷、爆炸和火灾等。
为了对这些风险进行科学合理的管理,需要将其进行分级。
目前,国际上主要采用的是风险等级法进行分级。
2.1 风险等级分类根据风险的性质和严重程度,将露天煤矿的风险分为五个等级,分别为高风险、较高风险、一般风险、较低风险和低风险。
•高风险:指可能造成重大事故、重大人员伤亡及财产损失的风险。
•较高风险:指可能造成较大事故、较大人员伤亡及财产损失的风险。
•一般风险:指可能造成一般事故、一般人员伤亡及财产损失的风险。
•较低风险:指可能造成较小事故、轻微人员伤亡及财产损失的风险。
•低风险:指可能造成极小事故、非常轻微人员伤亡及财产损失的风险。
2.2 风险评估和分级标准在进行风险分级时,需要进行风险评估并参照相关的标准进行分级。
具体的风险评估和分级标准可以根据国家和地区的具体情况进行制定,包括地质条件、设备状况、作业环境等因素。
3. 露天煤矿风险管控标准化要求为了有效地管控露天煤矿的安全风险,需要建立一套标准化的风险管控制度。
以下是在露天煤矿风险管控中应遵循的标准化要求。
3.1 风险管控目标风险管控的目标是保障露天煤矿的安全生产和人员健康,防止事故发生并最小化事故造成的损失。
3.2 风险管控原则风险管控的原则是以预防为主,综合运用技术、管理、培训等手段,全面管理和控制风险。
3.3 风险管控措施根据风险分级的结果,采取相应的风险管控措施,包括设备维护与更新、作业流程优化、应急预案制定与演练等。
3.4 风险管控监督与检查建立健全的风险管控监督与检查制度,定期对露天煤矿的风险管控情况进行检查和评估,及时发现和解决问题。
露天煤矿安全风险分级管控工作制度一、背景和意义露天煤矿是我国煤炭资源重要的开发方式之一,其规模大、开采率高、产能大等特点,使得其安全事故对煤矿企业和整个社会产生了巨大的影响。
近年来,我国煤矿安全形势呈好转趋势,其中安全风险的管控和预防起到了重要的作用。
所以,建立科学的露天煤矿安全风险分级管控工作制度,对于改进露天煤矿安全生产形式,保障人员生命安全和矿山的可持续发展具有重要的意义。
二、制度目的本制度的制定目的是为了:规范露天煤矿安全风险分级管控工作,建立科学的安全管理制度,防范和控制煤矿安全生产事故的发生,保障职工的生命财产安全,促进煤矿安全生产形势的稳定发展。
三、测评指标1.采矿斜坡•采矿斜坡的坡度和坡长•斜坡开采分阶段的路径交通•斜坡开采的剖面形状和安全距离•斜坡出入口的通风和防护设施2.爆炸物的存储和使用•爆炸物的种类、数量和储存方式•爆炸物作业的安全保障措施•爆炸物的审批和适用条件3.自然因素•水文地质环境•天气和气候条件•地形地貌四、风险分级对于上述三大类指标,我们分为低风险、中风险和高风险三类。
其中,低风险指标完全符合安全要求,不需要进行特别的安全防护设施;中风险指标需要采取一定的控制措施和防护措施,以确保安全;高风险指标需要采取最高控制措施和防护措施,以尽量减少事故发生的概率。
五、管控措施1.低风险控制措施对于低风险指标,我们需要建立严格的管理制度和操作规范,确保符合安全生产要求。
同时,可以通过设立警示标志来提醒职工注意安全。
2.中风险控制措施对于中风险指标,我们除了要建立管理制度和操作规范之外,还需要采取一定的安全措施,例如设置安全栏杆、安装安全网等。
同时,需要进行定期的验收和检测,确保安全设施的有效性和可靠性。
3.高风险控制措施对于高风险指标,我们需要采取最高的安全措施和防护措施,例如:设立隔离区域、使用安全护具等。
另外,还要建立应急预案,以便在事故发生时能够及时有效的应对。
六、指责分工和管理本制度对于安全生产管理部门及生产车间管理人员等提出了管理要求。
露天煤矿安全风险分级管控工作制度(5篇范文)第1篇露天煤矿安全风险分级管控工作制度第一章总则第一条为落实“安全第一、预防为主、综合治理”的安全生产方针,全面推行安全风险分级评估,提升安全风险管控水平,有效控制事故的发生,通过对生产活动和生产系统中存在或潜在的危险源的辨识,进而对其进行消除、减少、控制,实现煤矿人-机-环-管系统的最佳匹配,特制订本制度。
第二章组织管理第二条矿长是安全风险分级评估管理第一责任人,对安全风险管控工作全面负责;各分管业务负责人对分管范围内的安全风险管控工作负责,具体组织实施分管范围内的安全风险辨识、评估分级、控制管理、公告警示等工作;各业务科室是安全风险管控工作管理部门,负责业务范围内安全风险评估、管控工作的组织协调、业务指导和检查督导;班组负责实施重点工序安全风险评估管理;岗位人员负责实施本岗位的安全风险评估管理。
第三条安环科负责安全风险分级评估、管控工作的总体组织、协调。
第三章安全风险辨识范围第四条风险辨识范围包括煤矿各大生产系统及采掘范围,覆盖全矿穿孔、爆破、采装、运输、排土、机电、边坡、地面系统、筛分系统及其他辅助环节的全过程。
第四章安全风险的辨识内容第五条每年底开展下一年度的安全风险辨识和评估工作,重点对边坡、爆破、防治水及防灭火等易造成群死群伤的危险因素进行辨识。
第六条新水平、新采区、新工作面设计前开展一次专项辨识工作,重点对待设计水平、采区、工作面地质条件及潜在的重大灾害因素等进行辨识。
第七条生产系统、生产工艺、主要设施设备、重大灾害因素等发生重大变化时,开展一次专项辨识工作,重点对爆破参数、边坡参数等出现重大调整情况进行辨识。
第八条新技术、新材料试验或推广应用前或停产1个月以上需要复产复工前开展一次专项辨识工作。
第九条本矿发生死亡事故或涉险事故、出现重大事故隐患或所在省份发生重特大事故后,开展一次专项辨识工作,重点针对发生的事故,对比本矿其他作业点或类似事故隐患的地点、隐患进行危险因素辨识,针对事故所涉及的专业、系统开展辨识工作。
露天采石场风险分级管控和隐患排查治理体系建设方案一、背景介绍露天采石场是一种矿山开采方式,存在一定的安全隐患。
为了确保露天采石场的安全生产,必须建立科学有效的风险分级管控和隐患排查治理体系。
本文将提出相应的建设方案。
二、风险分级管控1. 风险评估:对露天采石场进行全面的风险评估,确定各项危险源和可能导致的风险。
根据评估结果,对风险进行分级,明确轻微、一般、较重、重大等级别。
2. 风险管控措施:针对不同级别的风险,制定相应的管控措施。
比如加强安全教育培训、规范操作流程、加强设备维护保养等。
3. 风险监控:建立风险监控机制,定期对风险进行评估和反馈,及时调整管控措施,确保风险受控。
三、隐患排查治理1. 隐患排查:组织专业团队对露天采石场进行全面的隐患排查,发现存在的安全隐患并记录整理。
2. 隐患整改:根据排查结果制定整改计划,并按照整改计划逐项整改,确保排除安全隐患。
3. 隐患追踪:建立隐患追踪机制,对整改情况进行跟踪监督,确保整改到位。
四、体系建设方案1. 建立工作机构:成立专门的安全生产管理部门,负责露天采石场的安全生产管理工作。
2. 制定管理制度:制定相关管理制度和操作规程,明确各项工作职责和流程。
3. 加强技术培训:建立健全的技术培训体系,提高员工安全生产意识和技能水平。
4. 定期演练:定期组织应急演练,提高应急处置能力,确保遇到突发情况时能够及时有效处置。
五、总结通过以上方案的实施,可以有效的提升露天采石场的安全生产水平,降低事故风险,确保工作人员的生命财产安全。
同时,也为企业的可持续发展提供了保障。
愿所有的努力都能带来更加安全的工作环境。
2023年露天煤矿安全风险分级管控工作制度为了加强对露天煤矿安全风险的管控,保障生产安全和职工生命财产安全,制定此《2023年露天煤矿安全风险分级管控工作制度》。
一、风险分级原则本制度将风险等级分为五级,分别是极高、高、中、低、极低,分级原则如下:1.以可能导致重大伤亡事故为判断标准,发生可能性愈高、后果愈严重的风险,其等级愈高。
2.对于特别重要区域、特别重要作业的处置,应当遵循风险最高等级作为管控原则,把安全工作抓细抓实。
二、风险等级的评定为了保证对风险等级评定的科学性和实用性,我们使用的评定原则如下:1.将所有可能出现的风险进行清单化,根据预期事件的概率和事件的危害程度,确定每项安全风险的等级,按照客观、公正、科学的原则进行评定。
2.对于不同区域、不同作业场所、不同生产要素的风险等级、评价标准等应当分别提出。
三、风险管控措施针对不同级别的风险,我们提出了以下管控措施:1. 极高风险1.1. 向相关部门报告准确、全面、及时,及时采取措施避免风险并消弭隐患。
1.2. 深入开展安全生产检查,对隐患地点和偏差行为进行全面排查,采取有效措施予以纠正。
1.3. 制定严格的闭环体系,加强对危险区域、危险区段和重大动工的监管和控制。
2. 高风险2.1. 详细制定相应的安全环保方案,并进行试验、调试,确保方案切实可行。
2.2. 对区域、作业场所进行必要的安全隔离,保证安全生产。
2.3. 设立明确的安全防护措施和设备,确保危险因素的彻底控制。
3. 中风险3.1. 做好应急预案,及时应对紧急情况。
3.2. 加强现场管理,增强操作人员安全及环保意识。
3.3. 防止使用不合格设备、材料、人员等,及时修理维护设备,确保设备完好有效。
4. 低风险和极低风险4.1. 完善工艺制度,加强技术培训,提高操作技能和技术素养。
4.2. 做好作业记录,收集、汇总作业情况,及时发现问题、纠正错误。
4.3. 加强资讯领域的经验交流,充分利用新兴技术的优势,提升管理水平和工作效率。
高密市金坤诺矿业有限公司安全生产风险分级管控管理制度1 目的为了有效指导公司落实开展安全生产风险管控工作,达到降低风险、消除风险,杜绝和减少各种隐患和生产安全事故的发生,编制本制度。
2 范围适用于本公司范围内所有活动、产品和服务中危险源的识别、评价、更新与管理。
3 编制依据(1)GB/T 13861 -2009 生产过程危险和有害因素分类与代码(2)DB37/T 2882-2016 安全生产风险分级管控体系通则(3)DB37/T 2974-2017 工贸企业安全生产风险分级管控体系细则(4)《山东省安全生产条例》(2017年5月1日)(5)《山东省生产经营单位安全生产主体责任规定》(省政府令第311号)(6)《关于建立完善风险管控和隐患排查治理双重预防机制的通知》(鲁政办字〔2016〕36号)(8)《关于深化安全生产隐患大排查快整治严执法集中行动推进企业安全风险管控工作的通知》(鲁安发〔2016〕16号)(9)《关于进一步加强风险管控与隐患排查治理“双重预防体系”建设的通知》(鲁安发〔2017〕12号)(10)《山东省人民政府办公厅转发省安监局关于进一步做好安全生产风险分级管控和隐患排查治理双重预防体系建设工作的意见的通知》(鲁政办字〔2017〕194号)(11)关于印发《2018年全省安全生产风险分级管控和隐患排查治理双重预防体系建设推进工作方案》的通知(鲁安发〔2018〕29号)(12)关于印发《全省工矿商贸企业安全生产风险隐患双重预防体系建设推进工作方案》的通知(鲁应急发〔2019〕38号)(13)《企业职工伤亡事故分类标准》GB6441(14)《职业健康安全管理体系规范》GB/T28001(15)《安全生产风险管控办法》(山东省人民政府令第331号)行业涉及的其他标准、规范、文件。
3术语和定义3.1风险生产安全事故或健康损害事件发生的可能性和严重性的组合。
可能性,是指事故(事件)发生的概率。
金属非金属露天矿山企业安全生产风险分级管控体系一、引言金属非金属露天矿山企业安全生产风险分级管控体系是指矿山企业根据其生产经营活动的特点和存在的安全生产风险,采取相应的措施对风险进行分级管理和管控的体系。
随着矿山企业安全生产形势的不断变化和国家对安全生产工作的强力监管,建立和健全金属非金属露天矿山企业安全生产风险分级管控体系显得尤为重要。
二、风险分级1. 定义风险分级是指根据风险的可能性和后果的大小,将风险分成不同级别,以便对不同级别的风险采取相应的管控措施。
2. 分级原则风险分级应遵循以下原则:- 根据风险的可能性和后果的大小进行综合评估,确定风险等级;- 风险等级分级越详细越好,以细化风险管控措施;- 风险等级分级应符合国家相关标准和规定,综合考虑矿山企业的特点和实际情况。
3. 分级方法风险分级可以采用定性分析和定量分析相结合的方法,包括但不限于风险矩阵法、层次分析法、故障树分析法等,以全面评估矿山企业的安全生产风险。
三、管控措施1. 定义管控措施是指为降低或消除风险而采取的预防、控制、应急和复原措施,包括技术、管理、培训等方面的措施。
2. 控制原则管控措施应符合以下原则:- 预防优先,加强隐患排查和技术改造,降低事故发生的可能性;- 控制重点,加强现场管理和监督,减少事故发生的损失;- 应急及时,建立健全应急预案和救援机制,最大限度减少事故损失;- 复原恢复,及时总结教训,改进管理措施,避免类似事故再次发生。
3. 措施落实管控措施的落实需要全员参与,重点是要做好安全生产教育和培训工作,使全体员工都熟悉并掌握安全生产制度和操作规程,提高安全生产意识和自我保护能力。
四、个人观点金属非金属露天矿山企业安全生产风险分级管控体系是矿山企业安全文化建设的重要组成部分,是保障矿山企业安全生产的重要手段。
我认为,建立健全该体系对于矿山企业来说至关重要。
只有通过深入地分析和全面的管控,才能更好地防范和减少事故的发生,保障员工的生命财产安全,确保企业的正常生产和经营。
露天煤矿安全风险分级管控工作制度露天煤矿作为一种常见的采矿方式,由于其采矿方法的特别性和采煤现场的特别环境,存在着较高的安全风险。
为了进一步保障煤矿工人的生命安全和健康,必需建立完善的安全管理制度,以削减煤矿事故的发生。
本文重要针对露天煤矿的安全风险进行分级管控,以期形成牢靠的安全管理体系。
一、安全风险分级1.高风险区域:重要指采煤现场、矿山高墙、采煤机切眼等简单发生重点事故的场所。
2.中风险区域:重要指露天煤矿内部,如车辆行驶通道、转换场、输煤线轨道、配电室等。
3.低风险区域:指煤矿内部相对较安全的地方,如办公区、休息区、食堂、卫生间等。
二、管理工作制度1.高风险区域管理:(1)建立专门的安全保障设施,加强现场检查和监督,确保矿山高墙的稳定性。
(2)采煤现场应设置相应的警示标志,加强停车、转场、开机等关键环节的安全管理。
(3)在采煤机切眼等特别场所,应设置专人专职负责安全监管工作,严格执行安全标准。
(4)针对高风险区域的特别安全管理工作场所,应严格掌控人数,并建立完善的应急预案制度。
2.中风险区域管理:(1)建立完善的保护措施,保证输煤线轨道、配电室等设施的运行安全。
(2)严格执行车辆通行规定,保证车辆安全通行。
(3)加强对中风险区域的安全监管,防止存在隐患情况的脚踏车、电动车等不合规交通工具的显现。
(4)在中风险区域内宣扬安全学问,提高员工安全意识和自我保护意识。
3.低风险区域管理:(1)将低风险区域内的卫生设施、饮食厨房等设施适时检查,除去安全隐患,确保员工生活环境的安全。
(2)加强对食品卫生的监管,定期进行食品检测,确保员工饮食健康安全。
(3)建立健全的员工考勤制度,加强员工的纪律性和规范性,提高员工的企业文化素养。
三、监管体系建设1.建立完善的安全检查制度,定期对各个区域进行安全检查及处置。
2.建立健全的安全应急预案制度,应对突发事件,适时进行应急处理。
3.通过培训、宣扬及阅历交流等方式,提高员工安全意识和自我保护意识。
露天矿山主要岗位风险分级管控标准露天矿山的开采作业涉及多个岗位,每个岗位都存在着不同程度的风险。
为了保障矿山的安全生产,提高风险管理水平,有必要对主要岗位的风险进行分级管控。
以下是根据露天矿山的特点,制定的主要岗位风险分级管控标准。
一、穿孔岗位1、风险识别机械伤害:穿孔设备在运行过程中可能导致操作人员肢体卷入或碰撞受伤。
高处坠落:在高处作业平台进行设备检查和维修时,存在坠落的风险。
粉尘危害:穿孔作业产生大量粉尘,长期吸入可能导致尘肺病。
噪声危害:设备运行时产生的噪声可能对操作人员听力造成损伤。
2、风险评估机械伤害:根据设备的运行速度、防护装置的有效性等因素,评估为中等风险。
高处坠落:考虑作业平台的高度、防护栏杆的可靠性,评估为较高风险。
粉尘危害:依据粉尘浓度、作业时间和防护措施,评估为中等风险。
噪声危害:结合噪声强度、作业时长和个人防护用品的使用,评估为中等风险。
3、管控措施机械伤害:定期对设备进行维护保养,确保防护装置完好有效;对操作人员进行安全培训,提高安全意识和操作技能。
高处坠落:设置牢固的防护栏杆和安全网,作业人员佩戴安全带;定期检查作业平台的稳定性。
粉尘危害:配备有效的降尘设备,如洒水车、喷雾装置等;为操作人员提供防尘口罩,并监督其正确佩戴。
噪声危害:选用低噪声设备,在设备上安装消声器;为操作人员配备耳塞或耳罩,并要求其正确使用。
二、爆破岗位1、风险识别爆炸伤害:爆破作业过程中,炸药爆炸可能造成人员伤亡和设备损坏。
飞石伤害:爆破产生的飞石可能击中附近的人员和设施。
有害气体:爆破后产生的一氧化碳、氮氧化物等有害气体可能对人员健康造成危害。
盲炮处理风险:未爆炸的雷管和炸药在处理过程中存在爆炸的危险。
2、风险评估爆炸伤害:由于爆炸威力巨大,评估为极高风险。
飞石伤害:根据爆破参数、地质条件和防护距离,评估为较高风险。
有害气体:考虑通风条件和作业时间,评估为中等风险。
盲炮处理风险:盲炮处理不当极易引发爆炸,评估为极高风险。
金属非金属露天矿山行业企业安全生产风险分级管控体系实施指南金属非金属露天矿山行业是重要的工业领域之一,但由于其特殊的工作环境和高风险性质,安全生产问题一直备受关注。
为了确保矿山企业的安全生产,需要建立一套完善的风险分级管控体系。
本文将从建立风险分级管控体系的必要性、具体步骤和实施指南等方面进行探讨,并提出一些建议。
建立金属非金属露天矿山行业企业安全生产风险分级管控体系的必要性是现代化管理的要求。
随着经济的发展和技术的进步,矿山企业的规模不断扩大,安全生产风险也随之增加。
建立风险分级管控体系可以明确不同风险的性质和等级,有针对性地进行管控措施,最大限度地减少事故发生的可能性,保障工人的生命安全和财产安全。
同时,风险分级管控体系可以提高矿山企业的管理水平,减少潜在的损失和经济成本,提升企业的竞争力。
建立金属非金属露天矿山行业企业安全生产风险分级管控体系的具体步骤如下:第一步:确定风险分级标准。
应根据相关法规和标准,结合矿山企业的实际情况,确定风险分级的指标和评估标准。
通常可以从潜在危险性、暴露程度、事故后果等方面进行评估和划分。
第二步:识别风险因素。
通过对矿山企业的工作环境、设备、工艺流程等进行全面的调查和分析,识别可能存在的风险因素。
包括物理因素(如高温、高压、高噪声等)、化学因素(如有害气体、有毒物质等)、生物因素(如疾病、咬伤等)和人为因素(如工作操作错误、违章行为等)。
第三步:评估风险级别。
针对识别出的风险因素,进行评估,确定其危险程度和可能产生的后果。
可以采用定性和定量相结合的方法,根据评估结果将风险分为重大风险、较大风险、一般风险和一般风险以下。
第四步:制定管控措施。
根据风险的等级,制定相应的管控措施。
对于重大风险和较大风险,要采取更加严格和切实可行的措施,包括技术措施、管理措施和个体防护措施等。
对于一般风险和一般风险以下,要制定相应的标准和规范,确保落实到位。
第五步:监控风险管控的有效性。
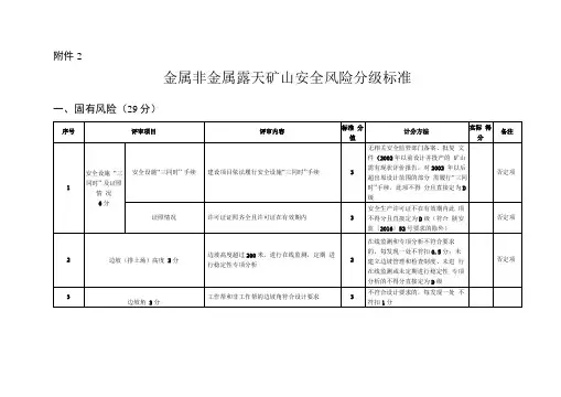
非煤矿山露天采石场主要风险分级表危急性分值序号损害类型危急性描述D=L×E×C 风险等级L E C D1 坍塌露天采场边坡失稳、地面建〔构)筑物等由于地基深陷、外力因素等导致坍塌,3 6 15 270 二级造成人员伤亡和设备损坏。
2 物体打击高处落下的物体、高速运转的机械甩出物料造成作业人员损害。
1 6 15 90 三级3 机械损害机械设备作业人员碰伤、挤伤等。
3 6 15 270 二级4 车辆损害各类铲装、运输设备造成人员碰伤。
3 6 15 270 二级5 高处坠落人员在高度大于2m 的工作平台处作业时坠落。
36 15 270 二级6 触电电气设备、设施防护缺失或失效造成人员电损害。
3 6 15 270 二级7 火灾电焊、明火、电气等引起火灾 3 3 40 360 一级8 容器爆炸机修作业时使用的氧气、乙炔瓶等受撞击爆炸。
1 6 7 42 四级9 水灾暴雨等恶劣天气引发洪水。
3 0.5 40 60 四级10 淹溺作业人员在蓄水池等处作业时溺水 3 6 15 270 二级11 粉尘采装运输环节产生粉尘对人体造成职业损害。
3 6 3 54 四级12 噪声振动工程机械作业时噪声振动对人体造成职业损害。
3 6 3 54 四级13 高温作业人员长时间在高温环境下作业导致中暑。
3 3 15 135 三级附件2:矿山特别场所风险分级边坡风险分级管控标准单元工程评价内容设立边坡专〔兼〕职边坡治理组织或人员。
有边坡稳定专项措施及滑坡应急预案。
1.综合分值0.50.5计分方法未设置边坡治理组织或人员,不得分。
未制定专项措施或应急预案,不得分。
考核方式查阅边坡治理组织设立文件、人员任命文件。
查阅边坡稳定专项措施及滑坡应急预案。
得分0.5边坡治理〔10 分〕治理2.日常治理大、中型矿山或边坡潜在危害性大的矿山,应建立边坡监测系统,对边坡应进展定点定期观测,对存在不稳定因素的最终边坡应长期监测,觉察问题准时 1处理。
露天采石场风险分级管控和隐患排查治理体系建设方案概述露天采石场作为一种常见的采石方式,由于其便捷、快速的特性受到广泛的应用。
但是采石作业所带来的风险也不能忽视,特别是针对环境、安全、健康等方面的影响。
本文将探讨如何建立有效的风险分级管控和隐患排查治理体系来应对露天采石场作业中的风险和隐患问题。
风险分级管控风险概念对于采石场的安全生产风险,初步可以考虑从人员、机械、地质、环境等各个角度进行分析。
•人员方面:包括从业人员的安全、职业健康及管理等问题。
•机械方面:主要包括设备的运行安全、设备的保养维护等。
•地质方面:主要考虑事故隐患产生的可能性、地质灾害的发生情况等因素。
•环境方面:主要考虑采石场周围环境的各种可能因素,如水源、气体、渣土等的处理、储存、处理问题等。
风险分级在进行风险管理前,需要对风险进行分级和评估。
依据风险分级的结果,可以采取更有针对性的管控措施来减少风险可能带来的损失。
风险分级通常有三个级别:•高风险级别:代表可能导致较为严重的事故或破坏,需要紧急采取控制措施。
•中风险级别:代表可能导致一定的损失,但不会危及生命或重要资源等,需要采取相应的控制措施。
•低风险级别:仅会引起轻微的损失或影响,但这些小事故或小破坏如果长期发生仍然需要采取控制措施。
风险管控针对不同的风险级别,采取不同的管控措施。
•高风险级别:尽可能采取立即控制措施以避免后续的损失和危害,并着重分析原因和隐患的复杂性,加强监控措施。
•中风险级别:采取一定的控制措施,在降低风险的同时做好风险管控工作。
•低风险级别:系统控制,保证发生不会对信誉带来太大影响的安全事故。
隐患排查治理采石场的管理者应遵循“预防为主、治理并行”的思想,根据实际情况制定细化、完备的排查治理方案,实施隐患排查治理。
隐患排查隐患排查是指采石场工作人员对圆点采石机、运输车、堆放场地、作业人员的安全行为等方面的检查和排查。
从以下几个方面进行排查:•人员安全操作规程的制定和执行情况;•设备使用情况,对设备的保养及时性的排查;•地质中存在危险隐患点的清查;•环境因素对采石作业造成的可能影响点的清查等。
露天煤矿安全风险分级管控工作制度露天煤矿安全风险分级管控工作制度一、制度目的为了确保露天煤矿的安全生产,及时发现和控制安全风险,保障员工的生命财产安全,制定本制度,明确露天煤矿安全风险分级管控的工作流程和具体职责。
二、适用范围本制度适用于所有煤矿从业人员,包括而不限于煤矿管理人员、作业人员、安全保护人员等。
三、责任部门1. 煤矿管理部门负责制定和实施本制度,加强对员工的安全教育培训,及时开展安全检查和隐患排查,并对检查和排查的结果进行整理和分析,提出控制风险的措施和建议。
2. 安全保护部门负责制定安全保护措施和安全维护规定,配合开展安全检查和隐患排查,及时解决安全隐患。
3. 作业人员负责配合实施本制度,严格按照规定的安全操作规程进行作业,发现安全隐患及时上报、落实整改措施。
四、风险分级管控1. 风险评估对于煤矿的工作环境、作业程序、人员数量、安全防护设施等进行评估,并对各项评估指标进行逐一量化,对各项评估指标进行评估,进行风险等级判定。
评估指标包括但不限于:煤层稳定性、地质条件、气质条件、天气变化、污染物排放等。
2. 风险等级判定根据风险评估结果,将风险等级判定为绿色、黄色、橙色、红色四个等级。
其中绿色等级表示风险较低,黄色等级表示风险适中,橙色等级表示风险较高,红色等级表示风险极高。
3. 风险管控根据风险等级,制定相应的管控措施,其中绿色等级风险的管控重点在于预防措施,黄色等级风险的管控重点在于监测与控制措施,橙色等级风险的管控重点在于紧急措施与应急预案,红色等级风险的管控则需要立即停工。
同时,对于不同风险等级的管控措施,要进行分类、标识、清晰明了的标示,并进行专人负责管理。
4. 风险监测对于煤矿相关工作环境、作业程序、人员数量、安全防护设施等要进行镜头监测,实行24小时实时监控,确保安全风险及时被发现、及时防范。
五、制度实施煤矿管理部门应制定具体的实施方案,为保障实施效果,应在实施过程中注重随时总结经验和不足进行改进。
欢迎阅读附件1露天矿山风险分级管控体系建设参考内容1、露天矿山评估单元划分附表1.1.1 露天矿山单元划分表序号主单元分单元子单元岗位(设备设施/作业活动)单元1 露天采场平台安全平台、清扫平台、运输平台、生产平台各平台作业相关人员,如滚石清理、运输作业等边坡采场边坡、道路边坡、工业场地边坡……及其监测边坡构筑、边坡维护、巡防等边界防护/巡防边界、防止非相关人员进入作业场所等安全警示/安全警示、安全标志设置等凿岩爆破凿岩、爆破、铲装凿岩工、爆破工、挖掘机司机、装载机司机、铲运机司机、信号工、电工、钳工、维修工、破碎司机、洒水车司机、油料车司机、采运内线司机等废弃巷道、采空区、溶洞废弃巷道、采空区、溶洞地质测量、充填、排水等2 开拓运输公路运输道路、警示、防护栏、避让、转载、照明筑路工、洒水司机、采运内外线运输司机、维修工、道路维修工等铁路运输线路、防护、警示、人行、安全通道、信号机车司机、信号工、检修工、电工、钳工、装载司机等带式输送机运输装料点、卸料点的空、满仓保护装置,带式输送机保护装置,电气保护装置,设备保护装置,安全护栏皮带机司机、电工、钳工、焊工、维修工、破碎机司机、防尘工、皮带巡视等索道运输站房、牵引、钢丝绳、制动、线路防护索道司机、电工、钳工、维修工、站房维护、索道维护等溜井运输转载、放矿、防护放矿工、电工、防尘工、装载司机等3 防排水地表水改道改道、加固水沟构筑、加固、维修相关等截排水截洪沟、防洪堤水沟构筑、加固、维修相关等疏干水放水孔、疏干巷道、防水矿柱疏干孔施工、巷道及水沟构筑、加固、维修、电工、钳工相关等地下水监测水位监测、流量监测水位观测、电工、维修等排水排水设备、管路管道工、水泵司机、水位观测、电工、钳工、维修等欢迎阅读4 电气供配电系统电源、线路供配电系统电工、设备检测、维修工等电气设备设备,各系统的配电设施电工、设备检测、维修工等线路与电缆架空线,高、低压电缆电工、维修工、线路巡视等接地防雷电气保护,防雷,接地电工、维修工等照明通讯采场照明、排土场照明电工、维修工等5 排土场场址地质灾害、汇水、稳定性地灾巡视、地质勘测等排土工艺排土设备、工艺、挡车设施安全管理人员、推土机司机、运输机司机、信号、电工、钳工、设备维修等截排洪设施截水沟、排洪沟水沟构筑、加固、维修相关等堆石坝基础处理、安全监测堆石坝构筑、安全监测、巡视等备注:企业可根据露天矿山实际生产情况对评估单元进行增减或进一步划分。
2、露天矿山风险清单附表1.2.1 露天矿山风险清单序号主单元岗位(设备设施/作业活动)单元危险有害因素安全风险辨识安全风险分析风险等级事故类型原因L(事故可能性)E(暴露于危险环境频率)C(事故后果)D=LEC(风险值)1 露天采场凿岩1、凿岩机电机裸露无防护2、电气设备绝缘不良爆破铲装边坡......2 开拓运输运输(公路、皮带……)卸料/放矿转载3 防排水截排水疏水排水设备......4 电气线路动力照明接地防雷......5 排土场运输排土平整......3、露天矿山主要岗位风险分级管控标准附表1.3.1 爆破员岗位风险分级管控标准项目内容1、岗位职责描述工作内容及范围采场爆破个人基本条件要求男,18-60岁,取得特种作业证书,并在有效期内,近三年未发生爆破作业责任事故。
岗前培训要求爆破安全规程的相关规定;员工行为规范、岗位操作规程、岗位职责等。
所涉及的设备设施炸药、起爆器材、雷管、避炮设施等所需劳保防护用品安全帽、防尘口罩、工作服、防护鞋、防护手套等2、须掌握的安全知识和技能1 熟悉安全生产法律法规、熟知公司安全管理制度、岗位操作规程、爆破技术设计或说明书等2 工作环境及危险因素;可能遭受的职业伤害和伤亡事故;3 自救互救、急救方法、疏散和现场紧急处置措施;4 安全设备设施、个人防护用品的使用和维护方法;5 处理盲炮和其它安全隐患的操作程序6 常见民用爆炸物品的品种、性能、使用条件及安全管理要求7 严禁酒后上岗,作业时禁止吸烟。
3、作业标准作业前1、作业前首先要正确佩戴劳动防护用品。
2、检查工具是否带齐全。
3、确定危险区边界,并设置明显警示标志和岗哨。
4、对工作场所安全情况进行详细检查,及时排除安全隐患,待确认安全后方才可作业。
作业中1、领取爆破材料时,严格执行领用手续,并当面清点好数量,如有遗失或失盗,应立即报告。
2、运送爆破器材时,禁止运送人员吸烟或明火照明,不得中途逗留。
禁止雷管和炸药同车运送。
雷管和炸药必须分别存放。
3、爆破工程技术人员在装药前应对第一排各钻孔的最小抵抗线进行测定,发现问题及时处理,使其符合爆破要求。
4、爆破员应按爆破技术设计的规定进行操作,不得自行增减或改变填塞长度;如需调整,应征得现场爆破工程技术人员同意并做好变更记录。
5、装药过程时发现炮孔可容药量与设计装药量不符,应及时报告,由爆破工程技术人员检查校核处理。
装药过程中出现阻塞、卡孔等现象时,应停止装药并及时疏通。
6、爆破前检查:警戒人员是否到位、并设立爆破警示牌;无关人员和物撤离安全距离以外;爆破员在规定地点起爆;按规定发出信号。
7、爆破作业时,应建避炮掩体,避炮掩体应在冲击波危险范围之外,掩体结构应坚固紧密,位置和方向应能防止飞石和有害气体的危害。
8、露天浅孔、深孔、特种爆破,爆后应超过5min方准许检查人员进入爆破作业地点;如不能确认有无盲炮,应经15min后才能进入爆区检查。
9、爆破后检查:爆堆是否稳定,有无危坡、危石;是否存在残炮、盲炮和未爆雷管炸药等。
检查人员发现盲炮或怀疑盲炮,应向爆破负责人报告后组织进一步检查和处理;发现其他不安全因素应及时排查处理;在上述情况下,不得发出解除警戒信号,经现场指挥同意,可缩小警戒范围。
10、应派有经验的爆破员处理盲炮,盲炮处理应由爆破工程技术人员提出方案并经单位技术负责人批准。
11、盲炮处理后,应再次仔细检查爆堆,将残余的爆破器材收集起来统一销毁;在不能确认爆堆无残留的爆破器材之前,应采取预防措施并派专人监督爆堆挖运作业。
作业后1、作业结束,收拾整理工器具。
2、认真填写爆破安全检查记录。
4、风险识别与管控措施序号风险描述后果L(事故可能性)E(暴露于危险环境频率)C(事故后果)D=LEC(风险值)风险等级管控措施1 携带烟火、穿化纤衣物意外爆炸伤人禁止携带2 避炮掩体距离不足或质量不合格飞石击中人员按采掘计划中规定设置3 起爆站未设在避炮掩体内或警戒区外飞石击中人员按规定设置4 松软岩土或者沙矿床爆破后未在爆区坍塌应进行安全检查,排除危险,设置5 爆破时无警戒或警戒距离不够周边作业人员、设保证爆破警戒距离和范围6 盲炮处理意外爆炸伤人严格按爆破安全规程处理5、应急处置潜在风险应急处置措施1、意外爆炸伤人、飞石伤人1、紧急撤离现场,警戒,实施救援。
2、松软边坡坍塌2、紧急救援附表1.3.2 凿岩工岗位风险分级管控标准项目内容1、岗位职责描述工作内容及范围工作面凿岩作业个人基本条件要求男,18-60岁,身体健康,无妨碍工作疾病岗前培训要求员工行为规范、岗位操作规程、岗位职责等。
熟练掌握布孔技术,并能根据不同的岩层结构施工布孔。
所涉及的设备设施凿岩机所需劳保防护用品安全帽、防尘口罩、工作服、防护鞋、防护手套、反光背心等2、须掌握的安全知识和技能1 熟悉安全生产法律法规、熟知公司安全管理制度、岗位操作规程、车辆行车管理规定2 工作环境及危险因素;可能遭受的职业伤害和伤亡事故;3 自救互救、急救方法、疏散和现场紧急情况处理;安全设备设施、个人防护用品的使用和维护;4 掌握“三知四会”:知结构、知性能、知原理;会操作、会维修、会保养、会排除故障。
5 作业前必须对工作面及边坡情况进行详细观察,及时排除浮石,彻底排除隐患后才可作业6 及时检查、保养所操作的设备,能解决一些基本故障,无法解决的问题及时通知专职维修人员予以解决7 按时对工作面变化情况进行观察,发生重大变化时,立即报告相关领导,以便尽快解决。
3、作业标准作业前1、作业前首先要正确佩戴劳动防护用品。
2、检查设备等有无故障,发现隐患及时排除,对各润滑点进行润滑。
3、对工作场所安全情况进行详细检查,及时排除安全隐患,待确认安全后方才可作业。
作业中1、钻机稳车时,应与台阶坡顶线保持足够的安全距离。
2、钻机作业时,其平台上不应有人,非操作人员不应在其周围停留。
钻机与下部台阶接近坡底线的设备不应同时作业。
钻机长时间停机,应切断机上电源。
3、钻机靠近台阶边缘行走时,应检查行走路线是否安全;台车外侧突出部分至台阶坡顶线的最小距离为2m,牙轮钻、潜孔钻和钢绳冲击式钻机外侧突出部分至台阶坡顶线的最小距离为3m。
4、钻机移动时,机下应有人引导和监护。
钻机不宜在坡度超过15°的坡面上行走;行走时,司机应先鸣笛,履带前后不应有人;不应90°急转弯或在松软地面行走;通过高、低压线路时,应保持足够安全距离。
5、钻机不应长时间在斜坡道上停留;没有充分的照明,夜间不应远距离行走。
起落钻架时,非操作人员不应在危险范围内停留。
6、移动电缆和停、切、送电源时,应严格穿戴好高压绝缘手套和绝缘鞋,使用符合安全要求的电缆钩;跨越公路的电缆,应埋设在地下。
钻机发生接地故障时,应立即停机,同时任何人均不应上、下钻机。
7、打雷、暴雨、大雪或大风天气,不应上钻架顶作业。
不应双层作业。
高空作业时,应系好安全带。
8、挖掘台阶爆堆的最后一个采掘带时,相对于挖掘机作业范围内的爆堆台阶面上、相当于第一排孔位地带,不应有钻机作业或停留。
作业后1、作业结束,清理现场卫生。
2、对设备进行清洗、检查,发现故障及时排除。
3、认真填写好关记录4、将设备停放在指定安全区域。
4、风险识别与管控措施序号风险描述后果L(事故可能性)E(暴露于危险环境频率)C(事故后果)D=LEC(风险值)风险等级管控措施1 边坡边缘未设防护网高处坠落设置防护网2 机械裸露部分无防护机械伤害加装防护设施3 电气设备绝缘不良触电伤害经常检测、维护4 设备移动时观察不到位、移动速度过快伤人移动设备观察好周边环境5 处理残炮及盲炮措施不当爆炸平行于原孔打孔5、应急处置潜在风险应急处置措施1、机械伤害1、紧急救援,假装防护设施2、松软边坡坍塌2、紧急救援附表1.3.3 自卸车岗位风险分级管控标准项目内容1、岗位职责描述工作内容及范围负责矿内矿石运输至破碎站,废石和剥离物运输至排土场,临时性生产任务个人基本条件要求男,18-60岁,身体健康,必须有B2(含B2)以上驾驶证岗前培训要求掌握安全管理规定、员工行为规范、岗位操作规程等,经培训合格后方可上岗。
所涉及的设备设施矿用自卸车所需劳保防护用品安全帽、工作服、防护鞋、防护手套、防尘口罩、反光背心等2、需掌握的安全知识和技能1 熟悉安全生产法律法规、熟知公司安全管理制度、岗位操作规程、车辆行车管理规定等2 工作环境及危险因素;可能遭受的职业伤害和伤亡事故;3 自救互救、急救方法、疏散和现场紧急处置措施;4 安全设备设施、个人防护用品的使用和维护方法;5 严禁酒后、疲劳驾车,驾车时禁止吸烟。