溢流阀及调压回路(2课时)
- 格式:ppt
- 大小:3.08 MB
- 文档页数:19
第八章液压基本回路(二)§4 速度控制回路在很多液压装置中,要求能够调节液动机的运动速度,这就需要控制液压系统的流量,或改变液动机的有效作用面积来实现调速。
一、节流调速回路在采用定量泵的液压系统中,利用节流阀或调速阀改变进入或流出液动机的流量来实现速度调节的方法称为节流调速。
采用节流调速,方法简单,工作可靠,成本低,但它的效率不高,容易产生温升。
1.进口节流调速回路(如下图)节流阀设置在液压泵和换向阀之间的压力管路上,无论换向阀如何换向,压力油总是通过节流之后才进入液压缸的。
它通过调整节流口的大小,控制压力油进入液压缸的流量,从而改变它的运动速度。
2.出口节流调速回路(如下图)节流阀设置在换向阀与油箱之间,无论怎样换向,回油总是经过节流阀流回油箱。
通过调整节流口的大小,控制液压缸回油的流量,从而改变它的运动速度。
3.傍路节流调速回路(如下图)节流阀设置在液压泵和油箱之间,液压泵输出的压力油的一部分经换向阀进入液压缸,另一部分经节流阀流回油箱,通过调整傍路节流阀开口的大小来控制进入液压缸压力油的流量,从而改变它的运动速度。
4.进出口同时节流调速回路(如下图)在换向阀前的压力管路和换向阀后的回油管路各设置一个节流阀同时进行节流调速。
5.双向节流调速回路(如下图)在单活塞杆液压缸的液压系统中,有时要求往复运动的速度都能独立调节,以满足工作的需要,此时可采用两个单向节流阀,分别设在液压缸的进出油管路上。
图(a)为双向进口节流调速回路。
当换向阀1处于图示位置时,压力油经换向阀1、节流阀2进入液压缸左腔,液压缸向右运动,右腔油液经单向阀5、换向阀1流回油箱。
换向阀切换到右端位置时,压力油经换向阀1、节流阀4进入液压缸右腔液压缸向左运动,左腔油液经单向阀3、换向阀1流回油箱。
图(b)为双向出口节流调速回路。
它的原理与双向进口节流调速回路基本相同,只是两个单向阀的方向恰好相反。
6.调速阀的桥式回路(如下图)调速阀的进出油口不能颠倒使用,当回路中必须往复流经调速阀时,可采用如图所示的桥式联接回路。
第八章液压基本回路(二)§4 速度控制回路在很多液压装置中,要求能够调节液动机的运动速度,这就需要控制液压系统的流量,或改变液动机的有效作用面积来实现调速。
一、节流调速回路在采用定量泵的液压系统中,利用节流阀或调速阀改变进入或流出液动机的流量来实现速度调节的方法称为节流调速。
采用节流调速,方法简单,工作可靠,成本低,但它的效率不高,容易产生温升。
1.进口节流调速回路(如下图)节流阀设置在液压泵和换向阀之间的压力管路上,无论换向阀如何换向,压力油总是通过节流之后才进入液压缸的。
它通过调整节流口的大小,控制压力油进入液压缸的流量,从而改变它的运动速度。
2.出口节流调速回路(如下图)节流阀设置在换向阀与油箱之间,无论怎样换向,回油总是经过节流阀流回油箱。
通过调整节流口的大小,控制液压缸回油的流量,从而改变它的运动速度。
3.傍路节流调速回路(如下图)节流阀设置在液压泵和油箱之间,液压泵输出的压力油的一部分经换向阀进入液压缸,另一部分经节流阀流回油箱,通过调整傍路节流阀开口的大小来控制进入液压缸压力油的流量,从而改变它的运动速度。
4.进出口同时节流调速回路(如下图)在换向阀前的压力管路和换向阀后的回油管路各设置一个节流阀同时进行节流调速。
5.双向节流调速回路(如下图)在单活塞杆液压缸的液压系统中,有时要求往复运动的速度都能独立调节,以满足工作的需要,此时可采用两个单向节流阀,分别设在液压缸的进出油管路上。
图(a)为双向进口节流调速回路。
当换向阀1处于图示位置时,压力油经换向阀1、节流阀2进入液压缸左腔,液压缸向右运动,右腔油液经单向阀5、换向阀1流回油箱。
换向阀切换到右端位置时,压力油经换向阀1、节流阀4进入液压缸右腔液压缸向左运动,左腔油液经单向阀3、换向阀1流回油箱。
图(b)为双向出口节流调速回路。
它的原理与双向进口节流调速回路基本相同,只是两个单向阀的方向恰好相反。
6.调速阀的桥式回路(如下图)调速阀的进出油口不能颠倒使用,当回路中必须往复流经调速阀时,可采用如图所示的桥式联接回路。
调压回路用来调定或限制液压系统的最高工作压力,或者使执行元件在工作过程的不同阶段能够实现多种不同的压力变换。
当液压系统工作时,只要溢流阀始终能够处于溢流状态,就能保持溢流阀进口的压力与调定压力基本相等,如果将溢流阀并接在液压泵的出油口,就能达到调定液压泵出口压力基本保持不变的目的。
调压回路分为单级调压回路、多级调压回路以及采用电液比例溢流阀的无级调压回路。
图1
图1为单级调压回路(改图),单级调压回路中使用的溢流阀可以是直动式或先导式结构。
正常工作时,溢流阀始终处于开启溢流状态,使系统工作压力稳定在溢流阀调定压力值附近。
图2为多级调压回路,先导式溢流阀的遥控口串接二位二通换向阀和远程调压阀。
当两个压力阀的调定压力符合P3<P1时,液压系统可通过换向阀的左位和右位分别得到P3和P1两种压力。
如果在溢流阀的遥控口处通过多位换向阀的不同通口,并联多个调压阀,即可构成多级调压回路。
多级调压对于动作复杂、负载、流量变化较大的系统的功率合理匹配、节能、降温具有重要作用。
图 2
当需要对一个动作复杂的液压系统进行更多级压力控制时,采用多级调压回路能够实现
这一功能要求,但回路的组成元件多,油路结构复杂,而且系统的压力变化级数有限。
采用电液比例溢流阀也可以实现多级调压功能,不但能实现一定范围内连续无级的调压,而且回路的结构更加简单。
图3为通过电液比例溢流阀进行无级调压调压回路,可通过系统各阶段的不同压力需求,对比例溢流阀输入相应的电流信号,便可实现调节系统工作压力的目的。
图3。
实验一单级调压回路一、实验目的:1.了解直动式溢流阀的工作原理和结构;2.学习掌握直动式溢流阀的工业应用领域;3.学习电气元器件的应用和工作原理。
二、实验器材:1.液压传动教学实验台 1台2.泵站 1套3.液压缸 1只4.直动式溢流阀 1只5.二位四通电磁换向阀 1只6.油管、压力表若干三、实验液压原理图:溢流阀是依靠改变弹簧压缩量来改变压力。
溢流阀在本实验中起调节系统压力,为系统提供所需压力(<6MPa)。
1 直动式溢流阀2 二位四通电磁换向阀3 液压缸四、实验步骤:1.依据液压实验回路准备好相关实验器材;2.按照电路图进行接线:1)确认DC24V直流电源单元开关处于关闭状态2)将+24V电压接入电信号开关单元的SB1的NC1常闭接口,将SB1的C1接口与电磁阀红色输入接口相连,黑色输出接口与直流单元的0V相连,此时组成电磁阀控制回路。
经老师检查无误后再进行液压回路连接3.按照实验原理图连接好液压回路,确保液压台控制阀为松开状态;4.检查无误,完全松开溢流阀1后。
启动泵站,调节溢流阀1调节压力(控制在安全压力范围内<6MPa);5.按钮SB1闭合,二位四通电磁换向阀换向,调节溢流阀1,压力表分别在1MPa和3MPa在不同的压力下工作,观察液压缸的运行速度,了解溢流阀的调压方式;6.实验完毕后完全松开溢流阀,拆卸液压系统,清理相关的实验器材保持清洁。
五、注意事项:1.检查油路搭接是否正确;2.检查电路连接是否正确(PLC输入电源是否要求电源);3.检查油管接头搭接是否牢固(搭接后,可以稍微用力拉一下);4.检查电路是否搭接错误,开始试验前需检查,运行。
如有错误,修正后在运行,直到错误排除,启动泵站,开始试验;5.回路必须搭接安全阀(溢流阀)回路,启动泵站前,完全打开安全阀,实验完成,完全打开安全阀,停止泵站。
六、简答题1. 简述溢流阀的作用。
2. 简述直动式溢流阀的优缺点。
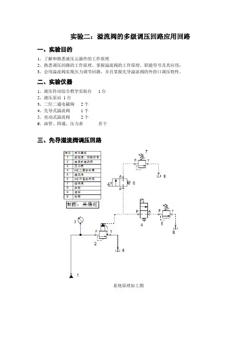
实验二:溢流阀的多级调压回路应用回路一、实验目的1、了解和熟悉液压元器件的工作原理2、熟悉调压回路的工作原理、掌握溢流阀的工作原理、职能符号及其应用;3、会用溢流阀实现压力调节回路,并且掌握先导溢流阀的外控口调压特性。
二、实验仪器1、液压传动综合教学实验台1台2、液压泵站1台3、二位二通电磁阀2个4、先导式溢流阀1个5、直动式溢流阀2个6、油管、四通、压力表若干三、先导溢流阀调压回路系统原理如上图四、实验步骤:1.根据实验内容,设计实验所需的回路,所设计的回路必须经过认真检查,确保正确无误;2.按照检查无误的回路要求,选择所需的液压元件,并且检查其性能的完好性;3.将检查好的液压元件安装在插件板的适当位置,通过快速接头和软管按照回路要求,把各个元件连接起来(包括压力表)。
(注:并联油路可用多孔油路板)。
4.按照回路图,确认安装连接正确后,旋松泵出口自行安装的溢流阀。
经过检查确认正确无误后,再启动油泵,按要求调压。
5.首先调节先导型溢流阀压力,再次调节直动型溢流阀压力。
6.断开或接通外控口油路,观测液压表的压力值(实现调节压力值:4Mpa,3Mpa,2Mpa)。
7.实验完毕后,应先旋松溢流阀手柄,然后停止油泵工作。
经确认回路中压力为零后,取下连接油管和元件,归类放入规定的抽屉中或规定地方。
五、实验操作注意事项:1.因实验元器件结构和用材的特殊性,在实验的过程中务必注意稳拿轻放防止碰撞;在回路实验过程中确认安装稳妥无误才能进行加压实验。
2.做实验之前必须熟悉元器件的工作原理和动作条件,掌握快速组合的方法,绝对禁止强行拆卸,不要强行旋转各种元器件的手柄,以免造成人为损坏。
3.严禁带负载启动(要将溢流阀逆时针旋松动),以免造成安全事故。
4.学生做实验时,系统压力不得超过额定压力6.3 MPa。
5.实验之前一定要了解本实验系统的操作规程,在老师的指导下进行,切勿盲目进行实验。
6.实验过程中,发现回路中任何一处有问题时,应立即切断泵站电源,并向老师汇报情况,只有当回路释压后才能重新进行实验。