煤矿矿井机电设备完好标准[1]_煤矿机电设备完好标准版
- 格式:docx
- 大小:8.81 KB
- 文档页数:5
煤矿矿井机电设备完好标准电气设备一、通用部分1紧固件1紧固用的螺栓、螺母、垫圈等齐全,紧固、无锈蚀;2同一部位的螺母、螺栓规格一致;平垫、弹簧垫圈的规格应与螺栓直径相符合,紧固的螺栓应有防松装置;3用螺栓紧固不透眼螺孔的部件,紧固后螺孔须留有大于2倍防松垫圈的厚度的螺纹余量,螺栓拧入螺孔长度应不小于螺栓直径,但铸铁、铜、铝件不应小于螺栓直径的1.5倍;4螺母紧固后,螺栓螺纹应露出螺母1-3个螺距,不得在螺母下面加多余垫圈减少螺栓的伸出长度;5紧固在护圈内的螺栓或螺母,其上端平面不得超过护圈高度,并需用专用工具才能松、紧;2隔爆性能1隔爆结合面的间隙,平口的结合面必须压实,不留间隙、转盖结合面间隙不能超过0.5毫米;2隔爆结合面的表面粗糙度不大于△6.3,操作杆的表面粗糙度不大于△3.2;3螺纹隔爆结构:螺纹精度不低于3级,螺距不小于0.7毫米;螺纹的最少啮合扣数不于小6扣;4隔爆结合面的法兰减薄厚度应不大于原设计规定的维修余量;5隔爆结合面的缺陷或机械伤痕,将其伤痕两侧高于无伤表面的凸起部分磨平后不得超过下列规定:1隔爆面上对局部出现的直径不大于1毫米,深度不大于2毫米的砂眼,在40、25、15毫米宽的隔爆面上,每1 平方厘米不得超过5个,10毫米宽的隔爆面上不得超过2个;2生产的机械伤痕,宽度与深度不得大于0.5毫米,其长度应保证剩余无伤隔爆面有效长度不小于规定长度的2/3;6隔爆结合面不得有锈蚀及油漆,应涂防锈油或磷化处理;如有锈迹,用棉纱擦净后,留有呈青褐色氧化亚铁云状痕迹,用手摸无感觉者仍算合格;7用螺栓固定的隔爆结合面,其紧固程度应以压平弹簧垫圈不松动为合格;8观察窗孔胶封及透明度良好,无破损、无裂纹;9引进设备的隔爆性能应符合煤矿机电设备检修质量标准电气设备分册的5-A、B、C、D 的规定;10凡不符合1-9中任意一条者,即认为该设备失去隔爆性能,称为失爆,不得评为完好设备;3接线1进线嘴连接紧固,密封良好,并能符合下列规定:1密封圈材质用邵尔硬度为45-55度的橡胶制造,并按规定进行老化处理;2接线后紧固件的紧固程度以抽拉电缆不窜动为合格,线嘴压紧应有余量,线嘴与密封圈之间应加金属垫圈;压叠式线嘴压紧电缆后的压扁量不超过电缆直径的10%;3密封圈内径与电缆外径差应小于1毫米;密封圈外径进线装置内径差应符合下列规定:a密封圈外径大于或等于20毫米时密封圈外径与进线装置内径应小于或等于1毫米;b密封圈外径大于20毫米,小于60毫米时密封圈外径与进线装置内径应小于或等于1.5毫米;c密封圈外径大于60毫米时密封圈外径与进线装置内径应小于或等于2.0毫米;密封圈宽度应等于电缆外径的0.7倍,但必须大于10毫米,厚度应大于电缆外径的0.3倍,但必须大于4毫米70平方毫米的橡套电缆除外;密封圈无破损,不得割开使用;电缆与密封圈之间不得包扎其物体;4低压隔爆开关引入铠装电缆时,密封圈应全部套在电缆铅皮上;5电缆护套铅皮穿入进线嘴长度一般5-15毫米,如电缆粗穿不进时,可将穿入部分锉细但护套与密封圈结合部位不得锉细;6低压隔爆开关空闲的进线嘴应有密封圈及厚度不小于2毫米的钢垫板封堵压紧;其紧固程度:螺旋线嘴用手拧紧为合格,压叠式线嘴用手晃不动为合格,钢垫板应置于密封圈的外面,其直径与进线装置内径差应符合密封圈外径与进线装置内径间隙的有关规定,高压隔爆开关空闲的接线嘴应用与线嘴法兰厚度、直径相符的钢垫板封堵压紧;其隔爆结合面的间隙应符合有关规定按外壳容积计算0.3-0.6毫米之间;7高压隔爆开关接线盒引入铠装电缆后,应用绝缘胶灌至电缆三叉以上;8凡不符合上述规定之一者,即为失爆,不得平为完好设备;2接线装置齐全、完整、紧固,导电良好,并符合下列要求1绝缘座完整无裂纹;2接线螺栓和螺母无损伤,无放电痕迹,接线零件齐全,有卡爪,弹簧垫,背帽等;3接线整齐、无毛刺、卡爪不压绝缘胶皮或其它绝缘物,也不得压或接触屏蔽屋;4接线盒内导线的电气间隙和爬电距离,应符合GB38363-83爆炸性环境用防爆电气设备增安性电气设备“e”的规定;5隔爆开关的电源、负荷引入装置,不得颠倒使用;小接线嘴不得出电源线;3固定电气设备应符合下列要求:1设备引入出线的终端线头应用线鼻子或过渡接头接线;2导线连接牢固可靠,接头温度不得超过导线温度;4电缆的连接除应符合煤矿安全规程第449条的规定外,并应符合下列要求:1电缆芯线的连接严禁绑扎,应采用压接或焊接;连接后的接头电阻不应大于同长度芯线电阻的1.1倍,其抗拉强度不应小于原芯线的80%;不同材质芯线的连接应采用过渡接头,其过渡接头电阻值不应大于同长度芯线电阻值的1.3倍;2高、低压铠装电缆终端应灌注绝缘材料,户内可采用环氧树脂干封;中间接线盒应灌注绝缘胶;5安全供电1高、低压电气设备的短路、漏电、接地等保护装置,必须符合煤矿安全规程、矿井保护接地装置的安装、检查、测定工作细则、煤矿井下检漏继电器安装、运行、维护与检修细则和矿井低压电网短路保护装置的整定细则的规定;2短路保护计算整定合格,动作灵敏可靠;3漏电保护装置使用合格;4接地螺栓符合下列标准:a电气设备的金属外壳和铠装电缆接线盒的外接地螺栓应齐全完整;b电气设备接线盒应设有内接地螺栓;c外接地螺栓直径:容量小于或等于5Kw的不小于M8;容量大于5KW至10KW不小于M10;容量大于10KW的不小于M12;通讯、信号、按钮、照明灯等小型电气设备不小于M6;d接地螺栓应进行电镀防锈处理;5接地线应符合下列规定:a接主接地极的接地母线其截面积应不小于,镀锌铁线100平方毫米,扁钢254平方毫米,铜线50平方毫米;b电气设备外壳同接地母线或局部接地极的联线和电缆接线盒两端的铠装;铅皮的连接接地线,其截面积应不小于铜线25平方毫米;扁钢50平方毫米厚度不小于4毫米;镀锌铁线50平方毫米;6接地极应符合下列规定:a主接地极应符合下列规定:主接地极应用耐腐蚀的的钢板制成,其面积不小于0.75平方米,厚度不小于5毫米;b局部接地极应符合下列规定:局部接地极可改置于巷道水沟或其它就近的潮湿处,设置在水沟的接地极应用面积不小于0.6平方米,厚度不小于3毫米的钢板或具有同等有效面积的钢管制成,并平放在水沟深处,可用直径不小于35毫米,长度不小于1.5米的钢管制成,管上至少钻20个直径不小于5毫米的透眼,并行垂直埋入地下;7接地电阻不得大于下列数值\a井下设备2欧姆;b井下手持移动电气设备1欧姆;8设备闭锁装置齐全可靠9井下供电应符合煤矿安全规程第470条的规定,即做到“三无、四有、两齐、三全、三坚持”;6不漏油、不漏电的规定1不漏油:固定结合面及阀门、油标管等不应有油迹;运动部位允许有油迹,但擦干后在3分钟不见油,半小时不成滴;非密闭运动部件润滑不得甩至其它部件和基础上;2不漏电:网络的绝缘电阻不小于下列规定,漏电继电器正常投入运行;1140V 60K欧660V 30K欧380V 15K欧127V 10K欧;7电气性能检测1电气设备绝缘性能必须按煤矿电气实验规程试行规定的周期和项目进行试验,并符合标准,有记录可考查;2绝缘油,新油使用前应做油质分析;运行中的油,每年一次简化分析;多油断路器的油,每半年进行一次耐压实验,其它实验项目应按煤矿电气实验规程试行规定进行;有记录可查;3继电保护装置计算整定检验;每年进一次;对矿井电源的继电保护装置,每半年检验一次,并符合整定方案,有记录可查;4指示回转仪表应每年检验一次,其准确等级不得低于2.5级;电源计量仪表应每半年校验一次,其准确等级不得低于1.0级;有记录可查;8设备使用1高低压开关的选用应符合煤矿安全规程第421条的要求,与被控设备的容量应匹配,有下列情况之一者,不得评为完好设备;a超容量,超电压等级使用者;b不符合使用范围者;c继电保护失灵,熔体选用不合格者;d隔爆开关用小喇叭嘴引出动力线者;2井下隔爆型电气设备,必须在下井前,经过指定的隔爆电气设备检查员检查出具体合格证,否则一律不得评为完好设备;9安全防护1机房硐室和电气设备一切可能危及人身安全的祼露带电部分及转动部位,均需设防护罩、防护栏,并悬挂危险警告标志;2机房硐室、临时配电点,应备有符合规定的防火器材;3机房硐室、临时配电点,不得存放汽油、煤油、绝缘油和其它易燃物品;用过的棉纱破布应存放在盖严的专用容器内,并放置在指定地点;10设备涂饰1设备表面应涂防锈漆,开关箱、按线盒等内壁应涂耐弧漆,颜色与出厂颜色一致.2设备的护栏、油标、注油孔及油塞的外表应涂红色油漆;3设备外表脱落油漆的部位应及时补漆;11设备环境1设备表面无积尘,油垢及杂物;2机房硐室、临时配电点清洁卫生,无杂物、无淤泥、无积水、无滴水、无油垢、工具、备件、材料等存放在固定地点,设备安放整齐;3机房硐室通风良好,照明设施亮度符合安全要求;二低压隔爆开关1外观检查1外壳无变形、无开焊、无锈蚀、托架无严重变形;2操作手柄位置正确,板动灵活,与操作轴连接牢固;3磁力起动器的按钮与手柄壳盖的闭锁关系正常可靠,并有警告标志;4接地螺栓、接地线完整齐全,接地标志明显,有规定期内接地电阻实验记录;5隔爆性能符合隔爆标准,接线工艺符合规定要求;2触头、消弧罩、隔离刀闸开关1主触头、辅助触头接触良好,接触面积不小于60%;触头接触不同期性不大于0.2毫米,触头开距11-13毫米;2触头无严重烧损;3消弧罩零件齐全、完整、无裂纹;4消弧片数量符合规定:380V不少于8片,660V不少于11片;5隔离刀闸开关接触良好,插入深度不小于闸刀宽度的2/3,接触面积应不小于刀闸的75%;6动刀闸的开合位置,动作方向与手柄严格协调一致;3导线、带电螺栓、保护装置1导线绝缘无破损老化,绝缘性能良好,绝缘电阻:1140V不低于5兆欧:660V不低于2兆欧;330V不低于1兆欧;2配线整齐、清楚,开关内部导线不得有接头;3开关露出的带电螺栓应用绝缘材料封堵好;4保护装置1继电器装置动作灵敏可靠,有规定期内的试验整定合格记录;2熔断管无严重烧焦痕迹,无裂纹、熔体容量选用合适;三移动变电站1外观检查1零部件齐全、紧固、完整;2箱体及散热器无变形、无锈蚀;3托撬小车无严重变形,轮组转动灵活,不松旷;4箱体内、外无积尘、无积水、无水珠;2变压器、开关及接线1电缆连接器接触良好,接线盒不发热,在井下使用时,应采用监视型屏蔽橡套电缆;2箱内二次回路导线排列整齐,接线符合规定,瓷瓶牢固无松动现象,无裂纹、损伤、无放电痕迹;3接线符合接线工艺有关规定;4变压器运行声音正常,运行温度不超过下列规定:B级绝缘不超过110摄氏度;F级绝缘不超过125摄氏度;H级绝缘不超过135摄氏度;5开关接线联接紧密,触头接触良好,无严重烧痕,隔离刀闸开关插入深度不低于刀闸宽度的2/3,三组合闸不同期性不大于3毫米;6开关操作机构动作灵活可靠,各传动轴不松旷,分、合闸指示正确;3保护装置及隔爆性能1保护装置齐全、整定合格、灵敏可靠,温度继电器动作灵敏正确;2互感器性能良好,有规定期内测试记录;3电气、机械连锁装置齐全,动作正确可靠;4接地标志明显,接地装置符合规定;5绝缘性能良好,绝缘电阻值符合下列数值:127V不低于0.5光欧,380V 660V不低于5兆欧,1140V不低于50兆欧,6KV不低于200兆欧,并有规定期内的测试记录;6隔爆性能符合电气隔爆标准;四隔爆充电机1外观检查1外壳、托架及散热片无严重损伤,变形或锈蚀,壳内无水珠;2观察孔玻璃完整无损,表面清晰;3交流电压表、电流表、直流电流表、电压表、电流及电压调节旋钮、齐全完整、灵敏可靠、指示正确;2变压器、设备接线1变压器线圈无损伤,无老化,绝缘电阻符合规定,一次线圈1140V不低于5兆欧,660V不低于2兆欧,380V不低于1兆欧;二次线圈不低于0.5兆欧;2运行温度不超过60摄氏度;3导线联接牢固,接线端子标志应清晰正确;4电缆护套完整,无破漏现象;5充电插销合格,绝缘无损伤,触头接触良好,无损伤;3保护装置及隔爆性能1过流保护装置整定合格,动作灵敏可靠,快速熔断器规格与保护整定值相符;2接地装置良好,符合接地有关标准;3设备隔爆性能符合电气设备隔爆标准;五煤电钻综保和信号照明综保1外观检查1外壳、托架无明显变形,无严重锈蚀;2零部件齐全、完整、紧固;3指示灯色别清晰,并符合规定;2接线及电气性能1接线工艺符合要求;2电源盖板,危险牌齐全紧固;3接触器绝缘无损伤,触头接触良好,触头开距为3.4-4.1毫米;消弧罩装置齐全完整,接触器吸合无噪音;4变压器及导线绝缘无损伤,无老化;绝缘电阻:660V不低于2兆欧;380V不低于1兆欧;127V不低于0.5兆欧;3保护装置1过载、短路、漏电保护装置齐全,整定合格,动作灵敏可靠;2熔断管完整无损伤,固定牢靠,熔体选用合适;3机械、电气闭锁齐全可靠,手柄在停电位置时,触头不带电;4接地可靠,接地装置及接地电阻符合接地细则有关规定;5隔爆性能符合电气设备隔爆标准;六通讯信号及五小电器1外观检查1零部件齐全、完整、紧固;2外壳无锈蚀,无严重变形、无裂纹、标志齐全清晰,壳体内无油垢,积垢或水珠,清洁卫生,螺丝紧固;3观察窗清洁、无破损;2接线1接线及接线端子整齐、清洁、导线标志清晰;2插销接线装置紧密、牢固、接头接触良好;3接线嘴无裂纹、损伤、接线柱不松动,不秃扣;接地线符合有关规定;4隔爆性能符合电气设备隔爆性能;5接线工艺符合有关规定;3整体系统功能1控制、检验、监视、信号、显示系统的声、光显示正常;2通讯系统声音清晰,音量适当;3操作灵活,动作可靠,声、光讯号清晰;4工作电压、电流符合铭牌规定,无过热现象;5隔爆插销装置需符合以下规定:1电源低于1140V应用防止突然板脱的徐动装置;2电源为1140V应用电气连锁装置;七电缆1外观检查1橡套电缆护套无明显损伤;不露出芯线绝缘或屏蔽层,护套损伤伤痕深度不超过厚度的1/2,长度不超过20毫米或沿周长1/3,无老化现象;2铠装电缆钢带,钢丝不松散,涂有防锈油;3电缆标志牌齐全,改变电缆直径的接线盒两端,拐弯处、分岔处及沿线200米均应悬挂标志牌、注明电缆编号、电压等级、截面积、长度、用途等项目;4电缆接线盒零部件齐全完整,无锈蚀,密封良好,不渗油;5电缆上部无淋水有淋水处需采取防护措施;2电缆辅设1电缆辅设应符合煤矿安全堆积的规定;2电缆应用吊勾卡悬挂,橡套电缆严禁用铁丝悬挂;3电缆悬挂整齐、不交叉、不落地,应用适当驰度,在承受意外重力时能自由坠落;悬挂高度应在矿车、电机车、装岩机等掉道时不致碰撞,在电缆坠落时,不致落在轨道或运载机械上;4电缆悬挂的间距在水平或倾斜的巷道内不得超过3米,在立井井筒内不得超过6米;5沿钻孔敷设的电缆必须绑紧在钢丝绳上,钻孔应加装套管;6综采工作面的电缆,应放入电缆槽或夹板内;工作面出口电缆应用吊梁悬挂或绑扎吊挂单指屏蔽电缆不得与油管、风管、水管混吊;3电缆使用1不得超负荷运行,接头温度不得超60摄氏度;2工作电压与电缆额定电压相符;千伏级以上的橡套电缆在井下使用时,应采用不延燃屏蔽电缆;3运行中电缆不应盘成圈或∞变形屏蔽电缆、采煤机电缆车的电缆除外;4井筒或巷道内的电话和信号电缆应与电力电缆分别挂在井巷的两侧,至少应距电力电缆300毫米以上,并挂在电力电缆的上面;在巷道内辅设的电力电缆,高压电缆应在上面;高、低电缆的间距应大于100毫米;同等电压电缆之间的间距应不小于50毫米;4电缆联接、绝缘及接地1井下使用的电缆一律采用接线盒或电缆联接器联接;2接线盒、联接器的额定电压应与电缆使用的电压相符;3橡套电缆接头温度不得超过电缆温度;4电缆绝缘电阻应符合下列规定:6KV 100兆欧/km; 1140V 50兆欧/km; 600V 10兆欧/km5接地装置符合接地完好要求;。
煤矿矿井机电设备完好标准(版)————————————————————————————————作者: ————————————————————————————————日期:ﻩ煤矿矿井机电设备完好标准(电气设备)1 通用部分1.1紧固件1.1.1紧固用的螺栓、螺母、垫圈等齐全、紧固、无锈蚀。
1.1.2同一部位的螺母、•螺栓规格一致。
平垫、弹簧垫圈的规格应与螺栓直径相符合。
紧固用的螺栓、螺母应有防松装置。
1.1.3用螺栓紧固不透眼螺孔的部件,•紧固后螺孔须留有大于2倍防松垫圈的厚度的螺纹余量。
•螺栓拧入螺孔长度应不小于螺栓直径,但铸铁、铜、铝件不应小于螺栓直径,但铸铁、铜、铝件不应小于螺栓直径的1.5倍。
1.1.4螺母紧固后,•螺栓螺纹应露出螺母1 ̄3个螺距,不得在螺母下面加多余垫圈减少螺栓的伸出长度。
1.1.5紧固在护圈内的螺栓或螺母,•其上端平面不得超出护圈高度,并需用专用工具才能松、•紧。
1.2隔爆性能1.2.1隔爆结合面(Ⅰ类)•的间隙、直径差或最小有效长度(宽度)•必须符合表4-1-1的规定。
表中L-静止隔爆结合面的最小有效长度;L1-螺栓通孔边缘至隔爆结合面边缘的最小有效长度;W-静止隔爆结合面及操纵杆与杆孔隔爆结合面最大间隙或直径差;•转轴与轴孔隔爆结合面最大直径差。
•但快动式门或盖的隔爆结合面的最小有效长度须不小于25mm。
表4-1-1 Ⅰ类隔爆结合面结构参数mm━━━━━━┯━━━━┯━━━━┯━━━━━━━━━━━━━结合面│││W││├─────────────│L│L1 │外壳容积V(l)型式││├─────┬───────│││V≤0.1│V〉0.1──────┼────┼────┼─────┼───────平面、止口│6.0 │6.0│0.30│-或圆筒结构│12.5│8.0│0.40 │0.40│25.0│9.0│0.50│0.50│40.0│15.0│- │0.60──────┼────┼────┼─────┼───────带有滚动轴│6.0│- │0.40│0.40│12.5│-│0.50 │0.50│25.0│- │0.60│0.60│40.0│-│-│0.80━━━━━━┷━━━━┷━━━━┷━━━━━┷━━━━━━━1.2.2操纵杆直径(d)•与隔爆结合面长度(L)应符合表4-1-2的规定。
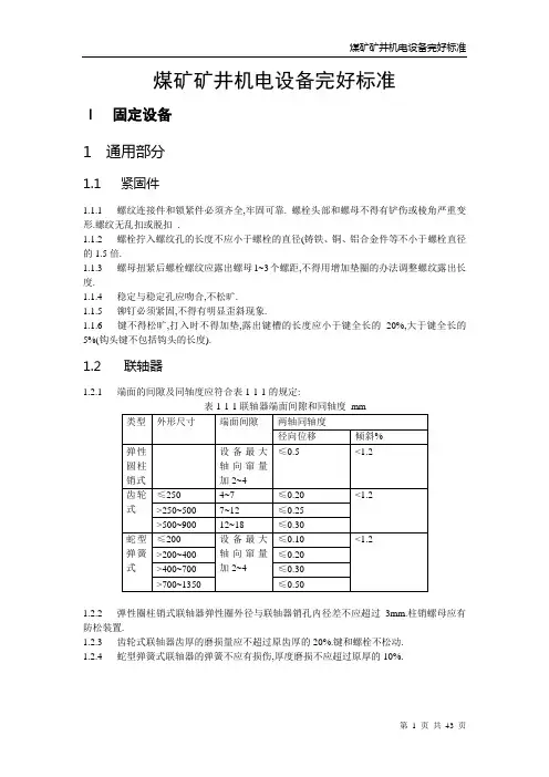
煤矿矿井机电设备完好标准Ⅰ固定设备1 通用部分1.1紧固件1.1.1 螺纹连接件和锁紧件必须齐全,牢固可靠. 螺栓头部和螺母不得有铲伤或棱角严重变形.螺纹无乱扣或脱扣.1.1.2 螺栓拧入螺纹孔的长度不应小于螺栓的直径(铸铁、铜、铝合金件等不小于螺栓直径的1.5倍.1.1.3 螺母扭紧后螺栓螺纹应露出螺母1~3个螺距,不得用增加垫圈的办法调整螺纹露出长度.1.1.4 稳定与稳定孔应吻合,不松旷.1.1.5 铆钉必须紧固,不得有明显歪斜现象.1.1.6 键不得松旷,打入时不得加垫,露出键槽的长度应小于键全长的20%,大于键全长的5%(钩头键不包括钩头的长度).1.2联轴器1.2.1 端面的间隙及同轴度应符合表1-1-1的规定:1.2.2 弹性圈柱销式联轴器弹性圈外径与联轴器销孔内径差不应超过3mm.柱销螺母应有防松装置.1.2.3 齿轮式联轴器齿厚的磨损量应不超过原齿厚的20%.键和螺栓不松动.1.2.4 蛇型弹簧式联轴器的弹簧不应有损伤,厚度磨损不应超过原厚的10%.1.3轴和轴承1.3.1 轴1.3.1.1 轴不得有表面裂纹,无严重腐蚀和损伤,内部裂纹按探伤记录检查无扩张.1.3.1.2 轴的水平度和多段轴的平行度均不得超过0.2%,如轴的挠度较大达不到此要求时,齿轮咬合及轴承温度正常,也算合格.1.3.2 滑动轴承1.3.2.1 轴瓦合金层与轴瓦应粘合牢固,无脱离现象,合金层无裂纹,无剥落,如有轻微裂纹和剥落,但面积不超过1.5cm2,且轴承温度正常,也算合格.1.3.2.2 轴径与轴瓦的顶间隙不应超过表1-1-2的规定:1.3.2.3 轴径与下轴瓦中部应有90°~120°的接触面,沿轴向接触范围不应小于轴瓦长度的80%.1.3.2.4 润滑油质合格,油量适当,油圈或油链转动灵活.压力润滑系统油路畅通,不漏油.1.3.3 滚动轴承1.3.3.1 轴承转动灵活、平稳、无异响。
煤矿机电设备完好标准细则一、外观完好标准:1.设备表面应清洁无尘、无污垢,并保持原有的颜色或涂层,不得有生锈、脱漆等现象。
2.设备的标识、警示标志、使用说明等应清晰可辨,不得模糊、磨损或缺失。
3.设备外部触摸或操作部分的开关、按钮、手柄等应灵活、正常,且无松动现象。
4.设备的电缆、线缆等外部连接部分应整齐、密封,无暴露的导线或其他化学品残留。
5.设备的橡胶、塑料等密封件应完好无损,无油渍或老化现象。
二、运行及功能完好标准:1.设备应按照使用说明书或技术规范要求进行操作,操作方式和控制系统应正常。
2.设备的传动部分应无异常声音和振动,轴承应正常润滑,各个传动部件之间的连接应稳固无松动。
3.设备的电气线路应正常,电缆的外部绝缘层应完好,接地部分应牢固可靠。
4.设备应具备自动报警系统,能够在设备发生故障或异常时及时发出报警信号,并具备自我保护功能。
5.设备的电气设备和仪表应准确,指示灯、按钮、断路器等应正常使用。
三、安全保护完好标准:1.设备应有完善的安全保护装置,如开关柜门锁、紧急停车按钮、互锁装置等,确保操作人员的人身安全。
2.设备的防护罩、护栏等保护装置应正常可用,能够有效地防止操作人员的伤害。
3.设备的照明系统应正常工作,保证操作人员能够清晰地看见操作区域。
4.设备周围的环境应整洁有序,无杂物堆积和可燃物等,保证设备的安全运行。
四、维护保养完好标准:1.设备应按照维护保养手册进行定期维护保养,保证设备的正常运行。
2.设备的润滑部位应定期给予润滑油脂,并进行清洗,以确保设备的润滑性能。
3.设备的紧固螺栓应定期检查,确保不松动或缺失。
4.设备的电气部分应定期检查,清除电缆接头氧化物,保证电气线路的完好。
总之,煤矿机电设备的完好标准涵盖了外观、运行功能、安全保护和维护保养等多个方面,通过严格按照这些标准进行检查和维护,可以确保煤矿机电设备的正常运行,提高生产效率和安全性。
煤矿矿井机电设备完好标准一、通用部分1、紧固件1.1 紧固用的螺栓、螺母、垫圈等齐全、紧固、无锈蚀。
1.2 同一部位的螺母、螺栓规格一致。
平垫、弹簧垫圈的规格应与螺栓直径相符合。
紧固的螺栓、螺母应有防松装置。
1。
3 用螺栓紧固不透明螺孔的部件,紧固后螺孔须留有大于2倍防松垫圈的厚度的螺纹余量.螺栓拧入螺孔长度应不小于螺栓直径,但铸铁、铜、铝件应不小于螺栓直径的1.5倍。
1。
4 螺母紧固后,螺栓螺纹应露出螺母1~3个螺距,不得在螺母下面加多余垫圈减少螺栓的伸出长度。
1。
5 紧固在护圈内的螺栓或螺母,其上端平面不得超出护圈高度,并需用专用工具才能松、紧。
2、隔爆性能2。
1 隔爆结合面(I类)的间隙、直径差或最小有效长度(宽度)必须符合表4-1-1的规定。
表中L- 静止隔爆接合面的最小有效长度;L1—螺栓通孔边缘至隔爆接合面边缘的最小有效长度;W- 静止隔爆接合面及操纵杆与杆孔隔爆接合面最大间隙或直径差;转轴与轴孔隔爆接合面最大直径差。
但快动式门或盖的隔爆接合面的最小有效长度须不小于25mm 。
表4—1—1 I类隔爆接合面结构参数mm2.2 操纵杆直径(d)与隔爆接合面长度(L)应符合表4—1-2的规定。
表4—1-2操纵杆直径或圆筒直径与隔爆接合面的结构参数mm2.3 隔爆电动机轴与轴孔的隔爆接合面在正常工作状态下不应产生摩擦。
用圆筒隔爆接合面时,轴与轴孔配合的最小单边间隙须不小于0.075mm ;用滚动轴承结构时,轴与轴孔的最大单边间隙须不大于表4-1—1规定W 值的。
2。
4 隔爆接合面的表面粗糙度不大于;操纵杆的表面粗糙度不大于。
2。
5 螺纹隔爆结构:螺纹精度不低于3级;螺距不小于0.7mm ;螺纹的最少啮合扣数、最小拧入深度应符合表4—1—3的规定。
表4—1-3螺纹的最少啮合扣数、最小拧入深度mm2。
6 隔爆接合面的法兰减薄厚度,应不大于原设计规定的维修余量。
2。
7 隔爆接合面的缺陷或机械伤痕,将其伤痕两侧高于无伤表面的凸起部分磨平后,不得超过下列规定:a.隔爆面上对局部出现的直径不大于1mm、深度不大于2mm的砂眼,在40、25、15mm宽的隔爆面上,每1cm2不得超过5个;10mm宽的隔爆面上,不得超过2个。
煤矿矿井机电设备完好标准
首先,煤矿矿井机电设备的完好标准需要符合国家标准和行业规定。
煤矿机电设备是煤矿生产的重要装备,其完好标准需要符合国家相关标准,包括机械设备的安全技术条件、电气设备的安全技术条件等。
只有符合国家标准和行业规定的机电设备,才能够保证在煤矿生产中发挥应有的作用,确保生产安全。
其次,煤矿矿井机电设备的完好标准需要定期检修和维护。
煤矿机电设备在长时间的工作中,会出现磨损、老化等现象,需要进行定期的检修和维护。
只有经过定期的检修和维护,机电设备才能够保持良好的工作状态,不会因为设备故障而影响煤矿生产。
另外,煤矿矿井机电设备的完好标准需要加强设备管理和操作人员培训。
设备管理是煤矿生产中的重要环节,需要建立健全的设备管理制度,加强对机电设备的日常管理和维护。
同时,对操作人员进行培训,提高其对机电设备的操作技能和安全意识,减少设备操作不当导致的故障发生。
最后,煤矿矿井机电设备的完好标准需要建立健全的监测和预警系统。
通过建立健全的监测和预警系统,可以及时发现机电设备的异常情况,预防设备故障的发生,保障煤矿生产安全。
总之,煤矿矿井机电设备的完好标准是保障煤矿安全生产的重要保障。
只有符合国家标准和行业规定、定期检修和维护、加强设备管理和操作人员培训、建立健全的监测和预警系统,才能够保证煤矿机电设备的完好,确保煤矿生产安全高效进行。
固定设备完好标准一、通用部分(一)、紧固件1、螺纹连接件和锁紧件必修齐全,牢固可靠。
螺栓头部和螺母不得有铲伤或棱角严重变形。
螺纹无乱扣和秃扣。
2、螺栓拧入螺纹孔的长度不应小于螺栓的直径(铸铁、铜、铝合金件等不小于螺栓的1.5倍)。
3、螺母扭紧后螺栓应露出螺母繁荣1~3个螺距,不得用增长垫圈的办法调整螺纹露出繁的长度。
4、稳钉与稳钉孔应吻合,不松旷。
5、铆钉必须紧固,不得有明显歪斜现象。
6、键入不得松旷,打入时不得加垫,露出键槽的长度应小于键全长的20%、大于键全长的5%(钩头键不涉及钩头的长度)。
(二)、连轴器1、端面的间隙及轴度应符合表1-1-1的规定:表1-1-1 连轴器端面间隙和同轴度 mm2、弹性圈柱销式连轴器弹性圈外径与连轴器器销孔内径差不应超过3mm。
柱销螺母应有防松装置。
3、齿轮式连轴器齿厚的磨损量不应超过原齿厚的20%。
键和螺栓不松动。
4、蛇型弹簧式连轴器的弹簧不应有损伤,厚度磨损不应超过厚度的10%。
(三)、轴和轴承1、轴(1)轴不得有表面裂纹,无严重腐蚀和损伤,内部裂纹按探伤记录检查无扩展。
(2)轴的水平度和多段轴的平行度均不得超过0.2‰,如轴的挠度较大达不到此规定期,齿轮咬合及轴承温度正常。
也算合格。
2、滑动轴承(1)轴瓦合金层于轴瓦应粘合牢固,无脱落现象。
合金层无裂纹,无剥落,如有轻微裂纹和剥落,但面积不超过1.5mm²,且轴承温度正常,也算合格.(2)轴颈和轴瓦的顶间隙不应超过表1-1-2的规定:表1-1-2 轴颈与轴瓦的顶间隙 mm(3)轴颈与下轴瓦中部应有90º~120º的接触弧面,沿轴向接触范围不应小于轴瓦长度的90%。
(4)润滑油质合格,油量适当。
圈或油链转动灵活。
压力润滑系统油路畅通,不漏油。
3、滚动轴承(1)轴承转动灵活、平稳、无异响。
(2)润滑质合格,油量适合,占油脂的1/2~2/3,不漏油。
4、轴承温度应符合表1-1-3的规定:表1-1-3 轴承温度°C5、轴在轴承上(涉及减速器)的振幅不超过表1-1-4的规定。
煤矿矿井机电设备完好标准ⅰ固定设备1通用部分1.1紧固件1.1.1螺纹连接件和闭锁件必须齐全,稳固可信.螺栓头部和螺母不得有铲伤或棱角严重变形.螺纹无乱扣或脱扣.1.1.2螺栓拧入螺纹孔的长度不应小于螺栓的直径(铸铁、铜、铝合金件等不小于螺栓直径的1.5倍.1.1.3螺母普增后螺栓螺纹应当遮住螺母1~3个螺距,严禁用减少垫圈的办法调整螺纹遮住长度.1.1.4稳定与稳定孔应吻合,不松旷.1.1.5铆钉必须紧固,不得有明显歪斜现象.1.1.6键严禁松旷,打进时严禁加垫,遮住键槽的长度应当大于键全长的20%,大于键全长的5%(钩头键不包含钩头的长度).1.2联轴器1.2.1端面的间隙及同轴度应符合表1-1-1的规定:表中1-1-1联轴器端面间隙和同轴度mm类型弹性圆外形尺寸端面间隙设备最大轴向窜量加两轴同轴度径向位移≤0.5倾斜%<1.2柱销式齿轮≤2502~44~7≤0.20≤0.25≤0.30≤0.10≤0.20≤0.30≤0.50<1.2>250~5007~12式>500~90012~18蛇型弹簧≤200设备最<1.2>200~400大轴向>400~700窜量加>700~1352~4式01.2.2弹性圈柱销式联轴器弹性圈外径与联轴器销孔内径差不应少于3mm.柱销螺母理应防松装置.1.2.3齿轮式联轴器齿厚的磨损量应不超过原齿厚的20%.键和螺栓不松动.1.2.4蛇型弹簧式联轴器的弹簧不理应受损,厚度磨损不应当少于木曾的10%.1.3轴和轴承1.3.1轴1.3.1.1轴严禁存有表面裂纹,并无轻微锈蚀和受损,内部裂纹按熔接记录检查并无收缩.1.3.1.2轴的水平度和多段轴的平行度均不得超过0.2%,如轴的挠度较大达不到此要求时,齿轮咬合及轴承温度正常,也算合格.1.3.2滑动轴承1.3.2.1轴瓦合金层与轴瓦应当黏合稳固,并无瓦解现象,合金层无裂纹,并无破损,例如存有轻微裂纹和破损,但面积不少于1.5cm2,且轴承温度正常,也算是合格.1.3.2.2轴径与轴瓦的顶间隙不应超过表1-1-2的规定:表1-1-2轴径与轴瓦的顶间隙mm轴径直径50~80>50~120>120~180>180~250>250~315>315~400>400~500最小磨损间隙0.300.350.400.500.550.650.751.3.2.3轴径与下轴瓦中部理应90°~120°的接触面,沿轴向碰触范围不应当大于轴瓦长度的80%.1.3.2.4润滑油质合格,油量适当,油圈或油链转动灵活.压力润滑系统油路畅通,不漏油.1.3.3滚动轴承1.3.3.1轴承旋转有效率、稳定、有别响。
煤矿矿井机电设备完好标准一、机电设备安装标准:1.设备的安装位置、基础和接地等需符合相关技术标准。
2.设备的安装符合设备制造商要求,能够保证设备的正常使用寿命。
3.设备的安装应满足生产和管理的要求,方便设备的维修和保养。
4.设备的安装要求符合相关安全标准,保证设备的运行过程中不发生事故。
二、机电设备运行标准:1.设备的运行稳定可靠,能够正常工作并保持稳定的工作状态。
2.设备的运行能满足矿井的生产要求,保证正常的煤矿生产进程。
3.设备的运行中不存在损坏、漏油、漏电等问题,保证设备的正常运行和使用安全。
4.设备的运行需符合相关的能耗要求,合理使用能源并实现节能减排。
三、机电设备维护保养标准:1.设备的维护保养工作需按照设备制造商要求进行,包括定期检测、清洁、润滑等工作。
2.设备的维修工作需及时、准确地完成,对设备进行必要的修理和更换,保持设备的正常运行状态。
3.设备的故障处理需快速有效,保证故障及时排除并不影响矿井的正常生产。
4.设备的维护保养需按照相关的法律法规进行,保证人员安全和环境保护要求。
四、机电设备安全标准:1.设备的安全防护装置需完善,符合相关的安全标准和规定。
2.设备的电气部分需符合防爆要求,确保矿井内不发生电气事故。
3.设备的启动、停机和运行过程中需满足安全要求,避免造成人员伤害和设备损坏。
4.设备的操作人员需具备相关的操作证书和安全知识,保证设备安全运行。
总结起来,煤矿矿井机电设备完好标准主要包括机电设备的安装标准、运行标准、维护保养标准和安全标准。
这些标准的制定和执行,旨在保证煤矿矿井机电设备的正常工作和安全运行,有效预防事故的发生,保障煤矿生产的顺利进行。
煤矿企业应严格按照这些标准进行设备采购、安装、运行和维护保养,确保设备的完好和安全。
煤矿矿井机电设备完好标准详述煤矿矿井机电设备是煤矿生产的重要设备之一,它的完好标准对于保障矿井的安全生产至关重要。
以下是煤矿矿井机电设备完好标准的详细说明:1. 电气设备完好标准:(1)电缆线路应完整无损,不得有断裂、磨损、破损等现象;(2)电缆绝缘应良好,不得有裸露的金属线;(3)电气接地应符合规范要求,接地线不得有断裂或腐蚀现象;(4)电气设备的漏电保护装置应正常工作;(5)电器设备外壳应完整,不得有损坏或者变形;(6)电器设备应有清晰的使用标识,并保持清洁。
2. 机械设备完好标准:(1)机械设备传动部分应干净无杂物,外露的轴承、齿轮等部件应及时加注润滑油;(2)机械设备连接部分应紧固可靠,不得有松动或者脱落现象;(3)机械设备的传动链条、皮带等零部件应完整,无断裂、损坏等情况;(4)机械设备的安全保护装置应齐全,如防护罩、安全开关等,不得有遗漏或损坏;3. 安全设备完好标准:(1)应急停止设备应处于工作状态,并定期进行检测;(2)矿灯应充电齐全,无损坏的现象;(3)氧气检测仪、瓦斯检测仪等安全监测设备应正常工作,无漏报警、误报警等情况;(4)逃生通道、逃生绳索等应清晰标识,未遭到阻挡或者损坏;总之,煤矿矿井机电设备的完好标准是非常重要的,相关人员应当密切关注设备的运行状态,及时进行检测和维护,确保设备的安全可靠性。
同时,也应加强员工的安全意识教育,提高对机电设备的维护保养意识,共同营造一个安全、稳定的生产环境。
煤矿矿井机电设备的完好标准对煤矿生产安全和效率有着至关重要的影响。
一个安全可靠、正常运行的矿井机电设备,不仅可以保障矿工的生命安全,还可以提高煤矿生产的效率和产量。
因此,严格要求和维护煤矿矿井机电设备的完好标准是煤矿管理和生产中极为重要的工作。
4. 安全操作规程和标准:(1)制定明确的机电设备操作规程和标准,规定设备的操作流程、操作要求、安全注意事项等内容,并定期组织培训和考核,确保操作人员严格按照规程操作设备;(2)在设备周围设置明确的安全警示标识,提示人员注意危险区域、禁止行为和应急措施等,提高工作人员的安全意识。
煤矿矿井机电设备完好标准(采掘设备)一九八七年通用部分一、紧固件:1、螺纹连接件和锁紧件齐全,牢固可靠。
螺栓头部和螺母无铲伤或棱角严重变形,螺纹无乱扣或秃扣。
2、螺母拧紧后,螺栓螺纹应露出螺母1~3个螺距。
不得在螺母下面家多余的垫圈来减少螺栓的伸出长度。
3、同一部位的紧固件规格应一致。
主要连接部位或受冲击载荷容易松动部位的螺母应使用防松螺母(背帽)或其它防松装置。
使用花螺母时,开口销应符合要求;螺母止动垫圈的包角应稳固;铁丝锁紧螺母时,其拉紧方向应和螺旋方向一致,接头应向内弯曲。
4、螺栓不得弯曲。
螺栓螺纹在连接件光孔内部分不少于两个螺距。
沉头螺栓拧紧后,沉头部分不得高出连接件的表面。
5、键不得松动,键和键槽之间不得加垫。
二、轴和轴承:1、轴无裂纹、损伤或锈蚀,运行时无异常振动。
2、轴承磨损允许最大间隙不超过表一的规定:表一轴承磨损允许最大间隙mm轴径或轴承内径滑动轴承(顶间隙)滚动轴承圆锥滚动轴承调整值允许值>30~500.25 0.20 0.05~0.12 0.20>50~800.30 0.25 0.06~0.14 0.25>80~1200.35 0.30 0.07~0.17 0.30>120~1800.40 0.35>180~2500.503、轴承润滑良好,不漏油,转动灵活,无异响。
滑动轴承温度不超过65℃,滚动轴承温度不超过75℃。
三、齿轮:1、齿轮无断齿,齿面无裂纹或剥落。
2、点蚀坑面积不超过下列规定:A、点蚀区高度接近齿高的100%,B、点蚀区高度占齿高的30%,长度占齿长的40%,C、点蚀区高度占齿高的70%,长度占齿长的10%3、齿面出现的胶合区不超过齿高1/3、齿长1/2。
4、齿厚磨损不超过下列规定:A、硬齿面齿轮,齿面磨损达硬化层的80%;B、软齿面齿轮,齿厚磨损为原齿厚的15%;C、开式齿轮,齿厚磨损为原齿厚的25%;5、齿轮副啮合的接触斑点面积应符合下列规定:A、圆柱齿轮,沿齿长不小于50%,沿齿高不小于40%;B、圆锥齿轮,沿齿长、齿高均不小于50%;C、弧齿锥齿轮,沿齿长、齿高均不小于30~50%;D、涡轮,沿齿长不小于35%,沿齿高不小于50%;E、圆柱齿轮副、涡轮副接触斑点的分布应在齿面中部,圆锥齿轮副应在齿面的中部并偏向小端。
机电运输设施、设备完好检查标准(试行)一、刮板运输机1、机头、机尾及传动部1. 架体无严重变形、无开焊,运转平稳。
2. 分链器、压链器、护板完整紧固,无严重磨损和变形,运转时无卡碰现象。
3. 传动部连接可靠,固定螺栓齐全,规格统一;对轮销齐全完好,不得用螺栓或其它柱体代替。
4. 电动机和减速箱周围不得有浮煤覆盖,电动机风叶、风叶护罩完好,5. 减速箱内添加高负荷齿轮油,油质清晰,油量浸到大齿轮的1/4为宜,不漏油。
6、机尾传动部装设有护罩。
2、链条、溜槽1. 链条组装合格,运转中刮板不跑偏,松紧合适,链条正反方向运行无卡阻现象。
2. 刮板弯曲变形不超过总数的3%,缺少数不超过总数的2%,并不得连续出现。
3. 刮板机运行过程中不得出现飘链。
4. 溜槽不得卷边、破损,搭接紧密无间隙,行人处有行人过桥。
3、安装稳定1. 刮板机安装平直,溜槽搭接平稳,严禁扭曲倾斜。
2. 两台输送机搭接运输时,搭接长度不小于500mm,机头最低点与机尾最高点的间距不小于300mm。
3. 刮板输送机与胶带输送机搭接运输时,搭接长度和机头、机尾高度差圴不小于500mm。
4. 机头机尾必须设双压杠,压杠不得打压在减速器或电动机上。
5. 刮板机不得铺设在有水的地方,更不得用刮板机拉排水。
二、胶带运输机1、机头、机尾及传动部1. 机头架、机尾架和拉紧装置架无开焊和变形,紧固螺丝齐全无松动。
2. 传动部运行正常,无异响,电机、减速器温升正常。
3. 减速箱内添加高负荷齿轮油,油质清晰,油量浸到大齿轮的1/4为宜,不漏油。
4. 驱动装置、传动滚筒、导向滚筒等部位装设有安全护罩或保护栏杆。
5. 液力耦合器防爆塞、易熔塞符合标准要求,不得用它物代替。
6、机头、机尾及传动部、张紧绞车段不得有明显的煤泥阻塞。
2、机体、托滚、皮带1. 机架铺设平直稳固,不歪倒。
2. 托辊齐全完好,转动灵活,无异响,无卡阻现象,不得用普通托辊代替缓冲托辊。
3. 皮带接头完好,卡子无脱扣松动现象,皮带表面及两边无明显剥离现象。
煤矿矿井机电设备完好标准关于颁发《煤矿矿井机电设备完好标准》的通知(87)煤生字第665号为了加强企业管理,巩固矿井质量标准化工作,提高设备维护质量,提高设备完好率和使用率,保证设备安全正常运行,适应煤炭工业生产建设发展的需要,部组织有关单位对一九七三年颁发的《煤矿矿井机电设备完好试行标准》进行了修订、补充。
现将修改后的《煤矿矿井机电设备完好标准》颁发给你们。
并自颁发之日起执行。
一九七三年颁发的《煤矿矿井机电设备完好试行标准》即行废止。
《煤矿矿井机电设备完好标准》包括固定设备、运输设备、采掘设备和电气设备四册,各单位应组织负责机电设备管理、运行、操作的干部、工程技术人员、工人认真学习、贯彻执行。
在执行中发现的问题可随时报部,以便进一步补充完善。
对于本标准未包括的其它设备和老旧设备的完好标准,各直属煤炭工业公司、直管矿务局、各省(区)煤炭厅(局、公司)可参照本标准精神自行制订,并报部备案。
中华人民共和国煤炭工业部一九八七年十一月九日固定设备1 通用部分1.1 紧固件1.1.1螺纹连接件和锁紧件必须齐全,牢固可靠。
螺栓头部和螺母不得有铲伤或棱角严重变形。
螺纹无乱扣或秃扣。
1.1.2 螺栓拧入螺纹孔的长度不应小于螺栓的直径(铸铁,铜,铝合金件等不小于螺栓直径的1.5倍)。
1.1.3螺母扭紧后螺栓螺纹应露出螺母1~3个螺距,不得用增加垫圈的办法调整螺纹露出长度。
1.1.4 稳钉与稳钉孔应吻合,不松旷。
1.1.5 铆钉必须紧固,不得有明显歪斜现象。
1.1.6 键不得松旷,打入时不得加垫,露出键槽的长度应小于键全长的20%,大于键全长的5%(钩头键不包括钩头的长度)。
1.2 联轴器1.2.1 端面的间隙及同轴度应符合表1-1-1的规定:表1-1-1 联轴器端面间隙和同轴度mm1.2.2 弹性圈柱销式联轴器弹性圈外径与联轴器销孔内径差不应超过3mm。
柱销螺母应有防松装置。
1.2.3齿轮式联轴器齿厚的磨损量不应超过原齿厚的20%。
煤矿矿井机电设备完好标准-CAL-FENGHAI-(2020YEAR-YICAI)_JINGBIAN煤矿矿井机电设备完好标准(电气设备)一、通用部分1紧固件1)紧固用的螺栓、螺母、垫圈等齐全,紧固、无锈蚀。
2)同一部位的螺母、螺栓规格一致。
平垫、弹簧垫圈的规格应与螺栓直径相符合,紧固的螺栓应有防松装置。
3)用螺栓紧固不透眼螺孔的部件,紧固后螺孔须留有大于2倍防松垫圈的厚度的螺纹余量,螺栓拧入螺孔长度应不小于螺栓直径,但铸铁、铜、铝件不应小于螺栓直径的倍。
4)螺母紧固后,螺栓螺纹应露出螺母1-3个螺距,不得在螺母下面加多余垫圈减少螺栓的伸出长度。
5)紧固在护圈内的螺栓或螺母,其上端平面不得超过护圈高度,并需用专用工具才能松、紧。
2隔爆性能1)隔爆结合面的间隙,平口的结合面必须压实,不留间隙、转盖结合面间隙不能超过毫米。
2)隔爆结合面的表面粗糙度不大于△,操作杆的表面粗糙度不大于△。
3)螺纹隔爆结构:螺纹精度不低于3级,螺距不小于毫米;螺纹的最少啮合扣数不于小6扣。
4)隔爆结合面的法兰减薄厚度应不大于原设计规定的维修余量。
5)隔爆结合面的缺陷或机械伤痕,将其伤痕两侧高于无伤表面的凸起部分磨平后不得超过下列规定:(1)隔爆面上对局部出现的直径不大于1毫米,深度不大于2毫米的砂眼,在40、25、15毫米宽的隔爆面上,每1 平方厘米不得超过5个,10毫米宽的隔爆面上不得超过2个。
(2)生产的机械伤痕,宽度与深度不得大于毫米,其长度应保证剩余无伤隔爆面有效长度不小于规定长度的2/3。
6)隔爆结合面不得有锈蚀及油漆,应涂防锈油或磷化处理。
如有锈迹,用棉纱擦净后,留有呈青褐色氧化亚铁云状痕迹,用手摸无感觉者仍算合格。
7)用螺栓固定的隔爆结合面,其紧固程度应以压平弹簧垫圈不松动为合格。
8)观察窗孔胶封及透明度良好,无破损、无裂纹。
9)引进设备的隔爆性能应符合《煤矿机电设备检修质量标准》电气设备分册的5-A、B、C、D的规定。
机电运输设施、设备完好检查标准(试行)一、刮板运输机1、机头、机尾及传动部1. 架体无严重变形、无开焊,运转平稳。
2. 分链器、压链器、护板完整紧固,无严重磨损和变形,运转时无卡碰现象。
3. 传动部连接可靠,固定螺栓齐全,规格统一;对轮销齐全完好,不得用螺栓或其它柱体代替。
4. 电动机和减速箱周围不得有浮煤覆盖,电动机风叶、风叶护罩完好,5. 减速箱内添加高负荷齿轮油,油质清晰,油量浸到大齿轮的1/4为宜,不漏油。
6、机尾传动部装设有护罩。
2、链条、溜槽1. 链条组装合格,运转中刮板不跑偏,松紧合适,链条正反方向运行无卡阻现象。
2. 刮板弯曲变形不超过总数的3%,缺少数不超过总数的2%,并不得连续出现。
3. 刮板机运行过程中不得出现飘链。
4. 溜槽不得卷边、破损,搭接紧密无间隙,行人处有行人过桥。
3、安装稳定1. 刮板机安装平直,溜槽搭接平稳,严禁扭曲倾斜。
2. 两台输送机搭接运输时,搭接长度不小于500mm,机头最低点与机尾最高点的间距不小于300mm。
3. 刮板输送机与胶带输送机搭接运输时,搭接长度和机头、机尾高度差圴不小于500mm。
4. 机头机尾必须设双压杠,压杠不得打压在减速器或电动机上。
5. 刮板机不得铺设在有水的地方,更不得用刮板机拉排水。
二、胶带运输机1、机头、机尾及传动部1. 机头架、机尾架和拉紧装置架无开焊和变形,紧固螺丝齐全无松动。
2. 传动部运行正常,无异响,电机、减速器温升正常。
3. 减速箱内添加高负荷齿轮油,油质清晰,油量浸到大齿轮的1/4为宜,不漏油。
4. 驱动装置、传动滚筒、导向滚筒等部位装设有安全护罩或保护栏杆。
5. 液力耦合器防爆塞、易熔塞符合标准要求,不得用它物代替。
6、机头、机尾及传动部、张紧绞车段不得有明显的煤泥阻塞。
2、机体、托滚、皮带1. 机架铺设平直稳固,不歪倒。
2. 托辊齐全完好,转动灵活,无异响,无卡阻现象,不得用普通托辊代替缓冲托辊。
3. 皮带接头完好,卡子无脱扣松动现象,皮带表面及两边无明显剥离现象。
煤矿矿井机电设备完好标准 (1 )
2010-12-29 22:45:33| 分类煤炭行业| 标签煤矿矿井机电设备完好标准|字号大中小订阅
一通用部分
1 紧固件
1) 紧固用的螺栓、螺母、垫圈等齐全,紧固、无锈蚀。
2) 同一部位的螺母、螺栓规格一致。
平垫、弹簧垫圈的规格应与螺栓直径相符合,紧固的螺栓应有防松装置。
3) 用螺栓紧固不透眼螺孔的部件,紧固后螺孔须留有大于2 倍防松垫圈的厚度的螺纹余量,螺栓拧入螺孔长度应不小于螺栓直径,但铸铁、铜、铝件不应小于螺栓直径的5 倍。
4) 螺母紧固后,螺栓螺纹应露出螺母1-3 个螺距,不得在螺母下面加多余垫圈减少螺栓的伸出长度。
5) 紧固在护圈内的螺栓或螺母,其上端平面不得超过护圈高度,并需用专用
工具才能松、紧。
2 隔爆性能
1) 隔爆结合面的间隙,平口的结合面必须压实,不留间隙、转盖结合面间隙不能超过0.5 毫米。
2) 隔爆结合面的表面粗糙度不大于△ 3,操作杆的表面粗糙度不大于厶2。
3) 螺纹隔爆结构螺纹精度不低于3 级,螺距不小于0.7 毫米;螺纹的最少啮合扣数不于小6 扣。
4) 隔爆结合面的法兰减薄厚度应不大于原设计规定的维修余量。
5) 隔爆结合面的缺陷或机械伤痕,将其伤痕两侧高于无伤表面的凸起部分磨平后不得超过下列规定
(1)、隔爆面上对局部出现的直径不大于1毫米,深度不大于2毫米的砂眼,在40、25、15毫米宽的隔爆面上,每1 平方厘米不得超过5个,10 毫米宽的隔爆面上不得超过2 个。
2 )、生产的机械伤痕,宽度与深度不得大于0.5 毫米,其长度应保证剩余
无伤隔爆面有效长度不小于规定长度的2/3
6) 隔爆结合面不得有锈蚀及油漆,应涂防锈油或磷化处理。
如有锈迹,用
棉纱擦净后,留有呈青褐色氧化亚铁云状痕迹,用手摸无感觉者仍算合格。
7) 用螺栓固定的隔爆结合面,其紧固程度应以压平弹簧垫圈不松动为合格。
8) 观察窗孔胶封及透明度良好,无破损、无裂纹。
9) 引进设备的隔爆性能应符合《煤矿机电设备检修质量标准》电气设备分册的5-A 、B、C、D 的规定。
10) 凡不符合1)-9) 中任意一条者,即认为该设备失去隔爆性能,称为失爆,不得评为完好设备。
3 接线
1) 进线嘴连接紧固,密封良好,并能符合下列规定
1 ) 密封圈材质用邵尔硬度为45-55 度的橡胶制造,并按规定进行老化处
2 )接线后紧固件的紧固程度以抽拉电缆不窜动为合格,线嘴压紧应有余
量,线嘴与密封圈之间应加金属垫圈。
压叠式线嘴压紧电缆后的压扁量不超过电缆直
径的10% 。
(3)密封圈内径与电缆外径差应小于 1 毫米;密封圈外径进线装置内径差应符合下列规定a 密封圈外径大于或等于20 毫米时密封圈外径与进线装置内径应小于或等于1 毫米;
b 密封圈外径大于20 毫米,小于60 毫米时密封圈外径与进线装置内径应小于或等于5 毫米;
c 密封圈外径大于60 毫米时密封圈外径与进线装置内径应小于或等于0 毫米;密封圈宽度应等于电缆外径的0.7 倍,但必须大于10 毫米,厚度应大于电缆外径的0.3 倍,但必须大于4 毫米(70 平方毫米的橡套电缆除外)。
密封圈无破损,不得割开使用。
电缆与密封圈之间不得包扎其物体。
(4 )低压隔爆开关引入铠装电缆时,密封圈应全部套在电缆铅皮上。
(5 )电缆护套(铅皮)穿入进线嘴长度一般5-15 毫米,如电缆粗穿不进时,可将穿入部分锉细(但护套与密封圈结合部位不得锉细)。
6 )低压隔爆开关空闲的进线嘴应有密封圈及厚度不小于2 毫米的钢垫板封
堵压紧。
其紧固程度螺旋线嘴用手拧紧为合格,压叠式线嘴用手晃不动为合
格,
钢垫板应置于密封圈的外面,其直径与进线装置内径差应符合(密封圈外径与进线装
置内径间隙的有关规定),高压隔爆开关空闲的接线嘴应用与线嘴法兰厚度、直径相符的钢垫板封堵压紧。
其隔爆结合面的间隙应符合有关规定按外壳容积计算(0.3-0.6 毫米之间)。
(7)高压隔爆开关接线盒引入铠装电缆后,应用绝缘胶灌至电缆三叉以上。
(8 )凡不符合上述规定之一者,即为失爆,不得平为完好设备。
2)接线装置齐全、完整、紧固,导电良好,并符合下列要求
(1 )绝缘座完整无裂纹。
(2)接线螺栓和螺母无损伤,无放电痕迹,接线零件齐全,有卡爪,弹簧垫,背帽等。
(3)接线整齐、无毛刺、卡爪不压绝缘胶皮或其它绝缘物,也不得压或接触屏蔽屋。
(4)接线盒内导线的电气间隙和爬电距离,应符合GB38363-83 《爆炸性环境用防爆电气设备增安性电气设备“ e ”》的规定。