地基基础结构设计》课程设计任务书word文档
- 格式:doc
- 大小:414.00 KB
- 文档页数:10
《地基基础结构设计》课程设计任务书一、课程设计的教学目的通过本课程设计,使学生掌握基础结构设计的理论知识和应用条件,明确理论的假定条件,掌握理论的适用范围;能够选择和运用相关规范,初步选择基础方案,进行基础结构设计;能够绘制和识读基础结构施工图,增强解决工程实际问题的能力。
在设计中,树立作为工程技术和管理人员应有的职业道德、责任意识和敬业务实精神;培养团队协作精神、沟通交流能力、科学的工作态度和严谨的工作作风,并具有环保意识和开拓精神。
二、课程设计的内容和要求(一)设计题目某教学楼为多层现浇钢筋混凝土框架结构,室外地坪标高同自然地面,室内外高差450mm。
柱网布置如图所示,试设计该基础。
(二)设计资料(1)工程地质条件该地区地势平坦,无相邻建筑物,经地质勘察,工程地质资料:自上而下依次为:①杂填土:厚约0.5m,含部分建筑垃圾;②粉质粘土:厚1.2m,软塑,潮湿,承载力特征值fak=130KN/m2;③粘土:厚1.5m,可塑,稍湿,承载力特征值fak=210KN/m2;④全风化砂质泥岩:厚2.7m,承载力特征值fak=230KN/m2;⑤强风化砂质泥岩:厚3.0m,承载力特征值fak=300KN/m2;⑥中风化砂质泥岩:厚4.0m,承载力特征值fak=620KN/m2;地基岩土物理力学参数表表1地天然地基土重度孔隙比凝聚力内摩压缩压缩抗压承载力层代号土名(γ)(e)(c)擦角(Φ)系数(a1-2)模量(Es)强度(frk)特征值(fak)KN/m³KPa度1MPa MPa MPa KPa①杂填土18②粉质粘土20 0.65 34 13 0.20 10.0 130③粘土19 0.58 25 23 0.22 8.2 210④全风化砂质泥岩20 22 30 0.8 230⑤强风化砂质泥岩22 20 25 3.0 300⑥中风化砂质泥岩24 15 40 4.0 620水文资料为:地下水对混凝土无侵蚀性,地下水位深度位于地表下1.5m。
地基基础的课程设计一、课程目标知识目标:1. 让学生掌握地基基础的基本概念,包括地基、基础的定义及其在工程中的作用。
2. 使学生了解地基土的性质及分类,能够描述不同类型地基土的特点。
3. 让学生掌握基础的类型及适用条件,能够分析实际工程中选择合适基础的原因。
技能目标:1. 培养学生运用所学知识,分析简单工程案例中地基基础问题的能力。
2. 提高学生运用图表、数据等工具,进行地基基础计算和问题解决的能力。
3. 培养学生通过小组合作,进行资料搜集、讨论和分析,形成问题解决方案的能力。
情感态度价值观目标:1. 培养学生对土木工程领域的兴趣,激发学生探究科学问题的热情。
2. 培养学生严谨、务实的学习态度,使学生认识到基础知识在工程实践中的重要性。
3. 培养学生的团队协作意识,提高学生在合作中沟通、交流和解决问题的能力。
本课程针对初中年级学生,结合教材内容,注重理论知识与实际应用的结合,旨在提高学生对地基基础知识的掌握,培养学生解决实际问题的能力,同时注重培养学生的学习兴趣和团队协作精神。
课程目标具体、可衡量,便于后续教学设计和评估。
二、教学内容1. 地基基础概念:讲解地基、基础的定义,探讨其在工程中的作用及相互关系。
教材章节:第一章 地基基础概述2. 地基土的性质及分类:介绍地基土的物理、力学性质,阐述不同类型地基土的特点。
教材章节:第二章 地基土的性质与分类3. 基础的类型及适用条件:讲解不同类型的基础结构,分析其适用条件及优缺点。
教材章节:第三章 基础的类型与选用4. 地基基础计算:引导学生学习如何进行简单地基基础计算,包括地基承载力、基础底面尺寸等。
教材章节:第四章 地基基础计算5. 工程案例分析:分析实际工程中地基基础问题的解决方法,提高学生运用知识解决实际问题的能力。
教材章节:第五章 工程案例分析6. 小组合作与讨论:组织学生进行小组合作,搜集相关资料,讨论分析地基基础问题,形成解决方案。
教材章节:第六章 实践与探讨教学内容根据课程目标进行选择和组织,确保科学性和系统性。
华北理工大学轻工学院课程设计任务书2016-2017 学年第1学期课程名称:地基处理课程设计设计题目:变电站场地站址地基处理工程设计一、设计说明地基处理是一门理论与实践并重的课程。
本课程设计,是继《地基处理》课堂教学结束后的一门实践性课程,是与地基处理理论学习相配套的一个重要的实践环节。
通过课程设计,深入理解和巩固地基处理的基础理论,牢固掌握地基处理的基本原理和基本公式,熟悉地基处理设计的基本技能和计算方法,灵活准确地应用于工程实践的实际具体问题。
了解并掌握实际地质和荷载条件下不良地基处治设计的一般方法;熟练地质资料的使用;培养运用土力学基本原理解决实际工程问题的能力;练掌握地基处理施工工艺和监测技术,培养初步的独立设计能力。
通过理论联系实际的课程设计,重点提高学生的动手能力,综合分析和解决问题的能力,锻炼和培养学生严谨求实、开拓创新的作风和意识,提高学生的整体素质、增强专业的适应能力和竞争能力。
1、设计目的(1)提高地基承载力结构的荷载最终都将传到地基上,结构建筑物的强度很大,而基础能够承受的强度却很小,压缩性很大。
通过适当的措施,改善和提高土的承载能力。
(2)改善剪切特性地基的剪切破坏以及在土压力作用下的稳定性,取决于地基土的抗剪强度。
因此,为了防止剪切破坏以及减小土压力,需要采取一定措施以增加地基土的抗剪强度。
(3)改善地基土的压缩特性主要是采用一定措施以提高地基土的压缩模量,以减少地基土的沉降。
另外,防止侧向流动(塑性流动)产生的剪切变形,也是改善剪切特性的目的之一。
(4)改善透水特性由于地下水的运动会使地基出现一些问题,为此,需要采取一定措施使地基土变成不透水层或弱透水层以减小其水压力。
(5)改善动力特性地震时饱和松散粉细砂(包括一部分轻亚粘土)将会产生液化。
因此,需要采取一定措施防止地基土液化,并改善其振动特性以提高地基的抗震特性。
(6)改善特殊土的不良地基特性主要是指消除或减少黄土的湿陷性和膨胀性等特殊土的不良地基特性。
地基基础课程设计任务书一、设计目的通过地基基础课程设计把土力学与地基基础课程所学的知识与所学的结构课程知识有机的联系起来,把所学的专业知识应用到实际工程,是解决实际工程问题的实践性教学环节。
通过对一般地质条件下的混合结构条形基础的设计,培养学生独立思考问题,综合运用所学知识,查阅有关资料和应用现行规范的能力。
二、设计题目:混合结构房屋浅基础设计。
三、设计依据⑴建筑平、剖面图及工程做法该建筑为某校四层混合结构家属住宅楼,楼盖与屋盖为C20现浇钢筋混凝土结构,内墙为双面抹灰的24粘土实心砖墙,外墙为外清水内抹灰的37墙。
钢筋混凝土现浇楼板厚100mm ,楼梯为现浇板式楼梯,每层均设有240 mm ×240 mm 截面的圈梁。
⑵工程地质条件(可由下表中任选一种)层数指标项目 方案一 方案二 首层土名杂填土 耕土 土工指标 γ=15.7kN/m 3E S =2.6MPaγ=17kN/m 3 E S =3MPa厚度 0.9m 0.6m 二层土名粉质粘土 粉土 土工指标 f k =150kPa γ=19.2kN/m 3 E S =10MPaf k =160kPa γ=19kN/m 3 E S =10MPa厚度 3m 2m 三层土名淤泥质粘土 淤泥质粘土 土工指标 f k =96kPa γ=17.3kN/m 3 E S =2.4MPaf k =90kPa γ=16.5kN/m 3 E S =2.4MPa地下水位1.8m1.5m⑶气象条件该地区标准冻结深度为800mm。
⑷均布活荷载标准值屋面均布活荷载值:0.7 kN/m2屋面雪荷载值:0.3 kN/m2楼面均布活荷载值:1.5 kN/m2楼梯均布活荷载值:2.0 kN/m2楼梯间恒载:近似为3.5 kN/m2四、任务⑴确定基础埋深;⑵统计上部荷载;⑶验算地基基础强度指标;⑷绘制基础平面图及断面图。
五、要求⑴完成①、⑨、○A轴线的基础计算工程并绘制施工图;⑵计算书一份,既有计算过程且应将有关数据与成果表格化,要求书写工整,含目录与页数。
《地基处理》课程设计任务书一、课程设计资料1. 工程概况某工程为体育中心的地基加固工程,总占地面积34万m2,场地地基处理总面积约23万m2。
体育馆、游泳馆、商业用房等建筑采用桩基础,其它场地为体育场、各类球场、停车场、市民广场、道路及绿地等用地均采用地基处理方式。
加固范围主要为篮球场、排球场、网球场及室外体育广场等,拟建场地对差异沉降敏感度一般,对施工噪声影响要求不高。
根据本工程的规模和性质,该工程为二级工程,场地为二级基地,勘查等级为乙级。
2. 岩土工程勘察资料1)场地工程地质条件根据钻孔揭露,场地岩土层自上而下分述如下:(1)素填土:灰黄、褐红,呈湿,松散状,由粘性土或砂质粘性土组成,均质性差,局部地段夹少量碎石,回填时间为近6个月。
该层全场均有分布,层厚2.30-6.60m。
(2)淤泥:灰、深灰、灰黑色,呈饱和,流塑状,局部软塑状,主要由粘性土组成,含有机质,粘性好,韧性好,干强度高,属高压缩性土,摇震反应慢,局部地段混杂有中粗砂而表现为淤泥混砂。
该层工程性能差,全场区均有分布,但厚薄不均,层厚4.50~12.60m。
场地东侧分布有砾砂,深灰色为主,饱水,松散状,以石英粗砂为主,呈棱角状,均匀性较差,分选性一般,级配一般,具有一定的干强度。
(3)粉质粘土:灰、灰黄、褐黄色,湿,可塑状,主要由粘性土和石英砂组成,其中中粗砂含量约20-30%,干强度中等,韧性一般-中等,无摇震反应,稍有光泽,分布不均,厚薄不均,部分钻孔缺失。
厚度为0.40-4.90m。
(4)粗砂:呈灰黄、褐黄色,饱水,松散-稍密状,局部中密状,主要由石英砂组成,胶结型一般,呈棱角状,分选型一般,级配一半,均匀性较差,含泥约20%,厚度0.40-4.90m。
(5)残积砾质粘性土:浅黄、灰黄、褐黄、灰白色,呈湿,可塑状,主要由粘土和石英砂组成,为花岗岩风化残余,稍具原岩结构,无摇震反应,干强度低,韧性低,稍有光泽,遇水易崩解软化。
地基基础课程设计指导书+任务书地基基础课程设计任务书1.1设计资料1、地形:拟建建筑场地平整2、工程地质资料:自上而下依次为:①杂填土:厚约0.5m,含部分建筑垃圾;②粉质粘土:厚1.2m,软塑,潮湿,承载力特征值f ak = 130kPa‘③粘土:厚1.5m,可塑,稍湿,承载力特征值f ak= 180kPa‘④全风化砂质泥岩:厚2.7m,承载力特征值fak =240 kPa⑤强风化砂质泥岩:厚3.0m,承载力特征值f ak=300kPa⑥中风化砂质泥岩:厚4.0m,承载力特征值fak =620kPa3、水文资料为:地下水对混凝土无侵蚀性。
地下水位深度:位于地表下1.5m。
4、上部结构资料:上部结构为多层全现浇框架结构,室外地坪标高同自然地面,室内外高差450mm。
柱网布置见下图:上部结构作用在柱底的荷载标准值见表2柱底荷载标准值表2上部结构作用在柱底的荷载效应基本组合设计值见表3:5、材料:混凝土等级C 25~C30,钢筋I、U级。
1.2设计要求:每班分为3个组。
第1组共十人,基础持力层选用③土层,设计A轴柱下独立基础;第2组共十人,基础持力层选用④土层,设计B轴柱下独立基础;第3组共十人,基础持力层选用③土层,设计C轴柱下独立基础;每人根据所在组号和题号,完成各自要求的轴线基础设计。
对另外两根轴线的基础,只要求根据所给荷载确定基础底面尺寸。
1.3设计内容1、设计柱下独立基础包括确定基础埋深、基础底面尺寸,对基础进行结构的内力分析、强度计算,确定基础高度、进行配筋计算,并满足构造设计要求,编写设计计算书。
2、绘制基础施工图包括基础平面布置图、基础大样图,并提出必要的技术说明。
1.4地基基础设计成果1地基基础设计计算书(1)设计计算书封面封面上应写明设计题目、学生姓名、专业、年级、指导教师姓名、完成日期(2)目录及正文格式(格式另见附属文件)。
2设计图纸设计要求:绘制比例为1: 100或1: 200A3图纸打印稿地基基础课程设计指导书地基基础设计是土木工程结构设计的重要组成部分,必须根据上部结构条件(建筑物的用途和安全等级、建筑布置、上部结构类型等)和工程地质条件(建筑场地、地基岩土和气候条件等),结合考虑其他方面的要求(工期、施工条件、造价和节约资源等),合理选择地基基础方案,因地制宜,精心设计,以确保建筑物和构筑物的安全和正常使用。
地基基础工程课程设计一、教学目标本课程旨在让学生掌握地基基础工程的基本概念、原理和设计方法。
通过本课程的学习,学生将能够:1.描述地基基础工程的基本概念,包括天然地基、人工地基、基础类型等。
2.解释地基基础工程的基本原理,如压力分布、承载力、沉降计算等。
3.应用地基基础工程的设计方法,包括浅基础、深基础、地下室等。
4.分析实际工程案例,提出地基基础问题的解决方案。
二、教学内容本课程的教学内容主要包括以下几个部分:1.地基基础工程概述:介绍天然地基、人工地基、基础类型等基本概念。
2.地基基础工程原理:讲解压力分布、承载力、沉降计算等基本原理。
3.地基基础工程设计:介绍浅基础、深基础、地下室等设计方法。
4.实际工程案例分析:分析地基基础工程在实际工程中的应用,并提出解决方案。
三、教学方法为了提高教学效果,本课程将采用多种教学方法,包括:1.讲授法:讲解地基基础工程的基本概念、原理和设计方法。
2.案例分析法:分析实际工程案例,让学生更好地理解地基基础工程的应用。
3.实验法:安排实地考察或实验室实验,让学生亲身体验地基基础工程的过程。
4.讨论法:学生进行分组讨论,促进学生之间的交流与合作。
四、教学资源为了支持教学内容和教学方法的实施,我们将准备以下教学资源:1.教材:选用权威、实用的地基基础工程教材作为主要教学资源。
2.参考书:提供相关的参考书籍,供学生深入学习。
3.多媒体资料:制作课件、教案等多媒体资料,丰富教学手段。
4.实验设备:安排实地考察或实验室实验所需的设备,确保学生能够亲身体验地基基础工程的过程。
五、教学评估本课程的评估方式包括平时表现、作业、考试等多个方面,以全面客观地评价学生的学习成果。
1.平时表现:通过课堂参与、提问、小组讨论等环节,评估学生的学习态度和积极性。
2.作业:布置相关的练习题和案例分析,评估学生对知识的理解和应用能力。
3.考试:进行期中考试和期末考试,评估学生对课程知识的掌握程度。
地基基础课程设计任务书一、教学班级二、设计时间:一周三、课程设计任务:完成一幢多层框架结构房屋的基础设计四、课程设计目的:了解实际工程中钢筋径条形基础设计的步骤和掌握设计的方法。
五、设计内容:1、据所给资料,选择基础材料,构造形式及基础埋深。
2、确定土的承载力特征值fa。
3、确定基础底面尺寸及进行相应的验算,如有软弱层,应进行软弱下卧层验算,判定是否进行基础沉降计算。
并选择两点进行沉降计算,验算沉降差是否满足要求。
4、确定基础剖面尺寸及底板时筋。
5、绘制基础施工图,并编写设计说明:①基础平面布置图;②基础详图。
六、设计资料1、场地工程地质资料;2、上部结构平面图及荷载分布。
七、时间安排:周周三进行地基基础计算,要求计算书正确工整,周四~周五绘制施工图。
柱下条形基础设计一、设计资料1、地形拟建建筑场地平整。
2、土层及岩土设计技术参数土层及地基岩土物理力学参数如表2.1所示。
3(1)拟建场区地下水对混凝土结构无腐蚀性。
(2)地下水位深度:位于地表下4.9m<,4、上部结构资料拟建建筑物为多层全现浇框架结构,框架柱截面尺寸为400mmx400mm。
室外地坪标高同自然地面,室内外商差450mm。
柱网布置如下列图。
混凝土的强度等级C25~C30,钢筋采用HPB235,HRB335,HRB400级。
5、上部结构作用上部结构作用在柱底的荷载效应标准组合值Nik=1280kN,N2k=1060kN,上部结构作用在柱底的荷载效应基本组合值Nl=1728kN,N2=1430kN(其中Nik为轴线②〜⑥柱底竖向荷载标准组合值;N2k为轴线①、⑦柱底竖向荷载标准组合值;N1为轴线②柱底竖向荷载基本组合值;N2为物线①、⑦柱底竖向荷载基本组合值)申^1A■iA650065006500650065006500地基基础课程设计指导书通过课程学习,已具备了初步的地基基础设计的能力,此设计是完成一幢框架结构房屋的基础设计,其步骤如下:1、据上部结构的荷载图,将荷载分布相近的基础归并成一组,并选取最大的荷载供以后步骤的计算。
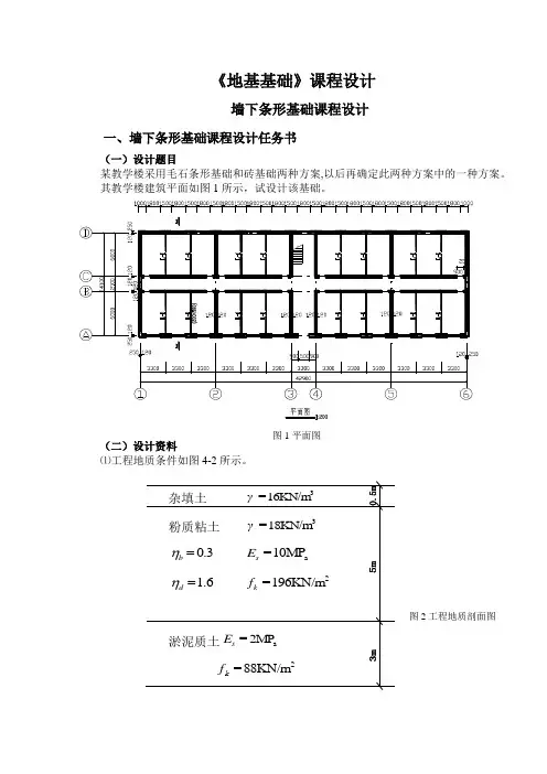
《地基基础》课程设计墙下条形基础课程设计一、墙下条形基础课程设计任务书(一)设计题目某教学楼采用毛石条形基础和砖基础两种方案,以后再确定此两种方案中的一种方案。
其教学楼建筑平面如图1所示,试设计该基础。
(二)设计资料⑴工程地质条件如图4-2所示。
杂填土 3K N /m 16=γ粉质粘土 3K N /m 18=γ3.0=b η a M P 10=s E6.1=d η 2KN/m 196=k f淤泥质土a 2M P =s E2KN/m 88=k f图1平面图图2工程地质剖面图⑵室外设计地面标高同天然地面标高。
基础埋深为2.00m。
⑶由上部结构传至基础顶面的竖向力值分别为外纵墙∑F1K=558.57kN,山墙∑F2K=168.61kN,内横墙∑F3K=162.68kN,内纵墙∑F4K=1533.15kN。
⑷基础采用两种方案:(1) 采用M5水泥砂浆砌毛石;(2) 采用水泥砂浆M5, 砌MU10砖基础。
(三)设计内容⑴荷载计算(包括选计算单元、确定其宽度)。
⑵确定基础埋置深度。
⑶确定地基承载力特征值。
⑷确定基础的宽度和剖面尺寸。
⑸软弱下卧层强度验算。
(四)设计要求⑴计算书:要求书写工整、数字准确、图文并茂。
打印装订(2)绘制施工图(两种方案的基础平面图和基础剖面图)(3)制图要求所有图线、图例尺寸和标注方法均应符合新的制图标准,图纸上所有汉字和数字均应书写端正、排列整齐、笔画清晰,中文书写为仿宋字。
二、墙下条形基础课程设计指导(一)荷载计算 1.选定计算单元 对有门窗洞口的墙体,取洞口间墙体为计算单元;对无 门窗洞口的墙体,则可取1m 为计算单元(在计算书上应表示出来)。
2.荷载计算 计算每个计算单元上的竖向力值(已知竖向力值除以计算单元宽度)。
(二)确定基础埋置深度dGB50007-2002规定d min =Z d -h max 或经验确定d min =Z 0+(100~200)mm 。
式中 Z d ——设计冻深,Z d = Z 0·ψzs ·ψzw ·ψze ; Z 0——标准冻深;ψzs ——土的类别对冻深的影响系数,按我书表7-5;ψzw ——土的冻胀性对冻深的影响系数,按我书表7-6;ψze ——环境对冻深的影响系数,按我书表7-7;(三)确定地基承载力特征值f a)5.0()3(m d b ak a -+-+=d b f f γηγη式中 f a ——修正后的地基承载力特征值(kPa ); f ak ——地基承载力特征值(已知)(kPa);ηb 、ηb ——基础宽度和埋深的地基承载力修正系数(已知);γ——基础底面以下土的重度,地下水位以下取浮重度(kN/m 3);γm ——基础底面以上土的加权平均重度,地下水位以下取浮重度(kN/m 3); b ——基础底面宽度(m ),当小于3m 按3m 取值,大于6m 按6m 取值;d ——基础埋置深度(m )。
《地基与基础》课程设计任务书与指导书(适用于建筑工程技术类专业)编写苏德利大连水产学院职业技术学院建筑工程系《地基与基础》课程设计任务书与指导书一、教学要求:根据本课程教学大纲的要求,学生应通过本设计掌握天然地基上的浅基础设计的原理与方法,培养学生的分析问题、实际运算和绘制施工图的能力,以巩固和加强对基础设计原理的理解。
二、设计任务与资料(一)、柱下独立基础的设计设计单梁起重机的单层工业厂房排架柱基础,按使用功能要求,上部结构的柱截面尺寸设计为400×700mm2间距为6米,外柱柱角处内力组合设计值为:N=450kN M=160kN.m V=30kN,基础梁宽为240mm,传集中力P=160kN,室内外设计地坪高差为0.15m,地质剖面资料如图(一)。
(注:该地区的标准冻深Z0=1.2m,冬季采暖期间的平均气温为9℃,吊车起重量为35t,厂房跨度为30m。
)(二)、墙下条形基础的设计某教学大楼承重墙厚为一砖半(即370mm),上部墙传至±0.00标高处的荷载设计值为N=205kN/m,室内外设计地坪高差为0.45m,地质资料如图(二)。
(注:该地区标准冻深为Z0=1.0m,采暖期间平均室内温度为15℃。
)三、设计成果要求(一)、设计说明书要求写出完整的计算说明书,包括荷载计算,基础类型及材料选择、埋深确定、底面尺寸确定、剖面尺寸确定及配筋量计算。
(二)、图纸绘制2号图一张(独立基础平面、剖面图及条形基础的剖面图)。
四、设计步骤(一)、根据地质条件确定基础的埋置深度,考虑以下因素:工程地质条件;地下水影响;相邻基础的影响;底下沟管的影响;地基土冻胀和融陷的影响。
(二)、根据地基承载力与荷载计算基底面积,并进行软弱下卧层验算:对于偏心受压基础两边长之比一般L/B≤2,最大不超过3。
(三)、根据建筑层数及地质条件确定基础类型(四)、地基变形验算(五)、基础剖面设计与结构计算1.刚性基础(1)选择基础材料(2)按照台阶宽高比的容许值及构造尺寸要求决定台阶的高度及台阶的宽度。
基础工程与地基处理课程设计任务书下载提示:该文档是本店铺精心编制而成的,希望大家下载后,能够帮助大家解决实际问题。
文档下载后可定制修改,请根据实际需要进行调整和使用,谢谢!本店铺为大家提供各种类型的实用资料,如教育随笔、日记赏析、句子摘抄、古诗大全、经典美文、话题作文、工作总结、词语解析、文案摘录、其他资料等等,想了解不同资料格式和写法,敬请关注!Download tips: This document is carefully compiled by this editor. I hope that after you download it, it can help you solve practical problems. The document can be customized and modified after downloading, please adjust and use it according to actual needs, thank you! In addition, this shop provides you with various types of practical materials, such as educational essays, diary appreciation, sentence excerpts, ancient poems, classic articles, topic composition, work summary, word parsing, copy excerpts, other materials and so on, want to know different data formats and writing methods, please pay attention!基础工程与地基处理课程设计任务书一、课程设计目的与要求。
《地基与基础》课程设计任务书一、设计题目工程名称及概况:某工程车间基础设计。
该工程车间为三层两跨钢筋混凝土框架结构。
采用柱下独立基础设计,柱网布置(如图1)所示。
二、 设计资料1、工程地质条件:该地区地势平坦,位于市郊,周围无较大建筑物,建筑场地地质情况复杂,经地质勘察表明,地质由杂填土、亚粘土、淤泥质亚粘土及细粉砂组成,详见(表1)。
2、给定参数:车间由三排柱组成(图1),柱截面尺寸为mm mm 500350⨯。
为简化计算,假定作用于基础顶面荷载为:轴心荷载F ,忽略弯矩M 和剪力V 的作用,荷载效应组合详见(表2)标准冻深取m 0.2。
3、材料选用:混凝土等级20C ~40C ,(20C ---2/1.1mm N f t =,25C ----2/27.1mm N f t =), 钢筋采用235HPB (2y /210mm N f =),或335HRB (2y /300mm N f =)。
三、设计要求1、遵守学校规章制度,整个设计工作应在专用设计室进行,按时出勤进行2、每班学生分两组,单学号同学进行A 柱下独立基础设计;双学号同学进行B 柱下独立基础设计。
3、计算书要求用A4纸手写,侧面装订,书写工整,计算准确,最好图文并茂,规定的设计计算项目不得自行减少,并需独立完成。
施工图要求A3图纸一张,绘制基础施工平面图和剖面图,所有图线、图例尺寸和标注方法均应符合最新制图标准,要求图面紧凑,整洁美观,比例适当,并一律采用仿宋体书写,严格按制图标准作图,图签按照工程制图课程要求统一绘制于图纸右下角。
四、设计内容(计算要点)1、选择持力层、确定基础埋深;2、确定基础类型及材料选用;3、按容许承载力确定基础底面尺寸;4、下卧层承载力验算;5、分别计算A 、B 柱基础沉降量;6、按允许沉降差调整基底尺寸;7、基础高度验算; 8、配筋计算;9、绘制基础施工图。
表1图1青岛理工大学(临沂)土建工程系基础教研室2011年11月1。
附件1《力学与地基基础》课程设计参考资料1第一部分 墙下条形基础课程设计一、墙下条形基础课程设计任务书(一)设计题目某教学楼采用毛石条形基础,教学楼建筑平面如图1-1所示,试设计该基础。
(二)设计资料⑴工程地质条件如图1-2所示。
⑵室外设计地面-0.6m,室外设计地面标高同天然地面标高。
⑶由上部结构传至基础顶面的竖向力值分别为外纵墙∑F1K=558.57kN,山墙∑F 2K =168.61kN,内横墙∑F3K=162.68kN,内纵墙∑F4K=1533.15kN。
⑷基础采用M5水泥砂浆砌毛石,标准冻深为1.2m。
(三)设计内容⑴荷载计算(包括选计算单元、确定其宽度)。
⑵确定基础埋置深度。
⑶确定地基承载力特征值。
⑷确定基础的宽度和剖面尺寸。
⑸软弱下卧层强度验算。
⑹绘制施工图(平面图、详图)。
(四)设计要求⑴计算书要求书写工整、数字准确、图文并茂。
⑵制图要求所有图线、图例尺寸和标注方法均应符合新的制图标准,图纸上所有汉字和数字均应书写端正、排列整齐、笔画清晰,中文书写为仿宋字。
⑶设计时间三天。
二、墙下条形基础课程设计指导书(一)荷载计算 1.选定计算单元 对有门窗洞口的墙体,取洞口间墙体为计算单元;对无 门窗洞口的墙体,则可取1m 为计算单元(在计算书上应表示出来)。
2.荷载计算 计算每个计算单元上的竖向力值(已知竖向力值除以计算单元宽度)。
(二)确定基础埋置深度dGB50007-2002规定d min =Z d -h max 或经验确定d min =Z 0+(100~200)mm 。
式中 Z d ——设计冻深,Z d = Z 0·ψzs ·ψzw ·ψze ; Z 0——标准冻深;ψzs ——土的类别对冻深的影响系数,按规范中表5.1.7-1;ψzw ——土的冻胀性对冻深的影响系数,按规范中表5.1.7-2;ψze ——环境对冻深的影响系数,按规范中表5.1.7-3;(三)确定地基承载力特征值f a)5.0()3(m d b ak a -+-+=d b f f γηγη 式中 f a ——修正后的地基承载力特征值(kPa ); f ak ——地基承载力特征值(已知)(kPa);ηb 、ηb ——基础宽度和埋深的地基承载力修正系数(已知); γ——基础底面以下土的重度,地下水位以下取浮重度(kN/m 3);γm ——基础底面以上土的加权平均重度,地下水位以下取浮重度(kN/m 3); b ——基础底面宽度(m ),当小于3m 按3m 取值,大于6m 按6m 取值;d ——基础埋置深度(m )。
土木工程系《地基基础课程设计》任务书、指导书12一、地基基础设计任务书(一)设计目的:让学生熟悉地基基础的设计过程及相应的构造要求,为将来从事设计和施工工作打下坚实的基础。
(二)设计资料:某单层建筑物为内框架结构,框架柱的截面尺寸为300×400mm,墙厚为240mm,室内外高差为0.45m,采用MU10粘土多孔砖,M5水泥砂浆。
垫层为C10混凝土,独立柱基础、桩及桩承台为C25混凝土,钢筋为HPB235。
地质剖面图如图一、二所示,建筑底层平面图如图所示。
题号见表一。
(三)设计要求:1.计算书内容完整、步骤清楚,包括山墙、外墙砖基计算,独立柱基础计算,桩及桩承台计算。
2.绘制一张2#基础施工图:包括基础平面布置图(1:100)及刚性基础剖面图(1:30)与独立柱基础详图(1:40)及施工说明。
4.要求每位同学按表一中自己的题号进行设计,与题号不合者以不及格论处。
附:地质剖面图3456学生题目分配表 表一二、地基与基础课程设计指导书本次课程设计的内容包括:两个刚性基础设计(山墙基础和外纵墙基础)、一个柱下独立基础设计7和一个柱下桩基设计。
(一)刚性基础设计 1.确定基础埋深从地质资料来看,上层土质较好,可作为持力层,基础荷载不大,所以基础埋深取1m 左右即可。
计算地基承载力的修正值:()()5.03-+-+=d b f f m d b ak a γηγη2.确定基础的底面宽度hf F b G a K γ-≥注意b 值取成50mm 的倍数3.验算地基的软弱下卧层 具体步骤参见教材 4.确定基础的剖面尺寸可下面采用两种方案中的任意一种 (1)混凝土和砖的组合基础A .首先确定混凝土基础的厚度h 1,(300~500mm 左右,取50mm 的倍数) 根据构造要求,选用C15的混凝土,根据基底压力P K =bG F KK +,确定混凝土基础的刚性角,并确定混凝土基础的外挑长度b 18B .确定每边砖基的台阶数n60201⨯--≥b b b n b 0为上部墙身的厚度,注意台阶数n 应取整数C .验算基础的高度h 是否满足基础的构造要求当上部砖基为间隔式时:12060211⨯+⨯+=n n h h ,n 1+n 2=n 为每边的台阶数,注意n 2≥n 1, 不然就不符合砖的刚性角的要求。
桩基础课程设计任务书一、设计目的《地基基础》课程设计是在学习《土力学与地基基础》和《钢筋混凝土》的基础上,应用所学的知识独立完成基础工程的设计任务。
其目的是培养学生综合应用基础理论和专业知识的能力,同时培养学生独立分析和解决基础工程设计问题的能力。
通过课程设计,对桩基础设计内容和过程有较全面的了解和掌握,熟悉桩基础的设计规范、规程、手册和工具书。
二、设计题目:某综合楼桩基础设计三、设计资料1、工程概况某综合楼,框架结构,柱下拟采用桩基础。
柱尺寸400X400,柱网平面布置见图1。
室外地坪标高同自然地面,室内外高差450mm。
上部结构传至柱底的荷载效应见表1、表2,表中弯矩、水平力的作用方向均为横向。
对于任意一位学生,荷载效应的取值为表内值加学号的后两位乘以10。
如某同学学号后两位是21,则该同学在计算①轴交B轴处的柱荷载效应标准组合的取值为:轴向力=1765+21×10=1975 kN,相应的计算弯矩和水平荷载以及荷载效应的基本组合值。
表1 柱底荷载效应标准组合值编号A轴B轴C轴A轴B轴C轴A轴B轴C轴①1580 2630 1910 198 205 241 150 140 138②1940 3100 2200 205 210 243 154 145140③2030 3180 2490 210 211 223 164 155 150④2120 3210 2780 215 214 238 181 166 174⑤2350 3360 3220 253 228 244 193 175 188⑥1710 3290 3130 286 251 266 204 188 196图1 柱网平面布置2、工程与水文地质条件建筑场地平整,地层及物理力学参数见表3。
场地抗震设防烈度为7度,场地内砂土不会发生液化现象。
拟建场区地下水位深度位于地表下3.5m,地下水对混凝土结构无腐蚀性。
表3 地基岩土物理力学参数土层编号土的名称厚度(m)孔隙比e液性指数I L标准贯入锤击数N天然容重γ(kN/m3)压缩模量Es(MPa)地基承载力特征值f ak(KPa) 素填土 1.5---18.0 5.0 503、其他本次设计规范采用《建筑桩基技术规范》JGJ94—2008,桩基础设计等级为乙级。
《地基基础结构设计》课程设计任务书一、课程设计的教学目的通过本课程设计,使学生掌握基础结构设计的理论知识和应用条件,明确理论的假定条件,掌握理论的适用范围;能够选择和运用相关规范,初步选择基础方案,进行基础结构设计;能够绘制和识读基础结构施工图,增强解决工程实际问题的能力。
在设计中,树立作为工程技术和管理人员应有的职业道德、责任意识和敬业务实精神;培养团队协作精神、沟通交流能力、科学的工作态度和严谨的工作作风,并具有环保意识和开拓精神。
二、课程设计的内容和要求(一)设计题目某教学楼为多层现浇钢筋混凝土框架结构,室外地坪标高同自然地面,室内外高差450mm。
柱网布置如图所示,试设计该基础。
(二)设计资料(1)工程地质条件该地区地势平坦,无相邻建筑物,经地质勘察,工程地质资料:自上而下依次为:①杂填土:厚约0.5m,含部分建筑垃圾;②粉质粘土:厚1.2m,软塑,潮湿,承载力特征值fak=130KN/m2;③粘土:厚1.5m,可塑,稍湿,承载力特征值fak=210KN/m2;④全风化砂质泥岩:厚2.7m,承载力特征值fak=230KN/m2;⑤强风化砂质泥岩:厚3.0m,承载力特征值fak=300KN/m2;⑥中风化砂质泥岩:厚4.0m,承载力特征值fak=620KN/m2;水文资料为:地下水对混凝土无侵蚀性,地下水位深度位于地表下1.5m。
(2)给定参数柱截面尺寸为500mm×500mm,上部结构作用在柱底的荷载标准值见表2,上部结构作用在柱底的荷载效应基本组合设计值见表3:(3)材料选用混凝土等级C25~C30,钢筋Ⅰ、Ⅱ级。
(4)根据以上所给资料分组设计,具体分组根据学生人数考虑。
学生根据所在组号和题号,完成基础结构设计。
(三)设计内容(1)确定基础埋置深度(2)确定地基承载力特征值(3)确定基础的底面尺寸(4)对基础进行结构内力分析、强度计算(5)确定基础的高度(6)基础底板配筋计算、并满足构造设计要求(7)编制设计计算书(8)绘制基础结构施工图(含平面图、详图),提出必要的技术说明。
三、课程设计成果形式及要求(1)计算书要求:书写工整、数字准确、图文并茂。
(2)制图要求:所有图线、图例尺寸和标注方法均应符合新的制图标准,图纸上所有汉字和数字均应书写端正、排列整齐、笔画清晰,中文书写为仿宋字。
四、课程设计的考核按照学生所提交的设计计算书、施工图及答辩情况,由指导教师进行评分。
评分等级分五级:优秀、良好、中等、及格、不及格。
评分标准:优秀:计算书工整,条理性好,计算结果准确无误;施工图符合制图标准要求,正确反映设计结果,布图合理,图面整洁;答辩正确,学习态度认真。
良好:计算书工整,条理性好,计算结果大部分准确无误;施工图符合制图标准要求,布图较合理,图面较整洁;答辩基本正确,学习态度认真。
中等:计算书较工整,计算结果基本正确;施工图基本符合制图标准要求,布图较合理,图面较整洁;答辩基本正确,学习态度较认真。
及格:计算书内容基本完整,计算结果无原则性错误;施工图基本符合制图标准要求,图面还算整洁;在老师的提示下答辩基本正确,学习态度一般。
不及格:下列情况之一均属不及格:没有完成设计任务;计算书错误较多;图纸不符合制图标准要求;不能正确回答老师提出的问题;学习态度差,有抄袭现象。
五、主要参考文献1.中华人民共和国国家标准.建筑地基基础设计规范(GB 50007-2002). 北京:中国建筑工业出版社,20022.孙维东主编. 土力学与地基基础. 北京:机械工业出版社,20033.中华人民共和国国家标准. 砌体结构设计规范(GB50003-2001). 北京:中国建筑工业出版社,2002六、工作计划及进度第一天上午:布置设计任务书,设计指导。
第一天~第三天:编制设计计算书第四天:绘制施工图纸第五天:答辩并上交课程设计成果《地基基础结构设计》课程设计指导书地基基础结构设计是建筑工程结构设计的重要组成部分,必须根据上部结构条件(建筑物的用途和安全等级、建筑布置、上部结构类型等)和工程地质条件(建筑场地、地基岩土和气候条件等),结合考虑其他方面的要求(工期、施工条件、造价和节约资源等),合理选择地基基础方案,因地制宜,精心设计,以确保建筑物和构筑物的安全和正常使用。
基础设计可按下列步骤进行:( 1 )选择基础的材料、类型,进行基础平面布置; ( 2 )选择地基持力层;( 3 )地基承载力验算,确定基础底面尺寸; ( 4 )地基变形验算; ( 5 )基础结构设计;( 6 )基础施工图绘制,并提出必要的技术说明。
(一) 确定基础埋置深度d 同前所述(二)确定地基承载特征值f a 同前所述)5.0()3(-+-+=d b f f m d b ak a γηγη (三)确定基础的底面面积A ≥hf F ⨯-γa k式中各符号意义同前所述(四)持力层强度验算⎪⎭⎫ ⎝⎛±+=l e A G F p 0k k k maxk min61≤1.2f a 2k min k max k p p p +=≤f a式中 p k ——相应于荷载效应标准组合时,基础底面处的平均压力值(kPa); p kmax ——相应于荷载效应标准组合时,基础底面边缘的最大压力值(kPa); p kmin ——相应于荷载效应标准组合时,基础底面边缘的最小压力值(kPa); F k ——相应于荷载效应标准组合时,上部结构传至基础顶面的竖向力值kN);G k ——基础自重和基础上的土重(kN); A ——基础底面面积(m 2); e 0——偏心距(m);f a ——修正后的地基承载力特征值(kPa); l ——矩形基础的长度(m)。
(五)确定基础的高度F l ≤0.70m t hp h a f β式中 F l ——相应于荷载效应基本组合时作用在A l 上的地基土净反力设计值(kN);βhp ——受冲切承载力截面高度影响系数,当h 不大于800mm 时,βhp 取1.0;当大于等于2000mm 时,βhp 取0.9,其间按线性内插法取用; f t ——混凝土轴心抗拉强度设计值(kPa);a m ——冲切破坏锥体最不利一侧计算长度(m);h 0——基础冲切破坏锥体的有效高度(m)。
(六)底板配筋计算y 0s 9.0f h M A I I =; ()()()jI jmax z 2z I 2481p p b b a l M ++-= y0s 9.0f h M A I I I I = ; ()()()jmin max z 2z II 2481p p a l b b M j ++-=式中 A sI 、A sII ——分别为平行于l 、b 方向的受力钢筋面积(m 2);M I 、M II ——分别为任意截面I-I 、II-II 处相应于荷载效应基本组合时的弯矩设计值(kN ·m);l 、b ——分别为基础底面的长边和短边(m); f y ——钢筋抗拉强度设计值(N/mm 2);p jmax 、p jmin ——相应于荷载效应基本组合时的基础底面边缘最大和最小地基净反力设计值(kPa );p jI 、p jII ——任意截面I-I 、II-II 处相应于荷载效应基本组合时的基础底面地基净反力设计值(kPa );a z 、b z ——分别为平行于基础长边和短边的柱边长(m);(七)绘制施工图(2号图纸一张,如不够可另附一张A3图纸) 合理确定绘图比例(平面图1:100、详图1:20~1:30)、图幅布置;符合《建筑制图标准》。
(八)、设计实例1.设计题目 某教学楼为四层钢筋混凝土框架结构,采用柱下独立基础,柱网布置如图2-1所示,在基础顶面处的相应于荷载效应标准组合,由上部结构传来的轴心荷载为680kN ,弯矩值为80kN ·m ,水平荷载为10kN 。
柱永久荷载效应起控制作用,柱截面尺寸为350mm ×500mm ,试设计该基础。
2.工程地质情况该地区地势平坦,无相邻建筑物,经地质勘察:持力层为粘性土(ηb =0、ηd =1.0),土的天然重度为18 kN/m 3,f ak =230kN/m 2,地下水位在-7.5m 处,无侵蚀性,标准冻深为1.0m (根据地区而定)。
3.基础设计⑴确定基础的埋置深度dd =Z 0+200 =(1000 +200)mm=1200 mm根据GB50007-2002规定,将该独立基础设计成阶梯形,取基础高度为650 mm ,基础分二级,室内外高差300mm ,如图2-2所示。
⑵确定地基承载特征值f a假设b <3m,因d =1.2m >0.5m 故只需对地基承载力特征值进行深度修正, ()[]22m d ak a m /kN 6.242m /kN 5.02.1180.1230)5.0(=-⨯⨯+=-+=d f f γη⑶确定基础的底面面积m 35.1m 21.52.1=+=hA ≥22a km 11.3m 35.1186.242680=⨯-=⨯-+h f P F k γ 考虑偏心荷载影响,基础底面积初步扩大12%,于是 22m 73.3m 11.32.12.1=⨯=='A A取矩形基础长短边之比l/b =1.5,即l =1.5bm 58.15.173.35.1===A b 取b=1.6 m 则l =1.5b =2.4 mA = l ×b =2.4×1.6 m=3.84 m 2⑷持力层强度验算作用在基底形心的竖向力值、力矩值分别为kN 68.783kN )35.184.320680(kN 680K K =⨯⨯+=+=+h A G F γ m kN 5.86m )kN 65.01080(k ⋅=⋅⨯+=+=Vh M Mm 11.0m 68.7835.86k k 0==+=k G F M e <m 4.06m 4.26==l符合要求。
2m /60.21kN 22m/47.96kN 1m /kN 4.211.06184.368.7836120k k k max k min =⎪⎭⎫ ⎝⎛⨯±=⎪⎭⎫ ⎝⎛±+=l e A G F p <1.2f a =1.2×242.6kN/m 2=291.12kN/m 222k min k max k m /kN 09.204m /kN 296.14760.2122=+=+=p p p<f a =242.6kN/m 2 故持力层强度满足要求。
⑸基础高度验算现选用混凝土强度等级C20,HPB235钢筋,查得混凝土f t =1.1N/mm 2=1100 kN/m 2,钢筋f y =210 N/mm 2。
地基净反力22K max max max m /kN 83.314m /kN ).84335.184.32035.121.26035.1(35.135.1=⨯⨯⨯-⨯=-=-=AG p A Gp p k j22K min min min m /kN 3.163m /kN ).84335.184.32035.196.14735.1(35.135.1=⨯⨯⨯-⨯=-=-=AG p A Gp p k j由图4-8可知,h =650mm ,h 0=610mm ;下阶h 1=350mm ,h 01=310mm ;a z1=1200mm ,b z1=800mm 。