《建筑结构》课程设计-任务书
- 格式:doc
- 大小:98.50 KB
- 文档页数:4
建筑结构设计课程设计任务书教学目的及要求本课程设计要求完成一栋多层框架结构以及一栋单层工业厂房的钢结构设计。
通过该课程设计,使学生进一步掌握建筑结构设计中主要的基本理论、设计原理和方法,钢筋混凝土结构及钢结构施工图纸的基本内容和绘图技巧,培养学生初步具备建筑结构设计和工程制图的能力。
成绩评定设计计算书40%,图纸60%,按等级评定。
(一)门式刚架工业厂房设计一、设计目的通过门式刚架结构的设计实践,全面掌握门式刚架轻型房屋钢结构的选型、柱网布置、荷载计算、结构分析、构件和节点设计、绘制门式刚架钢结构施工图等专门知识,从而加深对钢结构设计原理的认识,提高对所学知识的综合运用能力。
二、设计要求1.熟悉国家现行相关规范的相关条文;2.运用结构力学方法分析和求解结构;3.掌握钢结构设计的施工图表达方法;4.掌握计算书的书写格式和制图标准;5.计算书应计算正确,条理清楚,施工图绘制应规范准确。
三、设计内容1.方案设计(包括厂房平面布置、剖面设计和结构构件选型)与材料(包括连接材料)选择;2.刚架设计(截面估算、刚度计算、荷载计算、内力及变形分析、荷载及内力组合、构件及连接节点设计),包括梁柱截面、节点、柱脚节点(考虑抗震)。
3.柱下独立基础设计4.柱间支撑设计5.檩条设计6.绘制施工图。
四、设计资料车间长度90m,两等跨,柱距、跨度和檐高见下表。
屋面坡度1:10。
梁柱采用Q345-B 钢材;屋面采用单层彩色钢板或夹芯板(自选);墙面单层彩色钢板或夹芯板(自选);天沟采用彩板天沟或钢板天沟(自选)。
控制指标:柱顶水平位移H/60;横梁挠度L/240。
厂房所在地为成都,基本风压w0=0.30kN/m2,地面粗糙度为B类,组合值系数ψc=0.6;基本雪压S0=0.1kN/m2,组合值系数ψc=0.6。
五、进度安排(12天)1.下达设计任务及结构布置0.5天2.设计计算及整理计算书9.5天3.绘制施工图2天六、设计成果1.结构设计计算书;2.结构设计说明;2.设计图纸:包括结构平、立面布置图,结构详图。
土 木 工 程(建筑结构—框架结构)毕业设计任务书设计题目: 班级: 学号: 姓名:土木工程教研室编设计题目:×××建筑结构设计一、工程概况(必做)要求简要介绍建筑所在位置,建筑面积,长度,宽度,高度,外型特征等。
(详细可参考建筑设计说明)二、设计原始资料(即建筑所在地的自然条件)(必做)1、基本风压:(可参考《建筑结构荷载规范》(GB50009—2001)或《建筑结构荷载规范》(GB50009—2006)相应规定)2、基本雪压:(可参考《建筑结构荷载规范》(GB50009—2001)或《建筑结构荷载规范》(GB50009—2006)相应规定)3、抗震设防烈度、设计基本地震加速度、设计地震分组等级、抗震设防类别:(推荐参考《建筑抗震设计规范》(GB50011—2008)或可参考《建筑抗震设计规范》(GB50011—2001)相应规定)4、建筑结构设计安全等级、设计使用年限、环境类别5、工程地质条件(主要来源于地质勘测报告)(1)地形、地貌(2)地层岩型特征及分布(3)地下水情况(4)地基岩土承载力标准值(5)结论及建议(可参考地质勘测报告的结论,也可根据地质勘测报告的结论自己判断)三、建筑设计的任务与要求(可根据个人情况选做)建筑设计只需进行方案设计,设计深度达到建筑初步设计阶段。
具体要求如下:1、建筑施工图1)平面图(标准层、底层平面图) 1:100①纵横轴线及轴线编号。
②平面尺寸。
a.总尺寸:建筑外边缘尺寸。
b.轴线尺寸:轴线间尺寸,还须标注出端轴线与建筑外边缘间尺寸。
c.洞间墙段及门窗尺寸:凡洞间墙段为轴线等分者,只需注明洞间的总尺寸。
非等分者,则应按轴线分别注出。
d.局部尺寸:包括墙厚尺寸,不在轴线上的隔墙与相邻轴线间的关系尺寸,建筑内部门窗洞口及壁柜等尺寸。
③室外地坪及楼地面标高,楼地面坡度及坡向(有水房间)。
④固定设施(如卫生间、厨房设备等)应表示。
⑤注门窗编号,门的开启方向及方式,门用M1,M2,……表示,窗用C1,C2,……表示。
《建筑结构设计》课程设计任务书(二)——普通钢屋架设计1.题目:××m跨厂房普通钢屋架设计2.目的通过钢结构课程设计,进一步了解钢结构的结构型式、结构布置、受力特点和构造要求等;综合应用钢结构的材料、连接和基本构件的基本理论、基本知识,进行钢屋架的设计计算。
3.设计资料某厂房跨度为18(21、24)m,总长度90m,柱距6m;厂房内设有两台300/50kN中级工作制桥式吊车,地区计算温度高于-200C,无侵蚀性介质,地震设防烈度为6度;屋架采用梯形钢屋架,屋架下弦标高为18m,两端铰支在钢筋混凝土柱上,混凝土柱上柱截面尺寸为400×400mm,混凝土强度等级为C30,屋面坡度i=L/10,L为屋架跨度;采用1.5×6.0m预应力混凝土屋板,屋架采用的钢材为Q235B,焊条为E43型;屋架形式和几何尺寸如附图所示。
荷载:①屋架及支撑自重:按经验公式g=0.12+0.011L,L为屋架跨度,以m为单位,g为屋架及支撑自重,以KN/m2为单位;②屋面活荷载:施工活荷载标准值为0.7KN/m2,雪荷载的基本雪压标准值为S0=0.35KN/m2,施工活荷载与雪荷载不同时考虑,而是取两者的较大值;积灰荷载根据不同学号按附表取。
③屋面各构造层的荷载标准值:三毡四油(上铺绿豆砂)防水层 0.4KN/m2水泥砂浆找平层 0.4KN/m2保温层 KN/m2(按附表取)一毡二油隔气层 0.05KN/m2水泥砂浆找平层 0.3KN/m2预应力混凝土屋面板 1.45KN/m24.设计任务及要求4.1 完成设计计算书一份(1)设计资料、设计依据(2)选择钢屋架的材料,并明确提出对保证项目的要求;(3)确定屋架形式及几何尺寸,屋架及支撑布置(SC——上弦支撑,XC——下弦支撑,CC——垂直支撑,GG——刚性系杆,LG——柔性支撑);(4)进行荷载汇集、杆件内力计算、内力组合,选择各杆件截面;(5)节点设计:设计一个下弦节点、一个上弦节点、支座节点、屋脊节点及下弦中央节点。
中国矿业大学银川学院——专业课程设计任务书课程名称:《地下建筑结构》学生姓名:学号:班级:指导教师:刘科元一、课题设计与分工要求(一)设计课题课题:浅埋地下通道设计(二)课题分工与要求课题:所有同学完成,每位同学参数不同。
二、目的和要求1、掌握常见各地下结构的设计原则与方法,了解基本的设计流程;2、综合运用地下工程设计原理、工程力学、钢筋混凝土结构学及工程施工、工程技术经济的基本知识、理论和方法,正确地依据和使用现行技术规范,并能科学地搜集与查阅资料(特别希望各位同学能够充分利用好网络资源);3、掌握地下建筑结构的荷载的确定;矩形闭合框架的计算、截面设计、构造要求;附建式地下结构的内力计算、荷载组合、截面设计及构造;基坑围护结构的内力计算、稳定性验算、变形计算及构造设计;沉井结构与地下连续墙结构的施工过程及计算要点。
4、掌握绘制地下结构施工图的基本要求、技能和方法;5、要求同学们以课题为核心,即要求团结协作,培养和发扬团队精神,又要求养成独立自主,勤奋学习,培养良好的自学能力和正确的学习态度。
三、应完成的设计工作量(一)计算书一份1、设计资料:任务书、附图及必要的设计计算简图;2、荷载计算、尺寸的确定、内力计算、截面的设计及验算、稳定性验算、抗浮的验算、基础承载力的计算等(根据各课题的要求不同选择计算内容);3、关键部位配筋的注意事项。
4、可能的情况下提供多施工方案(两个即可)比较。
5、依据施工要求的截面尺寸设计。
(二)绘制施工图(沉井法或地下连续墙))1、必要的平、立、剖面、大样图;2、必要的文字说明。
四、设计时间:一周(12月24日至12月28日)五、主要参考资料1、《地下建筑结构》(第一版),朱合华主编,中国建筑工业出版社编,20052、《地下结构工程》,东南大学出版社,龚维明、童小东等编,20043、《建筑基坑支护技术规程(JGJ120-99)》,中国建筑工业出版社,19994、《基坑工程手册》,中国建筑工业出版社,刘建航、候学渊编,19975、《钢筋混凝土结构设计规范》(GB50010-2002),中国建筑工业出版社,20026、《建筑地基基础设计规范》(GB50007-2002),中国建筑工业出版社,20027、中华钢结构论坛()。
建筑结构课程设计任务书一、目的与要求1.设计目的本课程对工程管理专业来说,是一门理论性和实践性均较强的专业基础课。
本课程设计的基本目的就是力图使学生在课程设计过程中,对建筑结构理论知识加深理解,在设计过程中对结构的总体知识,对结构体系、结构布置及结构形式有所了解,掌握一般结构的基本原理。
学生完成课程设计后,能:①进行一般混凝土构件的选型与计算并绘制施工图;②进行梁板结构的受力分析、设计及计算;③能解决工程建设过程中一般结构问题。
2.设计要求(1)设计一个混凝土结构时,需对其使用要求、材料规格、施工条件以及经济合理等一系列实际问题,进行综合比较,选定合理的好方案。
(2)应逐步掌握和提高综合各种因素进行分析比较的能力,为正确设计打下良好的基础。
(3)注意建筑结构与建筑力学的相同处与不同处。
在解决实际工程问题时,要注意理论的适用范围和适用条件,切勿盲目乱用。
(4)在进行本课程设计的过程中,对课堂理论教学内容进行全面的检验,找出薄弱环节,巩固本课程理论教学成果。
(5)要求绘图准确整洁,并要求写仿宋体字。
二、主要内容1.基本设计资料(1)结构形式某工厂仓库,采用多层砖混结构,内框架承重体系。
外墙厚370mm,钢筋混凝土柱截面尺寸为400 x 400mm,楼盖为现浇钢筋混凝土肋梁楼盖,其平面布置如图所示。
板伸入墙内120mm;次梁、主梁伸入墙内250mm、370mm。
(2)楼面做法20mm厚水泥砂浆地面,钢筋混凝土现浇板,15mm厚石灰砂浆抹底。
(3)荷载永久荷载:包括梁、楼板及构造层自重。
钢筋混凝土容重: 25 kg/m3水泥砂浆容重: 20 kg/m3石灰砂浆容重: 17 kg/m3分项系数:ґG =1.2 。
可变荷载:楼面均布活荷载标准值7KN/m3, 分项系数ґ2=1.3(4)材料选用混凝土:采用C20钢筋:梁受力纵筋采用Ⅱ级钢筋其他钢筋一律用Ⅰ级钢筋2.设计内容(1)结构布置:确定柱网尺寸,主梁、次梁布置,构件截面尺寸,绘制楼盖平面结构布置图。
广东技术师范学院天河学院《建筑结构》课程设计任务书适用专业、班级:工程管理2010级课程性质:实践教学课开课系部:建筑工程系任务时间:2012年6月广东技术师范学院天河学院建筑工程系一、实训目的建筑结构课程设计是教学计划中一个十分重要的教学实践环节,对培养和提高学生的结构设计的基本技能、启发学生对实际结构设计工作的认识和巩固所学的理论知识有十分重要的作用,为以后走上工作岗位打下坚实基础。
通过为期2周的实践环节可以达到以下目的:1、了解混凝土结构设计的一般内容和程序,为毕业设计及今后从事结构设计工作奠定初步基础;2、进一步了解混凝土楼盖的布置及传力途径以及主要构件计算简图的确定;3、掌握楼盖弹性理论和塑性理论的计算方法,并熟悉内力包罗图和材料图的绘制方法;4、掌握现浇楼板的构造要求,了解构造设计的重要性;5、掌握现浇楼板的结构施工图的表达方式和制图规定,进一步提高制图的基本技能。
6、掌握板式楼梯的结构构造和内力计算方法,并学会绘制板式楼梯的施工图。
二、基本要求1、编写设计计算时,应一丝不苟,多次计算,要培养认真负责、踏实细致的工作作风。
(按照最新规范执行计算过程)2、以班为单位在实训教室进行课程设计,严格遵守上课秩序,服从指导老师安排,严禁迟到、早退。
3、每个同学需独立完成设计任务,允许讨论,不能互相抄袭和代为完成。
4、填写课程设计个人总结,并自评。
三、任务与作业1、设计资料(1)、某工业仓库楼盖,平面轴线尺寸如图1示。
其中纵向尺寸为5×A,横向尺寸为3×B;(见下列组合)楼盖尺寸A、B由指导教师给定;外围墙体为砖墙,采用MU10烧结普通砖、M5混合砂浆砌筑,其中纵墙厚度为370mm,横墙厚度为240mm;轴线通过各墙体截面中心线。
楼梯间设在该平面之外。
A1=5100;A2=5400;A3=5700;A4=6000;A5=6300;A6=6600;A7=6900;A8=7200;B1=5700;B2=6000;B3=6300;B4=6600;B5=6900;B6=7200;B7=7500;B8=7800。
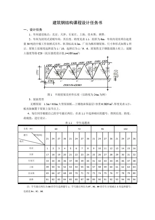
建筑钢结构课程设计任务书一、设计任务1、车间建设地点:北京、天津、石家庄、上海、佳木斯、黄骅。
2、车间为封闭式采暖车间,其长度、跨度见表1.1,柱距为6m ,车间内设有两台起重量30吨的中极工作制桥式吊车,轨顶标高8.5m 。
厂房为梯形钢屋架,尺寸和形式如图1所示。
屋架上弦坡度起拱前为1/10,起拱后为1/9.6。
屋架简支于钢筋混凝土柱上,混凝土强度等级C20(抗压强度设计值f c =10N/mm 2)拱50图1 半跨屋架及杆件长度(以跨度为24m 为例)3、屋面类型无檩屋面 1.5m ×6.0m 大型屋面板,,上铺泡沫保温层(容重6.5KN/m 3,厚度见表1.2),板直接搁置于屋架上弦节点上。
4、每位同学根据自己的学号最后两位,在表1.1中选择相应的题号,得到长度,跨度,荷载值,进行设计。
注:学号最后两位为00的学生选择题号1,学号最后两位为97、98、99的学生分别减去3再选择题号,也就是94、95、96.表1.2 各地区荷载值二、设计要求1、正确布置钢屋架的支撑;2、掌握钢屋架的设计步骤和方法;3、能正确绘制钢屋架施工图。
三、设计内容1、确定屋架形式尺寸,选择钢材及连接材料;2、布置屋盖支撑并按比例绘出支撑布置图;3、计算结构内力,给出各杆件的最不利内力;4、杆件内力组合;5、选择杆件截面;6、节点设计;7、绘制施工图;8、计算书一份。
四、考核方式与成绩评定标准1、完成计算书一份、A1图纸一份;2、计算书:纸张规格A4,一律采用手写,字迹工整,计算准确,附图可采用铅笔绘制,左侧装订。
封面见附录一;3、施工图:图幅为A1图纸,一律采用铅笔手绘。
图中屋架施工图按1:20比例、节点按1:10比例绘制;4、计算书45分,图纸55分(争优答辩);5、所有设计必须在第17周完成。
五、参考文献[1] 张耀春.钢结构设计原理.北京:高等教育出版社,2011.[2] 中华人民共和国国家标准,钢结构设计规范[3] 中华人民共和国国家标准,冷弯薄壁型钢结构技术规范(GB50018-2002)[4] 实用钢结构设计手册.北京:中国建筑工业出版社,2004.[5] 黎钟.钢结构.北京:高等教育出版社,2000.[6]《钢结构》.钟善桐主编.中国建筑工业出版社,1988[7] 周俐俐,姚勇.大学生课程设计指南丛书.钢结构课程设计指南[8] 沈祖炎,陈杨冀,陈以一.钢结构基本原理.中国建筑工业出版社,2000。
《钢筋混凝土楼盖结构》课程设计任务书一、设计目的1.熟悉混凝土结构设计的过程和方法,掌握混凝土结构的设计理论。
2.熟悉《建筑结构荷载规范》和《混凝土结构设计规范》二、设计资料1.某工业厂房结构安全级别为二级,楼盖使用活荷载为7KN/M2.2.楼面面层为水磨石(底层20mm厚水泥砂浆,10mm厚面层),自重为0.7KN/M2,梁天花板抹灰为混合砂浆(15mm厚),自重0.257KN/M2。
3.材料选用:混凝土采用C25(fc=11.9N/mm2)梁中受力钢筋采用二级(fy=300N/mm2),其他钢筋采用一级(fy=210N/mm2)。
三、设计要求和成果1.结构布置及梁、板截面尺寸的确定(柱截面350mm*350mm,为适应教学内容的需要,柱对梁的约束作用忽略)。
2.板得内力计算及配筋设计;3.次梁的内力计算及配筋设计;4.主梁的内力计算及配筋设计;5.提供计算书一份;6.手绘三号施工图2张(包括楼盖结构布置图与楼板配筋图,次梁配筋图,主梁弯矩叠合图、配筋图)。
四、参考资料(一).选用规范1.《建筑结构荷载规范》Load code for the design of building structures(GB50000-2001).2.《混凝土结构设计规范》Code for design of concrete structure (GB50010-2002).3.《建筑结构制图标准》Standard for structuredrawings(GB/T50105-2001).(二).其他1.《混凝土结构》及教材2.相关参考资料钢筋混凝土楼盖设计计算书1、设计要求1. 某工业厂房结构安全级别为二级,楼盖使用活荷载为7KN/M2.2. 楼面面层为水磨石(底层20mm厚水泥砂浆,10mm厚面层),自重为0.7KN/M2,梁天花板抹灰为混合砂浆(15mm厚),自重0.257KN/M2。
3. 材料选用:混凝土采用C25(fc=11.9N/mm2)梁中受力钢筋采用二级(fy=300N/mm2),其他钢筋采用一级(fy=210N/mm2)。
《高层建筑结构》课程设计任务书一、设计题目:高层框架结构设计某高层办公建筑,采用全现浇框架结构,结构平面布置如图所示,质量、刚度均匀,地上12层,各层层高、跨度及竖向荷载如图所示,设计使用年限为50年。
取③轴一榀典型横向框架进行结构设计。
二、设计资料⑴基本风压:0.45kN/m2,地面粗糙度类别为B类。
⑵基本雪压:0.45 kN/m2。
⑶设防烈度:7度;设计分组:第一组;抗震设防类别:丙类。
⑷场地类别:Ⅱ类。
⑸楼面做法:楼板厚120mm,各板顶做20mm厚水泥砂浆找平,地面装修重(标准值)按0.6 kN/m2考虑,各板底粉15mm厚石灰砂浆。
⑹屋顶:不上人屋面,做法同楼面,但加做二毡三油防水层,再做40mm厚细石混凝土面层(内布细丝网)。
⑺混凝土强度等级:梁C25、柱C30。
⑻梁、柱纵向受力钢筋采用HRB400级钢筋⑼梁、柱截面尺寸如下:柱:1~4层ZA:500mm*500mm ZB:600mm*600mm ZC:600mm*600mm ZD:500mm*500mm 5~12层ZA:400mm*400mm ZB:500mm*500mm ZC:500mm*500mm ZD:400mm*400mm 梁:LAB:250mm*700mm LBC:250mm*500mm LCD:250mm*600mm三、计算内容取③轴横向框架进行设计:计算书一份,要求手写,内容包括以下几项:⑴、计算简图(相对线刚度)⑵、荷载计算(竖向荷载、风荷载)⑶、结构水平位移验算⑷、内力计算4.1在竖向荷载作用下框架各杆件的内力(M、N、V)4.2在风荷载作用下的框架各杆件的内力(M、N、V)⑸、内力组合⑹、截面设计(梁、柱配筋)四、结构施工图框架梁、柱配筋图一张,要求手工绘图,2号图纸。
建筑工程任务书结构部分范文一、引言本任务书旨在规范和明确建筑工程项目的目标、范围、进度和质量要求,为项目开展提供指导和支持。
通过详细阐述项目的背景、目的和重要性,引起相关人员的重视和理解。
二、项目背景1. 项目背景介绍详细描述该建筑工程项目的背景信息,包括项目的目的、所处行业、市场需求等。
2. 项目目标清晰阐述该建筑工程项目的目标,包括项目的总体目标和具体目标。
三、项目范围1. 项目范围概述简要描述该建筑工程项目的范围,包括项目所涉及的建筑类型、用途、面积等。
2. 项目任务详细列举该建筑工程项目需要完成的各项任务,包括设计、施工、验收等。
四、项目进度1. 项目时间安排列出该建筑工程项目的时间节点和关键里程碑,确保项目能按时完成。
2. 项目阶段划分将项目按照不同的阶段进行划分,明确每个阶段的任务和时间要求。
五、项目质量要求1. 项目质量目标确定该建筑工程项目的质量目标,包括设计质量、施工质量等。
2. 质量控制措施阐述该建筑工程项目的质量控制措施,包括设计审查、施工检验等。
六、项目风险管理1. 项目风险识别列举可能存在的风险,并进行评估和分类。
2. 风险应对策略阐述针对不同风险的应对策略和控制措施。
七、项目资源需求1. 人力资源需求描述该建筑工程项目所需的人力资源,包括项目组成员和相关专业人员。
2. 物资资源需求概述该建筑工程项目所需的物资资源,包括建筑材料、设备等。
八、项目沟通与协调1. 项目沟通机制阐述项目各方之间的沟通方式和频率,确保信息畅通。
2. 项目协调管理描述项目协调管理的方式和策略,促进各方合作。
九、项目验收与总结1. 项目验收标准确定该建筑工程项目的验收标准,包括设计验收、施工验收等。
2. 项目总结与反馈总结该建筑工程项目的经验和教训,并提出改进建议。
十、附录1. 相关资料列出与该建筑工程项目相关的资料和文献。
2. 术语解释解释文中出现的专业术语,以便读者理解。
以上是本建筑工程任务书结构部分的范文,通过合理的结构和清晰的段落,为读者提供了一个全面而详细的任务书模板。
******业 设 计(论 文)任 务书课题名称 ****集团接待中心设计姓 名 学 号 院、系、部 专 业 土木工程专业 指导教师**(建筑)、**(结构)※※※※※※※※※ ※※ ※※※※※※※※※※※※※20**届学生毕业设计(论文)材料 (一)20**年1月10日题目:安徽***集团接待中心设计一、总建筑面积:5500—6000 m²二、工程概况:*****集团拟在厂前区内建造一幢多层接待中心,该中心为中档标准,并附设餐饮、娱乐等服务设施,建筑层数主体五-六层左右,采用框架结构,建筑体型组合可为单一型或组合型(可根据各部分功能具体情况灵活安排),室外有停车场及绿化布置。
地形图如下。
三、基地平面:(见下图)四、建筑组成及面积分配(面积上下浮动<10%)1.组成部分(1)客房:2000 m2—2500 m2.标准客房(占客房面积的80%):25 m2/间.商务套间(占客房面积的20%):50m2/间(2)门厅:250m2包括服务台、商务茶座区、休息等候区、行李房、商务中心、商品部、公共卫生间等。
(3)餐饮用房:700 m2.餐厅(大厅及包厢):400 m2.厨房(中西配餐、操作、贮藏等):300 m2(4)娱乐服务用房:500 m2.舞厅:200m2.健身、棋牌、美容:各100m2(5)会议室:200m2.大会议室(1个):100m2.小会议室(2个):50 m2/个(6)标准层服务用房:25m2/层服务员休息室及服务台、开水间(7)办公室(若干):75m2(8)辅助用房:150m2洗衣及贮物:75m2电话机房:25m2配电房:50m2(9)交通面积:若干走道、楼梯、电梯、过厅等2. 建筑标准:(1)层高:大空间:4.2m—4.5m 客房:3.3m—3.6m(2)装修外墙——面砖、涂料、石材、集石、喷涂等。
内墙和顶棚——门厅、多功能厅为较高级装修和吊顶棚,其余为中等装修。
楼地面——门厅、多功能厅为地板砖或石材面层;卫生间为防滑地砖;其他均为地砖面层。
建筑课程设计任务书一、教学目标本课程旨在让学生了解和掌握建筑学的基本概念、原理和设计方法,培养学生的空间想象能力和创新意识,提高学生的审美素养和环保意识。
1.掌握建筑物的基本构成要素,如空间、结构、材料、设备等。
2.了解建筑物的设计原理,包括功能分区、空间、界面处理等。
3.熟悉建筑历史和建筑流派,了解我国建筑的特点和发展趋势。
4.掌握建筑环保和节能知识,提高可持续发展意识。
5.能运用基本的设计原理和方法进行简单的建筑方案设计。
6.能运用计算机辅助设计软件进行建筑草图和效果图的绘制。
7.具备一定的建筑模型制作能力和空间表达能力。
情感态度价值观目标:1.培养学生对建筑艺术的热爱和尊重,提高审美素养。
2.培养学生关注建筑与环境的和谐统一,提高环保意识。
3.培养学生勇于创新、善于合作的精神风貌。
二、教学内容本课程的教学内容主要包括以下几个部分:1.建筑基本概念:建筑物的定义、分类和基本构成要素。
2.建筑设计原理:空间、功能分区、界面处理等。
3.建筑历史与流派:我国建筑发展史、世界建筑流派及代表作品。
4.建筑结构与材料:建筑结构类型、常用建筑材料及其特性。
5.建筑设备与节能:给排水、供电、暖通空调等设备及节能技术。
6.建筑设计与表达:设计方法、草图绘制、效果图制作等。
7.建筑模型制作与评析:模型制作技巧、作品评析与改进。
三、教学方法为了提高教学效果,本课程将采用以下教学方法:1.讲授法:讲解建筑基本概念、原理和设计方法。
2.案例分析法:分析经典建筑案例,引导学生理解和掌握建筑设计要点。
3.实验法:进行建筑模型制作和空间表达训练,提高学生的实践能力。
4.讨论法:学生就建筑作品进行评价和交流,培养学生的批判性思维。
5.计算机辅助设计:运用计算机软件进行建筑设计教学,提高学生的创新能力和实践能力。
四、教学资源为了支持教学内容的实施,本课程将准备以下教学资源:1.教材:选用权威、实用的建筑教材,为学生提供系统的理论知识。
建筑课程设计指导任务书一、课程目标知识目标:1. 学生能理解并掌握建筑基础概念,包括建筑风格、建筑结构、建筑材料等;2. 学生能掌握建筑设计的步骤和原则,具备分析建筑图纸的能力;3. 学生能了解我国著名建筑及其历史背景,增强对本土建筑文化的认识。
技能目标:1. 学生能够运用所学知识,设计出具有创意的建筑物;2. 学生能够熟练使用建筑绘图软件,绘制出符合规范的建筑图纸;3. 学生能够通过小组合作,完成一个建筑模型的制作。
情感态度价值观目标:1. 学生对建筑学科产生浓厚的兴趣,培养主动探索和研究的习惯;2. 学生在学习过程中,尊重他人意见,培养团队协作精神和沟通能力;3. 学生能够认识到建筑与环境、社会和文化的关系,树立绿色建筑和可持续发展观念。
课程性质:本课程旨在帮助学生掌握建筑设计的基本知识和技能,提高学生的审美素养和创新能力。
结合学生特点和教学要求,课程注重实践性、探究性和综合性。
学生特点:六年级学生具有一定的认知能力和动手操作能力,对新鲜事物充满好奇心,但注意力容易分散,需要激发兴趣和引导学习。
教学要求:注重理论与实践相结合,鼓励学生动手实践和自主探究,以培养学生建筑素养和创新能力为核心。
教学过程中,关注学生的个体差异,提供个性化指导,确保课程目标的实现。
通过本课程的学习,使学生能够达到上述具体的学习成果。
二、教学内容根据课程目标,教学内容分为以下三个部分:1. 建筑基础概念- 建筑风格:古代建筑、现代建筑、西方建筑等;- 建筑结构:梁、柱、墙、屋顶等;- 建筑材料:砖、石、混凝土、玻璃等。
教学大纲:共4课时,分别介绍建筑风格、建筑结构、建筑材料等基础知识。
2. 建筑设计方法与步骤- 设计原则:实用、美观、经济、环保;- 设计步骤:需求分析、方案设计、施工图设计等;- 建筑绘图软件:AutoCAD、SketchUp等。
教学大纲:共6课时,讲解设计原则、步骤,并让学生动手操作建筑绘图软件。
3. 著名建筑与建筑文化- 我国著名建筑:故宫、长城、鸟巢等;- 建筑与文化:建筑与地域文化、建筑与历史等。
建筑学课程设计任务书一、教学目标本课程的教学目标是使学生掌握建筑学的基本概念、原理和设计方法,培养学生对建筑学的兴趣和热情,提高学生的审美素养和创造力。
具体目标如下:1.知识目标:(1)了解建筑学的基本概念、发展历程和学科体系。
(2)掌握建筑物的空间、形态构成、结构体系、材料和构造等方面的基本原理。
(3)熟悉建筑设计与施工的基本流程和方法。
2.技能目标:(1)培养学生的空间想象能力和绘图能力,使其能够熟练运用建筑学的基本绘图方法。
(2)训练学生进行建筑方案设计和施工图绘制的能力。
(3)提高学生运用计算机辅助设计软件进行建筑设计的技能。
3.情感态度价值观目标:(1)培养学生对建筑艺术的热爱,提高其审美素养。
(2)培养学生具备良好的职业道德,关注建筑与环境、社会的和谐发展。
(3)培养学生勇于创新、持续学习的精神,适应建筑学领域的发展需求。
二、教学内容本课程的教学内容主要包括以下几个方面:1.建筑学基本概念:建筑与建筑学、建筑师的职责与技能、建筑物的基本组成。
2.建筑发展历程:中国古代建筑、中国近现代建筑、外国建筑史、现代建筑运动。
3.建筑空间:空间形态、空间序列、空间组合、空间功能布局。
4.建筑形态构成:建筑物的外观、体型、立面、色彩、比例和尺度。
5.建筑结构体系:建筑结构的基本类型、结构设计与施工。
6.建筑材料与构造:建筑材料的基本性质、选用与搭配、建筑构造的原理与方法。
7.建筑设计方法:设计原则、设计程序、设计手法、设计表达。
8.建筑施工图绘制:平面图、立面图、剖面图、细部图、透视图。
9.计算机辅助设计:AutoCAD、SketchUp、Revit等软件的应用。
三、教学方法本课程采用多种教学方法,以激发学生的学习兴趣和主动性:1.讲授法:讲解建筑学的基本概念、原理和设计方法。
2.案例分析法:分析经典建筑案例,引导学生学会欣赏和评价建筑作品。
3.实验法:学生参观建筑工地、博物馆和展览,增强实践体验。