工程质量验收流程纲要图.doc
- 格式:doc
- 大小:406.05 KB
- 文档页数:7
建筑工程质量验收与交付程序在建筑工程领域,质量验收与交付程序是确保工程质量和安全的重要环节。
它不仅涉及建筑工程的合格验收与验收合格证的颁发,还包括工程交付、隐蔽工程的检查和后续维护等多个方面。
本文将详细介绍建筑工程质量验收与交付程序的主要内容和流程。
一、前期准备及施工阶段的检查在建筑工程施工前,建设单位需要委托专业的工程质量检测机构进行勘察设计、施工图审查和工程初验等工作,确保施工方案符合国家标准和相关法规的要求。
同时,施工单位也应提前组织好工程的施工人员、设备和材料,并对工程进行隐患排查和整改。
二、完工质量验收1. 外观验收:包括建筑物面积、高度、形状、结构等方面的检查,确保建筑物的外观符合设计要求。
2. 功能验收:检查建筑物内外部各个功能区域的使用性能和设施是否完善,如安全出口、消防设备、电梯等。
3. 设备验收:对建筑物内的水、电、空调、通风等各项设备进行检查,确保其正常运行并符合相关标准。
4. 材料验收:验收工程所使用的各类材料,包括水泥、钢筋、砖瓦等,以确保其质量和配合比符合规范。
三、隐蔽工程的检查隐蔽工程指在完工质量验收前已经封闭,不能直接进行观察和检测的工程部分,如墙体内部的电线、管道等。
隐蔽工程的检查主要通过开展取样分析和无损检测等方式来进行。
确保隐蔽工程的质量符合要求,并及时发现和纠正存在的问题。
四、维护及使用寿命验收工程交付使用后,建设单位还需要负责进行工程的后续维护以及使用寿命验收。
这包括定期进行设备检查和保养、建筑物的维修和加固等工作,以延长工程的使用寿命,并确保其安全可靠的运行。
建筑工程质量验收与交付程序的主要流程如下:1. 提交申请:施工单位在工程完工后,向建设单位提交工程质量验收及交付申请,并提供所有必要的资料和报告。
2. 资料审核:建设单位对提交的申请资料进行审核,核实其是否完整、准确。
3. 现场检查:建设单位组织验收组成员对工程现场进行实地勘察,检查建筑工程的各项质量指标。
房屋建筑工程验收流程图1竣工验收项目、单位、联系人、地址、承诺时间、验收程序和提交材料一、防雷装置竣工验收● 单位 :丽水市气象局● 联系人:何志清(主任 2175869● 地址:市行政审批中心气象窗口● 承诺时间:2个工作日,天气因素影响顺延● 验收流程:●需提交的材料:1. 《防雷装置竣工验收申请书》 ;2. 《防雷装置设计核准书》 ;3. 防雷工程专业施工单位和人员的资质证和资格证书;4. 由省、自治区、直辖市气象主管机构认定防雷装置检测资质的检测机构出具的《防雷装置检测报告》 ;5. 防雷装置竣工图等技术资料;6. 防雷产品出厂合格证、安装记录和由国家认可防雷产品测试机构出具的测试报告。
二、水压检测合格证● 单位:市供排水公司● 联系人:潘庆华 2132430 2133090● 地址:中东路 21号(自来水公司二楼● 承诺时间:2个工作日● 验收程序:业主申请→受理→现场检查→出具意见● 需提供的资料:水施图三、配电工程验收意见书Ⅰ客户申请用电:● 单位:莲都供电局水阁供电营业所● 联系人:梁丽伟 2694128●地址:遂松路营业厅● 承诺时间:3个工作日验收程序:用电申请及验收程序参照《莲都供电局客户用电业扩及流程管理办法》。
Ⅱ低压部分:● 单位:莲都供电局水阁供电营业所● 联系人:梁丽伟 2694128● 地址:遂松路营业厅● 承诺时间:5个工作日● 验收程序:业主申请→受理→现场检查→出具意见● 需提交的资料:(1设计施工单位资质证书;(2电力工程施工图、工程竣工图;(3产品资料说明书、各设备产品合格证;(4合格的出厂检测报告、各设备产品合格证、合格的出厂检测试验报告、设备交接试验报告; (注:用户采用的低压电器设备,必需取得国家指定认证机构颁发的3C 认证证书(5安装人员电工证;(6防雷检测报告;(7电气承装申报单;(8配电基本配置是否齐全(包括安全帽、绝缘鞋、绝缘手套、验电笔、主接线图等。
工程验收管理流程图
责任部
门/岗位
具体工作程序相关说明
工程管
理
工程管理成立工程验收审核小组,由工程管理协助监理人员进行
审核。
成立工程验收审核小组,由专职工程技术人员或质控人员进行审核。
工程管理由项目部工程管理与监理单位审批。
相关执
行文件
按《质量管理办法》和《安装工艺标准》执行
相关表单《工程验收申请表》和《验收报告》(由监理单位提供统一标准格式)
1.根据施工方提交的《工程验收申请表》对工程进行验收
2.按照有关《安装工艺标准》进行验收,核对工
程相关检验报告、竣工图纸等文件是否齐全后。
4.组织施工单位在监理处开出《验收报告》,并收
集竣工图纸资料;并按类规档保存。
工程是否合
格
否
3.返
工。
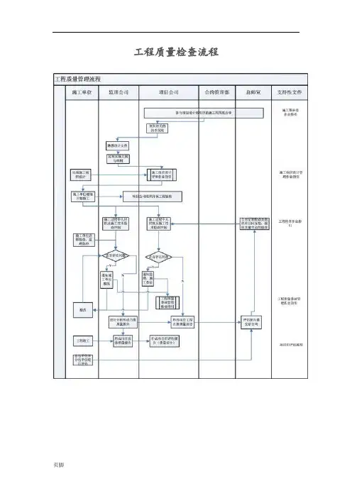
工程质量检查流程
1.目标
规项目工程质量管理,使项目的工程质量符合设计图纸、国家有关规、技术标准及达到合同要求。
2.适用围
本流程适用于市旭尧投资的项目工程在施工过程中的工程质量管理和控制。
3.各部门职责
3.1项目部:负责在施工过程中对施工单位的人员、材料、设备的检查,发现
的问题后及时通报监理单位和施工单位,及时通知施工单位进行整改;
3.2工程部:负责审核项目部提交的项目工程月报,并定期检查项目部的质量
管理工作。
4.工作容
5.主要涉及文档/信息流程
施工质量检查程序图
否
是
工序质量控制图。
工程验收流程文件管理序列号:[K8UY-K9IO69-O6M243-OL889-F88688]建筑工程竣工验收流程“十步走”1施工单位自检评定?单位工程完工后,施工单位对工程进行质量检查,确认符合设计文件及合同要求后,填写《工程验收报告》,并经项目经理和施工单位负责人签字。
2监理单位提交《工程质量评估报告》监理单位收到《工程验收报告》后,应全面审查施工单位的验收资料,整理监理资料,对工程进行质量评估,提交《工程质量评估报告》,该报告应经总监及监理单位负责人审核、签字。
3勘察、设计单位提出《质量检查报告》勘察、设计单位对勘察、设计文件及施工过程中由设计单位签署的设计变更通知书进行检查,并提出书面《质量检查报告》,该报告应经项目负责人及单位负责人审核、签字。
4建设(监理)单位组织初验建设单位组织监理、设计、施工等单位对工程质量进行初步检查验收。
各方对存在问题提出整改意见,施工单位整改完成后填写整改报告,监理单位及监督小组核实整改情况。
初验合格后,由施工单位向建设单位提交《工程竣工报告》。
5建设单位组成验收组、确定验收方案建设单位收到《工程竣工报告》后,组织设计、施工、监理等单位有关人员成立验收组,验收组成员应有相应资格,工程规模较大或是较复杂的应编制验收方案。
6施工单位提交工程技术资料施工单位提前七天将完整的工程技术资料交质监部门检查。
7竣工验收建设单位主持竣工验收会议,组织验收各方对工程质量进行检查。
如有质量问题提出整改意见。
监督部门监督人员到工地现场对工程竣工验收的组织形式、验收程序、执行验收标准等情况进行现场监督。
8施工单位按验收意见进行整改施工单位按照验收各方提出的整改意见及《责令整改通知书》进行整改,整改完毕后,写出《整改报告》,经建设、监理、设计、施工单位签字盖章确认后送质监站,对重要的整改内容,监督人员参加复查。
9工程验收合格对不合格工程,按《建筑工程施工质量验收统一标准》和其它验收规范的要求整改完后,重新验收,直至合格。
建筑工程施工质量验收程序及要求图文并茂质量验收的过程施工质量的自检和评定建筑工程的实际施工质量是在施工单位的具体操作中形成的,检查验收只是对其质量状况的一种反映。
验收实际上只是通过资料汇集和抽查进行的复核而已。
施工中真正大量的检查是施工单位以自检的形式进行,并以评定的方式给出质量状态的结果。
因此施工单位的自检和评定是检验批验收的基础。
新的标准规范虽强调以验收为主,但不意味降低施工单位在质量控制中的作用。
相反,施工单位的自检评定结果是实际验收的依据。
施工单位自检的三个层次前二个检查层次是在生产第一线,以班组的非专职检验人员为主体进行的,主要以对施工质量控制的形式进行的。
其虽然不一定有检查的书面材料或记录,但却是真正形成实际质量的关键。
因此加强班组自检是保证施工质量的重要措施。
自检评定“不合格”的产品或施工结果,应返回生产班组返工、返修。
待自检评定合格后才能提交验收。
但如果自检不严密,则也有可能在检验批的检查中通不过验收而返工、返修。
这样,质量缺陷如果产生,可能在生产(施工)单位自检过程中即已发现并交付返修;也可能在检验批检查时发现而返工。
施工质量的缺陷基本上可以消灭在萌芽状态,避免带入施工后期而生成更大范围的损失。
因此,也完全谈不上是什么“死后验尸”了。
后一个检查层次是由非生产基层班组的专职检验人员主导进行的。
其比较客观和公正,检查的内容以施工操作已形成进行。
检查的结果一般要给出评定结论。
只有评定为“合格”的产品或施工结果,才能交由非施工单位的监理(建设)方面加以确认而完成最基础的检验批的验收。
质量验收的条件对于上述第3)项,原标准规范中归入允许偏差项目,并将各种不同项目的量测检查结果混合计算合格点率,以判定合格与否。
这种做法不分主次,容易产生起决定性影响的项目偏差过大而造成质量控制的漏洞。
例如,悬臂构件负弯矩钢筋往往因施工时踩踏移位,屡屡造成倾覆而引发伤亡事故。
如只以尺寸允许偏差的合格点率要求并与其他项目混合检验,显然是不合格的。
工程质量验收标准和程序协议书甲方:(工程建设单位全称)地址:(工程建设单位地址)联系人:(工程建设单位联系人)电话:(工程建设单位联系电话)乙方:(监理单位全称)地址:(监理单位地址)联系人:(监理单位联系人)电话:(监理单位联系电话)鉴于乙方是在甲方工程建设项目中担任监理工作,为确保工程质量验收的标准和程序,双方经友好协商,达成如下协议:一、工程质量验收标准1. 根据国家相关法律法规、行业标准以及工程技术规范,工程项目应具备合法合规的建设手续,并符合质量验收标准。
2. 工程质量验收标准应包括工程施工、设备安装、材料选用、工程图纸编制等方面的要求,确保工程质量合格。
3. 乙方应按照工程质量验收标准,对工程项目进行细致、全面的验收工作,确保工程质量符合标准和合同要求。
二、工程质量验收程序1. 甲方负责编制工程质量验收方案,并提前通知乙方,以便乙方做好相应的准备工作。
2. 乙方应在接到通知后,及时组织人员进行工程现场勘察和相关材料的审核工作。
3. 根据勘察和审核结果,乙方应对工程质量进行评估,并向甲方提出相关的意见和建议。
4. 甲方应根据乙方的意见和建议,整改工程项目中存在的质量问题,确保工程质量达到验收标准要求。
如有争议,双方将通过友好协商解决。
三、责任和违约处理1. 如乙方未按照协议约定的工程质量验收标准和程序履行监理义务,甲方有权要求乙方进行整改,并保留追究乙方违约责任的权利。
2. 如甲方未按照协议约定提供必要的工程信息和配合乙方进行验收工作,乙方有权要求甲方补充相应的材料和资料,并保留追究甲方违约责任的权利。
四、其他条款1. 本协议自双方签字盖章之日起生效,有效期至工程质量验收完毕。
2. 本协议未尽事宜,双方可另行协商并签订补充协议,补充协议与本协议具有同等法律效力。
3. 对于因履行本协议而发生的争议,双方应通过友好协商解决;如协商不成,任何一方均有权向相关法院提起诉讼。
(以下无正文)甲方(盖章):日期:乙方(盖章):日期:。
(完整)工程验收流程编辑整理:尊敬的读者朋友们:这里是精品文档编辑中心,本文档内容是由我和我的同事精心编辑整理后发布的,发布之前我们对文中内容进行仔细校对,但是难免会有疏漏的地方,但是任然希望((完整)工程验收流程)的内容能够给您的工作和学习带来便利。
同时也真诚的希望收到您的建议和反馈,这将是我们进步的源泉,前进的动力。
本文可编辑可修改,如果觉得对您有帮助请收藏以便随时查阅,最后祝您生活愉快业绩进步,以下为(完整)工程验收流程的全部内容。
工程验收流程一、流程概况:1、流程目的:明确工程验收程序,规范工程验收过程,保证工程验收全面、有效、合法。
2、适用范围:本流程适用于本公司项目工程的验收管理.3、定义:3、1:中间验收:指工程项目实施过程中对各分部、分项工程的质量验收,如基础、主体结构、装修、电气安装等分部验收,钢筋、模板、混凝土、抹灰、砌体等分项工程验收.3、2:交接验收:指不同工序间的工作面移交时(亦即不同施工队伍配合施工)的检查验收。
3、3:单项工程验收:指独立施工的,需政府相关主管部门参与的,具有垄断性质的工程验收,如永久供水、永久供电、消防、电梯、环保、人防等。
3、4:竣工验收:指工程完工后具备交付适用条件时,由建设方(开发商)组织的,有施工方、监理方、设计方(含地质勘察)以及政府监督部门参与的工程验收。
3、5:竣工综合验收:指各单位单项工程验收合格后,由建设方组织的,有施工方、监理方、设计方(含地质勘察)以及政府监督部门参与的工程验收,并签署综合验收文件、报告,该项验收完成后即可进行档案备。
4、验收组织成员:4、1:中间验收:项目部质量技术管理负责人(或项目工程质量监理工程师),施工单位负责人,外部监理单位工程师,工程技术部工程师、设计单位(必要时)和政府质量监督部门(必要时).4、2:交接验收:交接双方施工单位负责人,项目部质量技术管理负责人(或项目工程质量监理工程师),项目部专业工程师.4、3:单项工程验收:施工单位负责人,项目部质量技术管理负责人(或项目工程质量监理工程师),项目部专业工程师,工程技术部工程师、成本部造价工程师、物业管理人员(或客服)、设计单位和政府相关主管部门。
施工技术验收流程图下载温馨提示:该文档是我店铺精心编制而成,希望大家下载以后,能够帮助大家解决实际的问题。
文档下载后可定制随意修改,请根据实际需要进行相应的调整和使用,谢谢!并且,本店铺为大家提供各种各样类型的实用资料,如教育随笔、日记赏析、句子摘抄、古诗大全、经典美文、话题作文、工作总结、词语解析、文案摘录、其他资料等等,如想了解不同资料格式和写法,敬请关注!Download tips: This document is carefully compiled by theeditor.I hope that after you download them,they can help yousolve practical problems. The document can be customized andmodified after downloading,please adjust and use it according toactual needs, thank you!In addition, our shop provides you with various types ofpractical materials,such as educational essays, diaryappreciation,sentence excerpts,ancient poems,classic articles,topic composition,work summary,word parsing,copy excerpts,other materials and so on,want to know different data formats andwriting methods,please pay attention!深入解析:施工技术验收流程图的全面解读在建筑工程中,施工技术验收是一个至关重要的环节,它直接关系到工程的质量和安全。
工程方案验收流程表一、前期准备阶段1.1 确定验收范围:明确项目验收的具体范围,包括相关资料、文档、系统、设备等。
1.2 制定验收标准:依据项目需求和规范要求,制定工程方案验收的标准和指标,以确保验收的客观性和科学性。
1.3 评审验收方案:对验收标准和流程进行评审,确保其合理、完整、符合实际需求。
二、准备验收文件2.1 编制验收计划书:明确验收时间、地点、验收方、验收内容、验收标准等要素,起到指导和规范作用。
2.2 准备验收资料:包括项目报告、相关设计文件、验收记录等。
2.3 做好通知工作:通知相关参与单位,邀请相关专家和技术人员参与验收。
三、现场验收阶段3.1 准备工作:验收人员按照计划,到达验收现场,确认验收文件和资料是否齐全。
3.2 现场检查:验收人员对施工现场进行全面检查,对施工质量进行评估。
3.3 验收测试:对设备、系统进行功能测试和性能测试,判断其是否符合设计要求。
3.4 验收记录:对验收过程进行详细记录,包括问题发现、意见建议等。
四、验收结果评定4.1 验收标准:依据项目验收标准和指标,结合现场实际情况,对验收结果进行评定。
4.2 讨论意见:对现场发现的问题和意见进行讨论,形成初步验收意见。
4.3 编制验收报告:根据评定结果,编制验收报告,明确验收结论和意见建议。
五、验收结论确认5.1 验收结论提交:将验收报告提交给相关领导和专家组,确认验收结论。
5.2 沟通协商:对于存在争议的问题,积极与相关单位和专家进行沟通协商,形成一致意见。
5.3 最终确定结论:在沟通协商的基础上,最终确定验收结论和意见建议。
六、验收文件归档6.1 验收文件整理:对验收报告、记录等文件进行归档整理,保存好相关证据和资料。
6.2 做好备份:对验收文件进行备份,确保文件安全。
6.3 通知相关单位:向相关单位通知验收结果,明确下一步的工作安排。
七、后续工作跟踪7.1 整改措施:对于未通过验收或存在问题的部分,制定整改措施,并进行跟踪落实。
工程验收流程图(总10页)--本页仅作为文档封面,使用时请直接删除即可----内页可以根据需求调整合适字体及大小--工程验收程序一、程序概况:1、程序目的:明确工程验收程序,规范工程验收过程,保证工程验收全面、有效、合法。
2、适用范围:本程序适用于本公司项目工程的验收管理。
3、定义:3、1:中间验收:指工程项目实施过程中对各分部、分项工程的质量验收,如基础、主体结构、装修、电气安装等分部验收,钢筋、模板、混凝土、抹灰、砌体等分项工程验收。
3、2:交接验收:指不同工序间的工作面移交时(亦即不同施工队伍配合施工)的检查验收。
3、3:单项工程验收:指独立施工的,需政府相关主管部门参与的,具有垄断性质的工程验收,如永久供水、永久供电、消防、电梯、环保、人防等。
3、4:竣工验收:指工程完工后具备交付适用条件时,由建设方(开发商)组织的,有施工方、监理方、设计方(含地质勘察)以及政府监督部门参与的工程验收。
3、5:竣工综合验收:指各单位单项工程验收合格后,由建设方组织的,有施工方、监理方、设计方(含地质勘察)以及政府监督部门参与的工程验收,并签署综合验收文件、报告,该项验收完成后即可进行档案备。
4、验收组织成员:4、1:中间验收:项目部质量技术管理负责人(或项目工程质量监理工程师),施工单位负责人,外部监理单位工程师,工程技术部工程师、设计单位(必要时)和政府质量监督部门(必要时)。
4、2:交接验收:交接双方施工单位负责人,项目部质量技术管理负责人(或项目工程质量监理工程师),项目部专业工程师。
4、3:单项工程验收:施工单位负责人,项目部质量技术管理负责人(或项目工程质量监理工程师),项目部专业工程师,工程技术部工程师、成本部造价工程师、物业管理人员(或客服)、设计单位和政府相关主管部门。
4、4:竣工验收和竣工综合验收:施工单位负责人(指总承包单位),项目部质量技术管理负责人(或项目工程质量监理工程师),项目部专业工程师,工程技术部工程师、成本部造价工程师、物业管理人员(或客服)、设计单位和政府相关主管部门。
1方案报审流程
施工单位根据图纸、合同
文件等要求编制施工组
织设计、施工方案等
施工组织设计
施工单位进行内部审批、
施工方案
手续齐全
施工单位进行施工技术
文件报审
形成
未批准批准
建设(监理)《施组、方案报审表》
单位批复意见
施工单位依据批复意见
1、施工组织设计交底
与技术文件进行技术交
2、施工方案交底
底
3、分项工程施工技术交底
进入施工质量验收报批
流程
方案报审流程图
2物资进场验收流程
相关质量证明文件包括
厂合格证;
供应单位根据供货合同
厂家质量检验报告;提交相关质
组织工程物资进场
厂家质量保证书;
量证明文件
进口商品商检证明;
质量检验部门出具的检
验报告;
环保、消防部门出具的
施工单位组织工程物资进场检验认可文件等。
注:提交的质量证明文
件
抽样复试不合格开箱检查
合格
材料、构配件进场检验记录
材料试验报告
设备开箱检验记录
施工单位进行工设备及管道附件试验记录
程物资进场验收形成物资进场复试报告(试验检验单位提
供)
报
送
建设(监理)
审批签工程物资进场报
认形成验表
单位审核
退货或按
合
合同约定
格
处理
工程使用
物资进场验收流程图
3检验批质量验收流程
施工单位根据图纸、规范、
方案、交底等组织施工
按规范、方案等形成以下资
料:
施工测量记录整施工单位负责进行过程质量施工物资资料
施工记录改
控制检查、检验形成
施工试验记录等
施工完成,施工
不合格
单位自检
监理(建设)单位《检验批质量验收记不合格组织检验批质量验形成录表
收
施工单位进入下一道工序施工
检验批质量验收流程图
4分项工程质量验收流程
同一分项工程检验批
施工完成并验收通过
(第 1 个)
同一分项工程全
部检验批完成
.
同一分项工程检验批同一分项工程检验批施工完成并验收通过施工完成并验收通过(第 2 个)(第n个)
施工单位自检
合格,报监理
监理(建设)单位组织《分项工程质量验施工单位进行分项工收记录表》《分项/分部程质量验收形成工程施工报验表》
下一个分项工程质量验收
流程
分项工程质量验收流程图
. 5子分部工程质量验收流程
同一子分部工程检验同一子分部工程检验批施工完成并验收通批施工完成并验收通过过
(第 1 个)(第2个)
同一子分部工程
全部检验批完成
施工单位自检
同一子分部工程检验
批施工完成并验收通
过
(第 n 个)
子分部工程验收文件
施工管理资料
施工技术资料
施工测量资料
施工物资资料
施工记录
施工试验记录
形成
子分部工程质量验收记
录
合格,报监理
监理(建设)单位组织《子分部工程质量验施工单位进行子分部
形成收记录表》《分项/分部工程质量验收
工程施工报验表》
下一个子分部工程质量验
收流程
子分部工程质量验收流程图
6分部工程质量验收流程
.
同一分部工程检验批
施工完成并验收通过
(第 1 个)
同一分部工程全
部检验批完成
同一分部工程检验批
施工完成并验收通过
(第 2 个)
施工单位自检
同一分部工程检验批
施工完成并验收通过
(第 n 个)
分部工程验收文件
施工管理资料
施工技术资料
施工测量资料
施工物资资料
施工记录
施工试验记录
分部工程质量验收记录
形成
合格,报监理
监理(建设)单位组织《分部工程质量验收施工单位进行分部工记录表》《分项/分部工程质量验收形成
程施工报验表》
下一个分部工程质量验收
流程
分部工程质量验收流程
.
7单位工程质量验收流程
同一单位(子单位)工程的分同一单位(子单位)工程的分同一单位(子单位)工程的分部工程施工完成并验收通过部工程施工完成并验收通过部工程施工完成并验收通过(第 1个)(第 2个)(第 n个)
同一单位(子单
位)工程的全部分
部工程完成
单位(子单位)工程完工
施工完成,施工
单位自检
整
改
施工单位自检合格后,
不合格
报请监理单位验收
列入城建档案
合
馆接收工程
格
《单位(子单位)工程质量控制资料核查记录》
《单位(子单位)工程安全和功能检验资料核查形成
及主要功能抽查记录》
《单位(子单位)工程观感质量检查记录》
形成《单位工程竣工预验收报验表》( A 监)
工程档案预验收形成
《建设工程竣工档案预验收意
见》(城建档案馆)
建设单位组织设
不合格计、勘察、监理、施
工等单位竣
工验收
合格形成
1、《工程质量检查报告》(勘察单位)
2、《工程质量检查报告》(设计单位)
3、《工程质量评估报告》(监理单位)
4、《工程竣工报告》(施工单位)
5、《工程竣工验收报告》(建设单位)
6、单位(子单位)工程质量竣工验收记录
工程移交建设单位形成《竣工移交证书》( B8 监)(监理单位)
工程竣工验收备案除具备上述工程文件外,还应
有以下文件(主要):
1《建设工程规划许可证》及其它规划审批文件
2、《建设工程施工许可证》
3、《工程质量监督注册登记表》
工程竣工备案具备相应资料4、《地基验槽检查记录》
5、《建设工程消防验收意见书》
6、《水质检验报告》
7、《环保监测检验报告》
8、《北京市房屋建筑工程质量保修书》
9、房屋建筑工程质量保证书和使用说明书
10、其它文件
单位工程质量验收流程图。