标准检验指导书
- 格式:xls
- 大小:149.00 KB
- 文档页数:1
检验标准指导书制作及管理全文共四篇示例,供读者参考第一篇示例:检验标准指导书是指针对某种产品或服务的检验工作制定的指导性文件,其制作和管理至关重要,对确保检验的准确性和有效性至关重要。
下面就检验标准指导书的制作及管理进行详细探讨。
一、检验标准指导书的制作1.明确目的:首先需要明确制作检验标准指导书的目的,包括检验的范围、内容、依据等。
只有明确了目的,才能有效地制定出适用于具体产品或服务的检验标准指导书。
2.搜集资料:制作检验标准指导书需要搜集相关的数据资料,包括相关法规法规、行业标准、技术规范等。
确保所制定的检验标准符合法规要求,同时也要考虑到行业的实际情况。
3.制定流程:制作检验标准指导书需要确定具体的制定流程,明确各个环节的责任人员和时间节点。
确保整个制作过程有条不紊、有序进行。
4.参与者培训:在制定检验标准指导书的过程中,需要对相关人员进行培训,使其了解标准的内容、实施流程以及评定标准的方法。
5.定期评估:制定好的检验标准指导书需要进行定期评估,及时调整更新,确保其符合实际检验需求和发展趋势。
1.建立档案:制定好的检验标准指导书需要建立档案管理制度,确保每个版本都能被追踪和查阅,及时更新修订。
2.分工管理:对于不同的检验标准指导书,可以根据其重要性、使用频率等因素进行划分,按照责任部门进行管理。
3.团队协作:检验标准指导书的管理需要团队协作,相关人员需要密切配合,及时沟通,确保标准的合理性和有效性。
4.培训管理:定期对检验标准指导书的制定和管理人员进行培训,提高其理解和应用标准的能力。
5.风险管理:在管理检验标准指导书时,需要关注可能影响标准执行的风险因素,及时采取措施加以控制。
检验标准指导书的制作和管理对于提高检验工作的准确性和效率至关重要。
只有认真制定合适的检验标准指导书,并加强管理和落实,才能更好地确保产品或服务的质量,满足市场需求。
希望以上内容能对您有所帮助。
第二篇示例:检验标准指导书是指用于指导实施检验工作的文件,是检验人员依据的依据之一。
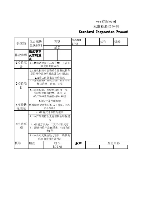
电子元器件来料检验标准指导书目的:对IQC品检人员的作业方法及流程进行规范,提高IQC检验作业水平,控制来料不良,提高品质。
1、实用范围:来料进料检验2、质检步骤(1)来料暂收(2)来料检查(3)物料入库3、质检要点及规范(1)来料暂收:仓管收到供应商的送货单后根据送货单核对来料:数量,种类及标签内容等无误后送交IQC 检验,予以暂收,并签回货单给来料厂商。
(2)来料检查:IQC品检人员收到进料验收单后,依验收单和采购单核对来料与标签内容是否相符,来料规格,种类;是否相符,如不符拒检验,并通知仓管、采购及生管,如符合,则进行下一步检验。
一般先抽查来料的一定比例(以仓库来料质检标准),查看品质情况,再决定入库全检,还是退料。
(3)检查内容:(1)外观:自然光或日光灯下,距离样品30CM目视;(2)尺寸规格:用卡尺/钢尺测量,厚度用卡尺/外径千分尺测量;(3)粘性分别按:GB/T4852-2002、GB/T4851-1998、GB/T2792-1998中方法执行,结果记录于《可靠度测试报告》中;(4)包装完好、标识正确、完整、清晰,环保材料查看是否贴有相应的环保标签,第一批进料时要附SGS报告及物质安全表及客户要求的其它有害物质检测报告;(5)检验合格后贴上合格标签,填写《物料检验表》并通知仓库入库,仓库要按材料类型(环保与实用型)及种类分开放置标示清楚,成品料由IQC人员包装放于待出货区。
以仓库物料质检标准。
(6)物料入库:检查完毕,要提交《原材料进库验货》交上级处理,并对合格暂收物料进行入库登记。
异常物料特《原材料进库验货》批示后,按批示处理。
4、注意事项(2)贵重物品及特殊要求物料要逐一检查。
(3)新的物料需给技术开发部确认。
5、异常处理办法物料在检验过程中发现异常,即时向采购及品管主管反映,录求解决方法,尽快处理。
6、不合格品的处理:(1)IQC判定为不合格时,在产品包装外贴上退货/拒收标签,把产品转移到不合格/退货区域,并报品质主管确认签字后,送采购/生管签名后发到供应商,供应商未在2个工作日内回复的报仓库直接作退货处理;如为急料,经品质主管与采购,生管,业务协商后,呈经理审批,按评审意见办理;(2)跟据供应商提供的改善方案,IQC品管员对下批来料改善效果进行确认,并记录结果。
可编辑修改精选全文完整版检验作业指导书(共五则)第一篇:检验作业指导书检验作业指导书1.进料检验 1.1 定义进料检验又称来料检验,是制止不良物料进入生产环节的首要控制点。
进料检验由IQC执行。
1.2 检测要项IQC在对来货检验前,首先应清楚该批货物的品质检测要项,不明之处要向本部门主管问询,直到清楚明了为止。
在必要时,IQC验货员可从来货中随机抽取两件来货样,交IQC主管签发来货检验临时样品,并附相应的品质检测说明,不得在不明来货检验与验证项目、方法和品质允收标准的情况下进行验收。
1.3 检验项目与方法 1.3.1 外观检测一般用目视、手感、限度样品进行验证。
1.3.2 尺寸检测一般用卡尺、千分尺、塞规等量具验证。
1.3.3 结构检测一般用拉力器、扭力器、压力器验证。
1.3.4 特性检测如电气的、物理的、化学的、机械的特性一般采用检测仪器和特定方法来验证。
1.4 检验方式的选择 1.4.1 全检方式适用于来货数量少、价值高、不允许有不合格品物料或公司指定进行全检的物料。
1.4.2 免检方式适用于低值、辅助性材料或经认定的免检厂来料以及生产急用而特批免检的,对于后者IQC应跟进生产时的品质状况。
1.4.3 抽样检验方式适用于平均数量较多、经常性使用的物料。
样本大小:批量的10%(不少于20件),允收数AC=0,拒收数RE=1。
1.5 检验结果的处理方式 1.5.1 允收经IQC验证,不合格品数低于限定的不合格品个数时,则判为该批来货允收。
IQC应在验收单上签名,盖检验合格印章,通知货仓收货。
1.5.2 拒收若不合格品数大于限定的不良品个数,则判定该送检批为拒收。
IQC应及时填制《IQC退货报告》,经相关部门会签后,交仓库、采购办理退货事宜。
同时在该送检批货品外箱标签上盖“退货”字样,并挂“退货”标牌。
1.5.3 特采特采,即进料经IQC检验,品质低于允许水准。
IQC虽提出“退货”的要求,但由于生产的原因,而做出的“特别采用”的要求。
浙江景兴纸业股份有限公司企业标准QJ/JXZ06.01—2009检验指导书2009-10—28发布2009—11—01实施浙江景兴纸业股份有限公司批准QJ/JXZ06.01-2009目录第一章总则 1 第二章进货检验指导书 1 第三章工序检验指导书 6 第四章最终检验指导书11 第五章引用标准18浙江景兴纸业股份有限公司企业标准检验指导书 QJ/JXZ06。
01-2009第一章总则1。
1主题内容本标准规定了A类物资进货检验、工序检验、最终检验的抽样规则、检验及试验方法及操作规范。
其中A类物资进货检验包括原料(纸浆、废纸)、化工材料、包装材料等的进货检验,工序检验包括废纸筛选检验、成浆检验、外观检验等,最终检验即成品检验.1。
2适用范围本标准适用于A类物资进货检验、工序检验、最终检验.第二章进货检验指导书2。
1 纸浆2.1。
2内在指标2.1.2。
1 抄片方法按SN/T0300-93《进出口纸浆检验规程》标准执行。
2。
1.2。
2 同一类品牌的纸浆每月不少于一次抄片测试内在指标,新进纸浆不少于5批的连续跟踪抄片进行测试内在指标.浙江景兴纸业股份有限公司2009—10—28发布2009—11-01实施2。
1。
3外观检验:目视。
色泽与上批样本进行对比。
每次到货需留取不同批号的纸样,并在纸样上注明进货日期、原料名称、批次号、白度/色度。
2.1.4注意事项有下列情况的包应拒绝抽取:1)在垛外表明显受干、湿影响的包;2)散包、残损包以及明显的湿包;3)以前抽过样的浆包;4)号码不清或清单内无列此号的包以及重号的浆包;5)抽样时必须记录出每件或每包的批号、有实磅数量及销售重量注明的需予以记录。
2。
2 进口废纸2.2.2 水份的测定1) 试片的切取从每个样包内沿长方向均分为三个部分和包的两个端面处,在不同部位剪取代表性样片共10片(份),每片(份)试片重量基本相等,每包试总重不少于100g。
试片取出后立即装入密闭容器或塑料袋内,避光、避热、避潮保存.取样至称湿重间隔时间不得超过2.5h。
制 作确 认审 核按订单材质、厚度:按图纸规 格 :与BOM一致产品名称;生效日期 :项 目检验方法缺陷等级目 测Ma 目 测Ma 戴棉纱手套检验无棉絮产生Ma 目 测Mi 目测/测量MaNO.检验项NO.检验项检验工具缺陷等级1材料厚度4孔径千分尺/卡尺Cr 2外形尺寸5孔距卡尺/卷尺Ma 3沉孔尺寸6沉孔角度和方向卡尺/适配Ma 目 测Mi 目 测Mi12345目 测Standard Inspection Procedure(SIP)2.1所有尖角到钝,但不能倒成圆角;2.2所有外面毛刺必须去除,以手摸无刮手感觉为宜;检验频率:工序自检检验內容2.4外表面不得有明显划痕、划伤、变形等;2.5腰孔允许锯齿状加工痕,但最小尺寸不得小于图纸尺寸要求(图纸有明确要求的除外)。
4.1按要求合理摆放、注意防护、正反面;4.2作好物料标识,图纸随料周转。
Ma 1.2材料表面平整、光滑、颜色均匀一致;1.3镀锌板表面花纹一致,锌层不得有明显划伤、黑点等。
1.1材料表面无明显杂色、斑点、脏污及渗杂异物,不得有压伤、锈斑、明显划痕、变形、鼓包等缺陷;本标准适用工序:订单号:设备编号:产品编号 :物料编码:与BOM一致检验类别:2018/5/18与BOM、图纸一致与BOM一致激光、数冲(下料) 、钻床(沉孔)不 良 品 图 示①材料检验②产品外观备注:以上外表面毛坯件允许轻微的擦伤或划伤,但不得影响喷涂后的整体效果(图纸有明确要求的除外);A级表面:客户在生产装配时能直接正视的外部表面(正面、侧面);B级表面:不明显的外部和开启后,就能正视的内部表面(内侧面、背面);2.3冲网孔工件表面不得有明显起伏及鼓包;③尺寸④包装注意事项1.作业员操作机器时严格按照(SOP)操作;2.检查订单有几种产品(物料),注意产品的区分,防止混料;3.外观要求较高的物料(比如镀锌板、拉丝不锈钢、覆膜板、铝板等~)采取必要的包装隔离措施以免产生划痕、划伤、压伤、擦伤、变形等;4.后工序要进行加工的物料,数控编程时应预留合理的加工余量;5.对于尺寸精度要求较高的工件要提前考虑好激光数冲加工后的变形量;6.沉孔不得呈三角形、多边形,沉孔内不得有毛刺,以平头或沉头螺丝不凸起为备 注(外观说明及检测要求)产品A面、B面无划痕、划伤(允许轻微划痕划伤,手摸无明显手感且喷涂后不可见),C面喷涂后不可见明显划伤;C级表面:不易察看的内部和外部表面(底部);划伤锈斑变形毛刺制 作确 认审 核按订单材质、厚度:按图纸规 格 :与BOM一致产品名称;生效日期 :项 目检验方法缺陷等级目 测Ma 目 测Ma 目 测Ma 目 测Mi 目 测MaNO.检验工具缺陷等级1卡尺+卷尺Ma 2卡尺+卷尺Ma 3角度尺+直角尺Ma 12345Mi检验项折弯后孔到孔的尺寸(关键尺寸);折弯尺寸+外形尺寸+对角线+平面度;折弯方向+折弯角度。
引言:标准检验指导书(SIP)是一种用于指导企业按照相关标准进行质量控制和产品检验的文件。
它通常由政府部门、质量认证机构或行业协会编制,并在特定领域中得到广泛应用。
本文是《标准检验指导书(SIP)(二)》的详细阐述,主要包括五个大点的内容,每个大点由59个小点构成,旨在为读者提供关于SIP的深入了解。
1.SIP的意义和背景1.1SIP的定义1.2SIP的作用和意义标准检验指导书(SIP)是根据具体行业领域的标准要求编制的,它为企业提供了质量控制和产品检验的指导,有助于确保产品符合质量要求。
SIP的背景是为了规范和统一产品质量检验流程,提高产品质量水平,避免因不合格产品引起的损失和风险。
2.SIP的编制和应用2.1编制SIP的机构和流程2.2SIP的应用范围和适用对象SIP通常由政府部门、质量认证机构或行业协会等专业机构编制,其编制过程包括市场调研、标准研究、制定流程等环节。
SIP适用于特定行业领域,例如食品、医药、电子等,对于从事该行业的企业、生产者和使用者都具有指导意义。
3.SIP的主要内容和要求3.1SIP的结构和章节3.2SIP的主要内容和要求SIP的结构通常由导言、引言、范围、规范性引用文件、术语和定义、测试方法、检验标准、检验程序、抽样方法、报告格式等章节组成。
SIP的主要内容包括质量控制要求、检验流程、样品抽样等,要求企业按照SIP进行产品检验,并保证产品质量符合相关标准要求。
4.SIP的优势和挑战4.1SIP的优势4.2SIP的挑战和应对措施SIP的优势包括有助于提高产品质量、减少不合格品数量、加强企业质量管理体系等。
推广和应用SIP也面临一些挑战,如推广困难、培训成本高等。
为了克服这些挑战,可以加强对SIP的宣传和培训,提供技术支持等。
5.SIP的进一步发展方向5.1SIP的优化和改进5.2SIP的国际合作与交流为进一步提高SIP的应用效果和推广水平,可以对SIP进行优化和改进,结合实际情况进行修订和更新。
首件检验标准指导书1. 引言首件检验作为产品质量控制的重要环节之一,对于确保产品的质量稳定性和一致性具有重要意义。
本文档旨在为企业制定首件检验标准提供指导,确保首件检验的准确性和有效性。
2. 首件检验的定义和目的首件检验是指在生产过程中,获取来自产品流程的第一件产品,并对其进行全面的检验和评估,以验证产品是否满足设计和制造要求。
首件检验的目的是确保产品的质量,减少不合格品的生产和流入市场。
3. 首件检验的内容首件检验的内容应根据产品的特性和要求而定,通常包括以下方面:3.1 外观检验外观检验主要针对产品外观的完整性、色泽、表面处理等方面进行评估。
通过视觉检查、测量、比较等方法,对产品外观进行全面检查和评估,确保产品外观符合设计和制造要求。
3.2 尺寸检验尺寸检验主要针对产品的尺寸精度和尺寸间的相互关系进行评估。
通过使用测量工具和设备,对产品的尺寸进行测量和比较,确保产品的尺寸符合设计和制造要求。
3.3 功能性检验功能性检验主要针对产品的功能特性进行评估。
通过使用特定的工具、设备和测试方法,对产品的功能进行测试和评估,确保产品的功能符合设计和制造要求。
3.4 包装检验包装检验主要针对产品的包装完整性、防护性能等方面进行评估。
通过视觉检查、外力试验等方法,对产品的包装进行检查和评估,确保产品的包装符合设计和制造要求。
4. 首件检验的步骤和要求首件检验应按照以下步骤进行:4.1 准备工作准备检验所需的工具、设备、检验标准和相关文件资料,确保准备充分和完整。
4.2 选择样品从生产过程中随机选择第一件产品作为首件样品进行检验。
4.3 进行检验按照检验标准的要求,对首件样品进行外观检验、尺寸检验、功能性检验和包装检验,并记录检验结果。
4.4 结果评估根据检验结果,对首件样品的合格性进行评估,并记录评估结果。
4.5 处理不合格品如果首件样品不符合要求,需要及时采取措施进行调整或修正,以确保产品质量。
5. 首件检验的记录和报告为了追踪和记录首件检验的结果,需要编制首件检验记录和报告。