数码管驱动芯片汇总
- 格式:docx
- 大小:1.17 MB
- 文档页数:7
HD7279A的原理与应用作者:河北科技大学电气信息学院王改名赫苏敏王忠杰摘要:详述一种专用的智能键盘和LED控制芯片HD7279A的工作原理、工作时序及其控制指令;介绍HD7279A与CPU及键盘显示器的接口电路,并给出实际接口电路的程序实例和实际应用中的注意事项。
关键词:HD7279A 接口电路接口程序HD7279A硬件电路图HD7279A是一种管理键盘和LED显示器的专用智能控制芯片。
它能对8位共阴极LED显示器或64个LED发光管进行管理和驱动,同时能对多达8×8的键盘矩阵的按键情况进行监视,具有自动消除键抖动并识别按键代码的功能,从而可以提高CPU工作的效率。
HD7279A和微处理器之间采用串行接口,其接口电路和外围电路简单,占用口线少,加之它具有较高的性能价格比,因此,在微型控制器、智能仪表、控制面板和家用电器等领域中日益获得广泛的应用。
一、引脚说明与接口电路279A的硬件电路如图1所示,它共有28个引脚。
RC引脚用于连接HD7279A的外接振荡元件,其典型值为R=1.5kΩ,C=15pF。
RESET为复位端。
该端由低电平变成高电平并保持25ms即复位结束。
通常,该端接+5V即可。
DIG0~DIG7分别为8个LED管的位驱动输出端。
SA~SG分别为LED数码管的A段~G段的输出端。
DP为小数点的驱动输出端。
HD7279A片内具有驱动电路,它可以直接驱动1英吋及以下的LED数码管,使外围电路变得简单可靠。
DIG0~DIG7和SA~SG同时还分别是64键盘的列线和行线端口,完成对键盘的监视、译码和键码的识别。
在8×8阵列中每个键的键码是用十六进制表示的,可用读键盘数据指令读出,其范围是00H~3FH。
HD7279与微处理器仅需4条接口线,其中CS为片选信号(低电平有效)。
当微处理器访问HD7279A(读键号或写指令)时,应将片选端置为低电平。
DATA为串行数据端,当向HD7279A 发送数据时,DATA为输入端;当HD7279A输出键盘代码时,DATA为输出端。
数码管驱动及键盘控制芯片CH455中文手册版本:1E1、概述CH455是数码管显示驱动和键盘扫描控制芯片。
CH455内置时钟振荡电路,可以动态驱动4位数码管或者32只LED;同时还可以进行28键的键盘扫描;CH455通过SCL和SDA组成的2线串行接口与单片机等交换数据。
2、特点●内置显示电流驱动级,段电流不小于25mA,字电流不小于160mA。
●动态显示扫描控制,支持8×4或者7×4,直接驱动4位数码管或者32只发光管LED。
●内部限流,通过占空比设定提供8级亮度控制。
●内置28键键盘控制器,基于7×4矩阵键盘扫描。
●内置按键状态输入的下拉电阻,内置去抖动电路。
●提供低电平有效的键盘中断,提供按键释放标志位,可供查询按键按下与释放。
●高速2线串行接口,时钟速度从0到4MHz,兼容两线I2C总线,节约引脚。
●内置上电复位,支持2.7V~5V电源电压。
●支持低功耗睡眠,节约电能,可以被按键唤醒或者被命令操作唤醒。
●内置时钟振荡电路,不需要外部提供时钟或者外接振荡元器件,更抗干扰。
●提供DIP18、SOP18和SOP16三种无铅封装,兼容RoHS,功能和引脚部分兼容CH450芯片。
3、封装封装形式宽度引脚间距封装说明订货型号DIP18 7.62mm 300mil 2.54mm 100mil 标准18脚双列直插CH455K SOP18 7.62mm 300mil 1.27mm 50mil 标准的宽18脚贴片CH455H SOP16 3.9mm 150mil 1.27mm 50mil 标准的16脚贴片CH455G4、引脚引脚号引脚名称类型引脚说明DIP18/SOP18 SOP1611 14 VCC 电源正电源,持续电流不小于150mA4 8 GND 电源公共接地,持续电流不小于150mA9、10 12、13 14、15 16 12、1315、161、23SEG0~SEG6三态输出及输入数码管的段驱动,高电平有效,键盘扫描输入,高电平有效,内置下拉17 4 SEG7 输出数码管的小数点段驱动输出,高电平有效,7段模式下的键盘中断输出,低电平有效1、5 6、75、910、11DIG0~DIG3输出数码管的字驱动,低电平有效,键盘扫描输出,高电平有效3 7 SDA 内置上拉开漏输出及输入2线串行接口的数据输入和输出,内置上拉电阻2 6 SCL 输入2线串行接口的数据时钟,内置上拉电阻18 无INT# 内置上拉开漏输出键盘中断输出,低电平有效8 无ISET 输入段电流上限调整,悬空为默认设置5、功能说明5.1. 一般说明本手册中的数据,以B结尾的为二进制数,以H结尾的为十六进制数,否则为十进制数,标注为x的位表示该位可以是任意值。
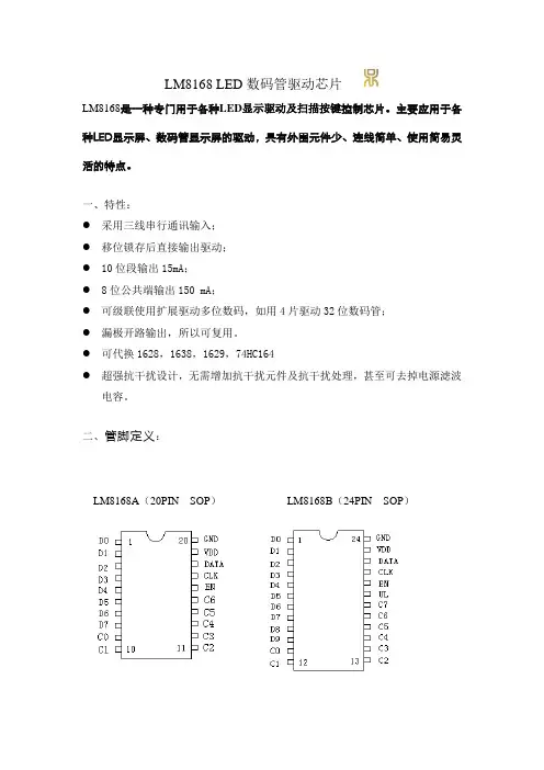
LM8168 LED数码管驱动芯片LM8168是一种专门用于各种LED显示驱动及扫描按键控制芯片。
主要应用于各种LED显示屏、数码管显示屏的驱动,具有外围元件少、连线简单、使用简易灵活的特点。
一、特性:●采用三线串行通讯输入;●移位锁存后直接输出驱动;●10位段输出15mA;●8位公共端输出150 mA;●可级联使用扩展驱动多位数码,如用4片驱动32位数码管;●漏极开路输出,所以可复用。
●可代换1628,1638,1629,74HC164●超强抗干扰设计,无需增加抗干扰元件及抗干扰处理,甚至可去掉电源滤波电容。
二、管脚定义:LM8168A(20PIN SOP)LM8168B(24PIN SOP)三、管脚名称及其功能说明:四、LM8168逻辑原理说明:内部电路(D0~-D17~为寄存器CLK上升时改变,D0--D17为寄存器EN =1时等于D0~-D17~,EN=0不变。
)当CLK上升时DATA-》D0~ , D0~-》D1~,。
D16~->D17~EN=0时,D0、D1。
D17不变。
EN=1时,D0=D0~,D1=D1~。
D17=D17~D0通过输出电路直接输出Q0 。
时序图:五、电气参数:1、直流电参数:VDD=5V,CLK=500KHz (0-70℃)2、极限参数(Ta = 25℃, Vss = 0 V)六、典型应用电路1、LM8168A用于驱动4位数码管显示和24个LED指示灯以及16个按键,本应用将LM8168A与4位数码管做成一个模块,更方便构成显示和按键单元及易于软件排版。
七、封装规格。
矿产资源开发利用方案编写内容要求及审查大纲
矿产资源开发利用方案编写内容要求及《矿产资源开发利用方案》审查大纲一、概述
㈠矿区位置、隶属关系和企业性质。
如为改扩建矿山, 应说明矿山现状、
特点及存在的主要问题。
㈡编制依据
(1简述项目前期工作进展情况及与有关方面对项目的意向性协议情况。
(2 列出开发利用方案编制所依据的主要基础性资料的名称。
如经储量管理部门认定的矿区地质勘探报告、选矿试验报告、加工利用试验报告、工程地质初评资料、矿区水文资料和供水资料等。
对改、扩建矿山应有生产实际资料, 如矿山总平面现状图、矿床开拓系统图、采场现状图和主要采选设备清单等。
二、矿产品需求现状和预测
㈠该矿产在国内需求情况和市场供应情况
1、矿产品现状及加工利用趋向。
2、国内近、远期的需求量及主要销向预测。
㈡产品价格分析
1、国内矿产品价格现状。
2、矿产品价格稳定性及变化趋势。
三、矿产资源概况
㈠矿区总体概况
1、矿区总体规划情况。
2、矿区矿产资源概况。
3、该设计与矿区总体开发的关系。
㈡该设计项目的资源概况
1、矿床地质及构造特征。
2、矿床开采技术条件及水文地质条件。
IC集成电路型号大全及40系列芯片功能大全IC(集成电路)是一种在单一半导体晶圆上集成了数百至数百万个电子元件的微电子元器件。
IC可以实现丰富的功能,从简单的逻辑门到复杂的微处理器,从模拟电路到数字电路等等。
40系列芯片是一种常见的数字逻辑芯片系列,由于功能完善且易于使用而广泛应用。
1.74系列芯片:74系列芯片是最为常见的逻辑芯片,包括多种逻辑门和触发器等基本逻辑功能。
2.555定时器芯片:555芯片是一种通用的定时器,可以提供稳定的时钟信号和可编程的时间延时。
3.741运算放大器芯片:741芯片是一种常见的运算放大器,用于放大模拟信号。
4.4017计数器芯片:4017芯片是一种十进制分频计数器,可用于频率分频、频率测量和计数等应用。
5.4011门芯片:4011芯片是一种四输入门,常用于数字逻辑电路的组合逻辑设计。
6.4511数码管驱动芯片:4511芯片用于驱动共阳极的七段数码管,可在数字显示电路中用来显示数字。
7.4026计数器/分频器芯片:4026芯片是一种十进制计数器和分频器,常用于数字计数和频率分频应用。
8.4093门芯片:4093芯片是一种四反相器门芯片,可用于数字逻辑电路的时钟触发器设计。
9.4051模拟多路复用器芯片:4051芯片是一种模拟信号多路复用器,用于选择多个模拟信号通道中的其中一个。
10.4066开关芯片:4066芯片是一种模拟信号开关,可用于开关模拟信号通路。
11.4029计数器芯片:4029芯片是一种二进制计数器,可用于数字计数和频率测量等应用。
12.4049缓冲器芯片:4049芯片是一种六非门缓冲器,可用于信号放大和驱动等应用。
13.4081门芯片:4081芯片是一种四与门,常用于数字逻辑电路的与门设计。
14.4013触发器芯片:4013芯片是一种D触发器,可用于数字逻辑电路的时钟触发器设计。
15.4050缓冲器/级联器芯片:4050芯片可用于缓冲模拟信号的传输和级联数字逻辑电路。
4位半数码管驱动ic
摘要:
1.半数码管驱动ic简介
2.4位半数码管驱动ic的特点
3.4位半数码管驱动ic的应用领域
4.4位半数码管驱动ic的发展趋势和前景
正文:
半数码管驱动ic是一种专门用于驱动数码管的集成电路,它能将微弱的信号放大,从而驱动数码管显示数字和字符。
在众多的半数码管驱动ic中,4位半数码管驱动ic以其独特的性能和优势受到市场的青睐。
4位半数码管驱动ic的特点主要表现在以下几个方面:
首先,4位半数码管驱动ic具有较高的驱动能力。
它能驱动4位共阴极数码管,使其正常工作。
这种驱动能力使得4位半数码管驱动ic在需要驱动多个数码管的场合具有较大的优势。
其次,4位半数码管驱动ic具有较低的静态功耗。
在未驱动数码管时,其静态功耗几乎为零,从而降低了整体功耗,有利于节能和延长设备的使用寿命。
再者,4位半数码管驱动ic具有较好的抗干扰性能。
它能在复杂的环境中保持稳定的工作性能,保证数码管的正常显示。
4位半数码管驱动ic广泛应用于各种数字显示场合,如电子钟、计数器、数码管显示板等。
在这些应用中,4位半数码管驱动ic能有效地驱动数码管,
实现数字和字符的显示,提高设备的智能化程度和用户体验。
随着科技的不断发展,4位半数码管驱动ic在性能和功能上还将不断完善和优化。
未来,4位半数码管驱动ic将在更多领域得到广泛应用,为人们的生活带来便利。
CH452中文手册1数码管驱动及键盘控制芯片CH452中文手册版本: 2 1、概述CH452是数码管显示驱动和键盘扫描控制芯片。
CH452内置时钟振荡电路,可以动态驱动8位数码管或者64只LED ,具有BCD 译码、闪烁、移位、段位寻址、光柱译码等功能;同时还可以进行64键的键盘扫描;CH452通过可以级联的4线串行接口或者2线串行接口与单片机等交换数据;并且可以对单片机提供上电复位信号。
2、特点2.1. 显示驱动● 内置电流驱动级,段电流不小于20mA ,字电流不小于100mA 。
● 动态显示扫描控制,直接驱动8位数码管、64只发光管LED 或者64级光柱。
● 可选数码管的段与数据位相对应的不译码方式或者BCD 译码方式。
● BCD 译码支持一个自定义的BCD 码,用于显示一个特殊字符。
● 数码管的字数据左移、右移、左循环、右循环。
● 各数码管的数字独立闪烁控制,可选快慢两种闪烁速度。
● 任意段位寻址,独立控制各个LED 或者各数码管的各个段的亮与灭。
● 64级光柱译码,通过64个LED 组成的光柱显示光柱值。
● 扫描极限控制,支持1到8个数码管,只为有效数码管分配扫描时间。
● 可以选择字驱动输出极性,便于外部扩展驱动电压和电流。
CH452中文手册22.2. 键盘控制● 内置64键键盘控制器,基于8×8矩阵键盘扫描。
● 内置按键状态输入的下拉电阻,内置去抖动电路。
● 键盘中断,可以选择低电平有效输出或者低电平脉冲输出。
● 提供按键释放标志位,可供查询按键按下与释放。
● 支持按键唤醒,处于低功耗节电状态中的CH452可以被部分按键唤醒。
2.3. 外部接口● 同一芯片,可选高速的4线串行接口或者经济的2线串行接口。
● 4线串行接口:支持多个芯片级联,时钟速度从0到2MHz ,兼容CH451芯片。
● 4线串行接口:DIN 和DCLK 信号线可以与其它接口电路共用,节约引脚。
● 2线串行接口:支持两个CH452芯片并联(由ADDR 引脚电平设定各自地址)。
矿产资源开发利用方案编写内容要求及审查大纲
矿产资源开发利用方案编写内容要求及《矿产资源开发利用方案》审查大纲一、概述
㈠矿区位置、隶属关系和企业性质。
如为改扩建矿山, 应说明矿山现状、
特点及存在的主要问题。
㈡编制依据
(1简述项目前期工作进展情况及与有关方面对项目的意向性协议情况。
(2 列出开发利用方案编制所依据的主要基础性资料的名称。
如经储量管理部门认定的矿区地质勘探报告、选矿试验报告、加工利用试验报告、工程地质初评资料、矿区水文资料和供水资料等。
对改、扩建矿山应有生产实际资料, 如矿山总平面现状图、矿床开拓系统图、采场现状图和主要采选设备清单等。
二、矿产品需求现状和预测
㈠该矿产在国内需求情况和市场供应情况
1、矿产品现状及加工利用趋向。
2、国内近、远期的需求量及主要销向预测。
㈡产品价格分析
1、国内矿产品价格现状。
2、矿产品价格稳定性及变化趋势。
三、矿产资源概况
㈠矿区总体概况
1、矿区总体规划情况。
2、矿区矿产资源概况。
3、该设计与矿区总体开发的关系。
㈡该设计项目的资源概况
1、矿床地质及构造特征。
2、矿床开采技术条件及水文地质条件。
74hc595芯片驱动数码管的工作原理
74HC595 是一种串行输入、并行输出的移位寄存器芯片,常被用于驱动数码管、LED 等输出设备。
它的工作原理基于串行-并行转换和移位操作。
以下是使用74HC595 驱动数码管的基本工作原理:
一、串行输入:74HC595 芯片具有三个输入引脚,分别是:
DS(Data Input):串行数据输入
SHCP(Shift Register Clock Input):移位寄存器时钟输入
STCP(Storage Register Clock Input):存储寄存器时钟输入
通过串行数据输入引脚DS,可以将一个字节的数据(8位)串行输入到74HC595 中。
二、移位操作:在输入完一个字节数据后,通过向SHCP 引脚提供时钟信号,数据将从串行输入DS 移位到移位寄存器中。
三、并行输出:74HC595 还有8 个并行输出引脚,分别是Q0 到Q7。
这些输出引脚可以连接到数码管的段或LED 灯的正极。
通过向STCP 引脚提供时钟信号,移位寄存器中的数据会并行输出到存储寄存器中。
四、存储寄存器:存储寄存器中的数据在时钟信号到达STCP 时被锁存,此时数据会被保持在存储寄存器中,不再改变。
通过不断重复以上的移位和存储操作,可以将多个字节的数据依次输出到74HC595 的并行输出引脚,从而实现对多个数码管或LED 灯的控制。
总的来说,74HC595 通过串行输入、移位操作和并行输出的方式,实现了对大量输出设备的控制。
这种级联的方式可以有效地减少需要的引脚数量,适用于有限的GPIO 资源的情况。
4511芯片
4511芯片是什么?
4511芯片是一种数字集成电路芯片,常用于驱动7段数码管显示器。
其内部集成了BCD(二进制码十进制数)-七段数码管译码器,可以将BCD码转换为七段数码管的输入信号,从而实现数字的显示。
4511芯片的引脚功能:
4511芯片具有16个引脚,其中重要的引脚功能如下:
- A, B, C, D:用于输入BCD码,确定要显示的数字。
- a, b, c, d, e, f, g:用于控制七段数码管的7个段的开关。
- aG, bG, cG, dG:用于控制小数点的开关。
- LT:用于控制显示器的段刷新。
4511芯片的工作原理:
在芯片输入端口A, B, C, D上输入BCD码,芯片会自动解码输入,然后根据解码结果控制a, b, c, d, e, f, g这7个输出端口以及小数点的亮灭,从而驱动7段数码管显示对应的数字。
通过不断修改输入信号,就可以实现数字的多次更新显示。
4511芯片的应用:
由于其方便实现数字显示功能,4511芯片被广泛用于电子计算器、数字时钟、温度计、电压计等需要数字显示的场合。
通过与其他逻辑门等芯片的组合和连接,还可以实现更加复杂的数字逻辑功能。
总结:
4511芯片是一种集成电路芯片,主要功能是将输入的BCD码
转换为七段数码管的控制信号,从而实现数字的显示。
其工作原理是通过输入信号的不断修改,控制不同段的开关状态,从而实现数字的多次更新显示。
由于其方便、简单且可靠的特点,4511芯片被广泛应用于各种需要数字显示的场合。
VK16K33是一种带按键扫描接口的数码管或点阵LED驱动控制专用芯片概述:VK16K33是一种带按键扫描接口的数码管或点阵LED驱动控制专用芯片,内部集成有数据锁存器、键盘扫描、LED 驱动模块等电路。
数据通过I2C通讯接口与MCU通信。
SEG脚接LED阳极,GRID脚接LED阴极,可支持16SEGx8GRID的点阵LED显示面板。
最大支持13×3的按键。
内置上电复位电路,整体闪烁频率可设置,可通过命令进入待机模式,采用SOP20/SOP24/SOP28三种封装形式。
特点:•工作电压 3.0-5.5V•内置 RC振荡器•陈锐鸿:188.2466.2436• QQ:361.888.5898•最大16个SEG脚,8个GRID脚 (封装不同SEG脚数量不同)• SEG脚只能接LED阳极,GRID脚只能接LED阴极• I2C通讯接口,I2C从机地址可通过IO脚选择• 16级整体亮度可调•最大13×3的按键扫描按键显示复用需硬件电路配合支持组合键需要电路配合)•读/写地址自动加1•内置显示RAM为16x8位•内置上电复位电路•整体闪烁频率可设置•通过命令进入待机模式•驱动电流大,适合高亮显示场合•封装:SOP28(300mil)(18.00mm×7.50mm PP=1.27mm)SOP24(300mil)(15.40mm×7.50mm PP=1.27mm)SOP20(300mil)(12.80mm×7.50mm PP=1.27mm)——————————————————————————————————内存映射的LED控制器及驱动器VK1628---通讯接口:STb/CLK/DIO 电源电压:5V(4.5~5.5V) 驱动点阵:70/52共阴驱动:10段7位/13段4位共阳驱动:7段10位按键:10x2 封装SOP28VK1629---通讯接口:STb/CLK/DIN/DOUT 电源电压:5V(4.5~5.5V) 驱动点阵:128共阴驱动:16段8位共阳驱动:8段16位按键:8x4 封装QFP44VK1629A---通讯接口:STb/CLK/DIO 电源电压:5V(4.5~5.5V) 驱动点阵:128共阴驱动:16段8位共阳驱动:8段16位按键:--- 封装SOP32VK1629B---通讯接口:STb/CLK/DIO 电源电压:5V(4.5~5.5V) 驱动点阵:112共阴驱动:14段8位共阳驱动:8段14位按键:8x2 封装SOP32VK1629C---通讯接口:STb/CLK/DIO 电源电压:5V(4.5~5.5V) 驱动点阵:120共阴驱动:15段8位共阳驱动:8段15位按键:8x1 封装SOP32VK1629D---通讯接口:STb/CLK/DIO 电源电压:5V(4.5~5.5V) 驱动点阵:96共阴驱动:12段8位共阳驱动:8段12位按键:8x4 封装SOP32VK1640---通讯接口: CLK/DIN 电源电压:5V(4.5~5.5V) 驱动点阵:128共阴驱动:8段16位共阳驱动:16段8位按键:--- 封装SOP28VK1640A---通讯接口: CLK/DIN 电源电压:5V(4.5~5.5V) 驱动点阵:128共阴驱动:8段16位共阳驱动:16段8位按键:--- 封装SSOP28VK1640B---通讯接口: CLK/DIN 电源电压:5V(4.5~5.5V) 驱动点阵:96 共阴驱动:8段12位共阳驱动:12段8位按键:--- 封装SSOP24VK1650---通讯接口: SCL/SDA 电源电压:5V(3.0~5.5V)共阴驱动:8段4位共阳驱动:4段8位按键:7x4 封装SOP16/DIP16VK1651---通讯接口: SCL/SDA 电源电压:5V(3.0~5.5V)共阴驱动:7段4位共阳驱动:4段7位按键:7x1 封装SOP16/DIP16VK1616---通讯接口: 三线串行电源电压:5V(3.0~5.5V)显示模式:7段4位按键:7x1 封装SOP16/DIP16VK1668---通讯接口:STb/CLK/DIO 电源电压:5V(4.5~5.5V) 驱动点阵:70/52共阴驱动:10段7位/13段4位共阳驱动:7段10位按键:10x2 封装SOP24VK6932---通讯接口:STb/CLK/DIN 电源电压:5V(4.5~5.5V) 驱动点阵:128共阴驱动:8段16位17.5/140mA 共阳驱动:16段8位按键:--- 封装SOP32VK16K33A/B/C---通讯接口:SCL/SDA 电源电压:5V(4.5V~5.5V)驱动点阵:128/96/64共阴驱动:16段8位/12段8位/8段8位共阳驱动:8段16位/8段12位/8段8位按键:13x3 10x3 8x3封装SOP20/SOP24/SOP28VK1618---带键盘扫描接口的LED驱动控制专用电路,内部集成有MCU数字接口、数据锁存器、键盘扫描等电路共阴驱动:5段7位/6段6位/7段5位/8段4位共阳驱动:7段5位/6段6位/5段7位/4段8位按键:5x1 封装SOP18/DIP18VK1S68C---LED驅動IC 10x7/13x4段位10段7位/11段6位共阴10x2按键,封装SSOP24VK1Q68D---LED驅動IC 10x7/13x4段位10段7位/11段6位共阴10x2按键,封装QFP24VK1S38A---LED驱动IC 8段×8位封装SSOP24VK1638--- LED驱动IC 共阴10段8位共阳8段10位封装SOP32 ——————————————————————————————————LCD/LED液晶控制器及驱动器系列芯片简介如下:RAM映射LCD控制器和驱动器系列:VK1024B 2.4~5.2V SEG*COM:6*4、6*3、6*2 偏置电压1/2 1/3 S0P-16VK1056B 2.4~5.2V SEG*COM:14*4、14*3/14*2偏置电压1/2 1/3 SOP/SSOP24VK1072B 2.4~5.2V SEG*COM:18*4、18*3、18*2偏置电压1/2 1/3 SOP28VK1072C 2.4~5.2V SEG*COM:18*4、18*3、18*2偏置电压1/2 1/3 SOP28VK1072D 2.4~5.2V SEG*COM:18*4、18*3、18*2偏置电压1/2 1/3 SSOP28 VK1088B 2.4~5.2V SEG*COM:22*4、22*3、22*2 偏置电压1/2 1/3 QFN32(4*4) VK0192 2.4~5.2V 24seg*8com 偏置电压1/4 LQFP-44VK0256 2.4~5.2V 32seg*8com 偏置电压1/4 QFP-64VK0256B 2.4~5.2V 32seg*8com 偏置电压1/4 LQFP-64VK0256C 2.4~5.2V 32seg*8com 偏置电压1/4 LQFP-52VK1621 2.4~5.2V SEG*COM:32*4、32*3、32*2偏置电压1/2 1/3 LQFP44/48/SSOP48/SKY28/DICE裸片VK1622 2.4~5.5V 32seg*8com偏置电压1/4 LQFP44/48/52/64/QFP64/DICE裸片VK1623 2.4~5.2V 48seg*8com偏置电压1/4 LQFP-100/QFP-100/DICE裸片VK1625 2.4~5.2V 64seg*8com偏置电压1/4 LQFP-100/QFP-100/DICE 裸片VK1626 2.4~5.2V 48seg*16com偏置电压1/5 LQFP-100/QFP-100/DICE 裸片——————————————————————————————————高抗干扰LCD液晶控制器及驱动系列:VK2C21A 2.4~5.5V 20seg*4com 16*8 偏置电压1/3 1/4 I2C通讯接口 SOP-28VK2C21B 2.4~5.5V 16seg*4com 12*8 偏置电压1/3 1/4 I2C通讯接口 SOP-24VK2C21C 2.4~5.5V 12seg*4com 8*8 偏置电压1/3 1/4 I2C通讯接口 SOP-20VK2C21D 2.4~5.5V 8seg*4com 4*8 偏置电压1/3 1/4 I2C通讯接口 SOP-16VK2C22A 2.4~5.5V 44seg*4com 偏置电压1/2 1/3 I2C通讯接口 LQFP-52VK2C22B 2.4~5.5V 40seg*4com 偏置电压1/2 1/3 I2C通讯接口 LQFP-48VK2C23A 2.4~5.5V 56seg*4com 52*8 偏置电压1/3 1/4 I2C通讯接口 LQFP-64VK2C23B 2.4~5.5V 36seg*8com 偏置电压1/31/4 I2C通讯接口 LQFP-48VK2C24 2.4~5.5V 72seg*4com 68*8 60*16 偏置电压1/31/4 1/5 I2C通讯接口 LQFP-80超低功耗LCD液晶控制器及驱动系列:VKL060 2.5~5.5V 15seg*4com 偏置电压1/21/3 I2C通讯接口SSOP-24VKL128 2.5~5.5V 32seg*4com 偏置电压1/21/3 I2C通讯接口LQFP-44VKL144A 2.5~5.5V 36seg*4com 偏置电压1/21/3 I2C通讯接口TSSOP-48VKL144B 2.5~5.5V 36seg*4com 偏置电压1/21/3 I2C通讯接口QFN48L (6MM*6MM)静态显示LCD液晶控制器及驱动系列:VKS118 2.4~5.2V 118seg*2com 偏置电压 -- 4线通讯接口LQFP-128VKS232 2.4~5.2V 116seg*2com 偏置电压1/1 1/2 4线通讯接口LQFP-128 ——————————————————————————————————触摸触控IC系列简介如下:标准触控IC-电池供电系列:VKD223EB --- 工作电压/电流:2.0V-5.5V/5uA-3V 感应通道数:1 通讯接口最长响应时间快速模式60mS,低功耗模式220ms 封装:SOT23-6VKD223B --- 工作电压/电流:2.0V-5.5V/5uA-3V 感应通道数:1通讯接口最长响应时间快速模式60mS,低功耗模式220ms 封装:SOT23-6VKD233DB ---工作电压/电流:2.4V-5.5V/2.5uA-3V 1感应按键封装:SOT23-6 通讯接口:直接输出,锁存(toggle)输出低功耗模式电流2.5uA-3VVKD233DH ---工作电压/电流:2.4V-5.5V/2.5uA-3V 1感应按键封装:SOT23-6 通讯接口:直接输出,锁存(toggle)输出有效键最长时间检测16SVKD233DS ---工作电压/电流:2.4V-5.5V/2.5uA-3V 1感应按键封装:DFN6通讯接口:直接输出,锁存(toggle)输出低功耗模式电流2.5uA-3VVKD233DR ---工作电压/电流:2.4V-5.5V/1.5uA-3V 1感应按键封装:DFN6 通讯接口:直接输出,锁存(toggle)输出低功耗模式电流1.5uA-3VVKD233DG --- 工作电压/电流:2.4V-5.5V/2.5uA-3V 1感应按键封装:DFN6 通讯接口:直接输出,锁存(toggle)输出低功耗模式电流2.5uA-3VVKD233DQ --- 工作电压/电流:2.4V-5.5V/5uA-3V 1感应按键封装:SOT23-6通讯接口:直接输出,锁存(toggle)输出低功耗模式电流5uA-3VVKD233DM --- 工作电压/电流:2.4V-5.5V/5uA-3V 1感应按键封装:SOT23-6 (开漏输出)通讯接口:开漏输出,锁存(toggle)输出低功耗模式电流5uA-3VVKD232C--- 工作电压/电流:2.4V-5.5V/2.5uA-3V 感应通道数:2 封装:SOT23-6通讯接口:直接输出,低电平有效固定为多键输出模式,內建稳压电路——————————————————————————————————MTP触摸IC——VK36N系列抗电源辐射及手机干扰:VK3601L --- 工作电压/电流:2.4V-5.5V/4UA-3V3 感应通道数:1 1对1直接输出待机电流小,抗电源及手机干扰,可通过CAP调节灵敏封装:SOT23-6VK36N1D --- 工作电压/电流:2.2V-5.5V/7UA-3V3 感应通道数:1 1对1直接输出触摸积水仍可操作,抗电源及手机干扰,可通过CAP调节灵敏封装:SOT23-6VK36N2P --- 工作电压/电流:2.2V-5.5V/7UA-3V3 感应通道数:2 脉冲输出触摸积水仍可操作,抗电源及手机干扰,可通过CAP调节灵敏封装:SOT23-6VK3602XS ---工作电压/电流:2.4V-5.5V/60UA-3V 感应通道数:2 2对2锁存输出低功耗模式电流8uA-3V,抗电源辐射干扰,宽供电电压封装:SOP8VK3602K --- 工作电压/电流:2.4V-5.5V/60UA-3V 感应通道数:2 2对2直接输出低功耗模式电流8uA-3V,抗电源辐射干扰,宽供电电压封装:SOP8VK36N2D --- 工作电压/电流:2.2V-5.5V/7UA-3V3 感应通道数:2 1对1直接输出触摸积水仍可操作,抗电源及手机干扰,可通过CAP调节灵敏封装:SOP8VK36N3BT ---工作电压/电流:2.2V-5.5V/7UA-3V3 感应通道数:3 BCD码锁存输出触摸积水仍可操作,抗电源及手机干扰,可通过CAP调节灵敏封装:SOP8VK36N3BD ---工作电压/电流:2.2V-5.5V/7UA-3V3 感应通道数:3 BCD码直接输出触摸积水仍可操作,抗电源及手机干扰,可通过CAP调节灵敏封装:SOP8VK36N3BO ---工作电压/电流:2.2V-5.5V/7UA-3V3 感应通道数:3 BCD码开漏输出触摸积水仍可操作,抗电源及手机干扰封装:SOP8/DFN8(超小超薄体积)VK36N3D --- 工作电压/电流:2.2V-5.5V/7UA-3V3 感应通道数:3 1对1直接输出触摸积水仍可操作,抗电源及手机干扰封装:SOP16/DFN16(超小超薄体积)VK36N4B ---工作电压/电流:2.2V-5.5V/7UA-3V3 感应通道数:4 BCD输出触摸积水仍可操作,抗电源及手机干扰封装:SOP16/DFN16(超小超薄体积)VK36N4I---工作电压/电流:2.2V-5.5V/7UA-3V3 感应通道数:4 I2C输出触摸积水仍可操作,抗电源及手机干扰封装:SOP16/DFN16(超小超薄体积)VK36N5D ---工作电压/电流:2.2V-5.5V/7UA-3V3 感应通道数:5 1对1直接输出触摸积水仍可操作,抗电源及手机干扰封装:SOP16/DFN16(超小超薄体积)VK36N5B ---工作电压/电流:2.2V-5.5V/7UA-3V3 感应通道数:5 BCD输出触摸积水仍可操作,抗电源及手机干扰封装:SOP16/DFN16(超小超薄体积)VK36N5I ---工作电压/电流:2.2V-5.5V/7UA-3V3 感应通道数:5 I2C输出触摸积水仍可操作,抗电源及手机干扰封装:SOP16/DFN16(超小超薄体积)VK36N6D --- 工作电压/电流:2.2V-5.5V/7UA-3V3 感应通道数:6 1对1直接输出触摸积水仍可操作,抗电源及手机干扰封装:SOP16/DFN16(超小超薄体积)VK36N6B ---工作电压/电流:2.2V-5.5V/7UA-3V3 感应通道数:6 BCD输出触摸积水仍可操作,抗电源及手机干扰封装:SOP16/DFN16(超小超薄体积)VK36N6I ---工作电压/电流:2.2V-5.5V/7UA-3V3 感应通道数:6 I2C输出触摸积水仍可操作,抗电源及手机干扰封装:SOP16/DFN16(超小超薄体积)VK36N7B ---工作电压/电流:2.2V-5.5V/7UA-3V3 感应通道数:7 BCD输出触摸积水仍可操作,抗电源及手机干扰封装:SOP16/DFN16(超小超薄体积)VK36N7I ---工作电压/电流:2.2V-5.5V/7UA-3V3 感应通道数:7 I2C输出触摸积水仍可操作,抗电源及手机干扰封装:SOP16/DFN16(超小超薄体积)VK36N8B ---工作电压/电流:2.2V-5.5V/7UA-3V3 感应通道数:8 BCD输出触摸积水仍可操作,抗电源及手机干扰封装:SOP16/DFN16(超小超薄体积)VK36N8I ---工作电压/电流:2.2V-5.5V/7UA-3V3 感应通道数:8 I2C输出触摸积水仍可操作,抗电源及手机干扰封装:SOP16/DFN16(超小超薄体积)VK36N9I ---工作电压/电流:2.2V-5.5V/7UA-3V3 感应通道数:9 I2C输出触摸积水仍可操作,抗电源及手机干扰封装:SOP16/DFN16(超小超薄体积)VK36N10I ---工作电压/电流:2.2V-5.5V/7UA-3V3 感应通道数:10 I2C输出触摸积水仍可操作,抗电源及手机干扰封装:SOP16/DFN16(超小超薄体积)——————————————————————————————————1-8点高灵敏度液体水位检测IC——VK36W系列VK36W1D ---工作电压/电流:2.2V-5.5V/10UA-3V3 1对1直接输出水位检测通道:1可用于不同壁厚和不同水质水位检测,抗电源/手机干扰封装:SOT23-6备注:1. 开漏输出低电平有效2、适合需要抗干扰性好的产品应用VK36W2D ---工作电压/电流:2.2V-5.5V/10UA-3V3 1对1直接输出水位检测通道:2可用于不同壁厚和不同水质水位检测,抗电源/手机干扰封装:SOP8备注:1. 1对1直接输出 2、输出模式/输出电平可通过IO选择VK36W4D ---工作电压/电流:2.2V-5.5V/10UA-3V3 1对1直接输出水位检测通道:4可用于不同壁厚和不同水质水位检测,抗电源/手机干扰封装:SOP16/DFN16 备注:1. 1对1直接输出 2、输出模式/输出电平可通过IO选择VK36W6D ---工作电压/电流:2.2V-5.5V/10UA-3V3 1对1直接输出水位检测通道:6可用于不同壁厚和不同水质水位检测,抗电源/手机干扰封装:SOP16/DFN16 备注:1. 1对1直接输出2、输出模式/输出电平可通过IO选择VK36W8I ---工作电压/电流:2.2V-5.5V/10UA-3V3 I2C输出水位检测通道:8可用于不同壁厚和不同水质水位检测,抗电源/手机干扰封装:SOP16/DFN16。
74hc595d的用法一、概述74hc595d是一款常用的电子元器件,属于七段数码管驱动芯片。
它可以将低电平驱动七段数码管显示数字,并且可以通过串行接口控制多个数码管同步显示数字。
本文将介绍74hc595d的基本特性和使用方法,帮助读者了解如何正确使用该芯片。
二、基本特性74hc595d芯片具有以下基本特性:1.低电平驱动数码管,适合驱动共阳极数码管。
2.可通过串行接口控制多个数码管同步显示数字。
3.可通过控制时钟信号的频率和相位来调节显示效果。
4.具有防抖动功能,可以减少用户手动操作数码管时产生的干扰。
三、使用方法74hc595d的使用方法非常简单,以下是具体步骤:1.连接数码管与74hc595d的引脚,共阳极数码管需要连接相应的阳极引脚,阴极引脚悬空。
2.将数码管的行驱动引脚连接到74hc595d的输出引脚上,一般使用多个74hc595d芯片并联使用,以便同时驱动多个数码管。
3.控制数码管的显示数字,可以通过控制74hc595d的时钟信号来实现。
通常需要控制时钟信号的频率和相位,以获得最佳显示效果。
4.在需要手动操作数码管时,可以通过按键或其他方式触发中断信号,触发防抖动功能后,再重新发送时钟信号即可。
四、注意事项在使用74hc595d时,需要注意以下几点:1.确保数码管与74hc595d的连接正确,避免短路或断路。
2.控制时钟信号时,需要注意频率和相位的影响,以便获得最佳显示效果。
3.在使用多个74hc595d芯片并联时,需要注意相位差的影响,以避免显示混乱。
4.在使用过程中,需要定期检查芯片的工作状态,如发现异常,应及时处理。
五、总结74hc595d是一款常用的电子元器件,具有低电平驱动数码管、串行接口控制、防抖动等功能。
通过正确连接、控制时钟信号和注意细节问题,可以轻松实现多个数码管的同步显示。
在电子制作和实际应用中,74hc595d能够发挥重要作用。