静力触探仪使用说明书
- 格式:pdf
- 大小:117.11 KB
- 文档页数:3
第一章操作步骤1.1 准备工作在操作本仪器前请进行一系列检查及准备工作。
1、打开盖,观察面板及各部分操作调节件是否完整,有无撞击伤痕,各插座是否有杂物及铁屑,进行清洁处理。
2、打开电源开关,观察指示灯,如欠电灯和电源灯同时亮,应进行充电后再使用。
3、打开电源开关,显示屏的字体显示如较黑或无字,字体显示清晰后使用。
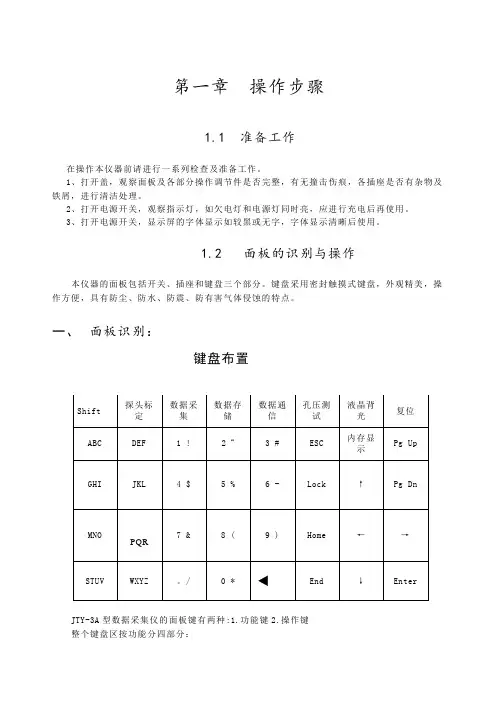
1.2 面板的识别与操作本仪器的面板包括开关、插座和键盘三个部分。
键盘采用密封触摸式键盘,外观精美,操作方便,具有防尘、防水、防震、防有害气体侵蚀的特点。
一、面板识别:键盘布置JTY-3A型数据采集仪的面板键有两种:1.功能键2.操作键整个键盘区按功能分四部分:1、五个发光灯。
2、11个数字键。
3、8个字母键。
4、21个功能键。
二、发光灯:1、电源灯打开电源开关,机器正常,电源灯亮。
2、欠电灯电池电压较低电量不足时,欠电灯亮3、充电灯当充电电源接通时,充电灯亮。
4、充足灯当充电完成时,充足灯亮。
5、Shift灯Shift灯亮进入字母小写/数字键上的符号输入。
三、功能键:接通仪器内电源后,按功能键即可进入该功能的运行过程。
1、探头标定:可以率定静力触探头的锥尖和侧壁,得到锥尖和侧壁的率定系数。
2、数据采集:按此功能键即可实现静探数据的自动采集。
3、数据通信:将仪器内的数据通信到PC机中。
4、数据存储:将采集到的数据存进仪器内的存储芯片中,长期保存。
5、孔压测试:直接起动孔压测试程序。
6、液晶背光:开启/关闭液晶屏的背光。
仪器进入调零或采集状态时,禁止按"液晶背光"键。
7、内存显示:显示仪器内各存储区(A-F)的占用情况。
8、Shift :输入字母时大写/小写转换键。
数字键上的符号输入。
四、操作键:1、数字键:按0-9即可输入该数字。
输入小数点时按“.”。
2、字母键:A-Z,按字母键,依次循环出现键面上的所有字母。
3、光标键:键名上所示的方向,表示光标移动的方向可将光标移动到欲修改数据的地方。
静力触探试验作业指导书静力触探试验作业指导书 1. 目的为了规范静力触探试验的各个环节,特制定本细则。
2. 适用范围静力触探试验的前期准备、现场实施和内业分析计算。
3. 引用文件对于湖北省境内的检测项目,以《建筑地基基础检测技术规范》(DB42/269-2003)为最基本的技术依据,当该规范不明确时,参照下述规范执行:《岩土工程勘察规范》(GB 50021-2001)(2009年版)《静力触探技术标准(CECS04:88)》对于湖北省境外的检测项目,依据后两种国标或行标执行。
对于每次发出的检测报告中,必须明确该报告依据的技术标准,并严格按其标准执行。
4. 工作程序4.2 现场准备4.2.1 安排组成试验小组,该小组由项目经理、现场检测工程师和测试工人组成。
4.2.2 由项目经理或现场检测工程师前往现场踏勘,了解下述现场及试验基本情况:试验场地平整情况、道路是否通畅。
检测项目和检测数量,委托方要求工期。
触探深度,场地的地质资料,以预估贯入阻力,选择合适的触探装置。
4.3试验装置、设备、材料、工具的准备4.3.1加压装置:如场地较狭小,触探深度较浅,可采用手摇式轻型静力触探;如触探深度较深,场地贯入阻力较大,则采用齿轮机械式静力触探机或液压静力触探仪。
4.3.2反力装置:当地表土为较硬的粘性土时,可采用地锚作反力,地锚数量及规格视实际所需反力大小而定。
如地表土为地锚难以贯入的砂砾、碎石土等,则采用重物作反力,在触探装置上堆载足够重的钢轨、钢锭、生铁块等。
4.3.3探头:探头分单桥探头、双桥探头,探头断面积有10cm2、15cm2、20cm2三种,应根据检测项目和场地的土层性质选择与触探主机相匹配、分辨率合适的探头、需对探头进行检验,探头几何形状及规格应符合《岩土工程勘察规范》的要求,如发现锥面及套筒变形明显,出现刻痕,锥尖压损,套筒活动不方便等需更换探头,检查探头的标定记录,确保探头在有效标定期内,核对标定系数,探头传感器室内率定误差(重复性误差、非线性误差、归零误差、温度漂移等)不应超过1.0%FS。
静力触探试验操作规程1.根据地质勘探的布点要求,选取好的位置,对场地进行平整,先在触探试验点两旁的地上用铁锹,挖出一个能使地锚放入、深30cm 的坑,然后在坑内放入地锚,利用油压马达下锚器以缓慢的速度拧下,将油压马达下锚器套在地锚杆上,四人站立手扶下锚器并方向施力,两地锚相距0.9m,最后地面铲平,铺上两块木垫板。
2.安放静探机在木垫板上,使两根已下好的地锚位于静探机两边,用水平尺调平机座,放置2跟槽钢放在机座上,将2个装有压铁的连接螺丝通过槽钢旋转装入地锚的丝孔中,装好连接螺丝,用专用扳手将压铁压紧在槽钢上,再用水平尺校正水平,如机座不平此时通过调节亚铁上螺丝在校正机座水平。
3.把带有一端电缆线的探头与穿好探杆的电缆线相连接,用防水胶带缠封插头处并用黄油密封,以防进水受潮和增加插座的抗拉力。
将第一根探杆连接,连接时一人手握探头,另一人手拿第一根探杆,探头不动,转动探杆,使其连接,切勿转动探头,以免电缆线断裂。
再将电缆线依次穿入其他探杆,探杆数量应满足触探深度要求,电缆线长度L满足:L>n×(l+0.2)+7其中:n—探杆的根数;l—每根探杆的长度(m)4.放松推进油缸卡瓦螺丝,将带有探头的第一根探杆通过上面卡瓦孔,对齐底座上的导向孔放入推进油缸,将第二根探杆和第一根探杆连接,调节卡瓦螺丝到合适的位置。
5.将数据采集仪与线缆线的另一端接好,数据采集装置与第一根探杆连接确保能正确转动并记录数据,拧紧卡瓦螺丝推进油缸提100mm,探头悬空垂直地面,校正仪器归零。
6.准备工作完成后,贯入工作开始,由专人控制推进油缸的上升与下降,以(20±5mm/s)进行匀速贯入,数据采集装置每贯入100mm 记录数据一次,其他人手动松紧卡瓦螺丝、连接探杆配合推进油缸工作确保油缸上下连续不间断,推进油缸升起松开卡瓦螺丝,下压时拧紧卡瓦螺丝,贯入过程中要管钳拧紧每根相连接的探杆,防止丝扣的松动,造成脱扣,保证垂直贯入。
静力触探仪十字板试验两用仪操作规程1.本操作规程依据《静力触探仪十字板试验两用仪说明使用书》及《港口工程地质勘察规范》编制。
2.本操作规程十字板适用于在原位直接测定饱和软粘土(φµ≈0)的不排水抗剪强度和灵敏度;静力触探适用于粘性土,粉土和砂土。
3. 十字板试验3.1接线:探头(传感器)两根供桥引线与两根输出(测试)引线(在其电阻值基本相同的原则下),接入仪器面板“供桥”,“测试”四个接线端子上。
3.2开机、预热。
3.3应用时先将两功能键拨至“系显”与“校正”位置,调节校正电位器,使仪器显示该项试验探头的仪器探头标定系数值。
3.4输入正确的探头仪器标定系数后,将两功能键均拨至“测试”位置,调节平衡电位器调零(显示0000),即可进行测试。
3.5十字板头入土深度应不小于套管底端以下50cm。
3.6十字板试验剪切速率是以10s 转动1°为标准,其峰值读数或稳定读数一般在3min~10min内出现3.7水域进行十字板试验时,若孔底土质软弱应采用套管控制器。
3.8电测式十字板传感器及其联接导线在水域工作状态中,其绝缘电阻不得小于500MΩ。
4.静力触探试验4.1接线:探头(传感器)两根供桥引线与两根输出(测试)引线(在其电阻值基本相同的原则下),接入仪器面板“供桥”,“测试”四个接线端子上。
4.2开机、预热。
4.3应用时先将两功能键拨至“系显”与“校正”位置,调节校正电位器,使仪器显示该项试验探头的仪器探头标定系数值。
4.4输入正确的探头仪器标定系数后,将两功能键均拨至“测试”位置,调节平衡电位器调零(显示0000),即可进行测试。
4.5进行水域静力触探时,需采用水上勘探平台,孔口应下入套管,当触探深度超过30m时,应配置测斜装置。
4.6安装贯入设备时,应将支架调至水平,保持触探杆垂直贯入。
4.7在水域工作状态中,应变片及其联接导线的绝缘电阻不得小于500MΩ,且零飘应控制在满量程的1%范围内。
CLD-2,3静力触探仪使用说明书一、静力触探仪概述:1.CLD-2,3静力触探仪适用于在一般粘性土、软土、黄土和密砂土地区的土木建筑工程、市政、公路、工程地基土原位测试,用于查明地层在垂直和水平方向的变化;好仪器,好资料,尽在沧州建仪()。
欢迎查询。
打造中国建仪销售第一品牌,树立沧州产品全新形象2.CLD-2,3静力触探仪用来确定天然地基承载力和估算单桩承载力;判别砂土液化的可能性;确定软土的不排水抗剪强度;提供软土地基承载力和斜坡稳定性的计算指标。
3.CLD-2,3静力触探仪是利用机械转动将探头匀速地压入土中,适宜在软土、粘性土、老粘土、黄土、砂性土等地层中测试,利用探头与土层接触时产生的阻力,通过电阻变化的信号,传送到地面的测量仪表上。
静力触探仪整机各部件重量轻,体积小搬运方便,安装方便,工作效率高,能配用不同直径的探杆和探头。
4.符合静力触探技术标准CECS04:88和岩土工程勘察规范GB50021-2001,执行标准国标GB50021-2001岩土工程勘查规范。
二、静力触探仪结构形式:主机(整机)、地锚、手摇式、单桥探头(标准配置)、双桥探头(选配)、人工记录仪(标配)、自动记录仪(选配)。
三、主要参数:1、贯入力:2吨/3吨2、贯入速度:0.8~1.2米/分3、探杆长:1米/支4、贯入探头:10cm25、测量仪表:人工记录仪(标准配置为人工记录仪)或自动记录静探微机6、整机重量:160公斤。
静力触探仪配置如下:CLD-2/3静力触探仪主机架1台,记录仪1台,探杆20米,单桥探头1只,四芯屛蔽电缆线30米,地锚2根山型板1只、卡快1只、加力杆2支、地锚压铁2付、地锚肖2只、导向套2付、等其余配套件工具全部供给。
安装方法:1、孔位应避开地下电缆、管线及其它地下设施。
2、当拟定孔位处地面不平时,应平整场地,并根据勘探深度和表层土的性质,确定地锚的个数和排列形式。
3、静力触探机安装要平稳,应与下入土中的地锚牢固连接。
型双缸液压静力触探机使用说明(一)概述型静力触探机采用液压传动技术,将测力静探探头匀速自动压入土中,通过静探微机(或自动记录仪表)测读、记录,确定土的有关力学参数。
型静力触探机采纳了国内外同类产品许多优点,设计新颖,轻型结构、体积小、功力大、操作方便、自动化程度高,是土的静力触探()理想设备。
它配置附件,可延伸做孔压静探()、十字板剪切()、压入式波速()及扁铲侧胀()等原位测试试验。
它适宜在软土、粘性土、老粘土、黄土、砂性土层工作。
(二)主要技术规格与参数结构型式:散装型式,叉形车人力拉运。
反力:地锚(直径~),下锚器液压自动下锚。
下锚器:油马达,扭矩,转速(可调)。
卡杆形式:插板式油缸行程:工作油液:液压油,冬季也可用液压油。
规格类型:、、、、(见表)配套探头:10cm或15cm双桥静探头,亦可用单桥或孔压三用探头。
量测仪表:静探微机(或配自动记录仪,数字测力仪等)。
探杆:可用Φ、Φ、Φ高强度合金无缝钢管。
规格类型表(三)机构特性、本机由各自独立的动力车(见图一)、贯入车(见图二)、探杆车、下锚器及反力装置等构成,通过液压传动系统的高压软管将各部分有机地贯连成整机功能。
、各构件结构紧凑、体积小、重量轻,可分别用叉形车拉运,能在0.9m宽的窄道中自由通过。
、采用插板式卡杆免除了卡不紧打滑现象。
、采用的多路阀(含换向、节流、溢流),灵活地控制油压与流量,操作十分简便,且更换容易。
、设置了差动油路(图二),能实现快速回升与快速拔杆。
、贯入车机座装有水泡调平器(图二)、支承调节杆(图二)、导正瓦等(图二),保证机身调水平,探杆贯入导向垂直。
图一动力车外形结构图(柴油机动力源)、柴油机、齿轮油泵、泵进油软管、泵出油软管、液位液温计、空气滤清器、压力表、快速接头接口座、手动换向阀手柄、组合阀座、油箱回油接头、油箱、叉形车档柱、放油口、贯入车上部能装置十字板扭力箱总承,车架底孔能插入波速探头,孔压静探头,扁铲及十字板头等,可进行静探、孔压静探、十字板剪切,压入式波速及扁铲侧胀等试验,实现一机多用。
省公路工程试验检测中心有限公司标准化作业指导书(结构所)受控状态:发放编号:持有人:发布日期:2019年月日实施日期:2019年月日省公路工程试验检测中心有限公司标准化作业指导书(结构所)批准:审核人:主要参加编写人员:省公路工程试验检测中心有限公司静力触探法标准化作业指导书一、依据的检测标准及技术要求(1)《岩土工程勘察规范》(GB 50021-2001)(2009版);(2)《建筑地基检测技术规范》(JGJ 340-2015);(3)《铁路工程地质原位测试规程》(TB 10018-2018)。
二、适用范围静力触探试验适用于软土、一般黏性土、粉土、砂土和含少量碎石的土;静力触探可根据工程需要采用单桥探头、双桥探头或带孔隙水压力量测的单、双桥套头,可测定比贯入阻力(ps )、锥尖阻力(qc)、侧壁摩阻力(fs)、和贯入时的孔隙水压力(u)。
三、试验目的判定软土、一般性黏土、粉土、砂土的天然地基及采用换填垫层、预压、压实、挤密、夯实处理的人工地基的地基承载力、变形参数和评价地基处理效果。
四、试验原理经理触探试验是用静力匀速将标准规格的探头压入土中,利用探头与土层接触时产生的阻力,通过电阻变化信号,传送到地面的测量仪表上,测定土的力学特性,具有勘探和测试双重功能。
五、仪器设备检测设备使用CLD-2型静力触探仪。
静力触探仪(CLD-2型静力触探仪)基本参数如下表:六、试验准备6.1 收集和了解检测工程概况(1) 工程项目名称,建设、设计、施工、监理单位名称;(2) 场地工程地质勘察报告;6.2 确认检测数量6.2.1 按照设计文件和委托方的要求进行检测。
6.2.2按照《建筑地基检测技术规范》(JGJ 340-2015)的规定,采用静力触探试验对处理地基土质量进行验收检测时,单位工程检测数量不应少于10点,检测同一土层的试验有效数据不应少于6个。
6.3 制定检测方案在开展现场检测工作之前,应根据具体检测项目制定检测方案。
2008静力触探测量仪说明书一、协议关键信息1、产品名称:2008 静力触探测量仪2、产品型号:具体型号3、适用范围:列举适用的工程领域和地质条件4、测量参数:详细说明可测量的参数,如触探阻力、孔隙水压力等5、精度要求:明确各项测量参数的精度范围6、操作环境要求:温度、湿度、海拔等限制条件7、维护保养要求:包括定期校准、清洁、部件更换等8、质量保证期限:具体的时长二、产品概述11 2008 静力触探测量仪是一种用于岩土工程勘察的先进设备,它通过将探头匀速压入土层,测量土层对探头的阻力,从而获取有关土层物理力学性质的信息。
111 该测量仪采用了先进的传感器技术和数据处理系统,能够提供高精度、可靠的测量结果。
三、技术规格12 探头规格121 探头类型:列举不同类型的探头,如单桥探头、双桥探头等122 探头尺寸:详细说明探头的长度、直径等尺寸123 探头额定荷载:标明探头所能承受的最大荷载13 测量系统131 测量通道:说明可同时测量的参数通道数量132 数据采集频率:给出数据采集的频率范围133 数据存储容量:说明仪器内部的数据存储容量14 显示与输出141 显示屏类型与尺寸:描述显示屏的类型,如液晶显示屏,以及尺寸大小142 数据输出接口:列举可用的数据输出接口,如 USB、RS232 等四、操作方法21 仪器准备211 检查仪器外观是否完好,各部件连接是否牢固。
212 接通电源,预热仪器至规定时间。
213 进行仪器的初始设置,如选择测量参数、设置测量深度等。
22 现场安装221 将探头与探杆连接牢固,并确保连接部位密封良好。
222 将探杆逐节连接,直至达到预定的测量深度。
223 将测量仪与探杆连接,并调整好仪器的水平和垂直位置。
23 测量操作231 启动测量仪,开始匀速压入探头。
232 密切观察测量数据的变化,确保测量过程正常。
233 当达到预定测量深度后,停止压入,记录测量数据。
五、数据处理与分析31 数据传输311 使用指定的数据输出接口,将测量数据传输至计算机。
CLD-3型静探—十字板剪切两用仪使用说明一、概述CLD-3型两用仪具有静力触探和十字板剪切两种功能:进行静探试验时,采用10cm静探单桥或双桥探头,测求地基土的比贯入阻力Ps或锥端阻力Qc和侧摩阻力Fs。
进行十字板剪切试验时,采用十字板传感器(探头)、测求饱和软粘土的不排水抗剪强度Cu。
仪器无需电源和机器动力,由人力摇动贯入,适用于粘土、粉土、细砂等土层,在软土地区能贯入30米以上进行试验。
该仪器经过廿多年的应用和发展,臻已完善,以性能稳定、操作方便、轻巧灵活,深受国内外广大勘察用户的欢迎。
二、主要技术参数结构型式:轻型链式,两边手摇,具有支承调平机构额定贯入力:30KN(3吨)最大贯入力:33KN(3.3吨)贯入行程:1m贯入速度:0.9~1.2 m/min(每分钟手摇50—70转)起拔速度:慢速同贯入速度,快速可达4 m/min左右探杆:每根长1m。
Φ28×5—6厚,优质合金钢无缝管地锚:直径220~260 mm,单叶锚,2件十字板剪切范围:0~128 KPa静探探头:应变式单桥10cm或双桥10cm十字板探头:应变式板头50×100×2(mm)或75×150×3(mm)链条:传动链条10A—1 68节2条传动链条12A—1 148节2条主机重量:≤60 kg三、机构和原理CLD-3型两用仪由主机、十字板扭力箱装置、反力部件、探头、探杆及测读仪表等构成(见结构图)。
1、主机:由机座(21),机架(18),上下面板及传动轴、链条、链轮、齿轮、支座和大摇手(8)等组成。
摇动时,二根传动链条(17),带动齿轴(9),大齿轮(14),再通过上下二对传动链轮带动二根同步的传力链条。
传力链条(6)上均面12对加长链条销(7)。
贯入或起拔时,将卡板(4)先插入探杆(2)接头方榫中,传力板(山形板)(5)置于加长链销上方或下方。
一摇动,加长链销紧压传力板、卡板、探杆接头,强行将探杆下压(贯入)与上提(起拔)。
静力触探试验实施细则一、引言静力触探试验是一种常用的地质勘探方法,用于获取土壤和岩石的力学性质参数。
本文档旨在制定静力触探试验的实施细则,以确保试验的准确性和可靠性。
二、试验设备1. 静力触探设备:包括静力触探机、压力计、锤头等。
2. 数据采集系统:用于记录试验过程中的数据,包括触探阻力、击数、孔隙水压力等。
三、试验前准备1. 确定试验点:根据需要获取的地质信息,选择试验点位。
2. 准备试验设备:检查静力触探设备的完好性和准确性,确保其正常工作。
3. 建立试验记录表:记录试验点的编号、位置、试验日期等信息。
四、试验过程1. 安装触探机:将静力触探机按照操作说明进行安装,并确保其稳定。
2. 进行触探:按照预定的触探深度和间隔,进行触探操作。
记录每次触探的击数和阻力。
3. 孔隙水压力测试:在需要的深度进行孔隙水压力测试,记录测试结果。
4. 数据采集:利用数据采集系统实时记录触探阻力、击数和孔隙水压力等数据。
5. 结束触探:达到预定的深度后,结束触探操作。
五、数据处理与分析1. 数据校核:对采集到的数据进行校核,确保其准确性和完整性。
2. 数据处理:根据触探阻力和击数等数据,计算静力触探曲线。
3. 参数计算:利用静力触探曲线,计算土壤和岩石的力学性质参数,如承载力、剪切强度等。
4. 结果分析:对计算得到的参数进行分析,得出相应的地质结论。
六、试验报告1. 报告结构:试验报告应包括试验目的、试验方法、试验结果和结论等内容。
2. 结果呈现:将试验结果以图表的形式进行呈现,便于读者理解和分析。
3. 结论与建议:根据试验结果,给出相应的地质结论和建议,用于后续工程设计和施工。
七、质量控制1. 设备校准:定期对静力触探设备进行校准,确保其准确性和可靠性。
2. 操作规范:严格按照试验操作规范进行试验,确保数据的准确性和可比性。
3. 数据验证:对试验数据进行验证,确保其符合规范要求。
八、安全注意事项1. 操作人员应熟悉静力触探设备的使用方法,并穿戴好相应的个人防护装备。
静力触探仪操作规程1. 进行试验之前,应检查试验所需设备组成是否齐全,设备规格是否符合标准(双桥探头机构如下图所示):(1)对探杆要逐根检查试接,顺序放置;(2)核对探头标定记录,调零试压;(3)联机调试,检查仪表是否正常;2. 对静力触探试验过程应注意以下几点,以确保试验成果真实可靠:(1)以10cm2探头为例,锥头直径的d e、侧壁筒直径d s的容许误差分别为:34.8≤d e≤36.0mm;De≤d e≤d e+0.35mm;锥截面积应为10.00cm2±(3%~5%);侧壁筒直径必须大于锥头直径,否则会显著减小侧壁摩阻力,侧壁摩擦筒侧面积应为150cm2±2%;(2)贯入速率要求匀速,贯入速率(1.2±0.3)m/min是国际通用的标准;(3)探头传感器室内率定误差(重复性误差、非线性误差、归零误差、温度漂移等)不应超过±1.0%FS。
现场当探头返回地面时应记录归零误差,现场的归零误差不应超过3%;探头的绝缘度不应小于500MΩ的条件,是3个工程大气压下保持2h;(4)贯入读数间隔一般采用0.1m,不超过0.2m,深度记录误差不超过±1%;当贯入深度超过30cm或穿过软土层贯入硬土层后,应有测斜数据;当偏斜度明显,应矫正土层分层界线;(5)为保证触探孔与垂直线见的偏斜度小,所是用的探杆偏斜度应符合标准:最初5根探杆每米偏斜小于0.5mm,其余小于1mm;当使用的贯入深度超过50m或是用15~20次,应检查探杆的偏斜度;当贯入厚层软土,再穿入硬层、碎石土、残积土,每用过一次应作探杆偏斜度检查。
触探孔一般至少距探孔20倍孔径或2m。
静力触探宜在钻孔前进行,以免钻孔对贯入阻力产生影响。
3. 当对现场静力触探成果准确性产生质疑时,可在原触探孔旁边空地处重新进行试验,作对比试验,2个触探孔间距不小于2m。
静力触探试验指导书文件编号:YLRY /ZY作业指导书第章仪器设备操作规程第 1 页共 3 页静力触探仪操作规程一、总则1.1静力触探试验适用于软土、一般粘性土、粉土、砂土和含少量碎石的土.静力触探可根据工程需要采用单桥探头、双桥探头或带孔隙水压力量测的单、双桥探头,可测定比贯入阻力(ps)、锥尖阻力(qc)、侧壁摩阻力(fs)和贯入时的孔隙水压力(u)。
二、设备组成静力触探仪的组成见下图三、静力触探技术要求3.1触探头应匀速垂直压入土中,贯入速率为1.2m/min; 3.2触探头的测力传感器连同仪器、电缆应进行定期标定,室内文件编号:YLRY /ZY作业指导书第章仪器设备操作规程第 2 页共 3 页探头标定测力传感器的非线性误差、重复性误差、滞后误差、温度零漂、归零误差均应小于1%FS (full scale),现场试验归零误差应小于3% ,绝缘电阻不小于500MΩ3.3深度记录误差不应大于触探深度的?1% ;3.4当贯入深度大于30m,或穿过厚层软土层再贯入硬土层时,应防止孔斜或触探杆断裂,也可配置测斜探头量测触探孔偏斜角,以修正土层界线深度。
3.5孔压探头在贯入前,应在室内保证探头应变腔为已排除气泡的液体所充满,并在现场保持探头应变腔的饱和状态,直至探头进入地下水位以下土层。
在孔压静探试验中不得上提探头,以免出现真空负压,破坏应变腔的饱和状态。
3.6当进行孔压消散试验时,应量测停止贯入后不同时间的孔压值,其计时间隔应由密而疏。
试验过程中不得松动探杆。
四、操作步骤4.1平整试验场地,设置反力装置,将触探主机对准孔位,调平机座(用分度值为1mm的水准尺校准),并紧固在反力装置上。
4.2将已穿入探杆内的传感器引线按要求接到量测仪器上,打开电源开关,预热并调试到正常工作状态。
4.3贯入前应试压探头,检查顶柱、锥头、摩擦筒等部件工作是否正文件编号:YLRY /ZY作业指导书第1章仪器设备校验规程第 3 页共 3 页常。
【静力触探仪】静力触探仪三个常见问题1.静力触探仪的操作使用静力触探仪适用于在一般粘性土、软土、黄土和密砂土地区的土木建筑工程、市政、道路、工程地基土原位测试。
用于查明地层在垂直和水平方向的变化、进行力学分层、确定天然地基承载力和估算单桩承载力、判别砂土液化的可能性、确定软土的不排水抗剪强度、供应软土地基承载力和斜坡稳定性的计算指标。
静力触探仪由主机(整机)、地锚、手摇式、双桥探头、单桥探头。
整机各部件重量轻,体积小搬运便利,安装便利,工作效率高,能配用不同直径的探杆和探头。
静力触探仪操作注意事项1. 使用静力触探仪时,要认真阅读技术说明书,谙习技术指标、工作性能、使用方法、注意事项,严格遵奉仪器使用说明书的规定步骤进行操作。
2. 初次使用静力触探仪人员,必需在娴熟人员引导下进行操作,娴熟把握后方可进行独立操作。
3. 试验时使用的静力触探仪,要布局合理,摆放整齐,便于操作,察看及记录等。
2.静力触探仪的操作使用静力触探仪适用于在一般粘性土、软土、黄土和密砂土地区的土木建筑工程、市政、道路、工程地基土原位测试。
用于查明地层在垂直和水平方向的变化、进行力学分层、确定天然地基承载力和估算单桩承载力、判别砂土液化的可能性、确定软土的不排水抗剪强度、供应软土地基承载力和斜坡稳定性的计算指标。
静力触探仪由主机(整机)、地锚、手摇式、双桥探头、单桥探头。
整机各部件重量轻,体积小搬运便利,安装便利,工作效率高,能配用不同直径的探杆和探头。
静力触探仪操作注意事项1. 使用静力触探仪时,要认真阅读技术说明书,谙习技术指标、工作性能、使用方法、注意事项,严格遵奉仪器使用说明书的规定步骤进行操作。
2. 初次使用静力触探仪人员,必需在娴熟人员引导下进行操作,娴熟把握后方可进行独立操作。
3. 试验时使用的静力触探仪,要布局合理,摆放整齐,便于操作,察看及记录等。
3.静力触探仪工作原理静力触探仪工作原理:1、把主机与横担用螺丝连接。
静力触探试验实施细则一、引言静力触探试验是土力学领域中常用的一种地质勘探方法,通过测量钻孔中钻杆顶部施加的静力与下部土层的反力之间的关系,来获取土层的力学性质和地层的结构信息。
本文旨在制定静力触探试验的实施细则,以确保试验的准确性和可靠性。
二、试验设备和仪器1. 钻探设备:采用标准静力触探钻探设备,包括钻杆、静力触探头、驱动装置等。
2. 试验仪器:使用专业的静力触探仪器,确保测量的准确性和可靠性。
三、试验前准备1. 试验区域选择:根据工程需要和勘察要求,在试验区域内选择合适的位置进行触探试验。
2. 地质资料收集:在试验前,收集有关地质资料,包括地质剖面、地层分布图等,以辅助分析试验结果。
3. 钻孔布设:根据试验要求,合理布设钻孔位置,并确保孔口周围无障碍物。
四、试验过程1. 钻孔操作:按照标准操作程序进行钻孔,确保钻孔的垂直度和稳定性。
2. 钻杆安装:将静力触探头安装在钻杆顶部,并确保与钻孔壁面紧密接触。
3. 试验参数设置:根据试验要求,设置触探速度、记录间隔等参数。
4. 触探过程:启动驱动装置,使钻杆顶部施加静力,同时记录下部土层的反力。
5. 数据记录:使用静力触探仪器实时记录触探过程中的数据,并进行存储和备份。
6. 触探终止:触探到设计深度或达到试验终止条件时,停止触探过程。
五、数据处理与分析1. 数据校核:对记录的触探数据进行校核,确保数据的准确性和完整性。
2. 数据处理:根据试验要求,对触探数据进行处理,包括绘制静力触探曲线、计算土层的承载力等。
3. 数据分析:结合地质资料和其他勘察数据,对触探数据进行分析,获取土层的力学性质和地层的结构信息。
4. 结果报告:根据试验结果,编制试验报告,包括触探数据表、分析结果、结论等内容。
六、质量控制1. 仪器校准:定期对静力触探仪器进行校准,确保测量的准确性和可靠性。
2. 操作培训:对参与试验操作的人员进行培训,确保操作规范和一致性。
3. 数据验证:在数据处理过程中,进行数据验证,确保处理结果的准确性和可靠性。
静力触探试验实施细则一、引言静力触探试验是土力学领域中常用的一种试验方法,用于获取土壤的力学性质参数。
本文旨在制定静力触探试验的实施细则,以确保试验的准确性和可重复性。
二、试验设备1. 静力触探机:应选用符合国家标准的静力触探机,确保其性能稳定可靠。
2. 触探杆:应采用合适的长度和直径的触探杆,确保能够达到所需的触探深度。
3. 触探锤:应选用符合国家标准的触探锤,确保其质量和能量传递性能满足要求。
4. 试验记录仪:应选用能够记录试验数据的仪器,并具备数据传输功能。
三、试验前准备1. 确定试验点:根据工程需要,在试验区域内选择合适的试验点,确保试验结果能够代表该区域的土壤性质。
2. 清理试验点:清除试验点上的杂物,确保试验过程中没有任何干扰物。
3. 安装触探机:按照静力触探机的操作说明,正确安装触探机,并进行必要的校准和调试。
四、试验过程1. 触探深度控制:根据工程需要,确定触探的最大深度,并在试验过程中控制触探深度。
2. 触探速度控制:根据试验要求,确定触探的速度,并在试验过程中保持稳定的触探速度。
3. 触探记录:在试验过程中,记录每次触探的深度和阻力数据,并及时保存到试验记录仪中。
4. 试验终止:当触探深度达到预定深度或触探锤的下落速度小于设定值时,终止试验。
五、数据处理1. 数据校核:对试验数据进行校核,确保数据的准确性和可靠性。
2. 数据分析:根据试验数据,进行土壤力学性质参数的计算和分析,得出相应的结论。
3. 数据报告:编制试验报告,包括试验目的、方法、结果和结论等内容,并附上必要的图表和数据。
六、质量控制1. 设备检查:定期对试验设备进行检查和维护,确保其正常工作。
2. 操作培训:对试验人员进行操作培训,确保其熟练掌握试验方法和操作技能。
3. 质量评估:定期评估试验的质量,发现问题及时进行纠正和改进。
七、安全注意事项1. 操作规范:严格按照试验操作规范进行操作,禁止擅自改变试验参数。
2. 人身安全:在试验过程中,应注意人身安全,避免触及试验设备和杆锤。
CLD-2,3静力触探仪使用说明书
一、静力触探仪概述:
1.CLD-2,3静力触探仪适用于在一般粘性土、软土、黄土和密砂土地区的土木建筑工程、市政、公路、工程地基土原位测试,用于查明地层在垂直和水平方向的变化;
好仪器,好资料,尽在沧州建仪()。
欢迎查询。
打造中国建仪销售第一品牌,树立沧州产品全新形象
2.CLD-2,3静力触探仪用来确定天然地基承载力和估算单桩承载力;判别砂土液化的可能性;确定软土的不排水抗剪强度;提供软土地基承载力和斜坡稳定性的计算指标。
3.CLD-2,3静力触探仪是利用机械转动将探头匀速地压入土中,适宜在软土、粘性土、老粘土、黄土、砂性土等地层中测试,利用探头与土层接触时产生的阻力,通过电阻变化的信号,传送到地面的测量仪表上。
静力触探仪整机各部件重量轻,体积小搬运方便,安装方便,工作效率高,能配用不同直径的探杆和探头。
4.符合静力触探技术标准CECS04:88和岩土工程勘察规范GB50021-2001,执行标准国标GB50021-2001岩土工程勘查规范。
二、静力触探仪结构形式:
主机(整机)、地锚、手摇式、单桥探头(标准配置)、双桥探头(选配)、人工记录仪(标配)、自动记录仪(选配)。
三、主要参数:
1、贯入力:2吨/3吨
2、贯入速度:0.8~1.2米/分
3、探杆长:1米/支
4、贯入探头:10cm2
5、测量仪表:人工记录仪(标准配置为人工记录仪)或自动记录静探微机
6、整机重量:160公斤。
静力触探仪配置如下:
CLD-2/3静力触探仪主机架1台,记录仪1台,探杆20米,单桥探头1只,四芯屛蔽电缆线30米,地锚2根山型板1只、卡快1只、加力杆2支、地锚压铁2付、地锚肖2只、导向套2付、等其余配套件工具全部供给。
安装方法:
1、孔位应避开地下电缆、管线及其它地下设施。
2、当拟定孔位处地面不平时,应平整场地,并根据勘探深度和表层土的性质,确定地锚的个数和排列形式。
3、静力触探机安装要平稳,应与下入土中的地锚牢固连接。
静力触探仪操作规程
1、根据地质勘探的布点要求,选取好位置,先在触探试验点两旁的地上拧两个地锚,拧前用铁锹在锚地点挖一个V型坑,坑深25-30cm,然后将地锚竖在V型槽内以缓慢的速度拧下,拧锚时用地锚压铁套在地锚杆上,将两根加力杆分别插在地锚压铁两边,两人或多人以推磨状地锚缓慢旋转拧下,两根地锚相距约0.8m,然后将地面铲平,铺上两块木垫板。
2、与底架槽钢,用4个M8螺钉连接好后,安放在垫木板上,使两根已下好的锚位于支架两边,两根槽钢的中部,再将地锚压铁套在锚杆上,使底架槽钢与压铁相互连接,插好地锚销钉,将4个蝴蝶螺丝钉旋在地锚压铁的螺孔中,矩形旋入使其顶紧底架槽钢,施压时注意贯入支架必须与地面垂直,若不垂直可将一边螺钉继续旋入以达到垂直的目的,如贯入支架与地面倾斜,螺钉压紧已无法调整,可以松开螺钉,抽动一边垫板(高的一端)使垫板下土向两边推去减少其高度,以保证支架垂直地面。
3、把带有一端电缆线的探头与已穿好探杆的电缆线相连接,用涤纶绝缘胶带纸缠封插头处,以防进水受潮和增加插座的抗拉力。
将第一根探杆连接,连接时一手握着探头,一手握着每节探杆,探头不动,转动探杆,使其连接。
切勿转动探头,以免电缆线断裂。
4、将带有探头已穿好的电缆的探杆,放在触探机一侧,取出带有探头的第一节探杆,将第一节探杆从上面板上对峙下面板的圆孔中穿过,使探头干在下面板的圆孔中,对好中心,将第二节探杆和第一探杆连接。
5、将经历触探测力仪放在探杆旁边,电缆线的另一端与静力触探测量仪接好。
仪表的接线盒调整,见静力触探测量仪使用说明书。
仪表调整时需将探头垂直空避免阳光直射,将U型卡块卡在探杆街头上,将山形压板放在U型卡块的下面,使其两边槽卡主链条,重击卡主探杆,转动摇把使山形压板卡住的两根链条上的加长销由下向上运动,直至加长销带动山形板及探杆抬起,悬空垂直地面,读取初读数。
6、仪表调整完毕准备工作就绪,就开始工作。
可由4人操作,分工是两人专管摇把,以均匀的速度将探杆压下,一人放取探杆接头上的U型卡块和山形板兼顾接探杆,一人记录测量仪表读数。
工作时将U型卡块卡在探杆上,再将山形板放置在U型卡块上,转动摇把,使加长销压住山形板,当加长销压住山形板工作时,使探杆以每分钟0.8-1.2m的速度向下贯入。
7、将立柱上自行划上10cm一档的标尺,观察山形板下压移动的位置,记录人员每10cm 记一仪表数。
8、当一节探杆压入底部时,山形板与U型卡块接近下面板(探杆向下贯入时另一节探杆可根据情况在工作中雨向下贯入的探杆连接),这时停止摇把转动,握摇把的手绝对不能一下松开,要慢慢反方向转动直至链条变形引起的弹力消除,否则会因弹力将摇把猛然弹回而伤人。
将山形板和U型卡块取出,放在上面接头上,重复上述过程中,是探杆不断压入土中,直至贯入到预定触探深度阻力仪表的极限,贯入即告结束。
9、在探头贯入过程中,若因贯入阻力太大而将地锚稍稍拔起、机架上台,应停止贯入,是机架下落,将地锚压铁上蝴蝶螺钉旋一旋,使之再次压住低价钢槽。
下锚时先要根据表土的松软情况,选用合适的地锚叶片,换叶片时只需将锚杆前的锚锥头拧下,卸下叶片换上所需叶片,将锚锥头重新拧紧。
10、为了消除因温度变化对初读数的影响,在初贯入的3-5cm内每贯入1cm须将探杆往上稍提一下,在探头不受力的情况下,记取初读数。
其操作方法是停止转动摇把将山形压板到U型卡块下面反转摇把,将探杆往上稍提一下,记取读数。
11、贯入结束后即可将探杆拔起,拔起时将山形板放在U型卡块下面,反转摇把,是探杆拔起。
当拔过几根后,摇把摇起来觉得轻松时,可将摇把查到齿轮轴的轴头上,这样拔杆速度可提高4倍。
12、探杆全部拔起,搬开触探机架拧出地锚,一次实验便告结束。
静力触探仪标定方法:
一、标定前的准备工作
1.标定用测力计或传感器,精度不应低于3级。
2.连接触探头和记录仪并统调平衡,当确认正常后,方可正式进行标定工作。
3.当采用电阻应变仪时,应将仪器的灵敏系数调至与触探头中传感器所贴的电阻应变片的灵敏系数相同。
4.触探头应垂直稳固放置在标定架上,并应不使电缆线受压。
5.对于新的触探头应反复(一般为3~5次)预压到额定荷载,以减少传感元件由于加工引起的残余应力。
二、标定方法
触探头的标定可分为固定桥压法和固定系数法两种,其标定方法和标定资料整理应符合下列要求:
1.固定桥压法:
(1)选定量测仪器的供桥电压(电阻应变仪的桥压是固定的)。
(2)逐级施加荷载,一般每级为最大贯入力的1/10。
(3)每级加荷均应标明输出电压值或测记相应的应变量。
(4)每次标定,加卸荷不得少于3遍,同时对顶柱式传感器还应转动顶柱至不同角度,观察荷载作用下读数的变化,其测定误差应小于满量程的±1%或额定荷载下应变量的±1%。
(5)计算每一级荷载下输出电压(或应变量)的平均值,绘制以荷载为纵座标,输出电压值(或应变量)为横座标的标定直线,其线性误差应符合附录一的规定。
2.固定系数法
(1)指令一个标定系数K(如输出电压每mV或画线长每cm表示贯入阻力1000kPa、2000kPa、4000kPa。
),计算出输出电压为满量程时,所需加的总荷载P:P=KAI(kN)(附2.2)式中A——锥底面积或摩擦筒面积(c㎡)I——满量程的输出电压值(mV)或记录纸带的宽度(cm)。
(2)输入一个假设的供桥电压U,并施加荷载为P/2,若记录笔指针未达满量程的一半处,则调整供桥电压,使其指针指于满量程的一半处。
然后卸荷,指针应回到零位。
如不归零则调指针归零。
如此反复加卸荷,使记录笔指针从零位往返至满量程的一半处。
(3)在调整后的供桥电压下,按P/10逐级加荷至满量程,分级卸荷使记录笔返回零点。
(4)按上述步骤,其测试误差符合本标准附录一的规定,调整后的供桥电压即为标定的供桥电压值。