人工挖孔桩安全检查验收表
- 格式:xls
- 大小:23.00 KB
- 文档页数:2
人工挖孔桩验收表格详解在建筑工程中,人工挖孔桩是一种常见的基础形式。
为了确保人工挖孔桩的施工质量符合设计要求和相关标准,需要进行严格的验收。
而验收表格则是记录和评估验收结果的重要工具。
接下来,让我们详细了解一下人工挖孔桩验收表格的各个部分。
人工挖孔桩验收表格通常包括以下几个主要部分:一、工程概况这一部分主要记录人工挖孔桩所在工程的基本信息,如工程名称、地点、建设单位、施工单位、监理单位等。
同时,还会标明桩的编号、桩径、桩长、设计承载力等关键参数,以便对每根桩进行准确的识别和评估。
二、施工记录施工记录是验收表格中的重要内容,它详细记录了人工挖孔桩施工过程中的关键环节和数据。
包括挖孔的起始时间和结束时间、护壁的施工情况、孔底的地质情况、桩身混凝土的浇筑时间和强度等级等。
这些记录能够反映施工过程的规范性和质量控制情况。
1、挖孔过程记录要记录每天的挖孔深度、遇到的地质问题(如岩石层、流沙层等)以及采取的处理措施。
同时,还要记录孔壁的稳定性情况,如有否坍塌、裂缝等现象。
2、护壁施工记录护壁的厚度、钢筋配置、混凝土强度等都需要详细记录。
每一节护壁的施工时间和质量情况也应在表格中体现。
3、孔底处理记录孔底的清理情况、是否达到设计要求的持力层、孔底的平整度等都要进行记录。
如果孔底地质情况与勘察报告不符,还需要记录相应的处理措施和结果。
三、原材料检验人工挖孔桩施工中使用的原材料,如钢筋、水泥、砂、石等,其质量直接影响桩的承载能力和耐久性。
因此,验收表格中需要有原材料的检验报告和相关数据。
1、钢筋检验包括钢筋的品种、规格、级别、力学性能等指标的检验结果。
要确保钢筋的质量符合国家标准和设计要求。
2、水泥检验记录水泥的品种、强度等级、安定性等检验结果。
水泥的质量对混凝土的强度和耐久性有着重要影响。
3、砂石检验砂石的颗粒级配、含泥量、坚固性等指标也需要进行检验并记录在表格中。
四、桩身质量检测桩身质量是人工挖孔桩验收的重点之一。
注:设计、勘察单位应参与复验人工挖孔桩孔底持力层土(岩)性。
施工单位项目技术负责人:质检员:监理工程师(建设单位项目技术负责人):山东省建设工程质量监督总站监制注:设计、勘察单位应参与复验人工挖孔桩孔底持力层土(岩)性。
施工单位项目技术负责人:质检员:监理工程师(建设单位项目技术负责人):山东省建设工程质量监督总站监制注:设计、勘察单位应参与复验人工挖孔桩孔底持力层土(岩)性。
施工单位项目技术负责人:质检员:监理工程师(建设单位项目技术负责人):山东省建设工程质量监督总站监制注:设计、勘察单位应参与复验人工挖孔桩孔底持力层土(岩)性。
施工单位项目技术负责人:质检员:监理工程师(建设单位项目技术负责人):山东省建设工程质量监督总站监制人工挖孔灌注桩施工验收记录注:设计、勘察单位应参与复验人工挖孔桩孔底持力层土(岩)性。
施工单位项目技术负责人:质检员:监理工程师(建设单位项目技术负责人):山东省建设工程质量监督总站监制人工挖孔灌注桩施工验收记录注:设计、勘察单位应参与复验人工挖孔桩孔底持力层土(岩)性。
施工单位项目技术负责人:质检员:监理工程师(建设单位项目技术负责人):山东省建设工程质量监督总站监制人工挖孔灌注桩施工验收记录注:设计、勘察单位应参与复验人工挖孔桩孔底持力层土(岩)性。
施工单位项目技术负责人:质检员:监理工程师(建设单位项目技术负责人):山东省建设工程质量监督总站监制人工挖孔灌注桩施工验收记录注:设计、勘察单位应参与复验人工挖孔桩孔底持力层土(岩)性。
施工单位项目技术负责人:质检员:监理工程师(建设单位项目技术负责人):山东省建设工程质量监督总站监制人工挖孔灌注桩施工验收记录注:设计、勘察单位应参与复验人工挖孔桩孔底持力层土(岩)性。
施工单位项目技术负责人:质检员:监理工程师(建设单位项目技术负责人):山东省建设工程质量监督总站监制人工挖孔灌注桩施工验收记录注:设计、勘察单位应参与复验人工挖孔桩孔底持力层土(岩)性。
人工挖孔桩隐蔽验收记录施工单位:XXX有限公司监理单位:XXX有限公司验收日期:XXXX年XX月XX日一、工程概况本工程为XXXX项目,属于人工挖孔桩工程,总共共有XX根桩。
二、施工过程1. 桩基材料准备:施工单位按照设计要求及时采购了钢筋、混凝土、砂石等桩基材料,并进行了验收,材料质量合格。
2. 桩基位置标定:根据设计要求,施工单位在施工现场按照平面布置图和竖向槽筏基础平台定位,标定了每根桩的位置。
3. 桩周方桩孔施工:根据设计要求,施工单位利用挖掘机进行了桩周方桩孔的施工,保证了桩基孔的准确度和垂直度。
4. 桩基清理:施工单位对桩周方桩孔进行了清理,确保孔底和孔壁的干净整洁。
5. 钢筋加工与安装:施工单位按照设计要求对钢筋进行了加工和现场调整,并进行了验收,验收结果通过。
6. 混凝土浇筑:施工单位按照设计要求及时进行了混凝土的搅拌、运输和浇筑,并对浇筑质量进行了检查,达到验收标准。
7. 检测与验收:施工单位请监理单位进行了桩基验收,监理单位对桩基进行了非破坏性检测,并检查了桩基的质量。
验收结果显示,桩基质量合格。
三、验收结果根据施工流程和验收标准,现对本工程的人工挖孔桩进行验收。
1. 材料验收:根据相关材料供应商提供的合格证明和国家标准,我们对施工单位采购的钢筋、混凝土、砂石等进行了验收,材料质量达到了设计要求。
2. 施工工艺和工序:施工单位在桩基施工过程中,严格按照设计要求和施工规范进行施工,保证了桩基的准确度和质量,工程工艺和工序合格。
3. 桩基质量:根据监理单位的检测结果,桩基的非破坏性检测合格,桩基质量达到了设计要求。
无修补现象,未发现桩基质量存在问题。
4. 桩顶标高:根据设计要求,施工单位对每根桩的桩顶标高进行了检测,桩顶标高符合设计要求,偏差在规定范围内。
5. 桩身砼强度:施工单位对桩身混凝土的强度进行了检测,达到了设计要求的强度等级。
6. 桩基孔准确度:对每根桩基孔的准确度进行了检查,孔的位置、孔径和垂直度符合设计要求。
单位(子单位)工程名称赤水市万鲢路分部(子分部)工程名称基础工程验收部位施工单位赤水市文华建筑工程项目经理胡阳兵人工挖孔桩工程检验批质量验收记录表GB50202-2002施工执行标准名称及编号《建筑地基基础工程施工质量验收规范》GB50202-2002主控项目全部合格,一般项目满足规范规定要求。
评定合格。
项目专业质量检查员:年月曰单位(子单位)工程名称赤水市万鲢路分部(子分部)工程名称基础工程验收部位©/⑭(K3)施工单位赤水市文华建筑工程项目经理胡阳兵人工挖孔桩工程检验批质量验收记录表GB50202-2002施工执行标准名称及编号《建筑地基基础工程施工质量验收规范》GB50202-2002单位(子单位)工程名称 赤水市万鲢路分部(子分部)工程名称 基础工程 验收部位 ©/⑱(K2) 施工单位赤水市文华建筑工程项目经理胡阳兵人工挖孔桩工程检验批质量验收记录表GB50202-2002施工执行标准名称及编号《建筑地基基础工程施工质量验收规范》GB50202-2002单位(子单位)工程名称赤水市万鲢路分部(子分部)工程名称基础工程验收部位@/(19(K3)施工单位赤水市文华建筑工程项目经理胡阳兵人工挖孔桩工程检验批质量验收记录表GB50202-2002施工执行标准名称及编号《建筑地基基础工程施工质量验收规范》GB50202-2002单位(子单位)工程名称赤水市万鲢路分部(子分部)工程名称基础工程验收部位©/(19(K2)施工单位赤水市文华建筑工程项目经理胡阳兵人工挖孔桩工程检验批质量验收记录表GB50202-2002施工执行标准名称及编号《建筑地基基础工程施工质量验收规范》GB50202-2002单位(子单位)工程名称 赤水市万鲢路分部(子分部)工程名称 基础工程 验收部位 ©/①(K5) 施工单位赤水市文华建筑工程项目经理胡阳兵人工挖孔桩工程检验批质量验收记录表GB50202-2002施工执行标准名称及编号《建筑地基基础工程施工质量验收规范》GB50202-2002人工挖孔桩工程检验批质量验收记录表GB50202-2002人工挖孔桩工程检验批质量验收记录表GB50202-2002人工挖孔桩工程检验批质量验收记录表GB50202-2002人工挖孔桩工程检验批质量验收记录表GB50202-2002。
人工挖孔桩开挖工程检验批验收记录人工挖孔桩作为一种常见的基础工程形式,在建筑施工中发挥着重要作用。
其开挖工程的质量直接关系到整个基础的稳定性和安全性,因此,做好人工挖孔桩开挖工程检验批验收记录至关重要。
人工挖孔桩开挖工程检验批验收记录主要包括以下几个方面的内容:一、工程概况首先要明确工程的名称、地点、建设单位、施工单位等基本信息。
同时,对人工挖孔桩的数量、桩径、桩长、桩顶标高、桩底标高等参数进行详细记录。
这些信息有助于对整个工程有一个全面的了解,为后续的验收工作提供基础。
二、施工依据记录施工所依据的相关规范、标准和设计文件。
例如《建筑地基基础工程施工质量验收规范》(GB50202-2018)、《建筑桩基技术规范》(JGJ94-2008)以及具体的工程设计图纸等。
明确施工依据可以确保施工过程符合相关要求,保证工程质量。
三、施工准备工作验收1、施工方案的审查检查施工单位提交的人工挖孔桩施工方案是否经过审批,内容是否完整、合理,是否具有针对性和可操作性。
施工方案应包括施工工艺、施工流程、安全措施、质量控制要点等方面的内容。
2、原材料的检验对用于人工挖孔桩的钢筋、水泥、砂、石等原材料进行检验,查看其质量证明文件是否齐全,检验报告是否合格。
同时,对原材料的现场存放条件进行检查,确保其不受潮、不受污染。
3、施工机械设备的检查检查挖孔桩施工所使用的机械设备,如提升设备、通风设备、照明设备等是否完好,性能是否满足施工要求。
同时,对设备的安全防护装置进行检查,确保施工过程中的安全。
4、测量放线的复核对人工挖孔桩的桩位进行测量放线复核,检查桩位的偏差是否在允许范围内。
桩位的准确性直接影响到桩基础的受力情况,因此必须严格控制。
四、挖孔过程的验收1、桩孔垂直度的检查使用垂线和钢尺等工具,定期对桩孔的垂直度进行检查。
桩孔垂直度偏差应符合规范要求,一般不应超过桩长的 05%。
如果垂直度偏差过大,应及时采取措施进行纠正。
2、桩孔直径的检查使用钢尺或卡尺等工具,对桩孔的直径进行检查。
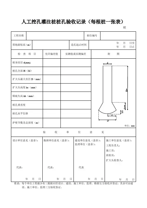
人工挖孔桩成孔验收记录一、工程概述本次施工的人工挖孔桩工程位于_____(具体工程地点),该工程包括_____根人工挖孔桩,桩径分别为_____、_____等(不同桩径规格),桩身长度从_____米到_____米不等。
二、验收依据1、设计图纸及相关设计文件,明确了桩的位置、直径、深度、配筋等具体要求。
2、国家和地方现行的建筑工程施工质量验收规范,如《建筑地基基础工程施工质量验收规范》(GB 50202-____)等。
3、施工方案,其中包含了挖孔桩施工的工艺流程、技术措施、质量控制要点等。
三、验收内容1、桩位偏差使用全站仪或经纬仪对每根桩的中心位置进行测量,与设计桩位进行对比,桩位偏差应符合规范要求。
一般情况下,桩位偏差不应超过_____mm。
2、桩径使用钢尺或卡尺在桩孔的不同部位测量桩径,确保桩径不小于设计值,且桩径偏差在允许范围内。
3、桩孔垂直度通过吊线锤或使用测斜仪测量桩孔的垂直度。
桩孔垂直度偏差一般不应超过桩长的_____%。
4、桩孔深度使用测绳测量桩孔的深度,应达到设计要求的深度。
同时,要注意检查桩底的土质情况,是否与勘察报告相符。
5、孔底沉渣厚度在桩孔清理完成后,再次测量孔底沉渣厚度。
孔底沉渣厚度不应超过_____mm。
6、护壁质量检查护壁的厚度、强度、钢筋配置等是否符合设计和施工方案的要求。
护壁应无裂缝、掉块等缺陷。
7、钢筋笼制作与安装检查钢筋笼的规格、尺寸、钢筋间距、焊接质量等是否符合设计要求。
钢筋笼的安装位置应准确,固定牢固。
8、混凝土灌注检查混凝土的配合比、坍落度、原材料质量等是否符合要求。
灌注过程应连续,不得出现断桩、夹渣等质量问题。
四、验收过程1、施工单位自检施工单位在完成人工挖孔桩成孔后,首先进行自检。
自检合格后,填写《人工挖孔桩成孔验收申请表》,并附上相关的施工记录和质量检验报告,向监理单位申请验收。
2、监理单位验收监理单位收到施工单位的验收申请后,组织专业监理工程师进行验收。
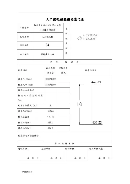
人工挖孔桩验槽检查记录工程名称临安市天目山镇九思村朱陀岭滑坡治理工程平面位置示意基础名称人工挖孔桩桩位编号3#施工单位创越建设工程检 查 容 记 录 检查项目设计或验收要求实际检查情况桩身示意图桩身尺寸(㎜) 1800*1500桩底尺寸 (㎜) 1800*1500桩底持力层要求桩端进入持力层深度(㎜)地下水位情况(m ) 无 桩位允差(㎜) ±50㎜ 桩孔垂直度 ﹤0.5% 桩顶标高(m) 447.3 桩底标高(m)437.3检查情况及检查结论参 加 验 槽 单 位建设单位:年 月 日监理单位:年 月 日设计单位:年 月 日施工单位代表:年 月 日工程名称绥阳县诗乡广场二期工程基础名称花园三期水池抗滑桩施工单位绥阳县神骏建设有限责任公司桩位编号1#检查容检查项目设计要求实际情况桩筋布置示意桩身尺寸(㎜) 1000*1000 1000*1000桩长(m)9.7 9.7桩主钢筋级别规格16 16 钢筋总长度116.4 116.4 深入承台长度钢筋数量12根12根保护层厚度桩箍筋级别规格8 8箍筋长度箍筋形式箍筋间距(㎜) 100/200mm 100/200mm焊接加劲箍级别规格 8 8 箍筋形式箍筋间距(㎜)搭接焊长度(㎜)护壁钢筋护壁材质及厚度素混凝土素混凝土级别规格水平筋间距(㎜)竖向筋间距(㎜)检查情况及结论经检查,桩施工符合设计及相关规要求,评为合格。
建设单位代表:年月日监理单位代表:年月日设计单位代表:年月日施工单位代表:年月日人工挖孔桩钢筋隐蔽检查记录注:本桩位置详桩位自编号平面图。
人工挖孔桩中线检查记录注:本桩位置详桩位自编号平面图。
桩基施工记录(挖孔)人孔桩桩底土质验槽照片桩号:拍片人:贴照片处混凝土灌注桩(钢筋笼)工程检验批质量验收记录表GB50202-2002(Ⅰ)混凝土灌注桩工程检验批质量验收记录表GB50202-2002(Ⅱ)。
人工挖孔桩隐蔽验收记录.doc【范本一】人工挖孔桩隐蔽验收记录一:项目概述本次隐蔽验收记录适用于项目名称/编号,验收内容为人工挖孔桩施工阶段的隐蔽工程验收。
二:验收人员1. 项目负责人:(姓名)2. 工程监理:(姓名)3. 代表施工单位:(姓名)4. 代表监理单位:(姓名)三:施工单位情况说明1. 施工单位名称:2. 法定代表人:3. 施工单位负责人:4. 项目经理:5. 施工资质等级:四:监理单位情况说明1. 监理单位名称:2. 法定代表人:3. 监理单位负责人:4. 监理工程师:5. 其他监理人员:五:隐蔽验收项目1. 桩基施工资料和资质(1)施工图设计文件,包括设计单位名称、设计人员、设计文件编号等。
(2)施工牌照和资质证书,包括施工单位、施工负责人、桩基负责人等证件的复印件。
(3)施工人员,包括桩基施工负责人、施工人员等,以及其相应的职称、证书等。
(4)施工设备和材料,包括挖孔机、运输车辆、挖孔桩钻等设备的情况,以及使用的材料的合格证明等。
2. 隐蔽验收项目一(1)隐蔽工程的位置和数量,包括桩基的具体位置、数量等。
(2)桩基的尺寸和深度,包括直径、深度等。
(3)桩身的质量和状况,包括材料、强度、外观等。
(4)桩顶标高和偏差,包括桩顶标高与设计标高的偏差等。
(5)其他隐蔽验收内容。
3. 隐蔽验收项目二(1)隐蔽工程的位置和数量,包括桩基的具体位置、数量等。
(2)桩基的尺寸和深度,包括直径、深度等。
(3)桩身的质量和状况,包括材料、强度、外观等。
(4)桩顶标高和偏差,包括桩顶标高与设计标高的偏差等。
(5)其他隐蔽验收内容。
六:验收结论根据对隐蔽工程项目的实际情况进行综合评估,验收人员达成以下结论:1. 项目符合设计要求和规范要求,达到了验收标准。
2. 项目存在以下问题,需要施工单位进行整改:(1)问题一的具体描述;(2)问题二的具体描述;(3)问题三的具体描述。
附件:相关设计文件、施工牌照和资质证书、整改通知书等。
人工挖孔桩报验及检验批范本一:人工挖孔桩报验报验单位:XXX公司施工单位:XXX公司监理单位:XXX公司一、施工单位基本信息1. 公司名称:2. 法人代表:3. 注册资本:4. 经营范围:5. 营业执照编号:6. 所在地:二、施工人员资质1. 桩基施工项目经理资质证书2. 桩基施工作业人员职业资格证书3. 特种作业人员操作证书三、施工设备及机械情况1. 挖孔机型号:2. 挖孔机操作人员持证情况:3. 推土机型号:4. 推土机操作人员持证情况:5. 水泥搅拌车情况:6. 水泥泵情况:7. 砂石运输车情况:四、施工工艺及措施1. 挖孔桩类型:2. 挖孔桩直径:3. 挖孔桩深度:4. 挖孔桩间距:5. 挖孔土质:6. 挖孔桩清底方法:7. 钢筋配筋方法:8. 混凝土浇筑方案:9. 施工现场环境保护措施:五、施工过程记录1. 施工开始时间:2. 挖孔桩位置及编号:3. 挖孔桩进度记录:4. 混凝土浇筑记录:5. 护坡及围挡情况:6. 压桩机使用情况:六、质量验收记录1. 混凝土抗压强度试验:2. 钢筋拉伸试验:3. 钢筋锈蚀检测:4. 挖孔桩平整度检测:5. 挖孔桩弯曲度检测:6. 翼墙尺寸检测:七、验收结论1. 完成验收日期:2. 验收结论:3. 验收意见及建议:附件:(如有,请列出)法律名词及注释:范本二:人工挖孔桩检验批检验单位:XXX公司施工单位:XXX公司监理单位:XXX公司一、施工单位基本信息1. 公司名称:2. 法人代表:3. 注册资本:4. 经营范围:5. 营业执照编号:6. 所在地:二、施工人员资质1. 桩基施工项目经理资质证书2. 桩基施工作业人员职业资格证书3. 特种作业人员操作证书三、施工设备及机械情况1. 挖孔机型号:2. 挖孔机操作人员持证情况:3. 推土机型号:4. 推土机操作人员持证情况:5. 水泥搅拌车情况:6. 水泥泵情况:7. 砂石运输车情况:四、施工工艺及措施1. 挖孔桩类型:2. 挖孔桩直径:3. 挖孔桩深度:4. 挖孔桩间距:5. 挖孔土质:6. 挖孔桩清底方法:7. 钢筋配筋方法:8. 混凝土浇筑方案:9. 施工现场环境保护措施:五、检验项及要求1. 挖孔桩直径检验:2. 挖孔桩深度检验:3. 钢筋配筋质量检验:4. 混凝土浇筑质量检验:5. 抗压强度试验:6. 挖孔桩弯曲度检验:7. 翼墙尺寸检验:六、检验记录1. 检验开始日期:2. 检验地点:3. 检验人员:4. 检验过程记录:5. 检验结果记录:七、检验结论1. 检验完成日期:2. 检验结论:3. 检验意见及建议:附件:(如有,请列出)法律名词及注释:。
人工挖孔桩全过程质量平行检查记录检查项目一:基坑准备工作1.检查基坑是否按照设计要求进行挖掘,包括深度、宽度和坡度等。
2.检查基坑底部是否平整,无杂物和凸出物体。
3.检查基坑周边是否有坍塌风险,是否采取了相应的支护措施。
检查项目二:挖孔机械设备1.检查挖孔机械设备是否符合规定要求,是否经过定期维修和保养。
2.检查挖孔机械设备是否能够满足孔径和孔深的要求,是否能够控制孔的直径和垂直度。
3.检查挖孔机械设备是否设置了安全防护装置,例如挖孔机械设备的护栏和安全门等。
检查项目三:挖孔施工过程1.检查挖孔施工过程中是否按照设计要求进行操作,包括孔径、孔深和孔距等。
2.检查挖孔施工过程中是否控制好孔的直径和垂直度,是否有侧壁塌方、流砂和溜沙等情况。
3.检查挖孔施工过程中是否按照规定采取了排水措施,确保孔底无积水。
检查项目四:挖孔质量控制1.检查挖孔施工过程中是否采取了相应的质量控制措施,如挖孔机械设备的定位和调整,孔深的实时监控等。
2.检查挖孔施工过程中是否采取了相应的质量检测手段,如孔径的测量、孔深的测量、孔的垂直度的测量等。
3.检查挖孔施工过程中是否记录了关键数据,如孔深、孔径和垂直度等,是否有相关的质量记录和质量监测报告。
检查项目五:挖孔施工安全1.检查挖孔施工过程中是否设置了相关的安全警示标志和警示灯等。
2.检查挖孔施工过程中是否按照安全操作规程进行操作,是否佩戴了相应的个人防护装备。
3.检查挖孔施工过程中是否对周边设施和工人进行了保护,防止意外事故的发生。
检查项目六:挖孔完工验收1.检查挖孔完工后的孔口是否清理干净,无杂物和残渣。
2.检查挖孔完工后的孔底是否平整,无积水。
3.检查挖孔完工后是否对挖孔过程进行了总结和评估,是否有相关的验收报告。
以上是对人工挖孔桩全过程质量平行检查的记录。
通过对以上检查项目的严格把控和记录,可以确保人工挖孔桩施工过程的质量和安全,并及时发现和解决可能存在的问题,保证工程的顺利进行。
挖孔灌注桩检查验收标准
一、主控项目
1、施工前应对水泥、砂、石子(如为现场搅拌砼)钢材等原材料进行检查,对施工组织设计中制定的施工顺序,监测手段(包括仪器、方法)也应检查。
2、施工中应对成孔、清渣、放置钢筋笼,灌注砼等进行全过程检查,人工挖孔桩尚应复验孔底持力层土(岩)性,嵌岩桩必须有桩端持力层的岩性报告;刚性角满足设计要求。
3、施工结束后,应检查砼强度,并应做桩身质量及承载力的检验。
4、灌注桩砼浇注时必须一桩1组试件。
二、质量检验标准
砼灌注桩钢筋笼质量检验标准(mm)
灌注桩的平面位置和垂直度的允许偏差
砼灌注桩质量检验标准。
人工挖孔桩验收人工挖孔桩验收1.引言人工挖孔桩在土木工程领域中扮演着重要的角色。
为了确保人工挖孔桩的质量和安全性,进行验收是必不可少的环节。
本文档旨在提供一份详细的人工挖孔桩验收模板,供参考使用。
2.验收准备2.1 验收前的准备工作2.1.1 制定验收计划:明确验收范围、验收标准、验收时间等要素。
2.1.2 检查施工图纸:核对设计图纸与实际施工情况是否相符。
2.1.3 准备验收工具:包括测量工具、记录表格等。
3.验收过程3.1 桩身验收3.1.1 桩身尺寸测量:对桩身的直径、高度等尺寸进行测量,并与设计图纸进行对照。
3.1.2 表面平整度检查:测量桩身表面平整度,确保其满足相关标准要求。
3.1.3 混凝土质量检查:取样检测混凝土的抗压强度、抗拉强度等指标。
3.1.4 钢筋验收:对钢筋的直径、弯曲、间距等进行检查。
3.2 桩头验收3.2.1 桩头形状检查:检查桩头的几何形状是否满足设计要求。
3.2.2 焊接质量检查:检查桩头的焊接质量,包括焊缝的完整性、焊接接头的强度等。
3.2.3 钢筋数量和布置检查:核对钢筋的数量和布置是否符合设计要求。
3.3 环空验收3.3.1 环空尺寸测量:测量环空直径、高度等尺寸,与设计要求进行对照。
3.3.2 环空的平整度和圆度检查:通过测量环空的平整度和圆度,判断其质量是否符合要求。
3.3.3 环空间隙检测:测量环空与围岩之间的间隙大小,确保其满足相关标准。
4.验收结果与记录4.1 验收结果判定:根据对桩身、桩头和环空的检测结果,综合评定该人工挖孔桩是否合格。
4.2 验收记录:记录验收过程中的测量数据、照片等,作为验收结果的依据。
5.附件本文档所涉及附件如下:附件1:验收计划表附件2:桩身尺寸测量记录表附件3:桩头焊接质量检查记录表附件4:环空尺寸测量记录表6.法律名词及注释本文档所涉及的法律名词及注释如下:本文档提供了一份详细的人工挖孔桩验收模板,旨在匡助项目管理人员进行规范的验收工作。