人工挖孔桩机械验收表格
- 格式:docx
- 大小:18.12 KB
- 文档页数:3
人工挖孔桩验收表格详解在建筑工程中,人工挖孔桩是一种常见的基础形式。
为了确保人工挖孔桩的施工质量符合设计要求和相关标准,需要进行严格的验收。
而验收表格则是记录和评估验收结果的重要工具。
接下来,让我们详细了解一下人工挖孔桩验收表格的各个部分。
人工挖孔桩验收表格通常包括以下几个主要部分:一、工程概况这一部分主要记录人工挖孔桩所在工程的基本信息,如工程名称、地点、建设单位、施工单位、监理单位等。
同时,还会标明桩的编号、桩径、桩长、设计承载力等关键参数,以便对每根桩进行准确的识别和评估。
二、施工记录施工记录是验收表格中的重要内容,它详细记录了人工挖孔桩施工过程中的关键环节和数据。
包括挖孔的起始时间和结束时间、护壁的施工情况、孔底的地质情况、桩身混凝土的浇筑时间和强度等级等。
这些记录能够反映施工过程的规范性和质量控制情况。
1、挖孔过程记录要记录每天的挖孔深度、遇到的地质问题(如岩石层、流沙层等)以及采取的处理措施。
同时,还要记录孔壁的稳定性情况,如有否坍塌、裂缝等现象。
2、护壁施工记录护壁的厚度、钢筋配置、混凝土强度等都需要详细记录。
每一节护壁的施工时间和质量情况也应在表格中体现。
3、孔底处理记录孔底的清理情况、是否达到设计要求的持力层、孔底的平整度等都要进行记录。
如果孔底地质情况与勘察报告不符,还需要记录相应的处理措施和结果。
三、原材料检验人工挖孔桩施工中使用的原材料,如钢筋、水泥、砂、石等,其质量直接影响桩的承载能力和耐久性。
因此,验收表格中需要有原材料的检验报告和相关数据。
1、钢筋检验包括钢筋的品种、规格、级别、力学性能等指标的检验结果。
要确保钢筋的质量符合国家标准和设计要求。
2、水泥检验记录水泥的品种、强度等级、安定性等检验结果。
水泥的质量对混凝土的强度和耐久性有着重要影响。
3、砂石检验砂石的颗粒级配、含泥量、坚固性等指标也需要进行检验并记录在表格中。
四、桩身质量检测桩身质量是人工挖孔桩验收的重点之一。
单位工程竣工预验收勘察单位勘察文件质量检查报告
涪陵区建设工程质量监督站监制单位工程竣工预验收设计单位设计文件及设计变更
质量检查报告
报告单位:重庆市园林建筑规划设计院
涪陵区建设工程质量监督站监制单位工程竣工预验收申报表
注:1、本表应在预验收2个工作日前送质量监督站审批。
2、验收组成员应符合《建筑工程施工质量验收统一标准》G50300-2001之规定且应与监督登记表上所填写人员相符。
3、本表附参建各方质量评定或检查报告。
涪陵区建设工程质量监督站监制单位工程竣工预验收问题整改回执
涪陵区建设工程质量监督站监制单位工程竣工预验收问题整改通知
涪陵区建设工程质量监督站监制单位工程竣工预验收质量检查评定报告
报告单位(施工单位):重庆兴达实业(集团)有限公司
注:内容需包括工程概况、工程质量检查评定情况、质量控制资料自检情况、整改情况、检查评定结论等。
涪陵区建设工程质量监督站监制单位工程竣工预验收质量评价报告
报告单位(监理单位):中煤科工集团重庆设计研究院
注:内容需包括工程概况、工程质量监控情况、质量控制资料核查情况、监理资料自检情况、整改情况、评价意见及结论等。
涪陵区建设工程质量监督站监制
单位工程预验收签到表。
挖孔桩质量检验报告单一、项目介绍本次挖孔桩质量检验是针对工程项目进行的质量检验,该工程项目需要使用挖孔桩作为地基处理方式,以增强地基的承载力和稳定性。
挖孔桩制作工艺精细,质量合格与否直接关系到工程的安全性和稳定性,因此,本次检验对挖孔桩的质量进行了全面的检测和评估。
二、检验目的本次检验的目的是评估挖孔桩的质量,并确定其是否符合相关国家和行业的标准要求。
通过检验,可以确保挖孔桩的制作工艺和材料满足工程的要求,保证工程的安全和稳定。
三、检验内容及方法1.外观检查:对挖孔桩的表面进行仔细观察,检查是否有裂纹、缺陷、表面平整度等问题。
2.尺寸检查:使用测量仪器对挖孔桩的直径、深度进行精确测量,以验证其尺寸是否符合设计要求。
3.材料检测:对挖孔桩所使用的材料进行化学成分分析和力学性能测试,确保材料的质量符合相关标准。
4.强度测试:对挖孔桩进行抗压、抗弯等力学性能测试,评估其承载力和抗震能力。
5.焊接质量检查:对挖孔桩的焊接处进行检查,确保焊接质量良好,无裂纹、气孔等问题。
四、检验结果1.外观检查结果:挖孔桩表面平整光滑,无裂纹和明显缺陷。
2.尺寸检查结果:挖孔桩直径和深度与设计要求基本一致,尺寸满足要求。
3.材料检测结果:挖孔桩所使用的材料化学成分合格,力学性能符合相关标准。
4.强度测试结果:挖孔桩的抗压、抗弯强度符合设计要求,承载力和抗震能力良好。
5.焊接质量检查结果:挖孔桩的焊接处质量良好,无明显缺陷。
五、检验结论通过对挖孔桩的全面检验和评估,可以得出以下结论:1.挖孔桩的外观质量良好,表面平整光滑,无裂纹和缺陷。
2.挖孔桩的尺寸满足设计要求,直径和深度与设计要求基本一致。
3.挖孔桩所使用的材料化学成分和力学性能符合相关标准,质量合格。
4.挖孔桩的强度和承载力符合设计要求,具备良好的抗震能力。
5.挖孔桩的焊接质量良好,无明显缺陷。
六、建议和改进措施根据本次检验的结果和结论,对于挖孔桩制作工艺和材料,可以进行以下建议和改进措施:1.加强工艺控制,确保挖孔桩的表面平整度和精度。
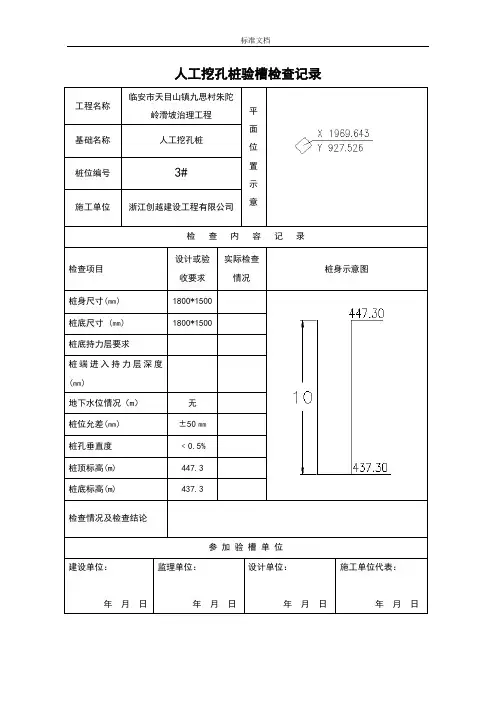
人工挖孔桩验槽检查记录工程名称临安市天目山镇九思村朱陀岭滑坡治理工程平面位置示意基础名称人工挖孔桩桩位编号3#施工单位创越建设工程检 查 容 记 录 检查项目设计或验收要求实际检查情况桩身示意图桩身尺寸(㎜) 1800*1500桩底尺寸 (㎜) 1800*1500桩底持力层要求桩端进入持力层深度(㎜)地下水位情况(m ) 无 桩位允差(㎜) ±50㎜ 桩孔垂直度 ﹤0.5% 桩顶标高(m) 447.3 桩底标高(m)437.3检查情况及检查结论参 加 验 槽 单 位建设单位:年 月 日监理单位:年 月 日设计单位:年 月 日施工单位代表:年 月 日工程名称绥阳县诗乡广场二期工程基础名称花园三期水池抗滑桩施工单位绥阳县神骏建设有限责任公司桩位编号1#检查容检查项目设计要求实际情况桩筋布置示意桩身尺寸(㎜) 1000*1000 1000*1000桩长(m)9.7 9.7桩主钢筋级别规格16 16 钢筋总长度116.4 116.4 深入承台长度钢筋数量12根12根保护层厚度桩箍筋级别规格8 8箍筋长度箍筋形式箍筋间距(㎜) 100/200mm 100/200mm焊接加劲箍级别规格 8 8 箍筋形式箍筋间距(㎜)搭接焊长度(㎜)护壁钢筋护壁材质及厚度素混凝土素混凝土级别规格水平筋间距(㎜)竖向筋间距(㎜)检查情况及结论经检查,桩施工符合设计及相关规要求,评为合格。
建设单位代表:年月日监理单位代表:年月日设计单位代表:年月日施工单位代表:年月日人工挖孔桩钢筋隐蔽检查记录注:本桩位置详桩位自编号平面图。
人工挖孔桩中线检查记录注:本桩位置详桩位自编号平面图。
桩基施工记录(挖孔)人孔桩桩底土质验槽照片桩号:拍片人:贴照片处混凝土灌注桩(钢筋笼)工程检验批质量验收记录表GB50202-2002(Ⅰ)混凝土灌注桩工程检验批质量验收记录表GB50202-2002(Ⅱ)。
桩基隐蔽工程验收记录表
桩基隐蔽工程验收记录表
桩基隐蔽工程验收记录表
桩基隐蔽工程验收记录表
桩基隐蔽工程验收记录表
桩基隐蔽工程验收记录表
桩基隐蔽工程验收记录表
桩基隐蔽工程验收记录表
桩基隐蔽工程验收记录表
桩基隐蔽工程验收记录表
桩基隐蔽工程验收记录表
桩基隐蔽工程验收记录表
桩基隐蔽工程验收记录表
桩基隐蔽工程验收记录表
桩基隐蔽工程验收记录表
桩基隐蔽工程验收记录表
桩基隐蔽工程验收记录表
桩基隐蔽工程验收记录表
桩基隐蔽工程验收记录表
桩基隐蔽工程验收记录表
桩基隐蔽工程验收记录表
桩基隐蔽工程验收记录表
桩基隐蔽工程验收记录表
桩基隐蔽工程验收记录表
桩基隐蔽工程验收记录表
桩基隐蔽工程验收记录表
桩基隐蔽工程验收记录表
桩基隐蔽工程验收记录表
桩基隐蔽工程验收记录表
桩基隐蔽工程验收记录表
桩基隐蔽工程验收记录表
桩基隐蔽工程验收记录表
桩基隐蔽工程验收记录表
桩基隐蔽工程验收记录表
桩基隐蔽工程验收记录表
桩基隐蔽工程验收记录表
桩基隐蔽工程验收记录表
桩基隐蔽工程验收记录表
桩基隐蔽工程验收记录表
桩基隐蔽工程验收记录表
桩基隐蔽工程验收记录表
桩基隐蔽工程验收记录表
桩基隐蔽工程验收记录表
桩基隐蔽工程验收记录表
桩基隐蔽工程验收记录表
桩基隐蔽工程验收记录表
桩基隐蔽工程验收记录表
桩基隐蔽工程验收记录表
桩基隐蔽工程验收记录表
桩基隐蔽工程验收记录表
桩基隐蔽工程验收记录表。
人工挖孔桩收方表(通用)人工挖孔桩收方表(通用)本文档所涉及附件如下:1. 收方表模板2. 附件1:挖孔桩设计图纸3. 附件2:挖孔桩施工方案4. 附件3:挖孔桩验收标准本文档所涉及的法律名词及注释:1. 挖孔桩:一种利用机械手段将地下土层取出,形成孔洞并注入混凝土以增加承载力的基础工程构件。
2. 收方表:用于记录挖孔桩工程中土方开挖的数量、质量、坍落度、抗压强度以及验收情况的表格。
1. 项目基本信息1.1 项目名称1.2 项目地址1.3 桩基施工单位1.4 项目负责人2. 桩基情况2.1 孔径直径2.2 桩身高度2.3 桩身形状2.4 桩端处理3. 桩基施工工艺3.1 设计说明3.2 施工方案3.3 施工工艺3.4 施工设备与工具3.5 施工人员4. 桩基施工材料4.1 混凝土配合比4.2 混凝土材料4.3 砂浆材料4.4 钢筋材料5. 桩基施工过程及数据记录5.1 清理桩位5.2 挖孔施工5.3 钢筋绑扎5.4 混凝土浇筑5.5 养护处理5.6 收方数据记录6. 桩基验收6.1 样品标识及编号6.2 坍落度测试6.3 抗压强度测试6.4 推力试验6.5 桩基验收合格判定7. 安全施工措施7.1 施工人员安全防护7.2 施工现场安全防范7.3 施工设备与工具安全操作8. 问题及处理8.1 施工过程中的问题记录8.2 问题处理措施9. 合同信息9.1 合同编号9.2 合同金额9.3 合同约定10. 结算10.1 施工量计算10.2 工程款支付本文档所涉及附件如下:1. 收方表模板2. 附件1:挖孔桩设计图纸3. 附件2:挖孔桩施工方案4. 附件3:挖孔桩验收标准本文档所涉及的法律名词及注释:1. 挖孔桩:一种利用机械手段将地下土层取出,形成孔洞并注入混凝土以增加承载力的基础工程构件。
2. 收方表:用于记录挖孔桩工程中土方开挖的数量、质量、坍落度、抗压强度以及验收情况的表格。
人工挖孔桩施工记录(表格)项目专业技术负责人)人工挖孔灌注桩施工记录工程名称:(填写工程名称)施工单位:(填写施工单位名称)孔径孔深桩长:(填写孔径、XXX和桩长的数值)桩号:(填写桩号)地面标高:(填写地面标高)设计标高:(填写设计标高)桩顶标高:(填写桩顶标高)验收日期:(填写验收日期)扩大头直径:(填写扩大头直径)扩大头高度:(填写扩大头高度)挖孔日期:(填写挖孔日期)灌桩芯日期:(填写灌桩芯日期)理论桩身体积:(填写理论桩身体积)实际砼灌注量:(填写实际砼灌注量)月日至月日,共计:时分施工情况简介:(描述排水、清孔等情况)桩身剖面图:地质柱状简图:施工单位:(填写施工单位名称)项目技术负责人:施工员:监理:监理工程师(建设单位项目专业技术负责人):人工挖孔灌注桩施工记录汇总表工程名称:(填写工程名称)护壁厚度:(填写护壁厚度)桩身砼等级:(填写桩身砼等级)护壁桩顶径标高:(填写护壁桩顶径标高)护壁配筋情况:桩身配筋情况:护壁长度及土层情况:第节:第节:第节:第节:施工单位:(填写施工单位名称)护壁砼等级:(填写护壁砼等级)扩大头尺寸:高:(填写扩大头高度)直径:(填写扩大头直径)孔底标高:(填写孔底标高)孔底持力:(填写孔底持力)备注:(填写备注信息)层描述施工:日期:桩号:长度土类及土性:施工员:监理:监理工程师(建设单位项目专业技术负责人):人工挖孔灌注桩施工记录汇总表中,需要填写详细的施工信息,包括护壁厚度、桩身砼等级、护壁配筋情况、桩身配筋情况等。
同时,还需要填写护壁长度及土层情况、扩大头尺寸、孔底标高、孔底持力等信息。
在填写时,需要注意清晰、准确、完整。
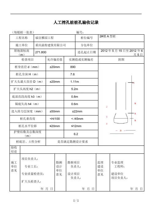
人工挖孔桩桩孔验收记录工程名称福宣雅园工程桩位编号2#楼A型桩施工单位重庆渝煌建筑有限公司分包单位原地面标高(m)271.800 造孔起止日期2012年5 月 15日至 2012 年6月 5日检查项目允许偏差值实测值或实测偏差附图桩身直径d(mm)±20mm 890桩孔全深H(m) 7.6扩大头最大直径D(m)±20mm 1.11m扩大头高度h2(m) 5.2m底部直段高度h3(m) 0.8m锅底矢高h4(m) 0.6m进入持力层深度(mm)±50mm ±22mm桩孔垂直度<H/100 < /45mm桩孔水平位移≤20mm ≤12mm护壁结数及总数深度(m)6.2桩底岩、土性分析是否满足勘测设计要求验收结论施工单位意见项目负责人:专业工长:专业质量检查员:扩大头检查人:年月日勘测设计单位意见勘察项目负责人:设计项目负责人:年月日监理建设单位意见专业监理工程师:建设单位项目负责人:年月日人工挖孔桩验收记录人工挖孔桩验槽检查记录工程名称 福宣雅园工程平 面 位 置 示 意基础名称 挖孔桩 桩位编号 2#楼2-6/2-E施工单位重庆渝煌建筑有限公司检查内容记录检查项目设计或验收要求 实际检查情况 桩身各层地质构造示意桩身孔径d (mm ) 900 10桩底扩孔D (mm ) 200 210 桩底持力层要求±50mm±22mm 桩端进入持力层深度(mm )1700 1600 地下水位情况(m ) 0.5-1 1 桩位允差(mm ) ≤50mm ≤22mm 桩孔垂直度 <0.5% <0.1% 桩顶标高(m ) 271.800 275.600 桩底标高(m )检查情况及检查结论参加验槽单位建设、监理单位代表:年 月 日设计单位代表: 年 月 日 地质勘察单位代表:年 月 日 施工单位代表:年 月 日人工挖孔桩钢筋隐蔽检查记录工程名称基础名称施工单位桩位编号检查内容检查项目设计要求实际情况桩筋布置示意桩身直径(mm)桩长(m)桩主钢筋级别规格钢筋总长度深入承台长度钢筋数量保护层厚度桩箍筋级别规格箍筋长度箍筋形式箍筋间距(mm)焊接加劲箍级别规格箍筋形式箍筋间距(mm)搭接焊长度(mm)护壁钢筋护壁材质及厚度级别规格水平筋间距(mm)竖向筋间距(mm)检查情况及结论建设单位代表:监理单位代表:设计单位代表:施工单位代表:人工挖孔桩中线检查记录桩基施工记录(砼浇筑)桩基施工记录(挖孔)人工桩桩底土质验槽照片混凝土灌注桩(钢筋笼)工程检验批质量验收记录表GB50202-2002(Ⅰ)01□□混凝土灌注桩工程验收批质量记录验收记录表GB50202-2002(Ⅱ)1 / 1。
桩基工程概况ZJ1.1工程测量、定位放线记录ZJ1.2桩基工程开工报告ZJ1.4 建设单位:扬州市贵宇房地产开发有限公司桩基工程竣工报告ZJ1.5桩位测量记录ZJ1.6验收表日期:2006年8月26日桩 位 偏 差 汇 总 表工程名称:贵宇商业广场一号楼 单位:㎝ 图例: 检测日期: 年 月 日施工单位: 监理单位:桩基工程质量控制资料核查 ZJ1.7预制桩(钢桩)进场验收表 ZJ2.1施工组织设计、施工方案审批表预制桩接桩隐蔽工程验收记录 ZJ2.31、查接桩材料。
钢板、螺栓、螺板、焊条、硫磺胶泥的出厂合格证及试验报告;材料(构配件)、设备进场使用报验单 A3.2桩基子分部工程质量验收记录 ZJ3.0先张法预应力管桩分项工程检验批质量验收记录 ZJ3.2桩基分项工程质量验收记录TJ统表桩基工程质量验收报告14工程开工报审表A1工程竣工报验单A7工程名称:江苏熔盛造船厂—设计桩型:PHC-AB800(110)-C80 施工机械:YBD-22A 桩锤类型:DD10.3T导杆式柴油锤设计桩长:25.00M工程名称:江苏熔盛造船厂—1#船坞工程设计桩型:PHC-AB600(110)-C80 施工机械:YBD-22A 桩锤类型:DD8.3T导杆式柴油锤设计桩长:38.00M施工组织设计/方案报审表A3.1承包单位资格报审表A3.6江苏省建设厅监制施工测量报验单A3.5工程款支付申请表A4.3江苏省建设厅监制工序质量报验单A3.3江苏省建设厅监制混凝土浇筑报审表3.6工程款支付申请表A4.3工程复工报审表A6江苏省建设厅监制工程进度计划报审表A2.1江苏省建设厅监制工序质量报验单(通用)A3.3工程计量报审表A4.1江苏省建设厅监制施工安全生产管理体系报审表工程名称:贵宇商业广场编号:A3.2- 001技术核定单文件收发簿编号:。
最新人工挖孔桩记录表格关键信息项:1、挖孔桩编号:____________________2、挖孔桩位置:____________________3、挖孔起始时间:____________________4、挖孔完成时间:____________________5、挖孔深度:____________________6、桩径:____________________7、地质情况描述:____________________8、护壁情况:____________________9、施工人员:____________________10、监理人员:____________________1、协议目的11 本协议旨在规范和统一人工挖孔桩记录表格的使用,确保挖孔桩施工过程中的各项数据准确、完整、及时地记录和保存。
2、适用范围21 本协议适用于所有涉及人工挖孔桩施工的工程项目。
3、记录表格内容及要求31 挖孔桩编号:为每根挖孔桩分配唯一的编号,便于识别和管理。
32 挖孔桩位置:详细记录挖孔桩所在的具体位置,包括坐标等信息。
33 挖孔起始时间:准确记录开始挖孔的日期和时间。
34 挖孔完成时间:记录完成挖孔作业的日期和时间。
35 挖孔深度:精确测量并记录挖孔的实际深度。
36 桩径:记录设计桩径和实际桩径。
37 地质情况描述:详细描述挖孔过程中遇到的地质层情况,包括土层、岩层的性质、厚度等。
38 护壁情况:记录护壁的材料、厚度、施工方法及质量情况。
39 施工人员:记录参与挖孔桩施工的主要人员姓名。
310 监理人员:记录负责监理该挖孔桩施工的人员姓名。
4、记录表格的填写与审核41 施工人员应在挖孔桩施工过程中实时填写记录表格,确保数据的真实性和及时性。
42 每完成一项工作或达到一定的施工阶段,应由施工负责人对记录表格进行初步审核,确认无误后签字。
43 监理人员应定期对记录表格进行检查和审核,如发现问题应及时要求施工方整改。
人工挖孔桩成孔验收记录日期:2024年4月10日施工单位:XXX建筑工程有限公司工地名称:XXX项目工地工程名称:XXX建筑项目一、项目概况本项目是为了支撑建筑物的基础结构而进行桩基施工,采用的是人工挖孔桩的方式。
挖孔桩的直径为1.2米,桩的深度为20米。
挖孔桩的设计采用钻进式施工方法,即在挖掘桩孔的过程中同时注入水泥浆体以维持土层的稳定。
二、验收目的本次验收的目的是为了检查人工挖孔桩的成孔质量是否符合设计要求,以及确认是否满足相关的技术规范和施工规程。
三、验收内容1.桩孔直径检查在验收过程中,首先检查了挖孔桩的直径。
通过使用钢卷尺测量了桩孔口的直径,结果表明直径为1.2米,符合设计要求。
2.桩孔深度检查随后,对桩孔的深度进行了检查。
使用了专用的测深仪器对桩孔底部的深度进行了测量,结果显示桩孔深度为20米,达到了设计要求。
3.桩孔的垂直度检查验收人员还对挖孔桩的垂直度进行了检查。
首先在桩孔顶部和底部各安装了两个垂直标杆,然后使用水平仪对标杆进行了测量。
结果显示,挖孔桩的垂直度误差在设计允许范围之内,符合相关要求。
4.桩孔质量检查验收人员对挖孔桩孔的质量进行了综合检查。
主要检查的内容包括土层是否稳定,桩孔边坡是否坍塌,以及桩孔底部是否存在松软土等不良情况。
经过观察和测量,未发现任何不良情况,桩孔质量良好。
四、验收结论根据以上检查结果,本次人工挖孔桩的成孔质量符合设计要求,满足相关的技术规范和施工规程。
桩孔直径、深度和垂直度均在设计范围内,并未发现任何不良情况。
因此,本次验收结论为合格。
五、存在的问题与改进措施在本次验收过程中,并未发现任何存在的问题。
为了进一步提高桩基施工的质量,今后在施工过程中,应加强对桩孔质量的检查和监控,确保每个工序都符合设计要求和规范要求。
六、备注本次验收记录将作为项目档案的一部分保存,并在工程竣工验收时提供给相关单位进行验收。
本次验收记录结束。
施工单位代表签字:__________________验收人签字:__________________。
人工挖孔桩验收表格人工挖孔桩是一种常见的基础施工方式,在建筑工程中发挥着重要作用。
为了确保人工挖孔桩的质量和安全性,验收工作至关重要。
而验收表格则是验收过程中的重要工具,它能够系统、全面地记录和评估人工挖孔桩的各项指标和参数。
人工挖孔桩验收表格通常包含以下几个主要部分:一、工程基本信息这一部分主要记录工程名称、桩号、施工单位、监理单位等基本信息,以便明确验收对象的归属和责任主体。
二、桩身参数1、桩径:记录桩身的直径,通常包括设计值和实测值,以检查是否符合设计要求。
2、桩长:包括设计长度和实际成孔长度,这是衡量桩身承载能力的重要参数。
3、桩位偏差:测量桩位相对于设计位置的偏差,确保桩位的准确性。
三、护壁情况1、护壁材料:记录所使用的护壁材料,如混凝土、钢筋等。
2、护壁厚度:检查护壁的厚度是否符合设计要求,这关系到桩孔的稳定性和安全性。
3、护壁质量:观察护壁是否有裂缝、剥落等缺陷。
四、桩身钢筋1、钢筋规格:记录所使用钢筋的型号和规格。
2、钢筋数量:检查钢筋的数量是否与设计相符。
3、钢筋连接方式:如焊接、绑扎等,检查连接质量是否合格。
五、桩底情况1、桩底土质:描述桩底的土质类型和状态。
2、桩底标高:测量桩底的实际标高,与设计标高进行对比。
3、桩底清理情况:检查桩底是否清理干净,无杂物和虚土。
六、混凝土灌注1、混凝土强度等级:记录所使用混凝土的强度等级。
2、混凝土坍落度:检查混凝土的坍落度是否符合施工要求。
3、灌注量:记录实际灌注的混凝土量,与理论计算量进行对比。
七、检测结果1、桩身完整性检测:如低应变检测、超声波检测等,记录检测结果是否合格。
2、承载力检测:通过静载试验等方法检测桩的承载力,判断是否满足设计要求。
八、验收结论由验收人员根据以上各项的检查结果,给出明确的验收结论,如合格、不合格或需要整改等。
在填写人工挖孔桩验收表格时,需要注意以下几点:1、数据的准确性:所有测量和记录的数据必须准确无误,避免因误差导致验收结果不准确。
桩基隐蔽工程验收记录表工程名称:荔波县漳江大桥危桥改造工程桩号:开挖日期:年月日浇注日期:年月日成孔日期:年月日竣工日期:年月日验收日期:年月日护壁:时间深度土质水备注杂填土硬塑粉质粘土泥质砂岩强风化泥质砂岩中等风化验收记录桩孔简图Hh1h2h3h4标高桩顶孔底钢筋笼长:砼深:入岩深h5:砼标号:C30建设单位施工单位勘察设计单位监理单位工程名称:中冶·黄石公园(一期)A组团4#楼墩基工程桩型:人工挖孔墩桩号:2#开挖日期:2021年5月8 日浇注日期:2021年 6 月 2 日成孔日期:2021年5月13日竣工日期:2021年 6 月 2 日验收日期:2021年6月1 日护壁:钢筋砼护壁时间深度土质水备注杂填土无硬塑粉质粘土无泥质砂岩强风化无泥质砂岩中等风化无验收记录d 0.80 m桩孔简图D 0.80 mH 5.9 mh1 5.9 mh20.00 mh30.20 mh40.20 m标高桩顶孔底m钢筋笼长:砼深:入岩深h5:砼标号:C25建设单位施工单位勘察设计单位监理单位工程名称:中冶·黄石公园(一期)A组团4#楼墩基工程桩型:人工挖孔墩桩号:3#开挖日期:2021年5月8 日浇注日期:2021年 6 月 2 日成孔日期:2021年5月13日竣工日期:2021年 6 月 2 日验收日期:2021年6月1 日护壁:钢筋砼护壁时间深度土质水备注杂填土无硬塑粉质粘土无泥质砂岩强风化无泥质砂岩中等风化无验收记录d 0.80 m桩孔简图D 0.80 mH 4.9 mh1 4.9 mh20.00 mh30.20 mh40.20 m标高桩顶孔底m钢筋笼长:砼深:入岩深h5:砼标号:C25建设单位施工单位勘察设计单位监理单位工程名称:中冶·黄石公园(一期)A组团4#楼墩基工程桩型:人工挖孔墩桩号:4#开挖日期:2021年5月8 日浇注日期:2021年 6 月 2 日成孔日期:2021年5月13日竣工日期:2021年 6 月 2 日验收日期:2021年6月1 日护壁:钢筋砼护壁时间深度土质水备注杂填土无硬塑粉质粘土无泥质砂岩强风化无泥质砂岩中等风化无验收记录d 0.80 m桩孔简图D 0.80 mH 5.7 mh1 5.7 mh20.00 mh30.20 mh40.20 m标高桩顶孔底m钢筋笼长:砼深:入岩深h5:砼标号:C25建设单位施工单位勘察设计单位监理单位工程名称:中冶·黄石公园(一期)A组团4#楼墩基工程桩型:人工挖孔墩桩号:5#开挖日期:2021年5月8 日浇注日期:2021年 6 月 2 日成孔日期:2021年5月13日竣工日期:2021年 6 月 2 日验收日期:2021年6月1 日护壁:钢筋砼护壁时间深度土质水备注杂填土无硬塑粉质粘土无泥质砂岩强风化有泥质砂岩中等风化有验收记录d 0.80 m桩孔简图D 0.80 mH 6.2 mh1 6.2 mh20.00 mh30.20 mh40.20 m标高桩顶孔底m钢筋笼长:砼深:入岩深h5:砼标号:C25建设单位施工单位勘察设计单位监理单位工程名称:中冶·黄石公园(一期)A组团4#楼墩基工程桩型:人工挖孔墩桩号:6#开挖日期:2021年5月8 日浇注日期:2021年 6 月 2 日成孔日期:2021年5月13日竣工日期:2021年 6 月 2 日验收日期:2021年6月1 日护壁:钢筋砼护壁时间深度土质水备注杂填土无硬塑粉质粘土无泥质砂岩强风化有泥质砂岩中等风化有验收记录d 0.80 m桩孔简图D 0.90 mH 5.5 mh1 5.5 mh20.10 mh30.20 mh40.20 m标高桩顶孔底m钢筋笼长:砼深:入岩深h5:砼标号:C25建设单位施工单位勘察设计单位监理单位工程名称:中冶·黄石公园(一期)A组团4#楼墩基工程桩型:人工挖孔墩桩号:7#开挖日期:2021年5月8 日浇注日期:2021年 6 月 2 日成孔日期:2021年5月13日竣工日期:2021年 6 月 2 日验收日期:2021年6月1 日护壁:钢筋砼护壁时间深度土质水备注杂填土无硬塑粉质粘土无泥质砂岩强风化有泥质砂岩中等风化有验收记录d 0.80 m桩孔简图D 0.90 mH 6.5 mh1 6.5 mh20.10 mh30.20 mh40.20 m标高桩顶孔底m钢筋笼长:砼深:入岩深h5:砼标号:C25建设单位施工单位勘察设计单位监理单位工程名称:中冶·黄石公园(一期)A组团4#楼墩基工程桩型:人工挖孔墩桩号:8#开挖日期:2021年5月8 日浇注日期:2021年 6 月 2 日成孔日期:2021年5月13日竣工日期:2021年 6 月 2 日验收日期:2021年6月1 日护壁:钢筋砼护壁时间深度土质水备注杂填土无硬塑粉质粘土无泥质砂岩强风化有泥质砂岩中等风化有验收记录d 0.80 m桩孔简图D 0.80 mH 5.9 mh1 5.9 mh20.00 mh30.20 mh40.20 m标高桩顶孔底m钢筋笼长:砼深:入岩深h5:砼标号:C25建设单位施工单位勘察设计单位监理单位工程名称:中冶·黄石公园(一期)A组团4#楼墩基工程桩型:人工挖孔墩桩号:9#开挖日期:2021年5月8 日浇注日期:2021年 6 月 2 日成孔日期:2021年5月13日竣工日期:2021年 6 月 2 日验收日期:2021年6月1 日护壁:钢筋砼护壁时间深度土质水备注杂填土无淤泥质土无可塑粉质粘土无泥质砂岩强风化有泥质砂岩中等风化有验收记录d 0.80 m桩孔简图D 0.80 mH 6.0 mh1 6.0 mh20.00 mh30.20 mh40.20 m标高桩顶孔底m钢筋笼长:砼深:入岩深h5:砼标号:C25建设单位施工单位勘察设计单位监理单位工程名称:中冶·黄石公园(一期)A组团4#楼墩基工程桩型:人工挖孔墩桩号:10#开挖日期:2021年5月8 日浇注日期:2021年 6 月 2 日成孔日期:2021年5月13日竣工日期:2021年 6 月 2 日验收日期:2021年6月1 日护壁:钢筋砼护壁时间深度土质水备注杂填土无淤泥质土无可塑粉质粘土无泥质砂岩强风化有泥质砂岩中等风化有验收记录d 0.80 m桩孔简图D 0.80 mH 6.9 mh1 6.9 mh20.00 mh30.20 mh40.20 m标高桩顶孔底m钢筋笼长:砼深:入岩深h5:砼标号:C25建设单位施工单位勘察设计单位监理单位工程名称:中冶·黄石公园(一期)A组团4#楼墩基工程桩型:人工挖孔墩桩号:11#开挖日期:2021年5月8 日浇注日期:2021年 6 月 2 日成孔日期:2021年5月13日竣工日期:2021年 6 月 2 日验收日期:2021年6月1 日护壁:钢筋砼护壁时间深度土质水备注杂填土无淤泥质土无可塑粉质粘土无泥质砂岩强风化有泥质砂岩中等风化有验收记录d 0.80 m桩孔简图D 0.80 mH 6.8 mh1 6.8 mh20.00 mh30.20 mh40.20 m标高桩顶孔底m钢筋笼长:砼深:入岩深h5:砼标号:C25建设单位施工单位勘察设计单位监理单位工程名称:中冶·黄石公园(一期)A组团4#楼墩基工程桩型:人工挖孔墩桩号:12#开挖日期:2021年5月8 日浇注日期:2021年 6 月 2 日成孔日期:2021年5月13日竣工日期:2021年 6 月 2 日验收日期:2021年6月1 日护壁:钢筋砼护壁时间深度土质水备注杂填土无淤泥质土无可塑粉质粘土无泥质砂岩强风化有泥质砂岩中等风化有验收记录d 0.80 m桩孔简图D 0.80 mH 8.0 mh17.9 mh20.00 mh30.20 mh40.20 m标高桩顶孔底m钢筋笼长:砼深:入岩深h5:砼标号:C25建设单位施工单位勘察设计单位监理单位工程名称:中冶·黄石公园(一期)A组团4#楼墩基工程桩型:人工挖孔墩桩号:13#开挖日期:2021年5月8 日浇注日期:2021年 6 月 2 日成孔日期:2021年5月13日竣工日期:2021年 6 月 2 日验收日期:2021年6月1 日护壁:钢筋砼护壁时间深度土质水备注杂填土无淤泥质土无可塑粉质粘土无泥质砂岩强风化有泥质砂岩中等风化有验收记录d 0.80 m桩孔简图D 0.90 mH 6.3 mh1 6.3 mh20.10 mh30.20 mh40.20 m标高桩顶孔底m钢筋笼长:砼深:入岩深h5:砼标号:C25建设单位施工单位勘察设计单位监理单位工程名称:中冶·黄石公园(一期)A组团4#楼墩基工程桩型:人工挖孔墩桩号:14#开挖日期:2021年5月8 日浇注日期:2021年 6 月 2 日成孔日期:2021年5月13日竣工日期:2021年 6 月 2 日验收日期:2021年6月1 日护壁:钢筋砼护壁时间深度土质水备注杂填土无淤泥质土无可塑粉质粘土无泥质砂岩强风化有泥质砂岩中等风化有验收记录d 0.80 m桩孔简图D 0.90 mH 6.3 mh1 6.3 mh20.10 mh30.20 mh40.20 m标高桩顶孔底m钢筋笼长:砼深:入岩深h5:砼标号:C25建设单位施工单位勘察设计单位监理单位工程名称:中冶·黄石公园(一期)A组团4#楼墩基工程桩型:人工挖孔墩桩号:15#开挖日期:2021年5月8 日浇注日期:2021年 6 月 2 日成孔日期:2021年5月13日竣工日期:2021年 6 月 2 日验收日期:2021年6月1 日护壁:钢筋砼护壁时间深度土质水备注杂填土无淤泥质土无可塑粉质粘土无泥质砂岩强风化有泥质砂岩中等风化有验收记录d 0.80 m桩孔简图D 0.80 mH 7.0 mh1 6.9 mh20.00 mh30.20 mh40.20 m标高桩顶孔底m钢筋笼长:砼深:入岩深h5:砼标号:C25建设单位施工单位勘察设计单位监理单位工程名称:中冶·黄石公园(一期)A组团4#楼墩基工程桩型:人工挖孔墩桩号:16#开挖日期:2021年5月8 日浇注日期:2021年 6 月 2 日成孔日期:2021年5月13日竣工日期:2021年 6 月 2 日验收日期:2021年6月1 日护壁:钢筋砼护壁时间深度土质水备注杂填土无淤泥质土无可塑粉质粘土无泥质砂岩强风化有泥质砂岩中等风化有验收记录d 0.80 m桩孔简图D 0.80 mH 6.7 mh1 6.7 mh20.00 mh30.20 mh40.20 m标高桩顶孔底m钢筋笼长:砼深:入岩深h5:砼标号:C25建设单位施工单位勘察设计单位监理单位工程名称:中冶·黄石公园(一期)A组团4#楼墩基工程桩型:人工挖孔墩桩号:17#开挖日期:2021年5月8 日浇注日期:2021年 6 月 2 日成孔日期:2021年5月13日竣工日期:2021年 6 月 2 日验收日期:2021年6月1 日护壁:钢筋砼护壁时间深度土质水备注杂填土无淤泥质土无可塑粉质粘土无泥质砂岩强风化有泥质砂岩中等风化有验收记录d 0.80 m桩孔简图D 0.90 mH 7.1 mh17.1 mh20.10 mh30.20 mh40.20 m标高桩顶孔底m钢筋笼长:砼深:入岩深h5:砼标号:C25建设单位施工单位勘察设计单位监理单位工程名称:中冶·黄石公园(一期)A组团4#楼墩基工程桩型:人工挖孔墩桩号:18#开挖日期:2021年5月8 日浇注日期:2021年 6 月 2 日成孔日期:2021年5月13日竣工日期:2021年 6 月 2 日验收日期:2021年6月1 日护壁:钢筋砼护壁时间深度土质水备注杂填土无淤泥质土无可塑粉质粘土无泥质砂岩强风化有泥质砂岩中等风化有验收记录d 0.80 m桩孔简图D 0.80 mH 7.2 mh17.2 mh20.00 mh30.20 mh40.20 m标高桩顶孔底m钢筋笼长:砼深:入岩深h5:砼标号:C25建设单位施工单位勘察设计单位监理单位工程名称:中冶·黄石公园(一期)A组团4#楼墩基工程桩型:人工挖孔墩桩号:19#开挖日期:2021年5月8 日浇注日期:2021年 6 月 2 日成孔日期:2021年5月13日竣工日期:2021年 6 月 2 日验收日期:2021年6月1 日护壁:钢筋砼护壁时间深度土质水备注杂填土无淤泥质土无可塑粉质粘土无泥质砂岩强风化有泥质砂岩中等风化有验收记录d 0.80 m桩孔简图D 0.80 mH 7.2 mh17.1 mh20.00 mh30.20 mh40.20 m标高桩顶孔底m钢筋笼长:砼深:入岩深h5:砼标号:C25建设单位施工单位勘察设计单位监理单位工程名称:中冶·黄石公园(一期)A组团4#楼墩基工程桩型:人工挖孔墩桩号:20#开挖日期:2021年5月8 日浇注日期:2021年 6 月 2 日成孔日期:2021年5月13日竣工日期:2021年 6 月 2 日验收日期:2021年6月1 日护壁:钢筋砼护壁时间深度土质水备注杂填土无淤泥质土无可塑粉质粘土无泥质砂岩强风化有泥质砂岩中等风化有验收记录d 0.80 m桩孔简图D 0.80 mH 7.3 mh17.0 mh20.00 mh30.20 mh40.20 m标高桩顶孔底m钢筋笼长:砼深:入岩深h5:砼标号:C25建设单位施工单位勘察设计单位监理单位工程名称:中冶·黄石公园(一期)A组团4#楼墩基工程桩型:人工挖孔墩桩号:21#开挖日期:2021年5月8 日浇注日期:2021年 6 月 2 日成孔日期:2021年5月13日竣工日期:2021年 6 月 2 日验收日期:2021年6月1 日护壁:钢筋砼护壁时间深度土质水备注杂填土无淤泥质土无可塑粉质粘土无泥质砂岩强风化有泥质砂岩中等风化有验收记录d 0.80 m桩孔简图D 0.80 mH 8.7 mh18.5 mh20.00 mh30.20 mh40.20 m标高桩顶孔底m钢筋笼长:砼深:入岩深h5:砼标号:C25建设单位施工单位勘察设计单位监理单位工程名称:中冶·黄石公园(一期)A组团4#楼墩基工程桩型:人工挖孔墩桩号:22#开挖日期:2021年5月11 日浇注日期:2021年 6 月 2 日成孔日期:2021年5月16日竣工日期:2021年 6 月 2 日验收日期:2021年6月1 日护壁:钢筋砼护壁时间深度土质水备注杂填土无淤泥质土无可塑粉质粘土无泥质砂岩强风化有泥质砂岩中等风化有验收记录d 0.80 m桩孔简图D 0.80 mH 7.0 mh17.0 mh20.00 mh30.20 mh40.20 m标高桩顶孔底m钢筋笼长:砼深:入岩深h5:砼标号:C25建设单位施工单位勘察设计单位监理单位工程名称:中冶·黄石公园(一期)A组团4#楼墩基工程桩型:人工挖孔墩桩号:23#开挖日期:2021年5月11 日浇注日期:2021年 6 月 2 日成孔日期:2021年5月16日竣工日期:2021年 6 月 2 日验收日期:2021年6月1 日护壁:钢筋砼护壁时间深度土质水备注杂填土无淤泥质土无可塑粉质粘土无泥质砂岩强风化有泥质砂岩中等风化有验收记录d 0.80 m桩孔简图D 0.80 mH 7.6 mh17.5 mh20.00 mh30.20 mh40.20 m标高桩顶孔底m钢筋笼长:砼深:入岩深h5:砼标号:C25建设单位施工单位勘察设计单位监理单位工程名称:中冶·黄石公园(一期)A组团4#楼墩基工程桩型:人工挖孔墩桩号:24#开挖日期:2021年5月11 日浇注日期:2021年 6 月 2 日成孔日期:2021年5月16日竣工日期:2021年 6 月 2 日验收日期:2021年6月1 日护壁:钢筋砼护壁时间深度土质水备注杂填土无淤泥质土无可塑粉质粘土无泥质砂岩强风化有泥质砂岩中等风化有验收记录d 0.80 m桩孔简图D 0.80 mH 10.5 mh110.5 mh20.00 mh30.20 mh40.20 m标高桩顶孔底m钢筋笼长:砼深:入岩深h5:砼标号:C25建设单位施工单位勘察设计单位监理单位工程名称:中冶·黄石公园(一期)A组团4#楼墩基工程桩型:人工挖孔墩桩号:25#开挖日期:2021年5月11 日浇注日期:2021年 6 月 2 日成孔日期:2021年5月16日竣工日期:2021年 6 月 2 日验收日期:2021年6月1 日护壁:钢筋砼护壁时间深度土质水备注杂填土无淤泥质土无可塑粉质粘土无泥质砂岩强风化有泥质砂岩中等风化有验收记录d 0.80 m桩孔简图D 0.80 mH 11.8 mh111.8 mh20.00 mh30.20 mh40.20 m标高桩顶孔底m钢筋笼长:砼深:入岩深h5:砼标号:C25建设单位施工单位勘察设计单位监理单位工程名称:中冶·黄石公园(一期)A组团4#楼墩基工程桩型:人工挖孔墩桩号:26#开挖日期:2021年5月11 日浇注日期:2021年 6 月 2 日成孔日期:2021年5月16日竣工日期:2021年 6 月 2 日验收日期:2021年6月1 日护壁:钢筋砼护壁时间深度土质水备注杂填土无淤泥质土无可塑粉质粘土无泥质砂岩强风化有泥质砂岩中等风化有验收记录d 0.80 m桩孔简图D 0.80 mH 10.2 mh110.0 mh20.00 mh30.20 mh40.20 m标高桩顶孔底m钢筋笼长:砼深:入岩深h5:砼标号:C25建设单位施工单位勘察设计单位监理单位工程名称:中冶·黄石公园(一期)A组团4#楼墩基工程桩型:人工挖孔墩桩号:27#开挖日期:2021年5月11 日浇注日期:2021年 6 月 2 日成孔日期:2021年5月16日竣工日期:2021年 6 月 2 日验收日期:2021年6月1 日护壁:钢筋砼护壁时间深度土质水备注杂填土无淤泥质土无可塑粉质粘土无泥质砂岩强风化有泥质砂岩中等风化有验收记录d 0.80 m桩孔简图D 0.90 mH 9.7 mh19.7 mh20.10 mh30.20 mh40.20 m标高桩顶孔底m钢筋笼长:砼深:入岩深h5:砼标号:C25建设单位施工单位勘察设计单位监理单位工程名称:中冶·黄石公园(一期)A组团4#楼墩基工程桩型:人工挖孔墩桩号:28#开挖日期:2021年5月11 日浇注日期:2021年 6 月 2 日成孔日期:2021年5月16日竣工日期:2021年 6 月 2 日验收日期:2021年6月1 日护壁:钢筋砼护壁时间深度土质水备注杂填土无淤泥质土无可塑粉质粘土无泥质砂岩强风化有泥质砂岩中等风化有验收记录d 0.80 m桩孔简图D 0.90 mH 9.8 mh19.7 mh20.10 mh30.20 mh40.20 m标高桩顶孔底m钢筋笼长:砼深:入岩深h5:砼标号:C25建设单位施工单位勘察设计单位监理单位工程名称:中冶·黄石公园(一期)A组团4#楼墩基工程桩型:人工挖孔墩桩号:29#开挖日期:2021年5月11 日浇注日期:2021年 6 月 2 日成孔日期:2021年5月16日竣工日期:2021年 6 月 2 日验收日期:2021年6月1 日护壁:钢筋砼护壁时间深度土质水备注杂填土无流砂质土无淤泥质土无泥质砂岩强风化有泥质砂岩中等风化有验收记录d 0.80 m桩孔简图D 0.80 mH 6.9 mh1 6.6 mh20.00 mh30.20 mh40.20 m标高桩顶孔底m钢筋笼长:砼深:入岩深h5:砼标号:C25建设单位施工单位勘察设计单位监理单位工程名称:中冶·黄石公园(一期)A组团4#楼墩基工程桩型:人工挖孔墩桩号:30#开挖日期:2021年5月11 日浇注日期:2021年 6 月 2 日成孔日期:2021年5月16日竣工日期:2021年 6 月 2 日验收日期:2021年6月1 日护壁:钢筋砼护壁时间深度土质水备注杂填土无流砂质土无淤泥质土无泥质砂岩强风化有泥质砂岩中等风化有验收记录d 0.80 m桩孔简图D 0.80 mH 7.7 mh17.7 mh20.00 mh30.20 mh40.20 m标高桩顶孔底m钢筋笼长:砼深:入岩深h5:砼标号:C25建设单位施工单位勘察设计单位监理单位工程名称:中冶·黄石公园(一期)A组团4#楼墩基工程桩型:人工挖孔墩桩号:31#开挖日期:2021年5月11 日浇注日期:2021年 6 月 2 日成孔日期:2021年5月16日竣工日期:2021年 6 月 2 日验收日期:2021年6月1 日护壁:钢筋砼护壁时间深度土质水备注杂填土无流砂质土无淤泥质土无泥质砂岩强风化有泥质砂岩中等风化有验收记录d 0.80 m桩孔简图D 0.90 mH 7.9 mh17.9 mh20.10 mh30.20 mh40.20 m标高桩顶孔底m钢筋笼长:砼深:入岩深h5:砼标号:C25建设单位施工单位勘察设计单位监理单位工程名称:中冶·黄石公园(一期)A组团4#楼墩基工程桩型:人工挖孔墩桩号:32#开挖日期:2021年5月11 日浇注日期:2021年 6 月 2 日成孔日期:2021年5月16日竣工日期:2021年 6 月 2 日验收日期:2021年6月1 日护壁:钢筋砼护壁时间深度土质水备注杂填土无流砂质土无淤泥质土无泥质砂岩强风化有泥质砂岩中等风化有验收记录d 0.80 m桩孔简图D 0.90 mH 9.4 mh19.3 mh20.10 mh30.20 mh40.20 m标高桩顶孔底m钢筋笼长:砼深:入岩深h5:砼标号:C25建设单位施工单位勘察设计单位监理单位工程名称:中冶·黄石公园(一期)A组团4#楼墩基工程桩型:人工挖孔墩桩号:33#开挖日期:2021年5月15 日浇注日期:2021年 6 月 2 日成孔日期:2021年5月20 日竣工日期:2021年 6 月 2 日验收日期:2021年6月 1 日护壁:钢筋砼护壁时间深度土质水备注杂填土无淤泥质土无可塑粉质粘土无泥质砂岩强风化有泥质砂岩中等风化有验收记录d 0.80 m桩孔简图D 0.80 mH 11.8 mh110.2 mh20.00 mh30.20 mh40.20 m标高桩顶孔底m钢筋笼长:砼深:入岩深h5:砼标号:C25建设单位施工单位勘察设计单位监理单位工程名称:中冶·黄石公园(一期)A组团4#楼墩基工程桩型:人工挖孔墩桩号:34#开挖日期:2021年5月15 日浇注日期:2021年 6 月 2 日成孔日期:2021年5月20 日竣工日期:2021年 6 月 2 日验收日期:2021年6月 1 日护壁:钢筋砼护壁时间深度土质水备注杂填土无流砂质土无淤泥质土无泥质砂岩强风化有泥质砂岩中等风化有验收记录d 0.80 m桩孔简图D 0.80 mH 9.8 mh19.4 mh20.00 mh30.20 mh40.20 m标高桩顶孔底m钢筋笼长:砼深:入岩深h5:砼标号:C25建设单位施工单位勘察设计单位监理单位工程名称:中冶·黄石公园(一期)A组团4#楼墩基工程桩型:人工挖孔墩桩号:35#开挖日期:2021年5月15 日浇注日期:2021年 6 月 2 日成孔日期:2021年5月20 日竣工日期:2021年 6 月 2 日验收日期:2021年6月 1 日护壁:钢筋砼护壁时间深度土质水备注杂填土无流砂质土无淤泥质土无泥质砂岩强风化有泥质砂岩中等风化有验收记录d 0.80 m桩孔简图D 0.80 mH 9.6 mh19.4 mh20.00 mh30.20 mh40.20 m标高桩顶孔底m钢筋笼长:砼深:入岩深h5:砼标号:C25建设单位施工单位勘察设计单位监理单位工程名称:中冶·黄石公园(一期)A组团4#楼墩基工程桩型:人工挖孔墩桩号:36#开挖日期:2021年5月15 日浇注日期:2021年 6 月 2 日成孔日期:2021年5月20 日竣工日期:2021年 6 月 2 日验收日期:2021年6月 1 日护壁:钢筋砼护壁时间深度土质水备注杂填土无流砂质土无淤泥质土无泥质砂岩强风化有泥质砂岩中等风化有验收记录d 0.80 m桩孔简图D 0.90 mH 9.2 mh19.2 mh20.10 mh30.20 mh40.20 m标高桩顶孔底m钢筋笼长:砼深:入岩深h5:砼标号:C25建设单位施工单位勘察设计单位监理单位工程名称:中冶·黄石公园(一期)A组团4#楼墩基工程桩型:人工挖孔墩桩号:37#开挖日期:2021年5月15 日浇注日期:2021年 6 月 2 日成孔日期:2021年5月20 日竣工日期:2021年 6 月 2 日验收日期:2021年6月 1 日护壁:钢筋砼护壁时间深度土质水备注杂填土无流砂质土无淤泥质土无泥质砂岩强风化有泥质砂岩中等风化有验收记录d 0.80 m桩孔简图D 0.80 mH 8.2 mh18.1 mh20.00 mh30.20 mh40.20 m标高桩顶孔底m钢筋笼长:砼深:入岩深h5:砼标号:C25建设单位施工单位勘察设计单位监理单位工程名称:中冶·黄石公园(一期)A组团4#楼墩基工程桩型:人工挖孔墩桩号:38#开挖日期:2021年5月15 日浇注日期:2021年 6 月 2 日成孔日期:2021年5月20 日竣工日期:2021年 6 月 2 日验收日期:2021年6月 1 日护壁:钢筋砼护壁时间深度土质水备注杂填土无流砂质土无淤泥质土无泥质砂岩强风化有泥质砂岩中等风化有验收记录d 0.80 m桩孔简图D 0.80 mH 9.1 mh19.0 mh20.00 mh30.20 mh40.20 m标高桩顶孔底m钢筋笼长:砼深:入岩深h5:砼标号:C25建设单位施工单位勘察设计单位监理单位工程名称:中冶·黄石公园(一期)A组团4#楼墩基工程桩型:人工挖孔墩桩号:39#开挖日期:2021年5月15 日浇注日期:2021年 6 月 2 日成孔日期:2021年5月20 日竣工日期:2021年 6 月 2 日验收日期:2021年6月 1 日护壁:钢筋砼护壁时间深度土质水备注杂填土无流砂质土无淤泥质土无泥质砂岩强风化有泥质砂岩中等风化有验收记录d 0.80 m桩孔简图D 0.80 mH 9.5 mh19.2 mh20.00 mh30.20 mh40.20 m标高桩顶孔底m钢筋笼长:砼深:入岩深h5:砼标号:C25建设单位施工单位勘察设计单位监理单位工程名称:中冶·黄石公园(一期)A组团4#楼墩基工程桩型:人工挖孔墩桩号:40#开挖日期:2021年5月15 日浇注日期:2021年 6 月 2 日成孔日期:2021年5月20 日竣工日期:2021年 6 月 2 日验收日期:2021年6月 1 日护壁:钢筋砼护壁时间深度土质水备注杂填土无流砂质土无淤泥质土无泥质砂岩强风化有泥质砂岩中等风化有验收记录d 0.80 m桩孔简图D 0.90 mH 9.1 mh18.9 mh20.10 mh30.20 mh40.20 m标高桩顶孔底m钢筋笼长:砼深:入岩深h5:砼标号:C25建设单位施工单位勘察设计单位监理单位工程名称:中冶·黄石公园(一期)A组团4#楼墩基工程桩型:人工挖孔墩桩号:41#开挖日期:2021年5月15 日浇注日期:2021年 6 月 2 日成孔日期:2021年5月20 日竣工日期:2021年 6 月 2 日验收日期:2021年6月 1 日护壁:钢筋砼护壁时间深度土质水备注杂填土无流砂质土无淤泥质土无泥质砂岩强风化有泥质砂岩中等风化有验收记录d 0.80 m桩孔简图D 0.90 mH 9.5 mh19.4 mh20.10 mh30.20 mh40.20 m标高桩顶孔底m钢筋笼长:砼深:入岩深h5:砼标号:C25建设单位施工单位勘察设计单位监理单位工程名称:中冶·黄石公园(一期)A组团4#楼墩基工程桩型:人工挖孔墩桩号:42#开挖日期:2021年5月15 日浇注日期:2021年 6 月 2 日成孔日期:2021年5月20 日竣工日期:2021年 6 月 2 日验收日期:2021年6月 1 日护壁:钢筋砼护壁时间深度土质水备注杂填土无流砂质土无淤泥质土无泥质砂岩强风化有泥质砂岩中等风化有验收记录d 0.80 m桩孔简图D 0.80 mH 9.1 mh19.0 mh20.00 mh30.20 mh40.20 m标高桩顶孔底m钢筋笼长:砼深:入岩深h5:砼标号:C25建设单位施工单位勘察设计单位监理单位工程名称:中冶·黄石公园(一期)A组团4#楼墩基工程桩型:人工挖孔墩桩号:43#开挖日期:2021年5月15 日浇注日期:2021年 6 月 2 日成孔日期:2021年5月20 日竣工日期:2021年 6 月 2 日验收日期:2021年6月 1 日护壁:钢筋砼护壁时间深度土质水备注杂填土无流砂质土无淤泥质土无泥质砂岩强风化有泥质砂岩中等风化有验收记录d 0.80 m桩孔简图D 0.80 mH 9.7 mh19.7 mh20.00 mh30.20 mh40.20 m标高桩顶孔底m钢筋笼长:砼深:入岩深h5:砼标号:C25建设单位施工单位勘察设计单位监理单位工程名称:中冶·黄石公园(一期)A组团4#楼墩基工程桩型:人工挖孔墩桩号:44#开挖日期:2021年5月15 日浇注日期:2021年 6 月 2 日成孔日期:2021年5月20 日竣工日期:2021年 6 月 2 日验收日期:2021年6月 1 日护壁:钢筋砼护壁时间深度土质水备注杂填土无流砂质土无淤泥质土无泥质砂岩强风化有泥质砂岩中等风化有验收记录d 0.80 m桩孔简图D 0.90 mH 9.4 mh19.4 mh20.10 mh30.20 mh40.20 m标高桩顶孔底m钢筋笼长:砼深:入岩深h5:砼标号:C25建设单位施工单位勘察设计单位监理单位工程名称:中冶·黄石公园(一期)A组团4#楼墩基工程桩型:人工挖孔墩桩号:45#开挖日期:2021年5月15 日浇注日期:2021年 6 月 2 日成孔日期:2021年5月20 日竣工日期:2021年 6 月 2 日验收日期:2021年6月 1 日护壁:钢筋砼护壁时间深度土质水备注杂填土无流砂质土无淤泥质土无泥质砂岩强风化有泥质砂岩中等风化有验收记录d 0.80 m桩孔简图D 0.90 mH 8.9 mh18.7 mh20.10 mh30.20 mh40.20 m标高桩顶孔底m钢筋笼长:砼深:入岩深h5:砼标号:C25建设单位施工单位勘察设计单位监理单位工程名称:中冶·黄石公园(一期)A组团4#楼墩基工程桩型:人工挖孔墩桩号:46#开挖日期:2021年5月18 日浇注日期:2021年 6 月 2 日成孔日期:2021年5月23 日竣工日期:2021年 6 月 2 日验收日期:2021年6月 1 日护壁:钢筋砼护壁时间深度土质水备注杂填土无流砂质土无淤泥质土无泥质砂岩强风化有泥质砂岩中等风化有验收记录d 0.80 m桩孔简图D 0.80 mH 8.8 mh18.2 mh20.00 mh30.20 mh40.20 m标高桩顶孔底m钢筋笼长:砼深:入岩深h5:砼标号:C25建设单位施工单位勘察设计单位监理单位。
8@100(1500)/138@100(1500)/138@100(1500)/138@100(1500)/138@100(1500)/138@100(1500)/138@100(1500)/138@100(1500)/138@100(1500)/138@100(1500)/138@100(1500)/138@100(1500)/138@100(1500)/138@100(1500)/138@100(1500)/138@100(1500)/138@100(1500)/138@100(1500)/138@100(1500)/138@100(1500)/138@100(1500)/138@100(1500)/138@100(1500)/138@100(1500)/138@100(1500)/138@100(1500)/138@100(1500)/138@100(1500)/138@100(1500)/138@100(1500)/138@100(1500)/138@100(1500)/138@100(1500)/138@100(1500)/138@100(1500)/138@100(1500)/138@100(1500)/13人工挖孔桩灌注桩单桩施工记录工程名称:建设单位:8@100(1500)/13人工挖孔桩灌注桩单桩施工记录工程名称:建设单位:8@100(1500)/13人工挖孔桩灌注桩单桩施工记录工程名称:建设单位:8@100(1500)/13人工挖孔桩灌注桩单桩施工记录工程名称:建设单位:8@100(1500)/13人工挖孔桩灌注桩单桩施工记录工程名称:建设单位:8@100(1500)/13人工挖孔桩灌注桩单桩施工记录工程名称:建设单位:8@100(1500)/13人工挖孔桩灌注桩单桩施工记录工程名称:建设单位:8@100(1500)/13人工挖孔桩灌注桩单桩施工记录工程名称:建设单位:8@100(1500)/13人工挖孔桩灌注桩单桩施工记录工程名称:建设单位:8@100(1500)/13人工挖孔桩灌注桩单桩施工记录工程名称:建设单位:8@100(1500)/13人工挖孔桩灌注桩单桩施工记录工程名称:建设单位:8@100(1500)/13人工挖孔桩灌注桩单桩施工记录工程名称:建设单位:8@100(1500)/13人工挖孔桩灌注桩单桩施工记录工程名称:建设单位:8@100(1500)/13。