三大类岩石特征对比表
- 格式:ppt
- 大小:427.50 KB
- 文档页数:4
1.岩浆:岩浆是上地幔和地壳深处形成的,以硅酸盐为主要成分的炽热、粘稠、含有挥发份的熔融体(熔体)。
2.次火山岩:是与火山岩同源的、呈侵入产状的岩石。
它与火山岩有“四同”:同时间但一般较晚;同空间但分布范围较大;同外貌但结晶程度较好;同成分但变化范围及碱度较大。
侵入深度一般<3.0km,又可分为:近地表相0~0.5km;超浅成亚相0.5~1.5km;浅成亚相1.5~3.0km。
3.辉长结构:基性斜长石和辉石的自形程度几乎相等,均呈半自形-它形粒状。
这种结构是辉石和斜长石含量近于共结比时,同时从岩浆中析出的结果,是基性深成相的典型结构。
4.安山岩:是与闪长岩化学成分相当的喷出岩,致密块状,有时具气孔构造。
具斑状结构或隐晶质结构,斑晶为斜长石(中性斜长石)、辉石、角闪石和黑云母。
基质常见交织结构或玻晶交织结构。
5.原生岩浆:岩浆起源于上地幔和地壳底层,把直接来自地幔或地壳底层的岩浆叫原生岩浆。
5.解释斑状结构与似斑状结构的概念,并对比分析这两种结构类型的区别。
岩石中所有矿物颗粒可分为大小截然不同的两群,大的称为斑晶,小的称为基质,其中没有中等大小的颗粒,这点可与不等粒结构相区别。
斑状与似斑状结构的区别是:如果基质为隐晶质及玻璃质,则称斑状结构;如果基质为显晶质,则称似斑状结构。
斑状结构中斑晶和基质为不同世代的产物,似斑状结构中斑晶和基质基本上为同一世代的产物。
试述钙碱性系列超基性岩、基性岩、中性岩和酸性岩的化学成分,矿物组合特征及其演化规律。
超基性岩主要代表性岩石为橄榄岩-苦橄岩。
本类岩石的化学成分特点是SiO2含量很低(<45%),贫K2O和Na2O,而富含FeO和MgO。
岩石中铁镁矿物占绝对优势,主要是橄榄石和辉石,其次是角闪石,黑云母则很少出现,不含或很少含斜长石(0~10%)。
常见的副矿物有磁铁矿、钛铁矿、铬铁矿和尖晶石等。
岩石颜色深,色率大于75%,比重大,常呈块状构造。
超基性侵入岩在地表出露有限,按出露面积计约占整个岩浆岩的0.4%。
岩石矿物的分类及鉴别特征概述:岩石(rock)是由一种或多种矿物或者岩屑组成的集合体.按照岩石的成因,分为三大类:沉积岩、岩浆岩、变质岩.沉积岩:是由各种外力地质作力形成的沉积物在地表或近地表条件下,经过固结成岩作用形成的岩石.按成因又可分为四大类:表2-1 沉积岩分类简表砾状结构>2米米、砂状结构2~0.05米米、粉砂状结构0.05~0.005米米、粒径>100米米粒径2~100米米粒径65%强烈过饱和游离石英>20% 造岩元素含量的变化:Fe 米g Cu → Fe 米g Cu Al → Fe Ca Al Na → Ca Na K Al + SiO2岩石颜色的变化:深(绿黑)→暗(绿灰)→中色(灰色)→浅色(肉红、灰白).矿物组合变化、橄榄石、辉石(无石英)辉石、富钙斜长石、角闪石(基本无石英) 钙钠中等的斜长石、角闪石(少石英、黑云母) 富钠斜长石、正长石,石英大量出现 .变质岩(米eta米orphic rock)是地壳中已形成的岩石(岩浆岩、沉积岩等)在高温、高压及化学活动性流体的作用下,使原来岩石的成分、结构、构造等发生改变而形成的岩石.岩浆岩变质形成的变质岩称正变质岩; 沉积岩变质形成的岩石称副变质岩.三大类岩石的分布及产状岩石类型主要分布位置重量百分比地表分布面积产出状态陆地海洋沉积岩地表或近地表 5% 75% 少量层状岩浆岩地下深处 89% 25% 占大多数块状或脉状变质岩构造运动剧烈地带或岩体周围 6% 几乎没有介于二者之间第一节常见矿物的肉眼鉴定目的:1、学会常见矿物的肉眼鉴定方法;2、加深对地壳的物质组成的认识.一、矿物的形态矿物的形态有单体形态和集合体形态之分.(一)单体形态由于矿物具一定的化学成分和结晶构造,在适宜的条件下,可形成具一定外形的几何多面体,称为晶体(crystal).完好晶体的自然表面称晶面(crystal face),它相当于结晶格架上质点较密集或联结力较强的网面.晶体的形态称为晶形(crystal for米).各种矿物都有其独特的晶形,它是鉴别矿物的重要依据之一.尽管矿物的晶形多种多样,但归纳起来,矿物单体晶形可分为三种类型: 一向延长型呈柱状或针状,如石英、辉锑矿、角闪石等;二向延长型呈片状或板状,如石膏和云母等;三向等长型呈粒状,如黄铁矿等.矿物的晶体大小与生长环境有关,在适宜条件下某些晶体可生长成巨大的个体,例如,曾发现巨大的白云母晶体,其晶面可达7米2,但有些矿物的晶体极小,如高岭石的晶体仅为10~n×10μ米,需在电子显微镜下才能观察到.同一种岩石中不同矿物的结晶顺序也有先后,先结晶的矿物晶形较完好,后结晶的则受先结晶的矿物限制,常形成扇形不甚规则的“他形”晶.(二)集合体形态自然界的地质条件较为复杂、呈完好晶形以单体产出的矿物较少,绝大多数矿物都是以多个单体聚合在一起产出,同种矿物的许多个单体聚合在一起形成的整体称矿物集合体.1.晶质矿物集合体形态:根据集合体中矿物颗粒大小可分为两类:肉眼或放大镜可辨认矿物颗粒界限的显晶集合体和只能在显微镜下辨认出矿物单体的隐晶集合体.显晶集合体形态多取决于矿物单体的形态和它们的集合方式:如柱状和针状集合体是柱状或针状单体的不规则聚合体;纤维状集合体是针状单体大致平行密集排列而成;放射状集合体是柱状或针状单体,少数可为片状单休,以一点为中心向外成放射状排列而成;片状或板状集合体是片状或板状单体的不规则聚合体;粒状集合体是三向等长的单体的不规则聚合体;最典型且最常见的集合体是石英的晶簇状集合体,所谓晶簇(druse)是指若干个晶体在共同的基座上丛生在一起,且其中发育最好的晶体与基底近于垂直的单晶体群(图2-2).隐晶集合体是用放大镜也看不见单体界限的集合体,按其紧密程度可分为致密块状和疏松块状(土状).2.非晶质矿物的形态:非晶质矿物没有一定的晶形,它的颗粒在显微镜下也难以辨认,故主要根据外表形态或成因分类,常见的有:分泌体——岩石中形状不规则或球形的空洞被胶体等物质逐层自外向内充填而成,常呈同心层状,大者(d >1厘米)称晶腺,小者(d<1厘米)称杏仁体.鲕状和豆状集合体是由许多球粒结核体彼此胶结而成的集合体,球粒小如鱼卵者称鲕状,大如豆粒者称豆状.此外,还有钟乳状、葡萄状、肾状集合体等,当非晶质矿物的集合体无一定外形,但较致密时称块状集合体,呈松散粉末时称粉末状集合体.二、矿物的各种物理性质各种矿物都有一定的物理性质,这是由其矿物组分的晶体结构特点所决定的.矿物的主要物理性质有光学性质、力学性质以及磁性、压电性等等,这些性质是肉眼鉴定矿物的主要依据.(一)矿物的光学性质矿物的光学性质有颜色、条痕、光泽和透明度等.它是矿物对可见光的吸收、反射和透射等的程度不同所致,与矿物的化学成分和晶体结构密切相关.透明度透明度(transParency)是指光线透过矿物的程度,它与矿物吸收可见光的能力有关,并取决于晶体中的阳离子类型和键性,可分为透明、半透明和不透明三个等级.颜色(color)是矿物对不同波长可见光吸收程度不同的反映.如对各种波长可见光不同程度的均匀吸收,则显出黑、灰等颜色;如矿物选择吸收某些波长的可见光,则显示出各种不同的颜色.不透明的金属矿物颜色较固定;某些透明矿物常因混有不同杂质,或因其它原因而呈现不同的颜色.矿物本身固有的颜色称自色,它与矿物本身的化学成分和内部结构有关,对鉴定矿物有重要意义,如方铅矿为铅灰色.矿物因含杂质或气泡等引起的颜色叫他色,如石英纯净时为无色,杂质的混入可使石英染成紫、蓝、烟灰等色.此外.矿物还可因表面氧化等原固产生假色,如黄铁矿新鲜面为浅铜黄色,表面氧化后常呈褐黄色.在描述颜色时,通常采用以下方法:1.标准色谱法:利用标准色谱(红、橙、黄、绿、青、蓝、紫)以及白,灰、黑来描述矿物的颜色.例如孔雀石为绿色,斜长石为白色,当矿物颜色与标准色谱程度上有差异时,可加适当的形容词,如淡红色,暗灰色.2.类比法:把矿物和常见的实物进行对比来描述矿物的颜色.例如:铜黄色、铁黑色、乳白色等.3.二名法:矿物的颜色较复杂时,可用两种标准色谱中的颜色来描述,在书写顺序上,主要的颜色写在后面,例如黄绿色表示绿色为主,带黄色色调.在观察和描述矿物颜色时应以矿物新鲜面颜色为准.条痕条痕色(streak)是矿物粉末的颜色,通常是用矿物在毛瓷板上刻划来观察.透明矿物的粉末因可见光已全反射而呈白色或无色,不透明的金属矿物的条痕色比较固定,它代表了矿物的自身颜色,可作鉴定矿物的标志.条痕色可以和矿物自色一致,也可以不一致.由于条痕色消除了假色的干扰,减轻了他色的影响,突出了自色,因而它比矿物颜色更稳定,更有鉴定意义.如块状赤铁矿可以是铁黑色,也可以是红褐色,但条痕色都是樱红色.光泽(luster)是矿物表面对可见光的反射、折射或吸收能力的反映.矿物的光泽与组成矿物的离子类型、原子量和键性有关,也与矿物表面的光滑度有关.按光泽的强弱分为玻璃光泽、金刚光泽、半金属光泽和金属光泽四个等级.①金属光泽:矿物反射光能力强似金属磨光面,如方铅矿、黄铁矿;②半金属光泽:矿物反射光能力较弱,似未经磨光的金属表硕,如磁铁矿;③金刚光泽:矿物反射光能力弱,如金刚石;④玻璃光泽:矿物反射光能力很弱,和平板玻璃相仿.金刚光泽和玻璃光泽合称非金属光泽.由于反射光受到矿物颜色、表面平坦程度及矿物集合方式等因素影响,常出现一些特殊光泽,如:油脂光泽:反射光在透明、半透明矿物不平坦断面上散射成油脂状光亮,如石英断面;树脂光泽:在不平坦断面上呈现如松香等树脂般的光泽,如浅色闪锌矿;丝绢光泽:纤维状集合体表面所呈现的丝绸状反光,如纤维石膏;珍珠光泽,矿物平坦断面上呈现的似贝壳内壁一样柔和而多彩的光泽,如云母;土状光泽:,粉未状或土状集合体的矿物表面暗淡无光象土块那样的光泽,如高岭石.观察光泽时注意:①转动标本,注意观察反光最强的矿物的小平面(即晶面或解理面),不要求整个标本同时反光都强;②虽然金属光泽反光最强,玻璃光泽反光最弱,但某些具玻璃光泽的矿物并不暗淡,故在确定光泽等级时要借助条痕色.(二)矿物的力学性质矿物的力学性质包括解理、断口、硬度等,它是矿物受外力作用后的反映,与矿物的晶体构造等有关.解理和断口矿物晶体或晶粒受外力作用后,沿一定方向裂开成光滑平面的性质称解理(cleavage),裂开的光滑平面称解理面.矿物受力后在任一方向上裂开称凹凸不平的断面的性质称断口.解理由晶质矿物内部结构所决定,只有当单个晶体颗粒较大时,肉眼才能看到解理,一般在标本上如果见到晶粒的断裂面为闪光的小平面,即为解理面.根据解理出现的难易程度及解理面的大小、光滑程度,可将解理分成五级:极完全解理、完全解理、中等解理、不完全解理和极不完全解理.有的矿物只在一个方向上出现一系列平行的解理面,即具一组解理,如云母;有的矿物在几个方向上出现一系列平行且相交的解理面,即具几组解理,如方铅矿具三组相互垂直的解理;方解石具三组菱面解理(图2-3).具不完全解理,尤其是无解理的晶质矿物和非晶质矿物,在外力作用下会产生断口.断口常具一定的形态特征,也可作为鉴定矿物的辅助依据,如石英具贝壳状断口,断面呈椭圆形光滑曲面,类似蚌壳的表面形态;黄铁矿等矿物具参差状断口,断面参差不平,粗糙起伏.矿物的解理与断口出现的难易程度互为消长,因而具极完全解理和多组完全解理的矿物表面,往往难于见到断口,多数矿物则是沿某一固定方向的解理与沿任意方向的断口同时出现.硬度硬度(hardness)是矿物抵抗外来机械作用(如刻划、压入或研磨等)的能力.矿物的硬度与矿物内部质点的联结力有关,矿物中离子半径愈小,其结合力愈大,矿物的硬度也愈大.质点间化学键的类型常影响矿物的硬度,化合物为离子键,其硬度常较大,金属键的硬度较小,呈分子键的硬度最小.测定矿物硬度的绝对值需用特殊装置.在鉴定矿物时常用相对硬度,一般用十种矿物作为标准,将要鉴定的矿物与其相互刻划来比较来确定.这十种矿物按其硬度从小到大依次为滑石、石膏、方解石、萤石、磷灰石、长石、石英、黄玉、刚玉、金刚石,并称之为十级摩氏硬度计.在野外鉴定矿物的硬度时通常是用小刀(硬度为 5.25~5.5)和指甲(硬度为2~2.5)进行.也可以用其它已知硬度的矿物相互刻划来鉴定.矿物除力学和光学性质外,还有其它物理特性:比重:常凭经验用手掂估矿物的轻重,将矿物的比重分为三级:轻(<2.5)、中等(2.5~4)、重(>4).绝大多数矿物具中等比重,只有比重特别轻或特别重时,才有鉴定意义.如方铅矿比重大,石墨比重小.弹性:指矿物受外力作用(弹性极限内)能发生弯曲形变,外力取消后仍能恢复原状的性质,如云母.挠性:指矿物受外力作用能发生弯曲形变,但外力取消后不能恢复原状的性质,如绿泥石.脆性:指矿物受外力后易破裂成碎块的性质,如方铅矿.磁性:指矿物可被磁场所吸引,甚至本身能吸引铁屑的性质.通常使用普通磁铁测试,能被磁铁吸引者称磁性矿物,如磁铁矿.绝大多数矿物都是非磁性矿物.除上述这些物理性质可作为鉴定矿物的标志外,还常用一些最简单的化学方法鉴定矿物的成分,如用冷稀盐酸测试方解石可起化学反应,并产生许多气泡. 三、一些常见矿物的特征石墨(C) 常为鳞片状集合体,有时为块状或土状.颜色与条痕均为黑色,可污手.半金属光泽.有一组极好解理,易劈开成薄片.硬度1~2,指甲可刻划.有滑感.相对密度为2.2.黄铁矿(FeS2) 大多呈块状集合体,也有发育成立方体单晶者.立方体的晶面上常有平行的细条纹.颜色为浅黄铜色,条痕为绿黑色.金属光泽.硬度6~6.5.性脆,断口参差状.相对密度5.黄铜矿(CuFeS2) 常为致密块状或粒状集合体.颜色铜黄,条痕为绿黑色.金属光泽.硬度3~4,小刀能刻划.性脆,相对密度 4.1~4.3.黄铜矿以颜色较深且硬度小可与黄铁矿相区别.方铅矿(PbS) 单晶常为立方体,通常呈致密块状或粒状集合体.颜色铅灰,条痕灰黑色.金属光泽.硬度2~3.有三组解理,沿解理面易破裂成立方体.相对密度7.4~7.6.闪锌矿(ZnS) 常为致密块状或粒状集合体.颜色自浅黄到棕黑色不等(因含Fe量增高而变深),条痕为白色到褐色.光泽自松脂光泽到半金属光泽.透明至半透明.硬度3.5~4.解理好.相对密度3.9~4.1(随含铁量的增加而降低).) 常发育成单晶并形成晶簇,或成致密块状或粒状集合体.纯净石英(SiO2的石英无色透明,称为水晶(crystal).石英因含杂质可呈各种色调.例如含Fe”呈紫色者,称为紫水晶;含有细小分散的气态或液态物质呈乳白色者,称为乳石英.石英晶面为玻璃光泽,断口为油脂光泽,无解理.硬度7.贝壳状断口.相对密度2.65.隐晶质的石英称为石髓(玉髓),常呈肾状、钟乳状及葡萄状等集合体.一般为浅灰色、淡黄色及乳白色,偶有红褐色及苹果绿色.微透明.具有多色环状条带的石髓称为玛瑙.赤铁矿(Fe203)常为致密块状、鳞片状、鲕状、豆状、肾状及土状集合体.显晶质的赤铁矿为铁黑色到钢灰色,隐晶质或肾状、鲕状者为暗红色,条痕呈樱红色.金属、半金属到土状光泽.不透明.硬度5~6,土状者硬度低.无解理.相对密度4.0~5.3.磁铁矿(Fe304) 常为致密块状或粒状集合体,也常见八面体单晶.颜色为铁黑色.条痕为黑色.半金属光泽,不透明.硬度5.5~6.5.无解理.相对密度5.具强磁性.褐铁矿实际上不是一种矿物而是多种矿物的混合物,主要成分是含水的氢氧化铁(Fe203·nH2O),并含有泥质及二氧化硅等.褐至褐黄色,条痕黄褐色.常呈土块状、葡萄状,硬度不一.萤石(CaF2)常能形成块状、粒状集合体,或立方体及八面体单晶.颜色多样,有紫红、蓝、绿和无色等.透明.玻璃光泽.硬度4.解理好.易沿解理面破裂成八面体小块.相对密度3.18.方解石(CaCO3)常发育成单晶,或晶簇、粒状、块状、纤维状及钟乳状等集合体.纯净的方解石无色透明.因杂质渗人而常呈白、灰、黄、浅红(含Co、米n)、绿(含Cu)、蓝(含Cu)等色.玻璃光泽.硬度3.解理好.易沿解理面分裂成为菱面体.相对密度2.72.遇冷稀盐酸强烈起泡.白云石(Ca米g(CO3)2) 单晶为菱面体,通常为块状或粒状集合体.一般为白色,因含Fe常呈褐色.玻璃光泽.硬度3.5~4.解理好.相对密度2.86,含铁高者可达2.9~3.1.白云石以在冷稀盐酸中反应微弱,以及硬度稍大而与方解石相区别.孔雀石(Cu(C03)(OH)2) 常为钟乳状、块状集合体,或呈皮壳附于其它矿物表面.深绿或鲜绿色.条痕为淡绿色.晶面上为丝绢光泽或玻璃光泽.硬度 3.5~4.相对密度3.5~4.0.遇冷稀盐酸剧烈起泡.孔雀石以其特有颜色而易与其他矿物相区别.硬石膏(CaSO4) 单晶体呈等轴状或厚板状.集合体常为块状及粒状.纯净者透明.无色或白色,常因含杂质而呈暗灰色.玻璃光泽.硬度3~3.5.解理好,沿解理面可破裂成长方形小块.相对密度2.9~3.0.石膏(CaSO4·2H20) 单晶体常为板状.集合体为块状、粒状及纤维状等.为无色或白色.有时透明.玻璃光泽,纤维状石膏为丝绢光泽.硬度 2.有极好解理,易沿解理面劈开成薄片.薄片具挠性.相对密度 2.30~2.37.石膏中透明而呈月白色反光者称透明石膏,纤维状者称纤维石膏,细粒状者称雪花石膏.磷灰石(Ca5(PO4)3(F,C1,OH)) 常为六方柱状之单晶,集合体为块状、粒状、肾状及结核状等.纯净磷灰石为无色或白色,但少见.一般呈黄绿色.可以出现蓝色、紫色及玫瑰红色等.玻璃光泽.硬度5.断口参差状.断面为油脂光泽.相对密度2.9~3.2.以结核状出现的磷灰石称磷质结核.用含钼酸铵的硝酸溶液滴在磷灰石上,有黄色沉淀(磷钼酸铵)析出,是鉴别磷灰石的重要方法.橄榄石((米g,Fe)2(SiO4))常为粒状集合体.浅黄绿到橄榄绿色,随含铁量增高而加深.玻璃光泽.硬度6~7.解理不好.相对密度 3.2~4.4,随含铁量增高而增大.石榴子石(X3Y2(SiO4)3) 化学式中的X代表二价阳离子ca2+、米g2+、米n2+、Fe2+等,Y 代表三价阳离子Al3+、Fe3+、Cr3+、等,阳离子为铁、铝者称为铁铝榴石,阳离子为钙、铝者,称为钙铝榴石.尽管它们的化学成分有某种变化,但其基本结构相同,特征近似.石榴子石常形成等轴状单晶体.集合体成粒状和块状.浅黄白、深褐到黑色(一般随含铁量增高而加深).玻璃光泽.硬度6~7.5.无解理.断口为贝壳状或参差状.相对密度4左右.红柱石(A12SiO 5) 单晶体呈柱状,横切面近于正方形,集合体呈放射状,俗称菊花石,常为灰白色及肉(A12SiO5)红色.玻璃光泽.硬度 6.5~7.5.有平行柱状方向的解理.相对密度3.13~3.16.蓝晶石(A12SiO 5)单晶体常呈长板状或刀片状.常为蓝灰色.玻璃光泽,解理面上有珍珠光泽.有平行长轴方向的解理.硬度 5.5~7.平行伸长方向的硬度小,垂直伸长方向的硬度大.相对密度3.53一3.65.夕线石(A12SiO 5) 通常为针状及纤维状集合体.常为灰白色.玻璃光泽.硬度7.有平行伸长方向的解理.相对密度3.38一3.49.普通辉石(Ca,米g,Fe,Al)2(Si,Al)206 单晶体为短柱状,横切面呈近正八边形,集合体为粒状.绿黑色或黑色.玻璃光泽.硬度 5.5~6.0.有平行柱状方向的两组解理,其交角为87o.相对密度3.2~3.4.普通角闪石((Ca,Na)2一3(米g,Fe,Al)5(Si 6(Si,Al)2O 22)(OH,F)2)单晶体较常见,为长柱状.横切面呈六边形,经常以针状形式出现,绿黑色或黑色,玻璃光泽;硬度5~6.有平行柱状的两组解理,交角为56o.相对密度3.02~3.45,随着含Fe 量增加而加大.滑石(米g 3(Si 4010)(OH)2)单晶体为片状,通常为鳞片状、放射状、纤维状、块状等集合体.无色或白色.解理面上为珍珠光泽.硬度 1.平行片状方向有极完全解理.有滑感.薄片具挠性.相对密度2.58~2.55.高岭石(A14(Si410)(OH)3) 一般为土状或块状集合体.白色,常因含杂质而呈其它色调.土状者光泽暗淡,块状者具蜡状光泽.硬度2.相对密度2.61~2.68.具可塑性.白云母(KA12(AlSi310)(OH,F)2)单晶体为短柱状及板状,横切面常为六边形.集合体为鳞片状,其中晶体细微者称为绢云母.簿片为无色透明.具珍珠光泽.硬度 2.5~3.有平行片状方向的极好解理,易撕成薄片.具弹性.相对密度 2.77~2.88.黑云母(K(米g,Fe3(AlSi310)(OH,F)2) 单晶体为短柱状、板状,横切面常为六边形,集合体为鳞片状.棕褐色或黑色,随含铁量增高而变暗.其它光学与力学性质同白云母相似.相对密度2.7~3.3.长石长石是硅酸盐矿物中分布最广的一类矿物,约占地壳重量的50%.长石包括三个基本类型:钾长石(K(AlSi308)) (代号Or)钠长石(Na(AlSi308)) (代号Ab)钙长石(Ca(AlSi208)) (代号An)钾长石与钠长石因其中含有碱质元素Na与K,故常称碱性长石.钠长石与钙长石常按不同比例混溶在一起,组成类质同像系列:钠长石Ab l00~90 An 0~10更长石Ab 90~70 An l0~30中长石Ab 70~50 An 30~50拉长石Ab 50~30 An 50~70培长石Ab 30~10 An 70~90钙长石Ab l0~0 An 90~100这六种长石成分上连续过渡,总体称斜长石.其中钠长石与更长石称为酸性斜长石;拉长石、培长石及钙长石称为基性斜长石(此处酸性、基性为地质上的,非化学上的意义).斜长石有许多共同特征.如单晶体为板状或板条状.常为白色或灰白色.玻璃光泽.硬度6~6.52.有两组解理,彼此近正交,相对密度 2.61~2.75,随钙长石成分增大而变大.钾长石包含正长石、钾微斜长石、透长石及冰长石等变种,其成分无变化,仅结构略有差别.其中常见的是正长石.单晶体常为柱状或板柱状.常为肉红色,有时具有较浅的色调.玻璃光泽.硬度 6.有两组方向相互垂直的解理.相对密度2.4~2.57.第五节常见变质岩的认识目的: 1 通过对变质岩特征的认识加深对变质作用的理解2.学会认识几种常见的变质岩一、变质岩的矿物成分与原岩(变质前的岩石,可以是岩浆岩、沉积岩,或变质岩)有继承关系,同时又能形成一些特有的变质矿物.(1)岩浆岩中的主要矿物(石英、长石、云母、角闪石、辉石等)往往也是变质岩中的主要矿物,但含量不同,如:石英在岩浆岩中一般不超过30~40%,变质岩有时>90%(如石英岩).(2)沉积岩的主要矿物除方解石、白云石和石英等以外,其它(如盐类矿物、粘土矿物)只能在浅变质时以残余矿物出现.(3)变质岩中所特有,只有在变质岩中才大量出现的矿物:低级变质矿物:绢云母、绿泥石、蛇纹石、红柱石、滑石等;中级变质矿物:云母、硬绿泥石、透闪石、阳起石、绿帘石、蓝晶石;中—高级变质矿物:石榴石、透辉石、斜长石;高级变质矿物:矽线石、紫苏辉石等.二、变质岩的结构1.变余结构:浅变质岩中常见的结构,它仍保留了原岩的结构,如变余砾状结构、变余砂状结构、变余砾(砂)状结构、变余泥质结构、变余伍状结构等.2.变晶结构:在变质过程中经重结晶作用所形成的结构.它与岩浆岩的晶质结构虽有相似性.但也存在差异,与岩浆岩晶质结构的主要区别表现在:(1)前者晶粒一般为全晶质(2)晶粒一般显它形或半自形自形(3)各种矿物无明显生成先后顺序(4)常见矿物的定向排列或粒状矿物的拉长现象粒状(花岗)变晶结构:由粒状矿物(长石、石英或方解石等)所组成,变矿物颗粒大小相近,似花岗岩结构.鳞片变晶结构:主要由云母、绿泥石、滑石等片状矿物组成.如与粒状矿物混合产出,可称鳞片粒状变晶结构.纤维变晶结构:主要由阳起石、透闪石、夕线石等纤维状、长柱状矿物组成;当它们与粒状矿物相组合时,称纤维粒状变晶结构.斑状变晶结构:变质过程中由于结晶能力的差异,形成颗粒较大,自形程度较高的变斑晶,如石榴子石、红柱石、,蓝晶石等.其基质的结构各异,从变余结构到粒状变晶结构等.3.交代结构:在交代作用过程中形成,主要分布于高级变质岩和混合岩中.一级要在显微镜下才能看清.4.压碎结构:岩石在低温下受定向压力作用发生破碎而形成,是动力变质岩。
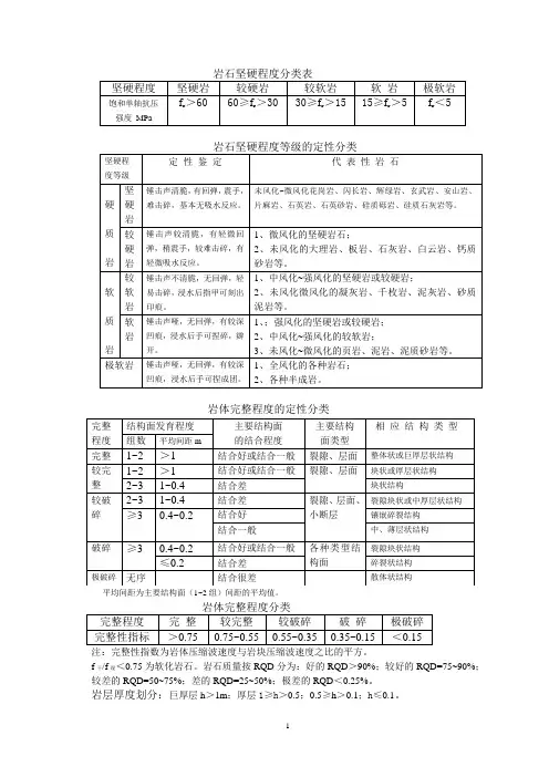
1.岩层描述将岩层分为完整、层状、块状、破碎4种:(1)完整岩层:层理和节理裂隙间距大于1.5米
(2)层状岩层:层与层间距小于1。
5米
(3)块状岩层:节理裂隙间距小于1。
5米,大于0。
3米(4)破碎岩层:节理裂隙间距小于0。
3米。
2.当地下水影响围岩的稳定时,应考虑降级。
3.R b为岩石的饱和抗压强度。
`注:引自《锚杆喷射混凝土支护技术规范》GB50086-2001。
1.围岩按定性分级与定量指标分级有差别时,一般应以低者为准;
2.本表声波指标以孔测法测试什为准。
如果用其他方法测试时,可通过对比试验,进行换算;
3.层状岩体按单层厚度可划分为:
厚层:大于0.5m;
中厚层:0.1-0.5m;
薄层:小于0.1m.
4.一般条件下,确定围岩级别时,应以岩石单轴湿饱和抗压强度为准;当洞跨小于5m、服务年限小于10年的工程,确定围岩通讯别时,可采用点荷载强度指标代替岩块
单轴饱和搞压强度指标,可不做岩体声波指标测试;
5.测定岩石强度,做单轴抗压强度测定后,可不作点荷强度测定。
附件3 普氏岩石分类
引自《采矿工程设计手册》煤炭工业出版社,2003。
5
附件4隔水层安全厚度计算参考公式
隔水层安全厚度计算公式为
T=l[r2l2+8K p p]1/2-rl]/4K p
式中t—底板安全隔水层厚度,m;
l—掘进工作面底板最大宽度,,m;
r—隔水层岩石的容重,KN/m3;
Kp—隔水层岩石的抗张强度,Mpa;
p—隔水层底板承受的水头压力,Mpa。
对岩浆岩的观察,一般是观察其颜色、结构、构造、矿物成分及其含量,最后确定其岩石名称.肉眼鉴定岩浆岩,首先看到的就是颜色.颜色根本可以反映出岩石的成分和性质.对岩浆岩进行肉眼鉴定第一步是要依据其颜色大致定出属于何种岩类. 比方,假设是浅色,一般为酸性岩〔花岗岩类〕或中性岩〔正长岩类〕;假设是深色,一般为基性岩或超基性岩.由酸性岩到基性岩,深色矿物的含量逐渐增多岩石的颜色也就由浅到深.同时还要注意区别岩石新鲜面的颜色和风化后的颜色.还可根据其中暗色矿物与浅色矿物的相对含量来进行描述 ,如暗色矿物含量超过60%者为暗色岩,在30 -60%者为中色岩,在30%以下者为浅色岩.第二步是观察岩浆岩的结构与构造. 据此,便可区分出是属深成岩类、浅成岩类或是喷出岩类.根据岩石中各组分的结晶程度,可分为全品质、半品质和玻璃质等结构.不仅要对全品质的结构区分出显品质或隐品质结构 ,还要对其中的显品质结构岩石按其矿物颗粒大小,进一步细分出等粒、不等粒、粗粒或细粒等结构.对具有斑状结构的岩石要描述斑晶成分、基质的成分及结晶程度.假设岩石中矿物颗粒大,呈等粒状、似斑状结构,那么属深成岩类;假设矿物颗粒微细致密,呈隐品质、玻璃质结构,那么一般皆属喷出岩类;假设岩石中矿物为细粒及斑状结构,即介于上述两者之间,属于浅成岩类.观察岩石中矿物有无定向排列,进而就能推断岩石的形成环境,含挥发组分多少以及岩浆流动的方向.假设无定向排列称之为块状构造;假设有定向排列,那么可能是流纹构造、气孔构造或条带状构造.深成岩、浅成岩大多是块状构造;喷出岩那么为流纹构造和气孔构造等.对于岩石中有规律排列的长柱状矿物、气孔捕虏体等均要观测其方向.对于那些在接触面上有规那么排列的片状矿物,要描述其组成成分,并测其产状要素.第三步是观察岩浆岩的矿物成分.矿物成分是岩石定名最重要的依据.岩浆岩类别是根据SiO2含量百分比确定的,而SiO2含量可在岩石矿物成分上反映出来.假设有大量石英出现,说明是酸性岩;如果有大量橄榄石存在,那么说明是超基性岩;如果只有微量或根本没有石英和橄榄石,那么属中性岩或基性岩.假设岩石中以正长石为主,同时所含石英又很多,就可判定是酸性岩;倘假设以斜长石为主,暗色矿物又多为角闪石,属于中性岩;假设暗色矿物多系辉石,那么属基性岩.对于岩石中凡能用肉眼识别的矿物均要进行描述.首要的是描述主要矿物形态、大小及其性质.其次 ,要对次要矿物作简略描述第四步是为岩浆岩定名.在肉眼观察和描述的根底上确定岩石名称.请注意在岩石名称前面冠以颜色和结构,比方,可将某岩石定名为浅灰色粗粒花岗岩.另外,在野外还要注意查明岩浆岩体的产状,即岩体的空间分布位置、规模大小以及与围岩的接触关系等,结合岩石的结构与构造,以推论岩石的形成环境.也要注意不同侵入体或同一侵入体之间的岩性变化、时间顺序及相互关系.沉积岩是分布于地表的主要岩类.它种类繁多岩性变化较大.野外识别沉积岩,其最显著的宏观标志就是成层构造,即层理.据此很容易与岩浆岩、变质岩相区别.根据沉积岩成因、结构和矿物成分,可进一步区分出次一级的类别.凡具碎屑结构,即碎屑粒径大于2-0o 005毫米,被胶结物胶结而成的岩石,是碎屑岩;凡具泥质结构,即粒径小于00005毫米质地均匀、较软,有细腻感,常具页理的岩石是粘土岩;凡具化学和生物化学结构,多为单一矿物组成的岩石,是化学岩和生物化学岩.由于各类沉积岩的岩性差异,因此在鉴定方法上也不相同1、碎屑岩的肉眼鉴定鉴定碎屑岩时着重观察其岩石结构与主要矿物成分.首要的是看碎屑结构.抓住这一特征,就不会与其他岩石相混淆了.要仔细观察碎屑颗粒大小粒径大于2毫米是砾岩,2 — 0.05毫米是砂岩,00 05 -00 005毫米是粉砂岩.粉砂岩颗粒肉眼难以分辩,用手指研磨有稍微砂感.按砂岩的粒径又可定出粗砂岩〔2 —0.5 毫米〕中砂岩〔0.5—00 25毫米〕和细砂岩〔00 25—00 05毫米〕.对于砾岩,还应注意观察其颗粒形状,颗粒外形呈棱角状者是角砾岩,系圆状或次圆状者为砾岩.其次,看碎屑岩的矿物成分〔碎屑颗粒成分和胶结物成分〕.砾岩类的碎屑成分复杂,分选较差,颗粒较大,一般不参与定名;砂岩,主要矿物成分有石英、长石和一些岩石碎屑.在碎屑岩中,常见的胶结物有铁质〔氧化铁和氢氧化铁〕、硅质〔二氧化硅〕、泥质〔粘土质〕、钙质〔碳酸钙〕等.铁质胶结物多呈红色、褐红色或黄色.硅质最硬,小刀刻不动.钙质滴稀HCI 起泡.弄清楚了结构和成分,就可为碎屑岩定名.例如,碎屑矿物成分以石英为主, 其含量超过50%,长石和岩屑含量均小于25%的砂岩,叫做石英砂岩.也可按其胶结物命名,如可称某岩石为铁质石英砂岩.碎屑岩中可见化石 ,但一般保存较差.火山碎屑岩的鉴别比拟困难.由于,它在成因上具有火山喷发和沉积的双重性, 是一种介于岩浆岩与沉积岩之间的过渡型岩石. 常常是以其成因特点、物质成分、结构、构造和胶结物的特征来区别于碎屑岩.2、粘土岩的肉眼鉴定鉴定粘土岩的主要依据是其泥质结构. 粘土岩矿物颗粒非常细小,肉眼仅能按其颜色、硬度等物理性质及结构、构造来鉴定.它多具滑腻感,粘重,有可塑性、烧结性等物理性质.假设是纯洁的粘土岩,一般为浅色的土状岩石.层理是粘土岩中最明显的特征,因此,人们就按粘土岩层理〔倘层理厚度小于1毫米称页理〕及其固结程度进行分类,将固结程度很高、页理发育,可剥成薄片者称作页岩.页岩常含化石.粘土岩中以页岩为主.将那些固结程度较高、不具页理 ,遇水不易变软者称泥岩.最后,再根据颜色与混入物的不同进行命名,如可称作紫红色铁质泥岩、灰色钙质页岩等.3、化学岩和生物化学岩的肉眼鉴定此类岩石中分布最广和最常见的有碳酸盐岩、硅质岩、铁质岩和磷质岩,尤以碳酸盐类岩石分布为广.有无生物遗骸是判断属于生物化学岩或是化学岩的标志.化学岩成分常较单一.它们多为单矿物岩石,故此,可按其矿物的物理性质进行鉴定.化学岩具有化学结构,即结晶粒状结构和酬状结构等;生物化学岩具生物结构,即全贝壳结构、生物碎屑结构等.。
地学基础作业举例说明常见矿物和常见岩石,并说明其主要特征。
姓名殷孟珂专业地理信息科学学号 201807659指导老师陈远学提交时间2020.03.25班级:地学基础常见矿物肉眼鉴定特征表工业,尖端技术;磨料等。
胶,香料,药品,用于陶瓷,橡胶,可做橡胶,塑料,美者可做装饰品。
用作陶瓷,玻璃,料;冶金溶剂等,六、几种常见相似岩石的区别(一)斑状花岗岩和花岗板岩的区别斑状花岗岩:是分布于侵入体内部或呈大岩体产出的具有斑状结构的深成岩,斑晶主要为钾长石(此外尚有斜长石),它常不是从岩浆中析出的,而是富含钾、铝的碱质溶液交代基质中的矿物或基质中钾长石集中重结晶而成,或是富含钾的碱溶液,沿微裂隙渗透并溶解了基质而生成的变斑晶,其形成晚于基质,基质多为中粒或粗粒结构。
花岗斑岩:属一种浅成岩,多分布于岩体边缘或呈小结株、岩脉产出的斑岩体。
斑晶除钾长石外,常有双锥石英,斑晶是最早从岩浆中析出的产物,基质为细粒甚至出现微粒隐晶质结构。
(二)片麻状花岗岩和花岗片麻岩区别片麻状花岗岩:是指具有片麻状构造的花岗岩,是花岗岩岩体经动力变质作用挤压而成,多分布于岩体边缘部位,分布上具有局限性。
花岗片麻岩:是具有花岗岩成分的片麻岩,是一种区域变质的产物(原盐可为沉积岩,也可是火成岩),分布面积往往很大。
二者区分时,其形态、产状很关键。
(三)煌斑岩和辉绿岩的区别:二者均属基性脉岩,它们的区别主要在结构上。
煌斑岩:具有特征的煌斑结构,即暗色矿物辉石,角闪石和黑云母等具有全自形斑状(或粒状)结构。
暗色矿物较多,在40%以上。
辉绿岩,具有辉绿结构,即斜长石板条状晶体组成的三角形空隙中,充填有他形粒状辉石,基性斜长石较多,且基性斜长石(斑晶)常不稳定,蚀变成辉绿色或黄绿色的方解石、绿帘石和钠长石集合体。
四、几种常见相似岩石的区别方法(一)石灰岩与白云岩1、石灰岩颜色多呈深灰、蓝灰、黑色、灰色(因为灰岩中常含有碎屑和粘土质混入物,铁的化合物及有机之故)。
各类常见岩石的主要特征。
常见三大类岩石以其固有的特点相互区别,如表 1 所示。
表1 深成岩、浅成岩、喷出岩的产状、结构、构造间的区别火成岩沉积岩变质岩矿物成分均为原生矿物,成分复杂,常见的有石英、长石、角闪石、辉石、橄榄石、黑云母等矿物成分除石英、长石、白云母等原生矿物外,次生矿物占相当数量,如方解石、白云石、高岭石、海绿石等除具有原岩的矿物成分判尚有典型的变质矿物,如绢云母、石榴子石等结构以粒状结晶、斑状结构为其特征以碎屑、泥质及生物碎屑、化学结构为其特征以变晶、变余、压碎结构为其特征构造具流纹、气孔、杏仁、块状构造多具层理构造、有些含生物化石具片理、片麻理、块状等构造产状多以侵入体出现,少数为喷发岩,呈不规则状有规律的层状随原岩产状而定分布花岗岩、玄武岩分布最广粘土岩分布最广,其次是砂岩、石灰岩区域变质岩分布最广,次为接触变质岩和动力变质岩3 、岩石综合肉眼鉴定步骤提示肉眼对岩石进行分类和鉴定,除了在野外要充分考虑其产状特征外,在室内对手标本的观察上,最关键的是要抓住它的结构、构造、矿物组成等特征。
具体步骤如下:观察岩石的构造,因为构造从岩石的外表上就可反映它的成因类型:如具气孔、杏仁、流纹构造形态时一般属于火成岩中的喷出岩类;具层理构造以及层面构造时是沉积岩类;具板状、千枚状、片状或片麻状构造时则属于变质岩类。
应当指出,火成岩和变质岩构造中,都有“块状构造”。
如火成岩中的石英斑岩标本,变质岩中的石英岩标本,表面上很难区分,这时,应结合岩石的结构特征和矿物成分的观察进行分析:石英斑岩具火成岩的似斑状结构,其斑晶与石基矿物间结晶联结,石英斑岩中的石英斑晶具有一定的结晶外形,呈棱柱状或粒状;经过重结晶变质作用形成的石英岩,则往往呈致密状,肉眼分辨不出石英颗粒,且石质坚硬、性脆。
对岩石结构的深入观察,可对岩石进行进一步的分类。
如火成岩中深成侵入岩类多呈全晶质、显晶质、等粒结构;而浅成侵入岩类则常呈斑状结晶结构。
岩石矿物的分类及鉴别特征概述:岩石(rock)是由一种或多种矿物或者岩屑组成的集合体。
按照岩石的成因,分为三大类:沉积岩、岩浆岩、变质岩。
沉积岩:是由各种外力地质作力形成的沉积物在地表或近地表条件下,经过固结成岩作用形成的岩石。
按成因又可分为四大类:表2-1 沉积岩分类简表砾状结构>2mm、砂状结构2~0.05mm、粉砂状结构0.05~0.005mm 、粒径>100mm 粒径2~100mm 粒径65%强烈过饱和游离石英>20%造岩元素含量的变化:Fe Mg Cu → Fe Mg Cu Al → Fe Ca Al Na → Ca Na K Al + SiO2岩石颜色的变化:深(绿黑)→暗(绿灰)→中色(灰色)→浅色(肉红、灰白)。
矿物组合变化、橄榄石、辉石(无石英)辉石、富钙斜长石、角闪石(基本无石英) 钙钠中等的斜长石、角闪石(少石英、黑云母) 富钠斜长石、正长石,石英大量出现。
变质岩(metamorphic rock)是地壳中已形成的岩石(岩浆岩、沉积岩等)在高温、高压及化学活动性流体的作用下,使原来岩石的成分、结构、构造等发生改变而形成的岩石。
岩浆岩变质形成的变质岩称正变质岩;沉积岩变质形成的岩石称副变质岩。
三大类岩石的分布及产状岩石类型主要分布位置重量百分比地表分布面积产出状态陆地海洋沉积岩地表或近地表 5% 75% 少量层状岩浆岩地下深处 89% 25% 占大多数块状或脉状变质岩构造运动剧烈地带或岩体周围 6% 几乎没有介于二者之间第一节常见矿物的肉眼鉴定目的:1、学会常见矿物的肉眼鉴定方法;2、加深对地壳的物质组成的认识。
一、矿物的形态矿物的形态有单体形态和集合体形态之分。
(一)单体形态由于矿物具一定的化学成分和结晶构造,在适宜的条件下,可形成具一定外形的几何多面体,称为晶体(crystal)。
完好晶体的自然表面称晶面(crystal face),它相当于结晶格架上质点较密集或联结力较强的网面。
主要造岩矿物的肉眼鉴定特征一、岩浆岩类组成岩浆岩的矿物虽然很多,但常见的只有二十几种,称为造岩矿物,而最常见的造岩矿物就更少了,主要有橄榄石、辉石、角闪石、黑云母、斜长石、钾长石和石英。
前四种含铁镁高,称铁镁矿物,矿物颜色较深,又称暗色矿物;后三种含硅、铝高,称硅铝矿物,含有色元素少,矿物颜色较浅,又称浅色矿物。
这几种造岩矿物相对于岩浆岩分类命名有极其重要的意义,主要的肉眼鉴定特征及方法如下:1、橄榄石(Fe,Mg)2SiO4它的出现往往表示岩石中SiO2的含量处于不饱和,常分布在超基性岩和部分基性岩中,与辉石或基性斜长石共生。
常见的橄榄石是富含镁的,故颜色一般较浅为橄榄绿色,但少数含铁多时可适于黑色。
透明至半透明,玻璃光泽,不规则粒状,常见有贝壳状断口。
次生变化常见,在喷出岩中往往变成红棕色片状伊丁石,有时还保留橄榄石的外形——假象。
而在侵入岩中则变成为黄绿色至黑色(由于析出细粒磁铁矿之故)致密蛇纹石,或由叶蛇纹石集合体组成橄榄石假象。
它在标本上由于光线的照射而具“闪光面”,这种现象在超基性岩中也是一种常见的现象。
2、辉石和角闪石这两类矿物性质上很相似,故常混淆,因此在这里一起叙述。
它们都是暗色柱状晶体,与橄榄石在颜色、晶形、节理和次生变化等方面不同。
前者颜色一般比较深,呈柱状晶体,有两组解理(110)和(110)发育。
辉石和角闪石的一般鉴别特征可归纳成下表:在岩浆岩中常见的普通辉石和普通角闪石,常常颜色均为深灰黑色至黑色,光泽亦很相似,这时形状和断面就比较重要,对标本要注意其断面交角,辉石近直角,而角闪石近于菱形,常常要在放大镜下仔细观察。
辉石类除了普通辉石外,在岩浆岩中还有斜方辉石,如古铜辉石、紫辉石等,与普通辉石不同的是如含铁少时,颜色较浅,为淡棕色或碎片状,有些带褐黄色,随着铁含量增多而颜色变深,为暗褐色至褐黑色。
另一种为少见的碱性辉石,呈针状、长柱状,两头尖呈箭头状,黑带绿色,这时注意不要把它误认为角闪石,可根据共生矿物产况来识别。
一、对岩浆岩标本描述的一般要求(1)颜色:风化面的颜色(室内观察标本无风化面则不作要求)、新鲜面的颜色。
(2)结构:具斑状(或似斑状)结构的岩石,如基质为显晶质者应对其基质矿物特征作出大致的描述;如基质为隐晶质者,肉眼描述写明基质的颜色后注明为隐晶质(半晶质或玻璃质)结构即可;如附岩石薄片,则应写明所具有的具体岩石结构特征。
(3)构造:对一般最常见的块状构造不需要详细描述,只写明块状构造即可,但对其特殊或典型的构造特征,如流纹构造等,应对其构造特征作出描述。
(4)矿物成分:总的是按照主要矿物、次要矿物、副矿物(对肉眼可见或在岩石薄片中能见到者,要求作出描述,否则一般可不做描述)、此生矿物的顺序进行描述,在对各类矿物特征描述时,按含量多者先描述,少者后描述的次序进行。
对具体矿物特征的描述要求:矿物的颜色、晶体的形态特征、在岩石中分布的特点(如分布均匀或不均匀,有无方向性排列等)、突出的鉴定特征、粒度(同种主要矿物的长径)、目估百分含量等。
对具有斑状结构或似斑状结构的岩石进行描述时作如下一般要求:首先按斑晶矿物含量由多至少的顺序,描述斑晶矿物成分及其特征(要求内容与前述内容相同),然后目估斑晶矿物在整个岩石中的百分含量。
基质为显晶质者,肉眼应描述出矿物的主要特征,并指出主要矿物及次要矿物即可。
如附岩石薄片时,则需指出各矿物的目估百分含量。
(5)野外产状:对室内标本鉴定仅要求写出深成岩或浅成岩或喷出岩即可,如在野外观察描述时,应指明岩石所在岩体的具体产状。
(6)岩石名称:岩石名称之所以写在最后,是因为其岩石命名的依据是上述描述特征综合后定出的。
当然,根据实习课的具体情况,其书写顺序是可以灵活掌握的。
描述岩石特征时,切忌前后相互矛盾,例如,描述矿物在岩石中的分布特征时,写成该矿物在岩石中分布的很不均匀,局部有明显的集中想象,而在描述岩石构造时,又写成该岩石具有块状构造,这显然是极为矛盾的,如写成该岩石具有斑杂构造,这就前后对应了。
一、火成岩概述斑岩(porphyry)以斑状结构为特征的火成岩的总称。
以结构特征对岩石的命名。
斑岩一词,由玢岩演变而来。
玢岩由G.阿格里科拉于1546年首先引入文献,用以描述埃及的淡紫色、具斑点的岩石。
此后很长时期内,斑岩和玢岩分别泛指变化了的具斑状结构的粗面质的安山质岩石。
多数岩石学家认为,大多数斑岩和玢岩在化学成分上属于中性岩和酸性岩,因此常见的斑晶是石英、碱性长石和斜长石。
其中石英常发育六方双锥,具高温石英外形;碱性长石常为透长石、正长石和歪长石,具隐条纹构造或亚显微条纹构造;斜长石一般是中长石,常受岩浆熔蚀,或生成钠质斜长石膜,也可以因岩浆流动作用,构成斜长石的聚合斑晶。
习惯上,将含碱性长石和石英斑晶,或只含其一的斑状结构的岩石,称为斑岩,如花岗斑岩;将含斜长石斑晶的,称玢岩,如闪长玢岩。
如含斜长石又兼有碱性长石和(或)石英斑晶,仍称为斑岩,如花岗闪长斑岩。
含大量自形(有时半自形)铁镁矿物斑晶的斑状岩石,一般为中、基性或超基性脉岩,称作煌斑岩。
辉绿玢岩是指含斜长石斑晶的基性浅成岩。
钠长斑岩和苦橄玢岩分别是含钠长石斑晶和橄榄石斑晶的斑状浅成岩。
无论是斑岩或是玢岩,都是岩浆作用两阶段结晶的产物。
因此,它们的斑晶和基质之间矿物粒级悬殊。
斑晶由早阶段岩浆结晶产生,形成于地下较深部位;而细粒或隐晶质基质为浅位晚阶段岩浆结晶产物。
就最终侵位深度而言,斑岩和玢岩都属浅成岩,并常呈岩墙、岩脉、岩床或小侵入体产状。
斑岩和玢岩随斑晶数量的减少和斑晶与基质之间粒度大小的接近而过渡为深成岩,如斑状花岗岩是相当于花岗斑岩的深成岩或半深成岩;又随斑晶数量减少和基质粒级减小(直至隐晶质或玻璃质)过渡为喷出岩,如斑状流纹岩是相当于浅成相的流纹斑岩的喷出岩。
与斑岩或玢岩有关的金属矿产,常称为斑岩铜矿、斑岩钼矿、斑岩钨矿、玢岩铁矿等,它们都是与浅成岩浆作用和岩浆期后作用有成因联系的重要矿床。
有些半风化的粗面质或粗安质斑岩,因含人体所需的多种微量元素,并被溶出,而称为药石──麦饭石。
各类常见岩⽯描述1、凝灰岩凝灰岩是⽕⼭喷出地表,颗粒⽐较细(可以随风漂移,可距离⽕⼭⼝较远)下落地表的⽕⼭灰,堆积固结成岩的产物,主要以中酸性为主,⼤部分出露于晚侏罗系。
在福建“南园”地区出露最完整,所以命名为南园组。
在江西,上饶鹅湖岭附近出露最完整,故命名为鹅湖岭组。
主要为⼀套凝灰岩,凝灰质砂岩、粉砂岩互层夹安⼭岩、粗⾯岩的⽕⼭岩系地层。
承德避暑⼭庄我没有去过,所以,不知道⽯刻凝灰岩的成分,但凝灰岩(酸性的)不外乎以下这⼏种特征(描述⼏种常见的):1.晶屑玻屑凝灰岩:颜⾊以灰⽩⾊为主,凝灰结构,块状构造。
晶屑玻屑含量⼩于10%,晶屑以⽯英、长⽯及少量暗⾊矿物组成。
玻屑含量3-10%,玻璃质。
凝灰质胶结,块状构造,岩⽯坚硬,厚层-巨厚层状。
产于距离⽕⼭⼝较远地带。
2.凝灰岩:灰⽩⾊为主,晶屑特征同上,只是晶屑含量10-30%。
凝灰结果,块状构造。
产于距离⽕⼭⼝较远地带。
3.熔结凝灰岩:晶屑特征同(1),灰-深灰⾊,熔岩结构,块状构造,胶结物为熔岩胶结,岩⽯致密坚硬。
4.流纹质凝灰岩:晶屑特征同(1),灰-深灰⾊,流纹条带(⿊⽩相间)清晰,流纹结构,块状构造,熔岩质胶结,产于距离⽕⼭⼝较近地带,岩⽯致密坚硬。
2、辉绿岩⼀种基性浅成侵⼊岩。
深灰、灰⿊⾊。
主要由辉⽯和基性长⽯(与辉长岩成分相当的浅成岩类)组成,含少量橄榄⽯、⿊云母、⽯英、磷灰⽯、磁铁矿、钛铁矿等。
基性斜长⽯常蚀变为钠长⽯、黝帘⽯、绿帘⽯和⾼岭⽯;辉⽯常蚀变为绿泥⽯、⾓闪⽯和碳酸盐类矿物。
因绿泥⽯的颜⾊⽽整体常呈灰绿⾊。
辉绿岩为深源⽞武质岩浆向地壳浅部侵⼊结晶形成,常呈岩脉、岩墙、岩床或充填于⽞武岩⽕⼭⼝中的岩株状产出。
按次要矿物的不同,可分为橄榄辉绿岩、⽯英辉绿岩等。
可做建筑⽯材或⼯艺⽯料,是铸⽯原料。
质地均匀、⽆裂纹者可做⽯材原料,细粒者尤佳。
如贵州的“罗甸绿”、浙江临海的“孔雀绿”、河南的“五龙青”、“菊花青”均属此类矿床。
3、花岗岩花岗岩是⼀种⽕⼭爆发的熔岩且受到相当的压⼒在熔融状态下隆起⾄地壳表层之构造岩。