安全验收评价报告审查专家意见表
- 格式:docx
- 大小:49.04 KB
- 文档页数:5
安全验收评价报告(建设单位名称)(建设项目名称)安全验收评价报告建设单位:建设单位法定代表人:建设项目单位:建设项目单位主要负责人:建设项目单位联系人:建设项目单位联系(建设单位公章)年月日1(建设单位名称)(建设项目名称)安全验收评价报告评价机构名称:资质证书编号:法定代表人:XXX审核定稿人:评价负责人:评价机构联系电话: :(安全评价机构公章)年月日2评价人员(三号宋体加粗)项目负责人姓名项目组成员报告编制人敷陈审核人过程控制负责人技术负责人资格证书号从业登记号签名(此表应按照详细项目实践参与人数体例)技术专家姓名签字(列出各类技术专家名单)(以上全部用小四号宋体)3资质证书复印件4目录56术语、标记和代号申明[根据需要选择]71〔安全评价〕概述(注:可用“经过”或其他更适当的称号)1.1评判目的1.2安全评价对象和范围(注:这里所说的评价对象是被评价的项目,说明评价对象在空间上包括哪些,评价内容上涉及哪些,[应明确评价对象的地域、空间范围;具体厂房、车间、仓库、罐区名称;原料、工艺、设备、产品;公用与辅助工程等的安全预评价],如评价范围为:×××厂年产××吨∕年××产品的建设项目,包括:建设项目的X厂房、X仓库~~~。
)1.3评价经过和程序(注:申明项目评判工作开展的程序和时间,包孕前期准备、进场时间、收集材料、开展评判、交换看法等,程序引用AQ标准中的程序图,并加上“与建设单位交换看法”的内容)2建设项目概况2.1建设项目简介[建设项目基本情况,首要介绍项目称号、地点、从属干系、属什么企业、注册资本、总投资额、生产什么产品、建设方案及生产规模、机构和人员配置、生产天数、班次、人流、物流等。
][属生产企业的,申明其生产规模;属贮存企业的,申明其贮存规模][2.2投资单位组成及出资比例](注:本节视内容多少肯定是否单设一节,如果内容少的,可并入第一节,列出投资单位名单位及其出资比例,投资单位超过两家的,按出资比从大到小布列,并宜列表如下:)序号123投资单位称号出资比例备注8[2.3建设单位基本情况](注:本节视内容多少确定是否单设一节,如果内容少的,可并入第一节,对建设单位的基本情况作简要介绍,重点突出该单位在安全管理、工艺与设备先进性与成熟条件、产品与产能等方面的,不要过多介绍其他与本评价无关的内容[如产品质量、文明、获奖情况等])2.4地理位置、周边情况及天然条件〔标题可按内容多少折分为多个标题,“地理位置、周边情况”、“自然条件”〕〔说明地理位置、自然条件及该位置周边的基本情况,含功能分布,是否工业园区规划、建设项目与周边[相邻企业、单位、道路、居住区]的间距,建设项目与公安消防队、医院的距离等〕;周边环境的间距可以参考下表叙述:建设项目与周边的间距周边建(构)筑物名序号方位*间距(m)备注称1东2东南3东北4南5西南6西7西北8北注:*①方位要根据企业的实际情况填写;②如果方位的一边为道路,在备注上应叙述道路的宽度和道路对面是什么建筑物。
安全验收评价导则(AQ8003-2022)一、目的本导则是为了规范和指导安全验收评价工作的开展,保证安全验收评价的质量和效果,促进安全生产管理水平的提高。
二、合用范围新建、改建、扩建项目的竣工安全验收评价;设备、设施、工艺、材料等变更后的安全验收评价;安全生产许可证到期或者变更后的安全验收评价;其他需要进行安全验收评价的情况。
三、基本原则以法律法规为依据,以标准规范为依据,以科学技术为支撑;以预防为主,以综合管理为手段,以消除隐患为目标;以实事求是为原则,以客观公正为态度,以真实可靠为准则;以参预为基础,以协调为保障,以沟通为纽带。
四、工作程序委托申请:申请单位向安全验收评价机构提出委托申请,并提供相关资料和信息;合同签订:安全验收评价机构与申请单位签订安全验收评价合同,并确定工作范围、内容、要求、时间、费用等;现场检查:安全验收评价机构组织专家对申请单位的现场进行检查,核实资料和信息,发现问题和隐患;报告编制:安全验收评价机构根据现场检查结果和相关标准规范,编制安全验收评价报告,并提出意见和建议;报告审核:安全验收评价机构对报告进行内部审核,并提交申请单位进行审核确认;报告提交:安全验收评价机构将报告提交有关部门进行审批或者备案,并将报告交付申请单位。
五、工作内容组织管理:检查申请单位的安全生产管理体系、组织结构、职责分工、人员配备、资质能力等;法律法规:检查申请单位的法律法规遵守情况,包括法律法规的宣传教育、执行落实、监督检查等;标准规范:检查申请单位的标准规范执行情况,包括标准规范的制定修订、推广应用、监督检查等;风险分析:检查申请单位的风险分析情况,包括风险识别、风险评估、风险控制、风险监测等;隐患排查:检查申请单位的隐患排查情况,包括隐患排查制度、隐患排查方法、隐患排查记录、隐患排查整改等;应急管理:检查申请单位的应急管理情况,包括应急管理制度、应急管理组织、应急管理计划、应急管理演练等;安全教育:检查申请单位的安全教育情况,包括安全教育制度、安全教育内容、安全教育方法、安全教育效果等;安全设施:检查申请单位的安全设施情况,包括安全设施的设计、安装、使用、维护、检测等;安全操作:检查申请单位的安全操作情况,包括安全操作规程、安全操作培训、安全操作监督、安全操作考核等;安全监测:检查申请单位的安全监测情况,包括安全监测制度、安全监测项目、安全监测设备、安全监测数据等;安全文化:检查申请单位的安全文化情况,包括安全文化的理念、目标、内容、形式、氛围等。
安全验收评价导则(AQ8003-2022)一、目的本导则是为了规范安全验收评价工作,保证安全验收评价的质量和效果,防止和减少安全事故的发生,维护人民生命财产安全和社会稳定。
二、合用范围(1)新建、改建、扩建的生产、经营、储存、使用危(wei)险化学品的单位;(2)新建、改建、扩建的煤矿、金属矿山、非金属矿山、尾矿库等矿山企业;(3)新建、改建、扩建的石油、天然气开采和加工企业;(4)新建、改建、扩建的火电、水电、核电等电力企业;(5)新建、改建、扩建的公路、铁路、航空、水运等交通运输企业;(6)新建、改建、扩建的城市轨道交通系统;(7)新建、改建、扩建的大型公共场所;(8)其他涉及公共安全和重大危(wei)险源的项目。
三、基本原则(1)科学性原则。
安全验收评价应以科学的方法和技术,客观地分析和评价项目的安全风险和控制措施,提出合理的结论和建议。
(2)合法性原则。
安全验收评价应符合国家有关法律法规和标准规范的要求,依法进行审批和监督。
(3)独立性原则。
安全验收评价应由具有相应资质和能力的第三方机构或者专家组织实施,避免利益冲突和干预。
(4)公开性原则。
安全验收评价的过程和结果应向社会公开,接受社会监督和评议。
四、工作流程(1)申请。
项目单位应在项目竣工前向主管部门申请安全验收评价,并提交相关资料,如项目概况、设计文件、施工文件、竣工文件等。
(2)受理。
主管部门应在收到申请后15个工作日内进行审查,判断是否符合受理条件,并通知项目单位。
受理条件包括:项目单位具有合法资格和资质;项目符合国家有关规划和政策;项目已经通过环境影响评价;项目已经完成竣工验收或者达到竣工条件;项目已经制定了安全管理制度和应急预案;项目已经配备了必要的安全设施和设备;项目已经进行了自检自改,并提交了自检报告。
如果不符合受理条件,主管部门应当说明理由,并要求项目单位补正或者重新申请。
(3)委托。
主管部门在受理申请后,应在10个工作日内,根据项目的特点和难度,从具有相应资质和能力的第三方机构或者专家中,选定安全验收评价机构或者专家组,并与之签订委托合同。
新疆维吾尔自治区工贸等行业《建设项目安全设施“三同时”监督管理暂行办法》实施细则第一章总则第一条为加强工贸等行业建设项目安全管理,预防和减少生产安全事故,保障从业人员生命和财产安全,根据《中华人民共和国安全生产法》和《建设项目安全设施“三同时”监督管理暂行办法》(国家安全监管总局令第36号,以下简称36号令)等法律、行政法规和规定,制定本细则。
第二条经县级以上人民政府及其有关主管部门依法审批、核准或者备案的工贸等行业(包括冶金、有色、建材、机械、轻工、纺织、烟草、商贸及军工、公路、水运、轨道交通、电力等,下同)生产经营单位新建、改建、扩建工程项目(以下统称建设项目)安全设施的建设及其监督管理,适用本细则。
法律、行政法规及国务院、自治区人民政府对建设项目安全设施建设及其监督管理另有规定的,依照其规定。
第三条本细则所称的建设项目安全设施,是指生产经营单位在生产经营活动中用于预防生产安全事故的设备、设施、装置、构(建)筑物和其他技术措施的总称。
第四条生产经营单位是建设项目安全设施建设的责任主体。
建设项目安全设施必须与主体工程同时设计、同时施工、同时投入生产和使用(以下简称“三同时”)。
安全设施投资应当纳入建设项目概算。
第五条县级以上安全生产监督管理部门对本行政区域内的工贸等行业建设项目安全设施“三同时”实施综合监督管理。
自治区安全生产监督管理部门在规定的职责范围内承担国家、自治区及其有关主管部门审批、核准或者备案的建设项目的安全设施“三同时”的监督管理。
地州市安全生产监督管理部门在规定的职责范围内承担地州市及其有关主管部门审批、核准或者备案的建设项目的安全设施“三同时”的监督管理。
县级安全生产监督管理部门对本行政区域内投资额在3000万元以下的工贸等行业建设项目安全设施“三同时”的监督管理。
跨两个及两个以上行政区域的建设项目安全设施“三同时”由其共同的上一级人民政府安全生产监督管理部门实施监督管理。
上级安全生产监督管理部门根据工作需要,可以将其负责监督管理的建设项目安全设施“三同时”工作委托下级安全生产监督管理部门实施监督管理。
安全评价报告评审专家的评审重点集团标准化工作小组 #Q8QGGQT-GX8G08Q8-GNQGJ8-MHHGN#安全评价报告评审专家的评审重点安全生产专家是指在某一行业安全生产领域有所研究的人,熟悉和掌握某一领域安全技术和安全管理的人。
安全生产专家应当是行业安全的能手,有丰富的安全工作经验,至少在本地区的某一行业有一定的权威性。
在进行建设项目安全审查时(包括设计安全审查、评价报告评审或安全验收),安全生产专家工作的核心内容主要包括以下三个方面:识别危险有害因素、评估风险、提出风险控制的建议。
报告评审专家组的特点根据我国目前的专家管理体制和社会性质,安全生产专家组具有以下特点:(1)专家组不是承担风险责任的组织或实体,对企业、政府主管部门或安全中介机构来讲具有顾问性质,相对于项目建设单位和评价机构来讲属于“第三方”评审;(2)对项目安全审查来讲,安全生产专家组是风险的再评价小组;(3)通过对评价报告进行评审,专家组的工作可以为企业、中介机构、政府主管部门三方合理地规避风险;(4)对行政许可、批复、备案登记等工作来讲,专家组的工作可以为政府的安全监管和许可决策提供有力的安全技术支持。
安全评价报告评审的内容及要点安全评价报告评审的内容及要点应包括以下八个方面:(1)危险有害因素(危险源)的识别是否充分;(2)危险有害因素(危险源)的分析是否正确、全面、客观;(3)评价方法的选择是否得当;(4)评价方法的应用是否全面、结论是否正确;(5)提出的问题是否客观;(6)提出的整改措施及建议是否适应;(7)报告是否层次清晰、主次分明、有针对性;(8)报告内容是否充实、结论是否严谨客观。
报告评审的有关要求经过几年的评价工作实践,具备相应知识水平的评审专家,通过评价报告本身可以至少发现以下几个方面的问题:评价机构的整体管理水平;评价思路是否明确;准备工作是否充分;评价过程中是否有专业核心力量。
安全生产专家在对具有建设项目的安全评价报告进行评审时,应把握以下几个方面。
安全验收评价报告前言根据《国家安全生产监管总局关于规范金属非金属矿山建设项目安全设施竣工验收工作的指导意见》(安监总管一〔2016〕14号)等文件的精神。
金属非金属露天矿山建设项目竣工投入生产前应进行安全设施竣工验收。
安全验收评价是为建设项目安全设施“三同时”竣工验收前进行的技术准备,是运用系统工程原理和方法,在建设项目竣工后正式生产运行前进行的一种检查性评价。
通过对建设项目系统存在的危险、有害因素进行定性、定量评价,判断系统在安全上的符合性和安全设施的有效性,从而作出评价结论,并提出有针对性的对策措施建议,以促使项目实现系统安全。
在接受*********************************高岭石矿(以下简称**高岭石矿)验收评价委托后,**************************遵照相关规定组建安全评价组,评价组收集了国家有关法律、法规、规章、标准、规范,编制了安全验收评价现场调查表,确定了评价程序和方法,并进入该企业现场,进行了现场调查和资料收集。
评价组在调查、收集资料的基础上,对该矿山存在的各种危险、有害因素进行了系统的辨识与分析,应用检查表法对各单元进行了符合性评价,并针对性地提出安全对策措施及建议,得出评价结论,并完成了安全验收评价报告的编制。
在本项目的安全验收评价工作中,得到了省、市、县安全生产监督部门和企业有关人员的大力支持,在此表示感谢。
目录前言 (1)第一章评价范围与依据 (1)1.1评价对象和范围 (1)1.2评价依据 (1)1.2.1法律法规 (1)1.2.2标准规范 (3)1.2.3建设项目合法证明文件 (4)1.2.4建设项目技术资料 (4)1.2.5其他评价依据 (5)第二章建设项目概述 (6)2.1建设单位概况 (6)2.1.1建设单位基本情况 (6)2.1.2地理位置及交通 (6)2.1.3矿区周边环境 (7)2.2自然环境概况 (7)2.2.1地形地貌 (7)2.2.2气候 (8)2.2.3地震 (8)2.3地质概况 (9)2.3.1矿区地质概况 (9)2.3.2矿床地质特征 (10)2.3.3水文地质概况 (11)2.3.4工程地质概况 (12)2.4建设概况 (13)2.4.1矿山开采现状 (13)2.4.2总平面布置 (14)2.4.3开采范围 (15)2.4.4生产规模及工作制度 (15)2.4.5采矿方法 (16)2.4.6开拓运输 (17)2.4.7采场防排水 (17)2.4.8供配电 (18)2.4.9通讯系统 (18)2.4.10个人安全防护 (18)2.4.11安全标志 (18)2.4.12安全管理 (18)2.4.13安全设施投入 (20)2.5施工概况 (21)第三章安全设施符合性评价 (23)3.1安全设施“三同时”程序评价 (24)3.2露天采场单元评价 (25)3.3防排水系统单元评价 (27)3.4开拓运输单元评价 (27)3.5供配电及通信系统单元评价 (28)3.6总平面布置单元评价 (29)3.7采剥工艺单元评价 (30)3.8排土场单元评价 (31)3.9安全管理单元安全评价 (33)3.10本章小结 (35)第四章安全对策措施建议 (36)4.1建设程序符合性安全对策措施建议 (36)4.2总平面布置采取的安全措施建议 (36)4.3开拓运输安全对策措施建议 (36)4.4采剥工艺安全对策措施建议 (37)4.5矿山电气安全对策措施建议 (39)4.6防排水安全对策措施建议 (39)4.7安全管理对策措施建议 (39)4.8应急救援 (41)4.9职业卫生健康对策措施建议 (42)4.10其他方面安全对策措施建议 (42)第五章安全验收评价结论 (44)附件:1、委托书、承诺书;2、企业营业执照;采矿许可证;安全生产许可证;3、企业主要负责人安全资格证书;特种作业人员操作证;4、立项审批文件;5、2015年度矿山储量年报(扉页及专家意见表);6、安全预评价报告(扉页及结论页);7、《安全设施设计》评审意见、修改意见及审查批复;8、成立安全领导小组的文件;成立安全管理领导小组的文件;成立应急救援小分队的文件及救援器材清单;9、非煤矿山安全生产责任险票据;10、安全管理制度、操作规程、安全生产责任制、岗位责任制汇编目录;11、应急预案备案登记表及应急救援预案;12、试生产总结报告;13、竣工验收企业自查报告;14、矿山现场照片;15、竣工验收图纸。
安全验收评价报告审查专家意见表1000字
作为安全验收评价报告的审查专家,我认为这份报告在许多方面表现出色,但也有一些可改进之处。
首先,报告对安全评价的基本要求进行了充分讨论,并给出了详细的评价方法和步骤,从而确保评价结果的科学性和可靠性。
此外,在评价结果中,报告着重分析了风险较高的部分,给出了切实有效的改进措施。
其次,报告中的数据收集和分析也非常充分。
报告不仅涵盖了多个场景下的数据,还使用了多种分析工具和方法,充分挖掘了数据背后的价值。
这使得评价结果更加全面准确,可用性更高。
不过,在审查过程中,我也发现了一些需要改进之处。
首先,有些评价结果仍需做出更加全面和准确的解读,邮政例行审计的部分尤为突出。
其次,报告中有些信息呈现方式尚不够清晰,有些数据呈现方式过于复杂,需要更多的注释和解释。
综上所述,这份安全验收评价报告在科学性、可靠性和数据充分性方面表现出色,但也需要加强对评价结果的解读和信息呈现方式的优化。
通过改进这些方面,这份报告一定会更加完善,进一步提高安全评价结果的应用价值。
××项目安全验收评价报告模版(安全生产管理安全检查表)安全生产管理安全检查表依据中华人民共和国主席令第70号《中华人民共和国安全生产法》、国务院令第75号《企业职工伤亡事故报告和处理规定》(1991年2月22日)、劳动部劳部发[1995]30号《重大事故隐患管理规定》、天津市人大常委津政发[1987]15号《天津市安全生产责任制实施办法》、天津市人民政府津政办发[1996]65号转发市安委会《关于加强安全生产工作的意见》、原劳动部《企业职工劳动安全教育管理规定》(1995年11月8日颁布)等法规、标准编制安全检查表,检查项目内容及检查结果,见表5.9.3—1。
表5。
9。
3—1 安全生产管理安全检查表(1)概述.其中包括:安全验收评价依据、建设单位简介、建设项目概况、生产工艺、主要安全卫生设施和技术措施、建设单位安全生产管理机构及管理制度。
(2)主要危险、有害因素识别。
其中包括:主要危险、有害因素及相关作业场所分析、列出建设项目所涉及的危险、有害因素并指出存在的部位。
(3)总体布局及常规防护措施评价.其中包括:总平面布局、厂区道路安全、常规防护设施和措施、评价结果。
(4)易燃易爆场所评价。
其中包括:爆炸危险区域划分符合性检查、可燃气体泄漏检测报警仪的布防安装检查、防爆电气设备安装认可、消防检查(主要检查是否取得消防安全认可)、评价结果。
(5)有害因素安全控制措施评价。
其中包括:防急性中毒、窒息措施、防粉尘爆炸措施、高、低温作业安全防护措施、其他有害因素控制安全措施、评价结果。
(6)特种设备监督检验记录评价.其中包括:压力容器与锅炉(包括压力管道)、起重机械与电梯、厂内机动车辆、其他危险性较大设备、评价结果。
(7)强制检测设备设施情况检查。
其中包括:安全阀、压力表、可燃、有毒气体泄漏检测报警仪及变送器、其他强制检测设备设施情况、检查结果。
(8)电气安全评价。
其中包括:变电所、配电室、防雷、防静电系统、其他电气安全检查、评价结果.(9)机械伤害防护措施评价。
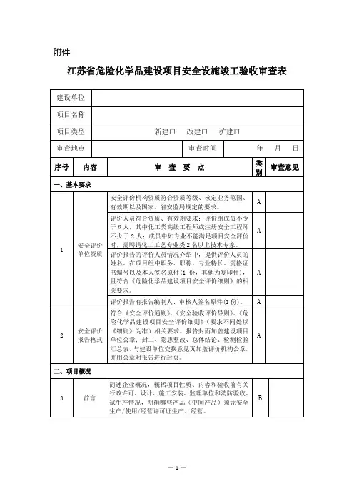
危险化学品建设项目安全验收评价报告专家审查意见表建设单位建设项目名称设计单位施工单位监理单位组织审查单位建设项目类型审查事项审查地点序号审查内容一、基本要求1评价资质的相关要求2报告格式二、项目概况3前言4项目周边情况5项目四图新建√改建口扩建口安全验收评价报告和现场安全设施符合性审查审查时间专家审查意见危险化学品建设项目安全验收评价审查审查要点选择相应资质的安全评价机构进行安全评价是否符合要求,且是否在核定业务范围和有效期内。
评价人员资质是否符合要求,且在有效期内。
评价报告书的项目评价人员不得少于 5 人,其中化工类高级或注册安全工程师、工程师不少于 2人;评价组成员中如专业不能满足项目安评时,需聘请化工类 2 名以上技术专家。
评价报告的评价人员情况介绍中,必须提供评价人员的姓名、在项目组中职务、职称、专业特长、资格证书编号以及本人签名,且符合《安全评价通则》 (AQ8001-2007) 等相关要求。
符合《安全评价通则》 (AQ8001-2007) 、《安全验收评价导则》(AQ8003-2007) 、《危险化学品建设项目安全评价细则(试行)》等相关要求(封面、封二以细则为准)。
高度概括项目来由、性质及企业简况,简述项目评价对象、范围、依据及工作经过,明确哪些产品(副产品、中间产品)须凭安全生产许可证生产,企业是属于危化品生产单位还是使用单位。
项目的生产、储存设施与居住区、周边单位、道路、江河、重要设施等应表述清楚;改扩建项目的与原有生产储存装置间关系应表述清楚。
报告中需附项目地理位置图、区域位置图、总平面布置图、防爆区域图;项目周边环境清楚并有大致距离(图示或文字);总平面布置类别审查意见A符合A符合A符合A符合A符合B符合B符合B基本符合图(竣工图)中需标明建、构筑物及设施的间距。
序号审查内容审查要点6原料、产品产品表述其用途;产品和使用的原料名称、年产量(使用量)、储存和中间产品量、包装及储存方式、运输方式等内容表述全面。
国家安全生产监督管理局关于印发《安全验收评价导则》的通知文章属性•【制定机关】国家安全生产监督管理局(已撤销)•【公布日期】2003.05.23•【文号】安监管技装字[2003]79号•【施行日期】2003.05.23•【效力等级】部门规范性文件•【时效性】失效•【主题分类】质量管理和监督正文*注:本篇法规已被:国家安全监管总局关于废止242件安全生产规范性文件的通知(发布日期:2010年8月11日,实施日期:2010年9月1日)废止国家安全生产监督管理局关于印发《安全验收评价导则》的通知(安监管技装字[2003]79号)各省、自治区、直辖市及新疆生产建设兵团安全生产监督管理部门:根据《中华人民共和国安全生产法》的有关规定,为加强生产经营单位新建、改建、扩建工程项目(矿山建设项目除外)安全设施“三同时”工作,规范建设项目安全验收评价行为,确保安全评价的科学性、公正性和严肃性,国家安全生产监督管理局编制了《安全验收评价导则》,现印发给你们,请遵照执行。
二00三年五月二十三日安全验收评价导则1主题内容与适用范围本导则依据《安全评价通则》制订,规定了安全验收评价的目的、基本原则、内容、程序和方法,适用于建设项目(矿山建设项目除外)安全验收评价。
2安全验收评价目的和基本原则安全验收评价目的是贯彻“安全第一,预防为主”方针,为建设项目安全验收提供科学依据,对未达到安全目标的系统或单元提出安全补偿及补救措施,以利于提高建设项目本质安全程度,满足安全生产要求。
安全验收评价基本原则是具备国家规定资质的安全评价机构科学、公正和合法地自主开展安全验收评价。
3定义安全验收评价是在建设项目竣工、试生产运行正常后,通过对建设项目的设施、设备、装置实际运行状况及管理状况的安全评价,查找该建设项目投产后存在的危险、有害因素的种类和程度,提出合理可行的安全对策措施及建议。
4安全验收评价内容1)检查建设项目中安全设施是否已与主体工程同时设计、同时施工、同时投入生产和使用;评价建设项目及与之配套的安全设施是否符合国家有关安全生产的法律法规和技术标准。
编制说明我公司在接受XXXXXXXXXXXXX水务(集团)有限责任公司污水处理项目的安全验收评价委托后,坚持科学性、公正性和严肃性的基本原则,合法、自主地对该项目开展了安全验收评价。
安全验收评价目的是贯彻“安全第一,预防为主”的方针,为建设项目安全验收提供科学依据,对未达到安全要求的系统或单元提出补偿及补救措施,以利于提高建设项目本质安全程度,满足安全生产的要求。
检查建设项目中安全设施是否已与主体工程同时设计、同时施工、同时投入生产和使用,评价建设项目及与之配套的安全设施,是否符合国家有关国家安全生产的法律、法规和技术标准的要求。
根据XXXXXXXXXXXXX水务(集团)有限责任公司的安全验收评价委托书所确定的范围,本报告对该公司污水处理工程进行安全验收符合性评价。
由于污水处理危险性不同于危险化学品,属于低危行业。
项目中最明显的危险在于氯气的使用、检修与储存过程中的泄漏,潜在危害因素和危害性较大,整个工艺过程中废水的排出对地下水体、河流水域、农田灌溉及水生物或水域植被均有较大影响。
污水的臭气排放对空气质量及人体健康均造成不同程度的影响.污泥的沉积和处理对环境和土壤也同样造成影响。
污水、污泥除产生臭气外还滋生大量的细菌、放线菌、病毒、寄生虫、原生动物、轮虫和真菌,这些微生物中相当一部分是致病细菌,他们对人类可导致多种疾病,同时对很多动物也会产生致病因素.在对该系统进行安全验收评价时,我们针对系统中固有的危险、危害因素做出了较为详细的辨识与分析,并提出了有利于减少或降低危害的安全补偿措施,对提高企业安全管理和工艺参数有积极的帮助作用,在此基础上编制完成了该项目的安全验收评价报告.2005年12月27日,XXXXX安全生产监督管理局在XXXX市组织召开了“XXXXXXXXXXXXX水务(集团)有限责任公司污水处理项目《安全验收评价报告》审查会”,参加会议的有省安监局各位领导及专家,XXXXXXXXXXXXX水务(集团)有限责任公司及我公司的领导、代表共18人,专家组对报告进行了认真细致地评审,并广泛听取了与会代表的意见,形成“XXX水务(集团)有限责任公司污水处理项目《安全验收评价报告》专家组审查意见".我公司根据审查意见对评价报告进行了修改、完善,编制完成了本安全验收评价报告最终版.本报告在编制过程中得到各安监部门及XXXXXXXXXXXXX水务(集团)有限责任公司相关人员的支持和配合,在此致以诚挚的谢意!目录1 概述1。
危险化学品建设项目安全验收评价报告专家审查意见表建设单位建设项目名称设计单位施工单位监理单位组织审查单位建设项目类型新建√改建口扩建口审查事项安全验收评价报告和现场安全设施符合性审查审查地点审查时间专家审查意见危险化学品建设项目安全验收评价审查序号审查内容审查要点类别审查意见一、基本要求1 评价资质的相关要求选择相应资质的安全评价机构进行安全评价是否符合要求,且是否在核定业务范围和有效期内。
A 符合评价人员资质是否符合要求,且在有效期内。
A 符合评价报告书的项目评价人员不得少于5人,其中化工类高级或注册安全工程师、工程师不少于2人;评价组成员中如专业不能满足项目安评时,需聘请化工类2名以上技术专家。
A 符合评价报告的评价人员情况介绍中,必须提供评价人员的姓名、在项目组中职务、职称、专业特长、资格证书编号以及本人签名,且符合《安全评价通则》(AQ8001-2007)等相关要求。
A 符合2 报告格式符合《安全评价通则》(AQ8001-2007)、《安全验收评价导则》(AQ8003-2007)、《危险化学品建设项目安全评价细则(试行)》等相关要求(封面、封二以细则为准)。
A 符合二、项目概况3 前言高度概括项目来由、性质及企业简况,简述项目评价对象、范围、依据及工作经过,明确哪些产品(副产品、中间产品)须凭安全生产许可证生产,企业是属于危化品生产单位还是使用单位。
B 符合4 项目周边情况项目的生产、储存设施与居住区、周边单位、道路、江河、重要设施等应表述清楚;改扩建项目的与原有生产储存装置间关系应表述清楚。
B 符合5 项目四图报告中需附项目地理位置图、区域位置图、总平面布 B 基本置图、防爆区域图;项目周边环境清楚并有大致距离(图示或文字);总平面布置图(竣工图)中需标明建、构筑物及设施的间距。
符合序号审查内容审查要点类别结论6 原料、产品和中间产品产品表述其用途;产品和使用的原料名称、年产量(使用量)、储存量、包装及储存方式、运输方式等内容表述全面。
B 符合名称要符合《化学命名原则》,对混合物和使用商品名的物料必须清楚标明其主要成分,对于有保密要求的物料必须注明其是否属于危险化学品。
B 符合7 工艺每个产品的反应方程式、工艺流程简图及工艺说明叙述准确,(主、主要副反应不清;反应物、主要生成物有遗漏;遗漏重要反应条件;工艺不清;物料严重失衡均为不符合)B 符合有条件的,应对国内外同类建设项目水平进行对比 B 符合8 装置设备主要设备一览表中标注关键设备的规格、型号,数量、工况、材质等参数齐全、正确;特种设备在备注中明确或单独列表注明。
(遗漏重要设备、设施;主要设备清单多处谬误均为不符合)B 符合石化装置、具有一定规模装置应表述清楚其主要装置、设施布局及其上下游生产装置的关系。
B 符合9 配套设施与建设项目配套的公用和辅助工程设施(水、电、热、气、氮、消防设施等),应表述清楚其能力或负荷、介质或物料来源。
B 基本符合10 项目变更①项目现场实际与设计专篇不一致的部分应予以表述;②有变更的,应有设计单位变更手续;③对变更部分应在后述评价过程中从是否符合安全条件进行评价。
B 符合11 危化品信息危化品有遗漏的为不合格;数据信息有明显错误的为不合格。
A 符合辨识的危化品范围:GB12268-2005;注明“领证”的危化品的范围:《危险化学品名录》(2002)三、危险有害因素的辨识与分析、评价单元与方法划分12 危险危害因素辨识全面、正确,做到五不遗漏。
(重要危险物质、重要生产储存装置、重要工艺危险分析、选址与总平、公用工程)A 符合13 重大危险源辨识、计算、结果是否正确(按GB18218-2000)。
A 符合14 评价单元评价单元划分正确并说明其划分理由。
A 符合评价单元至少应包括:⑴法律法规等方面符合性评价单元;⑵周边环境适应性评价单元;⑶总图布置及建、构筑物符合性评价单元;⑷工艺、设备、装置、设施方面安全可靠性评价单元;⑸公用工程、辅助设施配套性评价单元;⑹应急救援有效性评价单元;⑺安全管理和从业人员条件方面符合性评价单元。
15 评价方法必须采用安全检查表评价法;根据安全评价需要可辅以其他安全评价方法。
A 符合四、安全设施16 安全设施配备应按照安全设施目录分类列出安全设施设计中的安全设施;应列出建设项目落实的安全设施情况;应列出未采取设计的安全设施。
A 符合五、定性、定量分析和符合性评价17 固有危险程度固有危险程度按〈细则〉6.4.2.3要求进行计算和分析评价,计算、分析评价有严重缺陷的为不合格。
B 符合18 风险程度风险程度按〈细则〉6.4.2.4要求进行计算和分析评价计算、分析评价有严重缺陷的为不合格。
对于泄漏速率、时间,有条件的应进行计算。
B 符合19 安全条件建设项目的内在、周边、自然条件影响的分析表述全面正确。
A 符合20 安全生产条件安全设施方面:1、安全设施的施工、检验、检测和调试情况①施工质量:表述施工单位名称及其资质情况,对施工质量应有分析结果②检验检测:表述检验检测单位及其资质情况,对检验检测结果全面、有效性应有分析结果。
③调试:表述安全设施试生产(使用)中的调试及运行情况,并有分析结果。
2、安全设施符合法律法规、标准的说明应列出具体条款。
3、有条件的,应列出借鉴国内外同类建设项目所采取的安全设施及其依据。
B 符合21 安全管理方面:1、应按〈细则〉7.4.3.2要求完整表述建设项目安全管理情况;2、对于安全管理方面的执行情况对照企业实际抽查,验证评价报告的真实性。
B 符合22 技术、工艺方面:1、应对建设项目的试产情况技术工艺方面进行介绍,并对技术工艺方面的情况进行分析并得出结果。
2、对装置的自控、安全联锁系统运行情况应表述清楚并进行分析,得出结果。
B 符合23 装置、设备和设施方面:1、应表述装置、设备和设施的法定检验、检测情况;2、应对建设项目的试产情况装置、设备和设施方面进行介绍,对装置、设备和设施方面的运行、检修、维护情况进行分析并得出结果。
B 符合24 原料、辅助材料和产品方面:应对危险化学品的包装、储存、运输是否符合安全条件作出分析、评价。
B 符合25 作业场所:1、应表述职业危害防护设施的配备、法定检验、检测情况;2、应对职业危害防护设施的检修、维护情况进行分析并得出结果。
B 基本符合26 应急预案方面:应对事故应急救援预案的完整性、针对性、可操作性及演练记录进行分析评价B 基本符合27 其它方面:改、扩建项目依托原有工程的,应按安监总危化[2007]121号文“以新带老”要求进行分析评价,并提出安全对策措施要求。
A 符合六、事故及案例28 事故管理和案例1、应对试运行中发生的事故是否按“四不放过”原则进行处理并分析评价2、事故案例有原因有后果,应与建设项目相关,有借鉴意义。
B 符合七、安全对策措施与建议29 隐患整改应对验收评价中发现的事故隐患、不安全因素提出整改要求并有复查结果。
A 符合30 措施和建议应在已有的安全设施与措施基础上体现进一步的安全措施和建议,并具有针对性、可行性。
B 符合八、结论31 评价结论按〈细则〉7.7.1要求,结论客观、公正、明确 A 符合对于领证单位,应对企业是否具备申领安全生产许可证的安全生产条件进行评价并得出结论。
32 交换意见报告中需附评价机构与建设单位的交换意见表,双方签章。
对达不成一致意见的应予以充分说明。
A 符合说明1、类别栏标注“A”的属否决项;类别栏标注“B”的属非否决项,如有一项A项或八项B项不合格,则建设项目安全验收评价报告审查不予通过;2、在审查意见栏中写“符合”、“基本符合”、“不符合”三个等级;3、在审查中如发现新的问题不在上述内容范围内,请在综合审查意见栏内加以表述。
综合审查意见一、报告部分:评价报告符合《安全评价通则》(AQ8001-2007)、《安全验收评价导则》(AQ8003-2007)、《危险化学品建设项目安全评价细则(试行)》等相关要求,评价单元划分合理,评价方法选择得当,定性定量分析及危险有害因素辨识正确,安全对策措施与建议可操作性强。
报告需完善部分:1、。
2、。
3、4、。
二、现场部分:1、。
2、。
3、。
4、。
5、。
专家组组长:年月日建设单位意见签章:年月日安全检验评价机构意见签章:年月日安全生产监督管理部门意见:(盖章)年月日结论√通过口原则通过口不予通过附:评审专家名单:姓名单位签名。