热工联锁保护投退审批流程
- 格式:doc
- 大小:52.00 KB
- 文档页数:3
关于印发《热控保护修改投退管理制度》的通知公司所属各部门、各外委单位:为了确保我公司发电机组的稳定运行,杜绝机组非计划停运和降出力事件的发生,保证热工保护系统的正常运行,依据大唐集团公司关于“保护必须安全、稳定、可靠,保护必须正确动作”的规定,进一步规范热控保护投退的程序,特制定本制度。
望各单位和各部门周知、认真贯彻,并严格执行。
特此通知。
附件:《热控保护修改投退管理制度》二○○六年四月十日附件:内蒙古大唐托克托发电有限责任公司热控保护修改投退管理制度编写:李兴旺部门审核:刘阳安监审核:陈立伟批准:冯树礼2006 年04月09日内蒙古大唐国际托克托发电有限责任公司企业标准热控保护修改投退管理制度1主题内容和适用范围1.1为了确保我公司机组的稳定运行,杜绝机组非停,保证热工保护的正常运行,依据大唐公司关于“保护必须安全、稳定、可靠,保护必须正确动作”的规定,特制定本制度。
1.2本制度适用于内蒙古大唐托克托发电有限责任公司热工保护的投退工作。
2总则2.1为认真贯彻“安全第一、预防为主”的方针,保证我公司热控保护投退的管理规范化、标准化、制度化,保证机组的安全、稳定运行,特制定本制度。
2.2本制度由内蒙古大唐托克托发电有限责任公司提出。
3热工保护及其定值的临时修改与退出3.1主机和重要辅机保护如:汽包水位、灭火保护等必须经公司总工程师审批。
3.2运行中,因主辅设备或热工自动化设备维修,需要临时退出主辅设备的保护或更改保护定值时,应由提出专业填写热工保护修改变更单(见附录B),说明申请原因及保护退出的时间和期限。
3.3保护投退操作由热工人员进行,并对执行的正确性负责,运行人员负责确认。
3.4遇有紧急情况,急需退出保护时,由值长请示总工程师,并由值长在保护投退单上签字注明。
3.5保护退出完成有关工作后,必须在限定的时间内将保护投入运行,并经过热工和运行人员确认。
3.6热工主保护退出时一般应在8h内恢复。
若不能完成,应制定措施,经总工程师批准,允许延长工期,但最多不能超过24h,并报大唐国际发电股份有限公司备案。
XXXX电厂保护、联锁和报警系统管理制度(热工)第一章总则第一条本制度规范XXXX电厂(以下简称XXXX电厂)热工保护、联锁和报警系统运行和投退的管理程序,明确热工保护、联锁和报警定值的审批及管理程序。
强化热工保护、联锁和报警装置的管理,确保发电机组和电网的稳定运行,尤其是加强关键发电设备热工保护系统的管理,使保护装置在关键设备出现故障和异常时及时准确的动作或报警,确保关键设备的安全。
第二条本制度适用XXXX电厂所有带有热工保护、联锁和报警装置的发电设备和系统。
适用于XXXX电厂关键设备保护系统的管理,包括职责划分、工作要求及试验与维护。
适用于识别关键设备保护系统的设备和系统,且确立其维护职责,明确了热工保护审批流程、维护职责、投入和退出管理的流程、职责和管理要求。
制度执行坚持“安全第一、预防为主、综合治理”的方针,遵循“保人身、保设备、保电网”的原则,以安全作业规程、相关规程规范为准绳,严格执行“三票三制”,严格规范人员行为,杜绝违章,防止事故的发生。
第二章执行依据与规定第三条引用标准及关联制度:(一)《发电厂热工仪表及控制系统技术监督导则》(DL/T 1056)(二)《火力发电厂热工自动化系统检修运行维护规程》(DL/T 774)(三)国家能源局《防止电力生产事故的二十五项重点要求》(国能安全〔2014〕161号)(四)XX公司《火力发电厂热工技术监督标准》(五)XX公司《火力发电厂技术监督通用管理标准》(六)XX公司公司《火力发电厂全过程技术监督考核标准(试行)》(七)《XXXXXXX热工保护投退管理制度》第四条专用术语定义(一)主保护:指直接引发锅炉BT、MFT,直接使汽轮机跳闸、发电机解列的保护及炉、机、电之间的大联锁。
XXXX 电厂主保护为BT、MFT、ETS(包含DEH)以及与发电机跳闸相关保护。
(二)主要辅机保护、联锁:指直接引发发电机组主要辅助设备停运或系统退出运行的保护功能,以及主要辅机和设备间的联锁功能。
责任公司
热工联锁保护投退审批流程
批准:
审核:
编制:
2010-5-28发布 2010-6-1实施
责任公司
责任公司
热工联锁保护投退审批流程
Q/ 9
1 目标
本流程规定了公司热工联锁、保护投退审批的规范管理工作,确保公司热工联锁、保护投退审批工作的正常开展。
2 范围
本流程适用于公司热工联锁、保护投退审批管理工作。
3 流程主管部门
设备技术部。
4 流程描述
4.1工作的准备
4.1.1在机组运行过程中,由于检修工作需要对联锁、保护投退时,由工作负责人填写联锁、保护投退审批单;
4.1.2由于运行方式变更需要对联锁、保护投退及逻辑修改时,由发电部运行专工填写联锁、保护投退审批单。
4.2实施
4.2.1申请人需要对联锁、保护投退时,首先汇报专业专工;专工对联锁保护投退的必要性进行审定,同时请示专业分管主任,同意后方可填写对联锁、保护投退审批单;
4.2.2初审:由发电部当值值长审定;
4.2.3审批:由发电部、设备技术部主任或分管副主任/主任助理审批;
4.2.4批准:由生产副总进行批准;
4.2.5审批完成后在后备监护下执行联锁、保护投退操作;
4.2.6工作结束后经确认联锁、保护装置正常时方可投入。
4.3归档
4.3.1热工联锁、保护投退单随工作票进行归档保存;
4.3.2热工联锁、保护投退后由工作负责人在专用记录薄记录。
5 流程图。
电气、热工保护联锁系统投退的管理规定1、总则1.1为了加强安全生产管理,提高生产管理的标准化水平,进一步提高发电设备可靠性,确保电厂安全经济运行,根据原国家电力公司及华北电网有限公司颁发的《防止电力生产重大事故的二十五项重点要求实施细则》和《火力发电厂热工自动化设备检修、运行维护规程》等国家及行业标准,并结合电力体制改革修订本制度。
1.2 此管理规定对全厂机组(系统)均有效。
1.3 此管理规定解释权属生技部。
2、电气、热工保护联锁系统的管理2.1 由生计部编制专用的保护联锁试验操作卡(参考附录A),操作卡上对既有软逻辑又有硬逻辑的保护系统应有明确标志,以防试验时遗漏。
2.2 检修以后的过程控制、信号、保护、联锁系统均应严格按照审核后的试验操作卡逐步进行。
重要保护不能可靠动作时,禁止机组起动和运行。
2.3 机组起动前辅助油泵必须处于联动状态。
机组正常停机前,应进行辅助油泵的全容量起动、联锁试验。
运行中,保护、联锁系统需定期进行试验。
2.4 每次机组检修后起动前应进行锅炉、汽机、发电机组变主保护静态传动试验,以检查跳闸逻辑、报警及停机动作值。
所有检测用的传感器必须在规定的有效检定周期内。
3、保护联锁系统的投退管理3.1电气、热工保护条件需退出或投入运行时,必须严格执行投退程序及审批制度。
3.2对于以下主系统的保护退出 (投入) 时必须经生产副经理签字; 当退出时间大于72 小时时,在审批时必须经生产副经理签字。
(1)炉膛压力高低保护;(2)汽包水位高低保护;(3)总风量低保护;(4)一次风机停保护;(5)炉膛温度保护;(6)燃料全失保护;(7)汽机润滑油压力低保护;(8)汽机支持轴承回油温度高保护;(9)真空低保护;(10)汽机推力轴承回油温度高保护;(11)超速保护 (112% 3360 /min);(12)凝结器水位低保护;(13)除氧器水位保护;(14)DEH系统停机保护;(15)发电机组保护 (包括励磁系统主保护);(16)主变压器主保护。
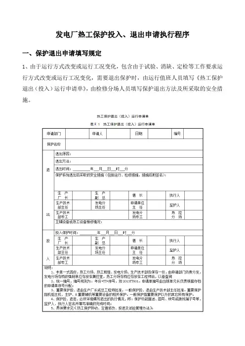
发电厂热工保护投入、退出申请执行程序一、保护退出申请填写规定1、由于运行方式改变或运行工况变化,包含由于试验、消缺、定检等工作要求运行方式改变或运行工况变化,需要退出保护时,由运行值班人员填写《热工保护退出(投入)运行申请单》,由检修分场人员填写保护退出方法及所采取的安全措施。
2、由于试验工作,但不会发生运行方式改变或运行工况变化,需要退出保护时,试验人员根据试验项目名称或试验方案要求,填写《热工保护退出(投入)申请单》,并在保护退出原因栏内注明试验项目名称及工作联系单或工作票编号等,由检修分场热控检修人员填写保护退出方法及所采取的安全措施。
3、由于消缺工作,但不会发生运行方式改变或运行工况变化,需要退出保护时,消缺人员根据缺陷单或工作票安全措施的要求,填写《热工保护退出(投入)申请单》,并在保护退出原因栏内注明缺陷单或工作票编号等,由检修分场热控检修人员填写保护退出方法及所采取的安全措施。
4、由于定检工作,但不会发生运行方式改变或运行工况变化,需要退出保护时,检修人员根据作业指导书的要求填写《热工保护退出(投入)申请单》,并在保护退出原因栏内注明退出原因,由检修分场热控检修人员填写保护退出方法及所采取的安全措施。
5、机组正常停运,应根据运行状况逐步退出相关保护,直至所有保护全部退出,退出申请由当班单元长填写《热工保护退出(投入)申请单》,明细单(见附录G、H、I)附在申请单后,经生产技术部主任、发电分场主任批准,当班值长许可后执行。
6、重要保护退出申请提出后,经检修分场初审,发电分场、生产技术部审核,经生产厂长或总工程师批准(在生产厂长或总工程师不在厂时,由总工程师授权人代总工程师批准保护退出申请),由当值值长许可,由检修分场的授权人员实施,生产技术部热控专业主管、检修分场热控专业主管全过程监护。
执行完毕后,必须详细填写保护退出的执行情况,即:保护信号功能描述、参考图号、相关软件编号及地址、就地接线柜号及端子编号等,监护人、执行人签名并填写准确的完成时间。
内蒙古伊东集团东方能源化工有限责任公司电厂企业标准Q/YDRD-001、17-03-2017 热工联锁保护投退管理办法编制: 崔伊波审核: 霍建杰批准: 王永明2017-03-15发布 2017-03-15实施内蒙古伊东集团东方能源公司电厂发布目次前言 (I)1 范围 (1)2 规范性引用文件 (1)3 术语、定义 (1)4 职责 (1)5 管理内容与方法 (2)6 检查与考核 (5)附录A(规范性附件)热工联锁保护投退单 (7)附录B(规范性附录)热工保护定值变更申请单 (8)前言本标准就是根据内蒙古伊东集团东方能源化工有限责任公司电厂(以下简称“伊东热电或公司”)标准体系工作的需要而编制,就是企业标准体系建立与实施的个性标准,目的就是为了规范伊东热电热工联锁保护投退管理,从而规范并加快企业标准体系的完善,适应国家标准与国际先进标准的需要。
本标准附录A-C为规范性附录。
本标准由设备管理部提出并归口管理。
本标准起草部门:安全组、汽机、电气、锅炉、热工本标准起草人:崔伊波本标准审核人:骞金生本标准复审人:霍建杰本制度批准人:王永明本制度于2017 年03 月首次发布。
热工联锁保护投退管理办法1 范围本标准规定了伊东热电热工联锁保护的投退管理,逻辑、定值修改,保护投退措施等内容。
本制度适用于伊东热电生产系统中热工联锁保护的投退管理。
2 规范性引用文件下列文件对于本文件的应用就是必不可少的。
凡就是注日期的引用文件,仅注日期的版本适用于本文件。
凡就是不注日期的引用文件,其最新版本(包括所有的修改单)适用于本文件。
1、电力工业部水电电生字第73号-《火力发电厂热工仪表及控制监督条例》2、DL/T1056-2007-《发电厂热工仪表及控制系统技术监督导则》3、Q/BEIH-215、09-21-2010-《技术监督导则》-《内蒙古电力工业技术监督考评办法》4、DL/T5428-2009-《火力发电厂热工保护系统设计规定》5、《防止电力生产重大事故的二十五项重点要求》3 术语、定义3、1 热工保护保护就是监视与设备安全相关的参数,必要时使设备停运的装置。
热工联锁保护投退管理制度为了确保热工设备的安全运行和保护人员安全,减少事故的发生和损失,我们制定了热工联锁保护投退管理制度。
本制度旨在明确热工联锁保护的范围、要求和程序,规范相关工作人员的行为和责任。
一、热工联锁保护的范围1.设备的启动、停止、运行和维护过程中的联锁保护;2.设备自动化控制系统的安全保护;3.设备的限位、过载、温度、压力等各种保护装置的功能和管理;4.与其他设备或系统存在安全依赖关系的联锁保护。
二、热工联锁保护的要求1.所有热工设备的关键参数和保护装置都必须确定,并且要求有相应的技术文件和记录进行备查;2.热工设备的投退必须经过授权人员的书面批准,并且要按照相应的程序进行操作;3.操作人员必须严格按照操作规程进行操作,不得随意变更设备的状态和参数;4.所有热工设备的联锁保护必须完好可靠,不得存在故障和失效的情况;5.对于存在安全隐患或者联锁保护失效的设备,必须立即停用并进行维修;6.对于新增的热工设备,必须在投运前经过相应的试运行和调试,确保联锁保护正常可靠。
三、热工联锁保护的管理程序1.投退前准备工作(1)确定投退计划,并报经相关部门批准;(2)编制热工设备的投退操作规程;(3)检查热工设备的联锁保护装置,确保正常可靠;(4)确认操作人员的资质和相关授权文件。
2.设备投运过程(1)按照操作规程进行设备投运;(2)监控设备的运行状态和联锁保护装置的工作情况;(3)及时处理设备故障和异常情况,确保设备安全运行。
3.设备停用后处理(1)施行临时性和永久性的联锁保护,确保设备停用安全;(2)制定设备停用的维护计划,并落实维护人员的责任;(3)对设备进行停用后的检查和维修,确保设备再投入运行前的安全可靠。
四、热工联锁保护的考核和改进1.建立热工设备的联锁保护的台账,并及时记录操作、维护等情况;2.定期对热工设备的联锁保护进行检查和测试,并填写联锁保护检测报告;3.发现联锁保护失效或者安全隐患,必须立即上报并进行整改;4.进行联锁保护培训和教育,提升相关人员的专业素质;5.根据实际情况,对热工联锁保护的制度进行修订和改进,提高其适用性和可操作性。
精品责任公司热工联锁保护投退管理制度批准:审核:编制:部2010-5-28 发布2010-6-1 实施责任公司公司热工联锁保护投退管理制度1. 总则1.1. 本制度适用于限责任公司热工联锁保护的投退管理,包括联锁保护信号的解除、恢复管理和审批程序。
1.2. 本制度规范了责任公司热工联锁保护投退审批单的执行范围、申请内容和具体审批程序。
1.3. 本制度规范了有限责任公司热工联锁保护投退审批单的格式、编号规则、保存管理要求。
1.4. 在热工联锁保护及回路上进行检修调整或试验等工作时,必须严格遵守电业安全作业规程和相关规程的有关规定。
1.5. 按照热工技术监督相关要求,检修后的热工联锁保护装置应安装牢固,其机械及电气部分应动作正确、灵敏、可靠,并严格执行三级验收和联锁保护传动试验,合格后随主设备准确可靠地投入运行,运行中的热工联锁保护装置未经审批任何人都无权进行投退操作。
1.6. 化水程控、凝结水精处理程控、除灰程控、输煤程控、斗轮机程控、翻车机程控、电除尘程控等PLC控制系统联锁保护的投退均参照本制定执行。
2. 引用标准2.1. 《防止电力生产重大事故的二十五项重点要求》。
3. 热工联锁保护投退原则3.1. 根据热工联锁保护在机组热力系统中对安全、经济运行状态所起作用的重要程度,将热工保护及联锁系统划分为重要热工联锁保护和普通热工联锁保护。
重要热工联锁保护包括:机炉电大联锁保护、锅炉MFT保护、ETS保护、METS保护、Run back保护、锅炉AB侧大联锁保护、锅炉过热蒸汽压力高保护、高低压加热器、除氧器水位保护、抽汽逆止门保护、汽轮机30% 旁路保护、汽轮机防进水保护、发电机断水保护、脱硫FGD 保护及其它主要辅助设备联锁保护。
普通热工联锁保护指一般辅助设备的联锁保护。
3.2. 在机组或设备运行过程中,重要热工联锁保护需要投退时,按照《热工联锁、保护投退审批流程》执行。
3.3. 因检修工作需要对普通热工联锁保护投退时,由工作负责人汇报专业专工,专工对联锁保护投退的必要性进行审定,同时请示部门主任或分管副主任/ 主任助理同意,在工作票安全措施栏逐项填写,由当值值长征得发电部主任或分管副主任/主任助理同意后批准执行。
*********有限公司保护、联锁、报警投退管理办法1.本办法与现行标准有冲突,执行本办法。
2.本办法未尽事宜,执行现行标准。
3.本办法试行后将修改相关标准。
4.定义4.1保护是指测量、量值传递、逻辑判断、定值门槛、动作后联锁、保护装置辅助设备、执行机构等构成的一个完整系统。
可分为热工保护、电气保护、机械保护、复合式保护。
机械保护是指压力容器、管道的安全阀,汽轮机机械超速保护,低压缸防爆膜、磨煤机防爆门等纯机械装置构成的保护;复合式保护是指PCV阀等由电气、热工与机械装置配合构成的保护。
4.2联锁是指通过热工、电气、机械等装置、程序在某一条件或状态达到相关标准触发闭锁、联动相关设备,保护或制约相关设备、运行参数等。
闭锁一般有闭锁启动、闭锁升、闭锁降、闭锁切换、闭锁自动调节(自动调节跳手动)、闭锁进行下一步动作或程序等。
联动一般有联锁跳闸、有联锁启动(含备用投入)、联锁开关阀门、强制升、强制降、超驰等。
4.3报警是指设备参数或系统参数某一条件或状态达到相关标准触发声音、光、字体颜色、现场设备机械状态改变或其组合,提醒运行人员或检查人员注意或进行干预的行为。
4.4保护、联锁、报警退出是指经审批许可后无论采取强制、解线、变更逻辑、修改参数(定值参数、延时参数等)、解除压板、挂起、备用退出、采取机械措施、切断保护装置的电源、动力源等、隔离保护先导设备等任何措施使保护、联锁、报警失去保护、联锁、报警功能或部分功能丧失、变化,含保护、联锁、报警最终的执行机构。
4.5保护、联锁、报警投入是指经审批许可后且确认无误,恢复保护、联锁、报警原有设计全部功能。
4.6运行部门是指有运行职责的运行部、燃料管理部、供热产业部、龙源特许经营单位。
4.6设备管理部门是指有设备管理职责的设备管理部、燃料管理部、供热产业部、龙源特许经营单位。
4.8申请退出、恢复人员(简称“申请人”)申请人是指公司运行部门及公司设备管理部门正式员工,燃料外包单位运行员工,特许经营单位运行员工。
热控保护联锁投退管理制度批准:审批:审核:初审:编制:热控保护联锁投退管理制度1. 目的为了确保xxx发电有限公司机组的稳定运行,杜绝机组非停,规范作业人员的行为,防止保护投退误操作,保证控制系统的可靠性,特制定本制度。
2. 适用范围本制度规定了公司控制系统保护、联锁投退管理要求和流程,适用于控制系统的保护、联锁投退工作。
3. 引用标准《防止电力生产重大事故的二十五项重点要求》《电力安全生产工作规程》《火力发电厂热工保护系统设计技术规定》DL/T5428-20094. 热控保护联锁的投退管理4.1 需临时退出保护、联锁时,应由提出专业或部门填写申请,说明原因及保护、联锁退出的时间,并根据保护、联锁退出的性质和要求,填写技术措施和安全措施,报所在部门专业(专责或主管)及以上相关领导进行审核、部门经理审批、总工程师或生产副总经理批准。
对于机组主保护或可能造成锅炉灭火、汽轮机停机、系统解列的保护退出和修改必须经总工程师或主管生产副总经理批准(外出期间由授权人批准)。
运行人员和值长在办理申请单期间对安全措施进行补充,值长及热控人员必须做好记录。
4.2 所有机组热控保护的投退操作由热控人员进行,确认并填写投退位置,在审批表签字。
运行人员负责对热控人员的投退操作确认。
热控人员投退保护时必须至少两个人在场,一个负责执行,另一个负责监护。
4.3 保护、联锁退出完成有关工作后,必须在许可退出时间内由申请人提出将保护、联锁投入,并经审批后,由热控人员负责保护投入,并保证保护投入准确性,运行人员确认。
4.4 如果保护、联锁在许可退出时间内不能恢复,需要办理延期手续,重新填写《保护、联锁退出申请表》,同时要制定反事故措施。
《保护、联锁退出申请表》必须由总工程师或主管生产副总经理批准。
4.5 机组正常运行期间时,主辅设备的联锁、保护应当100%投入,任何人不得擅自退出机组保护、联锁或改动保护定值。
5. 机组启停期间保护投退规定5.1 机组正常运行期间须投入的保护,若在启动前即发现因故不能投运,退出前,必须经总工程师或生产副总经理批准。
调试过程中电气、热工保护、联锁退出/恢复运行管
理制度
一、机组在分系统调试和整套试运过程中,电气、热工设计中所配置的各种保护、联锁均应投入运行。
如因设计不当、设备质量不良、设备不配套、装置校验调整未达到应有的技术状态或临时检修消缺等各方面原因而无法投运需退出时,应执行本制度。
二、对于一般性的保护或联锁需退出运行时由提出人(一般为调试人员)填写“一般性电气、热工保护、联锁退出/恢复运行审批单”(见附件29),试运组长/当值值长批准后执行,其审批程序如下:调试人员填写“电气、热工保护、联锁退出运行审批单”--分系统调试由试运组长审批/整套试运由当值值长审批--专业组组长布置调试人员执行。
将执行后的审批单复印数份发送有关单位,原件由调试单位保存。
三、对于重要的保护、联锁的退出及投入,应执行附表,按第三~第六条办理,填写“重要电气、热工保护、联锁退出/恢复运行审批单”(见附件30)中的“保护或联锁退出原因”一栏时应详细说明。
四、在填写“电气、热工保护、联锁退出/恢复运行审批单”的“退出运行后的补救与预防措施”一栏时应写明该保护或联锁退出运行后可能产生的后果与应采取的补救和预防措施及运行过程中应注意的事项。
五、在批准某一设备或系统的电气、热工保护或联锁暂时退出运行的同时,应根据该保护或联锁不能投入运行的原因及时发联系单给业主、电力设计院或施工单位,要求尽快加以解决。
六、在该保护或联锁不能投运的原因消除后,专业组组长应指示有关的调试或施工人员将该保护或联锁重新投运,并通知有关单位。
七、任何人不得在未办理“电气、热工保护、联锁退出/恢复运行审批单”批准手续之前退出任何电气、热工保护、联锁。
. . .。
黄陵煤矸石发电公司焦化园分厂热工保护投退管理制度热工保护系统是保证机组安全运行的装置,在没有征得制造厂家或分厂领导批准,任何人不得擅自取消退投保户及改动保护定值。
1热工保护及其定值的临时修改与退出1.1 运行中,因主辅设备或热工设备检修,需要临时退出主辅设备的保护或更改保护定值时,应由提出专业填写“热工保护修改申请单”,热工保护修改申请单,说明申请原因及退出保护的时间和期限,专业主管对保护退出与修改可行性和必要性进行审核。
1.2 热工专业根据保护退出、修改、变更的性质要求,填写保护退出、修改、变更的图纸措施,专业主管审核,分厂领导批准,在运行人员许可后,由热工人员执行。
1.2.1 在主辅设备的维修工作结束后,应由主辅设备所属专工提出保护投用申请,经运行人员许可后,由热工人员执行保护的投用。
1.2.2 运行中,在紧急情况下,需临时退出热工保护或更改保护定值时,经值长同意,必要时由值长向相关领导提出口头申请,征得同意,热工人员可先实施,事后补办规定的审批手续。
2热工保护系统的改进和修改申请2.1 因主辅设备的异动、更改,要对热工保护系统进行改进和修改时,由主辅设备所属专业填写“热工保护修改申请单”,因热工保护系统进行改进,要对热工保护系统进行改进和修改时,由热工专业填写“热工保护修改申请单”,保护修改申请单应写明检修工作内容和软、硬件修改内容。
2.2 热工专业负责填写保护修改的图纸和安全措施,报专业主任审批,经分厂领导批准后,由热工人员实施,一般应进行离线模拟实验,有时应进行在线实验,验证保护系统软件与硬件的正确性。
3保护系统改进的执行3.1 护系统修改应根据“热工保护修改申请单”进行,保护修改申请批准后,经运行人员许可后,方可执行。
3.2 保护系统修改过程中应有专人监护,并对保护修改的具体操作进行核实记录。
3.3 保护系统修改完成后,执行人员与监护人共同在保护修改单上签字并作必要的记录,对保护定值变更和系统逻辑修改后的图纸进行整理,进行软件拷贝,热工保护申请单应及时存档。
责任公司热工联锁保护投退管理制度批准:审核:编制:部2010-5-28发布2010-6-1实施责任公司公司热工联锁保护投退管理制度1.总则1.1.本制度适用于限责任公司热工联锁保护的投退管理,包括联锁保护信号的解除、恢复管理和审批程序。
1.2.本制度规范了责任公司热工联锁保护投退审批单的执行范围、申请内容和具体审批程序。
1.3.本制度规范了有限责任公司热工联锁保护投退审批单的格式、编号规则、保存管理要求。
1.4.在热工联锁保护及回路上进行检修调整或试验等工作时,必须严格遵守电业安全作业规程和相关规程的有关规定。
1.5.按照热工技术监督相关要求,检修后的热工联锁保护装置应安装牢固,其机械及电气部分应动作正确、灵敏、可靠,并严格执行三级验收和联锁保护传动试验,合格后随主设备准确可靠地投入运行,运行中的热工联锁保护装置未经审批任何人都无权进行投退操作。
1.6.化水程控、凝结水精处理程控、除灰程控、输煤程控、斗轮机程控、翻车机程控、电除尘程控等PLC控制系统联锁保护的投退均参照本制定执行。
2.引用标准2.1.《防止电力生产重大事故的二十五项重点要求》。
3.热工联锁保护投退原则3.1.根据热工联锁保护在机组热力系统中对安全、经济运行状态所起作用的重要程度,将热工保护及联锁系统划分为重要热工联锁保护和普通热工联锁保护。
重要热工联锁保护包括:机炉电大联锁保护、锅炉MFT保护、ETS保护、METS保护、Runback保护、锅炉AB侧大联锁保护、锅炉过热蒸汽压力高保护、高低压加热器、除氧器水位保护、抽汽逆止门保护、汽轮机30%旁路保护、汽轮机防进水保护、发电机断水保护、脱硫FGD保护及其它主要辅助设备联锁保护。
普通热工联锁保护指一般辅助设备的联锁保护。
3.2.在机组或设备运行过程中,重要热工联锁保护需要投退时,按照《热工联锁、保护投退审批流程》执行。
3.3.因检修工作需要对普通热工联锁保护投退时,由工作负责人汇报专业专工,专工对联锁保护投退的必要性进行审定,同时请示部门主任或分管副主任/主任助理同意,在工作票安全措施栏逐项填写,由当值值长征得发电部主任或分管副主任/主任助理同意后批准执行。
中电投抚顺热电有限责任公司热工联锁保护投退管理制度批准:审核:编制:中电投抚顺热电有限责任公司二〇一一年十一月中电投抚顺热电有限责任公司热工联锁保护投退管理制度1目的1.1统一保护、联锁和报警系统投、退及定值调整的管理规定,防止保护、联锁和报警系统不正常投、退和定值的随意性调整。
1.2规范保护、联锁和报警信号投、退及定值调整标准,保证值班人员正确掌握保护、联锁、报警信号的当前状态。
2适用范围适用中电投抚顺热电有限责任公司。
3引用标准及关联制度3.1《火力发电厂热工自动化系统检修运行维护规程》DL/T774-2004。
3.2中国电力投资集团公司CPIYW-09-07《运行管理规则》。
3.3《防止电力生产重大事故的二十五项重点要求》。
4专用术语定义4.1申请人: 指提出《申请单》的人员。
4.1.1对由于主设备故障、检修维护要求等原因需暂时退出联锁保护运行的情况,由检修人员提出申请。
4.1.2对由于系统工况或运行方式不能满足要求需暂时解除信号的情况,由运行单位人员提出申请。
4.2审核人:指审核《申请单》的人员。
4.2.1申请人为检修人员的,审核人为热工专业部专工以上岗位人员。
4.2.2申请人为运行人员的,审核人由运行分厂专工以上岗位或其指定人员。
4. 3批准人: 指批准《申请单》的人员和批准延期以及批准恢复保护的人员。
4.3.1一般连锁保护由值长批准;4.3.2主保护的投退批准由生产厂长或分管副总批准。
4.3.3延期批准人为申请批准人员。
4.3.4批准恢复由值长批准4. 4执行人: 指进行《申请单》操作的人员。
4.4.1具有保护投切开关的由运行人员执行。
4.4.2需要在DCS内强制测点的由热工专业人员执行操作。
4.5监护人:监护人为当班运行人员。
监护人全程陪同执行人开展工作;对执行人给予必要的提醒。
4.6 主保护:是指主机保护(ETS)和炉膛安全监视保护(FSSS)。
5职责5.1制度负责人:中电投抚顺热电有限责任公司热工技术监督管理岗。
保护、联锁和报警系统的投退管理标准实施细则2015-08-01发布2015-08-01实施目录1 目的2 适用范围3 引用标准及关联制度4 专业术语及定义5 执行程序6 职责7 检查与评价1目的为了明确和规范保护、联锁和报警系统投退的管理程序和要求,加强保护、联锁和报警装置的管理,使保护装置在关键设备出现故障和异常时及时准确的动作或报警,确保发电机组和电网的稳定运行,特制度本标准。
2 适用范围本标准适用于×××厂关键设备保护系统的管理。
3 引用标准及关联子系统3.1 引用标准3.1.1《华北电力集团公司热控技术监督标准》(2001 年 12 月)3.1.2《火力发电厂热控仪表及控制装置技术监督规定》国电安运[1998]4833.1.3 《微机继电保护装置运行管理规程》DL/T 587—19963.2 关联子系统(无)4 术语定义和缩略语4.1 关键设备:是指那些一旦出现故障,将会对设备本身及人身安全、健康、环保、经济效益、电网等产生重大影响的设备,如出现人身伤亡、设备损坏、污染环境、机组停运或降出力等。
4.2 关键设备保护系统是:指为关键设备配置的保护、联锁、信号、自动装置,使关键设备发生异常时及时告警或切除关键设备,使之退出正常运行状态。
5 执行程序及管理要求5.1 保护、联锁和报警系统投入5.1.1 蒙西动力分厂必须制订保护定值申请单和保护投、退联系单。
联锁、保护和报警系统投入前,须经联锁、保护和报警系统专责人提出保护投入申请,并与运行人员共同确认联锁、保护和报警系统设备、控制回路及信号状态良好,并由双方在申请单上签字后方可投入。
5.1.2 发电机组正常运行时,主辅设备的保护应 100%投入,任何人不得擅自退出机组保护或改动保护定值。
5.1.3 发电机组正常运行时,特殊情况下需要变更联锁、保护和报警系统定值或修改保护系统,由提出变更保护定值或修改保护系统的部门负责人或专业工程师向公司总工程师(或主管生产副总经理)提出申请,审批结果应予记录。
责任公司
热工联锁保护投退审批流程
批准:
审核:
编制:
2010-5-28发布 2010-6-1实施
责任公司
责任公司
热工联锁保护投退审批流程
Q/ 9
1 目标
本流程规定了公司热工联锁、保护投退审批的规范管理工作,确保公司热工联锁、保护投退审批工作的正常开展。
2 范围
本流程适用于公司热工联锁、保护投退审批管理工作。
3 流程主管部门
设备技术部。
4 流程描述
4.1工作的准备
4.1.1在机组运行过程中,由于检修工作需要对联锁、保护投退时,由工作负责人填写联锁、保护投退审批单;
4.1.2由于运行方式变更需要对联锁、保护投退及逻辑修改时,由发电部运行专工填写联锁、保护投退审批单。
4.2实施
4.2.1申请人需要对联锁、保护投退时,首先汇报专业专工;专工对联锁保护投退的必要性进行审定,同时请示专业分管主任,同意后方可填写对联锁、保护投退审批单;
4.2.2初审:由发电部当值值长审定;
4.2.3审批:由发电部、设备技术部主任或分管副主任/主任助理审批;
4.2.4批准:由生产副总进行批准;
4.2.5审批完成后在后备监护下执行联锁、保护投退操作;
4.2.6工作结束后经确认联锁、保护装置正常时方可投入。
4.3归档
4.3.1热工联锁、保护投退单随工作票进行归档保存;
4.3.2热工联锁、保护投退后由工作负责人在专用记录薄记录。
5 流程图。