2019建筑防水涂料试验方法课件.doc
- 格式:doc
- 大小:734.50 KB
- 文档页数:3
防水涂料试验报告1. 背景介绍防水涂料是一种能够保护建筑物或者构造物免受水分侵蚀的涂料。
它通常是应用在建筑物的墙壁、地板、屋顶等部位,以防止水分渗透到建筑结构中,造成损坏。
防水涂料的主要作用是形成一个可靠的防水层,保护建筑物免受水腐蚀和漏水问题。
本文档将对一种新型的防水涂料进行试验,评估其防水效果和性能。
通过试验的结果,可以进一步了解该防水涂料在不同环境条件下的使用情况,为建筑工程和防水材料的选择提供参考依据。
2. 试验目的本次试验的主要目的是评估所测试的防水涂料的防水性能和耐久性。
具体试验内容包括:1.防水性能测试:通过模拟水压和水浸测试,评估涂料对水的防止渗透能力。
2.耐久性测试:通过人工老化、冻融循环和紫外线辐射测试,评估涂料的耐久性和防水层的长期稳定性。
3. 试验方法3.1 防水性能测试3.1.1 水压测试在试验设备中,将涂有防水涂料的试样暴露在一定水压下。
根据试验设备的要求,逐渐增加水压并记录涂料渗透的时间和程度。
根据试验结果进行评估。
3.1.2 水浸测试将涂有防水涂料的试样完全浸入水中,根据一定时间间隔观察试样是否发生渗漏。
连续进行数次水浸测试,并记录试样的性能变化,评估防水层的可靠性。
3.2 耐久性测试3.2.1 人工老化在试验设备中,将涂有防水涂料的试样暴露在高温和湿度条件下一定时间,模拟真实环境中的老化程度。
通过观察试样的外观和性能变化,评估防水层的耐久性。
3.2.2 冻融循环将涂有防水涂料的试样放入低温环境中,然后在规定的周期内进行冻融循环。
通过观察试样的外观和性能变化,评估防水层的耐候性和耐久性。
3.2.3 紫外线辐射使用紫外线辐射设备照射涂有防水涂料的试样,模拟阳光紫外线的辐射。
通过观察试样的外观和性能变化,评估防水层的抗紫外线能力和耐久性。
4. 试验结果和分析根据以上试验方法,得到的试验结果如下:•防水性能测试结果表明,该防水涂料在一定水压下能够有效防止水的渗透,达到了防水的要求。
专业的力学性能检测设备生产商
建筑防水涂料拉伸强度试验设备的选择:
1、防水涂料拉伸强度试验机测量值在量程的(15-85)%之间,示值精度不低于1%,伸长范围大于500mm;
2、电热鼓风烘箱:控温精度+2度;
3、冲片机及符合GBT528要求的哑铃裁刀;
4、厚度计:接触面直径6mm,单位面积压力0.02MPa,分度值0.01mm.
建筑防水涂料拉伸强度试验机试验步骤:
根据国标采取合适的哑铃型试验,并划好间距25mm的平行线,用厚度计测量软件标线中间和两端三点的厚度,取其上算术平均值作为试件厚度。
调正拉伸强度试验机夹具间距约
70mm,将试件夹在拉伸试验机上。
建筑防水涂料试验机结果的计算:
1、试件的拉伸强度根据T=F/(B*D)
备注:
T------拉伸强度,单位为MPa
F-------试件的最大拉力,单位问N
B-------试件中间部位宽度,单位为mm
D-------试件厚度,单位为mm
取无个试件的算术平均值作为试验结果,结果精确到0.01MPa
2、试件的断裂伸长率的计算根据E=(L1-L0)/L0*100
备注:
E----断裂伸长率,%
L0---试件起始标线间距离25mm;
L1---试件断裂时标线间距离,单位为mm
文章来自:济南中创工业测试系统有限公司技术部。
2A312040防水工程施工技术2A312041屋面与室内防水工程施工技术【考点】.屋面防水等级和设防要求(2013多)【考点】屋面防水施工要求(2013单)(2013单)(1)找坡层①屋面防水应以防为主,以排为辅。
②混凝土结构层宜采用结构找坡,坡度不应小于3%;当采用材料找坡时,坡度宜为2%。
③找坡层最薄处厚度不宜小于20mm。
(2)找平层①保温层上的找平层应在水泥初凝前压实抹平,并应留设分格缝,缝宽宜为5~20mm,纵横缝的间距不宜大于6m。
②养护时间不得少于7d。
(3)卷材防水层①卷材防水层铺贴顺序和方向1)卷材防水层施工时,由屋面最低标高向上铺贴;2)檐沟、天沟卷材施工时,宜顺檐沟、天沟方向铺贴,搭接缝应顺流水方向;3)卷材宜平行屋脊铺贴,上下层卷材不得相互垂直铺贴。
②立面或大坡面铺贴卷材时,应采用满粘法,并宜减少卷材短边搭接。
③卷材搭接缝应符合下列规定:1)平行屋脊的搭接缝应顺流水方向;2)同一层相邻两幅卷材短边搭接缝错开不应小于500mm;3)上下层卷材长边搭接缝应错开,且不应小于幅宽的1/3;4)叠层铺贴的各层卷材,在天沟与屋面的交接处,应采用叉接法搭接,搭接缝应错开;搭接缝宜留在屋面与天沟侧面,不宜留在沟底。
④厚度小于3mm的高聚物改性沥青防水卷材,严禁采用热熔法施工⑤屋面坡度大于25%时,卷材应采取满粘和钉压固定措施。
⑥水泥砂浆及细石混凝土保护层铺设前,应在防水层上做隔离层;(4)细部施工①卷材防水屋面檐口800mm范围内的卷材应满粘,卷材收头应采用金属压条钉压,并应用密封材料封严。
②檐口下端应做鹰嘴和滴水槽。
③檐沟和天沟的防水层下应增设附加层,附加层伸入屋面的宽度不应小于250mm;檐沟防水层和附加层应由沟底翻上至外侧顶部,卷材收头应用金属压条钉压,并应用密封材料封严,涂膜收头应用防水涂料多遍涂刷。
④女儿墙泛水处的防水层下应增设附加层,附加层在平面和立面的宽度均不应小于250mm。
防水涂料粘结强度试验1.适用范围本实施细则适用于聚合物水泥防水涂料粘结强度检验。
2.技术标准GB/T 17671-1999 《水泥胶砂强度试验方法》GB/T 23445-2009 《聚合物水泥防水涂料》GB/T 16777-2008 《建筑防水涂料试验方法》3.仪器设备拉力试验机;量程(0~5000)N,示值精度不低于1%,拉伸速度可调至(5±1)mm/min。
拉伸试验用夹具:由上夹具。
下夹具和垫板组成水泥标准养护箱:控温范围(20±1)℃,相对湿度不小于90%。
4.试件制备4.1 水泥砂浆基板的制备:按GB/T 17671-1999的规定配制水泥砂浆,用内部尺寸(70×70×20)mm的金属膜具成型基板,在水泥标准养护箱中静置12h后脱模,然后将基板在(20±2)℃的水中养护6d,再用60号碳化硅砂轮或类似的磨具湿磨基板成型时的下表面,除去浮浆。
然后在标准状态下静置7d备用。
4.2 无处理、碱处理和浸水处理试件的制备:将在标准条件下静置后样品按生产厂指定的比例分别称取适量液体和固体组分,混合后机械搅拌5min,静置(1~3)min,以减少气泡。
分别涂覆在水泥砂浆基板研磨面上,使涂层厚度为 1.5mm,然后用刮刀修平表面。
标准条件下养护96h,然后在(40±2)℃干燥箱中放置48h,取出后,在标准试验条件下至少放置4h。
每种试验条件分别制备五个试件。
4.3 潮湿基层试件的制备将基板在(23±2)℃的清水中浸泡24h,立即用清洁干布拭去基板粘结面的附着水,按上述方法直接在粘结面上涂覆试料,于标准条件下养护96h,然后在(40±2)℃干燥箱中放置48h,取出后,在标准试验条件下至少放置4h。
每种试验条件分别制备五个试件。
4.4 碱处理和浸水处理试件的封边碱处理和浸水处理的试件应在养护后(于标准条件下养护96h,然后在(40±2)℃干燥箱中放置48h,取出后,在标准试验条件下至少放置4h。
建筑防水涂料工程要求试验方法
建筑防水涂料工程的试验方法是非常重要的,它可以确保施工质量和工程的可靠性。
一般来说,建筑防水涂料工程的试验方法包括以下几个方面:
1. 粘结强度测试,这是评价防水涂料与基材之间粘结性能的重要指标。
常用的试验方法包括剪切粘结强度测试和拉伸粘结强度测试。
剪切粘结强度测试可以采用GB/T 3810.8-2006《涂料和清漆
粘结强度剪切法》标准进行,而拉伸粘结强度测试可以采用GB/T 3810.7-2006《涂料和清漆粘结强度拉伸法》标准进行。
2. 耐水性测试,这是评价防水涂料耐水性能的重要指标。
一般可以采用浸水试验或人工气候老化试验来进行评定。
浸水试验可以采用GB/T 1733-1993《涂料和清漆耐水性的测定》标准进行,而人工气候老化试验可以采用GB/T 1865-2009《涂料和清漆人工气候老化试验》标准进行。
3. 耐碱性测试,建筑防水涂料通常需要具备一定的耐碱性能,以保证在碱性环境下的使用稳定性。
耐碱性测试可以采用GB/T 9264-2008《涂料耐碱性的测定》标准进行。
4. 施工性能测试,这是评价防水涂料施工性能的重要指标,包括涂料的流平性、干燥时间、涂覆厚度等。
这些性能可以通过实际施工试验和相关标准测试来评定。
总的来说,建筑防水涂料工程的试验方法涉及到涂料的粘结强度、耐水性、耐碱性以及施工性能等多个方面,通过严格按照相关标准进行试验,可以有效评定涂料的性能,确保工程质量。
防水涂料低温柔性试验
1.适用范围
本实施细则适用于聚合物乳液建筑防水涂料和聚合物水泥防水涂料的低温柔性检验。
2.技术标准
GB/T 16777-2008 《建筑防水涂料试验方法》
JC/T 864-2008 《聚合物乳液建筑防水涂料》
GB/T 23445-2009 《聚合物水泥防水涂料》
3.仪器设备
低温箱:温度控制-30℃~0℃,温度控制精度±2℃;
圆棒:直径10mm
4.试件制备
4.1 将静置后的样品搅拌均匀,在不混入气泡的情况下倒入
5.4.1规定的模具中涂覆。
为方便脱模在涂覆前模具表面可用硅油或液体蜡进行处理,试件制备时分两次涂覆,两次涂覆间隔24h,在24h以内使涂覆厚度达到1.2mm~1.5mm,制备好的试件在标准试验条件下养护96h,脱模后再放入(40±2)℃干燥器中烘干48h,取出后在标准试验条件下放置4h以上。
4.2 检查涂膜外观,试件表面应光滑平整、无明显气泡。
按要求裁取试件。
5.试验方法
将试件和直径10mm的圆棒在规定温度的低温箱中放置2h后,
打开低温箱,迅速捏住试件的两端,在(2~3)s内绕圆棒弯曲180°,记录试件表面弯曲处有无裂纹或断裂现象。
6.结果评定
聚合物乳液建筑防水涂料按JC/T 864-2008的表1进行评定。
聚合物水泥防水涂料按GB/T 23445-2009的表1进行评定。
Q/JNZG 济南卓高建材有限公司企业标准Q/JNZG 04-2019 聚天门冬氨酸酯聚脲弹性体防水涂料2019-6-6发布2019-6-10实施济南卓高建材有限公司发布前言本产品暂无国家及行业标准,参考科技基[2009]117号《客运专线铁路桥梁混凝土桥面喷涂聚脲防水层暂行技术条件》,并结合产品实际特性制定本标准,为产品组织生产、质量监督和贸易仲裁提供依据。
本标准按照GB/T 1.1—2009《标准化工作导则第1部分:标准的结构和编写》给出的规则起草。
本标准由济南卓高建材有限公司提出并起草。
本标准主要起草人:张宏强、党相勇。
本标准为首次发布。
聚天门冬氨酸酯聚脲弹性体防水涂料1 范围本标准规定了聚天门冬氨酸酯聚脲弹性体防水涂料的术语和定义、产品分类、技术要求、试验方法、检验规则及标志、包装、运输和贮存。
本标准适用于以聚天门冬氨酸酯及其改性树脂为主要成膜物,加入颜填料(清漆不加)、溶剂、助剂等辅料作为主剂,多异氰酸酯树脂为固化剂,使用手刷、辊涂、普通喷涂、普通无气喷涂方式施工生成的,用于建设工程、基础设施防水用聚脲弹性防水涂料。
2 规范性引用文件下列文件对于本文件的应用是必不可少的。
凡是注日期的引用文件,仅所注日期的版本适用于本文件。
凡是不注日期的引用文件,其最新版本(包括所有的修改单)适用于本文件。
GB 190 危险货物包装标志GB/T 191 包装储运图示标志(ISO 780:1997,MOD)GB/T 328.15-2007 建筑防水卷材试验方法第15章高分子防水卷材低温弯折性GB/T 529-2008 硫化橡胶或热塑性橡胶撕裂强度的测定(裤形、直角形和新月形试样)GB/T 1724 涂料细度测定法GB/T 1725 色漆、清漆和塑料不挥发物含量的测定(ISO 3251:2003,IDT)GB/T 1766-2008 色漆和清漆涂层老化的评级方法GB/T 1768-2006 色漆和清漆耐磨性的测定旋转橡胶砂轮法(ISO 7784-2:1997,IDT)GB/T 3186 色漆、清漆和色漆与清漆用原材料取样(ISO 15528:2000,IDT)GB/T 8170-2008 数值修约规则与极限数值的表示和判定GB/T 9271 色漆和清漆标准试板GB/T 9274 色漆和清漆耐液体介质的测定(eqv ISO 2812:1974)GB/T 9278 涂料试样状态调节和试验的温湿度(ISO 3270:1984,IDT)GB/T 9750 涂料产品包装标志GB/T 9969 工业产品使用说明书总则GB/T 13491-1992 涂料产品包装通则GB/T 16777-2008 建筑防水涂料试验方法GB/T 19250-2003 聚氨酯防水涂料GB/T 23446-2009 喷涂聚脲防水涂料GB/T 23987-2009 色漆和清漆_涂层的人工气候老化曝露曝露于荧光紫外线和水HG/T 2454-2006 溶剂型聚氨酯涂料(双组分)HG/T 3343-1985 漆膜耐油性测定法JC 1066-2008 建筑防水涂料中有害物质限量3 术语和定义3.1聚天门冬氨酸酯聚脲弹性体防水涂料以聚天门冬氨酸酯及其改性树脂为主要成膜物,加入颜填料(清漆不加)、溶剂等辅料作为助剂,多异氰酸酯树脂为固化剂,使用手刷、辊涂、普通喷涂、普通无气喷涂方式施工生成的弹性体防水涂料。
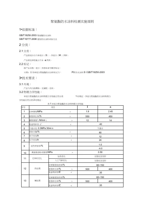
聚氨酯防水涂料检测实施细则1•依据标准:GB/T19250-2003 聚氨酯防水涂料GB/T16777-2008 建筑防水涂料试验方法2分类:2.1分类:产品按组分分为单组分(S)、多组分(M )两种。
产品按拉伸性能分为i、n两类。
2.2标记:按产品名称、组分、类和标准号顺序标记。
示例:1类单组分聚氨酯防水涂料标记为:PU防水涂料S I GB/T19250-2003 3•技术要求:3.1外观:产品为均匀粘稠体,无凝胶、结块。
3.2物理力学性能:单组分聚氨酯防水涂料物理力学性能应符合表1的规定,多组分聚氨酯防水涂料物理力学性能应符合表2的规定。
4.1标准实验条件标准实验条件为:温度(23± 2)C,相对湿度(60 ± 15)%。
4.2实验设备4.2.1拉力试验机:测量值在量程的15%~85%之间,示值精度不低于1%,伸长范围大于500mm。
4.2.2 低温冰柜:能达到-40 C,精度土2 C。
4.2.3电热鼓风干燥箱:不小于200C,精度土2C。
4.2.4 冲片机及符合GB/T528要求的哑铃I型、符合GB/T529-1999中5.1.2要求的直角撕裂裁刀。
4.2.5 不透水仪:压力0 MPa~0.4 MPa,三个精度2.5级透水盘,内径92mm。
4.2.6 厚度计:接触面直径6mm,单位面积压力0.02MPa,分度值0.01mm。
4.2.7 半导体温度计:量程- 40C ~30C,精度土05C。
4.2.8定伸保持器:能使试件标线间距离拉伸100%以上。
4.2.9 氙孤灯老化试验箱:符合GB/T18244-200 0要求的氙孤灯老化试验箱。
4.2.10游标卡尺:精度土0.02mm4.3试件制备4.3.1在试件制备前,试验样品及所用试验器具在标准试验条件下放置24h。
4.3.2在标准试验条件下称取所需要的试验样品量,保证最终涂模厚度( 1.5± 0.2)mm。
蒋静置后的样品搅匀,不得加入稀释剂,若样品为多组分涂料,则按产品生产厂要求的配合比混合后充分搅拌5min,在不混入气泡的情况下倒入模框中。
建筑防水涂料试验方法1、范围本标准适用于建筑防水涂料。
(依据GB/T 16777-2008 )2、标准试验条件实验室标准试验条件为:温度:(23±2)℃,相对湿度:(50±10)%。
3、试件制备3.1 试验器具3.1.1 涂膜模框。
3.1.2 电热鼓风烘箱:控温精度±2℃。
3.2 试验步骤3.2.1 试验前模框、工具、涂料应在标准试验条件下放置24h 以上。
3.2.2 称取所需的试验样品量,保证最终涂膜厚度( 1.5 ±0.2 )mm。
单组分防水涂料应将其混合均匀作为试料,多组分防水涂料应生产厂规定的配比精确称量后,将其混合均匀作为试料。
分类脱模前的养护条件脱膜后的养护条件水性沥青类在标准条件120h (40±2)℃48h 后,标准条件4h 高分子类在标准条件96h (40±2)℃48h 后,标准条件4h溶剂型、反应型标准条件96h 标准条件72h3.2.3 检查涂膜外观。
从表面光滑平整、无明显气泡的涂膜上按规定裁取试件。
项目试件形状(尺寸/mm)数量/ 个拉伸性能符合规定的哑铃Ⅰ型 5撕裂强度符合规定的无割口直角形 5 低温弯折、低温柔性100×25 3不透水性150×150 3加热伸缩率300×30 34、耐热性4.1 试验器具4.1.1 电热鼓风烘箱:控温精度±2℃。
4.1.2 铝板:厚度不小于2mm,面积大于100mm×50mm,中间上部有一小孔,便于悬挂。
4.2 试验步骤将样品拌匀后,将样品按生产厂的要求分2~3 次涂覆(每次间隔不超过24h)在已清洁干净的铝板上,涂覆面积为100mm×50mm,总厚度 1.5mm,最后一次将表面刮平,进行养护,不需要脱模。
然后将铝板垂直悬挂在已调节到规定温度的电热鼓风干燥箱内,试件与干燥箱壁间的距离不小于50mm,试件的中心宜与温度计的探头在同一位置,在规定温度下放置5h 后取出,观察表面现象,共试验 3 个试件。
防水试验在产品设计和制造过程中,防水性能是一个至关重要的特性。
特别是在生活用品、户外装备等领域,产品的防水性能直接关系到产品的可靠性和使用寿命。
为了确保产品在潮湿环境下的可靠性,防水试验成为了必不可少的环节。
防水试验的背景和意义防水试验是一种通过模拟产品在潮湿环境下的使用条件,测试产品的防水性能的方法。
通过对产品进行防水试验,可以验证产品设计和制造的合格性,从而保证产品在潮湿环境下的可靠性和稳定性。
防水试验不仅能够提高产品的质量,还能够减少产品在使用过程中由于进水引起的损坏,延长产品的使用寿命。
防水试验的方法和步骤1. 试验准备在进行防水试验之前,首先需要准备好试验设备和试验样品。
试验设备通常包括注水装置、水槽、压力表等。
试验样品则是需要进行防水测试的产品。
2. 试验条件设定根据产品的设计要求和使用环境,设定合适的试验条件,包括注水速度、压力、持续时间等参数。
通过设定合理的试验条件,可以更好地模拟产品在实际使用过程中的情况。
3. 试验操作将试验样品放入水槽中,根据设定的试验条件进行注水。
在试验过程中,要及时记录产品的表现,包括是否有漏水现象、漏水的位置等。
通过观察产品在试验过程中的表现,可以判断产品的防水性能是否符合要求。
4. 试验结果分析根据试验结果对产品的防水性能进行评估和分析,判断产品是否合格。
如果产品在试验过程中出现漏水等现象,需要进一步分析漏水的原因,并提出改进措施。
防水试验的意义和发展趋势随着人们对产品品质和安全性要求的不断提高,防水试验作为产品质量控制的重要环节,发挥着越来越重要的作用。
未来,随着科技的不断发展,防水试验方法和设备也将不断更新和完善,以适应不同行业和产品的需求。
在日益激烈的市场竞争中,只有不断提高产品的品质和性能,才能赢得消费者的信赖和认可。
因此,加强产品的防水试验,提高产品的防水性能,已经成为企业必须重视的一项工作。
综上所述,防水试验是一项至关重要的检测工作,通过科学的试验方法和严格的操作流程,能够有效地提高产品的质量和可靠性,从而满足用户的需求,赢得市场竞争的优势。
第一章防水材料的分类一、沥青和改性沥青防水卷材防水卷材指可卷曲成卷状的柔性防水材料。
GB/T328-2007沥青防水卷材试验方法GB18242-2008弹性体(SBS)改性沥青防水卷材GB18243-2008塑性体(APP)改性沥青防水卷材JC/T1076-2008胶粉改性沥青玻纤毡与玻纤网格布增强防水卷材JC/T1077-2008胶粉改性沥青玻纤毡与聚乙烯膜增强防水卷材JC/T1078-2008胶粉改性沥青聚酯毡与玻纤网格布增强防水卷材GB23441-2009自粘聚合物改行沥青防水卷材GB/T23457-2017预铺防水卷材GB/T35467-2017湿铺防水卷材二、高分子防水卷材GB12952-2011聚氯乙烯防水卷材GB12953-2003氯化聚乙烯防水卷材GB/T18173.1-2012高分子防水材料第1部分片材三、防水涂料GB/T16777-2008建筑防水涂料试验方法GB/T19250-2013聚氨酯防水涂料GB/T23445-2009聚合物水泥防水卷材JC/T864-2008聚合物乳液建筑防水涂料JC/T2428-2017非固化橡胶沥青防水涂料四、止水带、膨胀橡胶GB/T18173.2-2014高分子防水材料第2部分止水带GB/T18173.3-2014高分子防水材料第3部分遇水膨胀橡胶GB/T531-2009橡胶袖珍硬度计压入硬度试验方法GB/T528-2009硫化橡胶或热塑性橡胶拉伸应力应变性能的测定GB/T529-2008硫化橡胶或热塑性橡胶撕裂强度的测定五、油膏及接缝材料JC/T207-2011建筑防水沥青嵌缝油膏《聚氯乙烯建筑防水接缝材料》JC/T798-1997第二章沥青(改性沥青)防水卷材防水卷材是指可卷曲成卷状的柔性防水卷材,在建筑防水材料的应用中处于主导地位,面广量大。
常用的防水卷材按照材料的组成不同,一般可分为沥青防水卷材,高聚物改性沥青防水卷材和合成高分子防水卷材三大类。
建筑防水涂料工程要求试验方法全文共四篇示例,供读者参考第一篇示例:建筑防水涂料工程是建筑工程中非常重要的一环,它可以有效地延长建筑物的使用寿命,保护建筑内部不受雨水的侵蚀。
在施工过程中,建筑防水涂料的质量要求必须严格执行,一些试验方法也必须进行以确保其防水性能。
本文将对建筑防水涂料工程要求的试验方法进行详细介绍。
一、防水涂料材料的试验方法1.密度试验:通过密度试验可以确定防水涂料的密度,密度的检测范围为0.5g/cm³-3.0g/cm³,密度越大,防水性能越好。
2.施工性试验:通过施工性试验可以检测防水涂料的施工性能,主要包括干燥时间、粘度、流平性等指标的检测。
3.附着力试验:通过附着力试验可以检测防水涂料与基材之间的附着性能,保证涂料不易剥落脱落。
4.耐老化性试验:通过耐老化性试验可以检测防水涂料的耐候性能,包括耐紫外光性能、耐水性能等。
5.耐碱性试验:通过耐碱性试验可以检测防水涂料对碱性物质的抵抗能力,保证在碱性环境下也能有效防水。
6.耐冻融试验:通过耐冻融试验可以检测防水涂料在低温环境下的防水性能,防止在寒冷地区出现防水涂料脱落等问题。
1.底漆处理试验:在进行防水涂料施工前,必须对基材进行底漆处理,通过底漆处理试验可以检测底漆的操作性和附着性。
2.防水涂料施工压力试验:在进行施工时,必须保证涂料的施工厚度和压力,通过施工压力试验可以检测涂料的涂刷厚度和均匀性。
3.涂层干燥时间试验:在涂刷涂料后,必须保证涂层有足够的干燥时间,通过涂层干燥时间试验可以检测涂层的干燥时间是否符合要求。
4.现场检测试验:在施工结束后,必须进行现场检测,通过现场检测试验可以检测涂料的涂刷厚度、均匀性等指标是否符合要求。
5.防水涂料施工后试验:在施工后,必须对防水涂料进行后续试验,包括抗压力试验、耐水性试验等,以确保施工质量。
建筑防水涂料工程要求的试验方法是非常重要的,只有通过严格的试验方法来检测,才能保证防水涂料的质量和使用寿命。
建筑防水涂料试验方法
1、范围
本标准适用于建筑防水涂料。
(依据GB/T 16777-2008 )
2、标准试验条件
实验室标准试验条件为:温度:(23±2)℃,相对湿度:(50±10)%。
3、试件制备
3.1 试验器具
3.1.1 涂膜模框。
3.1.2 电热鼓风烘箱:控温精度±2℃。
3.2 试验步骤
3.2.1 试验前模框、工具、涂料应在标准试验条件下放置24h 以上。
3.2.2 称取所需的试验样品量,保证最终涂膜厚度( 1.5 ±0.2 )mm。
单组分防水涂料应将其混合均匀作为试料,多组分防水涂料应生产厂规定的配比精确称量后,将其混合均匀作为试料。
分类脱模前的养护条件脱膜后的养护条件
水性
沥青类在标准条件120h (40±2)℃48h 后,标准条件4h 高分子类在标准条件96h (40±2)℃48h 后,标准条件4h
溶剂型、反应型标准条件96h 标准条件72h
3.2.3 检查涂膜外观。
从表面光滑平整、无明显气泡的涂膜上按规定裁取试件。
项目试件形状(尺寸/mm)数量/ 个拉伸性能符合规定的哑铃Ⅰ型 5
撕裂强度符合规定的无割口直角形 5 低温弯折、低温柔性100×25 3
不透水性150×150 3
加热伸缩率300×30 3
4、耐热性
4.1 试验器具
4.1.1 电热鼓风烘箱:控温精度±2℃。
4.1.2 铝板:厚度不小于2mm,面积大于100mm×50mm,中间上部有一小孔,便于悬挂。
4.2 试验步骤
将样品拌匀后,将样品按生产厂的要求分2~3 次涂覆(每次间隔不超过24h)在已清洁干净的铝板上,涂覆面积为100mm×50mm,总厚度 1.5mm,最后一次将表面刮平,进行养护,不需要脱模。
然后将铝板垂直悬挂在已调节到规定温度的电热鼓风干燥箱内,试件与干燥箱壁间的距离不小于50mm,试件的中心宜与温度计的探头在同一位置,在规定温度下放
置5h 后取出,观察表面现象,共试验 3 个试件。
4.3 结果评定
试验后所有试件都不应产生流淌、滑动、滴落、试件表面无密集气泡。
5、拉伸性能
5.1 试验器具
5.1.1 拉伸试验机:测量值在量程的(15~85)%之间,示值精度不低于1%,伸长范围大于500mm。
5.1.2 厚度计:接触面直径6mm,单位面积压力0.02MPa,分度值0.1mm。
5.2 试验步骤
5.2.1 截取符合要求的哑铃Ⅰ型试件,并划好间距25mm的平行标线,用厚度测量试件
标线中间和两端三点的厚度,取其算术平均值作为试件厚度。
调整拉伸试验机夹具间距约
70mm,将试件夹在试验机上,保持试件长度方向的中线与试验机夹具中心在一条线上,按要求的拉伸速度进行拉伸至断裂,记录试件断裂时的最大荷裁(P),断裂时标线间距离(L1), 精确到0.1mm,测试五个试件,若有试件断裂在标线外,应舍弃用备用件补测。
产品类型拉伸速度/ (mm/min)
高延伸率涂料500
低延伸率涂料200
5.3 结果计算
5.3.1 拉伸强度
试件的拉伸强度按下面公式计算:
T L=P/(B ×D)
式中:
T L—拉伸强度,单位为兆帕(MPa);
P—最大拉力,单位为牛顿(N);
B—试件中间部位宽度,单位为毫米(mm);
D—试件厚度,单位为毫米(mm)。
取五个试件的算术平均值作为试验结果,结果精确到0.01MPa.
5.3.2 断裂伸长率
试件的断裂伸长率按下面公式计算:
E=(L 1-L 0)/L 0×100
试中:
E—断裂伸长率,%;
L0—试件起始标线间距离25mm;
L1—试件断裂时标线间距离,单位为毫米(mm);
取五个试件的算术平均值作为试验结果,结果精确到1%。
6、撕裂强度
6.1 试验器具
6.1.1 拉伸试验机:测量值在量程的(15~85)%之间,示值精度不低于1%,伸长范围大于500mm。
6.1.2 厚度计:接触面直径6mm,单位面积压力0.2MPa,分度值0.01mm。
6.2 试验步骤
将涂膜按要求,裁取符合要求的无割口直角撕裂试件,用厚度计测量试件直角撕裂区域
三点的厚度,取其算术平均值作为试件厚度。
将试件夹在试验机上,保持试件长度方向的中
线与试验机夹具中心在一条线上,按要求的拉伸速度进行拉伸至断裂,记录试件断裂时的最
大荷载(P) ,测试五个试件。
6.3 结果计算
试件的撕裂强度按下面公式计算:
Ts=P/d
式中:
Ts—撕裂强度,单位为千牛每米(KN/m);
P—最大拉力,单位为牛顿(N);
d—试件厚度,单位为毫米(mm)。
取五个试件的算术平均值作为试验结果,结果精确到0.1KN/m。
7、低温柔性
7.1 试验器具
7.1.1 低温冰柜:控温精度±2℃;
7.1.2 圆棒或弯板:直径10mm、20mm、30mm。
7.2 试验步骤
将涂膜按要求裁取(100×25)mm试件三块进行试验,将试件和弯板或圆棒放入已调节
到规定温度的低温冰柜的冷冻液中,温度计探头应与试件在同一水平位置,在规定温度下保
持1h,然后在冷冻液中将试件绕圆棒或弯板在3s 内弯曲180 度,弯曲三个试件(无上、下
表面区分)立即取出试件用肉眼观察试件表面有无裂纹、断裂。
8、不透水性
8.1 试验器具
8.1.1 不透水仪
8.1.2 金属网:孔径为0.2mm。
8.2 试验步骤
按裁取的三个约(150×150)mm试件,在标准试验条件下放置2h,试验在(23±5)℃进行,将装置中充水直到满出,彻底排出装置中空气。
将试件放置在透水盘上,再在试件上加一相同尺寸的金属网,盖上7 孔圆盘,慢慢夹紧直到试件夹紧在盘上,用布或压缩空气干燥试件的非迎水面,慢慢加压到规定的压力。
达到规定压力后,保持压力(30±2)min。
试验时观察试件的透水情况(水压突然下降
或试件的非迎水面有水)。
8.3 结果评定
所有试件在规定时间应无透水现象。