砖瓦厂安全检查表
- 格式:doc
- 大小:225.50 KB
- 文档页数:23
灰砂砖厂安全检查表一、厂区安全检查1. 厂区道路及通道的畅通情况:检查厂区内道路是否平整、无障碍物阻碍通行,通道是否保持畅通。
2. 厂区消防设施的完好程度:检查消防栓、灭火器、喷淋系统等消防设施是否正常运作,是否有维修记录。
3. 厂区照明设施的使用情况:检查厂区照明设施是否正常使用,是否有损坏或亮度不足的情况。
4. 厂区防护设施的完备性:检查厂区是否设置了安全警示标志、防护栏杆等设施,是否完好无损。
二、生产车间安全检查1. 设备运转安全检查:检查生产设备是否正常运转,是否存在异常噪音、异味等情况,是否有维修记录。
2. 电气设备安全检查:检查电气设备是否接地良好,是否存在漏电、短路等安全隐患。
3. 防护设备使用情况检查:检查工人是否佩戴必要的防护设备,如安全帽、护目镜等,是否使用正确。
4. 废弃物处理情况检查:检查废弃物存放是否规范,是否及时清理,是否有污染环境的情况。
5. 安全操作规程执行情况检查:检查工人是否按照安全操作规程进行操作,是否存在违章操作的情况。
三、化学品管理安全检查1. 化学品存放情况检查:检查化学品存放区域是否划定明确,是否分类存放,是否有标识标志。
2. 化学品使用情况检查:检查化学品的使用是否符合安全操作规程,是否有泄漏、溢出等情况。
3. 化学品包装检查:检查化学品包装是否完好,是否存在破损、渗漏等情况。
4. 废弃化学品处理情况检查:检查废弃化学品的处理方式是否合规,是否有专门的处理措施。
四、员工安全培训情况检查1. 安全培训记录检查:检查员工是否进行过安全培训,是否有培训记录。
2. 安全操作规程掌握情况检查:检查员工是否掌握并遵守安全操作规程,是否存在违章操作的情况。
3. 应急演练情况检查:检查员工是否参与过应急演练,是否熟悉应急处理程序。
五、环境安全检查1. 厂区噪音、振动情况检查:检查厂区噪音、振动是否超过国家标准,是否对周边环境造成影响。
2. 废气、废水排放情况检查:检查厂区废气、废水是否符合环保要求,是否存在超标排放的情况。
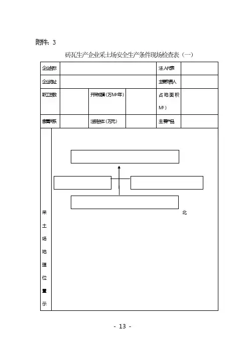
砖瓦厂安全检查表砖瓦生产企业采土场安全生产条件现场检查表(一)砖瓦生产企业采土场安全生产条件现场检查表(二)砖瓦生产企业采土场安全生产条件现场检查表(三)砖瓦生产企业采土场安全生产条件现场检查表(四)砖厂安全生产管理制度为了保证我厂正常生产,做到安全生产,改善劳动条件,保护劳动者在生产过程中的安全和健康,防止各类事故的发生,确保安全生产,根据国家有关安全生产和劳动保护的法令、法规等有关规定,结合厂的实际情况制定本制度。
1、认真贯彻执行《中华人民共和国安全生产法》、《湖北省安全生产条例》及国家有关安全生产法律、法规、标准、规定,履行岗位人员的岗位职责。
2、全厂职工必须牢固树立“安全第一,预防为主"的思想.严格遵守厂的安全生产管理制度和安全技术操作规程,严禁违章指挥、违章作业、违反劳动纪律.3、采料场、重要岗位人员、新职工和调换工种的人员必须进行“三级”安全教育,未经“三级”安全教育培训不准上岗参加生产操作。
4、严禁酒后上班,职工进入生产作业岗位不准串岗、换岗、私自交换工种、顶替代岗。
5、电工、焊工、爆破员、机动车辆驾驶员必须经有关部门培训考试合格,取得特种作业操作证和驾驶证方可从事特种作业操作及驾驶车辆,做到持证上岗。
6、严禁上班时间穿拖鞋、高跟鞋、风衣、大衣、裙子、留长发和围围巾,装出窑、粉碎和制坯人员必须严格遵守劳动保护法规,正确使用穿戴劳动防护用品,防止职业危害.7、严禁上班时间会客,职工家属、子女和非生产人员不准进入露天页岩采场、重点要害部位和生产作业场所,严禁带小孩上班,更不准带小孩到车间及作业场所玩耍。
8、严禁在工作时间打闹、嬉戏、开玩笑、看书报,严禁在生产过程中干与本职工作无关的事.9、严禁私拉乱接电线,私拆安装电器设备设施,电工、焊工必须按规定停电停机检修电器和机械设备,严禁违章作业。
10、爆破人员必须严格遵守爆破安全技术操作规程,认真管好领用爆炸物品,爆破页岩时形成坡度,从上至下台阶式开采,戴好安全帽、系好安全带(绳索)做到安全作业。
砖厂隐患排查表集团档案编码:[YTTR-YTPT28-YTNTL98-UYTYNN08]砖厂安全隐患排查治理表安全检查及隐患排查制度⑴、砖厂对施工现场每月进行一次安全生产、文明施工检查评分,掌握各项目部的安全生产、文明施工情况,对检查发现的安全隐患组织落实“三定”,既定人、定时间、定整改措施,限期整改,并做好检查评分记录入档。
⑵、质检组、安全组人员要定期和不定期的对施工现场进行安全生产、文明施工、工程质量检查,及时发现消除各种不安全因素,对不能纠正解决的疑难问题,要采取临时措施,并及时上报生产技术科。
消除事故隐患,保证安全生产、文明施工、并作好检查记录入档,各级检查都应对检查情况予以通报,并将检查结果作为优秀项目评比的主要依据。
⑶、施工现场要经常进行自检、互检、和交接检查。
自检:安全员、质检员在班组作业前、后对自身所处环境和工作程序要进行安全检查,可随时消除事故隐患。
互检:班组之间开展安全检查,可做到互相监督,共同遵章守纪。
交接检查:上道工序完毕,交给下道工序使用前,应由项目巡查人员组织其他有关人员进行安全检查及验收,确认无误或合格后方能进行下一道工序。
⑷、各种安全检查都应该根据检查要求配备技术力量,特别是大范围、全面性检查要明确检查负责人。
抽调专业技术人员参加,并进行分工,明确个人负责检查的内容、标准及要求。
⑸、各种检查都应有目的和检查砖厂。
重点、关键部位设立的“保证砖厂”要重点检查,对现场管理人员和操作工人,不仅要检查是否违章指挥和违章作业,还应进行应知应会知识的抽查,以便了解管理人员及操作工人的安全素质。
⑹、检查记录是安全评价的依据,因此记录要认真细致。
特别是对事故隐患的记录必须具体,如隐患部分、危险程序及处理意见等。
采用安全检查评分表的应记录每项扣分的理由。
⑺、各级安全检查结束后,要认真全面系统地进行分析,要针对检查中发现的问题,制定整改措施,并将整改、复查情况及时反馈到公司安全技术科。
目的:对生产过程及安全管理中可能存在的隐患有、害危(wei)险因素、缺陷等进行查证,查找不安全因素和不安全行为,以确保隐患或者有害、危(wei)险因素或者缺陷存在状态,以及它们转化为事故的条件,以制定整改措施,消除或者控制隐患和有害与危(wei)险因素,确保生产安全。
12 3 4工作装装置载机电气仪表起升俯仰工作正常,无爬行和明显冲动及迟滞现象;动臂及拉杆无裂纹、变形及损伤档位清晰有效,动作反应灵敏;上下驾驶室扶梯完好稳固。
驾驶室门、窗玻璃完整、座椅完好坚固液压泵、工作分配阀及先导阀、转斗油缸、动臂油缸、管道、油箱等液压装置系统无渗漏现象灯光齐全有效;喇叭、倒车蜂鸣器有效,无故障5 6 7 891011 底盘等装置气压表、机油压力表、水温表、变矩器压力表、油温表工作正常,表盘完整,刻度清晰刮水器工作正常。
电气系统绝缘良好,电器导线捆扎成束,布置整齐,固定卡紧,不松散,不破皮。
轮胎气压达到规定标准,轮胎无裂损,花纹内无异物卡滞。
钢圈无变形,螺栓无松动,不缺损。
各轮制动有效。
手脚刹车及拉杆的固定、连接完好。
储气筒无渗漏。
转向绞节完好。
各绞节联接固定齐全有效,接杆球头无松动,润滑良好转动轴螺栓无松动或者缺损;传动轴十字节应保持紧固方向盘的自由间隙摆布各不大于 15 度,转向灵便,行驶中无轻飘、摆振、抖动、阻滞、跑偏及蛇行现象121314151617181920212223发动机整机破碎机运转停机 15min,发动机油油面应在静满位置;发动机停机后,散热器液面应在加满位置风扇皮带无松动现象气门室盖、边盖、油底壳等部位无机油渗漏现象发动机工作正常,每种工况工作良好,各部位无异响;发动机及附件保持清洁,无油污,无锈蚀进、排气管衬垫完好,不漏气,排气管不冒黑烟整机完好,无破损、变形支撑架设坚固可靠,各螺母连接坚固,无裂纹、破损内部结构完好、正常,筛面正常各物料通道通畅传送装置运行良好轴承、传动箱等状态正常,润滑良好各润滑部位润滑良好24252627282930313233343536安全装置电气整机运转电动机运转正常,无异常震动、噪音各控制、按钮及指示灯正常,灵敏、有效危(wei)险部位安全防护装置良好机械连锁及漏电保护装置运行正常电气路线完好,无破损、裸露等情况按规定进行可靠的静电接地整机完好,支柱、横梁及工作平台有足够的强度、刚性安装坚固,各螺母连接坚固、可靠,无裂纹、破损平台、梯子、栏杆坚固可靠,各连接部位无开焊松动钢丝绳、卷筒、滑轮等各结构部件完好各按钮及指示灯正常,灵敏、有效减速器、联轴器运转正常,无异常噪音、振动车轮完好,轮缘、踏面磨损度符合要求堆取料机3738394041424344454647484950电气整机搅拌机运转斗轮运转平稳液压系统正常轨道符合要求,坚固、基础无裂纹急停、联锁及报警装置正常,可靠、有效危(wei)险部位有齐全、可靠的防护罩电气路线完好,无破损、裸露等情况电气系统各元件完好,安装坚固按规定进行可靠的静电接地整机完好,无破损、变形支撑架设坚固可靠,各螺母连接坚固,无裂纹、破损内部结构完好、正常设备运转平稳,无异常震动、噪音等情况搅拌、传动、机电等结构完好,运转正常控制系统正常,各按钮、显示完好,控制灵敏、准确5152535455565758596061626364656667安全装置电气机电润滑冷却水泵体按规定进行接地,接地线应连接可靠传送设备运转正常,无异常情况危(wei)险部位安全防护装置良好机械连锁及漏电保护装置运行正常电气路线完好,无破损、裸露等情况按规定进行可靠的静电接地机电轴承超温静电接地松动按钮开关破损机电有异常声音地脚螺栓松动润滑脂选型不正确、油质变差冷却水不畅通有异常声音振动超标泵体超温泵体、密封,连接管线、阀门、法兰泄漏真空机686970717273747576777879808182整机运转安全装置电气整体整机完好,无破损、变形支撑架设坚固可靠,各螺母连接坚固,无裂纹、破损内部结构完好、正常各物料通道通畅设备运转平稳,无异常震动、噪音等情况传动、机电等结构完好,运转正常控制系统正常,各按钮、显示完好,控制灵敏、准确按规定进行接地,接地线应连接可靠传送设备运转正常,无异常情况危(wei)险部位安全防护装置良好机械连锁及漏电保护装置运行正常电气路线完好,无破损、裸露等情况按规定进行可靠的静电接地车身应整洁所有部件及防护装置应齐全自动制坯机摆渡车83848586878889909192运转安全装置安全装置全、完整电器仪表应配置齐全,性能可靠;连接电气路线应无漏电传动系统应运转平稳行驶系统应连接紧固,车架和先后桥不应变形或者产生裂纹制动系统应安全可靠,无跑偏现象,制动距离满足安全行驶的要求制动联锁装置应齐全、可靠;制动时联锁开关应切断行车电源限位装置完好,有效压力表应指示灵敏、刻度清晰、铅封完整,表盘上应有最高工作压力警示线,并在检验周期内使用温度计应刻度清晰,并在检验周期内使用安全阀应铅封完好,并在检验周期内使用;空气压缩机93949596979899100 101 102103104 105保护装置旋转部件附件电气安全本体地磅运转电气液位计(油标)标识应清晰、准确,并设有最低、最高油位标记工作压力达到额定压力时,超压保护装置应能自动切换为无负荷状态;应设置齐全、可靠的防护罩,其安全距离应符合 GB23821 的相关规定。
附件10运城市砖瓦粘土开采安全隐患排查检查表单位名称:所属地区:检查机构:检查时间:企业基本情况表企业名称企业地址法定代表人联系电话安全负责人联系电话安全生产许可证号发证日期发证机关开采矿种专职安全管理人员从业人数设计服务年限设计生产能力安全标准化等级评定日期目录一、安全管理现状检查 (1)二、安全生产基本条件检查 (4)三、地面安全设施检查 (5)四、采剥工程检查 (6)五、矿山运输检查 (7)六、防排水检查 (8)七、供配电系统检查 (9)运城市砖瓦粘土(生产)安全隐患排查现场检查表一、安全管理现状检查序号检查项目检查内容检查方法检查结果检查人员整改意见1 证照情况工商营业执照查各证照有无及其有效性采矿许可证安全生产许可证生产经营单位主要负责人安全任职资格证书安全管理人员安全资格证2 管理机构建立健全企业安全管理机构。
矿山企业应设立专门安全管理机构,配备专职安全管理人员。
专职安全管理人员不少于2人。
查安全机构和管理人员有无状况3 基本图纸1.必须具备下列图纸,并根据实际情况的变化即时更新:矿区地形地质图,采剥工程年末图,防排水系统及排水设备布置图。
查看有无各图纸及其时效性2.矿山所具备的各种图纸经矿山企业技术负责人审查,并根据矿井发展情况和采掘活动及时修改、填绘。
查看图纸,询问矿山负责人生产现状,并与图纸进行对比4 教育培训1.建立健全安全生产培训管理制度;矿山企业应制定年度安全培训计划;“三项岗位”人员必须经培训持证上岗。
查制度、计划、台账及持证上岗情况2.新进矿山的作业职工,接受安全教育、培训的时间不得少于72小时,考试合格后,方可上岗作业。
查企业培训计划、记录,培训档案,随机抽查询问矿工3.所有生产作业人员,每年接受在职安全教育、培训的时间不少于20小时。
查企业培训计划及培训记录4.采用新工艺、新技术、新设备、新材料时,应对有关人员进行专门培训。
查企业培训计划及执行记录5.调换工种的人员,应进行新岗位安全操作的培训。
企业名称:序检查项目号一许可证照作业场所职业危害二防治情况砖瓦窑安全生产检查表检查时间:年月日检查内容和标准检查方法检查情况记录非煤矿山安全生产许可证、采矿许可证、工商营业执照等检查证件是否有效设置或者指定职业健康管理机构,配备专职或者兼职的职业健康管理人员;主要负责人和职业健康管理人员应当接受安全监管部门组检查文件和证书、培织的职业健康培训。
依法对从业人员进行上岗前、在岗期间的职业训记录是否属实卫生培训。
建立健全职业卫生防治制度和操作规程,有健全职业卫生档案。
检查各项制度是否齐全如实、及时向所在地安全监管部门申报职业病危害项目。
检查资料为从业人员提供符合国家标准、行业标准的职业危害防护用品,按现场检查照使用规则正确佩戴、使用。
如实告知从业人员工作过程中可能产生的职业危害及其后果、职业检查合同和培训档案危害防护措施和待遇,并在劳动合同中写明。
对接触职业危害的从业人员,组织上岗前、在岗期间和离岗时的职检查职工业健康检查,为从业人员建立职业健康监护档案。
健康档案建立和落实安全生产责任制、安全生三产规章制度和操作规程、作业规程情况按照国家规定提取和使用安全生产费用、全员足额缴纳四工伤保险,参加安全生产责任保险。
依法设置安全生产管理机构和配备安五全生产管理人员的情况企业主要负责人、安全生产管理人六员、特种作业人员和班组长及其他从业人员受到安全生安全生建立健全主要负责人、分管负责人、安全生产管理人员、检查各项责任制是否产责任职能部门、各岗位责任制齐全制安全生制定安全检查制度、职业危害预防制度、安全教育培训制产规章度、生产安全事故管理制度、重大危险源监控和重大隐患检查各项规章制度是制度和整改制度、设备安全管理制度、安全生产档案管理制度、否建立操作规安全生产奖惩制度等规章制度,制定作业安全规程和各工程种操作规程。
安全生依据开采的原矿产量按月提取。
非金属露天矿山每吨(立检查财产费用方米) 1 元。
务凭证安全生检查生产经营单位购产责任买工伤保险和安全生保险及参加工伤保险和安全生产责任保险产责任险的保单是否工伤保有效险矿山企业应当设置专门的安全生产管理机构或者配备专职安全生产检查文件管理人员。
砖厂消防安全日常巡查表摘要:I.引言A.概述砖厂消防安全的重要性B.介绍砖厂消防安全日常巡查表的目的和作用II.砖厂消防安全日常巡查表的具体内容A.消防器材、设施的配置和检查1.消防器材的种类和数量2.消防设施的完好性和有效性B.消防应急队伍的值班情况1.值班人员的在岗情况2.应急响应的流程和预案C.消防通道的布置和畅通情况1.消防车通道的设置2.安全疏散通道和出口的畅通性D.消防牌板标志的设置和完好情况1.消防标志的种类和数量2.消防标志的完好性和清晰度E.应急照明的设置和完好情况1.应急照明的类型和数量2.应急照明的完好性和有效性F.用火、用电的安全管理1.动火审批手续的齐全性2.用电安全措施的合理性III.砖厂消防安全日常巡查表的填写和处理A.巡查情况的记录和填报B.巡查问题的处理和整改C.巡查结果的反馈和报告IV.结论A.总结砖厂消防安全日常巡查表的重要性B.强调定期巡查和整改对于砖厂消防安全的重要性正文:随着工业化进程的加速,砖厂作为建筑材料的重要生产场所,消防安全问题日益突出。
为了预防和减少火灾事故的发生,确保员工的生命安全和财产安全,砖厂需要建立完善的消防安全体系,其中消防安全日常巡查表是关键的环节。
砖厂消防安全日常巡查表是一份针对砖厂消防安全情况的检查表格,旨在定期检查和评估砖厂的消防安全状况,发现隐患及时整改。
巡查表的内容主要包括消防器材、设施的配置和检查,消防应急队伍的值班情况,消防通道的布置和畅通情况,消防牌板标志的设置和完好情况,应急照明的设置和完好情况,以及用火、用电的安全管理等方面。
在填写砖厂消防安全日常巡查表时,应详细记录巡查情况,包括消防器材、设施的配置和检查情况,消防应急队伍的值班情况,消防通道的布置和畅通情况,消防牌板标志的设置和完好情况,应急照明的设置和完好情况,以及用火、用电的安全管理等方面的问题。
对于发现的问题,应尽快制定整改措施,确保消防安全。
砖厂消防安全日常巡查表的制定和执行,有助于及时发现和消除消防安全隐患,提高砖厂的消防安全水平,为员工创造一个安全的工作环境。
砖厂消防安全日常巡查表
(实用版)
目录
1.砖厂消防安全日常巡查表的重要性
2.巡查表的具体内容
3.如何进行消防安全巡查
4.巡查中发现的问题及处理方法
5.结论:消防安全巡查对于砖厂安全的重要性
正文
砖厂消防安全日常巡查表是保障砖厂安全生产的重要手段,对于预防火灾、保障人员生命安全具有重要作用。
在砖厂日常生产中,消防安全巡查表能够帮助工作人员发现潜在的安全隐患,并及时采取措施进行处理,从而避免可能发生的火灾事故。
砖厂消防安全日常巡查表的具体内容包括:消防设施的完好情况、安全出口的畅通情况、灭火器的摆放和使用情况、易燃物品的存放情况等。
这些内容是砖厂消防安全的重要组成部分,每一个环节都需要被认真检查。
在进行消防安全巡查时,应当按照巡查表的内容逐一进行检查。
对于发现的问题,应当立即进行处理,确保安全隐患得到及时排除。
同时,还应当对巡查中发现的问题进行记录,以便进行跟踪管理和分析。
砖厂消防安全日常巡查表可以帮助砖厂及时发现并处理安全隐患,从而有效避免火灾事故的发生。
第1页共1页。
砖瓦厂安全检查表砖瓦生产企业采土场安全生产条件现场检查表(一)砖瓦生产企业采土场安全生产条件现场检查表(二)砖瓦生产企业采土场安全生产条件现场检查表(三)砖瓦生产企业采土场安全生产条件现场检查表(四)砖厂安全生产管理制度为了保证我厂正常生产,做到安全生产,改善劳动条件,保护劳动者在生产过程中的安全和健康,防止各类事故的发生,确保安全生产,根据国家有关安全生产和劳动保护的法令、法规等有关规定,结合厂的实际情况制定本制度。
1、认真贯彻执行《中华人民共和国安全生产法》、《湖北省安全生产条例》及国家有关安全生产法律、法规、标准、规定,履行岗位人员的岗位职责。
2、全厂职工必须牢固树立“安全第一,预防为主”的思想。
严格遵守厂的安全生产管理制度和安全技术操作规程,严禁违章指挥、违章作业、违反劳动纪律。
3、采料场、重要岗位人员、新职工和调换工种的人员必须进行“三级”安全教育,未经“三级”安全教育培训不准上岗参加生产操作。
4、严禁酒后上班,职工进入生产作业岗位不准串岗、换岗、私自交换工种、顶替代岗。
5、电工、焊工、爆破员、机动车辆驾驶员必须经有关部门培训考试合格,取得特种作业操作证和驾驶证方可从事特种作业操作及驾驶车辆,做到持证上岗。
6、严禁上班时间穿拖鞋、高跟鞋、风衣、大衣、裙子、留长发和围围巾,装出窑、粉碎和制坯人员必须严格遵守劳动保护法规,正确使用穿戴劳动防护用品,防止职业危害。
7、严禁上班时间会客,职工家属、子女和非生产人员不准进入露天页岩采场、重点要害部位和生产作业场所,严禁带小孩上班,更不准带小孩到车间及作业场所玩耍。
8、严禁在工作时间打闹、嬉戏、开玩笑、看书报,严禁在生产过程中干与本职工作无关的事。
9、严禁私拉乱接电线,私拆安装电器设备设施,电工、焊工必须按规定停电停机检修电器和机械设备,严禁违章作业。
10、爆破人员必须严格遵守爆破安全技术操作规程,认真管好领用爆炸物品,爆破页岩时形成坡度,从上至下台阶式开采,戴好安全帽、系好安全带(绳索)做到安全作业。
砖厂安全生产检查制度1.每年进行全厂性的安全生产检查5-6次,由分管厂长亲自挂帅,在各车间自查的基础上进行复查。
2.各车间,班组的常规安全自查每月必须自查一次。
3.元旦,春节,五一,国庆节假日期,必须组织以安全生产,防火安全,治安保卫,文盲生产为重点的安全大检查。
4.对辖区内的机电设备,焙烧车间的避雷措施,作业车辆等每年组织2-3次的专项治理。
安全生产管理制度安全检查时提示和消除事故隐患,交流经验,促进安全安全生产的重要手段和有效措施,因此安全检查是做好安全工作的主要手段之一。
要坚持领导与员工的结合,普遍检查宇瞻也检查的相结合,检查与整改相结合的原则。
开展安全检查,必须有明确的目的、要求和具体的计划,并且建立有企业各级领导负责,有关部室,有关人员参加安全检查组织,以加强领导做好这项工作。
1.安全生产检查内容包括;a.着重查思想。
尤其是查领导是否重视安全生产b.检查现场、查隐患。
事故隐患是伤亡的前兆,大量的事故隐患存在必有伤亡事故发生;c.查管理、查制度。
查各种安全管理制度、台帐等;d.查事故隐患的整改情况。
查事故隐患必须制定措施及时整改。
2. 安全检查形式采取日常、定期、专业、不定期四种检查形式:(1).日常安全检查a.生产岗位的组长和生产工人应严格覆行交接班检查制度及巡回检查制度;b.非生产岗位的组长和工人,应根据本岗位的特点,在工作前和工作中进行检查;c.各级领导和各级安全员,应在各自业务范围内,经常深入现场,进行安全检查和监督,发现不安全问题及时督促或则成有关部门、有关人员解决。
(2). 定期安全检查、季节性检查;是根据季节特点,为保障安全生产的特殊要求进行的检查a.春季安全检查;以雪雨季节安全用电、防火开工前安全教育、安全措施落实情况、防雷击为重点;b.夏季安全措施;以防暑降温、防汛、雨季生产用电、宿舍安全用电为重点;c.秋季安全检查;以人员更换的安全教育、安全用电、防火工作为重点;d.冬季安全检查;以防寒保暖、防冻防滑、放一氧化碳中毒、防火、宿舍安全用电为重点。
(3).节假日安全检查a.节假日前后以防止职工纪律松散,对职工的安全教育、安全措施的交底、安全工作的安排、布属等综合情况进行检查。
b.专业性检查;是为了调查了解某项专业性安全问题的技术状况所进行的排查。
每年对电气、焊接、起重与运输机械等进行安全附件、安全装置可靠性的专项检查。
c.不定期的安全检查;公司安全生产大检查每月不少于一次。
4. 安全检查记录各种形式的安全检查都应认真的填写检查记录,并存档备案5. 检查整改(1)各级检查组织对查出的隐患,应及时反馈给负责任部门主管安领导,责成去落实整改,不得拖延。
(2)对不能及时整改的隐患要做到“三定、一限”,即;“定人、定措施、定整改方案和限定整改时间”。
(3)对暂时不能整改的项目,除采取有效防范措施外,还应分别纳入技术措施、安全措施或检修计划,限期解决。
(4)对发现的重大隐患项目,要建立报告制度,写出书面情况报主管领导批复。
防火安全管理制度一、仓库、材料厂防火管理1.物资部长为仓库、料场防火负责人全面负责仓库、料场的消防安全管理工作。
2.仓库、料场保管员应熟悉储存物品的分类、性质和保管业务知识,掌握消防器材操作,使用方法,做好本岗的防火工作。
3.物品入库前应当先进行检查,确认无火种隐患方可入库。
4.仓库内严禁使用电炉子或其他电热器,不能使用火炉取暖。
5.仓库、料场应有明显的防火标志,消防器材配置合理并防止明显、便于取用地点。
二、易燃、易爆物品的管理1.存放易燃易爆物品的仓库,安装电气照明时,必须符合防爆要求电气设备的电源线不准超过安全负荷,工作结束后必须切断电源。
2.氧气瓶、液化罐、乙炔气瓶和油桶等,不能靠近火源存放,夏季使用或储存时,应采取防晒措施。
3.使用汽油清洗机器零件时,必须隔绝明火,用过的废油,应放在桶内妥善的保管,不得随意泼洒。
油棉纱、油摸布应置于带盖的铁桶内及时清理。
4.易燃易爆物品的保管人、使用人应当熟悉业务知识和防火安全制度,做好每日安全检查,掌握消防器在的使用方法,做好本岗的防火工作。
三、火源管理1.严禁在高压线、仓库、导热油炉、变电室附近明火作业。
2严禁使用易燃、可燃液体引火,不准在炉火附近堆放或烘烤易燃、可燃物品,炉火烟囱不得直接架在木制窗户和油毡板棚上。
3.严禁在维修车间、仓库、变电室、化验室等重点部位使用明火和用电暖炉四、电源管理1.架设电气线路,安装和和维修电气设备必需由考试合格的电工承担,按电力设计规范、规程、合理安装。
2.使用电加热器及各种电气设备,必须设专人负责使用和管理,离开时必须切断电源。
3.临时用电的线路架设应按固定用电的规范设置,电源线赢家设在暗器、电源线应架设在安全部位,以免碰砸、碾压或挂断。
4. 严禁使用电炉及各种电热器具取暖、做饭。
禁止使用不合格的保险装置,更不能使用铜丝、铁丝、铝丝代替保险丝。
电气设备的电源线不得超过安全负荷。
5.对电线、电气设备应当经常检查,发现可能引起的短路、打火、发热或绝缘不良的情况,必须立即修复或更换严禁使用电炉及各种电热器具取暖、做饭。
禁止使用不合格的保险装置,更不能使用铜丝、铁丝、铝丝代替保险丝。
电气设备的电源线不得超过安全负荷。
五、工人放火管理1.工人进场应先接受防火、防爆的安全教育后,方可上岗工作。
2根据“谁主管、谁负责”的原则,队长负责人全面的负责该队的防火安全工作,并应指派专人负责日常的防火安全。
3.队长应当遵守本公司的一切规章制度,并接受本公司的防火检查和监督管理工作。
4.严谨工人无证驾驶和操作电工、电气焊等工作六、消防措施、器材管理1.主管部室负责消防设施和消防器材的日常管理工作,负责检查、维护、保养、更换和添置,保证完好有效,严谨遮挡、填压、挪用。
2.消防器材应当设置于明显部位,便于取用,周围不得堆放杂物,确保消防通道的畅通。
做好夏季防晒、冬季防冻措施。
3.教育的主要内容(1)宣传防火任务、方针。
以宣传“消防法”为中心,使用干部职工提高防火意识。
(2)教育职工掌握防火措施,懂得灭火常识;了解易燃易爆物品的特性和一旦发生险情对国家和个人造成危害的严重性。
(3)教育职工严格执行岗位负责制,按规章制度操作,严格值守堵塞漏洞提高警惕严防坏人纵火、破坏。
七、防火检查1.公司定期组织防火安全检查,及时发现和消除火灾隐患,(每月不少于一次)重大节日、重点防火季节,组织全面检查。
2.主管部门对查出的隐患应有详细记载,逐条研究整改措施。
对一时难以整改的隐患应当制定临时安全措施,直至整改完成。
八、奖惩制度1.为了保证“消防法”的落实和本规定的贯彻实施,建立奖惩制度,做到奖惩分明。
2.具有下列条件之一者,应给与适当的表扬和奖励(1)模范执行《消防法》,彻底落实本规定,在防火安全工作中作出显著成绩的;(2)认真学习消防知识,本岗消防业务熟练,积极参加防火演练,经考核成绩优秀者;(3)在灭火战斗中确保国家财产和人民生命免受重大损失的个人和集体;3.对犯有下列情形之一者,应视其情节给以相应的处理,触犯刑律,构成犯罪的,由司法机关依法追究刑事责任。
(1)违反《消防法》,不安本规定及防火安全操作规程操作,不听劝阻或造成损失的;(2)挪用、破坏消防器材的,影响灭火工作的;(3)对消防工作不负责任的,玩忽职守造成损失的;(4)对火险隐患有能力整改而拖延不改;因而造成火灾的责任者。
安全教育制度安全教育是贯彻安全生产方针,防止伤亡事故或职业病,实现安全生产额基础,是安全管理工作中首要的基础工作。
因为只有全职工增强了安全意识,掌握了安全技术知识,增强了“自我防护”能力,才能实现安全生产。
1. 安全教育的主要内容;⑴.安全思想教育;包括安全生产方针、政策、法规教育,法制教育,劳动纪律和安全态度教育。
其目的在于增强职工安全意识,增强法律观念,提高遵章守纪的自觉性,变“要我安全”为“我要安全”。
⑵.安全技术知识教育;包括一般安全技术知识教育(即职工必备的一般安全技术知识教育)和专业安全技术知识教育(即专业与各工种必须的专业安全技术知识教育),如果从事特种作业的人员还需进行专门的训练,并且要经过当地政府的劳动部门考核发给专业的操作证。
对于从事新技术、新操作方法、新装备、新材料或调换工人的操作岗位,都必须对操作人员进行新专业培训,使其掌握新的操作技术和安全技术知识。
⑶安全规章制度教育;着重学习本工种的安全技术操作规程的有关安全规程、规定。
2. 安全教育形式;⑴新进厂职工(特别是新工人)的入场“三级安全教育”(公司、部室、生产作业班组);⑵工人条换岗位的进行“换岗安全教育”;⑶对离岗时间较长(休假、病休)又重返岗位的人员进行“复岗安全教育”;⑷对各级领导、管理人员举办的安全知识培训;⑸对特殊作业人员进行专门培训;⑹使用其他各种教育形式。