精益生产、ERP系统与敏捷制造三者的联系
- 格式:pdf
- 大小:157.48 KB
- 文档页数:3
1、PAC(生产作业控制)原理和流程:生产作业控制(Production Activity Control,PAC),也称作车间控制,它与采购作业计划同属于ERP计划层次的执行层。
它是在物料需求计划产生的生产建议订单的基础上,产生的零部件生产计划,是一种实际的执行计划,它对车间生产的有关事务进行动作管理和分析控制。
生产作业控制是在物料需求计划输出的生产建议订单的基础上,按照交货期的先后和生产优先级的选择原则,以及车间的设备、人员、加工能力等生产资源情况,将零部件的生产计划以订单的形式下达给相关的车间。
生产作业控制的目标是通过对生产过程中,车间层及车间层以下各层次的物料流的合理计划、调度与控制,缩短产品的制造周期,减少在制品,降低库存,提高设备、人员等生产资源的利用率,最终提高生产率。
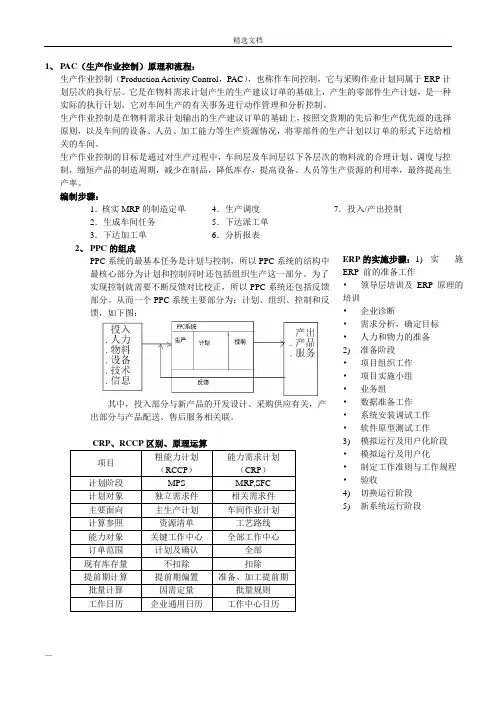
编制步骤:1.核实MRP的制造定单2.生成车间任务3.下达加工单4.生产调度5.下达派工单6.分析报表7.投入/产出控制2、PPC的组成PPC系统的最基本任务是计划与控制,所以PPC系统的结构中最核心部分为计划和控制同时还包括组织生产这一部分。
为了实现控制就需要不断反馈对比校正,所以PPC系统还包括反馈部分。
从而一个PPC系统主要部分为:计划、组织、控制和反馈,如下图:其中,投入部分与新产品的开发设计、采购供应有关,产出部分与产品配送、售后服务相关联。
项目粗能力计划(RCCP)能力需求计划(CRP)计划阶段MPS MRP,SFC计划对象独立需求件相关需求件主要面向主生产计划车间作业计划计算参照资源清单工艺路线能力对象关键工作中心全部工作中心订单范围计划及确认全部现有库存量不扣除扣除提前期计算提前期偏置准备、加工提前期批量计算因需定量批量规则工作日历企业通用日历工作中心日历ERP的实施步骤:1) 实施ERP 前的准备工作•领导层培训及ERP原理的培训•企业诊断•需求分析,确定目标•人力和物力的准备2) 准备阶段•项目组织工作•项目实施小组•业务组•数据准备工作•系统安装调试工作•软件原型测试工作3) 模拟运行及用户化阶段•模拟运行及用户化•制定工作准则与工作规程•验收4) 切换运行阶段5) 新系统运行阶段能力需求计划(Capacity Requirements Planning,简称CRP)是对物料需求计划所需能力进行核算的一种计划管理方法,以确定是否有足够的生产能力来满足生产的需求。
精益生产和敏捷制造引言精益生产(Lean Manufacturing)和敏捷制造(Agile Manufacturing)是两种管理理念和制造方法,旨在通过提高效率、降低浪费来增加生产力和灵活性。
虽然两者都旨在帮助组织适应现代制造环境的变化,但它们在理念和实施方法上有所不同。
本文将介绍精益生产和敏捷制造的概念、原则和实施方法,并比较两者之间的异同点。
精益生产精益生产是一种以Toyota生产系统(TPS)为基础的生产管理方法。
它的核心目标是消除生产过程中的浪费和非价值增加的活动,以实现高效生产和持续改进。
基本原则精益生产遵循以下几项基本原则:1.价值流映射:通过分析整个价值链,确定价值流和非价值流的部分。
从而找出并优化非价值增加活动。
2.流程流动:确保所有生产和运作流程达到最佳状态,以便杜绝延迟和浪费的产生。
3.拉动生产:根据市场需求,按需生产,避免过度生产和库存积压。
4.构建质量:把产品和过程的质量设计和控制纳入整个生产过程。
5.持续改进:通过定期反思和改进,追求更高效率和更高质量。
实施方法精益生产的实施方法包括:1.5S整理法:通过整理、整顿、清扫、清洁和自律的方法,优化工作环境和流程。
2.精益维护:通过预防性维护和设备管理,最大限度地减少设备故障和停机时间。
3.单一分钟交换SMED:通过减少设备换线时间,提高生产效率和灵活性。
4.Takt时间及节拍生产:通过根据客户需求制定合理的生产节拍,实现流程的平稳运作。
5.追溯和6 Sigma:通过追溯产品和过程数据,并使用6 Sigma方法来改进质量和减少变异。
敏捷制造敏捷制造是一种注重市场灵活性和迅速响应的生产管理方法。
它的核心理念是快速反应市场需求、灵活调整生产线,以满足不断变化的需求。
基本原则敏捷制造遵循以下几项基本原则:1.快速变化:可以快速、迅速地改变生产线并响应市场需求的能力。
2.灵活调整:根据需求调整生产线和资源配置,以满足市场需求的变化。
库存管理(一)-5(总分100, 做题时间90分钟)一、单项选择题(本大题共20小题)四个选项中。
只有一个选项是正确的。
1.属于确定物资需要量的方法的是 ( )SSS_SINGLE_SELA 直接计算法B 技术计算法C 统计分析法D 经验估计法分值: 1答案:A确定物资需要量的方法有直接计算法和间接计算法两种。
2.产品销售量下降,若不进行更新换代,产品销路会越来越小,这一时期是产品生命周期中的( )SSS_SINGLE_SELA 导入期B 成长期C 成熟期D 衰退期分值: 1答案:D在哀退期,产品销售量下降,若不进行更新换代,产品销路会越来越小。
3.批发企业的经济合理性来自于其有无能力 ( )SSS_SINGLE_SELA 缩短周转时间B 加快周转速度C 减少库存种类D 以小批量向零售企业提供来自不同制造企业的不同类型的商品分值: 1答案:D批发企业的经济合理性来自于其有无能力以小批量向零售企业提供来自不同制造企业的不同类型的商品。
4.联盟的目的是 ( )SSS_SINGLE_SELA 联合管理库存B 联合生产能力C 联合运输D 联合组织物流活动分值: 1答案:B联盟的目的是联合生产能力。
5.固定订货量系统库存控制的关键因素是 ( )SSS_SINGLE_SELA 订货点B 订货批量C 订货点与订货批量D 订货的时间间隔分值: 1答案:C固定订货量系统库存控制的关键因素是订货点与订货批量。
6.降低安全库存的基本措施中不包括 ( )SSS_SINGLE_SELA 尽量“拉平”需求波动B 改善需求预测工作C 增加设备和人员的柔性D 减少供应的不确定性分值: 1答案:A尽量“拉平”需求波动是降低调节库存的基本措施。
7.下列不适合运用固定间隔期系统进行库存控制的物资是 ( ) SSS_SINGLE_SELA 供货渠道较少的物资B 具有相同来源的物资C 需求量很大的物资D 供货来自物流企业的物资分值: 1答案:C需求量很大的物资适合运用固定订货量系统。
什么是精益自动化生产与智能制造有何关联伴随社会的不断进步,市场需求不断转型,从原先具有大众性、单一性的市场转变为多元化的市场。
且近年来劳动供给逐年下降,劳动成本不断上扬。
这样的转变导致企业的市场竞争越来越激烈,企业的利润空间越来越小。
因此,众多制造型企业选择以自动化生产代替人工生产的方法来提高产品品质以及生产效率,使自家的产品物美价廉,能在市场竞争中占据一席之地。
然而现今众多企业在采用自动化生产方式的过程中存在着诸多困扰,如何判断设备功能的合理性,如何规划设备布局方案,如何实现生产线平衡,如何提高设备的利用率,都已成为企业亟待解决的重要问题。
1精益生产与精益自动化1.1精益生产与自动化丰田式生产方式被称之为TPS,1985年麻省理工学院为TPS冠上了名号LeanProducTIon,即“精益生产”。
精益生产有两大支柱,一个是准时化生产(JIT),另一个就是自动化。
精益生产的构成见图1。
图1精益生产的构成自动化生产可以实现产品品质化,作业省人化。
在自动化生产中以生产100%的合格品为大前提,在生产过程中设备能够自动检测出设备异常和产品质量异常等,并能够自动停止,坚决不把不良品流向下到工序。
且又因设备能够自动停止,这样就不需要专人时刻注意设备运行,从而实现作业省人化。
1.2精益自动化精益自动化生产是在精益生产的理念上衍生而来,是将JIT,IE,5S,等思想与改善手法融入到自动化生产中,配合生产节拍进行生产作业。
通过程序分析,作业分析,动作分析等IE手法,减少浪费,提高生产效率。
再结合快速换模,信息目视化,6σ等技术,提高产品质量,适应柔性生产。
从自动化层面来优化连续流,实现生产的全面精益自动化,再辅以大数据、物联网等信息化技术工厂便能迈入智能制造的行列。
2精益自动化与智能制造2.1精益自动化的导入在确保生产安全的前提下,自动化导入共分为4大模块,23个子项。
4大模块分别为工具自动化,工序自动化,产线自动化,工厂自动化。
准时生产(JIT)、精益生产(LP)、敏捷制造(AM)共性特征、差异及应用分析一、共性特征1. 从实质来看准时生产方式(JIT)是日本丰田汽车公司首创的一种具有现代特色的生产组织方式,是包括经营理念、生产组织、物流控制、质量管理、成本控制、库存管理、现场管理在内的完整的管理技术与方法体系。
精益生产(LP)是对准时生产的进一步提炼和发展,其内容不仅限于生产系统的运营与管理,而且包括市场预测、产品研发、生产制造、质量控制、设备安全、物流组织与营销服务的全过程管理。
敏捷制造(AM)在准时生产和精益生产基础上,结合制造资源计划的实施而发展。
敏捷制造以先进的制造技术和灵活的动态组织方式为基础,依靠素质良好的员工和企业的动态联盟网络,组织以市场为导向的柔性生产与经营活动。
从它们的实质来看,精益生产是对准时生产的进一步提炼和发展,敏捷制造是在准时生产和精益生产基础上,结合制造资源计划实施而发展。
这说明它们在实质上就具有一定的共同点。
2.目的相同准时生产(JIT)、精益生产(LP)、敏捷制造(AM)都有一个共同的目的:提高企业竞争力,增加整体利润。
3. 都改变了流水线式的大批量生产方式在生产组织中,JIT以小批量和同步化生产为基础,其生产产量与产品完全由适时定货决定;精益生产要求围绕专门化的生产产品,以独特的技术组合完成特定生产的要求;敏捷制造要求组织任意批量、多种系列、高技术含量和高质量的产品生产、供应,以满足客户市场多方面的高水平需求。
4.都进行全面质量管理JIT生产方式以人-机结合的质量保障方式将质量管理贯串于每一工序之中,以求实现质量与成本的统一;精益生产将质量控制融入每一生产工序或环节,以此构建以生产作业为主体的技术与质量管理体系,使之能够适应产品设计变更、产品换代以及多品种混合生产的需要;敏捷制造也进行了全面质量管理。
5.人员可流动JIT进行作业人员的弹性配备,灵活性地配备作业人员,弹性地增减各生产线的作业人数,动态管理作业人员的技术组合;精益生产的流程决定了人力资源管理的特殊要求,在人员配备上可以考虑按流程的优化组合和人员的合理流动,实现岗位工作向任务的转变;敏捷制造在人力资源管理上,注重成员之间的沟通和人员的内、外流动。
ERP的核心管理思想体现在哪些方面ERP的核心管理思想就是实现对整个供应链的有效管理,主要体现在以下三个方面:1、体现对整个供应链资源进行管理的思想在知识经济时代仅靠自己企业的资源不可能有效地参与市场竞争,还必须把经营过程中的有关各方如供应商、制造工厂、分销*络、客户等纳入一个紧密的供应链中,才能有效地安排企业的产、供、销活动,满足企业利用全社会一切市场资源快速高效地进行生产经营的需求,以期进一步提高效率和在市场上获得竞争优势。
换句话说,现代企业竞争不是单一企业与单一企业间的竞争,而是一个企业供应链与另一个企业供应链之间的竞争。
ERP系统实现了对整个企业供应链的管理,适应了企业在知识经济时代市场竞争的需要。
2、体现精益生产、同步工程和敏捷制造的思想ERP系统支持对混合型生产方式的管理,其管理思想表现在两个方面:其一是“精益生产LP(LeanProduction)”的思想,它是由美国麻省理工学院(MIT)提出的一种企业经营战略体系。
即企业按大批量生产方式组织生产时,把客户、销售代理商、供应商、协作单位纳入生产体系,企业同其销售代理、客户和供应商的关系,已不再简单地是业务往来关系,而是利益共享的合作伙伴关系,这种合作伙伴关系组成了一个企业的供应链,这即是精益生产的核心思想。
其二是“敏捷制造(AgileManufacturing)”的.思想。
当市场发生变化,企业遇有特定的市场和产品需求时,企业的基本合作伙伴不一定能满足新产品开发生产的要求,这时,企业会组织一个由特定的供应商和销售渠道组成的短期或一次性供应链,形成“虚拟工厂”,把供应和协作单位看成是企业的一个组成部分,运用“同步工程(SE)”,组织生产,用最短的时间将新产品打入市场,时刻保持产品的高质量、多样化和灵活性,这即是“敏捷制造”的核心思想。
3、体现事先计划与事中控制的思想ERP系统中的计划体系主要包括:主生产计划、物料需求计划、能力计划、采购计划、销售执行计划、利润计划、财务预算和人力资源计划等,而且这些计划功能与价值控制功能已完全集成到整个供应链系统中。
企业信息管理-(本科)形成性考核二(省开选修学生专用)作业资料答案说明:每学期的课程题目都可能更换,请认真核对是您需要的题目后再下载!【题目】系统是由一些相互联系、相互作用的()为完成特定的目标而组成的一个集合。
A. 子系统B. 因素C. 组织D. 元素[请认真阅读以上题目,运用所学知识完成作答]参考答案:元素【题目】()指在信息或数据发生地当时、当地,从信息或数据所描述的实体上直接把信息或数据取出,并用某种技术手段在某种介质上记录下来。
A. 原始信息采集B. 二次信息采集C. 一元信息采集D. 二元信息采集[请认真阅读以上题目,运用所学知识完成作答]参考答案:原始信息采集【题目】()指对已记录在某种介质上、与所描述的实体在时间与空间上已分离的信息或数据的采集。
A. 二次信息采集B. 原始信息采集C. 一元信息采集D. 二元信息采集[请认真阅读以上题目,运用所学知识完成作答]参考答案:二次信息采集【题目】()是确定组织目标以及达到这些目标所需要的资源,以及控制这些资源的获得、使用和分配的一个过程。
A. 战略规划B. 操作控制C. 知识管理D. 管理控制[请认真阅读以上题目,运用所学知识完成作答]参考答案:战略规划【题目】()是对人们在实践中获得的经验和知识进行管理,以利于它的保存、应用和增值。
A. 操作控制B. 战略规划C. 知识管理D. 管理控制[请认真阅读以上题目,运用所学知识完成作答]参考答案:知识管理【题目】erp系统是指建立在信息技术基础上,以系统化的管理思想,为企业决策层及员工提供决策运行手段的()。
A. 综合平台B. 管理平台C. 信息平台D. 网络平台[请认真阅读以上题目,运用所学知识完成作答]参考答案:管理平台【题目】从()的角度看,erp是综合应用了数据库技术、面向对象技术、图形用户界面、第四代语言、网络通信等信息产业成果,以erp管理思想为灵魂的软件产品。
A. 软件产品B. 管理思想C. 综合D. 管理系统[请认真阅读以上题目,运用所学知识完成作答]参考答案:软件产品【题目】财务管理的功能主要是基于(),加以分析,从而进行相应的预测、管理和控制等活动。
网络经典课程部分1、MRP(物料需求计划)主要用于制造业,基本功能是实现物料信息的集成,保证及时供应物料,降低库存,提高生产效率。
2、运行MRP的主要数据:物料的需求信息、产品结构、采供提前期、库存信息运行3、闭环MRP的形成是在MRP基础上增加了能力需求计划,形成了“计划-执行-反馈-计划”的闭环系统,使系统具有生产计划与生产能力的平衡。
4、MRP是对物料需求的管理,MRPⅡ实现了物料信息同资金信息的集成,ERP在MRPⅡ的基础上扩展了管理范围,它把客户需求和企业内部的制造活动以及供应商的制造资源整合在一起,形成企业一个完整的供应链并对供应链上的所有环节进行有效管理。
5、ERP支持对混合型生产方式的管理,其管理思想表现在两个方面:一是,精益生产LP(Lean Production)二是,敏捷制造(Agile Manufacturing)6、ERP是面向供应链管理的信息集成系统7、物料清单的作用:使系统识别产品结构。
为了便于计算机识别,必须把用图表达的产品结构转换成数据格式,这种用数据格式来描述产品结构的文件就是物料清单。
联系与沟通企业各项业务的纽带。
物料清单是运行MRPII系统的主导文件,企业各个业务部门都要依据统一的物料清单进行工作。
8、工程BOM是按照产品的实际结构建立的BOM:一般只反映父件与子件之间的层次、数量关系,不反映制造工艺阶段和子项的装配顺序,这种BOM主要用于产品设计部门和原材料供应部门。
9、MRP主要解决的问题:1)生产什么?生产多少?(来源于MPS)2)要用到什么?(根据产品结构信息,即BOM表)3)已有什么?(来源于库存信息)4)还缺什么?(来源计算结果)5)何时安排?(来源计算结果)10、MRP运算与制订的基本原理: 1)由最终产品的主生产计划导出有关物料(组件、材料)的需求量与需求时间;2)根据物料的提前期确定投产或订货时间。
11、闭环MRP流程图:主生产计划、产能负荷分析、物料需求计划、能力需求计划12、ERP是面向供应链管理的信息集成系统在MRPⅡ基础上发展起来的ERP,突破了MRPⅡ只管理企业内部资源的方式,把客户需求、企业内部的经营活动以及供应商、代理商的资源融合到一起,体现了按市场需求制造及供应链管理的思想。
ERP的六大核心思想---------------------------------------------------------作为ERP的前身,MRP的概念在20世纪80年代进入中国,90年代初发展成为MRPⅡ。
90年代中期,中国企业知道了什么叫ERP,但到了90年代末,虽然国内已有企业开始实施这一先进系统,但真正理解了ERP 思想的企业却不是很多。
其实对于企业来说,ERP首先应该是管理思想,其次是管理手段与信息系统。
管理思想是ERP的灵魂,不能正确认识ERP的管理思想就不可能很好地去实施和应用ERP系统。
那么,ERP的管理内涵是什么?其先进的管理思想具体体现在哪些方面?作为业内人士,笔者试从以下六大方面进行论述,希望能给企业一些有益的启示。
帮助企业实现体制创新新的管理机制必须能迅速提高工作效率,节约劳动成本。
ERP帮助企业实现体制创新的意义在于,它能够帮助企业建立一种新的管理体制,其特点在于能实现企业内部的相互监督和相互促进,并保证每个员工都自觉发挥最大的潜能去工作,使每个员工的报酬与他的劳动成果紧密相连,管理层也不会出现独裁现象。
ERP作为一种先进的管理思想和手段,它所改变的不仅仅是某个人的个人行为或表层上的一个组织动作,而是从思想上去剔除管理者的旧观念,注入新观念。
从这个意义上讲,不管是国外的ERP产品还是本土的ERP产品,关键看其管理思想是否新颖又实用,并且不脱离现实。
必须要指出的是:目前我国企业中的确存在捧着“金饭碗”要饭的情况,即企业花巨资购买并实施了ERP系统,但却发挥不出该系统的作用,也就是说买而不用。
这样,不要说实现企业体制管理创新,连企业基本的信息化也很难实现。
“以人为本”的竞争机制近年来,许多企业都不约而同地提到了“以人为本”的管理思想。
笔者不禁要问,什么叫“以人为本”?是不是企业以人为主导作用,就叫做“以人为本”?这种解释应该没有错误,但太笼统,会给企业员工造成模糊不清的认识。
ERP及其核心理念1、ERP是(Enterprise Resource Planning)的缩写。
2、ERP的中文名称为(企业资源计划)3、ERP的涵义可以从三个层次来理解,此三个层次包括(ABC)A 管理思想 B 软件产品 C 管理系统 D 企业管理4、ERP的核心理念是(计划与平衡)。
ERP的核心是(计划),而计划的核心,就是要(平衡)。
5、ERP中的计划,指(需求计划)和(能力计划)6、ERP中的平衡,指(需求)与(能力)之间的平衡7、ERP 的核心管理思想就是(工程数据管理,生产管理,项目管理,客户服务管理,物资管理,财务管理)题型2简述题1、精益生产LP(Lean Production)精益生产(Lean Production)又称精良生产,其中“精”表示精良、精确、精美;“益”表示利益、效益等等。
精益生产就是及时制造,消灭故障,消除一切浪费,向零缺陷、零库存进军2、敏捷制造敏捷制造是在具有创新精神的组织和管理结构、先进制造技术(以信息技术和柔性智能技术为主导)、有技术有知识的管理人员三大类资源支柱支撑下得以实施的,也就是将柔性生产技术、有技术有知识的劳动力与能够促进企业内部和企业之间合作的灵活管理集中在一起,通过所建立的共同基础结构,对迅速改变的市场需求和市场进度作出快速响应。
第二章ERP系统的演变一、填空1、ERP的发展经历了(MIS阶段)(基本MRP阶段)(闭环MRP阶段)(MRPII阶段)(ERP阶段)。
2、下图是MRPII的运算流程,将图中缺少的模块名称补充上。
(1)(主生产计划/MPS),(2) (物料需求计划/MRP),(3) (BOM)(4) (工艺路线和工序)(5) (工作中心)(6) (加工单)3、下图是闭环MRP的运算流程,将图中缺少的模块名称补充上。
(1)(主生产计划/MPS ),(2) (物料需求计划/MRP ),(3) (能力需求计划)(4) (采购管理/采购作业)(5) (应收账款应付账款)二、判断题1、企业控制物料的需求通常采用控制库存物品的方法,为需求的每种物料设置一个最大库存量和安全库存量(订货点库存控制法)(对)2、相关需求是指根据物料之间的结构组成关系,由独立需求的物料产生的需求(也称非独立需求)(对)三、简答1.什么是订货点库存控制法?企业控制物料的需求通常采用控制库存物品数量的方法,为需求的每种物料设置一个最大库存量和安全库存量。
精益生产系统与敏捷制造精益生产系统和敏捷制造是两种改进和优化企业生产流程的方法论。
虽然它们有一些相似之处,但在很多方面又存在明显的差异。
首先,精益生产系统是一种管理方法,旨在通过减少浪费、提高效率和质量来改善生产流程。
它着眼于整个价值流,强调在每个阶段中消除浪费,如过多的库存、无价值的运动和处理等等。
其核心原则包括“唯一价值流”、“流动生产”、“精确交付”、“减少库存”和“持续改进”。
而敏捷制造则是一种以大规模生产为基础的方法,它注重快速、灵活地响应市场需求。
敏捷制造的核心目标是减低产品上市时间,提高产品质量和客户满意度。
相比于精益生产系统,敏捷制造更侧重于产业的快速创新和迅速调整的能力。
敏捷制造采用快速迭代和增量式的方法进行产品开发和生产,允许在需求和技术变化时及时做出调整,以快速投放市场。
除此之外,精益生产系统注重员工参与和团队合作,倡导员工之间的沟通和协作,以实现改进目标。
而敏捷制造则更强调跨职能团队之间的紧密合作,以达到高效的生产和快速的交付。
此外,在实施精益生产系统时,企业通常会采用各种工具和技术,如价值流图、Kanban制度、5S整理法等等,以帮助分析和改进生产流程。
而敏捷制造则倾向于采用一些敏捷开发和管理方法,如敏捷项目管理、Scrum等等。
综上所述,虽然精益生产系统和敏捷制造都是为了改进企业生产流程,但它们在目标、方法和应用方面存在一些差异。
企业可以根据自身需求和情况选择适合的方法论来优化生产效率和提升竞争力。
精益生产系统和敏捷制造作为现代企业生产经营的两种主要方法,都具有其独特的特点和优势。
在面对市场快速变化和竞争激烈的环境下,企业需要寻求提高生产效率和灵活性的方法,以便更好地满足客户需求。
首先,精益生产系统强调的是价值流动和消除浪费。
它的核心理念是追求最大化的价值创造,减少或消除不增值的活动和资源浪费。
精益生产系统企图通过精确交付、减少库存和持续改进等方式,建立起一个从供应商到客户的无缝价值流。
精益生产与敏捷制造有何异同在当今竞争激烈的制造业领域,企业为了提高生产效率、降低成本、满足客户多样化的需求,不断探索和应用各种先进的生产理念和方法。
精益生产和敏捷制造是两种备受关注且广泛应用的生产模式,它们在理念、方法和应用场景等方面既有相似之处,又存在显著的差异。
一、精益生产精益生产起源于日本丰田汽车公司,其核心思想是通过消除浪费来提高生产效率和质量。
这里所说的浪费,不仅仅是指材料的浪费,还包括生产过剩、等待时间、运输、库存、动作、过度加工以及缺陷等七种常见的浪费形式。
精益生产强调准时化生产(JIT),即只在需要的时候,按照需要的数量,生产所需的产品。
这要求企业具备精确的生产计划和高度协调的供应链管理,以确保原材料和零部件能够准时到达生产线,成品能够及时交付给客户,从而减少库存成本和资金占用。
同时,精益生产注重持续改进,通过员工的参与和团队合作,不断发现和解决生产过程中的问题,优化流程,提高生产效率和质量。
例如,采用价值流图分析整个生产流程,找出其中的非增值环节并加以改进。
另外,精益生产提倡自动化和人机结合。
自动化并非指单纯的机器自动化,而是当生产出现异常时,设备能够自动停止并发出警报,以便及时解决问题,避免产生不良品和浪费。
二、敏捷制造敏捷制造则是在快速变化的市场环境下应运而生的。
它的核心目标是快速响应市场需求的变化,以最短的时间为客户提供个性化的产品和服务。
敏捷制造强调企业的灵活性和快速应变能力。
这包括快速调整生产计划、重新配置生产资源、快速开发新产品等方面。
为了实现这一目标,企业需要建立跨职能的团队,能够在短时间内协同工作,解决各种问题。
与精益生产不同,敏捷制造更注重利用信息技术来实现生产过程的可视化和智能化管理。
通过数字化设计、制造执行系统(MES)、企业资源规划(ERP)等信息系统,企业能够实时获取生产数据,快速做出决策。
此外,敏捷制造强调企业之间的合作和协同。
在全球化的市场环境下,单个企业往往难以独自应对快速变化的市场需求,因此需要与供应商、合作伙伴甚至竞争对手建立紧密的合作关系,形成动态的供应链网络,共同应对市场挑战。
精益生产与ERP‚自然界始终在追求一种和谐,今天的制造业亦是这样。
‛一些常见的关于精益生产和ERP的说法,似乎表明精益生产和ERP之间存在不和谐之处。
*精益生产是‘拉’式生产,ERP是‘推’式生产。
*精益生产更适应于多品种小批量生产,ERP适应于大批量生产。
*精益生产中采用看板管理,ERP中采用MRP计划。
如果让他们同处于一家制造企业,他们能够和睦相处吗?一、‘关公’战‘秦琼’概括来说,精益生产是一种一最大限度的减少企业生产所占用的资源和运营成本为主要目标的生产方式,同时又是一个理念,一种文化。
ERP是建立在信息技术基础上,利用现代企业的先进管理思想,全面地集成了企业所有资源信息,为企业提供决策、计划、控制与经营业绩评估的全方位和系统化的管理平台。
精益生产强调的是一种具体生产方式,这种生产方式能够最大限度减少浪费。
而ERP则不关心具体的生产方式,强调的是为企业管理者提供一种管理工具和平台,使得管理者可以进行科学的决策和控制。
容易看出,二者面向企业管理者的不同方面,犹若关公战秦琼,应该打不到一块。
但是殊途同归,二者都认为其将给企业带来效益。
二、‘有形’对‘无形’走进一家实施精益生产的企业,首先且必须注意到车间内同传统企业的不同,设备布局,在制品存储,工位器具的设置等等。
车间管理人员会向你津津乐道生产效率的提高,浪费的减少等等。
精益生产在这里是有形的,看得见的,摸得着。
访问一家实施ERP系统的企业,在车间内看不出什么不同,除了工人手上的工单是计算机打印的。
走进办公室,情性恰恰相反,这里你能看到管理人员在某个软件中输入、查询、输出信息,ERP虽然是软件,但还是看得见,摸得着,是有形的。
某个经理会指出管理上的改善,比如方便快捷获得各种所需的管理报告,容易进行计划和模拟,集成的数据减少了差错,管理人员效率提高等等。
总的来说,实施ERP后,办公室的管理人员会看到与手工方式的巨大不同;实施精益生产后,车间人员会看到与传统方式的显著区别。
ERP-企业资源计划系统考试卷1答案一、问答题:(每题5分)1、什么是ERP答:ERP是企业资源计划的英文缩写。
2、什么是MRP答:MRP是物料需求计划的英文缩写。
3、什么是供需链答:供需链是围绕核心企业,通过对信息流、物流、资金流的控制,从采购原材料开始,制成中间品以及最终产品,最后由销售网络把产品送到消费者手中的将供应商、制造工厂、分销网络和最终用户等连成一个整体的功能网络链序列。
4、什么是JIT答:JIT是日本丰田汽车公司发明的一种生产方式。
按照这种生产方式,生产过程中的商品运动时间与供应商的交货时间经过仔细安排,在作业过程中的每一步,下一批(通常批量很小)都会恰在前一批刚结束时间到达,因此才称之为“准时”。
这样就不存在等候加工的空闲,也没有等待加工的空闲人员和设备。
5、什么是约束理论答:TOC是在优化技术OPT的基础发展起来的,它是一种能力管理和现场作业管理的哲理,把重点放在瓶颈工序上,保证瓶颈工序不发生停工待料,提高瓶颈工作中心的利用率,从而得到最大的有效产出。
6、什么是BOM答:BOM就是产品所需的物料清单,它是计算物料需求计划的主要基础。
物料清单有两个作用,第一个是使系统识别产品结构,另一个是联系与沟通企业各项业务的纽带。
二、填空题:(每题3分)1、ERP(Enterprise Resources Planning)是以上几个阶段的一个(质变)阶段,它包括了企业所有(资源)。
2、增值链是一种概念模型,把产品开发、供应、生产、营销、市场服务支持等一系列的(环节)看成一个整体,使企业从系统的观点出发,思考产品的(增值)过程。
3、精益生产是(JIT)的延续。
敏捷制造是一种以(速度)和(柔性)为重点的生产方式。
4、质量管理经历了从(单纯质量检验)到(统计质量检验),以及(全面质量管理)三个阶段。
三、选择题:(每题2分)1、主生产计划的对象是(C)。
A 工作中心B 物料C 最终产品D 关键工作中心2、物料需求计划的对象是(B)。
《企业资源规划(ERP)》第1章ERP概述练习题一、填空题1.企业资源计划(ERP)的概念是20世纪90年代初,提出的。
2. ERP是一整套企业管理系统体系标准,其实质是在MRPⅡ基础上进一步发展而成的面向的管理思想。
3. ERP作为系统包含了新的管理理念,给企业带来的不仅是效率,也体现为管理能力和管理模式的,即为实现企业的核心目标带来的。
4. ERP系统支持企业对混合型生产方式的管理,其管理思想表现在两个方面:一是的思想;二是的思想。
5. 全面质量管理指一个组织以为中心,以为基础,目的在于通过和本组织所有成员及社会受益而达到长期成功的管理途径。
6. ERP发展的几个主要的阶段:20世纪40年代的库存控制订货点法→ 60~70年代的→ 80年代的→ 90年代的企业资源计划(ERP)→ 21世纪提出的下一代企业资源计划(ERPⅡ)。
7. ERP II的核心是指企业从过去主要强调内部运作转向企业之间的外部协作,即。
二、判断题1.F2.T3.T4.T5.F6.T7.F8.T1. ERP既可支持离散型企业环境,又可支持流程型的企业环境;但不支持国际范围的企业应用。
(F )2. ERP系统能够完成企业的物流、信息流以及资金流三者管理的统一,为企业生产、管理、决策等服务。
(T )3. ERP系统能够为企业的供应链网络内各职能成员间合作进行的管理而提供基础支撑。
(T )4. 订货点法就是企业依据对库存补充周期内的需求量预测,并保留一定的安全库存储备而确定订货点。
( T )5. 独立需求是指需求量和需求时间由企业内部的需求来决定的。
( F )6. 物料清单(BOM)是用规范的数据格式来描述产品结构的文件。
( T )7. 开环MRP是基于生产企业现有生产能力和采购的有关条件的约束来制定物料需求计划。
( F)8. ERP系统支持在线分析处理(OLAP)、售后服务(即质量反馈),强调企业的事前控制能力。
(T )三、选择题1. 下列哪项不是ERP的功效?( C )A. 管理整个供应链资源B. 提升生产工艺和水平C. 畅通企业间的业务信息D. 改善成本效率和财务状况2.下列哪一项不是订货点法的基本假设?( B )A. 对各种物料的需求是相互独立的B. 物料需求是不连续发生的C. 库存消耗之后,应被重新填满D. “何时订货”是一个大问题3. 下列哪一项不是基本MRP的依据?( D )A. 主生产计划B. 物料清单C. 库存信息D.客户订单4. MRPⅡ在功能上比MRP增加了( B )功能。
ERP系统的管理思想ERP的核心管理思想就是实现对整个供应链的有效管理,主要体现在以下三个方面:1、体现对整个供应链资源进行管理的思想在知识经济时代仅靠自服装进销存己企业的资源不可能有效地参与市场竞争,还必须把经营过程中的有超市管理关各方如供应商、制造工厂、分销网络、客户等纳入一个紧密的供应链中,才能有效地安排收银软件企业的产、供、销活动,满足企业利用全社会一切市场资源快速高效地进行生产经营的需求,以期进一步提高效率和在市场上获得竞争优势。
换句话说,现代企业竞争不超市管理是单一企业与单一企业间的竞争,而是一个企业供应链与另一个企业供应进销存软件链之间的竞争。
ERP系统实现了对整个企业供应链的管理,适应了企业在知识经济时代市场竞争的需要。
2、体现精益生产、同步工程和敏捷制造的思想ERP系统支持对混合型生产方式的管理,其管理思想表现在两个方面:其一是“精益生产LP(Lean Production)”的思想,它是由美国麻省理工学院(MIT)提出服装进销存的一种企业经营战收银软件略体系。
即企业按大批量生产方式组织生产超市管理时,把客户、销售代理商、供应商、协作单位纳入生产体系,企业同其销售代理、客户和供应商的关系,已不再简单地是业务往来关系,而是利益共享的合作伙伴关系,这种合作伙进销存软件伴关系组成了一个企业的供应链,这即是精益生产的核心思想。
其二是“敏捷制造(Agile Manufacturing)”的思想。
当市场发生变化,企业遇有特定的市场和产品需求时,企业的基本合作伙伴不一定能满足新产品开发生产的要求,这时,企业会组织一个由特定的供应商和销售渠道组成的短进销存软件期或一次性供应链,形成“虚拟工厂”,把供应和协作单位看成是企业的一个组成部分,运用“同步工程(SE)”,组织生产,用最短的时间将新服装进销存产品打入市场,时刻保持收银软件产品的高质量、多样超市管理化和灵活性,这即是“敏捷制造”的核心思想。
精益生产与敏捷制造有什么联系在当今竞争激烈的制造业环境中,精益生产和敏捷制造是两个备受关注的概念。
它们各自具有独特的特点和优势,然而,这两者之间并非孤立存在,而是存在着紧密的联系。
精益生产起源于日本的丰田生产方式,其核心目标是通过消除浪费来提高生产效率和质量。
这种生产方式强调的是对生产流程的持续优化,以最小的投入获得最大的产出。
精益生产关注的浪费包括过量生产、库存、等待时间、运输、过度加工、缺陷以及未被充分利用的员工创造力等。
通过识别和消除这些浪费,企业能够实现更高效的生产运营,降低成本,提高产品质量,并缩短交付周期。
敏捷制造则侧重于快速响应市场变化和客户需求的不确定性。
它强调企业具备灵活的组织结构、快速的决策过程和高效的供应链管理能力,以便能够在短时间内调整生产计划和产品设计,满足客户的个性化需求。
敏捷制造的关键在于能够迅速整合资源,快速推出新产品或对现有产品进行改进,从而在市场竞争中抢占先机。
那么,精益生产和敏捷制造之间到底有哪些联系呢?首先,两者都致力于提高企业的竞争力。
精益生产通过消除浪费降低成本,提高产品质量和生产效率,使企业在成本和质量方面具有优势。
敏捷制造则通过快速响应市场变化,满足客户个性化需求,增强企业在市场中的适应性和灵活性。
无论是精益生产还是敏捷制造,其最终目的都是帮助企业在激烈的市场竞争中脱颖而出,赢得客户的青睐。
其次,精益生产为敏捷制造提供了坚实的基础。
精益生产所倡导的消除浪费、优化流程和持续改进等理念,有助于建立一个高效、稳定的生产系统。
当企业面临市场变化需要快速调整生产时,一个精益的生产系统能够更迅速、更顺利地进行转型。
例如,精益生产所实现的低库存水平,能够使企业在响应市场变化时减少库存积压的风险,更灵活地调整生产计划。
再者,敏捷制造是精益生产理念的延伸和发展。
在精益生产的基础上,敏捷制造进一步强调了对市场变化的快速响应能力和创新能力。
它要求企业不仅要关注内部生产流程的优化,还要密切关注市场动态和客户需求的变化,及时调整战略和产品服务。
精益生产、ERP系统与敏捷制造三者的联系
ERP是建立在信息技术基础上,利用现代企业的先进管理思想,全面地集成了企业所有资源信息,为企业提供决策、计划、控制与经营业绩评估的全方位和系统化的管理平台。
TPS是二战后由日本丰田公司创立的一种理念和生产模式,它是以改善为核心,以一切从简、减少浪费为原则,从而降低成本,提高产品质量的生产方式。
而精益生产则是由欧美管理专家根植于TPS,和TPS一脉相承,核心思想是一致的。
敏捷制造是以先进的制造技术和灵活的动态组织方式为基础,依靠素质良好的员工和企业的动态联盟网络,组织以市场为导向的柔性生产与经营活动,以达到增加利润的目的。
一、ERP、精益生产(TPS)、敏捷制造的共同点
ERP、精益生产(TPS)、敏捷制造都强调降低库存、集成供应链和缩短产品交货期。
使用ERP系统的企业由于有了准确的物料需求计划,可以科学的安排采购计划,得以降低了库存,它降低的是在仓库中的库存。
使用精益生产(TPS)的企业,由于使用了看板,生产线从仓库领取物料的数量被控制在看板数量之内,向供应商订购的物料数量也不能超过看板数量,这样能解决在制品积压问题,它更擅长降低在生产现场的库存。
敏捷制造由于采用的是以市场为导向,以虚拟组织生产、快速重构供应链为核心,实现制造经营的集约化,库存控制策略是以客户需求为主,但也不存在大量的库存,包括仓库和生产现场。
对于供应链的集成方面,传统的ERP还只能是有限的利用供应链,未来随着ERP和其他先进管理模式的进一步整合,ERP和供应链的集成将越来越紧密;精益生产(TPS)则是通过准时制
生产和上下游供应链紧密的集成到了一起;而敏捷制造则不光是集成供应链,还要能做到快速重构供应链,适应市场的波动变化。
ERP通过主生产计划与物料需求计划对企业整体资源的协调来缩短产品交货期;精益生产(TPS)则是通过单元生产、看板、快速换模等生产方式来缩短产品交货期;敏捷制造则通过供应链快速重组,敏捷地适应市场需要,来快速的满足客户的需求,缩短产品交货期。
二、ERP、精益生产(TPS)、敏捷制造各自的侧重点
ERP强调计划与控制,ERP的核心思想就是通过对整个供应链的有效管理,把经营过程中的供应商、制造企业、客户等各方纳入一个紧密的供应链中,有效安排产、供、销活动来提高效率和在市场上获得的竞争优势,是管理技术与计算机技术的集成。
精益生产(TPS)强调现场执行,它采用价值流分析、准时化(看板)、零库存、单元生产、快速换模及自働化等先进的生产管理手段,通过持续改善来提高企业的生产管理水平。
敏捷制造强调对需求波动的适应,目标是企业间形成供应链共同体,使之可以快速重构供应链,通过有竞争的合作形成可以快速反应的虚拟组织,来适应市场的波动,满足客户需求。
三、全球制造业如何应对未来超竞争时代
今天,在众多领域的制造业者所共同面临的挑战和困难是一二十年前所无法想象的,技术的发展瞬息万变,全球化的竞争四处涌现,客户的需求也上升到几乎不容许你出错甚至苛刻的水平。
这就是超竞争时代来临的特征,即1、市场动荡;2、环境复杂;3、未来不可预测。
我们必需承认“墨菲的存在”,任何事都可能出错。
很多因素都会影响计划的执行,在哪里,何时发生是难以预料的。
如客户随意的改变日期;未完成的或不准的BOM的数据和工艺的数据;不守信用的供应商;员工突然的病事假;机器故障;任何可能发生的事情。
如何应对变化?我们企业的管理者在确定企业供应链发展战略重心时,就是要在精益战略、敏捷战略这两个世界级战略中,取得平衡发展。
利用ERP信息化来驱动流程创新,使ERP融入按需生产、快速精益制造和柔性企业的基因,给制造业注入新的竞争力,打造按需生产、快速精益制造的柔性企业来应对这一切。
四、ERP、精益生产(TPS)、敏捷制造的融合
许多人认为这些先进的管理技术是风马牛不相及的,甚至是相互矛盾的。
比如精益生产(TPS)与ERP,一个是“推”式管理,一个是“拉”是管理,根本就是针尖对麦芒,无法并存。
我认为精益生产(TPS)、敏捷制造与ERP并无直接矛盾,它们的侧重点不一样。
仔细去看,就会发现敏捷制造、精益生产(TPS)、ERP它们各自的长处以及侧重点正好都处在不同的区域与环境,并且已经有了相互融合的趋向。
企业间产业链的集成和快速重构是敏捷制造的长处,那就用敏捷制造的理念和方法去规划和打造企业的供应链联盟,并形成供应链共同体,使企业可以更快速的适应市场的波动变化,更高效的满足客户需求。
既然ERP系统善于规划和计算,那么就用ERP系统来有效整合供应链与企业内部资源,完善企业基础管理数据,利用信息化技术,通过精确的计划和控制,来对企业的主生产计划和物料采购计划进行有效的安排,并精确归集和分析生产成本。
ERP系统虽然可以精确的计算需求,安排计划,但对于现场的控制和计划变动的处理则缺乏有效的手段。
所以,ERP应用于生产管理时,要将其主要功能限定在依据销售预测和成品库存,形成主生产计划(MPS),车间依据主生产计划进行物料和能力的生产安排工作。
当实施生产任务时,通过精益生产(TPS)来建立车间在制品生产调度规程,建立看板拉动系统,依据实际的销售数量安排从成品到零件的拉动型生产。
建立灵活ERP生成的日工作单进行生产,以避免因销售波动、工序能力不一致,以及无法预测的品质不良、设备故障出现制造过剩的浪费。
精益生产(TPS)、敏捷制造与ERP并不矛盾,而是相辅相成的。
实施ERP不容易,实施精益生产(TPS)、敏捷制造也不容易,将三者结合,发挥出各自特点和整合优势,更要付出艰苦的努力,但这是制造业发展的必然方向。
本文来自CTPM华天谋管理咨询(微信号ctpm366288),敬请关注。