人防暖通计算书
- 格式:doc
- 大小:295.00 KB
- 文档页数:16
给排水人防设计计算书1、战时人员生活用水按28升/人,口部洗消用水按5升/平方米冲洗一次,战时人员饮用水按45升/人计。
人防分区人防掩蔽人数(人)洗消用水水箱(T)饮用用水水箱(T)28L/人45L/人1 1238 35 562 1332 38 603 1388 39 614 1330 38 605 1260 36 57每个人防分区设置战时生活洗消不锈钢水箱一只,尺寸为:L*B*H=6X4X2.5,有效容积为55m3。
在生活洗消水箱一侧设气压变频给水设备GBWS-3-32-2SLG一套,配泵SLG3*3F两台(一用一备)及气压罐一只SQL800,满足生活、洗消用水的水量及水压要求。
人防口部洗消和防毒通道均预留水龙头。
每个人防分区设置战时饮用不锈钢水箱一只,尺寸为:L*B*H=10X4X2.5m,有效容积为80m3,满足饮用水量要求,在水箱侧壁设取水龙头。
2、人防单元六:物资库设置洗消水箱8T,尺寸为:L*B*H=2*2*2.5m3、柴油发电机房冷却水量计算:柴油发电机房采用风冷,发电机组采用水冷。
设置混合水池。
发电机房内设置二台120KW的柴油发电机组。
根据《全国民用建筑工程设计技术措施---防空地下室》(2009版),柴油发电机循环冷却水量:Q=ε*N*m*b*k/((t2-t1)*C*ρ)=0.35*120*2*0.23*41870/((75-50)*4.19*1000)=0.77(m³/h)混合水池的补水量:Qh=((t2-t1)/((t2-t))*Q=((75-50)/75-10)*0.77=0.3(m³/h)循环出水温度t2取75℃,循环进水温度t1取50℃,混合水池按2天补水量储存水量,V=Qh*T=0.3*2*24=14(m³)则燃油消耗量为200g/kw·h*120KW*2=48000g/h=48kg/h。
燃油的发热量为:Q=48kg/h*41900kJ/kg=2011200 kJ/h此热量包括柴油机的散热量Q1,发电机的散热量Q2和排烟管道的散热量Qy。
200厚填充墙线荷〔9×0.2+0.4×2〕×2.5=6.5KN/m 2普通板面荷18×0.01+20×0.02+24×0.04+0.4=1.96取2 KN/m 2卫生间厨房18×0.01+20×0.02+24×0.05+0.4=2.18取2.2 KN/m 2屋面(机房,出屋面楼梯间所在楼面层)为上人屋面。
≥24层,外墙到第二道腰线处以上弯200 门窗洞口宽度为建筑洞宽+40北外墙地下室人防核6常6,顶板q =70 KN/m 2外墙q =40 KN/m 2底板q =55 KN/m 2Q 活=10 KN/m 2Q 活侧=10/19×19×0.4=4 KN/m 2Q 覆土=19×0.875×0.4=6.65 KN/m 2 Q 土水上=19×0.125×0.4=0.95KN/m 2 Q 土水下=11×3.78×0.4=16.632 KN/m 2 Q 水=10×3.78=37.8KN/m 2人防M B K=KNm 245.768905.340822-=⨯=-ql 活M B K=KNm 624.78905.34822-=⨯=-ql 覆土M B K=KNm 676.128905.365.6822-=⨯=-ql 人防M max K=KNm 888.428905.3409128922-=⨯⨯=-ql X =4m 46.18905.3383=⨯=l 活M maxK =KNm 289.4128905.3492=⨯⨯覆土M maz K=KNm 13.7128905.3492=⨯⨯水上土活M B K=KNm 0025.05316125.095.053162222=⎪⎪⎭⎫⎝⎛-⨯-=⎪⎪⎭⎫ ⎝⎛--ααqa 905.3125.0=α R A =()KN ql qb 275.1905.378.34905.3878.395.042323=⎪⎭⎫⎝⎛-⨯⨯=-β m q R a X A 467.1=+= M maz =KNm q R a R A A 015.12=⎪⎪⎭⎫⎝⎛+ 水下土+水 M BK=⎪⎪⎭⎫⎝⎛+-⨯-=⎪⎪⎭⎫ ⎝⎛+--53342478.3432.545334242222ββββqb 96799.0905.378.3==β m qbR b a X A768.12=+=R A =KN l qb 433.1951823=⎪⎭⎫⎝⎛-β M max =KNm qb R b a R A A 713.23232=⎪⎪⎭⎫⎝⎛+ M B =1.35×(12.676+0.0025+1.807+53.737)+0.7×1.4×7.624+76.245=175.8KNmM max =1.35×(7.13+0.0047+1.015+23.713)+0.7×1.4×4.289+42.888=90.1KNm M B K=12.676+0.0025+1.807+53.737+7.624/2=72KNm M max K=7.13+0.0047+1.015+23.713+4.289/2=34KNm M B =175.8KNmC25砼 Ⅲ级钢 f c =16.7 f tk =2.201327.02305.110007.160.1108.17526=⨯⨯⨯⨯⨯=s α 9285.02211=-+=ss αγ2619062303602.19285.0108.175mm A s =⨯⨯⨯⨯=16@100(2015) M max =90.10575.02505.110007.160.1101.9026=⨯⨯⨯⨯⨯=s α9703.02211=-+=ss αγ268602503602.19703.0101.90mm A s =⨯⨯⨯⨯=12/14@150(890)As min =0.25%⨯300⨯1000=0.0134504.00134.093.1782.265.01.1⨯⨯⨯-=ϕmm mm 2.018.00134.01608.0509.110293.178504.01.25<=⎪⎭⎫⎝⎛⨯+⨯⨯⨯⨯⨯=ω以内 26/64.17525089087.01034mm N sk=⨯⨯⨯=σ 286.001.064.1752.265.01.101.0=⨯⨯-==ϕρte mm mm 2.0105.001.01308.0309.110264.175286.01.25<=⎪⎭⎫⎝⎛⨯+⨯⨯⨯⨯⨯=ω次口楼电梯临空墙C35 f c =16.7 &=300 h 0=260M B K=KNm 8.2478905.3130822=⨯=ql M maz =KNm 4.139128905.313092=⨯⨯ 外1463.02605.110007.160.1108.24726=⨯⨯⨯⨯⨯=s α 9205.02211=-+=ss αγ2623972603602.19205.0108.247mm A s =⨯⨯⨯⨯=22@150(2534) &=350外1099.03005.110007.160.1108.24726=⨯⨯⨯⨯⨯=s α 9416.02211=-+=ss αγ2620313003602.19416.0108.247mm A s =⨯⨯⨯⨯=20@150(2095), 18@125(2039)0618.03005.110007.160.1104.13926=⨯⨯⨯⨯⨯=s α968.02211=-+=ss αγ2611123003602.1968.0104.139mm A s =⨯⨯⨯⨯=14/16@150(1183)As min =0.25%⨯350⨯1000=875mm 2 &=300 内0823.02605.110007.160.1104.13926=⨯⨯⨯⨯⨯=s α957.02211=-+=ss αγ2612972603602.1957.0104.139mm A s =⨯⨯⨯⨯=16@150(1340)扩散室临空墙单向板简支KNm qM 8.158.1832=⨯=&=30001.025010005.17.160.1108.1526=⨯⨯⨯⨯⨯=s α 99.02211=-+=ss αγ261482503602.199.0108.15mm A s =⨯⨯⨯⨯=As min =750mm 212@150(1340)上简支,下固定梁式板 12@150 ,四边简支64.0905.35.2==y x l l , 7.195.23902652.0610764.02=⨯⨯⎪⎭⎫ ⎝⎛⨯+=x m6.95.2390764.06102652.02=⨯⨯⎪⎭⎫⎝⎛⨯+=y m12@150扩散室悬板活门临空墙&=300KNm MBK8.2478905.31302-=⨯-=049.045010005.17.160.1108.24726=⨯⨯⨯⨯⨯=s α 9749.02211=-+=ss αγ2613084503602.19749.0108.247mm A s =⨯⨯⨯⨯=As min =0.25%×1000×500=1250mm 2 14@100(1539)四边简支922.025002305==y x l l KNm m x 3.34305.213003606.06104357.02=⨯⨯⎪⎭⎫ ⎝⎛⨯+=KNm m y 9.29305.213004357.06103606.02=⨯⨯⎪⎭⎫⎝⎛⨯+=通道(人防主口) 侧墙:&=300上水q 水上=10×2.9=29 下水q 水下=10×3.45=34.5水上土q 土水上=19×0.75×0.4=5.7 水下土q 土水下=11×2.9×0.4=12.767 侧土q 侧土=11×3.45×0.4=15.18 活q 活=10×0.4=4 人防q 防=4085.345.3=α 1039.085.34.0==β49.675.1418.155.34523=⎪⎪⎭⎫ ⎝⎛+=αβqa R A ⎪⎭⎫ ⎝⎛-=52122αqa R A6.1547.3518.155.34531222--=⎪⎪⎭⎫⎝⎛--=αqa M B 214.1==qaR ax A 26.594.1118.155.34232max ==qa R Ra M A()4.1822.881.4167.5777.576.127.5294046883=+-=ααqa R A ()2268α-=qa R B()72.2215.1065.5124.7112.776.127.5294042822-----=--=αqa M B m qR x A44.1==27.1393.514.3057.4116.476.127.5294042max 2=-=g R M A()KNm M B K 39.21056.383.206212.772.2265.5124.7147.356.15=--=-++++-=C35 f c =16.7 &=300 h 0=230mm1588.023010005.17.160.11039.21026=⨯⨯⨯⨯⨯=s α 913.02211=-+=ss αγ2623202303602.1913.01039.210mm A s =⨯⨯⨯⨯=18@100(2545) &=350 h 0=270mm1152.027010005.17.160.11039.21026=⨯⨯⨯⨯⨯=s α9386.02211=-+=ss αγ2619222703602.19386.01039.210mm A s =⨯⨯⨯⨯=16@100(2011)()KNm M B 02.19012.70.7 4.172.2215.1065.5147.356.1535.1-=⨯⨯-++++⨯-=1561.027010005.17.160.11002.19026=⨯⨯⨯⨯⨯=s α 915.02211=-+=ss αγ2621382703602.1915.01002.190mm A s =⨯⨯⨯⨯=KNm M B K 15.139-=26/57.294201127087.01015.139mm N s ⨯⨯⨯=σ0145.010003505.02545=⨯⨯=te ρ6775.00145.076.2322.265.01.1=⨯⨯-=ψ3.00145.01608.0509.110276.2326775.01.25=⎪⎭⎫⎝⎛⨯+⨯⨯⨯⨯⨯=ω &=400 h 0=320mm1561.032010005.17.160.11002.19026=⨯⨯⨯⨯⨯=s α 941.02211=-+=ss αγ261753320360941.01002.190mm A s =⨯⨯⨯=选用 16@100(2011)0145.010004005.02011=⨯⨯=te ρ525.001.05.2482.265.01.1=⨯⨯-=ψ31.001.01608.0509.11025.248525.01.25=⎪⎭⎫⎝⎛⨯+⨯⨯⨯⨯⨯=ω 26/5.248201132087.01015.139mm N sk ⨯⨯⨯=σ选用 18@100(2545)26/4.196254532087.01015.139mm N sk⨯⨯⨯=σ 0127.010004005.02454=⨯⨯=te ρ528.00127.04.1962.265.01.1=⨯⨯-=ψ23.00127.01808.0509.11024.196528.01.25=⎪⎭⎫⎝⎛⨯+⨯⨯⨯⨯⨯=ω 人防配筋&=400 M B =210.39082.032010005.17.160.11039.21026=⨯⨯⨯⨯⨯=s α 957.02211=-+=ss αγ2615913202.1360957.01039.210mm A s =⨯⨯⨯⨯=KNm M 19.11008.211.108216.427.1393.514.3057.4126.594.11max =+=++++++=防0359.035010005.17.160.11019.11026=⨯⨯⨯⨯⨯=s α 98.02211=-+=ss αγ1000%25.07443502.136098.01019.11026=<=⨯⨯⨯⨯=bh mm A s取 16@200()KNmM 91.9316.498.027.1393.514.3026.594.1135.1max =⨯+++++⨯=0459.035010007.160.11091.9326=⨯⨯⨯⨯=s α9765.02211=-+=ss αγ267643503609765.01091.93mm A s =⨯⨯⨯=26/43.217100535087.01054.66mm N sk =⨯⨯⨯=σ 01.0=te ρ4423.001.043.2712.265.01.1=⨯⨯-=ψ mm mm 2.019.001.01608.0209.110243.2174423.01.25<=⎪⎭⎫ ⎝⎛⨯+⨯⨯⨯⨯⨯=ω。
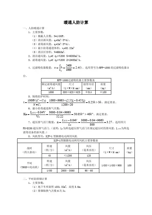
暖通人防计算一、人防暖通计算1、主要参数:(1)掩蔽人员数:N=1400P ;(2)清洁新风量:q 1=5m 3/(P •h);(3)滤毒新风量:q 1=2m 3/(P •h);(4)最小防毒通道体积:v 0=52.22m 3;(5)清洁区容积:V=9663m 3。
2、清洁通风量:L 1=N ×q 1=1200×5=6000m 3/h 。
3、滤毒通风量:L 2=N ×q 2=1200×2=2400m 3/h 。
4、过滤吸收器数量:台4.2100024002===Y L L n ,选用型号为RFP-1000的过滤吸收器3台。
RFP-1000过滤吸收器主要参数表额定滤毒通风量 (m 3/h ) 尺寸 (L ×W ×H mm ) 接管内径(mm )质量(kg ) 1000880×623×623Ф314≦1805、隔绝防护时间:h h C N C C V 325.8201200)45.05.2(96631000)(1000t 000010>=⨯-⨯⨯=∙-=,满足要求。
6、最小防毒通道换气次数:1-1-0H 4005.5022.52966304.0-3000V V 04.0-L K h h >=⨯==滤毒,满足要求。
7、超压排气活门数量:27.3800966304.0300004.0n 0=⨯-=-=L V L 滤毒,选用四只PS-D250超压排气活门。
(说明:L 0为所选超压排气活门在规定超压时的排风量,L 滤毒为所选滤毒设备的新风量。
)8、风机型号:DJF-1型脚踏电动两用风机DJF-1型脚踏电动两用风机主要参数表战时 (四人驱动)转速 (转/分)风量 (m 3/h ) 风压 (毫米水柱)尺寸(L ×W ×H mm )质量 (kg )40≤1200 120 平时(Y90S-4电动机)转速(转/分)风量 (m 3/h ) 风压 (毫米水柱) 1480×1480×900 10014002600~306090~60二、平时防排烟计算1、主要参数:(1)地下车库面积1851.32m 2,高度5.6m ; (2)排烟取换气次数6次/h ;(3)通风排风取换气次数6次/h,补风取5次/h。
人防及通风计算书-暖通地下室人防及通风计算书一.平时风量计算:本工程地下室汽车库建筑面积16130.92㎡,为八个防火分区。
其中防火分区一、防火分区二、防火分区三均为汽车库;防火分区四与防火分区六为设备用房;防火分区五、防火分区七以及防火分区八平时为自行车库,战时为二等人员掩蔽场所,分为两个防护单元(防火分区五为一个防护单元,防火分区七与防火分区八为一个防护单元),防护等级均为甲类核六级、常六级,防化等级均为丙级,人防部分面积为4320.7㎡.汽车库可停放汽车325辆。
汽车库平时排风系统与火灾排烟系统合用,排风机兼排烟风机。
平时排风量、排烟量均按换气次数6次/h计算。
汽车库平时排风,由机械补风和汽车坡道进行自然补风。
火灾时,排烟风机继续运行排烟,其它与消防无关通风设备关闭,此时补风方式采用机械补风,补风量不小于总排烟量的50%。
自行车库平时通风以及消防排烟参照汽车库相关规范执行,按换气次数为6次/h计算。
设置机械补风,补风量不小于总排烟量的50%。
一)人防地下室车库通风计算:人防非机动车库为三个防火分区,四个防烟分区。
面积分别为1057㎡、714㎡、922㎡、955㎡。
板下净高3.5m。
①排风、排烟量:L=1.1x(1057+714)x3.5x6=40910CMH选用风机:PYHL3-2A NO.9.5A 41000CMH 650Pa 11KW 535Kg 83dB排风机单位风量耗功率:Ws=650/(3600x0.6)=0.3W/(m^3/h)补风:按不小于50%取值,所选风机为HL3-2A NO.9A 23618CMH 362Pa 4KW 460Kg 75dB Ws=0.213②排风、排烟量:L=1.1x922x3.5x6=21298CMH选用风机:PYHL-14A NO.8A 22000CMH 540Pa 5.5KW 363Kg75dB排风机单位风量耗功率:Ws=540/(3600x0.6)=0.25W/(m^3/h)补风:按不小于50%取值,所选风机为HL-14A NO.7.5A 13668CMH 251Pa 2.2KW 295Kg 67dB Ws=0.116③排风、排烟量:L=1.1x922x3.5x6=21298CMH选用风机:PYHL-14A NO.8A 22000CMH 540Pa 5.5KW 363Kg 75dB排风机单位风量耗功率:Ws=540/(3600x0.6)=0.25W/(m^3/h)补风:按不小于50%取值,所选风机为HL-14A NO.7.5A 13668CMH 251Pa 2.2KW 295Kg 67dB Ws=0.116二.战时风量计算:战时为核6级二等人员掩蔽部,分两个防护单元。
人防通风计算书通风计算书一、设计依据1.《人民防空地下室设计规范》(GB50038-2005)2. 《人民防空工程设计规范》(GB50225-2005)3. 《人民防空工程施工及验收规范》(GB50134-2004)4. 《汽车库、修车库、停车场设计防火规范》(GB50067-2014)5. 《车库建筑设计规范》(JGJ100-2015)6. 《民用建筑供暖通风与空气调节设计规范》(GB50736-2012)7. 《人防工程平时使用环境卫生标准》(GB/T 17216-1998)8. 《人民防空工程施工及验收规范》(GB50134-2004)9. 《人民防空工程设计防火规范》(GB50098-2009)10.《人民防空工程防化设计规范》(RFJ013-2010)11. 其它有关规程、规定、技术措施、意见等等。
二、设计计算本工程为平战结合人防工程,位于地下室一层,地下室一层平时为机动车停车库使用,战时转换为4个二等人员掩蔽, 1个移动电站,共4个防护单元,人防总建筑面积6948㎡,属甲类附建式人防工程,防核武器6级,防常规武器6级,防化等级为丙级。
防护单元1战时为二等人员掩蔽部,人防面积1956㎡,可掩蔽队员1300人。
最小防毒通道7㎡,防毒通道净高3.25m。
战时二等人员掩蔽部通风设计计算:清洁式通风量:L=1300x5.1=6630m3/h滤毒式通风量:L=1300x2.1 =2730m3/h防毒通道取换气次数40次。
L=7x3.25x40+1723x3.25x7%=1302m3/hL滤毒=2730m3/h选过滤吸收器3台,RFP型,风量1000 m3/h风机的选择清洁通风进风机风量:L=1300x5.1 x1.1=7293 m3/h滤毒通风风机风量:L=1300x2.1 x1.2=3276 m3/h清洁通风进风机:HL3-2A-NO5AL=7300m³/h,P=500pa,N=2.2kw滤毒通风风机:4-72-3.5AL=3276m³/h,P=1490pa,N=2.2kw战时清洁式排风机,选GXF-B-5.5BL=7000m³/h,P=440pa, N=1.5kw滤毒式,超压排气阀选PS-D250型n=(L滤毒-0.07V有效)/L=(2730-0.07x3.25x1723)/800=2.92,n=3个人员掩蔽部隔绝防护时间计算t=1000V(C-Co)/nC1V--防护单元有效空间体积C-隔绝防护时CO2 允许含量2.5(% );C1-每人每小时呼出CO2 量20 (升/h. 人);Co-隔绝防护前,初始CO2 含量取最大值1.0(%);n-掩蔽人数;得:t=1000x1723x3.25 x(2.5%-0.45%)/1300/20 =4.42>3(小时)满足要求.不必采取其它措施即可满足隔绝时间要求.最小防毒通道换气次数:n= L滤毒-0.07V有效/ V f=102.3>40,满足要求。
人防计算书(暖通部分)【参考文献及设计依据】《人民防空地下室设计规范》GB50038-2005《防空地下室通风设计》07FK01~02【人防概况】本工程人防等级为二等人员掩蔽所,设二个人防单元,设在地下四层,平时作汽车库用。
人防面积(m^2):3236人防掩蔽面积(m^2):2104人防掩蔽人数(人):2104【人防单元一】人防面积(m^2):1404人防掩蔽面积(m^2):913人防掩蔽人数(人):913【通风部分】:清洁通风新风指标(m^3/p):6清洁通风新风量(m^3/h):5478滤毒通风新风指标(m^3/p):3.0滤毒通风新风量(m^3/h):2739防毒通道实际换气次数(h-1):>40【防护通风】:1.清洁式通风新风量:L1=913*6=5478(m^3/h)2.滤毒式通风新风量:(1).按人数计算:LR=913*3=2739(m^3/h)(2).按保证防毒通道换气次数计算:L3=11.5*3.3*40=1520(m^3/h)保证人防工程计算漏风量:Lf=913*3.3*7%=211(m^3/h)LH=L3+Lf=1520+211=1731(m^3/h)因为LR>LH 所以滤毒通风新风量应取:L2=LR=2739(m^3/h)设计滤毒通风新风量应不小于2739(m^3/h) 【设备选型】:1.粗效过滤器:设计计算风量: 5478(m^3/h)选用:LWP-X-1600型过滤器单个处理风量:1400(m^3/h)需要油网过滤器个数:3.91实际选型个数:52.吸收器数量:设计计算风量: 2739(m^3/h)选用:RFP-1000型吸收器单台额定风量:1000(m^3/h)需要吸收器个数:2.74实际选型个数:33.自动排气阀:设计计算风量: 2739(m^3/h)选用:PS-D250排气阀单个排气量:800(m^3/h)需要排气阀个数:3.16实际选型个数:44.电动脚踏二用风机:设计计算风量: 5478(m^3/h)(清洁式通风)2739(m^3/h)(滤毒式通风) 选用:DJF-1型电动脚踏二用风机单台风量:2421(m^3/h) (清洁式通风)1225(m^3/h) (滤毒式通风) 需要电动脚踏二用风机台数:2.26/2.24实际选型台数:35.排风机:SWF-III型高效低噪声混流式通风机No.4风量:6801 (m^3/h)风压:710(Pa)功率:4.0(KW)【隔绝防护时间】:t=1000V(C-Co)/N.C1V=913x3.4=3104 m3C=2.5%Co=0.40%N=913 人C1=20 L/P.ht=3.47 h本工程需要隔绝防护时间:3h本工程实际隔绝防护时间:3.47h实际隔绝防护时间>需要隔绝防护时间,所以满足要求!【人防单元二】人防面积(m^2):1832人防掩蔽面积(m^2):1191人防掩蔽人数(人):1191【通风部分】:清洁通风新风指标(m^3/p):5.5清洁通风新风量(m^3/h):6550滤毒通风新风指标(m^3/p):2.5滤毒通风新风量(m^3/h):2977防毒通道实际换气次数(h-1):>40【防护通风】:1.清洁式通风新风量:L1=1191*5.5=6550(m^3/h)2.滤毒式通风新风量:(1).按人数计算:LR=1191*2.5=2977(m^3/h)(2).按保证防毒通道换气次数计算:L3=11.5*3.3*40=1520(m^3/h)保证人防工程计算漏风量:Lf=1191*3.3*7%=275(m^3/h)LH=L3+Lf=1520+275=1795(m^3/h)因为LR>LH 所以滤毒通风新风量应取:L2=LR=2977(m^3/h)设计滤毒通风新风量应不小于2977(m^3/h) 【设备选型】:1.粗效过滤器:设计计算风量: 6550(m^3/h)选用:LWP-X-1600型过滤器单个处理风量:1400(m^3/h)需要油网过滤器个数:4.68实际选型个数:52.吸收器数量:设计计算风量: 2977(m^3/h)选用:RFP-1000型吸收器单台额定风量:1000(m^3/h)需要吸收器个数:2.98实际选型个数:33.自动排气阀:设计计算风量:2977(m^3/h)选用:PS-D250排气阀单个排气量:800(m^3/h)需要排气阀个数:3.38实际选型个数:44.电动脚踏二用风机:设计计算风量: 6550(m^3/h)(清洁式通风)2977(m^3/h)(滤毒式通风) 选用:DJF-1型电动脚踏二用风机单台风量:2421(m^3/h) (清洁式通风)1225(m^3/h) (滤毒式通风) 需要电动脚踏二用风机台数:2.70/2.43 实际选型台数:35.排风机:SWF-III型高效低噪声混流式通风机No.4风量:6801 (m^3/h)风压:710(Pa)功率:4.0(KW)【隔绝防护时间】:t=1000V(C-Co)/N.C1V=1191x3.4=4049.4 m3C=2.5%Co=0.43%N=1191 人C1=20 L/P.ht=3.41 h本工程需要隔绝防护时间:3h本工程实际隔绝防护时间:3.41h实际隔绝防护时间>需要隔绝防护时间,所以满足要求!。
人防救护站暖通设计说明书一、简介人防救护站,这可是一个关乎生命安全的重要场所。
就像那遮风挡雨的港湾,在危难时刻要为大家提供庇护。
暖通设计在这个地方,那可是重中之重,就如同人的呼吸系统一样重要。
我们的设计目标就是打造一个舒适、安全且符合特殊需求的环境。
1.1 设计理念咱这设计理念啊,得讲究个因地制宜。
不能生搬硬套,得根据人防救护站的特殊情况来。
这就好比做菜,不同的食材得用不同的做法。
既要考虑平时的使用,又得兼顾到战时或者紧急情况下的特殊需求。
这就是所谓的未雨绸缪,提前把可能出现的情况都考虑进去。
1.2 设计依据那咱这设计也不是瞎来的,得有依据。
首先就是相关的国家规范和标准,这就是咱们的行动指南。
就像交通规则一样,得按照这个来。
还有救护站的功能定位、建筑结构等,这些都是我们设计时必须考虑的因素。
二、通风系统设计2.1 通风方式通风方式可不能马虎。
咱有清洁通风、滤毒通风等多种方式。
清洁通风就像日常的呼吸,让室内保持新鲜空气。
而滤毒通风呢,那就是在特殊情况下的保命招数。
这就像给空气戴上了一个过滤口罩,把有害的东西都挡在外面。
2.2 通风量计算这通风量的计算啊,得精打细算。
要考虑室内的人员数量、设备产生的热量等因素。
不能多也不能少,多了浪费资源,少了达不到效果,这就是所谓的恰到好处。
2.3 通风设备选择选择通风设备,那可得挑三拣四。
要选择质量可靠、性能稳定的设备。
就像找对象,得找个靠谱的。
风机的风量、风压得满足我们的设计要求,就像运动员得有足够的体力才能完成比赛一样。
三、空调系统设计3.1 空调负荷计算空调负荷计算可是个细致活。
要考虑围护结构的传热、人员散热散湿等。
这就像数星星,得一个一个来,不能漏算。
3.2 空调系统形式咱得根据实际情况选择空调系统形式。
是采用集中式空调还是分散式空调呢?这得权衡利弊。
如果是集中式空调,就像住在集体宿舍,大家共用资源;分散式空调就像单人间,各管各的。
3.3 空调设备选型空调设备选型也是门学问。
金佳·嘉园暖通计算书(人防)一、建筑条件:人防建筑面积:1969.00平方人防掩蔽面积: 1375.58平方掩蔽人数: 1374人防毒通道体积:V0=10x3.5=35m3密闭区容积:V=5835m3二、清洁通风计算:1.清洁通风新风指标:q1=5.4m3/h.p2.清洁通风量:LQ=N.q1 =1374x5.4=7419.6m3/h3.平时最大通风量为40000 m3/h,大于战时通风风量,采用平时最大通风量确定通风竖井面积,取通风竖井风速为6m/s,则Sj=40000/(3600x6)=1.85m2要求土建专业在设计进风井时,竖井面积Sx应大于1。
85平方,竖井室外百叶面积不小于2平方。
三、滤毒通风计算:1.滤毒通风新风指标:q2=2.1m3/h.p2.滤毒通风量:LR=N.q2 =1374x2.1=2885.4m3/h3.保持室内正压所需新风量为:LH=V0XK+V4%=35X40+5835X0.04=1433.4m3/h小于2885.4m3/h 滤毒通风量LD取LR和LH中的大值,故LD=2885.4m3/h.四、防护隔绝时间计算:t=1000V(C-C0)/NC1=1000x5835x(2.5%-0.45%)/1373x20=4.3h>3h满足规范要求五、最小防毒通道换气次数:n=L(滤毒)-0.04V/V0n=3000-0.04x5835/35n=79次/h六、超压排气活门数量计算:n=L(滤毒)-0.04V/L0n=3000-0.04x5835/800n=3.4只取四个七、进风消波设施的设计选型:本工程采用悬板防爆波活门,清洁通风量为7419.6m3/h,所选防爆波活门的战时最大通风量应大于7419.6m3/h,选用BMH8000-15,该活门战时最大通风量为8000m3/h.八、计算油网滤尘网数量:本工程采用LWP-X型油网滤尘网,单块最大通过风量为1600m3/h,n=LQ/Ly=7500/1600=4.69块考虑到便于安装,选用双数6块。
建筑工程人防设计计算书暖通专业建设单位:设计单位:工程名称:工程编号:设计阶段:类别:实名签名项目负责:审核:专业负责:校核:设计:年月日【参考文献及依据】:《人民防空地下室设计规范》 GB50038-2005《防空地下室通风设计》 07FK01~02(2007年合订本)【人防概况】:本工程为XXXXXXXXXX 人防工程项目,平战结合甲类,核6级常6级人防地下室。
平时使用功能为汽车库。
地下室设有5个防护单元,防护单元一:建筑面积1986.4平米,掩蔽人数1302人;防护单元二:建筑面积1995.8平米,掩蔽人数1318;人防护单元三:建筑面积1778.0平米,掩蔽人数1180人;防护单元四:建筑面积1758.7米,掩蔽人数1168人;防护单元五:建筑面积1935.6平米,掩蔽人数1306人。
人防通风计算书一、地下室防护单元一 (一)、【概况】:防空地下室类别:二等人员掩蔽所 人防面积1986.4 m2; 掩蔽人数1302人; 清洁区体积6225.7 m3; 最小防毒通道体积37.23m3;(二)、【通风量计算】:设清洁通风新风量为Q L 和滤毒通风新风量为D L 取清洁通风 =1L 6.0 CMH ,滤毒通风 =2L 3.0 CMH1、计算清洁通风新风量 =Q L =⨯n 1L 1302×6.0 =7818CMH2、滤毒通风新风量 D L 的确定:按人员掩蔽人员计算:=R L =⨯n 2L 1302×3.0 =3906CMH 防毒通道的有效容积:=F V 37.23 m3 取滤毒通风时防毒通道的换气次数:=K 40 次 密闭清洁区的容积:=0V 6225.7m3地下室超压时的漏风量:=⨯=%4L 0f V 6225.7×4% = 249.03CMH保持超压所需的新风量:=+⨯=f F L K V H L 37.23×40 +249.03 = 1738.23 CMH 滤毒通风新风量 D L 应取 R L 和 H L 二者中的大值,故:=D L 3906 CMH3、校核计算隔绝防护时间τ=-⋅=100)(1000nC C C V τ =⨯-⨯⨯201302%)45.0%5.2(7.62251000 4.90h > 3h满足隔绝防护时间大于或等于3h 的要求。
设计计算书设计专业暖通空调建设单位临浦保障性住房工程工程名称临浦保障性住房工程子项名称12~14#楼人防地下室设计编号200803006C-15计算日期年月日校对日期年月日审核日期年月日第1本计 3 页本专业共1本本计算书内容为人防战时送排风计算。
一、1#防护单元:1.人防战时通风计算:掩蔽人员数:N=1200 P;清洁新风量:q1=5m3/Ph;滤毒新风量:q2=2m3/Ph最小防毒通道体积:V0=48.8m3密闭区容积:V1=6352m32.计算过程:2.1清洁区通风量L1 =1200X5=6000m3/h选用LWP(X)型的油网滤尘器6只,单个最大风量1300CMH,墙壁固定装。
2.2 滤毒通风量L2=1200X2=2400 m3/h2.3隔绝防护时间验算:t=[10x6352x(2.5-0.45)] /(1200x20)=5.42h>3h2.4过滤吸收器选型:选用3只RFP-1000型的过滤吸收器,单个风量为1000 m3/h。
2.5最小防毒通道换气次数n=(3000-0.04x6352)/48.4=56.7次/h>30次/h以此证实滤毒新风量的选择是合理的。
2.6风机选型:选用3台DJF-1型电动脚踏两用风机,参数为:电动时:清洁通风 3154CMH*548Pa*1.1Kw*3000rpm*380V滤毒通风 2033CMH*1204Pa*1.1Kw3000rpm*380V 脚踏时:清洁通风 2720CMH*521Pa*2750rpm滤毒通风 1225CMH*1208Pa*2750rpm2.7超压排气活门数量计算:N=(3000-0.04x6352)/800=3.43选用4只PS-D250的超压排气活门二、2#防护单元:1.人防战时通风计算:掩蔽人员数:N=1000 P;清洁新风量:q1=5m3/Ph;滤毒新风量:q2=2m3/Ph最小防毒通道体积:V0=64.8m3密闭区容积:V1=5704 m32.计算过程:2.1清洁区通风量L1 =1000X5=5000m3/h选用LWP(X)型的油网滤尘器6只,单个最大风量1300CMH,墙壁固定装。
人防工程计算书1.计算清洁通风新风量L Q和滤毒通新风量L D:新风量标准:取清洁通风L1=7.0m3/(P·h),滤毒通L2=2.5m3/(P·h)(1)计算清洁通风新风量L Q、新风竖井截面面积S XL Q=L1×n=7.0m3/(P·h)×360P=2520 m3/h平时最大进风量为9000 m3/h,大于战时清洁通风新风量,应采用平时最大进风量确定进风竖井截面积S X。
取进风竖井中的进风速度为6m/s,则:S J=9000/(3600×6)m2=0.42m2因此,应确保进风竖井有效截面积大于0.42 m2。
(2)滤毒通风新风量L D的确定按掩蔽人员计算:L R= L1×n=7.0m3/(P·h)×360P=2520 m3/h防毒通道的有效容积:V F=6m2×3.0m=18m3取滤毒通风时防毒通道的换气次数:K=40次/h密闭清洁区的容积:V0=412m2×3.0m=1236m3地下室超压时的漏风量:L f= V0×4%=1236×4%=49.4m3/h保持超压所需的新风量:L H=V F×K+L f=(18×40+49.4)m3/h=769.4 m3/h 滤毒通风新风量L D应取L R和L H二者中的大值,故L D=900 m3/h2.校核计算隔绝防护时间τ能否满足要求τ=1000V0∙(C−C0)1=1000×1236×(2.5%−0.34%)=3.7 ≥3(h)满足隔绝防护时间大于或等于3h的要求。
3.进风消波设施的设计选型本工程采用悬板防爆波活门,清洁通风新风量L Q=2520 m3/h,所选防爆波活门的战时最大通风量应大于2520 m3/h,选用MH3600-6型活门,该活门战时最大通风量为3600 m3/h,门孔净面积为S m=0.5m×0.8m=0.4m2平时进风量9000 m3/h经过门孔时的风速为:v=9000/(3600×0.4)m/s=6.25 m/s,活门门孔面积可满足平时进风量的需要。
(建筑暖通工程)暖通计算书北京城建淮安置地有限X公司江苏淮安·北京如意国际花园A区人防工程暖通计算书工程编号:201008116设计:孙界平二0壹0年十二月江苏淮安·北京如意国际花园A区人防工程暖通计算书一.工程概况:本工程为江苏淮安·北京如意国际花园A区人防工程,平时作为壹个小型汽车停车库,属于附建式人防工程.建筑面积为12200平方米,防护等级为六级. 战时为2个二等人员掩蔽部,、和1个(人防物资库)和和壹个医疗救护站,掩蔽人数为130人,壹类停车库.二.设计依据:1.建筑.结构等专业的施工图.2.<<采暖通风和空气调节设计规范>>3.<<民用建筑设计防火规范>4.<<人民防空工程设计防火规范>>5.<<汽车库,修车库,停车场设计规范>>6.《淮安市人民防空办公室批文》7.《公共建筑节能设计标准》GB50189-2005三.平时通风:1.平时通风量计算:壹、平时通风按防火分区划分,防火分区1平时为小汽车停车库按换气次数为6次/小时排风量Q1=3893X3.0X6*0.85=59562.9M3/hA考虑排风排烟风管尺寸根据工程实际,考虑最不利点风管的排风排烟选择风机俩台柜式风机选择Q1中风机为HTFC(B)-II-22P=12Kw/9KwH=527Pa/255Pa L=31265m3/h/20843m3/hN=750rpm/500rpm风量为62000M3/H,风速不大于20M/S故风管最小为62000/(3600X20)=0.90M2换气时采用低速风量为41600M3/H,风速不大于10M/S故风管最小为1.26M2受层高限制故排烟风管取1.80X0.4*2=1.44M2,完全符合要求排风风管取1.8X0.4*2=1.44M2,完全符合要求排烟口的设计排烟口在同壹防烟分区中保护半径为30米图中设计完全符合要求排烟口的风速不大于10M/SQ1中排烟口风速为62000/(0.63X0.5X16)/3600=2.25M/S 小于10M/S,符合要求.防烟分区的划分.防烟分区不超过2000M2,防烟分区利用梁做挡烟垂壁.图中防烟分区完全符合要求.补风设计,大于排烟量50%符合规范要求火灾时采用自然进风方式和机械进风相结合方式, 自然补风风速小于1.5M/S机械进风为33349m3/h图中设计完全符合要求按防火分区划分,防火分区2平时为小汽车停车库按换气次数为6次/小时排风量Q2=2001X3.0X6*0.85=30982M3/hA考虑排风排烟风管尺寸根据工程实际,考虑最不利点风管的排风排烟选择风机俩台风机选择Q2中风机为P=5.5/4.0KWL=18000/11918m3/hH=6200/288Pa 风量为36000M3/H,风速不大于20M/S故风管最小为36000/(3600X20)=0.50M2换气时采用低速风量为23000M3/H,风速不大于10M/S故风管最小为0.67M2受层高限制故排烟风管取1.50X0.4=0.60M2,完全符合要求排风风管取1.5X0.5=0.75M2,完全符合要求排烟口的设计排烟口在同壹防烟分区中保护半径为30米图中设计完全符合要求排烟口的风速不大于10M/SQ2中排烟口风速为30000/(0.8X0.16X13)/3600=6.25M/S 小于10M/S,符合要求.补风设计,大于排烟量50%符合规范要求火灾时采用自然进风方式和机械进风相结合方式,自然补风风速小于1.5M/S机械进风为33349m3/h图中设计完全符合要求按防火分区划分,防火分区3平时为小汽车停车库按换气次数为6次/小时排风量Q3=3875X3.0X6x0.85=59287.5M3/h A考虑排风排烟风管尺寸根据工程实际,考虑最不利点风管的排风排烟选择风机俩台柜式风机选择Q3中风机为HTFC(B)-II-22P=12Kw/9KwH=527Pa/255Pa L=31265m3/h/20843m3/hN=750rpm/500rpm风量为62000M3/H,风速不大于20M/S故风管最小为62000/(3600X20)=0.90M2换气时采用低速风量为41600M3/H,风速不大于10M/S故风管最小为1.26M2受层高限制故排烟风管取1.80X0.4*2=1.44M2,完全符合要求排风风管取1.8X0.4*2=1.44M2,完全符合要求排烟口的设计排烟口在同壹防烟分区中保护半径为30米图中设计完全符合要求排烟口的风速不大于10M/SQ2中排烟口风速为62000/(0.63X0.5X16)/3600=2.25M/S 小于10M/S,符合要求.防烟分区的划分.防烟分区不超过2000M2,防烟分区利用梁做挡烟垂壁.图中防烟分区完全符合要求.补风设计,大于排烟量50%符合规范要求火灾时采用自然进风方式和机械进风相结合方式,自然补风风速小于1.5M/S机械进风为33349m3/h图中设计完全符合要求二、战时通风1、人员掩蔽部:防护单元3,4,5,6,7,8,12,13,14,系核6级二等人员掩蔽部,新风量标准按《人民防空地下室设计规范》GB50038-2005取值。
淮安雨润中央新天地置业发展有限公司淮安雨润中央新天地防空地下室暖通计算书工程编号:20110858设计:孙界平校对:吴军专业负责:温惠兰审核:王立云设计日期:2013年04月江苏省第二建筑设计研究院有限责任公司设计证书号:A132006442淮安雨润中央新天地防空地下室暖通计算书一.工程概况:本工程为淮安雨润中央新天地防空地下室,平时为小汽车停车库,分为28个防火分区;.建筑面积为68053平方米,战时为附建式人防工程,分为15个防护单元,其中防护单元1-4、15为核6级、常6级二等人员掩蔽部,掩蔽人数分别为1270、1310人、1390人、1400人、15480人,防化等级为丙级;防护单元11为核5级、常5级抢险抢修专业队,掩蔽人数为244人,防护单元12为核5级、常5级治安专业队队员掩蔽部,掩蔽人数为146人,防护单元5-10为物资库、防护单元13为医疗救护车辆掩蔽部.防化等级为乙级。
防护单元14为核6级、常6级医疗救护站,掩蔽人数140人,防化等级为乙级;二.设计依据:1.建筑.结构等专业的施工图.2.<<采暖通风与空气调节设计规范>>3.<<民用建筑设计防火规范>4.<<人民防空工程设计防火规范>>5.<<汽车库,修车库,停车场设计规范>>6.《民防局文件》,国家及市现行的有关建筑设计规范、规定7.《公共建筑节能设计标准》GB50189-2005三.平时通风:1.平时通风量计算:一、平时通风(一)、进风系统1、汽车库采用机械进风,按排风量的90%的换气次数计算;(二)、排风系统:汽车库采用机械排风,按4次/h的换气次数计算(三)、排烟系统1、汽车库采用机械排烟,按6次/h的换气次数计算:2、火灾时汽车库采用机械补风,平时送风机作为火灾时补风机,满足>50%火灾补风量的需要。
3. 排烟口的风速不大于10M/S排烟系统,风速不大于20M/S排风系统,风速不大于10M/S排烟口在同一防烟分区中保护半径为30米图中设计完全符合要求二、战时通风1、人员掩蔽部:防护单元1,2,3,4,15,系核6级二等人员掩蔽部,新风量标准按《人民防空地下室设计规范》 GB50038-2005取值。
人防各专业人防计算书1给排水人防设计计算书1、战时人员生活用水按28升/人,口部洗消用水按5升/平方米冲洗一次,战时人员饮用水按45升/人计。
人防分区人防掩蔽人数(人)洗消用水水箱(T)饮用用水水箱(T)28L/人45L/人1 1238 35 562 1332 38 603 1388 39 614 1330 38 605 1260 36 57每个人防分区设置战时生活洗消不锈钢水箱一只,尺寸为:L*B*H=6X4X2.5,有效容积为55m3。
在生活洗消水箱一侧设气压变频给水设备GBWS-3-32-2SLG一套,配泵SLG3*3F两台(一用一备)及气压罐一只SQL800,满足生活、洗消用水的水量及水压要求。
人防口部洗消和防毒通道均预留水龙头。
每个人防分区设置战时饮用不锈钢水箱一只,尺寸为:L*B*H=10X4X2.5m,有效容积为80m3,满足饮用水量要求,在水箱侧壁设取水龙头。
2、人防单元六:物资库设置洗消水箱8T,尺寸为:L*B*H=2*2*2.5m3、柴油发电机房冷却水量计算:柴油发电机房采用风冷,发电机组采用水冷。
设置混合水池。
发电机房内设置二台120KW的柴油发电机组。
根据《全国民用建筑工程设计技术措施---防空地下室》(2009版),柴油发电机循环冷却水量:Q=ε*N*m*b*k/((t2-t1)*C*ρ)=0.35*120*2*0.23*41870/((75-50)*4.19*1000)=0.77(m3/h)混合水池的补水量:Qh=((t2-t1)/((t2-t))*Q=((75-50)/75-10)*0.77=0.3(m3/h)循环出水温度t2取75℃,循环进水温度t1取50℃,混合水池按2天补水量储存水量,V=Qh*T=0.3*2*24=14(m3)则燃油消耗量为200g/kw·h*120KW*2=48000g/h=48kg/h。
燃油的发热量为:Q=48kg/h*41900kJ/kg=2011200 kJ/h此热量包括柴油机的散热量Q1,发电机的散热量Q2和排烟管道的散热量Qy。
标准厂房工程设计人防通风计算书计算:校对:审核:编制单位:标准厂房工程设计人防通风计算书一.设计依据:1.<<人民防空地下室设计规范>>GB50038-2005年2.<<民用建筑供暖通风与空气调节设计规范>GB 50736-20123.<<采暖通风与空气调节设计规范>>(GB 50019-2003)4.<<汽车库、修车库、停车场设计防火规范>>(GB50067-97)二.工程概括:本工程地下室平时为地下汽车库及一个水泵房,战时设置六级二等人员掩蔽所,共1个防护单元。
人员掩蔽所,防护单元一,人防建筑面积1994平方米,掩蔽人数1479人三.设计内容:六级二等人员掩蔽所设计清洁通风、滤毒通风、隔绝通风三种通风方式。
四.计算内容:防护单元一1.清洁式新风量计算:(1).按人数计算: 新风量标准为5m3/(h.p)L1=1479*5=7395m3/h.2.滤毒通风计算:(1).按人数计算:滤毒通风的新风量标准为2m3/(h.p).Lr=1479*2=2958m3/h(2).按保证防毒通道换气次数和工程超压计算:最小防毒通道换气次数为40次/h,则保证最小防毒通道换气次数所要求的最小通风量为: L3=VF.K=10.5*3.9*40=1638m3/h.保证工程主体超压的漏风量:Lf=690*5.7*0.04+1298*3.9*0.04=631m3/h.则LH=L3+Lf=1999m3/h.(3).因为L3>LH,所以滤毒通风的新风量应取Lr=2958m3/h.设计滤毒通风新风量不小于2958m3/h.所选用脚踏风机DJF-1型3台及吸收器RFP-1000型3台,符合要求.所选用超压排气活门为FCH-D250:3*800=2400m3/h.符合要求经计算本工程选用设备计算均满足规范要求.3.隔绝防护时间计算:T=1000V0(C-C0)/N.C1=1000*(690*5.7+1304*3.9)*(2.5%-0.34%)/1479*20=6.6H 隔绝防护时间均大于3小时,满足防护要求.。
人员掩蔽工程防护通风设计 计算书一 工程概况本人防区域为:一等人员掩蔽所防化等级丙二 依据:输入值输出值注释《汽车库建筑设计规范》《汽车库、修车库、停车场设计防火规范》《人民防空地下室设计规范》GB50038-2005《人民防空工程通风空调设计》防护单元A名称计算/输入值备注设计标准掩蔽人数p300建筑提供掩蔽面积m2740建筑提供顶板下层高m3建筑提供计算高度m3(P159《人防设计》)层高<=3m时,按照实际高度计算换气体积,层高>3米时,按3m计算换气体积。
防毒通道的面积m3:5m22.战时防护通风设计根据《人民防空地下室设计规范》GB50038-2005 表5.2.2,新风量:清洁通风量标准m3/(p.h)10P104《人防规范》表5.2.2滤毒通风量标准m3/(p.h)3《人防规范》表5.2.3隔绝防护时间h6h《人防规范》表5.2.4co2允许浓度2%《人防规范》表5.2.4最小防毒通道换气次数h-150《人防规范》表5.2.6清洁区超压Pa50《人防规范》表5.2.62.1清洁通风量按人员新风量计算出的进风量:清洁式进风量Lqj3000m3/h清洁式排风量Lqp2700m3/h清洁式排风量一般取进风量的80%-90%使工程内保证微正压。
2.2滤毒通风量2.2.1按防毒通道换气量计算:P107《人防规范》5.2.7防毒通道的有效容积Vf1 :15m3建筑提供主体清洁区的体积V0:2220m3超压漏风率按照4%计算:主体超压时的漏风量Lf:88.8m3/h保持超压及防毒通道换气所需的新风量Lh:838.8m3/h2.2.2按人员人数计算Lr:900m3/h滤毒通风新风量Ld取Lr和Lh中间大者:2.2.3滤毒新风量Ld:900m3/h超压排风量Lp=Ld-Lf:811.2m3/h2.3校核防毒通道换气次数和隔绝防护时间最小防毒通道换气次数Kf=Lp/Vf1:54.1满足要求隔绝防护前地下室CO2初始浓度C0:0.25P106《人防规范》表5.2.5清洁区每人每小时呼出的co2量C120L/(p h)P106《人防规范》式5.2.5隔绝防护时间т:т=1000*V0*(C-C0)/(n*C1) : 6.475满足要求P106《人防规范》式5.2.5 3.与土建配合内容3.1防爆波活门清洁进风量m3/h3000清洁排风量m3/h2700工程抗力等级6级选型:HK800P27《人防设计》表2-2门洞尺寸(宽x高)(mm)650X2000通风竖井面积,风速取5m/s:平时进风井面积: 1.67m2平时排风井面积:0.15m24.战时进风设备选择4.1粗过滤器清洁进风量m3/h3000选型:LWP-D型2个安装方式:管道安装P32《人防设计》表2-54.2过滤吸收器滤毒进风量m3/h900选型:SR-100型1台4.3清洁式进风管及阻力清洁进风量m3/h3000内径mm560P65《人防设计》表3-9阻力Pa3104.4滤毒式进风管及阻力滤毒进风量m3/h900内径mm441P65《人防设计》表3-9阻力Pa8654.5进风机的选择有无备用电源:有备用电源清洁进风机滤毒进风机4.6排风机的选择清洁排风机5.1清洁式排风管及阻力清洁排风量m3/h27002970内径mm560P65《人防设计》表3-9阻力Pa2955.2超压排风系统及阻力超压排风量m3/h811.2m3/h选型:PS-D2502个每个排风量m3/h405.6阻力Pa通风短管管径mm100风速取3m/s37.55556其他部分的排风阻力Pa20超压排风阻力Pa20。
淮安雨润中央新天地置业发展有限公司淮安雨润中央新天地防空地下室暖通计算书工程编号:20110858设计:孙界平校对:吴军专业负责:温惠兰审核:王立云设计日期:2013年04月江苏省第二建筑设计研究院有限责任公司设计证书号:A132006442淮安雨润中央新天地防空地下室暖通计算书一.工程概况:本工程为淮安雨润中央新天地防空地下室,平时为小汽车停车库,分为28个防火分区;.建筑面积为68053平方米,战时为附建式人防工程,分为15个防护单元,其中防护单元1-4、15为核6级、常6级二等人员掩蔽部,掩蔽人数分别为1270、1310人、1390人、1400人、15480人,防化等级为丙级;防护单元11为核5级、常5级抢险抢修专业队,掩蔽人数为244人,防护单元12为核5级、常5级治安专业队队员掩蔽部,掩蔽人数为146人,防护单元5-10为物资库、防护单元13为医疗救护车辆掩蔽部.防化等级为乙级。
防护单元14为核6级、常6级医疗救护站,掩蔽人数140人,防化等级为乙级;二.设计依据:1.建筑.结构等专业的施工图.2.<<采暖通风与空气调节设计规范>>3.<<民用建筑设计防火规范>4.<<人民防空工程设计防火规范>>5.<<汽车库,修车库,停车场设计规范>>6.《民防局文件》,国家及市现行的有关建筑设计规范、规定7.《公共建筑节能设计标准》GB50189-2005三.平时通风:1.平时通风量计算:一、平时通风(一)、进风系统1、汽车库采用机械进风,按排风量的90%的换气次数计算;(二)、排风系统:汽车库采用机械排风,按4次/h的换气次数计算(三)、排烟系统1、汽车库采用机械排烟,按6次/h的换气次数计算:2、火灾时汽车库采用机械补风,平时送风机作为火灾时补风机,满足>50%火灾补风量的需要。
3. 排烟口的风速不大于10M/S排烟系统,风速不大于20M/S排风系统,风速不大于10M/S排烟口在同一防烟分区中保护半径为30米图中设计完全符合要求二、战时通风1、人员掩蔽部:防护单元1,2,3,4,15,系核6级二等人员掩蔽部,新风量标准按《人民防空地下室设计规范》 GB50038-2005取值。
1)、进、排风量计算①清洁式新风量计算②滤毒式新风量计算2)、隔绝防护时间的计算2、物资掩蔽部:进、排风量计算防护单元5-10为物资库战时仅开一台双速风机低速排风,开进风机进风,保证正压.图中设计完全符合要求治安专业队队员掩蔽部(专业队队员掩蔽部)每个人员掩蔽部送风量为30X209=6270M3/H过滤式通风9X209=1881M3/H故选择1台SJG5.0F型风机箱SJG5.0F送风量一台为7500M3/H选择2个过滤吸收器,SR-1000当送风量为7500时,选择对应的风管7500/3600/(3.14X0.45X0.45/4)=3.5M/S<8M/S图中设计完全符合要求战时送风管为630X400时风速为6.13M/S<8M/S图中设计完全符合要求战时排风为超压排风自然超压排气阀的数量战时排风为送风量来确定N=(LG-LT)/LN209x9=18811276X3X4%=2301881-230=16511651/800=2.1选择3个自然超压排气阀战时排风机的排风量小于送风量的80%.故排风机为SJG3.5F, P=0.55KW, L=5000M3/H H=28PA 根据规范每个人员掩蔽部设测压装置,气密性测量管及增压管详见施工图.最小换防毒通道气次数计算最小换防毒通道面积为7.5平方米超压排风量为16511651/(7.5x3.6)=57>50图中设计完全符合要求第14防护单元(医疗救护站:)防护单元2为医疗救护站,新风量标准按《人民防空地下室设计规范》GB50038-2005取值。
Ⅰ、主要计算参数:a、室外空气计算参数夏季空调室外计算干球温度 33℃夏季大气压 1004.2 hPa冬季空调室外计算干球温度 2℃冬季通风计算相对湿度 73%冬季大气压 1025.9 hPab、室内空调计算温湿度(2)新风量标准战时:清洁式 30 m3/h.p滤毒式 6m3/h.p(3)设计人数战时容纳130人(4)噪音标准 45~55dB(A)Ⅱ、热、湿负荷计算:(1)余热量条件:L=43m b=36.5m h=3.5m①围护结构传热粉质粘土容重γ=1780kg/m3导热系数λ=2.2Kcal/m.h.℃比热C=0.33 Kcal/kg.℃导温系数a=0.0037m2/h蓄热系数S(24h)=36 Kcal/m2.h.℃换热系数α=21.9 Kcal/m2.h.℃钢筋混凝土λb =1.3 Kcal/m.h.℃ ab=0.003m2/h根据土壤的λ=2.2Kcal/m.h.℃,a=0.0037m2/h和建筑物高度h=3.75m,查表的Θad =0.052,Tpb=0.951楼板传热系数K为:K=αλb /(αδ+2λb)=7X1.3/(7X0.9+2X1.3)=1.02kcal/m2h. ℃N=αl(b+2h)(1- Tpb)=7X43(36.5+2X3.5)(1-0.951) =0.017 X104 Kcal/h.℃夏季 QS =blk(tnc-tnp’)=36.5X43X1.02(26-28) =-0.225X104 Kcal/h.℃冬季 QS =blk(tnc-tnp’)=36.5X43X1.02(20+2)=0.126X104 Kcal/h.℃夏季恒温壁面传热量Q1为:Q1=( tnc-t)N+ Qs=(26-17)0.017 X104-0.225X104=-0.063X104 Kcal/h冬季恒温壁面传热量Q1’为:Q1’=( tnc-t)N+ Qs=(20-17)0.017 X104+0.126X104=0.288X104 Kcal/h②人员散热Q人=130X134=17152Kcal/h=19896.3w③照明Q照=30X156+10X62=5300w④新风负荷Q新风=3900X1.2(21.6 -15.4)=27648Kcal/h=32071.7w⑤再热负荷Q =16000 X1.2X(14.3-13.38)=14904Kcal/h=17884.8w所以Q= Q围+ Q人+ Q照+ Q新风=-630+19896.3+5300+32071.7=56638w=48825.8Kcal/hQ余=16754.1w=14443.1Kcal/h(2) 余湿量(1)余湿量的计算:总面积为1330m2, ω=1.0g/ m2.h围护结构散湿量W=1.0X1130=1330g/h人体散湿量 W=109X130=13952g/h人为散湿量 W=30X130=3840g/h新风散湿量 W=3900Υ(22-15)=3840X1.2X7=30873.6g/h总计 W=46.156 kg/h W余=15.282kg/h3、根据热湿负荷计算,选用ZCK50-100型组合式自动调温除湿机一台,制冷量为90.5kW,除湿量为60kg/h,送风量为18000m3/h,功率为37Kw。
三、空气处理tw =33℃ dw=22.0g/kg iw=21.6KCal/kg Φ=66%tn=26℃ dn=15.0g/kg in=15.4KCal/kg Φ=70% (1)热湿比ε=Q余/W余=16754.1/15.282=1174Kcal/kg(2)过N点作ε=1174的直线(3)新、回风混合点X根据新风比Gw/ G=3900/16000=0.24,可确定混合点XiX=0.22 (iw-in)+in=0.24 (21.6-15.4)+15.4=17.6dX=0.22 (dw-dn)+dn=0.24 (22.0-15.0)+15.0=17.5则 tx =27.50℃ iX=17.6Kcal/kg dx=17.5g/kg(4)确定除湿机出风状态点Li L =iX-Q/(GX1.2)=17.6-74522/(16000X1.2)=13.38Kcal/kgd L =dX-W/(GX1.2)=16.4-46X1000/(16000X1.2)=13.32g/Kg则t L =19.8℃ i L =13.38Kcal/kg d L =13.32 g/kg(5)过L 点等湿加热,与ε线相交得L’点,即为送风状态点L’,则得t L’=22.4℃ i L ‘=14.4 Kcal/kg d L’=14.1g/kg (6)送风量的计算① 消除余热所需的风量L=Q 余/Δi= Q 余/〔( i n -i L’)X1.2〕 =16754/〔(15.4-14.4)X1.2〕=16193.2m 3/h ② 消除余湿所需的风量W=W 余/Δd= Q 余/( d n -d L’)X 1.2 =15.282X1000/〔(15-14.1)X 1.2〕 =16458.3m 3/h③ 按换气次数计算所需的风量(见下表)(7)冷负荷校核Q =16000 X1.2X(17.6-13.85)=77400Kcal/h=89784w(8)空调设备的选型根据热湿负荷计算,选用ZCK50-100型组合式自动调温除湿机一台,制冷量为90.5kW,除湿量为60kg/h,送风量为15000~18000m3/h,功率为37Kw。
四、排风量的计算1、排风由两台HL3-2A-No.3A型管道斜流风机运行排出室外,排风量分别为2950m3/h、1850m3/h(厕所、污泵间单独设置排风管道,两台排风机间歇运行)。
六、战时通风量的计算1、进、排风量计算(1)进风量清洁式 L=130X27=3500m3/h滤毒式① L=130X6=780m3/h②主要出入口最小防毒通道50次/h所需风量为为2.1X4.5X3.0X50=1417.5m3/h及工事所需漏风量为1330X0.04=53.2m3/h,L2=1417.5+53.2=1470.7 m3/h。
根据以上两种计算结果,确定滤毒式进风量为2000 m3/h。
(2)排风量清洁式 L=3900X0.8=3100m3/h滤毒式 L=2000X0.8 =1600m3/h(满足人员主要出入口最小防毒通道50次/h所需1417.5 m3/h及工事漏风量53.2 m3/h)2、隔绝防护时间的计算已知V0=3800m3,C=1.5%,C=0.11%,C=25L/p.ht=10V0(C-C)/nC1=10X1056X3.6 (1.5-0.11)/130X25=16.2h3、防毒通道换气次数的计算1700/(2.1X4.5X3.0)=58.6次>50次/h三、战时柴油电站一内设两台150KW柴油发电机组,设置独立的进、排风系统电气专业提供的条件:Q 1+Q2=17.058kW,Lc=125m3/min, Ly=17m3/min1、按消除余热计算电站的进、排风量计算2、 Q3=Lqe=0.136X3.2=0.44kW3、Q= Q1+ Q2+ Q3=17.058X2+0.44=34.556kW4、Lj =32)-91.01X1.2(363600X34.55=14663m3/h(二)如果机头采用闭式风冷循环,散热器排出的热风直接从专用风道排出工程外,根据风量平衡原理,其进风量:Lj ’=max{(Ly+Lk+Lc), Lj}=21200m3/hL p = Lj-Ly+Lk=21200-2040+342=20418m3/h(三)进、排风机的选择:进风机:GXF-No9A送(补)风机,参数:GXF-No9A L=20688m3/hH=400Pa, N=4KW排风机:HTF-I-No7型排风排烟机,参数:HTF-I-No7型 L=21300m3/h H=610Pa, N=7.5KW战时柴油电站二内设两台150KW柴油发电机组,设置独立的进、排风系统电气专业提供的条件:Q 1+Q2=17.058kW,Lc=125m3/min, Ly=17m3/min2、按消除余热计算电站的进、排风量计算2、 Q3=Lqe=0.136X3.2=0.44kW3、Q= Q1+ Q2+ Q3=17.058X2+0.44=34.556kW4、Lj =32)-91.01X1.2(363600X34.55=14663m3/h(二)如果机头采用闭式风冷循环,散热器排出的热风直接从专用风道排出工程外,根据风量平衡原理,其进风量:Lj ’=max{(Ly+Lk+Lc), Lj}=21200m3/hL p = Lj-Ly+Lk=21200-2040+342=20418m3/h(三)进、排风机的选择:进风机:GXF-No9A送(补)风机,参数:GXF-No9A L=20688m3/hH=400Pa, N=4KW排风机:HTF-I-No7型排风排烟机,参数:HTF-I-No7型 L=21300m3/h H=610Pa, N=7.5KW。