消防工程维保表格(全套)
- 格式:doc
- 大小:194.50 KB
- 文档页数:5
工程名称: 年月日
工程名称: 年月日
1、情况正常打“√”,存在问题或故障的打“×”,并在备注栏中写明存在问题或故障处理情况;
2、对发现的问题应及时处理,当场不能处置的要填报《建筑消防设施故障处理登记表》;
3、本表为样表,单位可根据建筑消防设施实际情况和巡查时间段制表。
建筑消防设施测试记录(一)
工程名称: 测试时间:年月日
建筑消防设施测试记录(二)
工程名称: 测试时间:年月日
注:1、情况正常在“实测记录”栏中标注“正常”;
2、发现的问题或存在故障应在“实测记录”栏中填写,并及时处置;当场不能处置的要填报《建筑
消防设施故障处理登记表》;
3、本表为样表,单位可根据建筑消防设施实际情况制表。
建筑消防设施故障处理登记表工程名称:。
序号12内容消防控制室自动报警系统探测器水流指示器、压力开关等标准设备无异常各类显示灯正常正常工作无故障正常工作检查方法观察显示灯确认设备有无故障摹拟、仪器检查末端试水电源使系统正常运行自动喷淋系统及消火栓系统1、水源控制阀、报警控制装置2、设置储水设备3 的房间3、水泵房4、管网系统4 联动系统1、消防广播2、消防通讯3、排烟系统4 、防火分隔系统状况完好开闭位置正常寒冷季节测定室温温度、压力、位置响声处于正常状态无跑、冒、滴、漏现象,无使用故障功能正常功能正常排烟风机手、自动启动正常;防火阀、排烟阀动作灵敏,无滞碍处于待用状态无障、碍物对备电进行1-2 次充放电试验,1-3 次主电源和备用电源自动切换试验目测巡检测量观察仪表读数临场判断观察系统压力是否恒定目测管网外观播放、强制转换通话试验手、自动启动风机试验排烟阀、防火阀是否正常工作序号12 3 4内容消防控制室自动报警系统探测器水流指示器、压力开关等标准设备无异常各类显示灯正常正常工作无故障正常工作电源使系统正常运行自动喷淋系统及消火栓系统控制阀门电磁等报警阀2、设置储水设备的房间3、水泵房4、管网系统5、室外阀门井6 、水泵接合器7、喷头联动系统1、消防广播2、消防通讯3、排烟系统4 、防火分隔系统状况完好保持正常工作状态寒冷季节测定室温温度、压力、位置响声处于正常状态无跑、冒、滴、漏现象,无使用故障启闭位置正常无渗漏无渗漏完好无损功能正常功能正常排烟风机手、自动启动正常;防火阀、排烟阀动作灵敏,无滞碍处于待用状态无障碍物检查方法观察显示灯确认设备有无故障摹拟、仪器检查末端试水对备电进行1-2 次充放电试验,1-3 次主电源和备用电源自动切换试验目测巡检放水试验,启泵性能测量观察仪表读数临场判断观察系统压力是否恒定目测管网外观目测目测清除异物播放、强制转换通话试验手、自动启动风机试验排烟阀、防火阀是否正常工作序号12 3 4 5内容消防控制室自动报警系统探测器水流指示器、压力开关等电源标准设备无异常各类显示灯正常正常工作无故障正常工作使系统正常运行自动喷淋系统及消火栓系统控制阀门电磁等报警阀2、设置储水设备的房间3、水泵房4、管网系统5、室外阀门井6 、水泵接合器7、喷头联动系统1、消防广播2、消防通讯3、排烟系统4、防火分隔系统5、启泵试验供水设施1 、水源状况完好保持正常工作状态寒冷季节测定室温温度、压力、位置响声处于正常状态无跑、冒、滴、漏现象,无使用故障启闭位置正常无渗漏无渗漏完好无损功能正常功能正常排烟风机手、自动启动正常;防火阀、排烟阀动作灵敏,无滞碍处于待用状态无障碍物手、自动均能正常启动检查方法观察显示灯确认设备有无故障摹拟、仪器检查末端试水对备电进行1-2 次充放电试验,1-3 次主电源和备用电源自动切换试验目测巡检放水试验,启泵性能测量观察仪表读数临场判断观察系统压力是否恒定目测管网外观目测目测清除异物播放、强制转换通话试验手、自动启动风机试验排烟阀、防火阀是否正常工作试验测试年供水能力5、启泵试验手、自动均能正常启动试验单位名称检查项目时间自检消音复位故障报警巡检控制器型电源主电备用源电源检查人签名备注2、储水设备3、气压稳压设备检查结构材料模拟试验正常工作故 障 及 排 除 情 况甲 方 值 班 员 :报 修 部 门 月 日 时 报 修 人报 修内容完成情况完 成 时 间 年 月 日主 修 人 签 字 验 收 人 签 字名 称 规 格 数 量 单 价 合 价 备 注耗 用主要材料第 页 共 页防 火 负 责 人 检 查 情 况巡检员:单位名称:编号:故障名称故障位置怎样发现发现时间故障表现形式、现象及特征故障原因分析采取对策以及解决办法遗留问题经验教训完成时间用工系统名称:火灾自动报警系统共 3 页 第 1 页检查项目1.外观质量2.距端墙距离3.安装倾斜角4.确认灯的安装位置5.确认灯的功能6.报警功能1.外观质量2.坚固程度3.确认按钮功能4.距防火分区最远距离5.报警功能 1.控制器外观质量 2.控制器接地 3.控制器接地标志 4.控制器电源5.报警音响6.控制器基本功能 ⑴ 报警功能检查要求无腐蚀及明显机械损伤,标志、文字清晰 ≯探测器间距的一半 偏差≯30°面向便于观察的主入口方向 报警,灯启动,巡检,灯闪动有火情,火警信号输出;短路或者脱座,故障 信号输出组件完整,标志明显 坚固,不松,不斜启动按钮,按钮处有发光指示 ≯30m启动按钮,火警信号输出 铭牌及标志明显,清晰 有工作接地线及 RE 线接地保护 明显,持久应是消防专用电源、专用蓄电池供电;直连 消防电源,严禁插头额定电压下,距器件中心 1m 处,声压级应 在 85dB-115dB接到火灾信号,发出声光报警检查 结果备 注参加人报 告 时 间主修人报告人三火 灾 报 警 控 一 火灾探测 器二报 警 按 钮系统名称:火灾自动报警系统共 3 页 第 2 页、消 ⑻ 电源转换功能⑼ 电源指示功能7.备用电源自动充电功能1.火灾事故广播 ⑴ 扬声器的设置⑵ 音响试验⑶ 强行切换功能⑷ 选层广播功能2.消防通讯⑴ 控制室与设备间的通话⑵ 电话插孔通讯试验⑶ 与“119”台通话3.讯响器(声光报警器) ⑴ 坚固程度⑵ 音响⑶ 报警功能4.消防电梯 ⑴ 联动功能主电源切断,备用电源自动投入运行主、备电源转换,指示灯正常主电源恢复,备电自动切除,浮充、等待备 用距本楼层内任意处≯25m ,额定功率≮3W播放范围内最远点声压级>背景噪声 15dB 合用系统可在消控室将进行中的普通广播 强切换为火灾广播消控室内可选定楼层(区域)广播功能正常,语音清晰手动报警按钮处插孔通话,功能正常,语音 清晰消防控制室应设置向当地消防部门直接报 警的外线电话坚固,平衡,不斜,不松动>背景噪声 15dB及时报警确认火灾后,可手动、自动迫降至首层手动复位后,再接信号再报警 100 秒内,发出声、光故障信号 可自检与故障同时报警时,火警优先 显示或者打印火警时间火警状态时可手动消除信号并复位⑵ 二次报警 ⑶ 故障报警 ⑷ 自检功能 ⑸ 火灾优先功能 ⑹ 记忆功能 ⑺ 消音、复位功能制 器防 联 动 、消 防 通 讯、消 防 电 梯四火 灾 事 故 广 播对电梯控制和联动时,信号能反馈至控制室具备,可靠应符合设计要求外表完整无损具备但不应设其它开关系统名称:火灾自动报警系统⑶ 应急转换功能 正常电源切断,应急转换时间≯5S⑷ 设置状态指示灯 应设等待(红)、充电(绿)、故障(黄) ⑸ 应急工作时间及充、放电功 ≮30min;放电终止电压≮额定电压 85%,并 能有防过充、放电保护 ⑹ 应急照明照度 ≮0.5Lx 火灾时继续工作的房间应保证正常照明的照度,见规程 P12 表 2 2. 安全疏散指示灯⑴ 外观质量 外表完整无损⑵ 疏散指示方向和图形 指向正确,图、文、尺寸规范 ⑶ 应急转换功能 应急转换时间≯5S,可连续转换 10 次 ⑷ 疏散指示照度 ≮1.0Lx 检 查 员甲方值班员 日 期备注:检查内容符合要求打“ √ ”;不符合要求打“×”,并在备注栏中注明情况。
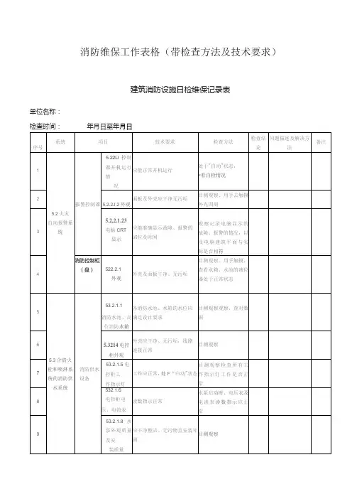
月 巡 检 细 则序 号1234内 容消 防 控 制 室探 测 器水 流 指 示 器 、压 力开 关 等电 源1 、 水 源 控 制 阀 、报 警 控 制 装 置2 、 设 置 储 水 设 备的 房 间3 、 水 泵 房4 、 管 网 系 统1 、 消 防 广 播2 、 消 防 通 讯3 、 排 烟 系 统4 、 防 火 分 隔 系 统检 查 方 法观 察 显 示 灯 确 认 设 备 有 无故 障自 动 报 警 系 统模 拟 、 仪 器 检 查正 常 工 作 放 末 端 , 开 试 铃 阀对 备 电 进 行 1-2 次 充 放 电试 验 , 1-3 次 主 电 源 和 备 用电 源 自 动 切 换 试 验自 动 喷 淋 系 统 及 消 火 栓 系 统状 况 完 好目 测 巡 检开 闭 位 置 正 常寒 冷 季 节 测 定 室 温温 度 、压 力 、位 置 响 声 处 于正 常 状 态无 跑 、冒 、滴 、漏 现 象 ,无使 用 故 障联 动 系 统功 能 正 常功 能 正 常排 烟 风 机 手 、 自 动 启动 正常 ;防 火 阀 、排 烟 阀 动 作 灵 敏 , 无 滞 碍处 于 待 用 状 态 无 障 、 碍 物测 量观 察 仪 表 读 数临 场 判 断观 察 系 统 压 力 是 否 恒 定目 测 管 网 外 观播 放 、 强 制 转 换通 话 试 验手 、自 动 启动 风 机 试 验 排 烟阀 、 防 火 阀 是 否 正 常 工 作检 查 方 法序 号标 准内 容标 准设 备 无 异 常各 类 显 示 灯 正 常使 系 统 正 常 运 行 正 常 工 作 无 故 障观 察 显 示 灯 确 认 设 备 有 无故 障自 动 报 警 系 统模 拟 、 仪 器 检 查放 末 端 , 开 试 铃 阀 开 关 等对 备 电 进 行 1-2 次 充 放 电试 验 , 1-3 次 主 电 源 和 备 用电 源 自 动 切 换 试 验自 动 喷 淋 系 统 及 消 火 栓 系 统放 水 试 验 , 启 泵 性 能测 量 观 察 仪 表 读 数 临 场 判 断观 察 系 统 压 力 是 否 恒 定目 测 管 网 外 观目 测 目 测 清 除 异 物播 放 、 强 制 转 换通 话 试 验排 烟 风 机 手 、 自 动 启动 正手 、自 动 启动 风 机 试 验 排 烟阀 、 防 火 阀 是 否 正 常 工 作敏 , 无 滞 碍 处 于 待 用 状 态 无 障 碍 物手 、 自 动 均 能 正 常 启动标 准 设 备 无 异 常 各 类 显 示 灯 正 常 自 动 报 警 系 统正 常 工 作 无 故 障保 持 正 常 工 作 状 态 寒 冷 季 节 测 定 室 温 温 度 、压 力 、位 置 响 声 处 于正 常 状 态无 跑 、冒 、滴 、漏 现 象 ,无使 用 故 障启 闭 位 置 正 常 无 渗 漏无 渗 漏 完 好 无 损联 动 系 统功 能 正 常 功 能 正 常控 制 阀 门 电 磁 等报 警 阀 2 、 设 置 储 水 设 备的 房 间3 、 水 泵 房4 、 管 网 系 统5 、 室 外 阀 门 井6 、 水 泵 接 合 器7 、 喷 头1 、 消 防 广 播2 、 消 防 通 讯3 、 排 烟 系 统4 、 防 火 分 隔 系 统5 、 启 泵 试 验检 查 方 法观 察 显 示 灯 确 认 设 备 有 无故 障模 拟 、 仪 器 检 查正 常 工 作 无 故 障正 常 工 作探 测 器 水 流 指 示 器 、压 力设 备 无 异 常各 类 显 示 灯 正 常内 容消 防 控 制 室状 况 完 好 目 测 巡 检 序 号1 2常 ;防 火 阀 、排 烟 阀 动 作 灵使 系 统 正 常 运 行消 防 控 制 室探 测 器 试 验电 源 4231水 流 指 示 器 、压 力开 关 等电 源控 制 阀 门 电 磁 等报 警 阀 2 、 设 置 储 水 设 备的 房 间3 、 水 泵 房4 、 管 网 系 统5 、 室 外 阀 门 井6 、 水 泵 接 合 器7 、 喷 头1 、 消 防 广 播2 、 消 防 通 讯3 、 排 烟 系 统4 、 防 火 分 隔 系 统5 、 启 泵 试 验1 、 水 源2 、 储 水 设 备3 、 气 压 稳 压 设 备检测项目消防配电自备发机电 储油设施火灾报警探测器手动报警按钮警报装置试验报警功能、故障报警功能、火灾优 报警控制器 无 跑 、冒 、滴 、漏 现 象 ,无使 用 故 障启 闭 位 置 正 常 无 渗 漏无 渗 漏 完 好 无 损联 动 系 统功 能 正 常 功 能 正 常排 烟 风 机 手 、 自 动 启动 正常 ;防 火 阀 、排 烟 阀 动 作 灵敏 , 无 滞 碍处 于 待 用 状 态 无 障 碍 物 手 、 自 动 均 能 正 常 启动供 水 设 施观 察 系 统 压 力 是 否 恒 定目 测 管 网 外 观目 测 目 测清 除 异 物播 放 、 强 制 转 换通 话 试 验手 、自 动 启动 风 机 试 验 排 烟 阀 、 防 火 阀 是 否 正 常 工 作自 动 喷 淋 系 统 及 消 火 栓 系 统 状 况 完 好 保 持 正 常 工 作 状 态寒 冷 季 节 测 定 室 温温 度 、压 力 、位 置 响 声 处 于正 常 状 态检测内容试验主、备电切换功能 试验启动发机电组 核对储油量试验报警功能 试验报警功能 试验警报功能电 源 自 动 切 换 试 验目 测 巡 检放 水 试 验 , 启 泵 性 能测 量 观 察 仪 表 读 数 临 场 判 断先功能、打印机打印功能、火灾显示盘和 CRT 显示器的显示功能测 试 年 供 水 能 力 检 查 结 构 材 料 模 拟 试 验对 备 电 进 行 1-2 次 充 放 电试 验 , 1-3 次 主 电 源 和 备 用火灾自 动报警 系统放 末 端 , 开 试 铃 阀 使 系 统 正 常 运 行 消防供 电配电正 常 工 作正 常 工 作 实测记录试 验435消防联动控制器消防水池 消防水箱稳(增)压泵及气压试验启泵按钮、停泵时的压力工况水罐消防水泵 管网阀门室内消火栓室外消火栓 消防炮启泵按钮报警阀组 末端试水装置水流指示器 泡沫液贮罐泡沫栓瓶组与储罐气体灭火控制设备风机 送风口检测项目风机排烟阀、电动排烟窗应急照明疏散指示标志扩音器扬声器 试验启泵和主、备泵切换功能试验管道阀们启闭功能 试验屋顶消火栓出水和静压 试验室外消火栓出水和静压试验消防炮出水试验远距离启泵功能试验放水阀放水及压力开关动作信号试验末端放水及压力开关动作信号核对反馈信号核对泡沫栓有效期和储存量实验泡沫栓出水和出泡沫核对灭火剂储存量摹拟自动启动,试验切断空调等相关联 动试验联动启动风机核对送风口风速检测内容 试验联动启动风机试验联动启动排烟阀、电动排烟窗;核对排烟口风速试验切断正常供电,测量照度 试验切断正常供电,测量照度 试验联动启动和强制切换功能测试音量、音质试验联动控制和显示功能核对储水量 核对储水量气体灭 火系统机械加 压送风 系统消火栓 (消防 炮)灭 火系统自动喷 水灭火 系统应急 广 播系 统防烟排 烟系 统泡沫灭 火系统消防供 水设施实测记录注 1:情况正常的打“ √ ”,存在问题或者故障的打“×”;注 2:对发现的问题应及时处理,当场不能处置的要填报《建造消防设施故障处理记录》。
年月为保证厂区内内的消防设施正常运行,确保人身和财产安全,依靠现有的高科技联网平台,特制定本维保工程消防设施的维修、保养服务方案如下:1、火灾自动报警系统;2、自动喷水灭火系统;3、消火栓系统;4、防排烟系统;5、气体灭火系统;项目经理:技术负责人:电专业维保人员:水专业维保人员:通风专业维保人员:(1)《建造设计防火规范》 GB50016-2022(2)《火灾自动报警系统施工及验收规范》 GB50166-98(3)《自动喷水灭火系统施工及验收规范》 GB50261-2005(4)《给排水管道工程施工及验收规范》 GB50268-97(5)《电气装置安装工程施工及验收规范》 GBJ232-821、火灾自动报警系统:a、每月对火灾探测器、手动报警按钮及联动设备进行摹拟火警、故障及联运试验;b、每月对火灾自动报警系统控制路线及联动路线的故障进行检修;c、每月采用专用检测仪器分期分批试验探测器的动作及确认灯显示。
2、自动喷淋系统:a、每月对水源控制阀、报警阀组进行检查,保证系统各种阀门处于工作状态;b、每月对喷淋水泵进行启动运转试验一次,动作失常时即将通知贵单位及时更换;c、每月对喷头进行外观检查,发现有不正常的喷头及时更换,当喷头上有异物时及时清除。
3、消火栓系统:a、每月对消防泵进行启动运转试验,并对消防泵进行消火栓按钮联动启泵试验;b、每月对系统上所有的控制阀门进行检查,保证控制阀门处于正常工作状态;c、每月对消火栓进行检查,发现问题及时处理。
4、防排烟系统:a、每月检查送风、排烟机房工作环境;b、每月检查风机电源控制柜、送风阀、排烟阀等是否处于正常完好状态。
5、气体灭火系统每月对气体灭火系统装置的喷嘴外观、储存容器、选择阀、高压软管、集流管、阀驱动装置、管网与喷嘴等系统部件外观和控制设备是否处于运行状态进行一次检查与维护。
6、应急照明、疏散指示标志:a、每月检查电源切换和充电功能。
b、每月检查标识正确性。
1.建筑消防设施故障维修记录表
序号:
2.建筑消防设施检测记录表
建筑消防设施检测记录表见表D.1。
表D.1 建筑消防设施检测记录表
表D.1(续)建筑消防设施检测记录表
表D.1(续)建筑消防设施检测记录表
表D.1(续)建筑消防设施检测记录表
表D.1(续)建筑消防设施检测记录表
附录E
(规范性附录)
建筑消防设施维护保养表
建筑消防设施维护保养计划表见表E.1,建筑消防设施维护保养记录表见表E.2。
表E.1 建筑消防设施维护保养计划表
消防安全责任人或消防安全管理人(签字):制订人:审核人:。
目录1、消防设备维护记录表( 页)2、消防系统设备配置表( 页)3、消防控制中心设备检查记录表( 页)4、探测器/手动报警按钮试验记录表( 页)5、自动喷水灭火系统检测记录( 页)6、消火栓系统检测记录( 页)7、卷帘门系统检测记录( 页)8、防排烟系统检测记录( 页)9、消防联动设备检测记录( 页)10、维保工作纪录表( 页)本记录含以上表格共( 页)项目名称:表:期:核:消防设备维护记录表项目名称客户负责人安装公司检测时间检测内容火灾自动报警系统自动喷淋灭火系统消防电源配电系统防火卷帘系统地址电话竣工日期参加人员全检( ) 抽测()全检( ) 抽测()全检( ) 抽测()全检( ) 抽测( )全检( ) 抽测消火栓系统( )全检( ) 抽测消防广播及通讯系统( )火灾事故照明及疏散指示全检( ) 抽测系统 ( )全检( ) 抽测防排烟及通风空调系统( )气体灭火系统检测中发现问题:全检(()) 抽测消防电梯全检( ) 抽测()填日审消防控制中心设备检查记录表工程名称控制器部份检查记录控制器基本配置基本功能控制器数量 现场设备数量 启机 声音黑匣子记录型号回路 显示 打印 备电手动盘 多线制盘设备定义通讯灯检 灯检联动公式 报火警、故障 启动及显示 启动及显示输出电源 显示 CRT 显示 通讯测试输出电压 信息传输消防广播电话检查记录解决建议:客户意见:客户负责人签字(盖检测负责人签字:章):日期: 年 月 日 日期: 年 月 日注:在选定对象的括号内打“ √ ”或者“╳”。
探测器/手动报警按钮试验记录表感烟探测器型号本次试验探测器/手报数量安装位置 试验结果 原码(用户编码) 安装位置 试验结果项目名称 探测器/手报 数量试验设备及结果原码(用户编码) 卡座型号基本配置消防广播 CD 机型号基本功能 显示 电话主机型号消防电话显示路线检查记录回路电阻 1、正常( ); 2、异常( 线间电阻 1、正常( ); 2、异常(线地电阻 1、正常( ); 2、异常( 功放型号 送话器 放音 通话器 功能),其中 回路电阻偏低或者短路。
1.建筑消防设施故障维修记录表
序号:
- -优质-
2.建筑消防设施检测记录表
建筑消防设施检测记录表见表D.1。
表D.1 建筑消防设施检测记录表
- -优质-
- -优质-
表D.1(续)建筑消防设施检测记录表
- -优质-
表D.1(续)建筑消防设施检测记录表
- -优质-
表D.1(续)建筑消防设施检测记录表
- -优质-
表D.1(续)建筑消防设施检测记录表
- -优质-
- -优质-
附录E
(规性附录)
建筑消防设施维护保养表
建筑消防设施维护保养计划表见表E.1,建筑消防设施维护保养记录表见表E.2。
表E.1 建筑消防设施维护保养计划表
序号:日期:
消防安全责任人或消防安全管理人(签字):制订人:审核人:
- -优质-。
消防维保检查记录表格
Organized at 3pm on January 25, 2023
Only by working hard can we be better
目录
1、消防设备维护记录表页
2、消防系统设备配置表页
3、消防控制中心设备检查记录表页
4、探测器/手动报警按钮试验记录表页
5、自动喷水灭火系统检测记录页
6、消火栓系统检测记录页
7、卷帘门系统检测记录页
8、防排烟系统检测记录页
9、消防联动设备检测记录页
10、消防工程维修表页
11、消防维修工程排故报告表页
12、维保工作纪录表页
本记录含以上表格共页
项目名称:
填表:
日期:
审核:
消防设备维护记录表
消防控制中心设备检查记录表
注:在选定对象的括号内打“√”或“╳”;
探测器/手动报警按钮试验记录表
第页共页备注:试验结果项按如下选项填写,1—正常、2—不报警、3、报警但时间慢、4—报警但指示灯不亮、5—报警但显示地址不正确;
自动喷水灭火系统检测记录
第页共页
消火栓系统检测记录
第页共页
卷帘门系统检测记录
第页共页防排烟系统检测记录
第页共页
注:在设备名称栏内填写1-排烟机、2-送风机、3-新风机、4-排烟阀、5-送风阀、6-防火阀;
消防联动设备检测记录
第页共页
消防系统设备配置表
消防工程维修表
消防维修工程排故报告表单位名称:编号:
维保工作纪录表
第页共页。
工程名称: 年月日
工程名称: 年月日
1、情况正常打“√”,存在问题或故障的打“×”,并在备注栏中写明存在问题或故障处理情况;
2、对发现的问题应及时处理,当场不能处置的要填报《建筑消防设施故障处理登记表》;
3、本表为样表,单位可根据建筑消防设施实际情况和巡查时间段制表。
建筑消防设施测试记录(一)
工程名称: 测试时间:年月日
建筑消防设施测试记录(二)
工程名称: 测试时间:年月日
注:1、情况正常在“实测记录”栏中标注“正常”;
2、发现的问题或存在故障应在“实测记录”栏中填写,并及时处置;当场不能处置的要填报《建筑
消防设施故障处理登记表》;
3、本表为样表,单位可根据建筑消防设施实际情况制表。
建筑消防设施故障处理登记表工程名称:。