消防工程竣工验收报告表格
- 格式:doc
- 大小:55.50 KB
- 文档页数:7
消防工程竣工验收报告(文本)(由建设单位负责并盖章,具体内容可由设计、施工单位协助编写)亳州市公安消防支队经济技术开发区大队:设计,******市建设工程质量监督站负责质量跟踪监督, 并委托**********消防工程监理有限公司承担现场监督,并由成本工程消防工程消防设施检测,确认检测结果为合格。
工程于****年****月****日通过了五方主体预验收工作, 并完成了有关问题的质量整改闭合,现已具备竣工验收条件, 工程具体情况汇报如下:一、 工程概况(建筑类别、总平面布局和平面布置): 1、 该工程位于XX 路与XX 路交叉口,南邻广场路,北邻飞鹏巷,西朝信河街,东邻居民区。
属居民集中区域,为 消防重点控制单位,本工程建筑物为地下一层、地上十八 〜二十二层,独立裙房二层组成。
总建筑面积为40192m2, 地下部分 5252.34m2。
总建筑高度分别为:64.3m 、70.30m 、80.90m 、9.30m 。
一层层高为高为4.80m ,三层层高为4.50m ;地下室一层高度分别为:机动车库 5.60m ;设备房 4.80m 非机动车库 3.80m 。
地 下事室主要有两个消防通道口,设计容量为400m3的消防水池及设计容量为18m3的喷淋专用水池、消防排烟风 机房、自备我单位集资建设的*********************工程,由************** 工程公司承建, ********************* 设计院负责 ********************* 消防设施检测单位于 **** /年 **** ****口宀4.50m 、一层层发电房等设备房,地上二层〜三层商场部分设置有两座消防楼梯。
屋顶设有电梯机房,正压送风机房及消防水池设计容量18m3 等设施。
2、建筑类别及耐火等级:一类高层建筑及地下室,耐火等级为一级,北侧商业部分为二类多层建筑,耐火等级为二级。
3、主体结构采用全现浇钢筋砼框架—框支剪力墙结构,地下室连体,地下室设有汽车库,非机动车库。
单位(子单位)工程竣工预验收报验表填表说明:1、单位(子单位)工程的名称要填写全称,即批准项目的名称,并注明是单位工程或子单位工程;2、安全和主要使用功能核查及抽查结果栏,包括两个方面,一个是在分部、子分部工程抽查过的工项目检测报告的结论;另一方面是单位工程抽查的项目要检查其全部的检查方法程序和结论.3、综合验收结论,填写通过或同意验收.不同意验收就不一定形成表格,待返修完善后,再形成表格。
4、验收单位签字人表上要求人员签名,对勘察单位在地基部分中签字。
5、表G.0。
1—1验收记录由施工单位填定,验收结论由监量(建设)单位填写。
综合验收结论由参加验收各方共同商定,建设单位填写,应对工程质量是否合设计和规范要求及总体质量水平做出评价。
表G.0.1—2 单位(子单位)工程质量控制资料核查记单位(子单位)工程安全和功能检验资料核查单位(子单位)工程观感质量检查记录1、其它表都是施工单位先验收合格填写好,监理再验收;2、由总监理工程师组织有关监理工程师,会同参加验收的人员共同进行,通过现场全面检查,在听取有关人员意见后,由总监理工程师为主与监理工程师共同确定质量评价:评价为好、一般、差。
只要不影响安全和使用功能,都可通过验收,评为差时,能修的尽量修,不能修的按5.0。
6条第四款处理;3、由施工(总包)单位项目经理和总监理工程师签字。
公司资格报审表应急照明工程分部(子分部)工程验收记录电线、电缆穿管和线槽敷线工程检验批质量验收记录表专用灯具安装检验批质量验收记录GB50303—2002 桂建质060508专用灯具安装检验批质量验收记录GB50303-2002 桂建质060508 (二)注:6.本表所列项目的检查方法应符合下列规定:(1)接地接零的测试结果,查阅测试记录或测试时旁站或用适配仪表进行抽测.(2)各种距离的尺寸用塞尺、游标卡尺、钢尺、塔尺或采用其他仪器仪表等测量。
(3)外观质量情况观察检查.(4)设备规格型号、标志及接线,对照工程设计图纸及其变更文件检查。
2019消防验收规范及表格1 建筑工程竣工消防验收报告工程名称:XXX教学楼工程验收日期:建设单位(盖章):XXX填表说明:1.本表由建筑工程建设单位在组织消防验收时填写,建设、设计、施工、监理单位对本职责范围内的验收质量负责;2.建设单位申报建筑工程消防验收或备案时,应报送本表,建设单位必须如实填写;3.本表不得使用圆珠笔、铅笔填写,表内内容不得涂改;4.随本表应当附送建筑总平面布置图、标准层和非标准层建筑平面布置图。
一、建筑工程基本情况建设单位:XXX联系人:工程名称:XXX教学楼工程设计单位:土建施工单位:消防工程:施工单位:监理单位:装修单位:工程地点:建筑高度:建筑类别:多层民用建筑、高层民用建筑、多层工业建筑、高层工业建筑建设类别:新建、改建、扩建、内部装修消防许可备案文号:主要使用功能:联系联系人:联系人:联系人:联系人:联系人:建筑面积:建筑层数:备注:二、土建及装修工程验收情况验收项目抽查部位及检查情况:抽查部位:耐火等级-符合/不符合;主控项目/一般项目建筑幕墙设置:符合/不符合;主控项目/一般项目抽查部位:防火间距-符合/不符合;主控项目/一般项目消防车道:符合/不符合;主控项目/一般项目消防登高扑救面:符合/不符合;主控项目/一般项目平面及空间布置:符合/不符合;主控项目/一般项目抽查部位:防火、防烟分区-符合/不符合;主控项目/一般项目防火墙、隔墙和楼板及变形缝、伸缩缝:符合/不符合;主控项目/一般项目防火、防烟分区和建筑构造:符合/不符合;主控项目/一般项目防火门、防火窗:符合/不符合;主控项目/一般项目防火卷帘:符合/不符合;主控项目/一般项目抽查部位:疏散楼梯间和楼梯:符合/不符合;主控项目/一般项目安全出口、疏散走道和疏散门:符合/不符合;主控项目/一般项目安全疏散和消防电梯避难层(间):符合/不符合;主控项目/一般项目消防电梯:符合/不符合;主控项目/一般项目装修工程:备注:本文是一份验收报告,对建筑物的消防设备和防烟、排烟、通风、空气调节系统进行了抽查,并记录了检查情况。
表2建设工程竣工消防验收基本情况记录表(消防设施部分)编号:
注:此记录以单栋建筑为单元填写。
表2-1 消火栓系统验收检查记录
统验收合格判定应为:A=0,且B≤2,且B+C≤6为合格,否则为不合格。
(无判定规则,参考《
水灭火系统施工及验收规范》确定)
验收人员:
年月日
表2-2 自动喷水灭火系统验收检查记录
统验收合格判定应为:A =0,且B ≤2,且B +C ≤6为合格,否则为不合格。
(按照《自动喷水灭火
工及验收规范》确定)
验收人员: 年 月 日
表2-3 气体灭火系统验收检查记录
表2-4 消防电气验收检查记录
验收人员: 年 月 日
表2-5 火灾自动报警系统验收检查记录
表2-6 防烟排烟系统验收检查记录
表3 消防产品和有防火性能要求的建筑构件、建筑材料、装修材料现
场核对记录表。
工程竣工验收报告(消防)范本工程竣工验收报告(消防)范本1. 引言此文档是工程竣工验收报告(消防)的范本,以记录消防设施的安装与验收情况。
本报告旨在总结工程项目竣工阶段消防设施的安装、调试及验收情况,评估其符合设计规范要求并达到预期效果的程度。
2. 项目基本信息项目名称:工程地点:业主单位:公司监理单位:工程监理有限公司施工单位:建筑工程有限公司3. 竣工验收依据《建筑消防设施工程施工及验收规范》(GB 50160X)《建筑设计防火规范》(GB 50016X)《建筑设计给水排水及供暖规范》(GB 50015X)《建筑电气设计规范》(GB 50052X)《建筑噪声环境》(GB 50300X)相关国家和行业标准4. 竣工验收内容4.1 消防设施验收4.1.1 消防给水系统消防水池 / 消火栓系统是否满足设计要求并安装规范?消防水泵的性能和运行是否符合设计要求?消防水源保证及后续维护是否考虑?消防水管、喷淋头、喷水雾幕等设施的安装质量如何?是否进行水压、水流和喷淋测试?4.1.2 消防自动报警系统火灾自动报警系统的安装是否符合设计规范?火灾自动报警控制器和探测器的性能和功能是否正常?是否进行了火灾报警、联动控制功能的测试?4.1.3 消防疏散系统是否按照设计要求安装了疏散指示标识、安全疏散指示灯、应急照明等设施?疏散通道和楼梯井是否满足相关标准要求?疏散门的配置和开启是否流畅?4.1.4 消防防烟排烟系统防烟排烟系统是否按照设计要求安装?排烟风机、排烟口、排烟管道等设施的安装质量如何?是否进行了排烟效果测试?4.1.5 消防应急电源系统消防应急电源的配置和运行是否符合设计规范?是否进行了电源切换测试和负载试运行?4.2 完好性测试对消防设施进行完好性测试,主要包括以下内容:4.2.1 防火分隔各楼层和房间的防火墙、防火门等是否安装完好?防火隔离区域内的消防设施是否安装完好?4.2.2 排烟控制各楼层及公共区域的排烟系统是否正常工作?能否实现火灾现场的烟气控制?4.2.3 泄压控制电梯井、消防电梯厅等泄压设施是否正常工作?是否能有效控制火灾现场的气压?4.2.4 疏散通道各楼层的疏散通道是否通畅?疏散通道门的开启是否顺畅快速?4.3 安全性检查对消防设施的安全性进行检查,确保其符合相关法规和规范要求。
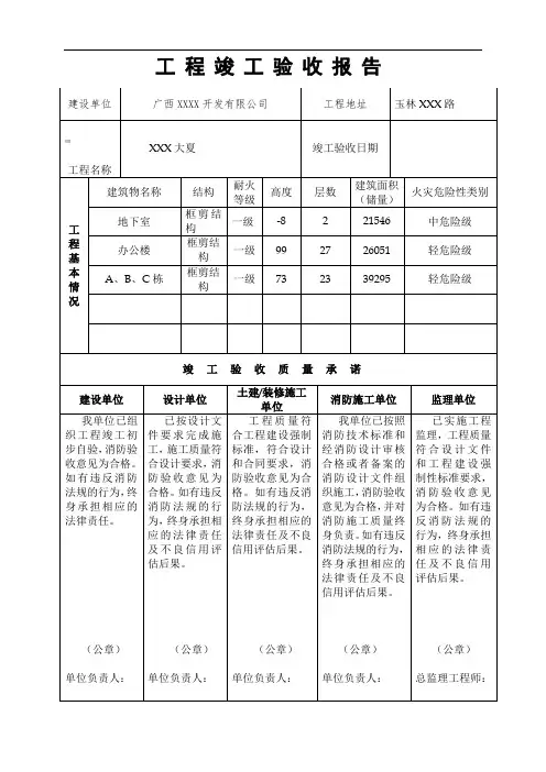
工程竣工验收报告建设单位广西XXXX开发有限公司工程地址玉林XXX路工程名称XXX大夏竣工验收日期工程基本情况建筑物名称结构耐火等级高度层数建筑面积(储量)火灾危险性类别地下室框剪结构一级-8221546中危险级办公楼框剪结构一级992726051轻危险级A、B、C栋框剪结构一级732339295轻危险级竣工验收质量承诺建设单位设计单位土建/装修施工单位消防施工单位监理单位我单位已组织工程竣工初步自验,消防验收意见为合格。
如有违反消防法规的行为,终身承担相应的法律责任。
(公章)单位负责人:已按设计文件要求完成施工,施工质量符合设计要求,消防验收意见为合格。
如有违反消防法规的行为,终身承担相应的法律责任及不良信用评估后果。
(公章)单位负责人:工程质量符合工程建设强制标准,符合设计和合同要求,消防验收意见为合格。
如有违反消防法规的行为,终身承担相应的法律责任及不良信用评估后果。
(公章)单位负责人:我单位已按照消防技术标准和经消防设计审核合格或者备案的消防设计文件组织施工,消防验收意见为合格,并对消防施工质量终身负责。
如有违反消防法规的行为,终身承担相应的法律责任及不良信用评估后果。
(公章)单位负责人:已实施工程监理,工程质量符合设计文件和工程建设强制性标准要求,消防验收意见为合格。
如有违反消防法规的行为,终身承担相应的法律责任及不良信用评估后果。
(公章)总监理工程师:。
消防工程竣工验收报告1、项目基本信息1.1 工程名称:本工程名称为XXX建筑消防工程。
1.2 项目位置:本工程位于XXX市XXX区XXX路XXX号。
1.3 项目建设单位:本工程建设单位为XXX公司。
1.4 监理单位:本工程监理单位为XXX监理公司。
1.5 施工单位:本工程施工单位为XXX建筑有限公司。
2、消防工程基本情况2.1 建设规模:本工程建筑总面积XXX平方米,共有XX层,地上XX层,地下XX层。
2.2 消防工程设计单位:本工程消防工程设计单位为XXX设计院。
2.3 消防工程施工质量:本工程消防工程施工质量符合《建筑消防设施工程施工质量验收规范》(GB 50868-2013)的要求。
2.4 消防工程材料质量:本工程消防工程材料符合相关国家规范和标准的要求。
2.5 消防工程设备质量:本工程消防工程设备符合相关国家规范和标准的要求。
3、竣工验收情况3.1 竣工验收依据:本工程消防工程竣工验收依据为《建筑消防设施工程施工质量验收规范》(GB 50868-2013)的要求。
3.2 验收程序:本工程消防工程竣工验收程序为: - 监理单位对工程消防安全验收前的检查;- 完成工程后,施工单位按设计、施工验收交验; - 监理单位抽查; - 竣工验收。
3.3 验收结果:本工程消防工程竣工验收结果为: - 加强了消防设施和器材的安全和可靠性;- 合理配置了消防设施和器材; - 消除了消防设施和器材的缺陷。
4、结论本工程消防工程竣工验收合格,符合相关国家规范和标准的要求。
5、建议根据本工程消防工程使用情况和行业标准,请建设单位和物业公司加强日常管理和维护,确保消防设施和器材的安全和可靠性。
6、附件本报告附加资料为: - 消防设施和器材清单; - 施工单位验收报告。
建造工程竣工消防验收报告工程名称验收日期建设单位(盖章):填表说明:1、本表由建造工程建设单位在组织消防验收时填写,建设、设计、施工、监理单位对本职责范围内的验收质量负责;2、建设单位申报建造工程消防验收或者备案时,应报送本表,建设单位必须如实填写;3、本表不得使用圆珠笔、铅笔填写,表内内容不得涂改;4、随本表应当附送建造总平面布置图、标准层和非标准层建造平面布置图。
一、建造工程基本情况建设单位工程名称设计单位土建施工单位消防工程施工单位监理单位装修单位工程地点建造高度建造类别建设类别消防许可备案)文号主要使用功能联系人联系电话联系人联系人联系人联系人联系人建造面积建造层数□多层民用建造□新建□高层民用建造□多层工业建造□高层工业建造□改建□扩建□内部装修备注二、土建及装修工程验收情况验收项目抽查部位及检查情况抽查部位:新建双氧水二 1-4 层、质检中控楼 1-2 层耐火等级:√符合□不符合建造分类和耐火等级√ 主控项目:建造使用性质应明确;建造规模、高度应与设计、构件的燃烧性能和耐火极限;□普通项目建造幕墙设置:□符合□不符合□主控项目□普通项目总平面布局和平面布置防火、防烟分区和建筑构造抽查部位:新建双氧水二1-4层、质检中控楼1-2层防火间距:√符合□不符合√ 主控项目建、构筑物的位置、建造与周围相邻建、构筑物之间的防火间距;√ 普通项目防火间距内不应被暂时搭建的工棚、库房等建、构筑物或者可燃物品占用。
消防车道:√ 符合□不符合√ 主控项目消防车道的设置、净高、净宽、转弯半径和回车场的设置;√ 普通项目消防车道上应无影响车辆通行的障碍物。
消防登高扑救面:√ 符合□不符合√ 主控项目登高扑救面的设置、长度、宽度、承载能力、坡度等;√ 普通项目消防登高扑救场地上方应无影响消防车停靠和操作的障碍物。
平面及空间布置:□符合□不符合□主控项目建造总层数、高度、面积、人员密集场所、歌舞娱乐放映游艺场所、托儿所、幼儿园、儿童游乐厅、老年人建造、地下商店、车库等设置、平面布置、含可燃油的电力设备用房,燃油、燃气设备用房,消防设备用房等、建造内使用可燃气体、液体作燃料时,其燃料的储存、供给和使用;□普通项目。
建设工程竣工消防验收记录表
表1 建设工程竣工消防验收基本情况记录表(建筑防火部分)
表1-1 建筑类别、耐火等级、总平面布局和平面布置验收检查记录
验收人员:年月日
验收人员:年月日
验收人员:年月日
验收人员:年月日
表2 建设工程竣工消防验收基本情况记录表(消防设施部分)
验收人员:年月日
验收人员:年月日
验收人员:年月日
验收人员:年月日
验收人员:年月日
验收人员:年月日
验收人员:年月日
验收人员:年月日
表3 消防产品现场核对记录表
2
工程名称
建设单位
青海省建设厅制
建设工程竣工验收备案表
2、已列入工程竣工报告附件的可不再另列;
3、本表竣工验收备案文件清单所列文件如为复印件应加盖报送单位公章,并注明原件存放处;
4、本表一式二份,一份由备案管理部门存档,一份由建设单位保存。
(填表说明)
2。
附件4:工程竣工验收报告附件6建设工程竣工验收消防备案申报表说明1.此表由建设单位填写并加盖印章,没有单位印章的,由其负责人签名。
填表前请仔细阅读《中华人民共和国消防法》和《建设工程消防监督管理规定》,确知享有的权利和应尽的义务。
2.建设单位应如实填写各项内容,对提交材料的真实性、完整性负责,不得虚构、伪造或编造事实,否则将承担相应的法律后果。
3.填写应使用钢笔和能够长期保持字迹的墨水或打印,字迹清楚,文面整洁,不得涂改。
4.表格设定的栏目,应逐项填写;不需填写的,应划去。
建设单位的法定代表人/主要负责人、联系人姓名和联系电话必须填写。
未确定监理单位的,不填写相应栏目。
表格中的“□”,表示可供选择,在选中内容前的“□”内画√。
申报局部验收的,在“其他需要说明的情况”中注明。
5.申报建设工程竣工验收消防备案的,应同时提交下列材料:(1)工程竣工验收报告和有关消防设施的工程竣工图纸;(2)消防产品质量合格证明文件;(3)具有防火性能要求的建筑构件、建筑材料(含建筑保温材料)、装修材料符合国家标准或者行业标准的证明文件、出厂合格证;(4)消防设施检测合格证明文件;(5)施工、工程监理、检测单位的合法身份证明和资质等级证明文件;(6)建设单位的工商营业执照等合法身份证明文件;(7)法律、行政法规规定的其他材料。
提交的材料请使用国际标准A4型纸打印、复印或按照A4型纸的规格装订,其中“证明文件”、“合格证”均为复印件,经申请人签名确认并注明日期,并由公安机关消防机构受理人员现场核对复印件与原件是否一致。
6.通过网上申报备案的,应按要求提交全部电子申报材料。
请注意领取备案文书消防设计质量承诺书苏州市消防大队:我单位严格按照消防法规及消防技术标准,对胜诉加油站迁建工程项目的建筑、水、电、暖通、内装修进行消防设计,并对消防设计质量终身负责。
如该工程消防设计违反消防法规及消防技术标准强制性要求,我单位自愿承担相应的法律责任及不良信用评估后果。
工程竣工验收报告
(消防工程)
工程名称:
验收时期:
建设单位(盖章):
一、工程概况
二、工程竣工验收实施情况
(一)验收组织
建设单位组织设计、施工、监理等单位和其他有关专家组成验收组,根据工程
特点,下设若干个专业组。
(二)验收程序
建设单位主持验收会议。
建设、设计、施工、监理单位介绍工程合同履约情况和在工程建设各个环节执行法律、法规和工程建设强制性标准情况。
审阅建设、设施、施工、监理单位的工程档案资料。
验收组实地查验工程质量。
专业验收组发表意见,验收组形成工程竣工验收意见并签名。
三、工程质量评定
四、验收人员签名
备注:建设、设计、总包、消防、监理各单位均应参加、签名五、工程验收结论
建设单位名称: 组织机构代码:
建设单位注册地址:
建设单位邮编:
建设工程项目及所属区、县:
建设单位法定代表人: 建设单位项目负责人:建设单位联系人: 电话:
设计单位名称: 组织机构代码:设计单位项目负责人:
设计单位联系人: 电话:
总包单位名称: 组织机构代码:总包单位项目负责人:
总包单位联系人: 电话:
监理单位名称: 组织机构代码:监理单位项目负责人:
监理单位联系人: 电话:
检测单位名称: 组织机构代码:检测单位项目负责人:
检测单位联系人: 电话:
鞠躬尽瘁,死而后已。
——诸葛亮。