石油化工产业链部分产品树状图
- 格式:pdf
- 大小:178.32 KB
- 文档页数:1
石化源头是从地壳中开采的石油、天然气,然后进入绵延的石化产业链,将之大致截为三段:上游产业以炼油为主,中游产业是以烯烃和芳烃为主,下游则是三大合成材料(合成树脂、合成橡胶、合成纤维)产业。
如下图:图:石化产业链简要示意图其中,上游可以看作“油”的产业,是加工石油使之成为可直接利用的能源,中下游可以看作“化”,主要是加工制造各种基础工业原料。
其主要用途详见下表。
就其产量而言,石化产业链上的“油”类产量远远高于“化”类产品,但不同的企业中,“油”“化”各自分布比重不相同,这种差异往往就是造就各个石化企业盈利水平不同的主要原因。
整个石化产业链上的产品价格都是具有周期性的,但是由于这个链条特别长,所以各个产品的周期有点差异。
总体而言,是下游产品跟着上游走,追到最上游,就是石油的价格影响全局。
石油是原料,油价自然和下游产品成本有关,但下游产业的毛利率却并不遵守油价涨毛利率跌、油价跌毛利率升的关系。
这主要是因为原油的价格在一定程度上是经济景气度的表征,油价较高时往往经济景气,下游石化产品与经济生活密切先关,需求旺盛,价格上涨,毛利反而比油价低时高。
表:主要石化产品的名称及应用领域资料来源:根据中银国际研究资料整理福建省有关部门最近编制了石油化工产业发展规划。
规划提出,福建省石化产业发展要以扩建800万吨/年炼油、新建80万吨/年乙烯项目为龙头,实施以上游带动中下游,以中下游促进上游的双向推进战略,不断延伸产业链,以此带动石油化工、合成材料、有机化工、精细化工、化学建材等行业的快速发展,最终形成8大石化产业链。
这8大产业链分别是:炼油-烯烃-聚烯烃-塑料制品加工、化学建材、包装材料、农膜产业链。
从上游炼油和乙烯、丙烯,中游聚乙烯、聚丙烯、聚氯乙烯、聚苯乙烯,延伸至下游的化学建材、包装材料、农膜等塑料制品加工。
产业链中游项目的建设将使福建省成为我国东南沿海重要的聚烯烃原料基地,为福建省及周边地区塑料加工企业提供丰富的原料,促进塑料加工业蓬勃发展。
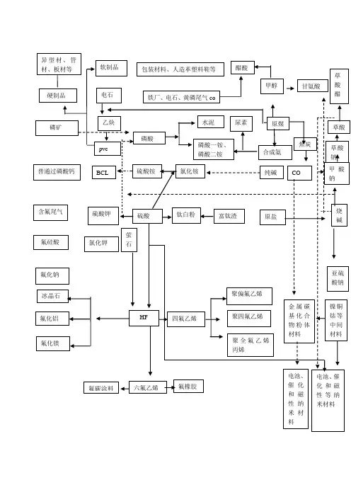
磷酸
异型材、管
材、板材等 硬制品 软制品 包装材料、人造革塑料鞋等
醋酸 磷矿 电石 乙炔
pvc
铁厂、电石、黄磷尾气co
磷酸一铵、磷酸二铵 水泥
尿素
原煤
甲醇 合成氨 甘氨酸
草酸醋
焦炭
草酸 草酸钠 BCL
硫酸铵
冰晶石
氯化铵
纯碱
氟化铝 CO
氟化镁
甲酸钠
HF
普通过磷酸钙
含氟尾气
氟硅酸
四氟乙烯
硫酸钾
聚偏氟乙烯
硫酸
钛白粉
富钛渣 聚四氟乙烯
聚全氟乙烯丙烯
原盐
烧碱
氯化钾
萤石
氟化钠 金属碳基化合物粉体材料
亚硫酸钠
镍铜钴等中间材料 氟碳涂料
六氟乙烯
氟橡胶
电池、催化和磁性纳米材料
电池、催化和磁性等纳米材料。
本文由307450140贡献doc文档可能在WAP端浏览体验不佳。
建议您优先选择TXT,或下载源文件到本机查看。
透视石油石化产业链石油石化行业的地位和作用石油石化是重要的基础产业,它为国民经济的运行提供能源和基础原材料,许多国家都对该领域高度关注。
而原油位于石化产业链的源头,在全球能源消费中占很大比例。
如在 2004 年前后,欧洲和亚洲约为 32%,中东地区高达 53%,中南美洲约 44%,非洲约 41%,北美约 40%。
2008 年,全球每天消费原油大约为 8600 万桶。
全球最大的原油消费国是美国、中国和日本。
石化行业在我国的国民经济中占有相当大的比重。
以 1999 年至 2003 年的平均值计算,中国石化行业工业总产值占全部工业总产值的 14.4%,工业增加值占约 16%,总资产占比约 13%,产品销售收入占比超过 14%,而石化行业工业增加值约占 GDP 的4%。
石化行业的地位不仅体现在其占国民经济的比重上,也体现在其对整个国民经济提供的基础性作用上,其基础性作用和支柱性地位体现在下列三个方面: 1.为生产和生活提供能源。
根据 IEA 的数据:2005 年,在中国的一次能源总需求中,石油占 18.8%,是除煤炭以外最大的能源资源。
我们常用的汽油、煤油、柴油、石脑油、燃料油等都是石油的下游产品。
2.为国民经济发展提供原材料。
石油不但是重要的能源物质,也是化工行业的重要原料。
从上游的石脑油,到中游的各类中间体,以及下游的合成树脂、合成纤维和合成橡胶等,都是石化产业的重要原材料或者产品。
化工领域是个巨大的行业,其产品涉及到人类生活的方方面面。
上至航天航空等高科技产品,下至服装和生活日用品,无一没有化工原料油的身影。
3.支持与促进农业发展。
在农业领域,除农机动力需使用燃料之外,化肥占据了很大的比重。
此外,现代农业大量使用塑料薄膜,推动了农业的发展。
石油石化产业链的构成石油化工是指以石油和天然气为原料,生产石油产品和化工产品的整个加工工业,包括原油和天然气的开采行业和油品的销售行业,是我国的支柱产业之一。
石化产业链图1石油化工产业链1、石油产业链的上中下游基本划分是这样的:上游:勘探、地质数据采集、物探打井、数据分析、钻井采油、输油储运;中游:炼化集输;下游:销售、石油化工。
2、炼化上中下游基本划分上游的产品:原油进入炼油厂,初步提炼可以提炼出汽油、柴油、煤油、重油等等。
中游产品:在经过进一步的裂解之后会产生裂解气和裂解烃,裂解气再进行分解提炼,就能得到乙烯、丙烯等各种烯烃。
裂解烃的下一级产品是苯、甲苯、二甲苯及其各种同型异构体。
下游产品:基本上在得到各种烯烃和苯、甲苯什么的之后就是进行有机合成,短链变长链,就能得到诸如塑料、橡胶、合成树脂一类的产品。
再下一步就是高分子材料的控制成型。
图2原油炼油产业链及催化裂解集团分布3、石脑油进一步裂解图3乙烯裂解产业链图4催化重整与联合芳烃产业链石油馏分(主要是轻质油)通过烃类裂解、裂解气分离可制取乙烯、丙烯、丁二烯等烯烃和苯、甲苯、二甲苯等芳烃,芳烃亦可来自石油轻馏分的催化重整。
石油轻馏分和天然气经蒸汽转化、重油经部分氧化可制取合成气,进而生产合成氨、合成甲醇等。
上述烯烃、芳烃经加工可生产包括合成树脂、合成橡胶、合成纤维等高分子产品及一系列制品,如表面活性剂等精细化学品,因此石油化工的范畴已扩大到高分子化工和精细化工的大部分领域。
图5煤化工产业链图煤化工以煤为原料,经化学加工使煤转化为气体、液体和固体产品或半产品,而后进一步加工成化工、能源产品的工业。
按不同的产品路线可以分为煤制天然气、煤制油、煤制烯烃、煤制醇醚、煤经焦碳制电石、煤制合成氨等。
其中煤焦化、氯碱和合成氨制尿素等都属于传统煤化工。
而煤制天然气、煤制油、煤制烯烃和煤制醇醚类属于新型现代煤化工,是目前比较受关注的领域。
图6PP、PE产业链图PP的直接原料是丙烯、PE的原料是乙烯,乙烯和丙烯上面的源头还是天然气、煤和原油。
下游很是分散,并且还具有相互替代的作用,是聚烯烃研究的难点。
但它们的终端产品距离我们生活并不远,比如快递包装袋,编织袋,塑料薄膜,各种塑料制品,都是生活中常见常用的。
1. PO 环氧丙烷2. MTBE 甲基叔丁基醚3. SBAC 醋酸仲丁酯4. LPG 液化气5. TDI 甲苯二异氰酸酯6. PX 对二甲苯7. OX 邻二甲苯8. DMT 对苯二甲酸二甲酯9. IPA 邻苯二甲酸10. MPON 间苯二腈11. MXDA 间苯二甲胺12. PTA 精对苯二甲酸13. PTMEG 聚四亚甲基乙二醇醚14. PET 聚对苯二甲酸乙二醇酯15. SAN 苯乙烯-丙烯共聚物16. ABS 丙烯腈-丁二烯-苯乙烯共聚物17. PS 聚苯乙烯18. UPR 不饱和树脂19. SBS 苯乙烯系热塑性弹性体20. EPS 发泡聚苯乙烯21. HIPS 高抗冲聚苯乙烯22. GPPS 普通聚苯乙烯23. PC 聚碳酸酯24. MIBK 甲基异丁基(甲)酮25. MMA 甲基丙烯酸甲酯26. PMMA 聚甲基丙烯酸甲酯27. SBR 丁苯橡胶28. AA 己二酸29. PA66 聚己二酰己二胺30. PA6 聚己内酰胺31. TPU 热塑性聚氨酯弹性体橡胶32. BOPA 双向拉伸尼龙薄膜33. MDI 二苯基甲烷二异氰酸酯34. PVC 聚氯乙烯35. EVA 乙烯-醋酸乙烯共聚物36. EO 环氧乙烷37. PP 聚丙烯38. PE 聚乙烯39. M-LLDPE 茂金属聚乙烯40. LDPE 低密度聚乙烯41. LLDPE 线型低密度聚乙烯42. HDPE 高密度聚乙烯43. SAP 高吸收性树脂44. DBP 邻苯二甲酸二丁酯45. DOP 邻苯二甲酸二辛脂46.DOTP 对苯二甲酸二辛酯47. DME 二甲醚48. DMF N,N-二甲基甲酰胺49. DMC 碳酸二甲酯50. CMS 甲烷氯化物51. SCP 甲醇蛋白52. POM 聚甲醛53. BDO 1,4-丁二醇54. PBT 聚对苯二甲酸丁二醇酯55. THF 四氢呋喃56. VAM 醋酸乙烯57. PVA 聚乙烯醇58. VAE 乳液醋酸乙烯-乙烯共聚乳液59. GBL γ-丁内脂60. SIS 苯乙烯-异戊二烯-苯乙烯嵌段共聚物61. SSBR 溶聚丁苯橡胶62. ESBR 乳聚丁苯橡胶63. SEBS 乙烯-丁烯共聚物64. DINP 邻苯二甲酸二异壬脂65. TPEG 异戊烯醇聚氧乙烯醚66. HPEG 异丁烯醇聚氧乙烯醚。
2020石油石化产业链全景解读石油化学工业简称石油化工,是化学工业的重要组成部分,在国民经济的发展中有重要作用,是我国的支柱产业部门之一。
石油化工指以石油和天然气为原料,生产石油产品和石油化工产品的加工工业。
石油产品又称油品,主要包括各种燃料油(汽油、煤油、柴油等)和润滑油以及液化石油气、石油焦碳、石蜡、沥青等。
生产这些产品的加工过程常被称为石油炼制,简称炼油。
石油化工产品以炼油过程提供的原料油进一步化学加工获得。
生产石油化工产品的第一步是对原料油和气(如丙烷、汽油、柴油等)进行裂解,生成以乙烯、丙烯、丁二烯、苯、甲苯、二甲苯为代表的基本化工原料。
第二步是以基本化工原料生产多种有机化工原料(约200种)及合成材料(塑料、合成纤维、合成橡胶)。
这两步产品的生产属于石油化工的范围。
有机化工原料继续加工可制得更多品种的化工产品,习惯上不属于石油化工的范围。
在有些资料中,以天然气、轻汽油、重油为原料合成氨、尿素,甚至制取硝酸也列入石油化工。
石油产品可分为:石油燃料、石油溶剂与化工原料、润滑剂、石蜡、石油沥青、石油焦等6类。
其中,各种燃料产量最大,约占总产量的90%;各种润滑剂品种最多,产量约占5%。
各国都制定了产品标准,以适应生产和使用的需要。
从炼油出发的产业链见图1。
图1石油馏分(主要是轻质油)通过烃类裂解、裂解气分离可制取乙烯、丙烯、丁二烯等烯烃和苯、甲苯、二甲苯等芳烃,芳烃亦可来自石油轻馏分的催化重整。
石油轻馏分和天然气经蒸汽转化、重油经部分氧化可制取合成气,进而生产合成氨、合成甲醇等。
随着科学技术的发展,上述烯烃、芳烃经加工可生产包括合成树脂、合成橡胶、合成纤维等高分子产品及一系列制品,如表面活性剂等精细化学品,因此石油化工的范畴已扩大到高分子化工和精细化工的大部分领域。
其中石脑油进一步裂解产生的产品见图2、图3。
图2图3从烯烃出发,可生产各种醇、酮、醛、酸类及环氧化合物等。
乙烯产业链见图4,丙烯产业链见图5。
化工产业链图谱(一)石油化工产业链(二)氯碱化工循环经济产业链(三)煤化工产业链化工产业龙头企业和招商项目根据省委经济工作会、对外开放会等会议精神要求,为进一步推动全市经济又好又快发展,我市将继续加大招商引资工作力度,提高招商引资的质量和水平,为此结合我市产业特点和优势,并对全国500强化工企业进行了初步筛选,现将情况报告如下:一、龙头企业(一)石油化工企业借助我市化工产业园的集聚优势,充分利用洛阳石化的原料、技术、人才优势,大力开展产业招商活动,延伸石化产业链条,重点发展精细化工、橡塑加工、化纤及新材料加工产业,着力构建循环经济产业链,形成产业结构特征明显、化工企业高度集聚、比较优势突出的国内一流化工园区。
1、中国石化仪征化纤股份有限公司中国石化仪征化纤股份有限公司是中国最大的现代化化纤和化纤原料生产基地之一,是世界第六大聚酯生产商。
主要从事生产及销售聚酯切片和涤纶纤维业务,并生产聚酯原料精对苯二甲酸(“PTA”),经营范围包括化纤及化工产品的生产及销售,原辅材料与纺织机械的生产,纺织技术开发,自产产品运输及技术服务。
规划:“十二五”期间,优化原料采购,努力提升盈利能力,继续扩大PTA生产规模,生产差别化纤,将继续推进10 万吨/年1,4- 丁二醇项目的建设,做好高性能聚乙烯纤维二期项目的启动工作;抓紧完善100 吨/年对位芳纶项目,努力实现长周期稳定运行,提高产品质量,并争取尽快启动千吨级芳纶项目建设。
布局:“十二五”期间,公司在北京、上海、安徽、河南、湖北、浙江等地建设石化生产基地。
董事长:卢立勇地址:江苏省扬州市仪征市真州路22号电话:5联系途径:通过洛阳石化与该企业对接。
2、中国蓝星集团中国蓝星是一家以化工新材料及特种化学品为主导的化工企业,自创立以来,蓝星依靠不断的创新和并购取得了飞速发展,成为中国最成功的化工企业之一。
目前蓝星在全球拥有45个工厂和17家科研机构,业务遍及150个国家和地区,2010年销售收入达456亿元,是中国有机硅、双酚A、特种环氧树脂、彩色显影剂、PPE工程塑料的最大生产商。
最全旳石油化工行业产业链图,从原料到成品一目了然!石化行业生产线长、波及面广,产品众多,从最初旳原油到化工原料再到数不清旳化工产品,通过了众多生产和加工流程。
今天小七带人们熟悉石油化工行业生产链,不仅能让人们更加进一步理解石化生产流程,更让人们懂得我们旳衣食住行是何种化工原料加工而成!接下来小七为人们简介几种最重要旳化工原料!乙烯乙烯是合成纤维、合成橡胶、合成塑料(聚乙烯及聚氯乙烯)、合成乙醇(酒精)旳基本化工原料,也用于制造氯乙烯、苯乙烯、环氧乙烷、醋酸、乙醛、乙醇和炸药等,尚可用作水果和蔬菜旳催熟剂,是一种已证明旳植物激素。
乙烯是世界上产量最大旳化学产品之一,乙烯工业是石油化工产业旳核心,乙烯产品占石化产品旳75%以上,在国民经济中占有重要旳地位。
世界上已将乙烯产量作为衡量一种国家石油化工发展水平旳重要标志之一。
1应用领域工业领域重要用途:乙烯是重要旳有机化工基本原料,重要用于生产聚乙烯、乙丙橡胶、聚氯乙烯等;石油化工最基本原料之一。
在合成材料方面,大量用于生产聚乙烯、氯乙烯及聚氯乙烯,乙苯、苯乙烯及聚苯乙烯以及乙丙橡胶等;在有机合成方面,广泛用于合成乙醇、环氧乙烷及乙二醇、乙醛、乙酸、丙醛、丙酸及其衍生物等多种基本有机合成原料;经卤化,可制氯代乙烯、氯代乙烷、溴代乙烷;经齐聚可制α-烯烃,进而生产高档醇、烷基苯等;重要用作石化公司分析仪器旳原则气;乙烯用作脐橙、蜜桔、香蕉等水果旳环保催熟气体;乙烯用于医药合成、高新材料合成。
生态领域乙烯“三重反映”(triple response of ethylene):①克制茎旳伸长生长;②增进茎和根旳增粗;③增进茎旳横向增长。
用乙烯解决黄化幼苗茎可使茎加粗和叶柄偏上生长。
由于乙烯可以增进RNA和蛋白质旳合成,并可在高等植物体内使细胞膜旳透性增长,加速呼吸作用,因而当果实中乙烯含量增长时,已合成旳生长素又可被植物体内旳酶或外界旳光所分解,进一步增进其中有机物质旳转化,加速成熟。