Visio-工装夹具管理流程
- 格式:pdf
- 大小:92.23 KB
- 文档页数:8
1.0目的:建立和实施工装管理系统,以确保生产过程顺畅,保证产品质量。
2.0范围:适用于公司所有用于生产的可能影响产品质量的工具、模具、治具之管理。
3.0定义:工装:泛指生产所需之工装夹具等生产辅助设施。
4.0职责:4.1工模课:负责模具及生产辅助工装夹具的制造、维修及客户工装接受。
4.2装配课:负责包装吸塑模板的制作、维修、管理及维护保养。
4.3使用单位负责生产工装的日常维护及使用保养。
4.4制作单位负责办理批试合格后工装夹具的移交。
4.5设计课:负责新工装的设计、验收、加工样品验收判定。
4.6总务课:负责工装的购买及外发加工的采购。
5.0绩效指标:5.1工装夹具制造一次合格率 100% 验收合格数/验收总数*100%7.0相关文件:7.1《零星采购管理规定》 7.2《文件与资料管制程序》7.3《产品及过程变更管理规定》 7.4《生产件批准程序》8.0使用表单:8.1新产品(工装夹具)样品制造单 8.2工装夹具制造申请单8.3 试模跟踪表 8.4样品检测报告8.5 工装夹具验收移交确认单 8.6工装夹具履历表8.7工装夹具维修申请表 8.8报废申请表新产品(工装夹具)样品制造单UPC-FM-307-AUPC-FM-308-A试模跟踪表类别:□冲压模□橡胶模□包装模□其它UPC-FM-309-A 样品检测报告测量人:审核:UPC-FM-053-AUPC-FM-311-AUPC-FM-312-A报废申请表原材料□半成品□日一式二联:第一联财务;第二联申请单位UPC-UF-420-A报废申请表NO.原材料□半成品□成品□模具/夹具□其他□年月日一式二联:第一联财务;第二联申请单位UPC-UF-420-A。
工装夹具管理程序文件编号:1 目的规定了生产工装管理的内容和方法,确保工装符合产品生产过程的要求。
2 范围适用于本公司产品所涉及到的工装的管理。
3 定义无4职责4.1 采购课负责选择和确定工装加工单位。
4.2技术部、品管部负责对工装验收。
4.3生产部各课负责工装的维修、保养和管理。
5 程序内容5.1工装计划编制5.1.1技术部根据设计部新产品图纸,将工装纳入新产品试制全过程中。
5.1.2工装计划内容:a..模具 b .CNC加工定位块 C夹具 d. 防油漆盖子 e . 喷涂运输线挂钩 f . 金属制轮圈栈架 g . 热处理篮子5.1.3 由于模具的特殊情况,另制定«模具管理程序»但本程序的一些基本条款同样适合模具的管理。
5.1.4 生产部和技术部根据公司生产经营及新产品开发的需要结合工装的具体使用情况,于每年年底前制定下一年度的工装加工计划,报总经理批准后由财务部落实资金。
5.1.5 因市场变化及其它原因需临时增补工装时,各有关部门应写出报告,经生产部、技术部、财务部审核后报总经理批准后予以增补,并下达通知单。
5.2工装的加工单位选择5.2.1 本公司或本集团内能够加工的工装件(例如CNC加工定位块、防漆盖子、金属制轮圈栈架、喷涂运输线挂钩、热处理篮子等)应尽量在本公司或本集团内加工。
5.2.2 自己不能加工或时间紧迫来不及需外购或外加工的,采购课应会同生产部、技术部、品管部按«采购控制程序»的规定评价和选择工装采购或加工单位。
5.2.3 经评价合格的单位应列入«合格供方名册»,工装必须在合格供方范围的单位加工。
5.2.4 CNC加工定位块由技术部出图纸,根据需要定数量由集团内部加工制作。
5.2.5 防漆盖子、金属制轮圈栈架、喷涂运输线挂钩、热处理篮子等工装由各使用部门或生管课出图纸,根据生产需要定数由集团内部加工制作,或委外加工。
委外加工单位应列入«合格供方名册»。
1.目的:建立工装夹具管理体系,确保工装得到有效地控制和使用,以保证产品质量符合规定的要求。
2.适用范围:适用于本公司产品质量形成过程中所使用的各种工装。
3.定义:工装:试验和生产过程中所使用的工艺装备。
我公司的工装包括:石墨舟、料架、载料条、封合仪、吸盘、梭条、料台、产品周转盒。
4.职责:4.1技术部负责工装夹具需求计划4.2设备部4.2.1 负责工装夹具开发制造4.2.2 负责工装夹具调试4.3采购科负责本部加工能力外的工装外委加工4.4生产部4.4.2 负责频繁使用工装的保管和维护5.控制程序:5.1 提出工装需求5.1.1 新开发产品的工装,需求执行《先期产品质量策划控制程序》。
5.1.2 实验用模具等由技术部实验室根据需要提出工装需求;5.1.3 石墨舟、吸盘、产品周转盒等由生产部使用部门提出工装需求;5.1.4 试验、过程和产品改进所需工装由需用部门根据试验和生产的需要以及工装的库存情况,填写《申请单》提交技术部。
5.2 工装设计设备部接到《请购单》后,对需求的工装进行设计,将工装图纸下发采购科。
5.3 工装采购采购科接到工装图纸后委外制造或购买,并和供方签订采购或委托加工合同,采购科做好工装委外加工或采购进度监控工作,执行《采购管理程序》。
5.4 工装验收5.4.1设备部、品质部负责组织模具、工装、流转夹具等的验收。
5.4.2 外观、尺寸检测:委外制作、购买的工装,采购科向品质部报检。
品质部按照图纸进行检测,尺寸检测合格后,再进行使用验证。
5.4.3 使用验证(针对产品的专用工装):除对工装本身进行尺寸、外观检测外,还需对工装进行使用验证,验证结果合格,通知模具库办理入库登记。
产品专用模具、工装、产品周转盒等由设备部试模,样件和“委托书”一起送品质部检测,品质部检验员将检测结果填入《尺寸检测报告》,反馈产品设计工程师,检测合格的由产品设计工程师填写《试生产启动检查表?通知》,启动试生产执行《试生产管理规定》;不合格的由设备部重新调试或采购科委外修模或重新加工模具。
工装夹具管理作业流程及管理办法1、目的本作业流程规定了工、夹具的采购、制作、登记、领用、回收、报废过程,使工、夹具合理利用提高利用率和生产效率。
2、适用范围适用于生产、检测用工、夹具管理工作。
3、职责3.1 使用部门主管负责申请购买或申请自制工、夹具。
3.2 工、夹具工程师负责设计、制造、维修夹具。
3.3 使用单位负责人负责工、夹具的领用、保管、归还。
3.5 工、夹具管理员负责工、夹具的收/发。
4、定义4.1 工装、夹具:购买或自制的能提高作业效率或方便作业的辅助生产的装置。
5、作业流程5.1工、夹具的采购、制作5.1.1使用部门按《装配作业指导书》及PMC的《生产计划表》的有关要求,制定出所需工、夹具数量、类别并提出需求。
5.1.2常用工具或非常用工具,使用部门开出《工装夹具需求单》经部门主管/经理审核后,交设备科进行确认。
确认须在1日内完成。
经设备科确认可自行制作的工装、夹具。
设备科在需求单上注明完成日期及数量。
交回需求部门。
5.1.3经设备科确认不能自制的工装、夹具,则需求部门填写《月申购单》或《申购单》,经部门主管/经理审核,呈公司总经理核准后,转交采购部购买;5.1.4设备科根据工装、夹具制作的要求,须外购材料的,提出《申购单》并注明购买要求后,交采购部进行采购;5.1.5工装、夹具制作完成后,设备科交使用部门进行确认,使用部门须在4个工作小时内安排对工装、夹具进行试用,并填写《工装、夹具试用记录》。
经试用合格的工装、夹具,则设备科记入《工、夹具一览表》后,填写《入仓单》交仓库入库;经试用不合格的,则设备科根据试用所出现的问题进行改善,必要时,可召集使用部门、研发部、品管部等共同研究解决。
5.1.6使用部门如需领用,由使用单位开《领料单》经部门主管/经理签字后到仓库领用,由仓库根据实际拉线月申购需求发放给申领部门。
5.1.7常用工具以坏换好,由使用单位负责人开出《领料单》,由工、夹具管理员证明、总装经理批准后,使用单位持单和已损坏工具到仓库换领。
工装治具管理规定流程工装治具是指在生产过程中用于夹持、定位、测量和检查产品的专用工具。
为了提高生产效率和产品质量,需要对工装治具进行管理。
以下是一份关于工装治具管理的规定流程,以确保工装治具的有效使用和维护。
一、工装治具管理的目的和范围1.目的:规范工装治具的使用和维护,提高生产效率和产品质量。
2.范围:适用于所有需要使用工装治具的生产线。
二、工装治具库存管理1.建立工装治具清单:建立一份工装治具清单,包括治具名称、编号、规格、状态等信息。
2.定期盘点:定期对工装治具进行盘点,确保库存准确性。
三、工装治具使用流程1.工装治具申请:生产线负责人根据需要填写工装治具申请单,并提交给工装治具管理员。
2.审批工装治具申请:工装治具管理员对申请进行审批,审批通过后才能领取工装治具。
3.领取工装治具:领取工装治具时,需要填写领用登记表,并由领用人员签字确认。
4.使用工装治具:严格按照工装治具使用说明进行使用,不得私自改动或调整。
5.归还工装治具:生产完成后,及时归还工装治具,并填写归还登记表。
6.工装治具维护:使用中发现工装治具损坏或失效,需要及时报修或更换。
四、工装治具维护与保养1.日常保养:每日对工装治具进行检查和清洁,保持良好的工作状态。
2.周期性维护:按照工装治具的使用频率和要求,制定维护计划,并进行周期性的维护和检修。
3.维修记录:对工装治具的维修情况进行记录,包括维修时间、维修内容和维修人员等信息。
五、工装治具报废处理1.报废判定:工装治具管理员对损坏或失效的工装治具进行评估,确定是否报废。
2.报废记录:将报废的工装治具进行登记,包括报废原因和报废日期等信息。
3.报废处理:对报废的工装治具进行处理,包括销毁、回收或重新加工等方式。
六、培训和考核1.培训:对使用工装治具的员工进行培训,包括工装治具的正确使用方法和维护保养等知识。
2.考核:定期对员工进行考核,考核内容包括工装治具使用的规范性和维护保养的情况。
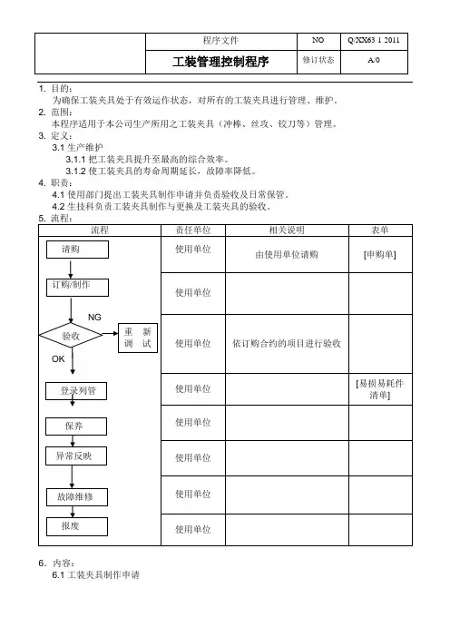
1. 目的:为确保工装夹具处于有效运作状态,对所有的工装夹具进行管理、维护。
2. 范围:本程序适用于本公司生产所用之工装夹具(冲棒、丝攻、铰刀等)管理。
3. 定义:3.1生产维护3.1.1把工装夹具提升至最高的综合效率。
3.1.2使工装夹具的寿命周期延长,故障率降低。
4. 职责:4.1使用部门提出工装夹具制作申请并负责验收及日常保管。
4.2生技科负责工装夹具制作与更换及工装夹具的验收。
6.内容:6.1工装夹具制作申请6.1.1相关部门因生产需要,在以下情形下提出工装夹具制作申请。
①新产品投产时;②工艺更改或订单增加需扩大产能时;③原有工装夹具损坏不可再用时;6.1.2需求部门填写《申购单》,说明申请理由、用途及需要时间,经部门主这确认及厂长签字后交生技科。
6.2工装夹具设计/制作/订购6.2.1生技科负责工装夹具设计,并与需求部门就设计方案达成一致,经确认后购买。
6.3工装夹具验收6.3.1工装夹具到货后,使用单位对其尺寸、外形进行检查,并会同生产技术人员进行验收鉴定。
必要时,因实际应用于产品加工,以检验产品加工后规格是否符合要求。
6.3.2验收合格之工装夹具,由仓库保管。
6.3.3若验收不合格,由退回进行处理。
6.4工装夹具使用6.4.1使用部门领用新的工装夹具时,到仓库进行申请,并指定专人对工装夹具进行保管;6.4.2作业员按规定领用工装夹具并在直属主管指导下正确操作。
使用过程中,作业员不得故意损坏工装夹具,如发现有损坏、变形等异常时,应立即停止生产并报告主管后,通知相关人员处理。
6.4.3每批产品加工完毕后,作业员应将工装夹具做好维护保养工作后置于指定地点。
6.5工装夹具更换/维修6.5.1简单的修理由使用单位自行处理。
6.5.2如使用单位无法自行修理,需要更换时,经部门主管核准后更换,并记录于[易损易耗件更换记录]内。
1. 目的制定本程序,确保公司生产所需之工装夹具管理有所依据。
2. 适用范围本程序适用于公司生产所用之工装夹具管理。
3. 定义:无4. 职责4.1 使用部门提出工装夹具申请单并负责验收与日常管理。
4.2 工程部负责工装夹具制作与维修及客供工装夹具验收。
5. 作业程序5.1 工装夹具制作申请5.1.1 相关部门因生产需要在以下情形下提出工装夹具制作申请:①新产品投产时;②工艺更新或订单增加需扩大产能时;③原有工装夹具损坏不可再用时。
5.1.2 需求部门填写《工装治具需求申请》,说明申请理由、用途及需要时间,经部门经理审核后转工程部设计制作。
5.2 工装夹具设计/制作5.2.1 工程部相关人员负责工装夹具设计,并与需求部门就设计方案达成一致,由工程部经理批准后进行加工制作。
5.2.2 制作人员根据资料填写《材料请购单》进行工装夹具制作。
5.2.3 对于难度较大之公司无法自制工装夹具,可由需求部门提供资料,工程部填写《工装夹具委外申请单》,经总经理核准后委外加工。
5.3 工装夹具验收5.3.1 工装夹具制成后,工程部对其尺寸、外形进行检查,并会同生产技术人员,品管人员进行验收鉴定。
必要时,应实际应用产品加工,以检验产品加工后之规格是否符合要求。
5.3.2 验收合格之工装夹具,由工程部将其编号并在其适当位置贴标签标识后填写《工装夹具验收报告》;如验收不合格时,应将工装夹具退回制作部门或客户重新制作或修改。
5.3.3 工装夹具编号方法:5.4 工装夹具使用5.4.1 使用部门领用新工装夹具时,应于《工装夹具清单》中签收,并指定专人将工装夹具分类保管。
5.4.2 作业员按规定领用工装夹具并在直属主管指导下正确操作。
使用过程中,作业员不得故意损坏工装夹具,如发现有损坏、变形等异常时,应立即停止生产并报告主管后通知工程技术人员处理。
5.4.3 每批产品加工完后,作业员应将工装夹具交直属主管检查,并协助管理人员做好维护保养工作后置于指定地点。
:1.由工程部负责,组织模具部、制I I造部,结合实际操作对方案进行评! *需:审。
:;2.评审合格,则投入制作;否则,;重新进行设计开发和评审,直至卜鱼一'达成一致意见。
1;1.不论内、外部加工,均由模具部、:生技课组织,并对制作的进度负:责。
若委托供方制作,应对其制,[作进度进行监控。
;2.制作完毕后,由生产车间安排;试生产,以验证其适用性。
1I模具、夹具必须存放在通风、无腐蚀的场所,管理员必须经常进行检查和维护保养,如发现没有涂防锈油等现象,应及时给予保养,避免锈蚀,影响精度。
工装夹具模具控制程序作业流程及规定1.工装夹具/模具的设计模具部/生技课2.设计方案评审和人员必须积极配合。
' I! _____________________________________________ J工程部、模具部、制造3.设计图纸定稿模具部/生技课4.制作/试用内部制作/外加工±5.模具/工装夹具验证—品管部/制造部6.生产线使用车间负责人7.贮存/维护/修复模具/夹具管理员XX.QP/7.5-02 B/0由管理员负责,对模具、夹具的使用和维修情况,记录于“模具/夹具履历表”中,作为其更新换代的依制造部生技课工负责提供末检记录数8.使用状态记录模具/夹具库:根据“模具、夹具履历表”中的记;录,及其使用寿命,管理员应及时;编制和实施“更新计划”,确保不影;响正常生产进度。
I I 9.模具/工装夹具更新制造部10.模具/工装夹具报废:应经制造部经理和生产车I:间负责人确认。
注:与本程序相关的所有内容,均由工程部组织。
相关部门和人员必须积极配合。
制造部11.资料归档制造部1.由检验负责对该工装夹具试生产的产品(取样3至5件)进行全尺寸和全性能检验,并对照图纸判断所加工的产品是否合格;将相关检验报告报告工程部主管审批。
2.由工程部根据检验对试制产品的检验结果,确定该工装夹具是否合格。
3.若该工装夹具合格,或被工程部偏差接受,则可交制造部正式投入使用,否则,应重新整改和试制。
XX有限公司文件编号:CK-QP-23 版本:A实施日期:2017-7-29 修改次数:1 次工装夹具管理控制程序受控号:23#归口部门:生产部1.目的1.1规范工装夹具的申请、制作、管理、领取、使用、保养维护及报废过程,有效地控制工装夹具的制作成本,1.2提高工装夹具的利用率,使工装夹具处于良好控制状态,以满足开发和生产的需要。
2.范围适用于全公司所有工装夹具的管理3.术语定义工装夹具:指生产使用的模治具、夹具,辅助工具等4.职责4.1使用部门:负责工装夹具的日常保养和维修的申请、和保管;4.2模具部:负责公司工装夹具的制作,维修和报废后的统一处理;4.3技术部/生产部:负责公司工装夹具的可行性和评价分析,制作和外包申请,使用状态的巡视,维修和报废的确认;4.4品管部/生产部:负责根据技术图纸进行尺寸测量确认。
负责确认使用情况责任部门流程工作内容相关文件与表单申请部门工装夹具申请5.1.1 新品所需的工装夹具,由技术部工程师提出申请、评估由公司制作或委外制作。
《技术联络单》《工装夹具需求表》5.1.2 已制作的工装夹具维修由使用部门提出申请、由部门经理批准后,交由模具部门进行维修5.1.3由相关部门提出申请填写《技术联络单》,再经技术部工程师组织相关人员可行性评估后,进行制作《工装夹具需求表》技术部/生产部/模具部工装夹具的设计、制作5.2.1内部制作的工装夹具由技术部项目工程师组织相关人员进行评估并设计。
由模具部门进行制作、并由技术部确认完成时间。
5.2.2:委外制作的工装夹具由技术部提出委外申请,经总经理批准后进入采购流程。
由技术部门确认工装夹具制作完成时间。
技术部/品管部/模具部确认和验收5.3.1工装夹具制作完成后由技术部项目工程师提供工装夹具验收移交单。
制作部门连同工装夹具送工装管理员处,工装管理员送品管部、生产部进行验收、形成《工装夹具验收移交单》5.3.2外购工装夹具由技术部门提供工装夹具验收单、《工装夹具验收移交单》责任部门流程工作内容相关文件与表单物控部门提供工装图纸给相关项目工程师、工程师将图纸、验收单送工装管理员处,工装管理员送品管部、生产部进行验收连同工装夹具送品管部、生产部进行验收,形成《工装夹具验收移交单》工装图纸技术部/生产部工装夹具使用管理5.4.1验收合格的工装夹具交由使用部门工装管理人员进行保管。
工装夹具管理流程1. 目的1.1 有计划地对工装夹具的设计、制造、保管、使用、鉴定及维护进行全过程的控制,确保工装夹具处于良好的使用状态,以保证产品质量,特制定本流程。
2. 适用范围2.1适用于本公司产品开发及正常生产所需的工装夹具。
3. 职责3.1 技术项目组:负责工装夹具的设计、组织评审。
3.2生产技术部:是工装夹具的归口单位,负责制造、维修、验收及管理,并建立台账,安全保管。
3.3质量管理部:工装鉴定负责工装夹具的验收及周期鉴定。
3.4 生产车间:负责工装夹具的使用、日常维护和临时保管。
3.5 采购部:负责委外工装夹具的采购。
3.6 财务部:负责工装资产的管理、盘点。
4. 流程4.1 工装设计4.1.1 技术项目组根据新产品开发及生产的需要,提出工艺装备清单和技术要求,组织工艺装备的设计工作。
需委外设计加工的工装,技术开发部提供产品接口信息及技术要求。
4.1.2设计人员在规定的时间内完成设计后,组织相关人员对工装可行性进行评审,经工装工程师会签,交总工程师批准。
4.1.3每套工艺装备图纸交技术资料员建立档案,发放、更改、换版、管理具体按照《文件和资料控制程序》相关条款执行。
4.2 制造4.2.1 自制的工艺装备由工装工程师根据技术图纸、生产制造计划、工装制造周期、安全库存编制工装制造计划。
每月5日前下发生产部相关领导。
4.2.2于1个工作日内做好工装下料计划并交采购部分管人员。
4.2.3采购员于3个工作日将所需材料采购回来。
(特殊情况因生产急要的需当天采购到位)4.2.4 工艺装备加工完成后,由制造部门填写“工艺装备检验通知单”,连同工装一起交工装鉴定站进行验证。
4.3 委外制造4.3.1对不具备自行设计和制造能力的工艺装备,由技术项目组填写“工艺装备委外设计、制造/修理申请单”,报主管副总经理批准,由采购部选择、确定合适的制造商,项目工程师评审,应充分考虑对方设计和机械加工能力,关键的工艺装备委外加工需同制造商签定《工艺装备验收技术协议》,并跟踪其设计、制造、检测的质量和进度,将跟踪情况记录于“工艺装备协议跟踪记录表”上。
工装治具管理程序(IATF16949-2016/ISO9001-2015)1.0目的为对工装治具进行有效控制和管理,确保工装在设计、制作、加工、验收、保管、维护、使用以及报废处理等过程中满足产品加工质量要求,特制定本程序。
2.0范围适用本公司所有的工装治具的管理控制。
3.0职责工程部为工装治具的管理部门,负责工装治具设计、制作、验收、保养、报废、建档和维护管理等工作。
生产部为工装治具的使用部门,负责工装治具的领用、日常点检、归还等工作。
4.0作业流程:4.1 工装治具的设计和制作4.1.1 工程部根据产品的功能和外形以及研发提供的工装图纸,选择合适的工装结构和技术参数,并提供PCB样板与工装制作公司衔接,负责完成工装治具的设计。
4.1.2 工程部根据生产、维修和检验的实际需要安排工装治具的委外制作。
4.1.3 委外制作工装治具需填写《设备申购单》,走相应的审批流程。
4.2 测试工装治具的验收和调试4.2.1 工装治具到货后,由工程部对工装治具进行首次验收并根据研发部提供的工装治具接线图纸连接内部线路,校验合格的工装治具,才可投入使用。
4.2.2 为了确保检测结果的有效性和测量准确度,工装治具应在使用的工作环境下校准/调试。
4.2.3 工装治具在正常使用的工作环境下校准/调试符合研发给出的技术要求的为验收合格,合格品才能纳入工装治具管理中去;对于验收不合格工装治具,由工程部负责联系供应商对不合格工装治具进行改进、更换或者退货。
4.3 工装治具的管理4.3.1 工装治具校验合格,工程部应进行测试工装标识、编号登记,记入《设备管理台帐》 。
4.3.2测试工装的命名、编号规则:命名方式:治具类别: 4.3.4工装治具的标贴: 工装标贴范例:省略 4.4 工装治具的使用4.4.1 按照工艺指导的方法正确使用工装夹具,轻拿轻放,不可以私自改装工装夹具。
4.4.2 使用前先按照保养方法进行检查治具,日常点检。
工装管理控制程序(模具、夹具、测具)1.目的本程序规定了对生产所用模具、夹具、测具进行控制管理的方法,确保符合规定要求。
2.适用范围适用于本厂产品所使用的模具、夹具、测具的管理活动。
3.定义工装管理:对模具、夹具、测具进行登录、监控。
4.职责4.1技术开发部开发设计室负责工装图纸的设计及制定各类工装技术标准要求。
4.2生产准备部工具工段负责按工装兰图制造及修理各类工装,保证其技术要求,并负责工装的外委和入库保管。
4.3质量保证部理化计量室负责外购夹具、测具及维修后的夹具、测具的计量检定。
生产准备部工具工段检验员负责本厂自制新模具及维修后的模具的检验。
4.4生产部生产班组负责工装的使用和日常保养。
5.工作程序5.1技术开发部开发设计室根据产品设计图及工艺规程要求设计工装图,由主管部长批准后发晒。
5.2生产准备部工具工段根据工装兰图要求与技术条件制造各类工装。
凡超出工具工段设备加工能力之工装,由工具工段申报主管部长审批后报工厂领导批准外委制造,并将图纸要求和验收标准、CAD数据处理要求和进度计划与被承包方洽谈,提供必要的技术资源,同时负责进度控制和跟踪这些活动的体系。
5.3模具制造完后,由工具工段检验员按模具兰图要求及技术条件进行检验。
5.4夹具、测具制造完后,由质量保证部计量检定员按夹具、测具总图要求及技术条件进行检验。
合格后必须在夹具、测具上涂上天蓝色油漆或合格标签以示检验合格。
5.5工装制造完后必须填写“工装合格证”,经检验合格后加盖检验章。
模具合格证由工具工段库房保管员保存;夹具、测具合格证由质量保证部理化计量室保存。
5.6模具保管员对经检验合格的新模具立即进行编号,填写模具使用履历卡,经试模合格后方可入模具库投入使用。
5.7对于新的/维修过的关键工装及在生产新产品和产品开发更改时须对能力进行调查,能力指数Cmk≥1.67,当发生偏差时,必须采取纠正措施,措施完成后须重新测定工装能力。
5.8工装借用5.8.1生产工人凭工艺规程及工艺流水卡片到模具库借用相应编号模具、夹具、测具并办理借用手续。
工装治具管理制度流程一、引言工装治具是一种用于生产、加工过程中的辅助工具,对于确保产品质量、提高生产效率至关重要。
为了合理使用、维护和管理工装治具,制定一套科学的管理制度流程非常必要。
本文将从工装治具管理流程制定、工装治具准备与保养、工装治具使用和归还等方面进行详细阐述。
二、工装治具管理流程制定1.目标设定:明确工装治具的管理目标和原则,制定合理的标准和制度要求。
包括工装治具的库存量、存放位置和存放方式等。
2.工装治具登记:建立工装治具登记台账,对所有工装治具进行记录,包括工装治具的名称、型号、数量、价值等信息,并做好标识。
3.保养和维护:制定工装治具的定期保养和维护计划,包括清洁、润滑、调整和更换等内容。
同时,建立相应的保养记录,及时发现和处理问题。
4.使用和归还:建立借用申请和归还登记制度,包括借用和归还的手续和流程。
借用工装治具时,在借用人员签字后,核对工装治具的完整性和数量,并在归还时进行相同的核对。
5.报废和损毁处理:对于无法再使用的工装治具,按照规定的程序进行报废处理。
对于损毁或损坏的工装治具,需要进行维修和修复,及时恢复可用状态。
三、工装治具准备与保养1.工装治具准备:在生产计划中提前准备工装治具,并及时安排人员进行核对,确保准备的工装治具完整、数量准确。
2.工装治具清洁:定期进行工装治具的清洁工作,包括清除灰尘、油脂和杂物等。
清洁后需要进行标识和记录,以便于进一步的保养和维护。
3.工装治具润滑:对于需要润滑的工装治具,定期进行润滑工作,确保其正常运转。
在润滑时,应使用合适的润滑材料,并按照要求和标准进行涂抹、喷洒或注入。
四、工装治具使用1.工装治具领用:在开始使用工装治具时,需要按照规定的申请和领用流程进行。
借用人员需填写借用申请单,由相关部门批准后方可领用工装治具。
2.工装治具使用:借用人员在使用工装治具时,应按照规定的使用方法和要求进行操作。
使用中发现问题时需及时上报,并暂停使用,等待处理。
工装夹具管理流程1.目的有计划地对工装夹具的设计、制造、保存、使用、判定及保护进行全过程的控制,保证工装夹具处于优秀的使用状态,以保证产质量量,特拟订本流程。
2.合用范围合用于本企业产品开发及正常生产所需的工装夹具。
3.职责技术项目组:负责工装夹具的设计、组织评审。
生产技术部:是工装夹具的归口单位,负责制造、维修、查收及管理,并成立台账,安全保存。
质量管理部:工装判定负责工装夹具的查收及周期判定。
生产车间:负责工装夹具的使用、平时保护和暂时保存。
采买部:负责委外工装夹具的采买。
财务部:负责工装财产的管理、清点。
4.流程工装设计技术项目组依据新产品开发及生产的需要,提出工艺装备清单和技术要求,组织工艺装备的设计工作。
需委外设计加工的工装,技术开发部供给产品接口信息及技术要求。
设计人员在规定的时间内达成设计后,组织有关人员对工装可行性进行评审,经工装工程师会签,交总工程师同意。
每套工艺装备图纸交技术资料员成立档案,发放、改正、换版、管理详细依据《文件和资料控制程序》有关条款履行。
制造自制的工艺装备由工装工程师依据技术图纸、生产制造计划、工装制造周期、安全库存编制工装制造计划。
每个月5日前下发生产部有关领导。
于1个工作日内做好工装下料计划并交采买部分管人员。
采买员于3个工作日将所需资料采买回来。
(特别状况因生产急要的需当日采买到位)工艺装备加工达成后,由制造部门填写“工艺装备查验通知单”,连同工装一同交工装判定站进行考证。
委外制造对不具备自行设计和制造能力的工艺装备,由技术项目组填写“工艺装备委外设计、制造/维修申请单” ,报主管副总经理同意,由采买部选择、确立适合的制造商,项目工程师评审,应充足考虑对方设计和机械加工能力,重点的工艺装备委外加工需同制造商签订《工艺装备查收技术协议》,并追踪其设计、制造、检测的质量和进度,将追踪状况记录于“工艺装备协议追踪记录表”上。
工艺装备到厂后,由采买部通知工装工程师进行查收,查收的内容:《工艺装备查收技术协议》上的各项条款获得知足:a.包装完满,实物无损害;b.有产品合格证、查验报告;c.附件、备品备件、技术资料(包含全套详尽设计图纸)齐备。
生产设备与工装夹治具管理程序文件编号制/修订部门1.目的:维护公司机器设备正常运转,保障生产顺畅,提高效率,减少故障,延长设备寿命,降低成本,提升产品质量。
2.适用范围:本公司生产生产过程所须要的生产设备、工装夹治具有。
3.名词定义:工装夹治具:在生产加工装配中,为保证产品质量及迅速安装定位工件的工艺装备。
4.权责单位:4.1开发部:负责管理生产线工装夹具的设计、制作;对使用性能建议较低或高精度的工装夹具展开4.2管理部:对工装设备协助外购。
4.3生产部:负责管理对生产设备的日常管理、操作方式和维护保养、工装夹具的请购、环评、证实、领有(筹钱)用派发和看管。
5.作业流程:并无6.作业程序:6.1.须要:生产设备及工装夹具之须依以下情形而的定。
6.1.1根据生产作业计划的需要,配合生产线上工作人数或机器数量预行准备。
6.1.2按照消耗情形配合存量及生产计划及时予以补充。
6.1.3新产品的需要。
6.1.4制造程序的变更。
6.2设计:开发部根据加工和加装工艺建议,设计所须要的工装夹具。
6.3请购、设计、制作:生产所需的生产设备及治具由生产部填写“申请单”,经生产部经理审核、工装夹具由开发文件名称制/修改日期修订记录年月日年月日年月日制/修订部门制/修订日期7版次a/1页次3/4部下属于之工程部经理核准,通告开发部设计、工程部制作或由管理部自制,生产设备由总经理核准后管理部负责管理出售。
6.4环评:工装夹具购进或制造完成后,开发部下属之工程部或管理部通知生产部门验收。
设备购入后,由采购人员和生产部负责对设备的规格、型号、随机附件、工具、使用说明书、设备的精度和性能进行测试和验收,以确保无误。
6.5建档管理:6.5.1对环评合格的工装夹具和生产设备由生产部解锁“夹治具有管理台帐”和“生产设备管制表中”中。
6.5.2对夹治具实行编号管理,每个夹治具均有一个编号和名称、数量、使用状态。
6.6使用及维护:6.6.1车间治身具员跟据生产周计划的机型,提早将有关的工装夹具准备好;领用时治具员必须在“夹治具有出入登记表”备案。