机械设计轴系大作业(最新版)
- 格式:docx
- 大小:99.87 KB
- 文档页数:16
机械设计作业任务书 (1)一、选择材料,确定许用应力 (2)二、按扭转强度估算轴径 (2)三、设计轴的结构 (2)轴段1和轴段7 (3)轴段2和轴段6 (3)轴段3和轴段5 (3)轴段4 (3)轴承座宽与轴段2、6的长度 (4)键槽 (4)四、轴的受力分析 (4)画轴的受力简图 (4)计算支承反力 (4)画弯矩图 (5)画转矩图 (6)五、校核轴的强度 (6)按弯扭合成强度计算 (7)轴的安全系数校核计算 (7)六、校核键连接的强度 (9)七、校核轴承的寿命 (9)计算当量动载荷 (9)校核寿命 (10)八、轴上其他零件设计 (10)键 (10)密封用毛毡圈 (10)两侧轴端挡板 (11)大带轮 (11)小齿轮 (11)九、轴承座及轴承端盖结构设计 (11)轴承座 (11)轴承端盖(透盖) (12)十、参考文献 (12)哈尔滨工业大学机械设计作业任务书题目:带式运输机结构简图见下图:原始数据如下:机器工作平稳,单向回转,成批生产方案Pm (KW)«m(r/min)"”什/min)k轴承座中心高H(mm)最短工作年限L工作环境537108021703年3班室内清洁选择材料,确定许用应力通过已知条件和查阅相关的设计手册得知,该传动机所传递的功率属于中小 型功率。
因此轴所承受的扭矩不大。
故选择45号钢,并进行调质处理。
(由于 45号钢成本适中,且经过调质处理后,可提高其综合性能,所以选为本轴的制 作材料。
)二、按扭转强度估算轴径对于转轴,按扭转强度初算直径:c/min > C \ ",”其中P 2——轴传递的功率,P =^,X77()1 = 3x0.95 = 2.85kW n m --- 轴的转速,r/minC ——由许用扭转剪应力确定的系数。
查表10.2得0106〜118,考虑轴端 弯矩比转矩小,取C=106o由于考虑到轴的最小直径处要安装大带轮,会有键槽存在,故将其扩大5%, 得 d k > 22.6474〃"”,按标准 GB2822-81 的 7?10 圆整后取 d l = 25mm三、设计轴的结构由于本设计中的轴需要安装带轮、齿轮、轴承等不同的零件,并且各处受力 不同,因此,设计成阶梯轴形式,共分为七段。
第8章 轴作业:8-1指出图中轴的结构有哪些不合理的地方,并改正之。
8-2某二级展开式齿轮减速器的中间轴,其结构尺寸、弯矩图和转矩图如图所示,轴材料为45钢调质,轴表面车光,表面粗糙度 R a =1.6 μm,单向转动,载荷稍有波动。
要求:按弯扭合成的强度条件校核轴的强度。
81000 N· m第8章 轴作业答案:8-1参考答案8-2某二级展开式齿轮减速器的中间轴,其结构尺寸、弯矩图和转矩图如图所示,轴材料为45钢调质,轴表面车光,表面粗糙度 R a =1.6 μm,单向转动,载荷稍有波动。
要求:按弯扭合成的强度条件校核轴的强度。
参考答案解:(1)求计算弯矩、画计算弯矩图求计算弯矩,转矩按脉动循环变化处理,即 α ≈0.6。
在B 点左边 mmN M M B caB ⋅==7350011在B 点右边mm N T M M B caB ⋅=⨯+=+=119247810006.077000)(222222)(α在C 点左边mm N T M M C caC ⋅=⨯+=+=95341810006.058000)(222211)(α在C 点右边 mmN M M C caC ⋅==5910022计算弯矩图见图(d)。
81000 N· m(a)(b)A AB C D(2)按计算弯矩校核轴的强度由图(d)可知,截面B 右侧计算弯矩最大,故为危险截面。
B 剖面的计算应力为MPa 2.44301.011924732=⨯==W M caB ca σ查表8-3,按照45钢调质637=B σ差值,得到MPa 7.58)5565(60070060063755][1=-⨯--+=-b σ1][-≤b ca σσ所以安全。
81000 N· m (c)73500N.mm 119247N.mm95341N.mm59100N.mm(d)。
Harbin Institute of Technology机械设计大作业题目:轴系部件设计院系:机电工程学院班级:指导老师:姓名:学号:©哈尔滨工业大学目录一、材料选择 (3)二、初算轴径 (4)三、轴系结构设计 (4)3.1轴承部件的结构型式及主要尺寸 (4)3.2及轴向固定方式 (4)3.3选择滚动轴承类型 (4)3.4 轴的结构设计 (5)3.5 键连接设计 (5)四、轴的受力分析 (6)4.1 画出轴的结构和受力简图 (6)4.2 计算支承反力 (6)4.3 画出弯矩图 (7)4.4 画出扭矩图 (7)五、校核轴的强度 (8)六、校核键连接强度 (9)七、校核轴承寿命 (9)7.1 当量动载荷 (9)7.2 校核轴承寿命 (9)八、轴上的其他零件 (10)8.1 毡圈 (10)8.2 两侧挡油板 (10)8.3 轴承端盖螺钉连接 (10)九、轴承端盖设计 (10)9.1 透盖 (10)9.2 轴承封闭端盖 (10)十、轴承座 (10)十一、参考文献 (11)轴系部件设计任务书题目: 设计绞车(带棘轮制动器)中的齿轮传动高速轴轴系部件结构简图见下图:。
原始数据如下:室内工作、工作平稳、机器成批生产一、材料选择通过已知条件和查阅相关的设计手册得知,该传动机所传递的功率属于中小型功率。
因此轴所承受的扭矩不大。
故选45号钢,并进行调质处理。
二、初算轴径对于转轴,按扭转强度初算直径:min d C ≥其中2P ——轴传递的功率,=2 3.0P KW m n ——轴的转速,r/min ,296.5/min m n r =C ——由许用扭转剪应力确定的系数。
查表10.2得C=106~118,考虑轴端弯矩比转矩小,取C=106。
≥=⨯=min d 10622.93Cmm由于考虑到轴的最小直径处要安装大带轮,会有键槽存在,故将其扩大5%,得min d 1.0524.07k d mm ≥⨯=,按标准GB2822-81的10R 圆整后取125=d mm 。
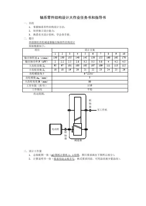
轴系零件结构设计大作业任务书和指导书一.目的1. 掌握轴系零件结构设计方法; 2. 培养独立设计能力;3. 熟悉有关设计资料,学会查手册。
二.题目单级圆柱齿轮减速器输出轴部件结构设计 原始数据如下:设计方案 项目1 2 3 4 5 6 7 8 9 10 输出轴转速n (r/min ) 130 130135140145150155160 165 170输出轴功率P (kW )2 2.22.5 2.83.2 3.5 3.8 44.2 4.5大齿轮齿数Z 2 95 97 101103105107109111 113 115小齿轮齿数Z 118 18 19 20 21 22 23 24 25 26齿轮螺旋角β 9 022'35″齿轮模数m n (mm )3 大齿轮宽度B (mm ) 80 工作年限(班/年)1/10 工作情况 平稳传动简图:三.设计工作量1. 总装配图一张(A2图纸计算机1:1绘图,图只要求画出下图所示部分); 2. 计算说明书一份(要求用论文纸手写,格式要求同前,可用涂改液少量涂改)。
减速器四.计算内容1.选择轴的材料及热处理方法2.按扭转强度初算轴的直径3.轴的结构设计(1) 选择联轴器(HL或TL型,要求写出标记)(2) 选择轴承(要求列出轴承各主要参数)(3) 画出轴系结构图(含轴上零件,用铅笔、直尺作图)(4) 简要说明各轴段直径的推导过程并在图上标出各直径(5) 计算跨距(要求图与文字结合写出推导过程)4.按弯扭合成强度条件校核轴的强度(要求受力简图、弯矩图及扭矩图对齐)5.滚动轴承寿命计算及轴承装置设计(寿命计算要求画出必要的示意图)6.键的选择和强度计算(要求写出标记)7.大齿轮结构设计(参考《图册》74页图2(1),要求用铅笔、直尺画出齿轮结构并注明主要尺寸)参考文献:1.吴宗泽罗圣国.机械设计课程设计手册.高等教育出版社2.濮良贵纪名刚.机械设计(第七版). 高等教育出版社.3.龚桂义潘沛霖等. 机械设计课程设计图册. 高等教育出版社。
哈尔滨工业大学机械设计作业设计计算说明书题目: 轴系部件设计系别: 英才学院班号: 1436005姓名: 刘璐日期: .11.12哈尔滨工业大学机械设计作业任务书题目: 轴系部件设计设计原始数据:图1表 1 带式运输机中V带传动已知数据方案dP(KW)(/min)mn r(/min)wn r1i轴承座中心高H(mm)最短工作年限L工作环境5.1.2496010021803年3班室外有尘机器工作平稳、单向回转、成批生产目录一、带轮及齿轮数据 (1)二、选择轴材料 (1)三、初算轴径d min (1)四、结构设计 (2)1. 确定轴承部件机体结构形式及关键尺寸 (2)2. 确定轴轴向固定方法..................................................................................... 错误!未定义书签。
3. 选择滚动轴承类型, 并确定润滑、密封方法 ...................................... 错误!未定义书签。
4. 轴结构设计 ....................................................................................................... 错误!未定义书签。
五、轴受力分析 (4)1. 画轴受力简图 (4)2. 计算支承反力 (4)3. 画弯矩图 (5)4. 画扭矩图 (5)六、校核轴强度 (5)七、校核键连接强度 (7)八、校核轴承寿命 (8)1. 计算轴承轴向力 (8)2. 计算当量动载荷 (8)3. 校核轴承寿命 (8)九、绘制轴系部件装配图(图纸) (9)十、参考文件 (9)一、 带轮及齿轮数据已知带传动输出轴功率 P = 3.84 kW , 转矩 T = 97333.33 N·mm , 转速 n = 480 r/min , 轴上压力Q = 705.23 N , 因为原本圆柱直齿轮尺寸不满足强度校核, 故修改齿轮尺寸为分度圆直径d 1 =96.000 mm , 其它尺寸齿宽b 1 = 35 mm , 螺旋角β = 0°, 圆周力 F t = 2433.33 N , 径向力 F r = 885.66 N , 法向力 F n = 2589.50 N , 载荷变动小, 单向转动。
Harbin Institute of Technology机械设计大作业设计题目: 院 班 姓 学 时 系: 级: 名: 号: 间:轴系部件设计 英才学院2012.12.05哈尔滨工业大学方案 5.2.2 3nm (r / min)710nw (r / min)80i12.4轴承座中 心高 H/mm 200最短工作 年限 5年2班工作环境 室内潮湿一、选择轴的材料因传递功率小,扭矩小,机器工作平稳,单向回转,可选择 45 号钢并调质处理。
二初算轴径对于转轴,按扭转强度初算直径式中P——轴传递的功率; C——由许用扭转切应力确定的系数; n——轴的转速,r/min。
, 因弯矩比转矩小, 且齿轮装在悬伸端, 应取较小值, C由[1] 中表 9.4 查得 可取。
输出轴所传递的功率:输出轴的转速:代入数据,得考虑键的影响,将轴径扩大 5%,。
三结构设计1. 确定轴承部件机体结构形式及主要尺寸为方便轴承部件的装拆,机体采用剖分式结构。
取机体的铸造壁厚 δ=9mm,机体上轴 承旁连接螺栓直径 ,装拆螺栓所需要的扳手空间 ,故轴承座内壁至座孔外端面距离 ,取 L=49 mm。
2.确定轴的轴向固定方式因为轴的跨度不大,且工作温度变化不大,故轴的轴向固定采用两端固定方式。
3.选择滚动轴承类型,并确定其润滑与密封方式因为轴受轴向力作用,故选用角接触球轴承支承。
因为齿轮在机体外侧,无油滴飞溅, 故滚动轴承采用脂润滑。
因采用脂润滑,故选用毛毡圈密封。
4.轴的结构设计本方案有 7 个轴段的阶梯轴。
由最小直径得 带轮、齿轮倒角为 1.5mm,所以 因此 ,取要 和 轴 承 配 合 , 查 [2] 中 表 12.2 , 初 选 轴 承 7208C , 其 基 本 尺 寸 是 :。
因此采用凸缘式轴承盖,其凸缘厚度,。
为避免齿轮轮毂端面与轴承盖连接螺栓头相碰,并便于轴承盖上螺栓的装拆,齿轮轮毂端面与轴承盖间应有足够的 间距 K,取轴段①的长度。
一、设计题目设计带式运输机中的齿轮传动:带式运输机的传动方案如下图所示,机器运行平稳、单向回转、成批生产,其他数据参见下方表格。
二、选择齿轮材料、热处理方式、精度等级考虑到带式运输机为一般机械,且仅有一级齿轮减速传动,故大、小齿轮均选用40Cr 合金钢,调质处理,采用软齿面。
大小齿面硬度为241~286HBW,平均硬度264HBW。
由要求,该齿轮传动按8级精度设计。
三、初步计算传动主要尺寸本装置的齿轮传动为采用软齿面开式传动,齿面磨损是其主要失效形式。
其设计准则按齿根疲劳强度进行设计,并考虑磨损的影响将模数增大10%~15%。
齿根弯曲疲劳强度设计公式;m≥2KT1ϕd z12∙Y F Y s Yε[σ]F 3式中Y F——齿形系数,反映了轮齿几何形状对齿根弯曲应力σF的影响。
Y s——应力修正系数,用以考虑齿根过度圆角处的应力集中和除弯曲应力以外的其它应力对齿根应力的影响。
Yε——重合度系数,是将全部载荷作用于齿顶时的齿根应力折算为载荷作用于单对齿啮合区上界点时的齿根应力系数。
[σ]F——许用齿根弯曲应力。
1.小齿轮传递的转矩T1=9.55×106×P1 n1p1=η1η2P d根据参考文献[2]表9.1,取η1=0.96,η2=0.97。
由此P1=η1η2P d=0.96×0.97×3=2.7936KWT1=9.55×106×P1n1=9.55×106×2.79369602=55581N∙mm2.齿数Z的初步确定为了避免根切,选小齿轮z1=17,设计要求中齿轮传动比i=n1n w =960/2110=4.3636,故z2=i×z1=4.3636×17=74.1818,取z2=75。
此时的传动比误差为ε=i−i0×100%=4.3636−75/17×100%=1.1%<5%满足误差要求,故可用。
Harbin Institute of Technology轴系部件设计说明书课程名称:机械设计题目:轴系部件设计5.2.2院系:机电工程学院班级:设计者:学号:指导教师:设计时间:哈尔滨工业大学哈尔滨工业大学机械设计作业任务书题目:轴系部件设计5.2.2设计原始数据:液体搅拌机的传动装置如图1所示,机器工作平稳、单向回转、成批生产,其他数据见表1。
图1 液体搅拌机传动装置表1 液体搅拌机V带传动的已知数据目录一、选择轴的材料 (4)二、初算轴颈 (4)三、结构设计 (4)四、轴的受力分析 (6)五、校核轴的强度 (8)六、校核键连接的强度 (8)七、校核轴承寿命 (8)八、轴承端盖设计 (9)九、轴承座结构设计 (9)十、参考文献 (9)一、选择轴的材料因传递的功率不大,且对质量和尺寸无特殊要求,故选择常用材料45钢,调质处理。
二、初算轴颈按照扭转强度条件初算轴的最小直径,式中d——轴的直径;τ——轴剖面中最大扭转剪应力,MPa;P——轴传递的功率,kW;n——轴的转速,r/min;[]τ——许用扭转剪应力,MPa;C——由许用扭转剪应力确定的系数;轴的材料初定为45号钢,根据参考文献[1]表9.4查得C=118~106,考虑轴端弯矩比转矩小,取C=106。
根据参考文献[2]表9.1,取,,代入上式,得所以本方案中,轴颈上有一个键槽,应将轴径增大5%,即按照GB2822-81的系列圆整,取d=25mm 。
三、结构设计(一)确定轴承部件机体的结构形式及主要尺寸为方便轴承部件的拆卸,轴件机体采用整体式结构,轴的草图如图一,取机体的铸造壁厚,机体上轴承旁连接螺栓直径连接螺栓直径,装拆螺栓所需要的扳手空间,故轴承座内壁至座孔外端面距离,取。
1243567图一轴的草图(二)确定轴的轴向固定方式因传递功率小,齿轮减速器效率高、发热小,输出轴的跨距不大,故轴承部件的固定方式可采用两端固定方式。
(三)选择滚动轴承类型,并确定润滑与密封方式因轴承所受轴向力很小,选用深沟球轴承,因为齿轮的线速度,采用油脂对轴承润滑。
机械设计大作业题目
1.机械设计现代设计方法在机械设计中的应用:要求应用一种或多种现代设计方法于具体的设计中。
2.剪式千斤顶的设计:要求有三维模型,二维装配图、零件图和设计说明书。
3.用有限元的方法进行螺栓组的强度计算。
4.列举一个胀紧连接或型面连接在机器中的具体应用,并建立其三维模型。
5.CVT无级变速器工作原理:要求用三维模型说明,最好能有动画说明。
6.变速自行车的变速原理及换挡装置:要求用三维模型说明,最好能有动画说明。
7.齿轮三维参数化建模:输入参数即可生成三维模型。
8.齿轮轮齿齿根弯曲应力或齿面接触应力的有限元分析。
9.齿轮轮齿修形分析和研究或优化设计。
10.直齿锥齿轮的加工方法及直齿锥齿轮的三维建模。
11.滑动轴承的具体应用实例:要求写出六个以上不同原因的应用实例,附图片说明。
哈尔滨工业大学机械设计大作业5轴系部件5.1.1Harbin Institute of Technology机械设计大作业说明书轴系部件设计课程名称:机械设计设计题目:轴系部件设计院系:能源科学与工程学院班级:1202101班设计者:滕令凯指导教师:***学号:**********设计时间:2014-12-02哈尔滨工业大学目录机械设计作业任务书................................................................ - 1 -1选择材料,确定许用应力..................................................... - 3 -2按扭转强度估算轴径............................................................. - 3 -3设计轴的结构......................................................................... - 4 -4轴的受力分析......................................................................... - 7 -4.1画轴的受力简图 ...................................................... - 7 -4.2计算支承反力 .......................................................... - 7 -4.3画弯矩图 .................................................................. - 8 -4.4画转矩图 .................................................................. - 9 -5校核轴的强度......................................................................... - 9 -6轴的安全系数校核计算....................................................... - 11 -7校核键连接的强度............................................................... - 13 -8校核轴承的寿命................................................................... - 14 -8.1计算当量动载荷 .................................................... - 14 -8.2校核寿命 ................................................................ - 14 -9轴上其他零件设计............................................................... - 15 -10轴承座结构设计................................................................. - 16 -11轴承端盖(透盖)............................................................. - 16 -12参考文献............................................................................. - 16 -哈尔滨工业大学机械设计大作业任务书题目 ___轴系部件设计___ 设计原始数据:传动方案如图5.1图5.11选择材料,确定许用应力通过已知条件和查阅相关的设计手册得知,该传动机所传递的功率属于中小型功率。
轴系部件设计计算说明书学院(系):机械工程与自动化学院专业:机械工程及自动化学院班:机械1209设计者:鲍涛(20123067)指导老师:闫玉涛2014 年 12 月13日东北大学目录一、设计任务书及原始数据 (1)二、根据已知条件计算传动件的作用力 (2)2.1计算齿轮处转矩T、圆周力Ft及径向力Fr (2)2.2计算支座反力 (2)三、初选轴的材料,确定材料的机械性能 (3)四、进行轴的结构设计 (3)4.1确定最小直径 (4)4.2设计其余各轴段的直径和长度,且初选轴承型号 (4)4.3选择连接形式与设计细部结构 (5)五、轴的疲劳强度校核 (5)5.1轴的受力图 (5)5.2绘制弯矩图 (6)5.3绘制转矩图 (7)5.4确定危险截面 (8)5.5计算安全系数,校核轴的疲劳强度 (8)六、选择轴承型号,计算轴承寿命 (13)6.1计算轴承所受支反力 (13)6.2计算轴承寿命 (14)七、键连接的计算 (14)八、轴系部件的结构装配图 (14)一、设计任务书及原始数据题目:一级直齿圆柱齿轮减速器输入轴组合结构设计轴系结构简图带轮受力分析简图原始数据见表1传动件计算结果T=36836NF t=1169.4NF r=425.6N理(ΣM z=0)得出求解b点垂直面支反力R bz的计算公式:R bz=F r/2代入圆周力F t的值,得:R bz=425.6/2=212.8N根据垂直面受力平衡原理(ΣF z=0),得出d点垂直面支反力R dz的计算公式:R dz=F r-R bz带入以求得的b点垂直面支反力的值R bz,得:R dz=425.6-212.8=212.8N2、计算水平面(XOY)支反力根据受力分析图,我们可以利用水平面力矩平衡原理(ΣM y=0)得出求解d点水平面支反力R dy的计算公式:R dy=(Q•s+F t•l/2)/l代入径向力F r与a点带传动轴压力Q的值,得:R dy=(900×100+1169.4×160/2)/160 =1147.2N根据水平面受力平衡原理(ΣF y=0),得出求解b点水平面支反力R by的计算公式:R by=F t-Q-R dy带入d点水平力支反力R dy的值,得:R by=1169.4-900-1147.2=-877.8N三、初选轴的材料,确定材料的机械性能支座反力计算结果R bz=212.8NR dz=212.8NR dy=1147.2NR by=-877.8N四、进行轴的结构设计4.1确定最小直径按照扭转强度条件计算轴的最小值d min。
其设计公式为:d≥[9550×103P/(0.2[τT]n)]1/3=A0(P/n)1/3查《机械设计》中表8-2(P191),得由轴的材料及承载情况确定的系数A0=118~107,由于轴既受转矩作用又受弯矩作用,且弯矩大小未知,故初选大值,选定A0=118。
将数据轴输入功率P=2.7kW,转速n=700r/(min)带入公式中,得:d min=118×(2.7/700)1/3=18.5mm由于轴上开有键槽,轴径增大5%,得:D=1.05×d min=1.05×18.5=19.43mm圆整成标准值,得:D1=25mm4.2设计其余各轴段的直径和长度,且初选轴承型号1、设计直径考虑轴上零件的固定、装拆及加工工艺要求。
首先考虑轴承的选型,其直径末尾数必须为0、5;且为了便于计算,故D3初取40mm。
考虑带轮及轴承b的固定,故D2取35mm。
由于齿轮左端由轴套固定,故D4取42mm。
综合考虑轴承d的左端固定,轴承b、d取同一型号及齿轮的右端固定,将D5、D6、D7分别取50mm、46mm、40mm。
2、设计各个轴段长度先考虑齿轮的装拆及左端定位,故L4取78mm;再考虑最右端轴承d的固定以及装拆,L7取20mm;考虑带轮的宽度B=L=50mm,L1取47mm;在根据轴承b与齿轮c的相对位置及轴承b右端固定,L3取53mm;考虑带轮与轴承b之间的相对位置及轴承b的左端固定,L2取64mm;考虑齿轮右端的固定及轴环强度问题,L5取8mm;考虑齿轮c与轴承d之间的相对位置以及轴环长度,L6取23mm。
3、轴的初步结构设计图最小直径计算结果d min=18.5mmD=19.43mmD1=25mm各段轴轴径与长度D1=25mmL1=47mmD2=35mmL2=64mmD3=40mmL3=53mmD4=42mmL4=78mmD5=50mmL5=8mmD6=46mmL6=23mmD7=40mmL7=20mm轴的初步结构设计图4、初选轴承型号根据轴承b、d处的轴段直径D3=D7=40mm,查《机械设计课程设计》中表4.6-1(P142)初选轴承型号为6208的深沟球轴承。
4.3选择连接形式与设计细部结构1、选择连接形式连接形式主要是指带轮与齿轮的周向固定:初步选择利用键连接以固定带轮与齿轮。
而键型号依据带轮处与齿轮处轴径大小D1、D4分别为25mm、42mm,查《机械设计课程设计》中表4.5-1(P137)初选带轮处键的公称尺寸为8×7,而键长L1初取32mm;初选齿轮处键的公称尺寸为12×8,键长L2初取63mm。
2、设计细部结构轴的详细结构图五、轴的疲劳强度校核5.1轴的受力图轴的受力图轴承型号6208GB/T276-94平键尺寸带轮处:8×7×32 齿轮处:12×8×635.2绘制弯矩图1、垂直面弯矩图依据受力分析图分析易得:在垂直面(XOZ)平面,a-b处弯矩为零,而c点处弯矩最大,且由于无外加弯矩作用,根据《材料力学》中的理论得,c点左右弯矩相等。
计算公式:M cz=R bz•l/2=R dz•l/2带入说明书 2.2中已经计算得出的垂直面支反力R bz、R dz数据,得:c点垂直面弯矩M cz=212.8×160/2=17024N•mm垂直面弯矩图2、水平面弯矩图依据受力分析图分析易得:在水平面(XOY)平面,由于无外加弯矩作用,根据《材料力学》中的理论得,b、c点左右弯矩相等。
计算公式:M by=-Q•s=F t•l/2-R dy•lM cy=-R dy•l/2=-Q•(s+l/2)+R by•l/2带入说明书2.2中已经计算得出的水平面支反力Q、F t、R by、R dy数据,得:b点水平面弯矩M by=-900×100=1169.4×160/2-1147.2×160 =-90000N•mmc点水平弯矩M cy=-1147.2×160/2=-900×(100+160/2)+(-877.8)×160/2=-91776N•mm 垂直面弯矩计算结果M cz=17024N•mm水平弯矩计算结果M by=-90.000N•m M cy=-91.776N•m水平面弯矩图3、合成弯矩图依据上面两个步骤求得的水平面及垂直面弯矩,进行合成。
计算公式:M=(M z2+M y2)1/2带入数据M by、M cy、M cz的值,得:b点合成弯矩M b=[02+(-90000)2]1/2=90000N•mmc点合成弯矩M c=[170242+(-91776)2]1/2=93342N•mm合成弯矩图5.3绘制转矩图根据《材料力学》的理论分析以及轴的受力分析图可以得出,在a-b-c轴段上转矩相同,在c-d轴段上,没有转矩。
故可依据说明书2.1中所计算得出的转矩T,绘制出转矩图。
合成弯矩计算结果M b=90000N•mm M c=93342N•mm作用转矩图5.4确定危险截面截面标号图通过对轴上零件的受力分析,绘制弯矩及转矩图,并且综合考虑轴径大小以及键槽、圆角等因素对轴的应力的影响,最终确定了四个危险截面。
其中C截面处计算弯矩最大,且开有键槽会造成应力集中;Ⅲ截面处计算弯矩较大,且其截面积较C处小;A1截面处虽然计算弯矩不大,但其截面处开有键槽且截面积最小;Ⅰ截面处计算弯矩较A1截面大,且截面处有圆角产生应力集中,但其截面积较A1大一些。
5.5计算安全系数,校核轴的疲劳强度1、计算C截面处的安全系数计算抗弯模量与抗扭模量计算公式:W=πd3/32-bt(d-t)2/2dW T=πd3/16-bt(d-t)2/2d将查表查得的d、b、t值代入公式中,得:抗弯模量W=3.14×423/32-12×5×(42-5)2/2×42 =6292mm3抗扭模量W T=3.14×423/16-12×5×(42-5)2/2×42=13592mm3计算弯曲应力将弯曲应力看成对称循环应力求解,则计算公式为:σa=σmax=M C/Wσm=0将C截面对应的计算弯矩M C代入公式中,得:弯曲应力幅σa=σmax=93342/6292=14.8MPa平均弯曲应力σm=0MPa计算扭转切应力将扭转切应力看作脉动循环应力求解,则计算公式为:τa=τT/2=T/2W Tτm=τa将C截面处对应的作用扭矩T代入公式中,得:扭转应力幅τa=36836/2×13562=1.36MPa平均扭转应力τm=1.36MPa按疲劳强度计算安全系数计算公式为:Sσ=σ-1/(Kσσa/βεσ+ψσσm)Sτ=τ-1/(Kττa/βετ+ψστm)将综合影响系数、上两步解得的弯曲应力幅σa、平均弯曲应力σm、扭转应力幅τa、平均扭转应力τm与说明书第三部分所查得的σ-1、τ-1带入对应公式中,得:Sσ=268/(1.81×14.8/0.94×0.84+0.34×0)=7.90Sτ=155/(1.60×1.36/0.94×0.78+0.21×1.36)=47.6综合安全系数S ca= SσSτ/(Sσ2+Sτ2)1/2=7.90×47.6/(7.902+47.62)1/2=7.79 抗弯模量计算结果W=6292mm3抗扭模量计算结果W T=13592mm3弯曲应力计算结果σa=14.8MPaσm=0MPa扭转应力计算结果τa=1.36MPaτm=1.36MPa安全系数计算结果Sσ=7.90Sτ=47.6S ca=7.792、计算Ⅲ截面处的安全系数计算抗弯模量与抗扭模量计算公式:W=πd3/32W T=πd3/16将查表查得的d值代入公式中,得:抗弯模量W=3.14×403/32=6400mm3抗扭模量W T=3.14×403/16=12800mm3计算弯曲应力将弯曲应力看成对称循环应力求解,则计算公式为:σa=σmax=MⅢ/Wσm=0计算Ⅲ截面对应的计算弯矩计算公式:MⅢ=2(M C-M B)[l/2-(L4-B/2)]/l+M B将合成弯矩图中对应值以及轴的结构设计图中对应长度值带入公式中,得:MⅢ=2×(93342-90000)[80/2-(78-80/2)]/80+90000=91754.6N•mm将Ⅲ截面对应的计算弯矩MⅢ代入公式中,得:弯曲应力幅σa=σmax=91754.6/6400=14.3MPa平均弯曲应力σm=0MPa计算扭转切应力将扭转切应力看作脉动循环应力求解,则计算公式为:τa=τT/2=T/2W Tτm=τa将Ⅲ截面处对应的作用扭矩T代入公式中,得:扭转应力幅τa=36836/2×12800=1.44MPa平均扭转应力τm=1.44MPa按疲劳强度计算安全系数计算公式为:抗弯模量计算结果W=6400mm3抗扭模量计算结果W T=12800mm3Ⅲ截面弯矩计算结果MⅢ=91754.6N•mm 弯曲应力计算结果σa=14.3MPaσm=0MPa扭转应力计算结果τa=1.44MPaτm=1.44MPaSσ=σ-1/(Kσσa/βεσ+ψσσm)Sτ=τ-1/(Kττa/βετ+ψστm)将综合影响系数、上两步解得的弯曲应力幅σa、平均弯曲应力σm、扭转应力幅τa、平均扭转应力τm与说明书第三部分所查得的σ-1、τ-1带入对应公式中,得:Sσ=268/(1.58×14.3/0.94×0.88+0.34×0)=9.81Sτ=155/(1.40×1.44/0.94×0.78+0.21×1.44)=52.5综合安全系数S ca= SσSτ/(Sσ2+Sτ2)1/2=9.81×52.5/(9.812+52.52)1/2=9.643、计算A1截面处的安全系数计算抗弯模量与抗扭模量计算公式:W=πd3/32-bt(d-t)2/2dW T=πd3/16-bt(d-t)2/2d将查表查得的d、b、t值代入公式中,得:抗弯模量W=3.14×253/32-8×4×(25-4)2/2×25=1251mm3抗扭模量W T=3.14×253/16-8×4×(25-4)2/2×25=2784mm3计算弯曲应力将弯曲应力看成对称循环应力求解,则计算公式为:σa=σmax= M A1/Wσm=0计算A1截面对应的计算弯矩计算公式:M A1=M C(B带轮/2-5)/s将合成弯矩图中对应值以及轴的结构设计图中对应长度值带入公式中,得:M A1= 90000×(50/2-5)/100=18000N将A1截面对应的计算弯矩M A1代入公式中,得:弯曲应力幅σa=σmax=18000/1251=14.4MPa平均弯曲应力σm=0MPa计算扭转切应力将扭转切应力看作脉动循环应力求解,则计算公式为:安全系数计算结果Sσ=9.81Sτ=52.5S ca=9.64抗弯模量计算结果W=1251mm3抗扭模量计算结果W T=2784mm3A1截面弯矩计算结果M A1=18000N•mm 弯曲应力计算结果σa=14.4MPaσm=0MPa扭转应力计算结果τa=6.62MPaτm=6.62MPaτa=τT/2=T/2W Tτm=τa将A1截面处对应的作用扭矩T代入公式中,得:扭转应力幅τa=36836/2×2784=6.62MPa平均扭转应力τm=6.62MPa按疲劳强度计算安全系数计算公式为:Sσ=σ-1/(Kσσa/βεσ+ψσσm)Sτ=τ-1/(Kττa/βετ+ψστm)将综合影响系数、上两步解得的弯曲应力幅σa、平均弯曲应力σm、扭转应力幅τa、平均扭转应力τm与说明书第三部分所查得的σ-1、τ-1带入对应公式中,得:Sσ=268/(1.81×14.4/0.94×0.91+0.34×0)=8.80Sτ=155/(1.40×6.62/0.94×0.89+0.21×6.62)=11.0综合安全系数:S ca= SσSτ/(Sσ2+Sτ2)1/2=8.80×11.0/(8.802+11.02)1/2=6.874、计算Ⅰ截面处的安全系数计算抗弯模量与抗扭模量计算公式:W=πd3/32W T=πd3/16将查表查得的d值代入公式中,得:抗弯模量W=3.14×253/32=1562.5mm3抗扭模量W T=3.14×253/16=3125mm3计算弯曲应力将弯曲应力看成对称循环应力求解,则计算公式为:σa=σmax=MⅠ/Wσm=0计算Ⅰ截面对应的计算弯矩计算公式:MⅠ=M C B带轮/2s将合成弯矩图中对应值以及轴的结构设计图中对应长度值带入公式中,得:安全系数计算结果Sσ=8.80Sτ=11.0S ca=6.87抗弯模量计算结果W=1562.5mm3抗扭模量计算结果W T=3125mm3Ⅰ截面弯矩计算结果MⅠ=22500N•mmMⅠ=90000×50/2×100=22500N•mm将Ⅰ截面对应的计算弯矩MⅠ代入公式中,得:弯曲应力幅σa=σmax=22500/1562.5=14.4MPa平均弯曲应力σm=0MPa计算扭转切应力将扭转切应力看做脉动循环应力求解,则计算公式为:τa=τT/2=T/2W Tτm=τa将Ⅰ截面处对应的作用扭矩T代入公式中,得:扭转应力幅τa=36836/2×3125=5.89MPa平均扭转应力τm=5.89MPa按疲劳强度计算安全系数计算公式为:Sσ=σ-1/(Kσσa/βεσ+ψσσm)Sτ=τ-1/(Kττa/βετ+ψστm)将综合影响系数、上两步解得的弯曲应力幅σa、平均弯曲应力σm、扭转应力幅τa、平均扭转应力τm与说明书第三部分所查得的σ-1、τ-1带入对应公式中,得:Sσ=268/(2.26×14.4/0.94×0.91+0.34×0)=7.04Sτ=155/(2.04×5.89/0.94×0.89+0.21×5.89)=9.51综合安全系数S ca= SσSτ/(Sσ2+Sτ2)1/2=7.04×9.51/(7.042+9.512)1/2=5.66 综上所述:所校核截面的安全系数均大于许用安全系数[S]=2.0,故轴设计满足安全。