计院编制熔窑通用耐材理化性能指标
- 格式:pdf
- 大小:195.23 KB
- 文档页数:20
【收藏】玻璃熔窑用耐火材料制品现行的12个国家标准玻璃熔窑是熔制玻璃的热工设备,通常用耐火材料构成工作层,利用燃烧的化学能、电能或其他能源产生的热量,造成可控的高温环境(分布和气氛),使玻璃配合料在基中经过传能、传质和动量传递过程,以完成物理和化学变化。
经过熔化、澄清、均化和冷却等阶段,为生产提供一定数量和质量的玻璃液。
玻璃窑用分类方法有很多种,比如按环境的环境分,按使用能源分、按过程是否连续分、还有按窑内火焰流动形式区分的等等。
我们常说的一般是按成型方式分为:浮法玻璃窑、平板玻璃窑、垂直引上玻璃窑、压延玻璃窑、拉丝池窑等。
结合玻璃工业的特性,玻璃窑用的耐火材料又必须满足以下几点:①满足必要的高温性能、化学稳定性、热稳定性、体积稳定性和机械强度。
②不污染玻璃液,对玻璃液质量影响小;③尺可能长的使用寿命;④砌在一起的不同材质耐火材料间,在高温下不产生接触反应;⑤尺可能少的用料量和散热损失;⑥容易损毁部位要采用优质材料,其他部位可采用一般材料,做到合理配置、窑龄同步。
找耐火材料网整理了一下关于现行的玻璃熔窑耐火材料的相关行业标准,供大家参考和查找使用。
YB/T 4010-2012 玻璃熔窑用致密定形耐火制品的分类YB/T 4017-2012 玻璃熔窑用耐火制品形状尺寸硅砖YB/T 147-2007 玻璃窑用硅砖JC/T 616-2013 玻璃窑用优质硅砖JC/T 638-2013 玻璃窑用低气孔率粘土砖JC/T 494-2013 玻璃熔窑用熔铸氧化铝耐火制品JC/T 924-2003 玻璃窑用镁砖JC/T 493-2001 玻璃熔窑用熔铸锆刚玉耐火制品JC/T 495-2013 玻璃窑用致密锆英石砖JC/T 925--2003 玻璃窑用烧结AZS砖JC/T 926-2003 浮法玻璃窑用锡槽底砖YB/T 4578-2016 熔融石英砖YB/T 5108-1993 玻璃窑用大型粘土质耐火砖。
耐火材料标准一、粘土质、高铝质耐火砖主要用于砌筑治金建材、陶瓷、机械、化工等行业的一般工业窑炉。
主要产品:T-3、T-38、T-39、T-19、T-20、T-4、T-106、T-54、T-61、T-52、0.5A、0.5B、1.25A、1.5A、4A、5A、6A、4B、5B、6B、7B、8B、10B、12B、14B、16B。
二、浇注用耐火砖系列主要用于浇铸各种钢(包括不锈钢、各种合金钢)的钢锭。
主要产品:漏斗砖、铸管砖、中心砖、三通流钢砖、二通流钢砖、流钢尾砖、单孔、双孔流钢砖、流钢弯砖、钢锭模模底砖、保温帽等。
各种产品的形状和尺寸可按国标生产或由需方确定。
三、盛钢桶用高铝质耐火砖系列主要产品:塞头砖、铸口砖、袖砖、座砖等。
各种砖的形状尺寸可以由需方确定。
四、盛钢桶用衬砖系列主要产品:各种规格衬衬砖、弧形衬砖、保险砖或根据需方的要求确定。
主要理化指标五、轻质粘土砖系列主要用作隔热层和不受高温熔融物料及侵蚀性气体作用的窑炉内衬。
六、不定形耐火材料系列主要产品:铝镁浇注料、矾土尖晶石浇注料、粘土质及高铝质可塑料、耐火混凝土及预制块等。
七、骨料、耐火泥系列八、滑动铸口砖窑炉中应用十分广泛,适用于各工业窑炉中最严酷的部位。
冶金高炉炉腹内衬、送风支管内衬、铁口框填充;冶金加热炉均热炉烧嘴、墙基;大型电炉顶内衬;热电旋风炉沸腾炉炉腔内衬;硫化床燃烧室内衬、旋风筒、水冷壁;大型化工化肥炉内衬,化工催化裂解装置高耐磨层;大型水泥窑前窑口、喷煤管等部位;大型铝厂回转窑烧成段内衬、出料口、烧嘴;产品特点纯度高,强度高,耐磨性好,抵抗硅、一氧化碳、氢等腐蚀气氛能力强。
使用部位化肥厂耐磨内衬、石化炼油催化裂解装置高耐磨层;冶金高炉送风支管内衬、铁口框填充、加热炉均热炉烧嘴、墙基、电炉顶内衬;热电旋风炉炉腔内衬、硫化床燃烧室内衬、烧嘴、旋风筒、水冷壁、沸腾炉等需耐磨耐高温部位;大型水泥窑前窑口、喷煤管等部位;大型铝厂回转窑烧成段内衬、出料口、烧嘴;垃圾焚烧炉烧成段内衬、烧嘴及其性能特点热态强度高,抗高频振动性好,适应频繁的急冷急热场合使用部位70吨超高功率电炉炉盖大型水泥窑前窑口、喷煤管等部位及其它工业窑炉内衬大型铝厂回转窑烧成段内衬、出料口、烧嘴;垃圾焚烧炉烧成段内衬、烧嘴及其它工业窑炉内衬。
【含名称、理化指标】常用的耐火材料原料大集锦(上)无论耐火材料技术怎么发展,耐火原料都是耐火材料的基础,并且也直接决定着耐火材料的质量。
优质或者新型的耐火材料研发,都需要非常了解耐火原料。
1一硅质、半硅质耐火原料1、硅石冶金工业部标准ZB D53001—90规定了适用于耐火材料、铁合金和工业硅1硅石原料的技术条件,见表1-1。
表1-1 硅石原料的技术条件2、硅灰硅灰是生产金属硅或硅铁合金时回收炉内溢出废气中烟尘得到的副产品。
在电弧炉高温的作用下,炉内的石英被熔化成SiO2液体,液态的SiO2又被C还原成Si。
同时,一部分SiO2也被还原成SiO气体。
SiO气体随烟气溢出炉外,又被空气中的O2氧化成SiO2,随后,这些SiO2就冷凝成平均粒径〈1um的玻璃态质小球,并为炉外收尘装置所捕集。
3、叶蜡石(1)关于耐火材料用叶蜡石的企业标准见表1-2。
(2)耐火材料使用叶蜡石的品质见表1-32黏土质耐火原料通常,可塑性指标大于等于3.6时,黏土的可塑性等级高;可塑性指标为2.5〜3.6时,可塑性为中等;可塑性指标小于2.5时,可塑性为低等。
YBQ42001—85《耐火材料用结合黏土》规定:软质黏土的可塑性指标不小于2.5, 半软质黏土的可塑性指标不小于1.0。
所以,硬质黏土是可塑性指标小于1.0的耐火黏土。
按照(耐火黏土地质勘探规范)也可以按照化学、矿物成分来划分耐火黏土的类型,见表1-4。
(3)我国黑色冶金行业标准YB/5207-2005规定了硬质黏土熟料的技术条件,见表1-5。
3蓝晶石族矿物原料(一)技术指标我国黑色冶金行业标准YB4032-91规定蓝晶石,硅线石,红柱石的技术条件,见表1-6。
4高铝质耐火原料1、高铝矾土我国黑色冶金行业标准YB/T 5179—2005规定了耐火材料用高铝矾土熟料技术条件,见表1-7。
2、合成莫来石莫来石具有高温体积稳定性好、热态强度大、抗蠕变性强、耐热震性好的特点,被用于制作各种髙、中档耐火材料。
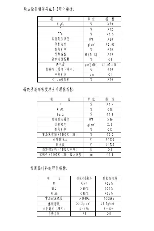
玻璃窑用三低砖理化指标-概述说明以及解释1.引言1.1 概述概述部分内容示例:在现代玻璃窑生产过程中,三低砖作为一种关键的耐火材料,被广泛应用于玻璃窑内壁的构建。
其主要作用是防止高温下玻璃液体腐蚀窑壁,在确保玻璃生产持续稳定运行的同时,延长玻璃窑的使用寿命。
本文将深入探讨三低砖的理化指标,以及对玻璃窑生产的重要性和应用前景。
通过对三低砖的定义、物理指标和化学指标进行详细分析,旨在为玻璃行业相关从业人员提供参考和指导,促进玻璃生产技术的不断创新和提升。
1.2文章结构文章结构部分应该包括对整篇文章的组织结构做出简要介绍,说明每个部分的内容和主题。
在这篇关于玻璃窑用三低砖理化指标的长文中,文章结构如下:本文包括引言、正文和结论三个部分。
在引言部分,将介绍研究的背景和意义,以及文章的目的和结构。
在正文部分,将详细讨论三低砖的定义和用途,以及其物理指标和化学指标。
最后,在结论部分将总结三低砖的重要性,展望其应用前景,并对整篇文章进行总结和展望。
通过以上文章结构的安排,读者可以清晰地了解整篇文章的内容和主题展开,使文章的逻辑结构更加清晰,读者也更容易理解和把握文章的主要观点。
1.3 目的本文的目的是对玻璃窑用三低砖的理化指标进行系统的介绍和分析。
通过对三低砖的定义、物理指标和化学指标的详细解释,可以帮助读者更好地了解三低砖在玻璃窑中的作用和重要性。
同时,本文还将探讨三低砖的应用前景,以及对未来的展望,希望可以为相关领域的研究和生产提供一些有益的参考和启示。
通过本文的阐述,读者可以更加全面地了解玻璃窑用三低砖的特点和优势,为相关领域的发展和应用提供理论支持和实践指导。
2.正文2.1 三低砖的定义和用途三低砖是指具有低膨胀、低热导率和低耐火度的特点的一种特殊类型的耐火材料。
在玻璃窑的使用过程中,三低砖被广泛应用于窑炉的内衬和隔热层,起到了重要的保温隔热作用。
三低砖的低膨胀性能可以有效减少在玻璃窑高温熔化过程中因温度变化而引起的热膨胀对窑炉结构的影响,从而延长窑炉的使用寿命。
水泥窑用耐火材料的配套选材与性能要求来源:更新日期:2009-9-25 【字体:】社会经济的变化决定着水泥工业的发展,水泥工业的发展直接影响着水泥窑用耐火材料的技术进步,水泥窑用耐火材料的发展要由水泥工业的需求作为发展动力。
作为专业为水泥行业服务的耐火材料企业,我们郑州真金耐火材料有限责任公司有义务凭借自身实力推动水泥窑用耐火材料的技术进步,也更有义务同各水泥企业一道共同推进水泥工业的发展。
现就我们近年来在为水泥工业服务过程中积累的一些经验和见解与您共同分享。
我们真金公司从事水泥窑配套耐火材料生产和服务已有25年的历史,尤其是近10年来,通过对大型干法窑(5000T/D以上)用耐火材料的生产供应,积累了丰富的经验。
真金产品在华新水泥、天瑞水泥、冀东水泥、乌兰水泥、山东山铝、江苏鹤林等十几家大中型水泥企业的5000—6500T/D大窑上使用,均取得了辉煌的业绩。
特别值得一提的是:华新集团阳新公司2号6500T/D生产线和华新集团武穴公司2号6500T/D生产线均全线使用“真金”牌7大系列产品、并先后创造了同步安全运行366天和456天的使用周期,创下了国内新型干法大窑用耐火材料全配套使用周期的历史纪录。
顺便提及:在江苏鹤林2500T/D新型干法窑上安全运行十八个月的业绩,也是至今仍保持的全国纪录,这充分说明真金产品在不同规模新型干法窑上的广泛适应性。
华新水泥集团各公司使用“真金”牌产品所创的历史纪录,不但为真金公司赢得了市场信誉和巨大的经济效益,更重要的是解决了大型水泥回转窑烧成带、过渡带和窑口用耐火材料不能同步的技术难题,为各大水泥公司提高回转窑的运转率,延长使用周期开辟了新的道路,由此带来的经济和社会效益是无法估量的。
根据近几年我们的生产经验和各大水泥企业的实际使用情况,按照回转窑内各窑段衬砖损坏的原因,结合不同材质耐火衬砖的性能特点,我们总结出了一整套科学且实用的配砖方案。
现予以说明:一、新型干法大窑对耐火材料的新要求由于新型干法窑的一系列生产工艺特点,对耐火材料提出了更为苛刻的要求。
1刚玉莫来石浇注料耐火温度:1580~1770℃(℃)产地:江苏宜兴品牌:满膛红产品类别:窑炉工业窑炉用保温材材质:刚玉质等级:一级料低温弯折≤:合格断裂伸长率:合格抗弯强度:合格抗压强度:合格拉伸强度:合格使用温度:1700撕裂强度:合格芯材:粉状形态:粉状形状:粉状规格:5-0(mm)Al2O3%≥85体积密度(110℃×24h) g/m3≥2.8常温耐压强度(110℃×24h) Mpa≥95常温耐压强度(1100℃×3h) Mpa≥115常温耐压强度(1500℃×3h) Mpa≥118常温抗折强度(110℃×24h) Mpa≥14常温抗折强度(1100℃×3h) Mpa≥15常温抗折强度(1500℃×3h) Mpa≥18烧后线变化(110℃×24h)%-0.4烧后线变化(1500℃×3h)%-0.5耐酸度%962棕刚玉耐磨可塑料刚玉质免烘烤可塑料性能指标最高适用温度1600℃主要成份刚玉莫来石储存时间2年施工方式捣打、涂抹体积密度 3.0t/m3AL203 % 90Fe203 % 1抗压强度300℃×24h MPA 901100℃×3h MPA 130抗折强度300℃×24h MPA 171100℃×3h MPA 20重烧线变化1100℃×3h% ±0.2常温磨损量Cm3 4导热系数813℃W/mk 1.823高铝质耐火浇注料4抗热震浇注料号HXTA-1 HXTA-2 项目及指标化学成分(%) AL2O3≥80≥75110℃×24h≥2.80≥2.70体积密度(g/cm3)1000℃×3h≥2.80≥2.70110℃×24h≥10.0≥9.0常温抗折强度(MPa)1000℃×3h>18 >16 常温耐压强度(MPa) 110℃×24h≥65≥601000℃×3h≥120≥100烧后线变化率(%) 1000℃×3h-0.1 -0.2 耐磨性cm3[按SATM(C-704规范]≤5.0≤6.0导热系数w/m·k 1.9 1.8 热振稳定性(次)(1000℃×水冷) ≥35≥30耐火度(℃) ≥1790≥1750最高使用温度(℃) ≥1600≥1500。
耐火材料通用标准(修订)1 范围本标准规定了日照钢铁控股集团有限公司所用耐火材料的理化指标及考核办法、现场使用效果及考核标准等。
本标准于2012年7月制定,2013年8月第一次修订。
2 铁前部分2.1 烧结用耐材2.1.1 重质耐磨耐高温喷涂料(烧结)[1] 产品理化指标及考核办法:理化内容理化指标考核办法体积密度(110℃) 2.4±0.1g/cm3检测结果每降低0.1g/cm3,考核当批货物100元/吨烧后线变化率±1.0% 检测结果超出理化指标范围,考核当批货物100元/吨(1100℃×3h)抗折强度≥3Mpa 检测结果每低于理化指标0.1Mpa,考核当批货物100元/吨(110℃×24h)抗折强度≥5Mpa 检测结果每低于理化指标0.1Mpa,考核当批货物100元/吨(1100℃×3h)Al2O3≥45% 检测结果每低于理化指标1%,考核当批货物100元/吨SiO2≤40% 检测结果每高于理化指标1%,考核当批货物100元/吨[2] 现场使用效果要求及考核标准;质保期一年,在质保期间每次计划检修都要进行检查,如有脱落现象每次考核质保金的1%,并责令施工方及时修补。
[3] 未尽事宜按技术协议执行。
2.1.2 刚玉钢纤维浇注料(球团)[1] 产品理化指标及考核办法序号理化指标指标考核办法1 Al2O3(%)≥70 每降低1%,考核当批货物总额的1%2 耐火度(℃)≥1600 每降低20℃,考核当批货物总额的0.2%3 重烧线变化率1350℃×3h(%)±0.5 每超出0.1,考核当批货物总额1%4 热震稳定性1100℃~室温水急冷急热循环5次后抗折强度/Mpa≥5 抗折强度每低1Mpa,考核当批货物总额的2%5 体积密度(g/cm3) ≥2.5 每低0.1g/cm3,考核当批货物总额的1%6 抗折强度110℃×24h(MPa)≥9 每低1MPa考核当批货物总额的1%7 抗折强度1350℃×3h(MPa)≥10 每低1MPa考核当批货物总额的1% [2] 未尽事宜按技术协议执行。
玻璃窑用三低砖理化指标在玻璃制造行业中,玻璃窑是一个关键设备。
而玻璃窑用的砖材,对于窑炉的稳定运行和玻璃生产的质量至关重要。
三低砖,即低耐火度、低导热系数和低热膨胀系数的砖材,是玻璃窑的理想选择。
本文将从理化指标的角度来探讨三低砖的特点以及其在玻璃窑中的应用。
低耐火度是三低砖的重要特点之一。
耐火度是指砖材在高温条件下的稳定性能,对于玻璃窑来说,由于窑内温度高达数百摄氏度甚至更高,所以砖材必须具备良好的耐火度,以保证窑炉的正常运行。
然而,在玻璃制造过程中,窑内温度变化较大,窑炉内部的砖材会受到热膨胀和收缩的影响,这就要求砖材的热膨胀系数要低,以避免因温度变化而引起的砖体开裂和破损。
三低砖还具有低导热系数的特点。
导热系数是指材料传导热量的能力,对于玻璃窑来说,低导热系数可以减少能量的损耗和浪费,提高窑炉的热效率。
同时,低导热系数也能减少窑炉外壳的温度损失,降低对周围环境的热辐射,并且能够减少玻璃窑运行过程中的能源消耗,达到节能减排的目的。
总结起来,玻璃窑用的三低砖具有低耐火度、低热膨胀系数和低导热系数的特点。
这种砖材能够保证窑炉的稳定运行,提高玻璃生产的质量,并且能够节约能源,减少环境污染。
在玻璃制造行业中,三低砖已经成为不可或缺的材料,为玻璃行业的发展做出了巨大贡献。
通过以上对于三低砖的理化指标的分析,我们可以看出玻璃窑用的三低砖在玻璃制造过程中的重要性。
它不仅具备良好的耐火度,还能够适应窑内温度的变化,同时具备低导热系数的特点,节约能源,降低环境污染。
三低砖的应用已经成为玻璃制造行业的标配,为行业的可持续发展提供了支持。
在未来,我们可以期待更多新材料的研发和应用,以进一步提升玻璃制造行业的技术水平和产品质量。
同时,我们也应该加强对于砖材的研究和开发,不断改进其性能,满足玻璃窑的需求。
只有不断创新和进步,才能使玻璃制造行业在全球范围内保持竞争力,为社会经济的发展做出更大贡献。
耐火材料力学性质要点耐火材料力学性质要点耐火材料的力学性质是指材料在不同温度下的强度、弹性和塑性性质。
通常用检验耐压、抗折、耐磨性和高温荷软蠕变等指标来判断耐火材料的力学性质。
下面是店铺为大家整理的耐火材料力学性质要点,欢迎大家阅读浏览。
1、常温力学性质1.1、常温耐压强度它是指常温下耐火材料在单位面积上所承受的最大压力,如超过此值,材料被破坏。
如用A表示试样受压的总面积,以P表示压碎试样所需的极限压力,则有:常温耐压强度=P/A (Pa) 通常,耐火材料在使用过程中很少由于常温的静负荷而招致破损。
但常温耐压强度主要是表明制品的烧结情况,以及与其组织结构相关的.性质,测定方法简便,因此是判断制品质量的常用检验项目。
1.2、抗拉、抗折和扭转强度耐火材料在使用时,除受压应力外,还受拉应力、弯曲应力和剪应力的作用,影响耐火砖制品的抗拉和抗折强度的主要因素是其组织结构,细颗粒结构有利于这些指标的提高。
1.3、耐磨性耐火材料的耐磨性不仅取决于制品的密度、强度,而且也取决于制品的矿物组成、组织机构和材料颗粒结合的牢固性。
常温耐压强度高,气孔率低,组织结构致密均匀,烧结良好的制品总是有良好的耐磨性。
2、高温力学性质2.1、高温耐压强度高温耐压强度是材料在高温下单位截面所能承受的极限压力。
随着温度升高,大多数耐火砖制品的强度增大,其中粘土制品和高铝制品特别显著,在1000-1200℃达到最大值。
这是由于在高温下生成熔液的粘度比在低温下脆性玻璃相粘度更高些。
但颗粒间的结合更为牢固。
温度继续升高时,强度急剧下降。
耐火材料高温耐压强度指标可反映出制品在高温下结合状态的变化。
2.2、高温抗折强度高温抗折强度是指材料在高温下单位截面所能承受的极限弯曲应力。
它表征材料在高温下抵抗弯矩的能力。
高温抗折强度又称高温弯曲强度或高温断裂模量。
测定在高温下一定尺寸的长方体试样在三点弯曲装置上受弯时所能承受的最大荷重。
耐火材料的高温强度与其实际使用密切相关。
耐火材料的主要性能指标第一篇:耐火材料的主要性能指标耐火材料的主要性能指標耐火材料的主要性能指標有:1、耐火度耐火度是耐火材料在高溫下抵抗熔化的性能。
耐火度主要取決於耐火材料的化學成份和材料中的易熔雜質(如FeO、NaO等)的含量。
耐火度並不代表耐火材料的實際使用溫度,因為在高溫負載作用下耐火材料的軟化變形溫度會降低,所以耐火材料的實際允許最高使用溫度比耐火度低。
耐火度一般通過試驗測定。
耐火度大於1580℃的材料方可稱為耐火材料。
2、熱穩定性熱穩定性是指抵抗溫度急劇變化而不破裂或剝落的能力,有時也稱之為耐急冷急熱性。
它的測定是將耐火製品加熱到一定溫度(850℃)然後用流動的冷水冷卻,直至進行到因製品破裂而部分剝落的重量為原重量的20%時,所經受冷熱交替次數即為評定熱穩定性的指標。
3、體積穩定性體積穩定性是指耐火製品在一定溫度下反復加的熱、冷卻的體積變化百分率。
一般在多次高溫作用下,耐火製品內組成相會發生再結晶和進一歩燒結,會產生殘餘的膨脹或收縮現象。
一般允許的殘餘膨脹或收縮不應超過0.5~1.0%。
4、高溫化學穩定性高溫化學穩定性系指耐火製品在高溫下,抗金屬氧化物、熔鹽和爐氣侵蝕的能力。
常用抗渣性來評定,這種性質主要取決於耐火製品本身相組成物的化學特點和物理結構,如氣孔率、體積密度等。
5、高溫結構強度高溫結構強度是指耐火製品在高溫下承受壓力而不發生變形的抗力。
常以負重軟化溫度來評定。
所謂負重軟化溫度是指耐火製品在0.2壓力下,以一定的升溫速度加熱,測出樣品開始變形的溫度和壓縮變形達4%或40%的溫度。
前者的溫度叫負重軟化開始溫度,後者叫負重軟化4%或40%的軟化點。
6、體積密度、氣孔率、透氣性體積密度:是指包括全部氣孔在內的單位耐火製品的重量,其單位為g/cm3。
氣孔率(%):氣孔率分顯氣孔率和真氣孔率。
顯氣孔率是耐火製品上與大氣相通的孔洞體積與總體積之比。
真氣孔率是指不與大氣相通的孔洞體積與總體積之比。
1200t/d浮法玻璃熔窑方案说明一、主要技术指标二、熔窑主要结构尺寸三、主要技术特点1. 采用宽熔化池,并设全等宽投料池结构。
2. 前脸采用45°L型吊墙。
3.熔化部池深采用较深的深池结构,确保熔化池内玻璃液的热容,促进玻璃液的对流和配合料的熔化。
4. 熔窑蓄热室采用“两两分隔”的方式(即2-2-1-2-1),蓄热室的格子砖全选用筒型格子砖。
5. 优化设计1#小炉中心线至前脸的距离,可充分发挥1#小炉的潜力,进一步促进配合料的熔化。
6.设置0#氧枪,促进配合料的熔化。
7.熔化区池底预留辅助电加热装置。
8.在熔窑玻璃液的热点处附近池底设置鼓泡装置。
9.窑池池底采用台阶式结构形式,即在卡脖入口开始池底上抬200mm,既利于促进熔化、澄清又利于节能降耗。
10. 合理设计熔窑的澄清带的长度,使深层微气泡有足够的时间溢出。
11.采用窄长卡脖结构形式,在该处设深层冷却水包,通过调节深层水包的深度,以控制玻璃液的回流量和温降。
窄长卡脖结构,可适当拉长深层水包与水平搅拌器之间的间距,改善玻璃液的质量。
12. 熔化部后山墙设J型吊墙,卡脖顶部设吊平碹结构形式,以最大限度地分隔熔化部火焰空间对冷却部的影响。
13.采用新型高效保温材料,对窑体进行全保温。
四、熔窑耐火材料配置➢熔化部➢卡脖➢冷却部➢蓄热室➢小炉➢烟道1200t/d浮法玻璃退火窑方案说明一、主要技术指标二、退火窑尺寸➢总长: 192.75m➢内宽: 5800mm➢保温段长: 102.45m➢非保温段长: 90.30m具体尺寸见下表a)退火窑结构退火窑壳体采用全钢全电结构,由若干节组成,根据退火曲线纵向划分为若干个区,各区内根据玻璃板温度采用不同的加热冷却系统,以便完成良好的退火和合理的降温。
A、B和C区分别为退火窑的退火前区、退火区和退火后区,是退火窑的关键区,直接影响到玻璃的退火质量。
这三区壳体采用隔热保温的形式,在窑内配置合理的加热冷却系统,进行横向分区控制,有效地控制玻璃板的冷却速度和横向温差。