美国的氧化镁标准
- 格式:doc
- 大小:84.50 KB
- 文档页数:6
重复使用的橡胶制品FDA标准21CFR177.2600 2008.04.27普什公司包材研发部翻译,版权所有用于重复使用的橡胶制品,在本部分条件制约下,可以安全地用于制备、生产、包裹、处理、制作、处理、包装、运输或存放食品。
(a) 橡胶制品,从天然橡胶和/或合成聚合物以及本部分(c)段所述的辅助物质所制备。
(b) 用于重复使用的橡胶制品生产时采用的物质,其用量不得超过为达到橡胶制品特定效果所需要的合理数量,不得故意在食品中完成这种效果。
(c) 橡胶制品制备所用的物质,包括以下物质,均受到规定的限制条件的制约:(1) 一般认为在食品中使用或对食品包装是安全的物质。
(2) 与事先批准或认可的条款一致的物质。
(3) 本章170到189部分的法规条例中的物质,在这些法规条例的条款约束下,可以安全地用于橡胶制品。
(4) 本段 (c)(4)节所述的物质,假如这些物质受本章174、175、176、177、178和179.45部分的法规条例的约束,与这样的法规条例中的技术规格相符的话。
(i) 弹性体。
丙烯腈-丁二烯共聚物(Acrylonitrile-butadiene)。
溴化异丁烯-异戊烯共聚物(Brominated isobutylene-isoprene),177.1210部分所述的共聚物。
丁二烯-丙烯腈-甲基丙烯酸乙二醇酯(Butadiene-acrylonitrile-ethylene glycol dimethacrylate),来源于甲基丙烯酸乙二醇酯的单元不超过总量的5%)。
丁二烯-丙烯腈-甲基丙烯酸共聚物(Butadiene-acrylonitrile-methacrylic acid)。
丁二烯-苯乙烯-甲基丙烯酸共聚物(Butadiene-styrene-methacrylic acid)氯丁二烯聚合物(Chloroprene)。
三氟氯乙烯-偏氟二烯共聚物(Chlorotrifluoroethylene-vinylidene fluoride )。
标准及标准化定义(一)什么叫标准国家标准GB 3935.l-83标准化基本术语第一部分对标准作如下定义:"标准是对重复性事物和概念所做的统一规定。
它以科学、技术和实践经验的综合成果为基础,经有关方面协商一致,由主管机构批准,以特定形式发布,作为共同遵守的准则和依据。
"该定义包含以下几个方面的含义。
(l)标准的本质属性是一种"统一规定"。
这种统一规定是作为有关各方"共同遵守的准则和依据"。
根据中华人民共和国标准化法规定,我国标准分为强制性标准和推荐性标准两类。
强制性标准必须严格执行,做到全国统一。
推荐性标准国家鼓励企业自愿采用。
但推荐性标准如经协商,并计入经济合同或企业向用户作出明示担保,有关各方则必须执行,做到统一。
(2)标准制定的对象是重复性事物和概念。
这里讲的"重复性"指的是同一事物或概念反复多次出现的性质。
例如批量生产的产品在生产过程中的重复投入,重复加工,重复检验等;同一类技术管理活动中反复出现同一概念的术语、符号、代号等被反复利用等等。
只有当事物或概念具有重复出现的特性并处于相对稳定时才有制定标准的必要,使标准作为今后实践的依据,以最大限度地减少不必要的重复劳动,又能扩大"标准"重复利用范围。
(3)标准产生的客观基础是"科学、技术和实践经验的综合成果"。
这就是说标准既是科学技术成果,又是实践经验的总结,并且这些成果和经验都是经过分析、比较、综合和验证基础上,加之规范化,只有这样制定出来的标准才能具有科学性。
(4)制定标准过程要"经有关方面协商一致",就是制定标准要发扬技术民主,与有关方面协商一致,做到"三稿定标"即征求意见稿一送审稿一报批稿。
如制定产品标准不仅要有生产部门参加,还应当有用户、科研、检验等部门参加共同讨论研究,"协商一致,"这样制定出来的标准才具有权威性、科学性和适用性。
(附1)农药国家标准概述一与农药剂型相关的控制项目1. 粉剂(DP)1)水分含量2)细度(通过75μm试验筛)3)酸碱度(以H2SO4或NaOH计)或pH范围4)其他2. 可湿性粉剂(WP)1)水分含量2)酸碱度(以H2SO4或NaOH计)或pH范围3)悬浮率4)湿润时间5)细度(通过45μm试验筛)6)其他4. 颗粒剂(GR)1)水分含量2)松密度和堆密度(视需要)3)酸碱度(以H2SO4或N a OH计)或pH范围4)粒度范围5)脱落率或强度6)其他二、制剂的质量标准概述1. 有效成分含量有效成分含量是农药制剂中最重要的指标,以质量百分数g/㎏或g/L表示。
有效成分是指农药产品中具有生物活性的特定化学结构成分。
生物活性系指对昆虫、螨、病菌、鼠、杂草等有害生物的行为、生长、发育和生理生化机制的干扰、破坏、杀伤作用,还包括对动、植物生长发育的调节作用,FAO对农药制剂的有效成分含量允许在标明含量上下一定范围内变化,例如50g/kg(±10%)。
我国的标准要求为应不低于标明含量,近年也有允许在标明含量上下一定范围内变化的趋势。
2. 粉粒细度粉剂类农药制剂(粉剂、可湿性粉剂、悬浮剂、干悬浮剂、粒剂)质量指标之一。
以能通过一定筛目的百分率表示。
如日本、美国规定粉剂的细度为98%通过45微米筛(325目筛)。
我国目前对大多数粉剂只要求95%通过75微米筛(200目筛)。
粉剂的药效和细度有密切的关系。
在一定范围内,药效与粒径成反比,触杀性杀虫剂的粉粒愈小,则每单位重量的药剂与虫体接触面愈大,触杀效果也就越好。
在胃毒性农药中,药粒愈小,愈易为害虫吞食,食后亦较易被肠道吸收而发挥毒效。
但药粒过细,有效成分挥发加快,药效期缩短,喷药时飘移严重,反而会降低药效,并对环境不利。
因此,在确定粉剂的细度时,应根据原药特性、加工设备条件和施药机械水平,确定合适的粒径。
3. 容重容重是粉剂的质量指标之一。
容重即每单位容积内粉体的质量(克/毫升),又称表现比重。
通用水泥的技术性能指标时间:2008-03-05 14:20 文字选择:大中小为了保证水泥能很好使用和水泥制品完全使用,国家标准规定了水泥的各项技术性能指标,用户在选购水泥时对这些技术性能指标应有所了解。
(l)硅酸盐水泥的技术性能指标\r细度:硅酸盐水泥细度为比表面积不低于3D0平米/Kg。
凝结时间:硅酸盐水泥的初凝时间不得早于45min,终凝时间不得迟于3 9 0min不溶物:硅酸盐水泥中不溶物含量不大于0.75%。
MgO含量:硅酸盐水泥中MgO含量不大于5.0%。
SO3含量:硅酸盐水泥中SO。
含量不大于3.5%。
烧失量:硅酸盐水泥中烧失量含量不大于3.0%。
标号:硅酸盐水泥的标号及各龄期强度值,见表3-2所示。
表3-2硅酸盐水泥各龄期的强度值标号抗压强度,MPa 抗折强度,MPa3天28天3天28天425R 22.0 42.5 4.0 6.5525 23.0 52.5 4.0 7.0525R 27.0 52.5 5.0 7.0625 28.0 62.5 5.0 8.0625R 32.0 62.5 5.5 8.0725 37.0 72.5 6.0 8.5注:R一早强型(2)普通硅酸盐水泥的技术性能指标细度:普通硅酸盐水泥细度汛筛余量表示,即0.080mm方孔筛筛余不超过10%。
凝结时间:普通硅酸盐水泥初凝时间不得早于45min,终凝时间不得迟于10h。
不溶物:普通硅酸盐水泥中不溶物含量不大于1.5%。
MgO含量:普通硅酸盐水泥MgO。
含量不大于5.0%。
SO含量:普通硅酸盐水泥SO。
含量不大于3.5%。
烧失量:普通硅酸盐水泥中烧失量不大于3.5%标号:普通硅酸盐水泥的标号及各龄期强度值见表3-3。
表3-3普通硅酸盐水泥各龄期的强度值标号抗压强度,MPa 抗折强度,MPa3天28天3天28天325 12.0 32.5 2.5 5.5425 16.0 42.5 3.5 6.5425R 21.0 42.5 4.0 6.5525 22.0 52.5 4.0 7.0525R 26.0 52.5 5.0 7.0625 27.0 62.5 5.0 8.0625R 31.0 62.5 5.0 8.0(3)矿渣硅酸盐水泥、粉煤灰硅酸盐水泥、火山灰质硅酸盐水泥技术性能指标。
阳极氧化astm标准号。
阳极氧化是一种常用的表面处理技术,它可以在金属表面形成一层氧化膜,提高材料的耐腐蚀性和耐磨性。
ASTM(美国材料与试验协会)制定了一系列标准来规范阳极氧化的过程和要求。
本文将介绍几个与阳极氧化相关的ASTM标准号及其内容。
ASTM B136是一项关于阳极氧化铝的标准。
它规定了用硫酸进行阳极氧化处理的铝材料的要求。
该标准包括了处理前的表面预处理、阳极氧化过程的条件、膜厚度的测量方法等方面的规定。
通过遵循ASTM B136标准,可以确保阳极氧化铝的质量稳定性和一致性。
另一个与阳极氧化相关的标准是ASTM B580。
该标准规定了用电解液进行阳极氧化处理的铝和铝合金的要求。
它详细说明了阳极氧化的条件、电解液的成分和浓度、处理时间和温度等参数的要求。
ASTM B580还提供了测量膜厚度和膜质量的方法,以确保阳极氧化的效果符合要求。
ASTM G61是一项关于阳极氧化镁的标准。
它规定了用碱性电解液进行阳极氧化处理的镁和镁合金的要求。
该标准包括了处理前的表面预处理、阳极氧化过程的条件、膜厚度的测量方法等方面的规定。
ASTM G61还提供了对阳极氧化镁进行耐蚀性和耐磨性测试的方法,以评估处理效果。
除了上述几个具体的标准号外,ASTM还制定了一些通用的标准来规范阳极氧化的测试方法和评估指标。
例如,ASTM D1730是一项关于测量阳极氧化膜厚度的标准。
它提供了多种方法来测量不同类型金属的氧化膜厚度,包括电子显微镜测量、光学显微镜测量和化学溶解法测量等。
ASTM D1730确保了膜厚度的准确测量,从而评估阳极氧化的效果。
总结起来,ASTM制定了一系列标准来规范阳极氧化的过程和要求。
这些标准涵盖了不同材料的阳极氧化处理,包括铝、铝合金和镁等。
通过遵循这些标准,可以确保阳极氧化的效果符合要求,提高材料的耐腐蚀性和耐磨性。
在阳极氧化过程中,还可以使用ASTM标准来测量膜厚度和评估阳极氧化膜的质量。
这些标准的制定和应用,为阳极氧化技术的发展和应用提供了重要的参考和指导。
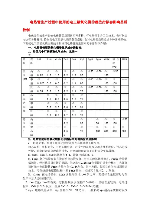
电热管生产过程中使用的电工级氧化镁的哪些指标会影响品质控制电热元件的生产影响电热管品质因素多种多样,有电热管本身工艺技术,也有制造电热管各种材料,特别是电工级氧化镁的各项指标,会对电热管品质造成各种各样影响。
下面就电工级氧化镁主要技术指标对电热管质量影响简单作如下介绍:一、电热管使用的氧化镁粉化学成分的影响:1、外国几个厂家镁粉化学成分:见表一表一2、电热管使用的氧化镁粉化学指标中对电热管品质影响A.灼烧失重:指电工级氧化镁中水分及其他高温下烧失物;对高温粉、普粉而言,主要是指水分;对改性粉是指水分加改性剂成份。
过高对改性粉,通电时泄露电流峰值过大,对高温粉而言管子过炉后会引起鼓泡。
B.SIO2:SIO2与CaO比控制在1:1,最好控制在2:1.C.Fe2O3:氧化铁量高低直接影响电热管寿命,对电工级氧化镁而言,Fe2O3含量越低越好。
但对我国目前镁矿资源,能烧出≤0.2Fe2O3含量镁矿已十分稀少,大部分镁矿烧出电熔镁其Fe2O3含量均在≤0.5%左右。
另一方面,我国目前尚未找到排铁技术,可在烧炼电熔镁过程中把Fe2O3排出,控制其含量≤0.1左右。
D. Al2O3:在电熔镁中,A l2O3含量均在0.1-0.5之间,其指标含量较高时与在生产中加入添加剂有关。
E. Ca0含量:Ca0即石灰,它极易吸收水份生产Ca(0H)2,当硅含量较高,电熔过程中,Ca0和SiO2反应,生成CaSiO3,CaO+Si0-CaSi03(高温)。
F Mg0:电熔氧化镁中,Mg0含量在96—98之间,一般来说Mg0越高杂质相对较少其性能当然较好,MgO含量在98—99%为大结晶。
大结晶的晶体形状为针状,片状,故物理性能和电器性能不及电熔氧化镁。
如果又要电器性能好,又要Mg0含量≥98%,其他杂质如Fe203≤0.2%,即要采用海水镁才能做到。
G.其他微量杂质含量:即以B、S、P、C较主要;B存在会降低MgO熔点(氧化镁熔点为2800℃),高温粉在制管后,电热管要1050-1080℃l5—40分钟过炉,B含量过高使MgO过炉后产生烧结,当弯管时,弯头部分会产生像头发丝样裂纹,见图(1),使电热管耐压降低,严重时,弯头油压后,耐压也不能恢复。
氧化镁cas号氧化镁CAS号是一种化学物质的唯一标识,它代表着氧化镁分子的特定化学结构和属性。
CAS号是由美国化学会(CAS或者ACS)创建和维护的一个全球性的识别化学物质的编码系统。
氧化镁CAS号为1309-48-4,它是由镁和氧原子组成的二元化合物,其化学式为MgO。
氧化镁是一种白色粉状固体,广泛应用于冶金、建材、制药、环保等领域,是重要的工业原料和生产工艺中的催化剂。
氧化镁CAS号的意义在于它可以被用来准确地识别、登记、报告有关氧化镁的相关信息。
CAS号可以帮助检验化学物质的纯度、稳定性、毒性等属性,从而确保该物质的质量和安全性。
此外,在化学物质的“快速反应性和治疗效果”等诸多领域,CAS号的掌握和使用也非常关键。
在工业生产中,化学物质的CAS号是非常重要的标识符。
生产厂家必须重视这个编号的重要性,并确保它的准确性。
对于从业者而言,掌握氧化镁CAS号可以帮助他们更好地了解和掌握该物质的相关信息。
在实验室中,使用CAS号来确认化学物质的纯度和质量也是非常必要的。
如果对CAS号不熟悉或者忽略了它的检查,就可能会出现误操作或者其他问题,甚至会对人员的生命和健康造成严重的威胁。
除了氧化镁CAS号之外,还有包括其他的一些常见的化学物质和化合物的CAS号,例如,硫酸铜CAS号是7446-45-5,氢氧化钠CAS号是1310-73-2,硫酸铵CAS号是7783-20-2等等。
对于这些化学物质和化合物的CAS号,我们也应该格外重视和熟悉。
总之,《国际化学品安全手册》中指出,CAS号在化学品的安全管理中具有扮演至关重要的角色。
因此,在使用氧化镁等化学物质时,必须对CAS号有精确的了解和掌握。
这不仅有助于更好地规范化学品管理,确保其生产和使用的安全性,还有助于提高化学品的生产效率和增强企业的竞争力。
固井用油井水泥与材料规范API规范10A第24版,2010年12月生效日期:2011年6月1日ISO10426-1:2009(等同)石油和天然气工业——水泥和固井材料——第一部分:规范美国石油学会特别声明API各种出版物仅对一般性质的问题进行必要的规定。
有关特殊情况,宜查阅地方、州和联邦的法律法规。
API既不为雇主、制造商和供应商承担对其雇员和相关人员在健康和安全风险及预防措施方面给予警告、适当培训和装备的责任,也不为他们承担地方、州和联邦法律规定的义务。
API各种出版物可供任何愿意执行规范的任何人使用。
本学会已竭尽全力保证规范中所含数据的准确性和可靠性,本学会对本出版物不作任何陈述、担保或保证,并特此明确声明,对因使用本规范而造成的损失和伤害,对因本规范与任何联邦、州和市的法规冲突而造成的违法,美国石油学会概不承担任何义务或责任。
美国石油学会出版各种API标准,旨在帮助推广工程和操作方面已得到证实的良好作法。
至于何时何处应当利用这些标准,仍需要用户对工程进行正确的判断。
API标准的编制和出版无意以任何方式限制任何人使用其他作法。
任何制造商对其符合API标准标志要求的设备或材料进行标志时,应独自负责遵守该标准的所有适用要求。
对于这些产品事实上是否符合适用的API标准,API不作任何陈述、担保或保证。
API前言任何API出版物所含内容都不应以暗示或其他方法解释为授权制造、销售或使用受专利保护的方法、仪器或产品。
本出版物中所含内容也不应解释为保证任何人免除因侵犯专利权而应承担的责任。
应:在标准中使用时,“应”意味着为符合标准的最低要求。
可:在标准中使用时,“可”意味着为符合标准而推荐的或是建议的但不是必须的。
本标准是根据API标准化程序制定的,旨在保证编制过程中的适时通告和参与,现被认定 API标准。
如对本标准内容的解释有任何问题或对本标准制定程序有任何评论和问题,请直接致函美国石油学会上游板块主任或总经理,地址::1220 L Street,NW Washington,DC20005-4070 USA。
医药级氧化镁执行标准氧化镁是一种重要的医药级原料,在医药工业中有着广泛的应用。
为了确保氧化镁的质量和安全性,制定了一系列的医药级氧化镁执行标准。
本文将对医药级氧化镁的执行标准进行详细介绍。
一、医药级氧化镁的定义和用途医药级氧化镁,也被称为药用氧化镁,是指符合一定质量标准的氧化镁产品,可以用于医药领域的制备和生产。
它常用于制备药品、药材和医疗器械,具有降酸、抗酸和缓释等功能。
二、医药级氧化镁执行标准的制定依据医药级氧化镁执行标准的制定,主要依据以下几方面的考虑:1. 国家标准:医药级氧化镁的执行标准需符合国家相关的药典标准,如中国药典、美国药典或欧洲药典等。
2. 技术要求:医药级氧化镁的制备过程、原料选用、检测方法等需要符合科学、安全、有效的技术要求。
3. 质量管理:医药级氧化镁的生产企业需要建立完善的质量管理体系,确保产品的质量可控、稳定。
三、医药级氧化镁执行标准的主要内容医药级氧化镁执行标准主要包括以下方面的内容:1. 外观与性状:规定了医药级氧化镁的外观要求,如颜色、形态等。
2. 纯度指标:包括重金属、有害物质、水分、氯化物等指标的检测要求和限制。
3. 粒度分布:规定了医药级氧化镁粒度的检测方法和范围。
4. 溶解度:要求医药级氧化镁在一定条件下的溶解性能。
5. 酸碱度:规定了医药级氧化镁的酸碱度要求。
6. 微生物限度:对医药级氧化镁中微生物数量的要求和检测方法。
7. 残留溶剂:针对医药级氧化镁生产过程中可能存在的溶剂残留进行限制和检测。
四、医药级氧化镁执行标准的实施和监督为了确保医药级氧化镁执行标准的有效实施和产品的质量稳定,生产企业应当建立起健全的质量控制体系。
该体系应包括原料采购、生产工艺控制、质量检测、产品追溯和记录等环节的管理。
同时,监督机构可以通过抽样检验、现场检查和不定期评估等方式对生产企业的执行情况进行监督和评估。
对不符合标准的产品,应及时采取相应的整改措施,以保障医药级氧化镁的质量和安全性。
重复使用的橡胶制品FDA标准21CFR177.2600 2008.04.27普什公司包材研发部翻译,所有用于重复使用的橡胶制品,在本部分条件制约下,可以安全地用于制备、生产、包裹、处理、制作、处理、包装、运输或存放食品。
(a) 橡胶制品,从天然橡胶和/或合成聚合物以及本部分(c)段所述的辅助物质所制备。
(b) 用于重复使用的橡胶制品生产时采用的物质,其用量不得超过为达到橡胶制品特定效果所需要的合理数量,不得故意在食品中完成这种效果。
(c) 橡胶制品制备所用的物质,包括以下物质,均受到规定的限制条件的制约:(1) 一般认为在食品中使用或对食品包装是安全的物质。
(2) 与事先批准或认可的条款一致的物质。
(3) 本章170到189部分的法规条例中的物质,在这些法规条例的条款约束下,可以安全地用于橡胶制品。
(4) 本段(c)(4)节所述的物质,假如这些物质受本章174、175、176、177、178和179.45部分的法规条例的约束,与这样的法规条例中的技术规格相符的话。
(i) 弹性体。
丙烯腈-丁二烯共聚物(Acrylonitrile-butadiene)。
溴化异丁烯-异戊烯共聚物(Brominated isobutylene-isoprene),177.1210部分所述的共聚物。
丁二烯-丙烯腈-甲基丙烯酸乙二醇酯(Butadiene-acrylonitrile-ethylene glycol dimethacrylate),来源于甲基丙烯酸乙二醇酯的单元不超过总量的5%)。
丁二烯-丙烯腈-甲基丙烯酸共聚物(Butadiene-acrylonitrile-methacrylic acid)。
丁二烯-苯乙烯-甲基丙烯酸共聚物(Butadiene-styrene-methacrylic acid)氯丁二烯聚合物(Chloroprene)。
三氟氯乙烯-偏氟二烯共聚物(Chlorotrifluoroethylene-vinylidene fluoride )。
ASTM C150波特兰水泥标准规范介绍1.标准主要内容(1)简介和范围·本规范覆盖了Portland水泥的物理和化学性质以及其制备的要求。
·本规范不包括白色Portland水泥。
注:白色Portland水泥,英文名White Portland cement或white ordinary Portland cement (WOPC)是一种特殊类型的水泥,它的生产过程与普通Portland水泥基本相同,但采用的原材料中不含或仅含很少量的氧化铁和其他着色元素,以达到白色的效果。
这种水泥通常用于特殊的建筑和装饰项目,如白色砖、瓦和石材的生产,以及浅色混凝土、灰浆和砂浆的制备。
与普通Portland水泥相比,白色Portland水泥的颜色更为均匀和明亮,但成本较高。
在一些国家,白色Portland水泥的质量标准和测试方法可能与普通Portland水泥不同,需要进行特殊的测试和验证。
(2)规范参考文件·列出了其他与本规范相关的ASTM标准。
(3)术语和定义·定义了与本规范相关的术语。
(4)分类·Portland水泥按其化学成分、早期强度和晚期强度分为十种类型。
(5)物理要求·列出了Portland水泥的各种物理性质的最小要求。
·这些要求包括比表面积、凝结时间、强度和振实密度等。
(6)化学要求·列出了Portland水泥的各种化学性质的最大要求。
·这些要求包括硫酸盐含量、氯离子含量和烧损等。
(7)制备要求·列出了Portland水泥的制备过程中的要求。
·这些要求包括原材料的选择、熟料的制备、熟料磨粉和水泥的包装等。
(8)标志和质量保证·规定了水泥包装上应标注的信息。
·列出了关于水泥质量保证的要求。
(9)样品采集、检验和测试·列出了采样、检验和测试的方法和程序。
(10)报告·要求将所有检验结果记录并汇总成报告。
氧化镁的编号系统有哪些
一般来说,很少有人会对于氧化镁的编号系统感兴趣,因为大家在生产使用过程中,都不会涉及到这个方面。
但是如果氧化镁生产厂家具有自己出口权的话,那么就会对于氧化镁的编号系统非常的熟悉,因为这些编号是出口中都是很重要的,那么氧化镁的编号系统有哪些呢?
氧化镁CAS号:1309-48-4;
氧化镁MDL号:MFCD00011109;
氧化镁EINECS号:215-171-9;
氧化镁RTECS号:OM3850000;
氧化镁PubChem号:24877703;
氧化镁危险运输编码:UN 1418 8/PG 3;
氧化镁安全标识:S24/25;
氧化镁危险标识:R20/21/22 R36/37/38。
氧化镁的计算化学数据
1、氢键供体数量:0
2、氢键受体数量:1
3、可旋转化学键数量:0
4、拓扑分子极性表面积(TPSA):17.1
5、重原子数量:2
6、表面电荷:0
7、复杂度:2
8、同位素原子数量:0
9、确定原子立构中心数量:0
10、不确定原子立构中心数量:0
11、确定化学键立构中心数量:0
12、不确定化学键立构中心数量:0
13、共价键单元数量:1
氧化镁的毒理学数据
镁属微毒类,在豚鼠气管内注入微粒悬浮液,肺部出现轻微炎症反应。
猫吸入氧化镁烟雾3小时,出现明显的呼吸困难、寒战、昏睡、脱离接触后很快恢复。
氧化镁对眼结膜和鼻黏膜有轻度刺激作用。
蒸气可引起溃疡病。
粉尘可导致呼吸困难、胸痛、咳嗽、非弥漫性间质纤维化和肺气肿。
最高允许浓度美国规定为10mg/m3。
美国氧化镁产品
标准介绍
说明:
这是我收集的美国的氧化镁的标准。
美国是氧化镁产品的生产大国和强国。
对氧化镁产品的规格和应用有相对认真的研究和经验。
氧化镁是一种用途十分广泛的产品。
大量应用于橡胶、塑料、胶黏剂、润滑油和燃油等。
但是,对于某一个具体的行业,应该使用什么规格的氧化镁产品,目前国内还没有很好的具有指导性的标准。
特别是很多用户,对于自己的产品制作过程中应该使用什么规格型号的氧化镁,大都是依靠经验和实验进行选择。
这种现象的长期存在,对氧化镁的生产企业和用户都非常不利。
俗话说,他山之石,可以攻玉。
我国目前的氧化镁产品的标准相对比较简单。
很难对生产企业和直接用户起到很好的指导性作用。
但是,如果我们能够很好借鉴国外标准,在组织生产和指导用户使用方面就增加了明确的指向。
对促进我国的氧化镁行业的发展是有积极意义的。
目前,与美国、日本等氧化镁行业的发展强国比较,他们的氧化镁生产企业都是具有规模生产能力的大型企业,产能动辄以数万吨乃至几十万吨计,生产方法也相对比较单一,主要采用石灰法。
而我国目前几乎没有具有大规模生产能力的氧化镁生产企业。
而生产氧化镁的原料,既有氢氧化镁,也有碳酸镁。
生产方法也是多种多样。
所以,要根据不同用户的具体要求,同时还要根据不同的原料特性组织生
产,相对来说制定一个具有指导意义的标准难度很大。
但是,从根本上来说,根据用户的需要和氧化镁生产企业的实践经验以及原料生产工艺的特点,对氧化镁标准进行重新修订,切实制定出一个对生产企业和用户都有帮助和指导的新标准,才是从根本上解决问题的方法。
借鉴国外的经验,缩短这个标准的修订时间,就是本文的初衷。
(第一部)
MC系列标准:
医药橡胶和塑料用活性氧化镁。