粉煤灰国家标准
- 格式:doc
- 大小:43.50 KB
- 文档页数:4
粉煤灰混凝土应用技术规范1. 引言粉煤灰混凝土是一种利用工业废弃物粉煤灰作为掺合料的经济、环保的建筑材料,具有良好的力学性能和耐久性。
本文档旨在规范粉煤灰混凝土的应用技术,以保证施工质量、安全可靠。
2. 原料2.1 粉煤灰粉煤灰应符合国家标准GB/T 1596-2017《电厂粉煤灰》的要求,并进行相应的质量检测。
2.2 水泥水泥应符合国家标准GB 175-2007《水泥》的要求,并进行相应的质量检测。
2.3 骨料骨料应符合国家标准GB/T 14685-2011《常用建筑骨料力学性能试验方法》的要求,并进行相应的质量检测。
3. 混合比设计3.1 设计原则根据工程要求、粉煤灰和混合材料性能,采用最佳的混合比设计,保证强度、耐久性和可施工性。
3.2 混合比要求粉煤灰掺量范围应符合设计要求,同时考虑施工工艺和力学性能。
水灰比应在合理范围内,不应过高或过低。
4. 施工工艺4.1 配料和搅拌粉煤灰混凝土的配料和搅拌应符合国家标准GB 50788-2012《混凝土技术规范》的要求。
4.2 浇筑和养护粉煤灰混凝土的浇筑和养护应符合国家标准GB 50032-2013《混凝土结构工程施工质量验收规范》的要求。
5. 技术要求5.1 强度要求粉煤灰混凝土的强度应符合设计要求,并进行相应的强度检测。
5.2 耐久性要求根据工程环境和要求,粉煤灰混凝土应满足相应的耐久性要求,如抗硫酸盐侵蚀、抗氯离子侵蚀等。
5.3 施工要求粉煤灰混凝土的施工应按照相应的工艺要求进行,确保施工质量。
6. 检验与验收6.1 原材料检验粉煤灰、水泥和骨料应进行质量检测,确保符合要求。
6.2 施工质量检验对粉煤灰混凝土的配料、搅拌、浇筑、养护等工艺进行质量检验,确保施工质量。
6.3 强度检验对粉煤灰混凝土的强度进行检验,保证符合设计要求。
7. 维护与修复7.1 维护要求粉煤灰混凝土在施工过程中和使用过程中,需要进行相应的维护,确保其性能稳定。
7.2 修复措施对于粉煤灰混凝土出现的损坏或缺陷,应及时采取修复措施,保证结构的安全可靠。
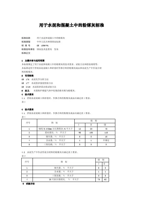
粉煤灰标准17.用于水泥和混凝土中的粉煤灰标准名称用于水泥和混凝土中的粉煤灰标准类型中华人民共和国国家标准标准号 GB 1596-91标准发布单位国家技术监督局发布标准正文1 主题内容与适用范围本标准规定了用于水泥和混凝土中的粉煤灰的技术要求、试验方法和检验规则等。
本标准适用于拌制水泥混凝土和砂浆时作掺合料的粉煤灰成品和水泥生产中作混合材料的粉煤灰。
2 引用标准GB 176 水泥化学分析方法GB 177 水泥胶砂强度检验方法GB 2419 水泥胶砂流动度试验方法3 定义:从煤粉炉烟道气体中收集的粉末称为粉煤灰。
4 技术要求4.1 拌制水泥混凝土和砂浆时,作掺合料的粉煤灰成品应满足表1要求。
表14.2 水泥生产中作活性混合材料的粉煤灰应满足表2要求。
表25 试验方法5.1 烧失量、含水量和三氧化硫按GB176进行。
5.2 细度按附录A进行。
5.3 需水量比按附录C进行。
5.4 28天抗压强度比按附录C进行。
6 检验规则6.1 组批与取样6.1.1 以连续供应的200t相同等级的粉煤灰为一批。
不足200t者按一批论,粉煤灰的数量按干灰(含水量小于1%)的重量计算。
6.1.2 取样方法6.1.2.1 散装灰取样:从运输工具、贮灰库或堆场中的不同部位取15份试样,每份试样1  ̄3kg,混合拌匀,按四分法,缩取出比试验所需量大一倍的试样(称为平均样)。
6.1.2.2 袋装灰取样:从每批任抽10袋,从每袋中分取试样不少于1kg,按6.1.2.1的方法混合缩取平均试样。
6.1.3 拌制水泥混凝土和砂浆时作掺合料的粉煤灰成品,必要时,需方可对粉煤灰的质量进行随机抽样。
6.2 检验项目6.2.1 型式检验6.2.1.1 拌制水泥混凝土和砂浆作掺合料的粉煤灰成品,供方必须按4.1条规定的技术要求每半年检验一次。
6.2.1.2 水泥厂启用粉煤灰作活性混合材料时,必须按4.2条规定的技术要求进行检验。
作为生产控制,要求烧失量,三氧化硫和含水量每月检验一次,28天抗压强度比每季度检验一次。
粉煤灰标准17.用于水泥和混凝土中的粉煤灰标准名称用于水泥和混凝土中的粉煤灰标准类型中华人民共和国国家标准标准号 GB 1596-91标准发布单位国家技术监督局发布标准正文1 主题内容与适用范围本标准规定了用于水泥和混凝土中的粉煤灰的技术要求、试验方法和检验规则等。
本标准适用于拌制水泥混凝土和砂浆时作掺合料的粉煤灰成品和水泥生产中作混合材料的粉煤灰。
2 引用标准GB 176 水泥化学分析方法GB 177 水泥胶砂强度检验方法GB 2419 水泥胶砂流动度试验方法3 定义:从煤粉炉烟道气体中收集的粉末称为粉煤灰。
4 技术要求4.1 拌制水泥混凝土和砂浆时,作掺合料的粉煤灰成品应满足表1要求。
表14.2 水泥生产中作活性混合材料的粉煤灰应满足表2要求。
表25 试验方法5.1 烧失量、含水量和三氧化硫按GB176进行。
5.2 细度按附录A进行。
5.3 需水量比按附录C进行。
5.4 28天抗压强度比按附录C进行。
6 检验规则6.1 组批与取样6.1.1 以连续供应的200t相同等级的粉煤灰为一批。
不足200t者按一批论,粉煤灰的数量按干灰(含水量小于1%)的重量计算。
6.1.2 取样方法6.1.2.1 散装灰取样:从运输工具、贮灰库或堆场中的不同部位取15份试样,每份试样1 ̄3kg,混合拌匀,按四分法,缩取出比试验所需量大一倍的试样(称为平均样)。
6.1.2.2 袋装灰取样:从每批任抽10袋,从每袋中分取试样不少于1kg,按6.1.2.1的方法混合缩取平均试样。
6.1.3 拌制水泥混凝土和砂浆时作掺合料的粉煤灰成品,必要时,需方可对粉煤灰的质量进行随机抽样。
6.2 检验项目6.2.1 型式检验6.2.1.1 拌制水泥混凝土和砂浆作掺合料的粉煤灰成品,供方必须按4.1条规定的技术要求每半年检验一次。
6.2.1.2 水泥厂启用粉煤灰作活性混合材料时,必须按4.2条规定的技术要求进行检验。
作为生产控制,要求烧失量,三氧化硫和含水量每月检验一次,28天抗压强度比每季度检验一次。
粉煤灰检测标准粉煤灰是一种在煤燃烧过程中产生的固体废弃物,广泛应用于建筑材料、混凝土、水泥、道路铺设和其他工业领域。
为了确保粉煤灰的质量和安全性,在使用过程中需要进行粉煤灰的检测。
以下是粉煤灰检测的一些常见标准和相关参考内容。
1. GB/T 1596-2020 《煤粉灰质量》这是中国国家标准委员会颁布的关于粉煤灰质量的标准。
该标准规定了粉煤灰的外观、颜色、细度、湿度、储存稳定性等方面的要求,以及用于粉煤灰质量评价和性能测定的常规方法。
2. GB/T 17671-1999 《粉煤灰应用质量控制指南》该标准是中国标准化研究院发布的,旨在指导和规范粉煤灰的应用质量控制。
其中包括粉煤灰的分类与性能指标、加工与应用的技术要求、质量控制的方法和要求等内容。
这些内容可以作为企事业单位进行粉煤灰质量检测和管理的参考。
3. ASTM C618-17a 《Standard Specification for Coal Fly Ash and Raw or Calcined Natural Pozzolan for Use in Concrete》该标准由美国材料和试验协会发布,适用于粉煤灰在混凝土中的应用。
其中包括了粉煤灰与混凝土的化学和物理性质的要求,以及测试和评价方法。
此外,该标准还提供了对粉煤灰在混凝土中的应用技术指南。
4. EN 450-1:2012 《Fly ash for concrete》这是欧洲标准化组织发布的一个关于粉煤灰在混凝土中应用的欧洲标准。
该标准规定了粉煤灰的物理和化学性质、粉煤灰与混凝土中的酸溶性矩阵及其影响、粉煤灰在混凝土中的用量,以及对粉煤灰质量的评估和控制等内容。
5. JIS A 6201:2006 《Fly ash for concrete》这是日本工业标准化委员会发布的一个关于粉煤灰在混凝土中应用的标准。
该标准规定了粉煤灰的物理和化学性质的要求,以及用于衡量粉煤灰在混凝土中应用性能的测试方法。
粉煤灰砖是一种以粉煤灰为主要原料制成的建筑用砖。
由于其良好的物理性能和环保性,粉煤灰砖在建筑行业中得到了广泛应用。
为了规范市场,保证产品质量和安全,我国制定了一系列粉煤灰砖规格型号的标准。
首先,根据国家标准的《砌墙砖试验方法》,粉煤灰砖的尺寸必须符合以下要求:长度应为240mm±10mm,宽度应为115mm±5mm,高度应为53mm±5mm。
这是为了保证粉煤灰砖能够与传统的黏土砖相互配合,保证建筑结构的稳定性和安全性。
其次,根据不同的使用场合和需求,粉煤灰砖的强度等级也有所不同。
根据国家标准,粉煤灰砖的强度等级可以分为三个等级:MU15、MU20和MU25。
其中,MU15表示粉煤灰砖的抗压强度为15MPa以上,MU20表示粉煤灰砖的抗压强度为20MPa以上,MU25表示粉煤灰砖的抗压强度为25MPa以上。
此外,为了满足不同建筑的需求,粉煤灰砖还有多种不同的规格和型号。
例如,根据孔洞率的不同,可以分为实心砖和多孔砖;根据用途的不同,可以分为承重砖和非承重砖等。
在实际使用中,根据不同的工程需求和设计要求,选用符合规格型号标准和强度等级要求的粉煤灰砖,能够保证建筑的安全性和稳定性。
同时,也需要注意粉煤灰砖的生产质量和使用寿命,避免出现安全事故和质量问题。
总之,粉煤灰砖作为一种环保、节能的建筑材料,具有广泛的应用前景。
而规范的规格型号标准和强度等级要求,能够保证粉煤灰砖的质量和安全性能,促进其在建筑行业中的可持续发展。
超细粉煤灰的标准要求超细粉煤灰是在煤的燃烧过程中产生的一种细粉状灰渣,其颗粒细度比一般粉煤灰更细。
超细粉煤灰具有很好的活性,广泛用于水泥、混凝土、道路建设、环境工程等行业。
由于应用广泛,超细粉煤灰的标准要求十分重要。
以下是超细粉煤灰标准要求的相关参考内容。
1. 粒度分析超细粉煤灰的粒度分布应符合国家相关标准要求。
一般来说,其细度应满足指标要求,主要包括比表面积、平均直径、粒度分布等。
其中,比表面积是评价超细粉煤灰颗粒细度的重要指标,一般要求比表面积不低于400m²/kg。
2. 化学成分超细粉煤灰的化学成分应符合国家相关标准要求。
主要包括氧化物含量、主要元素含量、有害物质含量等指标。
其中,氧化硅和氧化铝是超细粉煤灰的主要成分,一般要求氧化硅含量不低于60%、氧化铝含量不低于25%。
3. 活性指标超细粉煤灰活性指标是评价其性能的重要指标之一。
包括初凝时间、终凝时间、抗压强度、抗折强度等指标。
一般来说,超细粉煤灰的初凝时间应不早于1小时,终凝时间应不晚于10小时。
抗压强度和抗折强度的要求应根据具体应用的需要进行设定。
4. 稳定性超细粉煤灰的稳定性是指其在贮存、运输和施工过程中的稳定性。
稳定性包括耐久性、颜色稳定性和流动性等指标。
一般来说,超细粉煤灰的耐久性应符合国家相关标准要求,其颜色稳定性不应影响混凝土的外观和性能,流动性应适中,以满足具体施工要求。
5. 包装和贮存超细粉煤灰应有合适的包装和贮存措施,以保证其质量和性能不受影响。
一般来说,超细粉煤灰应采用防潮、防水、防尘的包装材料进行包装,贮存时要避免阳光直射和高温环境。
总而言之,超细粉煤灰的标准要求涉及粒度分析、化学成分、活性指标、稳定性以及包装和贮存等方面。
只有符合这些标准要求,才能保证超细粉煤灰的质量和性能,为各行业的应用提供良好的基础材料。
用于水泥和混凝土中的粉煤灰标准标准名称用于水泥和混凝土中的粉煤灰标准类型中华人民共和国国家标准标准号 GB 1596-91标准发布单位国家技术监督局发布标准正文1 主题内容与适用范围本标准规定了用于水泥和混凝土中的粉煤灰的技术要求、试验方法和检验规则等。
本标准适用于拌制水泥混凝土和砂浆时作掺合料的粉煤灰成品和水泥生产中作混合材料的粉煤灰。
2 引用标准GB 176 水泥化学分析方法GB 177 水泥胶砂强度检验方法GB 2419 水泥胶砂流动度试验方法3 定义:从煤粉炉烟道气体中收集的粉末称为粉煤灰。
4 技术要求4.1 拌制水泥混凝土和砂浆时,作掺合料的粉煤灰成品应满足表1要求。
表14 技术要求4.1 拌制水泥混凝土和砂浆时,作掺合料的粉煤灰成品应满足表1要求。
表14.2 水泥生产中作活性混合材料的粉煤灰应满足表2要求。
表25 试验方法5.1 烧失量、含水量和三氧化硫按GB176进行。
5.2 细度按附录A进行。
5.3 需水量比按附录C进行。
5.4 28天抗压强度比按附录C进行。
6 检验规则6.1 组批与取样6.1.1 以连续供应的200t相同等级的粉煤灰为一批。
不足200t者按一批论,粉煤灰的数量按干灰(含水量小于1%)的重量计算。
6.1.2 取样方法6.1.2.1 散装灰取样:从运输工具、贮灰库或堆场中的不同部位取15份试样,每份试样1 ̄3kg,混合拌匀,按四分法,缩取出比试验所需量大一倍的试样(称为平均样)。
6.1.2.2 袋装灰取样:从每批任抽10袋,从每袋中分取试样不少于1kg,按6.1.2.1的方法混合缩取平均试样。
6.1.3 拌制水泥混凝土和砂浆时作掺合料的粉煤灰成品,必要时,需方可对粉煤灰的质量进行随机抽样。
6.2 检验项目6.2.1 型式检验6.2.1.1 拌制水泥混凝土和砂浆作掺合料的粉煤灰成品,供方必须按4.1条规定的技术要求每半年检验一次。
6.2.1.2 水泥厂启用粉煤灰作活性混合材料时,必须按4.2条规定的技术要求进行检验。
粉煤灰的标准
粉煤灰,是一种煤矿煤炭燃烧后产生的细粉状灰烬,常用于混
凝土、水泥制品和砌体材料中。
粉煤灰的质量标准对于保障建筑材
料的质量和工程的安全具有重要意义。
下面将对粉煤灰的标准进行
详细介绍。
首先,粉煤灰的外观应该呈现为灰色或灰白色,不得有明显的
异色和异物。
其次,粉煤灰的化学成分应符合国家标准,主要指标
包括SiO2、Al2O3、Fe2O3、CaO、MgO等元素的含量,以及SO3含量、总碱含量等。
这些化学成分的合理比例对于保证混凝土的强度和耐
久性具有重要作用。
另外,粉煤灰的物理性能也是评定其质量的重要指标之一。
包
括细度、比表面积、活性指数、水需量等。
细度和比表面积是影响
粉煤灰活性的重要因素,通常要求粉煤灰的细度不得低于300m2/kg,比表面积不得低于400m2/kg。
活性指数是评价粉煤灰活性的重要参数,其数值应符合国家标准要求。
此外,粉煤灰的热特性也是需要考虑的因素之一。
包括煅烧试验、水热活性试验等热性能指标。
这些指标可以反映粉煤灰在混凝
土中的影响程度,以及其对混凝土性能的改善作用。
最后,粉煤灰的质量标准还包括了包装、运输和贮存等方面的要求。
包装应符合国家标准,保证产品的完整性和干燥度。
运输和贮存过程中要注意防潮防晒,避免受潮发霉,影响产品质量。
总的来说,粉煤灰的质量标准涵盖了化学成分、物理性能、热特性以及包装运输等多个方面。
严格执行这些标准,可以保证粉煤灰产品的质量稳定,为建筑材料的生产和工程建设提供保障。
粉煤灰标准标准名称用于水泥和混凝土中的粉煤灰标准类型中华人民共和国国家标准标准号 GB 1596-91标准发布单位国家技术监督局发布标准正文1 主题内容与适用范围本标准规定了用于水泥和混凝土中的粉煤灰的技术要求、试验方法和检验规则等。
本标准适用于拌制水泥混凝土和砂浆时作掺合料的粉煤灰成品和水泥生产中作混合材料的粉煤灰。
2 引用标准GB 176 水泥化学分析方法GB 177 水泥胶砂强度检验方法GB 2419 水泥胶砂流动度试验方法3 定义:从煤粉炉烟道气体中收集的粉末称为粉煤灰。
4 技术要求4.1 拌制水泥混凝土和砂浆时,作掺合料的粉煤灰成品应满足表1要求。
表14.2 水泥生产中作活性混合材料的粉煤灰应满足表2要求。
表25 试验方法5.1 烧失量、含水量和三氧化硫按GB176进行。
5.2 细度按附录A进行。
5.3 需水量比按附录C进行。
5.4 28天抗压强度比按附录C进行。
6 检验规则6.1 组批与取样6.1.1 以连续供应的200t相同等级的粉煤灰为一批。
不足200t者按一批论,粉煤灰的数量按干灰(含水量小于1%)的重量计算。
6.1.2 取样方法6.1.2.1 散装灰取样:从运输工具、贮灰库或堆场中的不同部位取15份试样,每份试样1 ̄3kg,混合拌匀,按四分法,缩取出比试验所需量大一倍的试样(称为平均样)。
6.1.2.2 袋装灰取样:从每批任抽10袋,从每袋中分取试样不少于1kg,按6.1.2.1的方法混合缩取平均试样。
6.1.3 拌制水泥混凝土和砂浆时作掺合料的粉煤灰成品,必要时,需方可对粉煤灰的质量进行随机抽样。
6.2 检验项目6.2.1 型式检验6.2.1.1 拌制水泥混凝土和砂浆作掺合料的粉煤灰成品,供方必须按4.1条规定的技术要求每半年检验一次。
6.2.1.2 水泥厂启用粉煤灰作活性混合材料时,必须按4.2条规定的技术要求进行检验。
作为生产控制,要求烧失量,三氧化硫和含水量每月检验一次,28天抗压强度比每季度检验一次。
粉煤灰标准标准名称用于水泥和混凝土中的粉煤灰标准类型中华人民共和国国家标准标准号 GB 1596-91标准发布单位国家技术监督局发布标准正文1 主题内容与适用范围本标准规定了用于水泥和混凝土中的粉煤灰的技术要求、试验方法和检验规则等。
本标准适用于拌制水泥混凝土和砂浆时作掺合料的粉煤灰成品和水泥生产中作混合材料的粉煤灰。
2 引用标准GB 176 水泥化学分析方法GB 177 水泥胶砂强度检验方法GB 2419 水泥胶砂流动度试验方法3 定义:从煤粉炉烟道气体中收集的粉末称为粉煤灰。
4 技术要求4.1 拌制水泥混凝土和砂浆时,作掺合料的粉煤灰成品应满足表1要求。
表1序号指标级别Ⅰ ⅡⅢ1 细度(0.045mm方孔筛筛余,%)不大于12 20 452 需水量比,%不大于95 105 1153 烧失量,%不大于 5 8 154 含水量,%不大于 1 1 不规定5 三氧化硫,%不大于 3 3 34.2 水泥生产中作活性混合材料的粉煤灰应满足表2要求。
表2序号指标级别ⅠⅡ1 烧失量,%不大于 5 82 含水量,%不大于 1 13 三氧化硫,%不大于 3 34 28天抗压强度比, %不大于75 625 试验方法5.1 烧失量、含水量和三氧化硫按GB176进行。
5.2 细度按附录A进行。
5.3 需水量比按附录C进行。
5.4 28天抗压强度比按附录C进行。
6 检验规则6.1 组批与取样6.1.1 以连续供应的200t相同等级的粉煤灰为一批。
不足200t者按一批论,粉煤灰的数量按干灰(含水量小于1%)的重量计算。
6.1.2 取样方法6.1.2.1 散装灰取样:从运输工具、贮灰库或堆场中的不同部位取15份试样,每份试样1 ̄3kg,混合拌匀,按四分法,缩取出比试验所需量大一倍的试样(称为平均样)。
6.1.2.2 袋装灰取样:从每批任抽10袋,从每袋中分取试样不少于1kg,按6.1.2.1的方法混合缩取平均试样。
6.1.3 拌制水泥混凝土和砂浆时作掺合料的粉煤灰成品,必要时,需方可对粉煤灰的质量进行随机抽样。
粉煤灰混凝土应用技术规范GBJ146—90关于发布国家标准《粉煤灰混凝土应用技术规范》的通知(90)建标字第697号根据原国家计委计综〔1985〕1号文的要求,由水利部会同有关部门共同制订的《粉煤灰混凝土应用技术规范》,已经有关部门会审。
现批准《粉煤灰混凝土应用技术规范》GBJ146—90为国家标准。
本规范由水利部负责管理,其具体解释等工作由水利水电科学研究院负责。
出版发行由建设部标准定额研究所负责组织。
中华人民共和国建设部编制说明本规范是根据原国家计委(85)计综字1号文的要求,由水利水电科学研究院负责主编,并会同有关单位共同编制而成。
在本规范编制过程中,规范编制组进行了广泛的调查研究,认真总结了我国粉煤灰混凝土科研成果和工程的实践经验,参考了有关国际标准和国外先进标准,针对有关技术问题开展了科学研究与试验验证工作,并广泛征求了全国有关单位的意见。
最后由我部会同有关部门审查定稿。
鉴于本规范系初次编制,在执行过程中,希各单位结合工程实践和科学研究,认真总结经验,注意积累资料,如发现需要修改和补充之处,请将意见和有关资料寄交水利水电科学研究院,(地址:北京复兴路甲1号,邮政编码:100038),以供今后修订时参考。
水利部目录第一章总则第二章粉煤灰的技术要求第一节质量指标第二节试验方法第三节验收要求第三章粉煤灰混凝土的工程应用第四章粉煤灰混凝土配合比设计与粉煤灰取代水泥的最大限量第一节粉煤灰混凝土配合比设计第二节粉煤灰取代水泥的最大限量第五章粉煤灰混凝土的施工第六章粉煤灰混凝土的检验附录一粉煤灰细度试验方法附录二粉煤灰需水量比试验方法附录三粉煤灰混凝土配合比计算方法附录四名词解释附录五本规范用词说明附加说明第一章总则第1.0.1条为了正确、合理地在混凝土中应用粉煤灰,使之掺入混凝土后达到改善混凝土性能、提高工程质量、节省水泥、降低混凝土成本、节约资源等要求,以适应基本建设发展的需要,特制订本规范。
第1.0.2条本规范适用于各类工程建设中,在施工现场、集中搅拌站和预制厂,掺用粉煤灰的无筋混凝土、钢筋混凝土及预应力钢筋混凝土。
混凝土用粉煤灰新规范混凝土用粉煤灰新规范一、引言粉煤灰是指在燃煤过程中产生的灰烬,经过研磨处理后制成细粉末,常用于混凝土中,能够提高混凝土的强度、耐久性和耐化学侵蚀性。
随着粉煤灰在混凝土中的应用越来越广泛,相关的标准也需要不断更新和完善,以确保混凝土的质量和安全。
本文将介绍混凝土用粉煤灰新规范的相关内容。
二、适用范围混凝土用粉煤灰新规范适用于粉煤灰在混凝土中的应用,包括掺粉煤灰混凝土、粉煤灰砂浆、粉煤灰混凝土制品等。
同时,本规范适用于所有工程建设单位和混凝土生产企业。
三、术语和定义本规范中的术语和定义如下:1. 粉煤灰:指在燃煤过程中产生的灰烬,经过研磨处理后制成细粉末。
2. 活性粉煤灰:指经过高温煅烧或其他活化处理后的粉煤灰,具有更高的活性和反应性。
3. 控制性混凝土:指通过控制混凝土中水灰比、胶凝材料种类和用量、掺合料种类和用量等参数,使混凝土在规定的时间内达到要求的强度和耐久性。
4. 耐久性:指混凝土在长期使用中能够保持其功能和性能不发生明显变化,并且能够抵抗环境因素和化学侵蚀。
四、粉煤灰的分类和等级1. 粉煤灰按照其物理和化学性质,可以分为Ⅰ、Ⅱ、Ⅲ三个等级。
2. 粉煤灰的等级应符合国家标准《GB/T 1596-2017 粉煤灰》中规定的要求。
3. 粉煤灰掺量的选择应根据混凝土的用途、等级和要求进行合理的选择。
五、混凝土中粉煤灰的应用1. 粉煤灰的掺量应符合以下要求:(1)普通混凝土中,粉煤灰掺量不应超过混凝土中胶凝材料用量的30%;(2)高性能混凝土中,粉煤灰掺量不应超过混凝土中胶凝材料用量的50%;(3)控制性混凝土中,粉煤灰掺量应根据混凝土的要求和性质进行合理的选择。
2. 粉煤灰掺合应符合以下要求:(1)粉煤灰应与水泥、矿渣粉等掺合材料混合均匀;(2)粉煤灰掺合应与水泥、矿渣粉等掺合材料共同进行;(3)粉煤灰的掺合量应根据混凝土的用途、等级和要求进行合理的选择。
3. 粉煤灰的使用应注意以下问题:(1)混凝土中的粉煤灰应符合国家标准《GB/T 1596-2017 粉煤灰》中规定的要求;(2)粉煤灰的贮存应注意防潮、防晒、防止结块等问题;(3)粉煤灰应在混凝土配合中进行试验,以确定其掺合量和适宜的水灰比;(4)混凝土中的粉煤灰应符合混凝土强度、耐久性等要求。
粉煤灰一二三级标准
粉煤灰是一种煤燃烧后残留下来的灰烬,是一种重要的工业原材料。
在建筑、水泥、混凝土、路面等领域都有广泛的应用。
为了保证粉煤灰的质量,国家制定了一系列的标准,其中包括一、二、三级标准。
二、一级标准
一级标准是指粉煤灰的主要物理性质符合以下要求:
1.比表面积大于等于400m/kg。
2.活性指数大于等于75%。
3.细度(通过325目筛的质量分数)大于等于80%。
4.含水率小于等于3%。
5.硫酸盐含量小于等于2.5%。
6.氯离子含量小于等于0.10%。
三、二级标准
二级标准是指粉煤灰的主要物理性质符合以下要求:
1.比表面积大于等于300m/kg。
2.活性指数大于等于65%。
3.细度(通过325目筛的质量分数)大于等于70%。
4.含水率小于等于5%。
5.硫酸盐含量小于等于3.0%。
6.氯离子含量小于等于0.15%。
四、三级标准
三级标准是指粉煤灰的主要物理性质符合以下要求:
1.比表面积大于等于200m/kg。
2.活性指数大于等于50%。
3.细度(通过325目筛的质量分数)大于等于60%。
4.含水率小于等于8%。
5.硫酸盐含量小于等于4.0%。
6.氯离子含量小于等于0.20%。
五、结论
粉煤灰的一、二、三级标准分别适用于不同的工业领域和使用要求。
在实际应用中,我们要根据具体的需要选择适合的标准,以确保产品的质量和性能。
超细粉煤灰的标准要求超细粉煤灰(ultrafine fly ash)是一种细粉状的煤燃烧废弃物,由燃烧过程中排放的煤炭灰经过细磨而成。
它在建筑材料、混凝土、水泥、路面铺装等领域有广泛的应用。
为了确保超细粉煤灰的质量和性能,制定了一系列的标准要求。
本文将详细介绍超细粉煤灰的标准要求。
首先,超细粉煤灰应符合国家或国际标准的要求。
根据不同国家或地区的要求,超细粉煤灰的标准可能会有所不同。
一般来说,超细粉煤灰的国际标准要求包括物理性质、化学成分和颗粒分布等方面。
物理性质包括比表面积、吸水性、密度等指标;化学成分包括无机成分、有机物含量等指标;颗粒分布包括粒径分布、粒度分布等指标。
超细粉煤灰应按照国家或地区的标准进行检测,确保其符合标准要求,以保证其在实际应用中的性能和安全。
其次,超细粉煤灰的比表面积应达到一定数值。
比表面积是指单位质量的超细粉煤灰拥有的表面积。
通常以平方米/千克(m²/kg)为单位来表示。
由于超细粉煤灰的颗粒非常细小,其比表面积远远大于普通粉煤灰和煤炭灰。
比表面积的增加可以提高超细粉煤灰的活性和胶凝性能。
一般来说,超细粉煤灰的比表面积应达到300m²/kg以上。
此外,超细粉煤灰的化学成分也应符合要求。
化学成分对超细粉煤灰的性能和用途有重要影响。
常见的化学成分包括二氧化硅(SiO₂)、氧化铝(Al₂O₃)、氧化铁(Fe₂O₃)等。
超细粉煤灰的化学成分应在一定范围内,既能满足特定的使用要求,又能保证其稳定性和安全性。
此外,超细粉煤灰的颗粒分布也是标准要求之一。
颗粒分布可以影响超细粉煤灰的流动性和分散性。
一般来说,超细粉煤灰的颗粒分布应均匀,不应有大颗粒的存在。
其颗粒大小应符合国家标准要求,以确保其在混凝土和其他建筑材料中的均匀分散性和稳定性。
总之,超细粉煤灰的标准要求包括国家或国际标准要求、比表面积、化学成分和颗粒分布等方面。
超细粉煤灰应符合标准要求,以保证其质量和性能。
粉煤灰的标准粉煤灰是一种常用的混凝土掺合料,其质量对混凝土的性能有着重要影响。
因此,制定粉煤灰的标准对于保证混凝土质量、推动建筑行业的可持续发展具有重要意义。
本文将从粉煤灰的物理性质、化学性质、掺量标准等方面进行详细介绍,希望能够对相关行业提供一定的参考。
首先,粉煤灰的物理性质包括外观、颗粒度、比表面积等指标。
粉煤灰通常为细粉末状,灰色或灰白色,颗粒度较细,通常比水泥的颗粒度要小。
比表面积是评价粉煤灰细度的重要指标,粉煤灰的比表面积较大,有利于提高混凝土的强度和耐久性。
其次,粉煤灰的化学性质包括主要化学成分、活性指标等。
粉煤灰的主要化学成分主要是氧化硅、氧化铝和氧化铁等,这些成分对混凝土的性能有着重要影响。
活性指标是评价粉煤灰活性的重要指标,活性较高的粉煤灰可以在混凝土中起到更好的填充作用,提高混凝土的强度和耐久性。
最后,粉煤灰的掺量标准是制定粉煤灰标准的重要内容。
掺量标准应根据混凝土的用途和性能要求来确定,一般情况下,掺量不宜过大,以免影响混凝土的工作性能和强度。
同时,应根据粉煤灰的物理性质和化学性质来确定合适的掺量范围,以保证混凝土的性能稳定。
综上所述,粉煤灰的标准是保证混凝土质量、推动建筑行业可持续发展的重要保障。
制定粉煤灰的标准需要充分考虑其物理性质、化学性质和掺量标准等因素,以期望能够为相关行业提供参考,推动行业的发展和进步。
希望本文的内容能够对相关行业有所帮助,也希望相关行业能够对粉煤灰的标准进行更加深入的研究和探讨,为行业的发展贡献力量。
粉煤灰标准标准名称用于水泥和混凝土中的粉煤灰标准类型中华人民共和国国家标准标准号GB1596-91标准发布单位国家技术监督局发布标准正文1主题内容与适用范围本标准规定了用于水泥和混凝土中的粉煤灰的技术要求、试验方法和检验规则等。
本标准适用于拌制水泥混凝土和砂浆时作掺合料的粉煤灰成品和水泥生产中作混合材料的粉煤灰。
2引用标准GB176水泥化学分析方法GB177水泥胶砂强度检验方法GB2419水泥胶砂流动度试验方法3定义:从煤粉炉烟道气体中收集的粉末称为粉煤灰。
4技术要求4.1 拌制水泥混凝土和砂浆时,作掺合料的粉煤灰成品应满足表1要求。
表1序号指标级别ⅠⅡⅢ1细度(0.045mm方孔筛12 20 45筛余,%)不大于2需水量比,%不大于95 105 1153烧失量,%不大于 5 8 154含水量,%不大于 1 1 不规定5三氧化硫,%不大于 3 3 34.2 水泥生产中作活性混合材料的粉煤灰应满足表2要求。
表2序号指标级别ⅠⅡ1烧失量,%不大于 5 82含水量,%不大于 1 13三氧化硫,%不大于 3 3428天抗压强度比, %不大于75 625试验方法5.1 烧失量、含水量和三氧化硫按GB176进行。
5.2细度按附录A进行。
5.3需水量比按附录C进行。
5.428天抗压强度比按附录C进行。
6检验规则6.1组批与取样6.1.1以连续供应的200t相同等级的粉煤灰为一批。
不足200t者按一批论,粉煤灰的数量按干灰(含水量小于1%)的重量计算。
6.1.2取样方法6.1.2.1散装灰取样:从运输工具、贮灰库或堆场中的不同部位取15份试样,每份试样1 ̄3kg,混合拌匀,按四分法,缩取出比试验所需量大一倍的试样(称为平均样)。
6.1.2.2袋装灰取样:从每批任抽10袋,从每袋中分取试样不少于1kg,按6.1.2.1的方法混合缩取平均试样。
6.1.3拌制水泥混凝土和砂浆时作掺合料的粉煤灰成品,必要时,需方可对粉煤灰的质量进行随机抽样。
粉煤灰排放标准
粉煤灰排放标准根据设备类型有所不同。
对于工业锅炉,粉煤灰的排放限值是小于50mg/Nm³;对于燃气轮机和燃气锅炉,粉煤灰的排放限值则是小于10mg/Nm³。
此外,含灰量也有相应的排放标准,以耐火材料指导标准和水泥工业污染物排放标准两项标准为依据。
其中,耐火材料指导标准规定含灰量应≤30mg/m³;水泥工业污染物排放标准规定含灰量应≤50mg/m³。
此外,粉煤灰的排放也受到地区和时间等因素的影响。
在某些地区,政府会根据实际情况制定更加严格的排放标准,以保护环境和人民健康。
同时,随着技术的不断进步和环保意识的提高,粉煤灰的排放标准也在不断调整和完善。
为了满足粉煤灰排放标准,企业需要采取一系列措施。
首先,需要改进燃烧设备,提高燃烧效率,减少粉煤灰的产生。
其次,需要加强粉煤灰的处理和利用,提高资源利用率,减少对环境的影响。
最后,需要加强监管和监测,确保企业遵守相关法规和标准。
总之,粉煤灰排放标准是保护环境和人民健康的重要措施。
企业需要加强管理和技术创新,确保遵守相关法规和标准,为可持续发展做出贡献。
以上信息仅供参考,如需了解更多信息,建议咨询专业人士。
1。
粉煤灰标准
标准名称用于水泥和混凝土中的粉煤灰
标准类型中华人民共和国国家标准
标准号 GB 1596-91
标准发布单位国家技术监督局发布
标准正文
1 主题内容与适用范围
本标准规定了用于水泥和混凝土中的粉煤灰的技术要求、试验方法和检验规则等。
本标准适用于拌制水泥混凝土和砂浆时作掺合料的粉煤灰成品和水泥生产中作混合材
料的粉煤灰。
2 引用标准
GB 176 水泥化学分析方法
GB 177 水泥胶砂强度检验方法
GB 2419 水泥胶砂流动度试验方法
3 定义:从煤粉炉烟道气体中收集的粉末称为粉煤灰。
4 技术要求
4.1 拌制水泥混凝土和砂浆时,作掺合料的粉煤灰成品应满足表1要求。
表1
4.2 水泥生产中作活性混合材料的粉煤灰应满足表2要求。
表2
5 试验方法
5.1 烧失量、含水量和三氧化硫
按GB176进行。
5.2 细度
按附录A进行。
5.3 需水量比
按附录C进行。
5.4 28天抗压强度比
按附录C进行。
6 检验规则
6.1 组批与取样
6.1.1 以连续供应的200t相同等级的粉煤灰为一批。
不足200t者按一批论,粉煤灰的数量
按干灰(含水量小于1%)的重量计算。
6.1.2 取样方法
6.1.2.1 散装灰取样:从运输工具、贮灰库或堆场中的不同部位取15份试样,每份试样1
 ̄3kg,混合拌匀,按四分法,缩取出比试验所需量大一倍的试样(称为平均样)。
6.1.2.2 袋装灰取样:从每批任抽10袋,从每袋中分取试样不少于1kg,按
6.1.2.1的方法
混合缩取平均试样。
6.1.3 拌制水泥混凝土和砂浆时作掺合料的粉煤灰成品,必要时,需方可对粉煤灰的质量进行随机抽样。
6.2 检验项目
6.2.1 型式检验
6.2.1.1 拌制水泥混凝土和砂浆作掺合料的粉煤灰成品,供方必须按4.1条规定的技术要求每半年检验一次。
6.2.1.2 水泥厂启用粉煤灰作活性混合材料时,必须按4.2条规定的技术要求进行检验。
作为生产控制,要求烧失量,三氧化硫和含水量每月检验一次,28天抗压强度比每季度检验一次。
6.2.1.3 当电厂的煤种和设备工艺条件变化时,也应及时检验。
6.2.2 交货检验
6.2.2.1 拌制水泥混凝土和砂浆作掺合料的粉煤灰成品,供方必须按6.1条要求,进行细
度、烧失量和含水量检验。
6.2.2.2 水泥厂作活性混合材料使用的粉煤灰,供方必须按6.1条要求,进行烧失量和含
水量检验。
6.3 检验结果评定
6.3.1 符合本标准第4章各级技术要求的为等级品。
若其中任何一项不符合要要求的,应重新加倍取样,进行复验。
复验不合格的需降级处理。
6.3.2 凡低于第4章技术要求中最低级别技术要求的粉煤灰为不合格品。
6.3.3 按4.2条技术要求,28天抗压强度比指标低于62%的粉煤灰,可作为水
泥生产中的非活性混合材料。
6.3.4 粉煤灰出厂合格证,内容包括: a.厂名和批号; b.合格证编号及日期;
c.粉煤灰的级别及数量;
d.质量检验结果。
7 包装、标志、运输和贮存
7.1 袋装粉煤灰的包装袋上应清楚标明“粉煤灰”、厂名、级别、重量、批号及包装日期。
7.2 粉煤灰运输和贮存时,不得与其他材料混杂。
并注意防止受潮和污染环境。
附录A
粉煤灰细度测定方法(补充件)
A1 适用范围本附录适用于粉煤灰细度的测定。
A2 仪器
采用气流筛析仪(又称负压筛析仪)。
主要由筛座、筛子、真空源及收尘器等组成,
利用气流作为筛分的动力和介质,通过旋转的喷嘴喷出的气流作用使筛网里的待测粉
状物料呈流态化,并在整个系统负压的作用下将细颗粒通过筛网抽走,从而达到筛分
的目的。
示意图如下。
为止。
A3 试验步骤
A3.1 称取试样50g,精确至0.1g。
倒入0.045mm方孔筛筛网上,将筛子置于筛座上,盖上筛盖。
A3.2 接通电源,将定时开关开到3min,开始筛析。
A3.3 开始工作后,观察负压表,负压大于2000Pa时,表示工作正常,若负压小于2000Pa,
则应停机,清理收尘器中的积灰后再进行筛析。
A3.4 在筛析过程中,可用轻质木棒或硬橡胶棒轻轻敲打筛盖,以防吸附。
A3.5 3min后筛析自动停止,停机后将筛网内的筛余物收集称量,准确至0.1g。
A4 结果计算
筛余百分数X(%)按式(A1)计算:
X=G×2 ………………………………(A1)
式中:G——筛余物重量。
附录B
粉煤灰需水量比测定方法(补充件)
B1 适用范围
本附录适用于粉煤灰需水量比的测定。
B2 方法原理
本测定方法是依GB2419分别测定试验样品和对比样品达到同一流动度125 ̄135mm范围的加水量之比。
B3 样品
B3.1 试验样品:90g粉煤灰,210g硅酸盐水泥和750g标准砂。
B3.2 对比样品:300g硅酸盐水泥,750g标准砂。
B4 试验步骤
按GB2149进行。
分别测定试验样品的流动度达到125 ̄135mm时的需水量
W[1](mL)和对比样品达到同一流动度时的需水量 W[2](mL)。
B5 结果计算
粉煤灰需水量比按式(B1)计算:
W1
需水量比=───×100 ………………………………(B1)
W2
计算结果取整数。
附录C
粉煤灰水泥胶砂28天抗压强度比试验方法(补充件)
C1 适用范围
本附录适用于测定水泥胶砂28天抗压强度比。
C2 方法原理
水泥胶砂抗压强度比按GB177进行,分别测定试验样品的28天抗压强度R[1]和对比样品
的28天抗压强度R[2]。
C3 试样制备
C3.1 粉煤灰
a.含水量小于1%;
b.细度(0.080mm方孔筛筛余)5% ̄7%。
C3.2 硅酸盐水泥
a.安定性必须合格;
b.抗压强度大于42.5MPa;
c.比面积290 ̄310m2/kg;
d.石膏掺入量(外掺)以SO3计为1.5% ̄2.5%。
C4 样品
C4.1 试验样品:162g粉煤灰,378g硅酸盐水泥和1350g标准砂。
C4.2 对比样品:540g硅酸盐水泥,1350g标准砂。
C4.3 成型加水量:对比样品238mL,试验样品按水泥胶砂流动度125 ̄135mm时的水灰比计算。
C5 试验步骤
按GB177进行,分别测定试验样品的28天抗压强度R1和对比样品28天抗压强度R2。
C6 结果计算
粉煤灰水泥胶砂28天抗压强度比(%)按式(C1)计算:
R1
28天抗压强度比=───×100 ………………………………(C1)
R2
计算结果取整数。
(本标准由国家建筑材料工业局、能源部提出。
)。