柱下条形基础设计课程设计
- 格式:doc
- 大小:875.00 KB
- 文档页数:12
由平面图和荷载可知A 、B 、C 轴的基础受力情况相同。
所以在计算时,只需对B 轴的条形基础进行计算。
一、B 轴基础尺寸设计1、确定基础底面尺寸并验算地基承载力由已知的地基条件,地下水位埋深3m ,假设基础埋深2m (基础底面到室外地面的距离),持力层为灰褐色粉质粘土层。
(1)求修正后的地基承载力特征值85.09.0>=e ,查得0=b η,0.1=d η,3/725.170.25.04.185.15.17m kN m =⨯+⨯=γkPa d f f m d ak a 59.151)5.02(725.170.1125)5.0(=-⨯⨯+=-+=γη(2)初步确定基础宽度设条形基础两端均向外伸出m 87.16.53/1=⨯ 基础总长m l 74.31287.156.5=⨯+⨯= 则基础底面在单位1m 长度内受平均压力kN F k 57.21635.174.312131041665=⨯⨯+⨯=所以:m d f F b G a k 94.10.22059.15157.216=⨯-=-≥γ取b=2.0m 设计。
(3)计算基底压力并验算 基底处的总竖向荷载为:kN G F k k 57.2960.20.20.12057.216=⨯⨯⨯+=+基底平均压力为:kPa f kPa A G F p a k k k 59.1513.1480.10.257.296=<=⨯=+=满足条件。
2、验算软弱下卧层承载力选承载力较低层灰色淤泥质粉质粘土进行验算由342.18.34.521<==s s E E ,5.085.20.27.5>==b z 取︒=23θ软弱下卧层顶面以上的加权平均重度: 下卧层顶面处的附加应力:[]kPa z b p p b p c k z 75.234245.08.626.12177253.1480.2tan 2)(=⨯⨯+⨯-⨯=+-=θ 下卧层顶面处的自重应力值为:245.1567.5)1019(5.08.185.14.185.15.17=⨯-+⨯+⨯+⨯=cz p kPa下卧层承载力特征值为:)5.0(-++=z d f f m d azk az γη)5.07.8(98.170.195-⨯⨯+=kPa 436.242=kPa f kPa p p az cz z 436.24245.18945.15633=<=+=+软弱下卧层承载力满足要求 3、验算地基沉降量(1)求基底压力和基底附加应力基础底面处土的自重应力kPa d cz 45.355.04.185.15.17=⨯+⨯==γσ 基底平均压力按准永久荷载计算kPa p 19.1860.274.31274.312209280=⨯⨯⨯⨯+=基底附加应力kPa p p cz 74.15045.3519.1860=-=-=σ确定沉降计算深度mm smm s in ∑=≥=∆89.1025.032.2,但相差不大,所以Zn=5m ,符合要求。
课程设计课程名称:基础工程设计题目:柱下钢筋混凝土条形基础设计院系:土木工程专业:年级:姓名:指导教师:一、基本资料图1为某框架结构柱网布置图。
已知B轴线上边柱荷载设计值F1,中柱荷载设计值F2,初选基础埋深为d,地基土承载力特征值f a,设计参数的值见表1,试设计B轴线上条形基础JL—2。
图1 柱网平面布置图表1 设计参数项目学号尾数(0,5)学号尾数(1,6)学号尾数(2,7)学号尾数(3,8)学号尾数(4)学号尾数(9)柱荷载F (kN) F11080kN 1000kN 1200kN1200kN1200kN1000kNF21310kN 1200kN 1400kN1400kN1400kN1200kN柱间距L (m) L16m 5.4m 7.2m 7.2m 5.4m 5.2m L29m 7.2m 9m 9m 7.2m 6m基础埋深d 1.5m 1.5m2m2m 1.5m 1.5m承载力特征值f a 120kPa 120kPa 150kPa120kPa150kPa120kPa二、设计要求1. 进行基础平面布置;2. 确定基础底宽、长度、肋梁高度、翼板厚度;3. 取结构计算简图;4. 结构计算,按倒梁法计算基础内力。
5、根据内力进行配筋。
(不要求,建工卓班的可用PKPM计算后输出配筋图)三、柱下条形基础计算书1、基础平面布置根据学号整理相应设计参数数据如下表1:表1 题目各类设计数据参数表学号尾数F1F2L1L2基础埋深d承载力特征值f a(2,7)1200kN 1400kN 7.2m 9m 2m 150kPa 由题目可知,根据以上设计参数,画出基础平面布置图如图1所示:图3.2.1 基础平面布置图 2、确定基础底宽、长度、肋梁高度、翼板厚度 1) 求荷载合力重心位置设合力作用点与边柱A 的距离为c x ,据合力矩定理,以A 点为参考点,则有:14007.214007.2214007.2314007.2412007.25181200214004ik icikF x x mF⨯+⨯⨯+⨯⨯+⨯⨯+⨯⨯===⨯+⨯∑∑2)确定基础梁的长度和外伸尺寸基础梁两端外伸长度为1a 、2a ,取边跨的0.25倍。
. . . .某框架结构柱下条形基础设计(倒梁法)一、设计资料1、某建筑物为7层框架结构,框架为三跨的横向承重框架,每跨跨度为7.2m;边柱传至基础顶部的荷载标准值和设计值分别为:Fk=2665KN、Mk=572KN•M、Vk=146KN,F=3331KN、M=715KN•M、V=182KN;中柱传至基础顶部的荷载标准值和设计值分别为:Fk=4231KN、Mk=481KN•M、Vk=165KN,F=5289KN、M=601KN •M、V=206KN。
2、根据现场观察描述,原位测试分析及室内试验结果,整个勘察范围内场地地层主要由粘性土、粉土及粉砂组成,根据土的结构及物理力学性质共分为7层,具体层位及工程特性见附表。
勘察钻孔完成后统一测量了各钻孔的地下水位,水位埋深平均值为0.9m,本地下水对混凝土无腐蚀性,对钢筋混凝土中的钢筋无腐蚀性。
3、根据地质资料,确定条基埋深d=1.9m;二、内力计算1、基础梁高度的确定取h=1.5m 符合GB50007-2002 8.3.1柱下条形基础梁的高度宜为柱距的11~48的规定。
2、条基端部外伸长度的确定据GB50007-2002 8.3.1第2条规定外伸长度宜为第一跨的0.25倍考虑到柱端存在弯矩及其方向左侧延伸0.250.257.2 1.8l m m =⨯=为使荷载形心与基底形心重合,右端延伸长度为ef l ,ef l 计算过程如下:a . 确定荷载合力到E 点的距离o x :333137.2528927.271526012182 1.52206 1.523331252892o x ⨯⨯+⨯⨯-⨯-⨯-⨯⨯-⨯⨯=⨯+⨯得18239610.5817240o x m ==b . 右端延伸长度为ef l :(1.8 2.77.2210.58)2 1.87.23 2.24ef l m =++⨯-⨯--⨯= 3、地基净反力j p 的计算。
对E 点取合力距即:0E M ∑=,22.242.2433317.2352897.23(25.64 2.24)0.5(71526012)(1821.522061.52)02j j p p ⨯⨯+⨯⨯+⨯⨯--⨯-⨯+⨯-⨯⨯+⨯⨯=即271.2712182396672.3751j j KNp p m=⇒=4、确定计算简图5、采用结构力学求解器计算在地基净反力Pj 作用下基础梁的内力图xA B C DE F 1089.251804.252868.92-2020.413469.922946.05-1149.01971.85-2180.781686.85弯矩图(KN ·M )xA B C DE F( 1 )( 2 )( 3 )( 4 )( 5 )1210.28-2272.682568.42-2493.312347.792062.88-1506.12剪力图(KN )6、计算调整荷载i p ∆由于支座反力与原柱端荷载不等,需进行调整,将差值i p ∆折算成调整荷载i q ∆3331(1210.282272.68)151.96B p KN KN ∆=-+=- 5289(2568.422493.31)227.27C p KN KN ∆=-+= 5289(2347.792778.22)162.99D p KN KN ∆=-+=3331(2062.881506.12)238B p KN KN ∆=-+=-对于边跨支座11113()o p q l l ∆∆=+ o l 为边跨长度;1l 为第一跨长度。
(一) 目录一、 工 程 概 况.................................................. 2 二、 地 质 资 料.................................................. 2 三、 设 计 要 求.................................................. 3 四、 设 计 步 骤.................................................. 3 五、 工作量....................................................... 4 六、内力计算 (4)(一) 确定基础埋深................................................. 4 (二) 确定基础梁的高度、长度和外伸尺寸............................. 4 (三) 持力层和软弱下卧层的验算..................................... 5 (四) 肋梁的弯矩和剪力计算......................................... 6 七、配筋计算 (7)(一) 基础配筋计算................................................. 7 1. 基础梁配筋计算: .............................................. 7 2. 正截面受弯配筋计算 ............................................ 8 3. 箍筋计算 ...................................................... 9 (二) 基础底板配筋计算............................................. 9 1. 横向钢筋计算 ................................................. 10 八、沉降差的计算 (11)1. 土层分层情况 ................................................. 11 2. 边基础自身沉降计算 ........................................... 11 3. 相邻基础的影响沉降 ........................................... 12 4. 2B 点的最终沉降量 ............................................. 15 5. 1B 点和2B 点沉降差 (15)某框架结构条形基础设计计算书一、工程概况威海近郊五层两跨钢筋混凝土框架结构(相当于七层以上民用建筑),车间有三排柱,柱截面尺寸为400×600mm2,平面图如图1。
2016某框架结构柱下条形基础设计某框架结构柱下条形基础设计(倒梁法)一、设计资料1、某建筑物为7层框架结构,框架为三跨的横向承重框架,每跨跨度为7.2m;边柱传至基础顶部的荷载标准值和设计值分别为:Fk=2665KN、Mk=572KN?M、Vk=146KN,F=3331KN、M=715KN?M、V=182KN;中柱传至基础顶部的荷载标准值和设计值分别为:Fk=4231KN、Mk=481KN?M、Vk=165KN,F=5289KN、M=601KN?M、V=206KN。
2、根据现场观察描述,原位测试分析及室内试验结果,整个勘察范围内场地地层主要由粘性土、粉土及粉砂组成,根据土的结构及物理力学性质共分为7层,具体层位及工程特性见附表。
勘察钻孔完成后统一测量了各钻孔的地下水位,水位埋深平均值为0.9m,本地下水对混凝土无腐蚀性,对钢筋混凝土中的钢筋无腐蚀性。
3、根据地质资料,确定条基埋深d=1.9m;二、内力计算1、基础梁高度的确定取h=1.5m 符合GB50007-2002 8.3.1柱下条形基础梁的高度宜为柱距的11~的规定。
482、条基端部外伸长度的确定据GB50007-2002 8.3.1第2条规定外伸长度宜为第一跨的0.25倍考虑到柱端存在弯矩及其方向左侧延伸0.25l?0.25?7.2m?1.8m为使荷载形心与基底形心重合,右端延伸长度为lef,lef计算过程如下:a . 确定荷载合力到E点的距离xo:基础工程(含地基基础与上部结构共同作用)课程设计xo=3331?3?7.2+5289?2?7.2-715?2-601?2-182?1.5?2-206?1.5?2 3331?2+5289?2182396得xo==10.58m 17240b . 右端延伸长度为lef:lef=(1.8+2.7+7.2?2-10.58)?2-1.8-7.2?3=2.24m3、地基净反力pj的计算。
对E点取合力距即:∑ME=0,2.24+3331?7.2?3+5289?7.2?3-pj(25.64-2.24)2?0.5-(715?2+601?2)-(182?1.5?2 +206?1.5?2)=02pj?2.24?即271.2712pj=182396?pj=672.3751KN4、确定计算简图5、采用结构力学求解器计算在地基净反力Pj作用下基础梁的内力图-2020.41A1804.25-1149.01-2180.78F弯矩图(KN·M)- 1 - x基础工程(含地基基础与上部结构共同作用)课程设计2568.421210.28A2347.792062.88F-2778.22剪力图(KN)6、计算调整荷载?pi由于支座反力与原柱端荷载不等,需进行调整,将差值?pi折算成调整荷载?qi-(1210.28+2272.68)KN=-151.96KN ?pB=3331x?pC=5289-(2568.42+2493.31)KN=227.27KN ?pD=5289-(2347.79+2778.2 2)KN=162.99KN ?pB=3331-(2062.88+1506.12)KN=-238KN 对于边跨支座?q1=?p1lo为边跨长度;l1为第一跨长度。
邮电与信息工程学院课程设计说明书课题名称:柱下钢筋混凝土条形基础设计学生学号:专业班级:学生姓名:学生成绩:指导教师:课题工作时间:2018.5.27至2018.6.7课程设计评审标准<指导教师用)武汉工程大学环境与城市建设学院基础工程课程设计指导书设计题目:柱下钢筋混凝土条形基础设计学生姓名:指导教师:武汉工程大学环境与城市建设学院土木工程教研室二零一四年五月十日武汉工程大学环境与城市建设学院土木工程专业课程设计指导书一、设计原则1、结构布置必须全面、正确地体现经济合理;2、结构构件必须具有足够的承载力、刚度、稳定性和耐久性等方面的要求;3、地基必须满足的承载力、稳定性和变形等方面的要求;二、基础结构布置的选择本工程是办公大楼,上部结构采用框架结构体系。
基础选型可根据柱网尺寸、荷载及工程地质情况,进行技术经济比较、论证,可对比其他基础型式,说明采用本设计的适宜性和优越性。
合理的选择经济合理的基础结构布置方案。
三、持力层的选择及基础埋深的确定根据工程地质资料和气象资料选择持力层和计算确定基础埋深。
注意:在满足地基稳定和变形要求的前提下,基础应尽量浅埋。
四、确定基础底面尺寸按构造要求确定基础梁长度l,在根据持力层的地基承载力特征值、基础埋深,初步确定基础底面宽度。
应满足以下条件:;;五、地基计算1、地基承载力验算。
1)持力层的地基承载力特征值的修正;根据初步确定的基础尺寸,考虑是否对地基承载力进行宽度修正,并调整基底尺寸满足上述要求。
2)软弱下卧层地基承载力验算。
软弱下卧层验算应满足:注意:计算软弱下卧层顶面处的附加应力应按下式:2、地基变形验算。
六、基础的结构和构造设计1、计算确定基础梁高度为满足简化计算法的条件,要求条形基础具有足够的相对刚度,条形基础的高度应不小于平均柱距的1/6,即:2、计算确定基础底板高度基础内不配置箍筋和弯起筋,基础底板高度由混凝土受剪承载力确定。
3、基础底板配筋计算根据基础底板受弯破坏特征,可将基础板看成在地基净反力作用下,固定在基础梁边的悬臂板,按所受的弯矩计算底板的配筋。
柱下条形基础设计一、总则1.本设计依据《建筑地基基础设计规范》(GB5007-2002)和《混凝土结构设计规范》(GB5010-2002)。
2.上部结构资料上部为四层框架,层高为 4.5m,框架柱、主梁、次梁、板都为现浇整体式,主梁截面2⨯,楼板厚10cm,柱子截面2⨯,楼4050cm2560cm⨯,次梁截面23080cm屋面活荷载2kN m。
8/①轴线荷载(基本组合)3、结构平面图和剖面图柱网平面图结构剖面图4.地基资料地基持力层承载力特征值155ak f kPa =,地基下卧层承载力特征值70ak f kPa =。
根据地质情况,基础室外埋深定为 1.5d m =。
建筑物位于非地震区,不考虑地震影响。
本地基基础设计的等级属可不作地基变形计算的丙级的建筑物范围。
二、决定柱下条形基础底面尺寸,并验算持力层和软弱下卧层承载力 (一)确定基础梁的外挑长度0l 与基础梁总长。
原则:基础底面的形心应尽可能与上部荷载的合力作用线重合。
()() 3.5(13891463)9.2(18111814) 3.59 5.4 6.710.9681.11A DBC A B C Dp x p p p p M M M M ⨯=-+-⨯+++-=-⨯+-⨯+++-=-681.11681.110.11(1389181118141463)x m F --∴===-+++∑ 假设左边伸出0.5m,则为保证合力在基底形心,右边伸出0.72m ,为了简便计算,暂取左边及右边均伸出0.5m 。
(二)确定基底尺寸,并验算持力层和软弱下卧层得承载力。
(按荷载标准组合计算)1.按持力层的承载力决定宽度b 。
(先填土再施工上部结构)()ka Fb L f d γ>-⨯∑因为 1.50.5d m m =>,ak f 应当进行深度修正,根据持力层粘土性质查规范承载力修正系数表得:0.3b η= 1.6d η=00.717.00.818.8(0.5)155 1.6(1.50.5)183.74()1.5a ak d f f d kPa ηγ⨯+⨯=+-=+⨯-=(1389181118141463)/1.351.67()19.4(183.7420 1.8)b m +++≥=⨯-⨯取 2.0b m =(考虑地基基础共同工作时边跨处基底反力有所增大)。
柱下条形基础课程设计基础工程课程设计专业?建筑工程班级?建工072班指导教师?胡兴设计日期?2010年6月20日?26日贵州大学土木建筑工程学院地下工程系2010年6月1/17页基础工程课程设计一、确定柱下条形基础底面尺寸?并验算持力力层和软弱下卧层的承载力图?包括荷载、尺寸等?如图: 1、绘出条形基础梁的计算简荷载表柱位 F M VA 928.59 -68.43 30.71B 2104.66 48.69 -16.92C 1875.11 -29.75 6.28D 841.44 53.01 -19.695749.8 3.52 0.382 、求荷载合力重心位置设合力作用点与边柱?的距离为?c据合力矩定理?以?点为参考点?则有?FiXi?928.59;0;2104.66;6;1875.11;12;541.44;18?50275.2KN.mFiXi;Mi50275.20;3.52 Xc8.70mFi5449.80- 1 -2/17页3确定基础梁的长度和外伸尺寸设基础梁两端外伸的长度为?、?两边柱之间的轴线距离为?。
12 为使其合力作用点与基底形心相重合或接近?基础梁两端可有适当的长度伸出边柱外。
但伸出长度也不宜太大?一般取第一跨距的0.25 0.30倍即为1.5-1.8m故可取?=1.6m 1由? =8.70m =1.6m按合力作用点与基底形心相重合的原则?定出基础梁的c1长度??则有?2c 1 =28.70 + 1.6=20.6 m2 a1=20.6 - 18- 1.6=1.0 m4按地基持力层的承载力确定基础梁的宽度?假设基础埋深d=1.2m0.5m应对持力层承载力进行深度修正?即?;;fa fak ηdγm 0.5 =138+1.018.7(1.2-0.5)=151.1kPa;且 1.1 fa = 1.1138 = 151.8 KPa故取fa = 151.8 KPaFi5749.8~1.35b:??1.630mL(Fa;20d)20.6;(154.8;20;1.4)此时有故取b = 2.0m 小于3m 无需进行地基承载力的宽度修正?持力层的地基承载力设计值为fa = 151.8 KPa5软弱下卧层的强度验算查阅工程也地质图?选取钻孔所测得的地层各分层的平均深度进行验算?地层分层情况如下图所示?- 2 -3/17页0由Es1/Es2=8/3=2.67 Z/b=3.7/2.0>0.5 查表可知θ=22.67 tanθ=0.4177下卧层顶面处的自重应力?,cz?16.8x0.2;18.7x1.2;(19.6;10)x3.7?61.3KpaF?Fi;Gk?5749.8;20x2.0x20.6x1.2?6738.6KN基底处的总竖向力?P=F/A=6738.6/20.6X2.0= 163.6kpa >f =151.8kpa, 不满足要求ak扩大基地宽度取b=2.3m 则可知?F?Fi;Gk?5749.8;20x2.3x20.6x1.2?6886.9KNP=F/A=6886.9/20.6X2.3= 145.4kpa=151.8kpa,满足要求 ak基底处的土的自重应力为?,cd?16.8x0.2;18.7x1.0?22.1kpa,b(Pk;cd)2.3x(145.4;22.1),则z???52.6kpa,b;ztan2.3;2x3.7x0.4177下卧层承载力特征值?cz63.1,12.4kN/m3,d;z5.1faz?fak;(,(d;0.5)?80;1.0x12.4x(5.1;0.5)?137.0kpa 验算σcz σz =63.1 + 52.6 =115.7kpa faz =137.0kpa 满足要求故所选取的基地尺寸及埋深满足承载力要求6、考虑?max时的荷载组合?验算持力层的地基承载力?梁长方向?2 22初设基础高度?=1.2mA=bl=2.0x20.6 = 41.2mw=bl=2.0x20.6/6=141.45 0M?Mi;ViH?3.52;0.38;1.2?4.0KN.mFiG6M;;Pmax145.4 + 64.0/141.45=145.6 kpa 1.2fa ?;?Abl2FiG6M;;Pmin145.4 - 64.0/141.45=145.2 kpa 0 ?;?Abl2故满足要求。
柱下条形基础课程设计任务书一、设计任务某多层钢筋混凝土框架结构房屋的基础。
根据上部结构及现场地基情况采用柱下条形基础。
二、设计依据《建筑地基基础设计规范》(GB50007-2002)《混凝土结构设计规范》(GB50010-2002)三、设计要求计算书要求: 完成一榀框架柱下条形基础的计算,计算书中应包括必要的设计资料、计算简图、详细完整的计算过程和结果以及构造草图。
具体计算内容有:⒈工程概况⒉选择地基持力层,确定基础的埋置深度⒊计算修正后的地基承载力特征值⒋确定柱下条基底面尺寸,并验算软弱下卧层的承载力⒌地基梁的内力计算(按调整倒梁法)⒍地基梁正截面抗弯强度设计⒎地基梁斜截面抗剪强度设计⒏地基梁翼板配筋设计⒐地基梁最终配筋简图施工图要求: 完成一张2#图纸,要求给出地基梁施工所需的全部图样、尺寸、数据及说明,达到能交付施工的程度。
具体图样有:⒈地基梁配筋立面详图⒉地基梁钢筋大样图⒊地基梁配筋剖面详图⒋施工说明四、设计资料⒈上部结构资料:上部为四层框架,框架梁、柱及基础为现浇,屋面及楼面为预制预应力钢筋混凝土多孔板。
柱截面为400×400mm,柱网平面布置如图1所示(题号详见表1)。
荷载组合情况参见图2。
⒉场地工程地质条件:建筑场区地势平坦,地层组成参见图3~6。
建筑物所在区域为非震区,不考虑地震影响。
⒊材料:基础混凝土采用C20,垫层C10。
钢筋公称直径在12mm以上者,采用HRB335级钢筋;12mm 及以下者,采用HPB235级钢筋。
注:1)采用1-1剖面方向进行条形基础设计计算; 2)图2中所示方向为荷载正方向;3.)表1中的N k,M k,V k为荷载效应标准组合。
柱下条形基础课程设计指导书一、设计计算步骤:(一)确定柱下条形基础底面尺寸,并验算持力力层和软弱下卧层的承载力⒈ 绘出条形基础梁的计算简图,包括荷载、尺寸等,如图。
⒉ 求荷载合力重心位置。
设合力作用点与边柱A的距离为xc ,据合力矩定理,以A点为参考点,则有: ∑Fik xi + ∑Mikxc = ────────── ∑Fik⒊ 确定基础梁的长度和外伸尺寸。
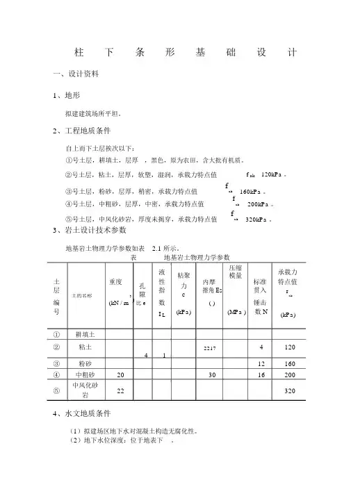
柱下条形基础设计一、设计资料 1、地形拟建建筑场所平坦。
2、工程地质条件自上而下土层挨次以下:①号土层,耕填土,层厚 ,黑色,原为农田,含大批有机质。
②号土层,粘土,层厚,软塑,湿润,承载力特点值 f ak 120kPa 。
③号土层,粉砂,层厚,稍密,承载力特点值 fak160kPa 。
④号土层,中粗砂,层厚,中密,承载力特点值f ak200kPa 。
⑤号土层,中风化砂岩,厚度未揭穿,承载力特点值fak320kPa 。
3、岩土设计技术参数地基岩土物理力学参数如表 2.1 所示。
表 地基岩土物理力学参数液压缩承载力粘聚 模量土重度性 标准 特点值孔 力 内摩 层指 擦角E S贯入隙 cfak土的名称3编 (kN / m )比 e数(kPa)( )锤击号I L(MPa ) 数 N(kPa)① 耕填土②粘土4120221741③ 粉砂 12 160 ④ 中粗砂 20 3016200 ⑤中风化砂 22320岩4、水文地质条件(1)拟建场区地下水对混凝土构造无腐化性。
(2)地下水位深度:位于地表下 。
5、上部构造资料拟建建筑物为多层全现浇框架构造,框架柱截面尺寸为 400mm 400mm。
室外处坪标高同自然地面,室内外高差 450mm。
柱网部署如图 2.1 所示。
6、上部构造作用上部构造作用在柱底的荷载效应标准组合值=1280kN=1060kN,,上部构造作用在柱底的荷载效应基本组合值,(此中N1k 为轴=1728kN =1430kN线② ~⑥柱底竖向荷载标准组合值;N2k为轴线①、⑦柱底竖向荷载标准组合值;N1为轴线②~⑥柱底竖向荷载基本组合值;N2为轴线①、⑦柱底竖向荷载基本组合值)图 2.1 柱网平面图此中纵向尺寸为 6A,横向尺寸为 18m,A=6300mm混凝土的强度等级 C25~C30,钢筋采纳 HPB235、HRB335、HRB400级。
二、柱下条形基础设计1、确立条形基础底面尺寸并验算地基承载力由已知的地基条件,假定基础埋深d 为 2.6m ,持力层为粉砂层(1) 求修正后的地基承载力特点值由粉砂,查表 7.10 得,b2.0, d埋深范围内土的加权均匀重度:m10)10) 11.69kN / m 3持力层承载力特点值(先不考虑对基础宽度的修正):f a f akdm (d 0.5) 1600.5)(2) 初步确立基础宽度设条形基础两头均向外伸出:13基础总长: l 6.9 6 2 46m则基础底面在单位 1m 长度内受均匀压力:1150 2 1450 5F k461基础均匀埋深为:d3.05)b : 2需基础底板宽度F kbd [ 20faG2.825 10 ( 2.825 0.9)]取 b 1.2m 设计(3) 计算基底压力并验算基底处的总竖向荷载为:F kG k 251 .32 [ 2010 0.9)]基底的均匀压力为:P kF kG kA215.60kPa f a知足条件2、基础的构造设计(1) 梁的弯矩计算在对称荷载作用下,因为基础底面反力为均匀散布,所以单位长度地基的净反力为:F 5 1960 2 1550q n 280kN / ml 46基础梁可当作在均布线荷载q n作用下以柱为支座的六跨等跨度连续梁。
基础工程课程设计指导书专业:建筑工程班级:建工072班指导教师:胡兴设计日期:2010年6月20日~26日贵州大学土木建筑工程学院地下工程系2010年6月基础工程课程设计一、 肯定柱下条形基础底面尺寸,并验算持力力层和软弱下卧层的承载力1、 绘出条形基础梁的计算简图,包括荷载、尺寸等,如图:荷载表2 、求荷载合力重心位置设合力作用点与边柱A的距离为xc ,据合力矩定理,以A点为参考点,则有:m KN FiXi .2.502751844.5411211.1875666.2104059.928=⨯+⨯+⨯+⨯=∑m FiMi FiXi Xc 70.880.544952.320.50275=+=+=∑∑∑3肯定基础梁的长度和外伸尺寸设基础梁两头外伸的长度为a1、a2,两边柱之间的轴线距离为a。
为使其合力作用点与基底形心相重合或接近,基础梁两头可有适当的长度伸出边柱外。
但伸出长度也不宜太大,一般取第一跨距的~倍即为,故可取a1=由xc = a1=,按合力作用点与基底形心相重合的原则,定出基础梁的长度L,则有:L= 2(xc +a1 )=2( + )= ma2 =L-a-a1=20.6 - 18- 1.6= m4按地基持力层的承载力肯定基础梁的宽度b假设基础埋深d=>,应对持力层承载力进行深度修正,即:fa= fak +ηd·γm(d-)=138+⨯⨯且 fa = ⨯ = KPa 故取fa = KPa此时有mdFaLFib630.1)4.1208.154(6.2035.18.5749)20(=⨯-⨯÷=-≥∑故取b = 小于3m ,无需进行地基承载力的宽度修正,持力层的地基承载力设计值为fa = KPa5软弱下卧层的强度验算查阅工程也地质图,选取钻孔所测得的地层各分层的平均深度进行验算,地层分层情况如下图所示:由Es1/Es2=8/3= Z/b=> 查表可知θ= tanθ=kpa x x d fak faz 0.137)5.01.5(4.120.180)5.0(=-+=-+=ηγ验算σcz + σz = + = ≤ faz = 知足要求 故所选取的基地尺寸及埋深知足承载力要求6、考虑Mmax 时的荷载组合,验算持力层的地基承载力(梁长方向) 初设基础高度H0=,A=bl= =w=bl 2=∑∑∑=⨯+=+=mKN ViH Mi M .0.42.138.052.3=++=∑∑26max bl M AG Fi P + ⨯= kpa ≤=-+=∑∑26min bl MAG Fi P - ⨯= kpa > 0故知足要求。
山东建筑大学课程设计(论文)任务书题目:柱下条形基础课程设计课程:基础工程课程设计院(部):土木工程学院专业:土木工程、城市地下空间工程班级:学生姓名:学号:设计期限: 1.5周指导教师:孔军、钟岱辉、高翔肖俊华、魏焕卫教研室主任:院长(主任):关于学生课程设计(论文)质量的有关要求为了进一步加强学生课程设计(论文)的质量,对土木学院所有专业的课程设计(论文)制定以下要求:1、学生应高度重视课程设计(论文)工作,严格要求自己,自觉遵守学习纪律和各项规章制度。
2、课程设计(论文)过程中,尊敬老师,团结互助,虚心学习,勤于思考,敢于实践,勇于创新,按指导教师的要求,保质保量的按时完成课程设计(论文)任务。
3、课程设计(论文)期间,实行考勤制度,一般不准请假,确因特殊情况需要请假时,须按照学校有关规定执行。
学生缺勤(包括病、事假)累计超过课程设计时间1/3以上者,取消答辩资格,不予评定成绩,须重新补做。
4、必须独立完成课程设计(论文),一旦发现套用和抄袭他人成果者,按作弊论处。
对学习不努力、不认真、敷衍了事、回避指导,未完成各阶段任务及严重违纪者,指导教师有权不让其参加答辩。
5.课程设计说明书(论文)撰写规范课程设计说明书(论文)要求用A4纸排版,上下左右边距各留20mm,说明书(论文)中的计量单位、制图、制表、公式、缩略词和符号应遵循国家的有关规定。
6、学生课程设计存档要求(1)学生设计资料必须装入课程设计专用袋(各班统一到教务室领取),要求详细填写班级、学号、姓名、课程设计名称及档案袋里所有的资料内容。
(2)档案袋里课程设计资料排放顺序:课程设计(论文)任务书(单放不装订)按课程设计(论文)封面、设计(论文)说明书内容其中包括(目录、正文、参考文献、附录)等次序左侧装订成册(封面上填写的各项内容要与任务书上的内容一致)。
设计图纸(按学号从小到大排列整齐)。
(3)资料上交时间:课程设计结束后两天内以班为单位交给辅导教师,不得延长上交时间。
地基基础课程设计计算书第一部分毛石条形基础设计一、荷载计算外纵墙:取两窗中心线的距离3.3m为计算单元宽度山墙:取1m为计算单元宽度内横墙:取1m为计算单元宽度内纵墙:取两门中心线的间距8.26m为计算单元宽度二、确定基础埋深=2m,内纵墙和内因为标准冻深为1.2m,所以外纵墙和山墙的基础埋深d1=2.6m横墙的基础埋深d2三、地基承载力特征值的确定三、计算各道墙的基础地面尺寸1、基础宽度外纵墙:山墙:内横墙:内纵墙:取b=1.5m2.基础高度外纵墙:取h=1000mm 放大脚所需台阶数:山墙:取h=1000mm放大脚所需台阶数:内横墙:取h=1000mm放大脚所需台阶数:内纵墙:取h=1000mm放大脚所需台阶数:基础剖面图:外纵墙和山墙为1-1剖面图,内横墙和内纵墙为2-2剖面图1-1剖面图图12-2剖面图K平面图布置图:图3 四、软弱下卧层强度验算1.下卧层修正后的地基承载力特征值:mz经深度修正下卧层承载力设计值为:1a f2. 下卧层顶面处的自重应力:cz P3. 确定地基压力扩角θ,按持力层与下卧层压缩模量值之比:Es4. 土的自重应力:c5. 下卧层顶面处附加应力及验算下卧层承载力: 外纵墙:山墙:内横墙:内纵墙:第二部分柱下钢筋混凝土独立基础设计一、柱下钢筋混凝土独立基础设计任务书(一)设计题目某教学楼为四层钢筋混凝土框架结构,采用柱下独立基础,柱网布置如图1所示,试设计该基础。
(二)设计资料⑴工程地质条件该地区地势平坦,无相邻建筑物,经地质勘察:持力层为粉质粘土,土的天然重度为20 kN/m3,地基承载力特征值f ak=130kN/m2,地下水位在-1.5m处,无侵蚀性。
⑵给定参数柱截面尺寸为500mm×500mm,在基础顶面处的相应于荷载效应标准组合,由上部结构传来轴心荷载为1150kN,弯矩值为210kN·m,水平荷载为71kN。
⑶材料选用混凝土:采用C30(可以调整)(f t=1.43N/mm2)钢筋:采用HPB335(可以调整)(f y=300 N/mm2)(三)设计内容⑴确定基础埋置深度⑵确定地基承载力特征值⑶确定基础的底面尺寸⑷确定基础的高度⑸基础底板配筋计算⑹绘制施工图(平面图、详图)(四)设计要求⑴计算书要求书写工整、数字准确、图文并茂。
地基基础课程设计计算书第一部分毛石条形基础设计一、荷载计算外纵墙:取两窗中心线的距离3.3m为计算单元宽度山墙:取1m为计算单元宽度内横墙:取1m为计算单元宽度内纵墙:取两门中心线的间距8.26m为计算单元宽度二、确定基础埋深=2m,内纵墙和内因为标准冻深为1.2m,所以外纵墙和山墙的基础埋深d1=2.6m横墙的基础埋深d2三、地基承载力特征值的确定三、计算各道墙的基础地面尺寸1、基础宽度外纵墙:山墙:内横墙:内纵墙:取b=1.5m2.基础高度外纵墙:取h=1000mm 放大脚所需台阶数:山墙:取h=1000mm放大脚所需台阶数:内横墙:取h=1000mm放大脚所需台阶数:内纵墙:取h=1000mm放大脚所需台阶数:基础剖面图:外纵墙和山墙为1-1剖面图,内横墙和内纵墙为2-2剖面图1-1剖面图图12-2剖面图K平面图布置图:图3 四、软弱下卧层强度验算1.下卧层修正后的地基承载力特征值:mz经深度修正下卧层承载力设计值为:1a f2. 下卧层顶面处的自重应力:cz P3. 确定地基压力扩角θ,按持力层与下卧层压缩模量值之比:Es4. 土的自重应力:c5. 下卧层顶面处附加应力及验算下卧层承载力: 外纵墙:山墙:内横墙:内纵墙:第二部分柱下钢筋混凝土独立基础设计一、柱下钢筋混凝土独立基础设计任务书(一)设计题目某教学楼为四层钢筋混凝土框架结构,采用柱下独立基础,柱网布置如图1所示,试设计该基础。
(二)设计资料⑴工程地质条件该地区地势平坦,无相邻建筑物,经地质勘察:持力层为粉质粘土,土的天然重度为20 kN/m3,地基承载力特征值f ak=130kN/m2,地下水位在-1.5m处,无侵蚀性。
⑵给定参数柱截面尺寸为500mm×500mm,在基础顶面处的相应于荷载效应标准组合,由上部结构传来轴心荷载为1150kN,弯矩值为210kN·m,水平荷载为71kN。
⑶材料选用混凝土:采用C30(可以调整)(f t=1.43N/mm2)钢筋:采用HPB335(可以调整)(f y=300 N/mm2)(三)设计内容⑴确定基础埋置深度⑵确定地基承载力特征值⑶确定基础的底面尺寸⑷确定基础的高度⑸基础底板配筋计算⑹绘制施工图(平面图、详图)(四)设计要求⑴计算书要求书写工整、数字准确、图文并茂。
柱下条形基础设计一、设计资料 1、地形拟建建筑场地平整。
2、工程地质条件自上而下土层依次如下:①号土层,耕填土,层厚0.7m ,黑色,原为农田,含大量有机质。
②号土层,黏土,层厚1.8m ,软塑,潮湿,承载力特征值kPa f ak 120=。
③号土层,粉砂,层厚2.6m ,稍密,承载力特征值kPa f ak 160=。
④号土层,中粗砂,层厚4.1m ,中密,承载力特征值kPa f ak 200=。
⑤号土层,中风化砂岩,厚度未揭露,承载力特征值kPa f ak 320=。
3、岩土设计技术参数地基岩土物理力学参数如表2.1所示。
4、水文地质条件(1)拟建场区地下水对混凝土结构无腐蚀性。
(2)地下水位深度:位于地表下0.9m 。
5、上部结构资料拟建建筑物为多层全现浇框架结构,框架柱截面尺寸为mm mm 400400 。
室外地坪标高同自然地面,室内外高差mm 450。
柱网布置如图2.1所示。
6、上部结构作用上部结构作用在柱底的荷载效应标准组合值=1280kN=1060kN ,,上部结构作用在柱底的荷载效应基本组合值=1728kN ,=1430kN (其中k N 1为轴线②~⑥柱底竖向荷载标准组合值;k N 2为轴线①、⑦柱底竖向荷载标准组合值;1N 为轴线②~⑥柱底竖向荷载基本组合值;2N 为轴线①、⑦柱底竖向荷载基本组合值)图2.1 柱网平面图其中纵向尺寸为6A ,横向尺寸为18m ,A=6300mm混凝土的强度等级C25~C30,钢筋采用HPB235、HRB335、HRB400级。
二、柱下条形基础设计1、确定条形基础底面尺寸并验算地基承载力由已知的地基条件,假设基础埋深d 为m 6.2,持力层为粉砂层(1) 求修正后的地基承载力特征值由粉砂,查表10.7得,0.3,0.2==d b ηη 埋深范围内土的加权平均重度:3/69.116.2)105.19(1.06.1)104.18(2.04.187.06.17m kN m =-⨯+⨯-+⨯+⨯=γ持力层承载力特征值(先不考虑对基础宽度的修正):kPa d f f m d ak a 65.233)5.06.2(69.110.3160)5.0(=-⨯⨯+=-⋅+=γη(2) 初步确定基础宽度设条形基础两端均向外伸出:m 9.19.631=⨯基础总长:m l 4623.269.6=⨯+⨯= 则基础底面在单位m 1长度内受平均压力:kN F k 61.207465145021150=⨯+⨯=基础平均埋深为:m d 825.2)05.36.2(21=+=需基础底板宽度b :m d f F b G a k 06.1)]9.0825.2(10825.220[65.23361.207=-⨯-⨯-=⋅-≥γ取m b 2.1=设计(3) 计算基底压力并验算基底处的总竖向荷载为:kN G F k k 73.2583.11)]9.0825.2(10825.220[32.251=⨯⨯-⨯-⨯+=+基底的平均压力为:kPa f kPa G F P a k k k 65.23360.2152.1173.258A =<=⨯=+=满足条件2、基础的结构设计 (1) 梁的弯矩计算在对称荷载作用下,由于基础底面反力为均匀分布,因此单位长度地基的净反力为:m kN lF q n /280461550219605=⨯+⨯==∑基础梁可看成在均布线荷载n q 作用下以柱为支座的六跨等跨度连续梁。
为了计算方便,可将图)(a 分解为图)(b 和图)(c 两部分。
图)(b 用力矩分配法计算,A 截面处的固端弯矩为:m kN l q M n GA ⋅=⨯⨯==66.7413.24.208212122图)(a图)(b在图)(c 的荷载作用下,也用力矩分配法计算,其中各杆的固端弯矩为:m kN l q n F⋅-=⨯⨯-=-=7.16689.64.2808181M 22BAm kN l q n F⋅=⨯⨯==5.11129.64.280121121M 22BC其余同(略)图)(c将图)(b 与)(c 的弯矩叠加,即为按倒梁法计算求得的弯矩图如下:(2) 梁的剪力计算kN l q V n 6459.6314.20831A =⨯⨯=⨯=左kNl M M l q V A B n A 4.8989.6742121829.62082=--⨯=--=右kNl M M l q V A B n B 4.10369.6742121829.62082=-+⨯=-+=左kN V B 5.9869.62181-08614.967=-=右kN V C 3.9489.68121-08614.967=+=左kN V C 7.9619.61086-7.25114.967=-=右kN V D 1.9739.61086-7.25114.967=+=左其余同(略),得剪力图如下:(3) 计算调整荷载i p ∆由于支座反力与原柱端荷载不等,需进行调整,将差值i p ∇折算成调整荷载i q ∆kN p A 5.6)5.898645(1550=+-=∆kN p B 63-)4.9863.1036(1960=+-=∆ kN p C 1.50)7.9614.948(1960=+-=∆kN p D 8.13)1.9731.973(1960=+-=∆对于边跨支座)31(1011l l p q +∆=∆0l 为边跨长度;1l 对第一跨长度。
对于中间支座)3131(1i i l l p q +∆=∆- 1-i l 为第1-i 长度;i l 为第i 跨长度。
故m kN m kN q A /41.1/)9.6313.2(5.6=⨯+=∆;m kN m kN q B /7.13/)9.6319.631(63-=⨯+⨯-=∆m kN m kN q C /89.10/)9.6319.631(1.50=⨯+⨯=∆m kN m kN q D /3/)9.6319.631(8.13=⨯+⨯=∆ 其余同(略)调整荷载作用下的计算简图如下:调整荷载作用下基础梁的内力图如下:两次计算结果叠加,得基础梁的最终内力图如下:两次计算结果叠加,得基础梁得最终内力:支座)'C)'(DD(C(AA)'(BB)'截面 类型左 右 左 右 左 右 左 右弯矩(KN ·m ) 745.39 745.39 1195.6 11956 1102 1102 1136 1136 剪力(KN ) 648.2 899.71006.95 958.88 969.53984.47982.286 982.28三、配筋计算 (1) 基础梁配筋计算○1材料选择:混凝土25C ,2/27.1mm N f t =;2/9.11mm N f c=; 钢筋采用二级钢HRB335,2/300'mm N f f y y == 垫层10C :100mm 厚○2基础梁宽度mm b 500=;基础梁高度mm h 1300=;6.2500/1300/==b h 符合2.0~3.0的规定○3验算截面最小尺寸 钢筋先按一排布置,故mm a h h s 12653510000=-=-=kN bh f kN V c c 87.188112655009.110.125.025.019.10610max =⨯⨯⨯⨯=≤=β满足要求○4配筋计算表格 项目 截面弯矩截面抵抗矩系数201bh f M c s αα=相对受压高度sαξ211--=内力矩的力臂系数2211ss αγ-+=截面配筋0h f M A s y S γ=A 745.39 0.078286 0.081617 0.959192 2047.701B 1189.92 0.124974 0.133945 0.933028 3268.893C 1100.16 0.115547 0.123127 0.938437 3022.308D 1137.77 0.119497 0.127643 0.936178 3125.629 C' 1100.16 0.115547 0.123127 0.938437 3022.308 B' 1189.92 0.124974 0.133945 0.933028 3268.893 A' 745.39 0.078286 0.081617 0.959192 2047.701 AB 跨中691.17 0.072592 0.075437 0.962281 1898.75 BC 跨中 508.02 0.053356 0.054861 0.97257 1395.609 CD 跨中 550.79 0.057848 0.059626 0.970187 1513.105 DC'跨中 550.79 0.057848 0.059626 0.970187 1513.105 C'B 跨中 508.02 0.053356 0.054861 0.97257 1395.609 B'A 跨中691.170.0725920.0754370.9622811898.75基础梁选配钢筋:底部922全长贯通 (2) 箍筋计算○1截面尺寸符合要求(第1步第○3项已经验算) ○2根据纵筋布置及根数确定为4肢箍,选用80@8φ 2206.201)841(4A mm sv =⨯⨯=π○3斜截面受剪承载力uV : 0025.17.0h sA f bh f V V svyvt cs u +== a) 80@8φ(加密区)kN V 58.10659658006.20121025.196550027.17.0u =⨯⨯⨯+⨯⨯⨯= b) 200@8φ(非加密区)kN V u 60.68396520006.20121025.196550027.17.0=⨯⨯⨯+⨯⨯⨯= 加密区:kN kN V u 1006.9558.1065>=非加密区:kN kN V u 2.64860.683>= 可知承载力满足要求(3) 基础底板配筋计算翼板按斜截面抗剪强度验算设计高度;翼板端部按固定端计算弯矩,根据弯矩配置横向钢筋(2/300mm N f y =)基础底板宽mm b 1200=,主肋宽500mm(502400⨯+); 翼板外挑长度:mm a 350)5001200(211=-=翼板外缘厚度200mm,梁肋处翼板厚度300mm,翼板采用25C 混凝土,335HPB 钢筋。
(取1.0m 宽度翼板作为计算单元) 基底净反力设计值:kPa b q n n 37.2332.14.280P ===○1斜截面抗剪强度验算(按每米长计) m kN a P n /68.8135.037.233V 1=⨯=⋅=mm f Vh th 24.10327.1)1265800(7.068.817.0410=⨯⨯==β实际mm mm h 24.10325010403000>=--=,可以○2翼板受力筋计算 配筋计算:84.400.168.8121=⨯⨯=M ○1截面抵抗矩系数04576.025012009.110.11084.4026201=⨯⨯⨯⨯==bh f M c s αα ○2相对受压区高度047.004576.0211211=⨯--=--=sαξ ○3内力矩的力臂系数977.02211=-+=s s αγ ○4钢筋面积26035.557250977.03001084.40mm h f MA s y s =⨯⨯⨯==γ 实配70@8(2235.557561mm mm A s >=),分布筋200@8φ三、基础配筋大详图四、参考资料1.《土力学》(第2版)东南大学等四校合编.中国建筑工业出版社,2009。