墙下条形基础课程设计(教师:宋天文)
- 格式:doc
- 大小:312.50 KB
- 文档页数:8
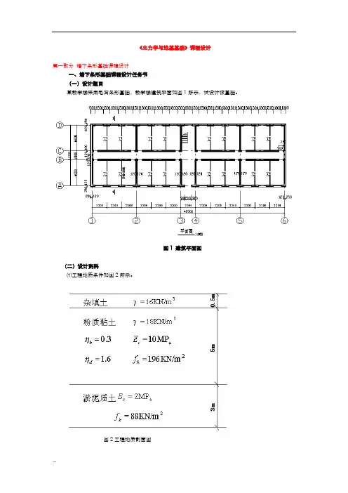
《土力学与地基基础》课程设计第一部分墙下条形基础课程设计一、墙下条形基础课程设计任务书(一)设计题目某教学楼采用毛石条形基础,教学楼建筑平面如图1所示,试设计该基础。
图1 建筑平面图(二)设计资料⑴工程地质条件如图2所示。
图2工程地质剖面图⑵室外设计地面-0.6m,室外设计地面标高同天然地面标高。
⑶由上部结构传至基础顶面的竖向力值分别为外纵墙∑F1K=558.57kN,山墙∑F2K=168.61kN,横墙∑F3K=162.68kN,纵墙∑F4K=1533.15kN。
⑷基础采用M5水泥砂浆砌毛石,标准冻深为1.2m。
(三)设计容⑴荷载计算(包括选计算单元、确定其宽度)。
⑵确定基础埋置深度。
⑶确定地基承载力特征值。
⑷确定基础的宽度和剖面尺寸。
⑸软弱下卧层强度验算。
⑹绘制施工图(平面图、详图)。
(四)设计要求⑴计算书要求书写工整、数字准确、图文并茂。
⑵制图要求所有图线、图例尺寸和标注方法均应符合新的制图标准,图纸上所有汉字和数字均应书写端正、排列整齐、笔画清晰,中文书写为仿宋字。
二、墙下条形基础课程设计指导书(一)荷载计算1.选定计算单元对有门窗洞口的墙体,取洞口间墙体为计算单元;对无门窗洞口的墙体,则可取1m 为计算单元(在计算书上应表示出来)。
2.荷载计算计算每个计算单元上的竖向力值(已知竖向力值除以计算单元宽度)。
(二)确定基础埋置深度dGB50007-2002规定d min=Z d-h max或经验确定d min=Z0+(100~200)mm。
式中Z d——设计冻深,Z d= Z0·ψzs·ψzw·ψze;Z0——标准冻深;ψzs——土的类别对冻深的影响系数,按规中表5.1.7-1;ψzw——土的冻胀性对冻深的影响系数,按规中表5.1.7-2;ψze——环境对冻深的影响系数,按规中表5.1.7-3;(三)确定地基承载力特征值fa式中f a——修正后的地基承载力特征值(kPa);f ak——地基承载力特征值(已知)(kPa);ηb、ηb——基础宽度和埋深的地基承载力修正系数(已知);γ——基础底面以下土的重度,地下水位以下取浮重度(kN/m3);γm——基础底面以上土的加权平均重度,地下水位以下取浮重度(kN/m3);b——基础底面宽度(m),当小于3m按3m取值,大于6m按6m取值;d——基础埋置深度(m)。
钢筋混凝土条形基础设计1.工程概述,设计依据1.1工程概述某厂房工程,侧墙为钢筋混凝土,墙厚0.37m,墙高6m,作用在基础顶面的荷载效应标准组合F K=242KN,M K=10KN*m,准永久组合F=212KN。
工程地质情况经地质勘探如图1-1所示,且该地区地势平坦,地下水无腐蚀性。
1.2.设计要求:请设计条形扩展基础并进行沉降计算,(结构重要性系数取1.0)。
一、要求:1 手算计算书,A4(或16k)纸,封皮样例附后;2 CAD绘制设计图纸,包括结构尺寸,剖面图,钢筋配筋图,工程量统计表,设计图纸样例附后二、不同材料设计值参考:1混凝土强度等级C20,抗压强度f c =9.6MPa ,抗拉强度 f t =1.1MPa 。
钢筋HRB335,抗拉强度 fy =300MPa1.3.设计依据《建筑地基基础设计规范》(GB50007-2011) 《土力学》(东南大学 浙江大学 湖南大学 苏州科技学院合编 第三版) 《基础工程》(华南理工大学 浙江大学 湖南大学合编 第二版) 2013年长城学院工程技术系《基础工程》设计任务书 2.分析不同计算中的荷载组合根据《建筑地基基础设计规范》3.0.5条有关地基基础设计所采用的作用效应与相应的抗力限值的规定,本设计荷载取值如下:1. 按地基承载力确定基础底面积及埋深时,传至基础或承台底面上的作用效应按正常使用极限状态下作用的标准组合。
相应的抗力应采用地基承载力特征值;2 计算地基变形时,传至基础底面上的作用效应应按正常使用极限状态下作用的准 永久组合,不应计入风荷载和地震作用。
相应的限值应为地基变形允许值;3.确定基础配筋和验算材料强度时,上部结构传来的作用效应和相应的基底反力,按承载能力极限状态下作用的基本组合,采用相应的分项系数。
3. 选择持力层,初步确定埋深3.1选择持力层据工程地质勘察报告,第一层为0.6m 填土不满足承载力要求。
第三层土为淤泥质粘土,且位于地下水位以下,承载力较第二层低,属于软弱下卧层,故选择第二层作为持力层。
墙下条形基础、柱下独立基础基础设计一、 墙下条形基础课程设计(1)荷载计算由题条件:外墙选取两窗中心线间的距离3.3m ,为计算单元宽度。
m kN m kN F F kk /26.169/3.357.5583.311===∑ 山墙:取1m 为计算单元宽度m kN m kN F F k k /61.168/161.168122===∑ 内横墙:取1m 为计算单元宽度m kN m kN FF k k /68.162/168.16213===∑ 内纵墙:取两门中心线间的距离8.26m 为计算单元宽度m kN m kN F F kk /61.185/26.815.153326.844===∑ (2)查表[1]得敦煌地区的标准冻深m Z 2.10=,按老师要求,一组基础埋置深度m D 3.1min =,首先假定基础埋深为1.3m ,假设b m 3<,无需宽度修正,查表得粉质粘土6.1=d η,则地基承载力修正为)5.0(-+=d f f m d ak a γη其中m γ=3/23.173.18.0185.06.1m kN =⨯+⨯ 解得:2/06.218m kN f a =(3)确定基础宽度 外纵墙:df F b a k G 1γ-≥ 解得:m b 865.01≥ 同理得 山墙:m b 862.02≥内横墙:m b 831.03≥内纵墙:m b 949.04≥求得条形基础宽度,即无需进行承载力宽度修正,(2)中成立。
统一取m b 1=。
(4)确定基础高度基础为条形毛石基础,采用M5水泥砂浆砌毛石,内横墙和内纵墙基础采用两层毛石,计算每层台阶的伸出宽度m b t 2.019.0424.01<=-=。
查表8.1.2[2]毛石基础宽高比的允许值,得tan α=5.1/1 计算基础宽度285.05.11424.01tan 40=⨯-=-≥αb b h m 根据灰石基础高度要求,得m h 5.0=,外纵墙和内纵墙基础亦采用两层毛石。
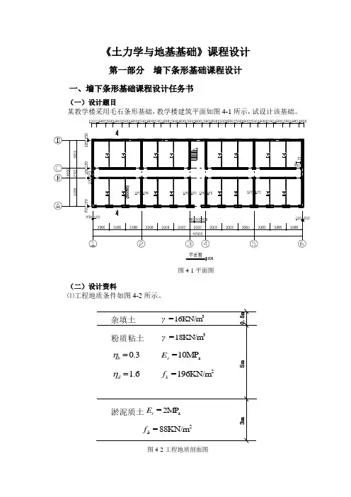
《土力学与地基基础》课程设计第一部分墙下条形基础课程设计一、墙下条形基础课程设计任务书(一)设计题目某教学楼采用毛石条形基础,教学楼建筑平面如图4-1所示,试设计该基础。
(二)设计资料⑴工程地质条件如图4-2所示。
⑵室外设计地面-0.6m ,室外设计地面标高同天然地面标高。
⑶由上部结构传至基础顶面的竖向力值分别为外纵墙∑F 1K =558.57kN ,山墙∑F 2K =168.61kN ,内横墙∑F 3K =162.68kN ,内纵墙∑F 4K =1533.15kN 。
⑷基础采用M5水泥砂浆砌毛石,标准冻深为1.2m 。
(三)设计内容⑴荷载计算 (包括选计算单元、确定其宽度)。
⑵确定基础埋置深度。
⑶确定地基承载力特征值。
⑷确定基础的宽度和剖面尺寸。
⑸软弱下卧层强度验算。
⑹绘制施工图(平面图、详图)。
(四)设计要求⑴计算书要求 书写工整、数字准确、图文并茂。
⑵制图要求 所有图线、图例尺寸和标注方法均应符合新的制图标准,图纸上所有汉字和数字均应书写端正、排列整齐、笔画清晰,中文书写为仿宋字。
⑶设计时间 三天。
二、墙下条形基础课程设计指导书(一)荷载计算1.选定计算单元 对有门窗洞口的墙体,取洞口间墙体为计算单元;对无门窗洞口的墙体,则可取1m 为计算单元(在计算书上应表示出来)。
2.荷载计算 计算每个计算单元上的竖向力值(已知竖向力值除以计算单元宽度)。
(二)确定基础埋置深度dGB50007-2002规定d min =Z d -h max 或经验确定d min =Z 0+(100~200)mm 。
式中 Z d ——设计冻深,Z d = Z 0·ψzs ·ψzw ·ψze ;Z 0——标准冻深;ψzs ——土的类别对冻深的影响系数,按规范中表5.1.7-1;ψzw ——土的冻胀性对冻深的影响系数,按规范中表5.1.7-2;ψze ——环境对冻深的影响系数,按规范中表5.1.7-3;(三)确定地基承载力特征值f a)5.0()3(m d b ak a -+-+=d b f f γηγη式中 f a ——修正后的地基承载力特征值(kPa );f ak ——地基承载力特征值(已知)(kPa);ηb 、ηb ——基础宽度和埋深的地基承载力修正系数(已知);γ——基础底面以下土的重度,地下水位以下取浮重度(kN/m 3);γm ——基础底面以上土的加权平均重度,地下水位以下取浮重度(kN/m 3);b ——基础底面宽度(m ),当小于3m 按3m 取值,大于6m 按6m 取值;d ——基础埋置深度(m )。
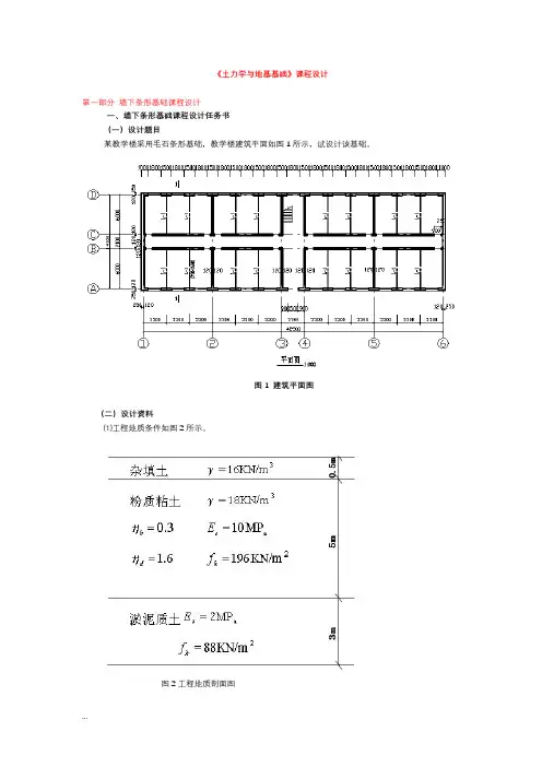
《土力学与地基基础》课程设计第一部分墙下条形基础课程设计一、墙下条形基础课程设计任务书(一)设计题目某教学楼采用毛石条形基础,教学楼建筑平面如图1所示,试设计该基础。
图1 建筑平面图(二)设计资料⑴工程地质条件如图2所示。
图2工程地质剖面图⑵室外设计地面-0.6m,室外设计地面标高同天然地面标高。
⑶由上部结构传至基础顶面的竖向力值分别为外纵墙∑F1K=558.57kN,山墙∑F2K=168.61kN,内横墙∑F3K=162.68kN,内纵墙∑F4K=1533.15kN。
⑷基础采用M5水泥砂浆砌毛石,标准冻深为1.2m。
(三)设计内容⑴荷载计算(包括选计算单元、确定其宽度)。
⑵确定基础埋置深度。
⑶确定地基承载力特征值。
⑷确定基础的宽度和剖面尺寸。
⑸软弱下卧层强度验算。
⑹绘制施工图(平面图、详图)。
(四)设计要求⑴计算书要求书写工整、数字准确、图文并茂。
⑵制图要求所有图线、图例尺寸和标注方法均应符合新的制图标准,图纸上所有汉字和数字均应书写端正、排列整齐、笔画清晰,中文书写为仿宋字。
二、墙下条形基础课程设计指导书(一)荷载计算1.选定计算单元对有门窗洞口的墙体,取洞口间墙体为计算单元;对无门窗洞口的墙体,则可取1m 为计算单元(在计算书上应表示出来)。
2.荷载计算计算每个计算单元上的竖向力值(已知竖向力值除以计算单元宽度)。
(二)确定基础埋置深度dGB50007-2002规定d min=Z d-h max或经验确定d min=Z0+(100~200)mm。
式中Z d——设计冻深,Z d=Z0·ψzs·ψzw·ψze;Z0——标准冻深;ψzs——土的类别对冻深的影响系数,按规范中表5.1.7-1;ψzw——土的冻胀性对冻深的影响系数,按规范中表5.1.7-2;ψze——环境对冻深的影响系数,按规范中表5.1.7-3;(三)确定地基承载力特征值fa式中f a——修正后的地基承载力特征值(kPa);f ak——地基承载力特征值(已知)(kPa);ηb、ηb——基础宽度和埋深的地基承载力修正系数(已知);γ——基础底面以下土的重度,地下水位以下取浮重度(kN/m3);γm——基础底面以上土的加权平均重度,地下水位以下取浮重度(kN/m3);b——基础底面宽度(m),当小于3m按3m取值,大于6m按6m取值;d——基础埋置深度(m)。
班级(专业)土木工程3班设计人Shih一、课程设计题目:《基础工程》课程设计题目第一部分墙下条形基础设计(无筋扩展基础)一、墙下条形基础课程设计任务书(一)设计题目某四层教学楼基础采用无筋扩展条形基础,教学楼建筑平面布置图如图1-1所示,梁L-1截面尺寸为200mm×500mm,伸入墙内240 mm,梁间距为3.3 m,外墙及山墙的厚度为370 mm,双面粉刷,试设计该基础。
(二)设计资料⑴地形:拟建建筑场地平整。
⑵工程地质务件:自上而下土层依次如下:①号土层:杂填土,层厚约0.5m,含部分建筑垃圾。
②号土层:粉质黏土,层厚1.2m,软塑,潮湿,承载力特征值ak f=130kPa。
③号土层:黏土,层厚1.5m,可塑,稍湿,承载力特征值ak f=180kPa。
④号土层:细砂,层厚2.7m,中密,承载力特征值ak f=240kPa。
⑤号土层:强风化砂质泥岩,厚度未揭露,承载力特征值ak f=300kPa。
⑶岩土设计技术参数地基岩士物理力学参数如表2.1所示。
⑷水文地质条件①拟建场区地下水对混凝土结构无腐蚀性。
②地下水位深度:位于地表下1.5m。
⑸室外设计地面-0.45m,室外设计地面标高同天然地面标高。
⑹由上部结构传至基础顶面的竖向力标准值分别为外纵墙∑F1K=560kN,山墙∑F2K=170kN,内横墙∑F3K=163kN,内纵墙∑F4K=1540kN。
⑺基础采用M5水泥砂浆砌毛石、M7.5水泥砂浆砌标准粘土砖或C15砼,工程位于昆明市内,基础埋深可不考虑标准冻深的影响,但应根据影响埋深的相关条件合理确定基础埋深。
(三)设计内容⑴荷载计算(包括选计算单元、确定其宽度)。
⑵确定基础埋置深度。
⑶确定地基承载力特征值。
⑷确定基础的宽度和剖面尺寸。
⑸软弱下卧层强度验算(若存在软弱下卧层情况)。
⑹绘制施工图(基础平面布置图、基础详图),并提出必要的施工说明。
(四)设计要求⑴计算说明书要求:计算说明书一律用A4幅面;装订顺序:封面(须注明:《基础工程》课程设计,专业班级,学号,姓名,日期),目录、设计任务书,计算说明书;要求书写工整、数字准确、图文并茂。
墙下条形基础设计Ⅰ 设计资料一、设计题目某教学楼采用毛石条形基础,教学楼建筑平面如图1-1所示,试设计该基础。
(一) 工程地质条件如图1-2所示(二)室外设计地面-0.6,室外设计标高同天然地面标高。
(三)由上部构造传至基础顶面的竖向力分别1KF =558.57KN ∑外纵墙 2K F =168.61KN ∑山墙 3K =F 162.68KN,∑内横墙4KF =1533.15KN ∑内纵墙。
图1-2 工程地质剖面图(四)基础采用M5水泥少浆砌毛石,标准冻深1.2m。
Ⅱ基础设计一、设计依据建筑结构荷载规范(GB 50009-2001)砌体结构设计规范(GB 50003-2001)建筑地基基础设计规范(GB 50007-2002)房屋建筑制图统一标准(GB/T50001-2001)建筑结构制图标准(GB/T50105-2001)2010年温州职业技术学院建筑工程系基础工程实训任务书二、设计步骤(一)荷载计算1、选定计算单元取房屋中有代表性的一段作为计算单元外纵墙:取两窗中心间的墙体 山墙、内横墙:分别取1m 内纵墙:取①-②轴之间两门中心间的墙体2、荷载计算 外纵墙:取两窗中心间的距离3.3m 为计算单元长度, 则 1K 1K F 558.57KN F 169.26KN/m 3.3m 3.3m∑=== 山墙:取1m 为设计单元宽度,则 2K 2K F 168.61KN F 168.61KN /m 1m 1m∑=== 内横墙:取1m 为设计单元宽度,则 3K 3K F 162.68KN F 162.68KN/m 1m 1m∑=== 内纵墙:取两门中心间的距离8.5m则 4K 4K F 1533.15KN F 180.37KN/m 8.5m 8.5m∑=== (二)(1)确定基础埋置深度d 考虑基础底面应位于冻结线下200mm ,故基础埋深为 0d=z 200(1200200)1400mm +=+=(三)确定地基承载力特征值fa 假设b <3m ,因d=1.6m >0.5m , 故对地基承载力特征值只需进行深度修正3m 140.5180.917.29KN/1.4m γ⨯+⨯== []m a ak d (d 0.5)196 1.617.29KPa=220.90KPa f f γη+-=+⨯=(1.4-0.5)(四)确定基础宽度、高度1、基础宽度 0.6d 1.4m 1.7m 2=+=()G 2G 3G 4G 1K 12K 3K 4Ka a a a m 0.906m220.9020 1.7d 168.61m 0.902m 220.9020 1.7d 162.68m 0.870m 220.9020 1.7d 180.37m 0.965m 220.9020 1.7dF 169.26f F f F f F f b b b b γγγγ----≥==-⨯≥==-⨯≥==-⨯≥==-⨯外纵墙:山墙:内横墙:内纵墙: 所有墙体基础宽度都取1.0m 。
盈建科墙下条形基础的计算(实用版)目录1.盈建科墙下条形基础的概述2.条形基础计算的必要性3.条形基础计算的基本原理4.条形基础计算的具体步骤5.盈建科墙下条形基础计算的实际应用正文一、盈建科墙下条形基础的概述盈建科墙下条形基础是指在建筑物的墙体下方,为了分散墙体荷载、减小不均匀沉降和增强整体稳定性而设置的一种条形基础结构。
在我国建筑行业中,盈建科墙下条形基础的计算与设计是建筑工程中重要的一环,对于保证建筑物的安全、稳定和持久性具有至关重要的作用。
二、条形基础计算的必要性条形基础的计算是为了确保基础在承受建筑物荷载时,其内部应力分布均匀,避免出现局部过大的应力集中,从而导致基础产生破坏。
此外,通过计算还可以确保基础的沉降量在允许范围内,以减小不均匀沉降对建筑物整体稳定性的影响。
因此,进行条形基础计算对于确保建筑物的安全、稳定和持久性具有重要意义。
三、条形基础计算的基本原理条形基础计算的基本原理主要包括以下几点:1.基础的受力分析:在计算条形基础时,需要首先分析基础所受到的各种荷载,如建筑物的自重、土压力、地下水压力等,并计算出这些荷载在基础内产生的内力。
2.基础的材料性能:在计算条形基础时,需要充分考虑基础材料的性能,如抗压强度、抗拉强度、抗弯强度等,以确保基础在承受荷载时不会发生破坏。
3.基础的稳定性分析:在计算条形基础时,还需要分析基础的稳定性,包括整体稳定性和局部稳定性。
对于盈建科墙下条形基础,通常采用刚性基础设计方法,以确保基础在承受荷载时不会产生过大的沉降。
四、条形基础计算的具体步骤条形基础计算的具体步骤如下:1.确定基础的尺寸:根据建筑物的荷载、地基土的性质和基础材料的性能,确定条形基础的尺寸,包括宽度、厚度和高度等。
2.计算基础的荷载:根据建筑物的自重、土压力、地下水压力等,计算出基础内各种荷载的大小。
3.计算基础的内力:根据基础的尺寸和荷载,计算出基础内各种内力的大小,如弯矩、剪力等。
墙下条形基础构造要求与设计
高永新
【期刊名称】《城市建筑》
【年(卷),期】2013(000)014
【摘要】地面建筑物对地下基础造成了较大的受重荷载,若重力载荷偏大则难以满足基础结构的承载标准,极有可能对地基层产生不利的危害。
墙下条形基础构造是现代建筑基础常用的一种,其在减小上部结构受力荷载方面的作用显著。
本文分析了地下条形基础构造的应用特点,并结合建筑案例对其构造要求及设计方案做了进一步的分析。
【总页数】2页(P51-51,61)
【作者】高永新
【作者单位】博乐农五师全新勘测设计有限公司,博乐 833400
【正文语种】中文
【相关文献】
1.砖混住宅结构墙下条形基础宽度设计 [J], 王勇;范浩
2.砖混房屋墙下条形基础线性对称与非对称修正设计 [J], 傅文锋
3.墙下条形基础的优化设计 [J], 马建明
4.墙下钢筋混凝土条形基础纵向钢筋设计刍议 [J], 郭伦;刘善来
5.多层砖混房屋考虑结构整体作用的墙下条形基础设计探讨 [J], 宋建夏;史耀宇因版权原因,仅展示原文概要,查看原文内容请购买。
班级(专业)土木工程3班设计人Shih
一、课程设计题目:
《基础工程》课程设计题目
第一部分墙下条形基础设计(无筋扩展基础)
一、墙下条形基础课程设计任务书
(一)设计题目
某四层教学楼基础采用无筋扩展条形基础,教学楼建筑平面布置图如图1-1所示,梁L-1截面尺寸为200mm×500mm,伸入墙内240 mm,梁间距为3.3 m,外墙及山墙的厚度为370 mm,双面粉刷,试设计该基础。
(二)设计资料
⑴地形:拟建建筑场地平整。
⑵工程地质务件:自上而下土层依次如下:
①号土层:杂填土,层厚约0.5m,含部分建筑垃圾。
②号土层:粉质黏土,层厚1.2m,软塑,潮湿,承载力特征值ak f=130kPa。
③号土层:黏土,层厚1.5m,可塑,稍湿,承载力特征值ak f=180kPa。
④号土层:细砂,层厚2.7m,中密,承载力特征值ak f=240kPa。
⑤号土层:强风化砂质泥岩,厚度未揭露,承载力特征值ak f=300kPa。
⑶岩土设计技术参数
地基岩士物理力学参数如表2.1所示。
⑷水文地质条件
①拟建场区地下水对混凝土结构无腐蚀性。
②地下水位深度:位于地表下1.5m。
⑸室外设计地面-0.45m,室外设计地面标高同天然地面标高。
⑹由上部结构传至基础顶面的竖向力标准值分别为外纵墙∑F1K=560kN,山墙∑F2K=170kN,内横墙∑F3K=163kN,内纵墙∑F4K=1540kN。
⑺基础采用M5水泥砂浆砌毛石、M7.5水泥砂浆砌标准粘土砖或C15砼,工程位于昆明市内,基础埋深可不考虑标准冻深的影响,但应根据影响埋深的相关条件合理确定基础埋深。
(三)设计内容
⑴荷载计算(包括选计算单元、确定其宽度)。
⑵确定基础埋置深度。
⑶确定地基承载力特征值。
⑷确定基础的宽度和剖面尺寸。
⑸软弱下卧层强度验算(若存在软弱下卧层情况)。
⑹绘制施工图(基础平面布置图、基础详图),并提出必要的施工说明。
(四)设计要求
⑴计算说明书要求:计算说明书一律用A4幅面;装订顺序:封面(须注明:《基础工程》课程设计,专业班级,学号,姓名,日期),目录、设计任务书,计算说明书;要
求书写工整、数字准确、图文并茂。
⑵制图要求:要求采用CAD绘图,图幅建议图纸采用A2或A3幅面,所有图线、图例尺寸和标注方法均应符合国家现行工程制图标准,图纸上所有汉字和数字均应表达要清楚、排列整齐、规范,汉字为仿宋字。
施工图图纸折叠成A4大小。
⑶设计时间5天。
注:要求提交电子文档和纸质文档各1份。
(五)设计建议
在复习本课程理论知识,收集并阅读相关设计规范和参考书后进行本课程设计任务
详细设计说明书
(一)荷载计算
1.选定计算单元体
外纵墙:取两窗中心间的墙体3.3m 山墙、内横墙:分别取1m
内宗墙:取①-②轴之间两门中心间的墙体
2.荷载计算
外纵墙:取两窗中心间的距离3.3m 为计算单元长度,则:
标准值:1k 1k 560169.7/3.3 3.3
F F Kn m === 山墙:取1m 为设计单元宽度:
标准值: 2k 2k 170170/11
F F Kn m === 内横墙:取1m 为设计单元宽度:
标准值:3k 3k 163163/11
F F Kn m === 内纵墙:取两门中心间的距离:
标准值: 3k 3k [9.9(20.90.120.25)]F F =
-⨯++∑ 1540208.11/[9.9(20.90.120.25)]
Kn m ==-⨯++
(二)确定基础埋置深度d
由于选定的地区在云南昆明,不考虑冻深的影响,故选择埋置深度d=1,.8m
(三)确定基础地基承载力f a 的。
求地基承载力特征值f a
由题意已知e=0.58 I l =0.78
由此根据规定e=0.58<0.85,L I =0.78<0.85
根据上可此查表得ηb=0.3,ηd=1.6
地基地面以上土的平均重度:
3/224.138
.11.04.92.0)1020(1205.018m KN m =⨯+⨯-+⨯+⨯=γ 持力层承载力特征值f a
()k =0.5180 1.613.224(1.80.5)207.54d m a a d Kpa f
f ηγ++=+⨯⨯-= 上式中d 按室外地面算起
(四)确定基础的宽度高度
1.确定基础的宽度
由公式k a b F f h
γ-⨯≥可得 其中式中0.45h 1.5752
==1.8-
外纵墙横墙 k 1a 169.70.95207.6420 1.575
F b f h γ==-⨯-⨯≥ 山墙 k 2a 1700.97207.6420 1.575
F b f h γ==-⨯-⨯≥
内横墙 k 3a 1630.93207.6420 1.575
F b f h γ==-⨯-⨯≥ 内纵墙 k 4a 208 1.18207.6420 1.575
F b f h γ==-⨯-⨯≥
根据以上数据可确定基础底宽取1.2m
地基承载力验算
外纵墙:kpa d b F P G k k 71.172565.1202
.17.169=⨯+=+=
γ 山墙:kpa d b F P G k k 97.172565.1202
.1170=⨯+=+=γ 内横墙:kpa d b F P G k k 13.167565.1202
.1163=⨯+=+=γ 内纵墙kpa d b F P G k k 63.204565.1202.1208=⨯+=+=γ 所有Pk<fa ,满足要求,b=1.2m
由于地基承载力验算 b <3 由此可知f a 不需要修正
2.确定基础的高度
由以上过程确定b=1200mm
可以采取“两皮一收”的方法,并且取阶数。
370mm 墙(两皮一收) 012003704152
b mm -== 砌法每二皮收60mm 砖长
则041576060
b n ===
阶
240mm 墙(两皮一收) 012002404802
b mm -== 砌法每二皮收60mm 砖长
则048086060
b n ===阶
(五)软弱下卧层强度验算
由题意,给定地基不存在软弱下卧层,故不必进行软弱下卧层强度验算。
(六)绘制施工图
略,详见附表。