雨污水管道养护项目描述
- 格式:docx
- 大小:22.26 KB
- 文档页数:13
雨污水管道养护技术措施随着城市化进程的加快和人口的增加,城市雨污水管道的养护工作显得尤为重要。
雨污水管道是城市污水处理系统的重要组成部分,它承担着收集和排放雨水以及污水的重要功能。
为了确保雨污水管道的正常运行和长期使用,必须采取有效的技术措施进行养护。
本文将从雨污水管道养护的必要性、技术措施及其实施方法等方面进行探讨。
一、雨污水管道养护的必要性。
1. 保障城市环境卫生。
雨污水管道的正常运行与否直接关系到城市环境卫生的好坏。
如果雨污水管道未得到及时维护,就会导致管道堵塞、溢流等问题,进而影响城市环境卫生。
特别是在雨季,雨水管道的堵塞会导致城市内涝,给市民的生活带来诸多不便。
2. 保护地下管道设施。
雨污水管道通常埋设在地下,如果管道未得到有效养护,就会导致管道腐蚀、破裂等问题,进而影响地下管道设施的使用寿命。
为了保护地下管道设施,必须对雨污水管道进行定期养护。
3. 提高雨污水处理效率。
雨污水管道的养护不仅可以保障城市环境卫生,还可以提高雨污水处理的效率。
通过定期清理管道、修复漏损等工作,可以有效减少雨污水处理系统的运行故障,提高处理效率。
二、雨污水管道养护技术措施。
1. 定期清理管道。
定期清理管道是雨污水管道养护的重要技术措施。
由于雨污水管道长期承受着雨水和污水的冲刷和沉淤,容易导致管道内壁积聚污垢和杂物,从而影响管道的正常流通。
因此,定期清理管道是非常必要的。
清理管道可以采用高压水枪冲洗、机械刮擦等方法,彻底清除管道内的污垢和杂物。
2. 检修管道漏损。
管道漏损是雨污水管道养护中需要重点关注的问题。
管道漏损不仅会导致雨水和污水的泄漏,还会引起管道周围土壤的松动和沉陷,给地下管道设施带来严重的安全隐患。
因此,定期检修管道漏损是非常重要的。
检修管道漏损可以采用密封材料进行封堵,或者进行管道更换等方式进行修复。
3. 加固管道支架。
雨污水管道的支架是管道系统的重要组成部分,它直接关系到管道的稳定性和安全性。
雨污水管道养护项目描述一、项目概况(一)项目背景1、雨水管道养护:城市排水设施是城市防汛安全保障的核心,雨水管道的疏通养护和管理是城市排水设施维护的主要工作内容。
由于雨水管道新旧差异和排放水成分复杂的原因,在雨水管道中难免会出现垃圾、秽物的沉淀,导致管道淤积、堵塞,极易造成排水不畅,从而影响市民的生产生活和方便出行。
2、污水管道养护:随着闵行区的建设发展、房地产业规模的不断扩大,新建小区、商业办公楼如春笋般涌现出来,致使城市用水量逐年增加,但污水管道往往因水量不足,污水中沉降杂质多或施工质量不良等原因发生沉淀、淤积,一旦淤积过多,将直接影响管道的通水能力,日积月累导致管道堵塞,对市民的出行带来了极大的不便。
为了保障区域内雨污水管道运行畅通和设施完整,闵行排水所将雨污水管道养护工作列为排水所历年常规项目,由闵行区排水管理所负责项目的实施和管理。
闵行区排水管理所每年根据区政府抄告单要求,对于建设合格的雨污水管道进行接收,并按照养护标准做好日常养护工作,保障雨污水管道畅通,确保区域排水安全。
(二)依据充分性闵行区雨污水管道养护项目是依据上海市排水设施养护政策的相关规定而设立的,闵行区水务部门将雨污水管道养护列为日常化项目,在管理上形成长效机制,相关立项依据如下:1、《上海市防汛条例》;2、《上海市排水管理条例》;3、《关于切实规范上海排水管理实施养护管理工作的实施意见》(沪水务[2012]410号);4、《关于进一步强化本市排水管道设施养护监督管理工作的通知》(沪水务[2013]158号);5、《上海市排水管道设施养护维修定额》(2015);6、《上海市排水管道设施养护维修年度经费定额》(2015年度现行价);7、《关于加强上海市排水管道设施养护管理工作的实施意见》;8、《城镇排水管渠与泵站维护技术规程》(CJJ 68-2007);9、《下水道养护质量检查评定标准》;10、《闵行区“十二五”生态建设与环境保护规划》。
雨污水管维护施工方案1. 引言雨污水管维护施工方案是为了确保雨水和污水能够顺利排出,并保持管道的良好运行状态。
本文档将介绍雨污水管维护的目的、施工方案和注意事项。
2. 目的雨污水管维护的目的是保障城市污水系统的正常运行,防止管道堵塞、泄漏和其他问题的发生。
通过定期维护和检查,可以及时发现问题并采取相应的措施修复,以提高污水系统的运行效率和可靠性。
3. 施工方案3.1 清理管道清理管道是雨污水管维护的重要步骤。
在进行清理之前,需要先对管道进行检查,确定是否存在堵塞或其他问题。
清理管道的常用方法包括机械清洗和高压水冲洗。
机械清洗使用专用设备,在管道内部刮除和清除附着物,如沉积物、树根和杂物。
高压水冲洗则是通过使用高水压将管道内的污垢冲刷和冲走。
清洗管道时需要注意保护环境和周围设施,避免对周围环境和管道造成损坏。
3.2 检修阀门和井盖雨污水管道中的阀门和井盖是关键的部件,用于控制流量和进行检修。
定期检查和维护阀门和井盖的状态非常重要,以确保其正常运行和密封。
在检修阀门和井盖时,需要注意以下几点: - 清除阀门和井盖周围的污垢和杂物; - 检查密封情况,如有破损或损坏需要及时更换; - 测量流量和压力,确保阀门和井盖的正常工作。
3.3 检查管道的漏水和腐蚀管道的漏水和腐蚀是常见的问题,特别是在老化的管道中容易出现。
定期检查雨污水管道的漏水和腐蚀情况,可以及时发现并采取措施进行修复,避免进一步扩大损害。
检查管道漏水和腐蚀时,需要注意以下几点: - 检查管道表面是否有明显的漏水迹象,如渗水、结露等; - 检查管道腐蚀情况,如锈蚀、裂纹等; - 如有发现漏水或腐蚀问题,需要及时修复或更换受损的部分。
3.4 消防系统维护与雨污水管道相连的消防系统也需要定期维护和检查,以确保其可靠性和有效性。
消防系统维护包括以下方面的内容: - 检查消防设备的运行状态,如喷水头、消火栓等; - 清洁和检查消防水泵和管道; - 定期检测和测试消防系统的水压和喷头的工作压力。
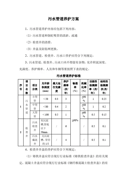
污水管道养护方案1、污水管道养护内容应包括下列内容:(1)污水管道和倒虹吸管的清淤、疏通(2)检查井的清捞。
(3)井盖及防坠网更换。
2、污水管道、检查井、污水口养护应符合下列规定:3、污水管道、检查井、污水口内不得留有杂物,允许积泥深度、充满度、养护频率、人员和车辆等要按照下表的规定。
污水管道养护标准4、检查井井盖的养护应符合下列规定:(1)铸铁井盖应符合现行行业标准《铸铁检查井盖》的有关规定,混凝土井盖应符合现行行业标准《钢纤维混凝土检查井盖》的有关规定,检查井应符合现行国家标准《检查井盖》的有关规定。
(2)车辆经过时,井盖不应出现跳动和声响,井盖与井框间的允许高低差应符合下表的规定。
井盖与井框间的允许高低差表(3)井盖的标识应与污水管道的属性相一致。
(4)铸铁井盖、或采用混凝土、塑料树脂等非金属材料的井盖,承载能力应符合现行国家标准《检查井盖》的规定。
5、当巡视人员在巡视中发现井盖缺失或损坏后,应立即设置警示标志,并在4小时内修补恢复。
6、检查井防坠设施的养护应符合下列规定:(1)防坠设施上的垃圾和杂物应及时进行清理,不得将垃圾和杂物扔入检查井内。
(2)发现防坠设施不牢固的,应及时修理或更换。
7、压力管的养护应符合下列规定:(1)压力管养护应采用满负荷开泵的方式进行水力冲洗。
(2)透气井内应无浮渣。
(3)排气阀、压力井、透气井等附属设施应完好有效。
(5)压力盖板应无锈蚀,密封垫应定期更换,井体应无裂缝。
8、污水管道疏通养护可采用射水疏通、绞车疏通、推杆疏通、转杆疏通、水力疏通和人工铲挖等方式,各种污水管道疏通方法及适用范围宜符合下表的规定。
污水管道疏通方法及适用范围表注:表中“√”表示适用,“—”表示不适用9、检查井的清掏宜采用机械设备清掏,并辅助人工实施。
10、服务单位应对养护质量进行控制,污水管道设施疏通清捞养护质量标准应符合下表的规定。
污水管道设施疏通清捞养护质量标准11、养护车辆和污泥盛器在道路上作业停放时,应设置安全警示标志,夜间应悬挂警示灯。
雨污水工程养护方案一、背景介绍随着城市化进程的加速,城市人口的增加和工业化程度的提高,城市排水系统受到了更大的压力。
雨污水工程是为了解决城市雨水和污水混合排放的问题而建立的一种综合排水系统,其目的是保护环境,维护市民生活质量,预防水污染。
为了确保雨污水工程系统的正常运行和长期使用,养护工作显得至关重要。
二、养护目标1、确保雨污水工程系统的正常运行,并延长其寿命;2、提高排水系统的效率和性能;3、预防和减少设备和管道的损坏;4、减少雨污水排放对周边环境的影响;5、提高雨污水系统的运行安全性和可靠性。
三、养护措施1、定期清理管道和涵洞雨污水工程的管道和涵洞要定期清理,以避免发生堵塞和积水的情况。
特别要注意清理排水井、雨水篦、雨水口等排水设施,保持畅通。
对于已经发生的堵塞情况,要及时清理,并进行维修。
2、检查和修复设备和设施雨污水工程的设备和设施需要定期检查,包括泵站、闸阀、管道连接等。
对于发现的故障和损坏,要及时进行修复和更换,确保设备和设施的正常使用。
3、维护雨水沉沙池和污水处理设施雨水沉沙池和污水处理设施是雨污水工程中重要的一部分,需要定期维护和清理。
对于沉沙池,要定期清理淤泥和污秽物,保持其正常运行。
对于污水处理设施,要及时更换废水处理剂和过滤材料,保持其排放的水质符合排放标准。
4、保养泵站和泵设备泵站和泵设备是雨污水工程中重要的设备,需要定期保养和维护。
要对泵的机械密封、轴承、机器密封、蛇形管等部件进行检查和保养,及时更换磨损和老化的部件。
同时还要对泵站的电控系统进行检查和维护,确保其正常运行。
5、加强设备和设施的防腐保养雨污水工程中的设备和设施易受到大气、水质和化学腐蚀的影响,需要加强防腐保养工作。
对于金属结构,要定期进行防腐处理和喷涂防腐漆,对于混凝土结构,要定期进行防水处理和修补。
6、监测和记录雨污水工程的养护工作需要进行定期监测和记录,包括设备运行状态、管道流量、水质监测等。
通过监测和记录,可以及时发现问题,提高养护效果。
雨污水管工程维护施工方案一、工程概况雨污水管工程是城市基础设施建设的重要组成部分,其功能是将城市污水和雨水分开排放,从而保障城市环境卫生和居民生活质量。
在雨污水管工程维护施工方案中,需要对管道进行巡检、清理、维修等操作,以保障管道的正常运行和使用。
二、工程目标1.确保雨污水管道的畅通排放,避免因管道堵塞造成的积水和污水倒灌等问题。
2.及时发现并修复管道漏损、破裂等问题,避免污水泄漏对环境和市民生活带来的影响。
3.提高管道的使用寿命,延长管道的维护周期,减少维护成本。
4.提高工程施工效率,减少对城市交通和市民生活的影响。
三、工程内容1.巡检(1)确定巡检的频率和路线:根据管道的长度、区域特点和使用情况确定巡检的频率和路线,确保全面覆盖并发现问题。
(2)巡检内容:主要包括管道的外观、漏损、变形、隐患等情况,以及管道周围的环境、设施是否存在破坏或影响管道正常运行的情况。
(3)巡检记录:对巡检过程中发现的问题进行记录,包括问题的位置、性质、大小等信息,以便后续的清理和维修。
2.清理(1)清理方式:采用高压水冲洗、机械刮擦等方式,清除管道内的泥沙、垃圾、淤泥等杂物,保障管道的畅通排放。
(2)清理工具:根据管道的直径和材质确定使用的清理工具,包括高压水枪、管道刮板等。
(3)清理周期:根据管道的使用情况和清理效果确定清理的周期,一般情况下每年进行一次清理。
3.维修(1)维修对象:主要包括管道漏损、破裂、变形等问题,以及管道周围的支架、固定设施等。
(2)维修方式:对于管道漏损、破裂等问题,采用焊接、粘接、更换管段等方式进行修复;对于管道周围的支架、固定设施等问题,进行加固或更换。
(3)维修材料:选用符合国家相关标准的管材、焊接材料、粘接剂等材料进行维修,保障维修质量和运行安全。
4.安全(1)施工安全:在施工过程中,严格遵守相关的安全操作规程,做好施工场地的警示标识和安全保护设施,保障施工人员的人身安全。
(2)环境保护:在施工过程中做好环境保护工作,保障施工过程不对周围环境造成污染,做好废弃物料的分类处置。
雨污水泵站运行项目描述雨污水泵站运行项目描述一、项目概况(一)项目背景:作为城镇公共设施的组成部分,城镇排水系统的主要功能是防止雨水内涝、排除和处理污水、保护城市公共区域水质。
雨污水泵站是排水系统中雨污水传送的动力枢纽,是不可缺的主要组成部分。
其中,雨水泵站主要设置于雨水系统中,用以排除城区雨水,调控雨水泵站水位,防止道路积水。
污水泵站主要设置于污水系统中,用以提升城镇污水高程,将污水输送至污水处理厂进行处理,调控污水泵站水位,防止污水冒溢等情况的发生。
(二)依据充分性:闵行区雨污水泵站运行项目是依据上海市排水设施养护政策的相关规定而设立的,闵行区水务部门将雨污水泵站运行列为日常化项目,在管理上形成长效机制,相关立项依据如下:《上海市防汛条例》《上海市排水管理条例》《上海市城镇公共排水泵站设施运行维护管理工作考核办法》《上海市排水泵站、污水厂设施运行维修估算指标》(2015年度) 《城镇排水管渠与泵站维护技术规程》(CJJ68-2007)(三)项目必要性和重要性:城镇日常雨水及污水经过收集,通过排水管道、排水泵站、污水处理厂处理后,最终排放入河道。
没有外力助推情况下,水通过管道只会往低处自行流动,但这样无法让其及时流向指定的地点,往往造成区域性积水、冒溢等问题,影响正常社会生产生活。
为提高排水效率,则需增加雨污水流速,要给其加上动力。
设立本项目能有效解决上述问题,主要体现在两方面:1、及时排除城区雨水,调控雨水泵站水位,防止道路积水。
2、调控污水泵站水位,提升城镇污水高程,将污水输送至污水处理厂进行处理,从而防止污水冒溢等情况的发生。
所以,雨污水泵站是整个排水设施有效执行的关键因数之一,直接影响城镇的水环境和水资源。
(四)项目的可行性:为保障项目实施,已建立了相应的组织机构,并按照项目总体规划落实项目实施计划。
同时区排水管理所依据《城市排水管道与泵站维护技术规程》(CJJ68-2007)、《上海市城镇公共排水泵站设施运行维护管理工作考核办法》等制度规定,制定了《闵行区排水管理所排水泵站设施运行维护管理工作考核办法(试行)》等考核监督管理制度,考核检查泵站运行工况、运行质量以及处理突发事件。
雨污水泵站养护施工方案1. 引言雨污水泵站是城市排水系统的重要组成部分,用于将雨水和污水从低洼区域输送至处理设施或水体。
为确保泵站的正常运行和延长其使用寿命,养护施工是必不可少的。
本文档将介绍雨污水泵站养护施工方案,包括养护目标、施工步骤和注意事项。
2. 养护目标养护的目标是确保雨污水泵站的正常运行和延长其使用寿命,减少故障和维修次数。
具体养护目标如下:•检查和清理排水管道,防止堵塞和积水。
•检查和保养泵站设备,确保其正常运行。
•检查和清理进水口和出水口,防止堵塞和积水。
•检查和维护泵站周边环境设施,确保安全和良好的工作环境。
3. 施工步骤3.1 清理排水管道1.首先,确定管道进出口的位置和规格,记录在施工记录表中。
2.使用管道清洗工具,如高压水枪或管道清洗车辆,清理管道内的淤泥、垃圾和堵塞物。
3.检查排水管道是否有破损或渗漏,如有发现问题及时修复。
记录下破损位置和修复方法。
3.2 保养泵站设备1.首先,关闭泵站的电源和进出水阀门,确保施工安全。
2.清理泵站内的杂物和垃圾,包括泵站底部的积水和沉淀物。
3.检查泵站设备的运行情况,包括泵的转动、阀门的开闭等,如有异常及时进行维修。
4.对泵站设备进行润滑和保养,包括添加润滑油和调整阀门。
5.检查泵站控制系统的正常运行,包括自动控制和报警系统。
3.3 清理进水口和出水口1.首先,关闭进水口和出水口的阀门,确保施工安全。
2.使用清洗工具清理进水口和出水口,包括刷子、高压水枪等工具,清除积聚的杂物和垃圾。
3.检查进水口和出水口的阀门是否正常开闭,如有异常及时进行维修。
4.检查进水口和出水口的密封情况,如有渗漏及时进行修复。
3.4 检查和维护周边环境设施1.检查泵站周边的道路和排水系统,确保通畅和安全。
2.清理周边的排水口和下水道,防止堵塞和积水。
3.检查泵站周边的围栏和照明设施,确保其正常运行和安全。
4. 注意事项在进行雨污水泵站养护施工时,需要注意以下事项:•施工前要确保泵站的电源和进出水阀门已关闭,确保施工安全。
雨污水管养护施工方案1. 引言雨污水管道是城市基础设施中不可或缺的一部分,负责收集和排放雨水和污水。
为了确保管道的正常运行和延长使用寿命,必须对其进行定期养护和维修。
本文将介绍一种雨污水管养护施工方案,旨在提供有效的管道管理方法。
2. 养护前准备工作在施工养护开始之前,需要进行以下准备工作:2.1 管道检查与评估对雨污水管道进行全面的检查和评估,包括管道的长度、直径、外观、管材、连接方式等,以确定管道的整体状况和存在的问题。
2.2 管道清洗使用高压水射流清洗设备清洗管道,去除管道内部的污物和沉积物,确保管道内部光滑。
2.3 管道测量与记录测量管道的倾斜度、高程等参数,并记录下来以备后续参考。
3. 施工养护方法3.1 漏水点修复通过对漏水点进行定位,使用合适的修复材料进行修复,确保管道不再漏水。
3.2 管道疏通使用专业的管道疏通工具,清除堵塞物,恢复管道的通畅。
3.3 防腐处理根据管道的材料和使用环境,选择合适的防腐涂料进行处理,延长管道的使用寿命。
3.4 接口处理对管道的接口进行检查和处理,确保接口的紧密性和稳固性。
3.5 定期清理定期进行管道清理工作,清除管道内的污物和沉积物,保持管道的畅通。
4. 施工阶段安全措施4.1 工作人员培训为施工人员提供必要的培训和安全知识,确保工作人员理解并遵守安全操作规程。
4.2 个人防护装备要求施工人员配备必要的个人防护装备,包括手套、安全鞋、防护眼镜等。
4.3 现场警示标识在施工现场设置必要的警示标识,提醒工作人员和路过人员注意安全。
5. 施工质量控制5.1 施工计划与进度控制制定详细的施工计划,并监控施工进度,确保按照计划进行施工。
5.2 施工过程检查与验收定期进行施工过程检查,并在施工完成后进行验收,确保施工质量符合要求。
5.3 施工记录与整理记录施工过程中的重要数据和信息,整理施工资料,以备后续查阅和参考。
6. 施工后维护在施工完成后需要进行管道的维护工作,包括定期检查、清洗和保养,以确保管道的长期稳定运行。
2019年雨污水管道养护项目描述一、项目概况1、项目背景:雨污水管道是城市排水系统中不可或缺的重要设施,为排水安全提供了保障。
雨水管道由于新旧差异、雨污水混接和排放水成分复杂的原因,污水管道中难免会出现垃圾、秽物的沉淀,导致管道淤积、堵塞,极易造成排水不畅,给防汛安全带来隐患,影响市民的生产生活和方便出行。
上海市排水管理条例(2010年9月17日修正)中:“第三十二条第(一)条:公共排水系统内的排水设施,由通过招投标方式确定的运行单位负责”、“第三十三条养护维修责任单位应当按照国家和本市有关污水处理厂、泵站和排水管道等养护维修技术标准,对排水设施进行养护维修,保证排水设施完好和正常运行。
”根据市相关规定,闵行区人民政府制定了《关于转发闵行区公共排水设施养护管理实施意见的通知》(闵府办发[2013]76号)要求:紧紧围绕保障城市运行安全和防汛安全的总目标,按照“养护疏通专业化、设施巡视常态化、检查整改制度化、考核指标科学化”的总体要求,坚持深化长效管理机制与创新管理理念相结合,坚持提高日常养护质量与重视突发事件处置相结合,坚持按定额投入与提升监管水平相结合,不断完善排水设施养护管理机制,进一步提高排水设施养护管理水平。
闵行区雨污水管道养护项目是区水务局为了保障辖区内的雨污水管道畅通和设施完整而设立的经常性市政养护项目。
每年根据区政府抄告单要求,对于建设合格的雨污水管道进行接收,并按照养护标准做好日常养护工作,保障雨污水管道畅通,确保区域排水安全。
2、依据充分性:1、《上海市防汛条例》(2014);2、《上海市排水管理条例》(2010年9月17日修正);3、《关于加强上海市排水管道设施养护管理工作的实施意见》(沪水务[2012]271号);4、《上海市水务局关于进一步加强排水设施管理工作的通知》(沪水务[2016]1742号);5、《上海市排水管道设施养护维修定额》(2015);6、《上海市排水管道设施养护维修年度经费定额》(2015年度现行价);7、《闵行区人民政府办公室关于转发闵行区公共排水设施养护管理实施意见的通知》(闵府办发[2013]76号);8、城镇排水管渠与泵站维护技术规程(CJJ 68-2007);9、《下水道养护质量检查评定标准》;10、《闵行区“十二五”生态建设与环境保护规划》。
雨污水及管道养护工作计划1. 引言雨污水管道是城市基础设施的重要组成部分,其正常运行对城市环境和居民生活有着重要的影响。
然而,由于长期使用、缺乏养护,雨污水管道常常存在堵塞、泄漏等问题,影响了城市的正常运行。
为了保障雨污水管道的运行和居民的生活质量,制定一份合理的管道养护工作计划是必要的。
本文将介绍雨污水及管道养护工作计划的具体内容,包括工作目标、工作内容、工作计划安排等。
2. 工作目标本次雨污水及管道养护工作的总目标是保障城市雨污水管道的正常运行,减少管道堵塞和泄漏导致的问题,提高城市的环境质量和居民的生活质量。
为了实现这一目标,我们将采取以下具体措施:•定期进行管道清理和疏通,及时清除管道中的积水、杂物等。
•对老化和破损的管道进行修复和更换,确保管道的完整性。
•提高居民的环境保护意识,减少随意扔掉杂物的行为。
•加强对雨污水管道的监测和巡查,及时发现问题并进行处理。
3. 工作内容本次养护工作的具体内容包括以下几个方面:3.1 管道清理和疏通定期对城市主要道路和居民小区的雨污水管道进行清理和疏通工作,主要包括以下步骤:1.使用专业设备清理管道中的积水和杂物,确保管道畅通。
2.针对管道中的沉积物进行清理,避免堵塞。
3.定期进行管道的冲洗,清除管道内壁的污秽物质。
3.2 管道修复和更换对老化和破损的管道进行修复和更换,保证管道的完整性和正常运行,具体步骤如下:1.定期对管道进行巡查,发现问题区域。
2.根据巡查结果,对有问题的管道进行修复或更换。
3.采用专业设备和材料进行修复和更换工作,确保质量和耐久性。
3.3 环境教育和宣传加强对居民的环境保护意识教育和宣传,通过多种渠道传播环保知识,引导居民形成良好的环境行为习惯,具体做法如下:1.利用市政宣传媒体,发布环保宣传内容。
2.开展宣传活动,如举办环保讲座、垃圾分类活动等。
3.向居民家庭发放环保宣传资料,提高居民的环保意识。
3.4 管道监测和巡查建立雨污水管道的监测和巡查制度,定期对管道进行检测和巡查,及时发现问题并进行处理,具体步骤如下:1.制定巡查计划,明确巡查的时间和路线。
雨污管网养护及河道应急处理项目计划书下载温馨提示:该文档是我店铺精心编制而成,希望大家下载以后,能够帮助大家解决实际的问题。
文档下载后可定制随意修改,请根据实际需要进行相应的调整和使用,谢谢!并且,本店铺为大家提供各种各样类型的实用资料,如教育随笔、日记赏析、句子摘抄、古诗大全、经典美文、话题作文、工作总结、词语解析、文案摘录、其他资料等等,如想了解不同资料格式和写法,敬请关注!Download tips: This document is carefully compiled by theeditor.I hope that after you download them,they can help yousolve practical problems. The document can be customized andmodified after downloading,please adjust and use it according toactual needs, thank you!In addition, our shop provides you with various types ofpractical materials,such as educational essays, diaryappreciation,sentence excerpts,ancient poems,classic articles,topic composition,work summary,word parsing,copy excerpts,other materials and so on,want to know different data formats andwriting methods,please pay attention!雨污管网养护与河道应急处理项目计划书一、项目背景随着城市化进程的加快,雨污管网系统的完善和河道的健康状态对城市环境和居民生活起着至关重要的作用。
雨污水管道养护方案介绍雨污水管道是城市中不可或缺的基础设施之一,它负责收集和排放雨水和污水。
为了保证其正常运行,需要进行养护和维护工作。
本文将提供一套雨污水管道养护方案,包括定期检查、清洁和修复等措施。
定期检查定期检查是保持雨污水管道正常工作的基础。
一般建议每年进行一次全面的检查,以及半年或季度性的例行检查。
具体的检查事项包括:1.管道外观:检查管道是否存在破损、渗漏或变形等问题。
2.排水口:检查排水口是否畅通,有无堵塞或积聚杂物的情况。
3.雨篦子和过滤器:检查雨篦子和过滤器是否清洁,能否有效过滤杂物。
4.排水系统:检查排水系统是否正常运行,有无异常响声或压力不足。
5.排放水质:抽取样品检测排放水质,确保不超标。
清洁措施随着时间的推移,雨污水管道内会积聚污垢和杂物,从而影响其排水效果。
因此,定期进行清洁工作十分重要。
以下是一些常用的清洁措施:1.冲洗管道:定期使用高压水枪冲洗管道内部,以清除积聚的污垢和杂物。
2.清除堵塞物:使用专业工具,如管道通机、管道疏通剂等,清除管道中的堵塞物。
3.清洗雨篦子和过滤器:将雨篦子和过滤器取出清洗,确保其通畅有效。
4.检查管道连接处:检查管道连接处是否存在松动,及时处理。
修复措施在检查过程中,可能会发现一些管道破损、变形或渗漏等问题。
及时修复这些问题可以延长管道的使用寿命并提高其工作效率。
以下是常见的修复措施:1.管道修补:对于小块破损或渗漏问题,可以使用特殊的粘合剂或密封材料进行修补。
2.管道更换:对于严重破损或变形的管道,需要更换整段管道以确保正常排水。
3.断管修复:对于断裂的管道,需要进行焊接或其他连接方式的修复。
4.密封处理:对于管道连接处的松动或渗漏问题,可以使用密封胶进行处理。
总结雨污水管道的养护是城市运行和环境保护的重要环节。
通过定期检查、清洁和修复措施,可以确保管道正常工作并延长其使用寿命。
同时,对于雨水和污水的处理和排放也需要符合相关法规和环保要求。
雨污水管道检测项目描述一、项目概况1、项目背景雨污水管道作为城市排水重要基础设施,它们的正常运行关系到整个区域的排水安全。
排水管道作为隐蔽工程,平时是无法直观了解设施实际状态的,为了保障设施能正常运行,我们需要通过CCTV检测这一特殊手段,对管道进行检测,以确保能了解排水设施真实的状态,及时发现问题,为管道进行抢修、维修,设施移交和日常养护考核提供参考依据。
2、依据充分性管道检测项目是依据上海市排水设施养护政策的相关规定而设立的,闵行区水务部门将管道检测项目列为日常化项目,在管理上形成长效机制,相关立项依据如下:1、《上海市防汛条例》;2、《上海市排水管理条例》;3、《上海市公共排水管道电视和声纳检测评估技术规程》3、项目必要性和重要性CCTV检测是目前了解排水管道实际运行状态的主要技术手段。
通过检测,能让我们直观的看到管道的运行情况,一旦检测中发现管道存在问题,我们会按照轻重缓急的原则,安排抢修或者制定预算立项维修。
如果不能及时的发现管道存在的问题,很有可能会小问题变成大问题。
比如及时修复漏水的管道能防止因水土流失,造成路面塌陷的事故。
我们还通过检测数据对要新接收的管道把好质量关,对存在问题的管道,要求施工方修复后再移交。
平时还利用检测手段对全区监管的排水管道做好养护监管工作,及时将检查出来的问题通报各相关责任单位,要求其落实好整改工作。
4、项目的可行性项目由闵行区排水管理所负责实施和管理。
项目经费按照行业标准计算,经闵行区水务局申请,闵行区政府、财政局审核批准,设立专项资金用于管道检测。
管道检测报告质量参照行业标准进行验收。
二、项目绩效目标设定情况1、项目的总体目标通过检测,直观的了解管道的运行情况,对检测中发现的问题管道,按照轻重缓急的原则,落实抢修或者维修,防止小问题必成大问题,保障安全排水。
对要新接收的管道把好质量关,对存在问题的管道,要求施工方修复后再移交。
对全区监管的排水管道做好养护监管工作,及时将检查出来的问题通报各相关责任单位,要求其落实好整改工作。
雨污水管维护施工方案1. 引言本文档旨在提供雨污水管维护施工方案的详细说明。
雨污水管的维护施工是为了保证管道的正常运行和延长使用寿命,确保污水排放和雨水排放的安全和卫生。
本方案将涵盖施工前准备、维护施工步骤和安全措施等内容。
2. 施工前准备在进行雨污水管的维护施工前,需要进行以下准备工作:- 确定施工范围:根据实际情况确定需要维护的雨污水管的范围。
- 制定维护计划:根据管道的情况,合理安排维护工作的时间和步骤。
- 获得必要的许可和批准:遵守相关的法律法规,获得施工所需的许可和批准。
- 准备所需材料和设备:根据维护计划确定所需的材料和设备,并做好采购准备。
3. 维护施工步骤维护施工的步骤应根据具体情况进行调整,但一般包括以下几个方面:1. 清理管道:先清理管道内的积水、泥沙和杂物,确保管道内部干净。
2. 检修管道:对管道进行检查,发现破损、渗漏或其他问题时,及时修复。
3. 疏通管道:如果发现管道阻塞,需要进行疏通处理,使管道畅通无阻。
4. 测试管道:维护施工完成后,进行管道的测试,确保管道的功能正常。
5. 做好记录:记录施工过程中的关键信息,包括施工时间、施工人员和所用材料等,以备日后查阅。
4. 安全措施在进行雨污水管的维护施工时,必须注重施工安全。
以下是一些建议的安全措施:- 穿戴防护装备:施工人员应穿戴必要的防护装备,如安全帽、手套和防滑鞋等。
- 使用安全工具和设备:施工人员应使用符合安全规范的工具和设备,确保施工过程中的安全。
- 提供培训和指导:对施工人员进行必要的培训和指导,使其了解施工过程中的安全事项。
- 设置警示标志:在施工区域设置明显的警示标志,提醒他人注意施工。
5. 总结本文档提供了雨污水管维护施工方案的详细说明,包括施工前准备、维护施工步骤和安全措施等内容。
通过遵循本方案,能够确保雨污水管道的正常运行和安全使用。
在实际施工中,应根据具体情况进行调整和补充。
水环境PPP项目污水截污及雨水管网管线维修维护方案(一)日常保养项目、内容,应符合下列规定:1) 应进行沿线巡视,消除影响安全的因素。
2) 应检查、处理管线的各项附属设施有无失灵、漏水现象,并盖有无损坏、丢失等。
(二)定期维护项目、内容,应符合下列规定:1) 应每季对管线附属设施、排气阀、自动阀、排空阀、管桥巡视检查和维修一次,保持完好。
2) 应每年对管线及附属设施检修一次,并对钢制外露部分进行油漆。
3) 应定期检查运行、水生物、积泥和污染情况,并采取相应预防措施。
(三)大修理项目、内容、质量,应符合下列规定:1) 管道和管桥严重腐蚀、漏水时,必须更换新管,其更新管段的外防腐及内衬均应符合相关标准的规定,较长距离的更新管段还应按规定泵验合格。
2) 管线大量漏水,必须排空修理,更换或检修内壁防护层、伸缩缝等。
3) 应每隔2~3年做全线的停水检查维修,测定管内淤泥的沉积情况、沉降缝(伸缩缝)变化情况、水生物(贝类)繁殖情况,并制定出相应的处理方案。
4) 管线大修后的管子外防腐及内衬质量,应符合下列规定:(1)钢管外防腐质量检测。
(a)包布涂层不折皱、不空鼓、不漏包、表面平整、涂膜饱满;(b)焊缝填、嵌结实平整;(c)火花仅2500V检验,不得针孔击穿;(d)厚度达到设计要求。
(2)金属管水泥砂浆衬里。
(a)水泥砂浆配比:水泥(标号425#以上)与砂的重量比为1:1~1:2,坍落度60~80mm;(b)水泥砂浆衬里厚度及允许公差符合现行的《埋地给水钢管道水泥砂浆衬里技术标准》的规定,但衬里缝大于0.6mm时应处理;(c)表面平整度可用300mm直尺平形管线测定,衬里表面和直尺之间的间隙不大于1.8mm;(d)表面粗糙度,以手感光滑无砂粒感为合格。
污水管道保养方案
简介
本文档提供了污水管道保养方案的基本步骤和措施,旨在确保
污水管道的正常运行和长期使用。
检查和清理
1. 定期检查污水管道的完整性,包括检查是否有漏水、损坏或
堵塞的情况。
2. 清理管道中的污垢和堵塞物,可以使用专业的清洁剂或高压
水射流清洗。
维护设备
1. 检查和维护相关设备,如泵站、过滤器和阀门等,确保其正
常运行。
2. 定期更换老化或磨损的设备部件,以提高设备的寿命和性能。
预防措施
1. 定期进行污水管道的防腐处理,以延长管道的使用寿命。
2. 安装并定期检查管道的保护措施,如防腐涂层和防渗漏材料。
周期性维护
1. 制定维护计划,包括定期检查和维护的时间表。
2. 定期清理和检查污水管道周围的区域,确保无土壤沉积和杂物堆积。
应急响应
1. 制定应急响应计划,以应对突发事件,如漏水、爆管等。
2. 定期进行演,确保员工熟悉应急程序,并保持应急设备的正常运行。
培训和教育
1. 提供培训和教育计划,确保工作人员了解污水管道保养的重要性和正确的操作方法。
2. 定期组织培训活动,更新工作人员的技能和知识。
以上是污水管道保养方案的基本内容,希望能对保养污水管道的工作提供指导和帮助。
如有其他问题,请随时与我们联系。
雨污水管道养护项目描述
一、项目概况
(一)项目背景
1、雨水管道养护:城市排水设施是城市防汛安全保障的核心,雨水管道的疏通养护和管理是城市排水设施维护的主要工作内
容。
由于雨水管道新旧差异和排放水成分复杂的原因,在雨水管
道中难免会出现垃圾、秽物的沉淀,导致管道淤积、堵塞,极易造成排水不畅,从而影响市民的生产生活和方便出行。
2、污水管道养护:随着闵行区的建设发展、房地产业规模的不断扩大,新建小区、商业办公楼如春笋般涌现出来,致使城市用
水量逐年增加,但污水管道往往因水量不足,污水中沉降杂质多或施工质量不良等原因发生沉淀、淤积,一旦淤积过多,将直接影响管道的通水能力,日积月累导致管道堵塞,对市民的出行带来了极大的不便。
为了保障区域内雨污水管道运行畅通和设施完整,闵行排水所将
雨污水管道养护工作列为排水所历年常规项目,由闵行区排水管
理所负责项目的实施和管理。
闵行区排水管理所每年根据区政府抄告单要求,对于建设合格的雨污水管道进行接收,并按照养护标准做好日常养护工作,保障雨污水管道畅通,确保区域排水安全。
(二)依据充分性
专业资料
闵行区雨污水管道养护项目是依据上海市排水设施养护政策的相关规定而设立的,闵行区水务部门将雨污水管道养护列为日常化项目,在管理上形成长效机制,相关立项依据如下:
1、《上海市防汛条例》;
2、《上海市排水管理条例》;
3、《关于切实规范上海排水管理实施养护管理工作的实施意见》
(沪水务[2012]410 号);
4、《关于进一步强化本市排水管道设施养护监督管理工作的通知》
(沪水务[2013]158号);
5、《上海市排水管道设施养护维修定额》(2015);
6、《上海市排水管道设施养护维修年度经费定额》(2015年度现行价);
7、《关于加强上海市排水管道设施养护管理工作的实施意见》;
8、《城镇排水管渠与泵站维护技术规程》(CJJ 68-2007);
9、《下水道养护质量检查评定标准》;10、《闵行区“十二五”生态建设与环境保护规划》
(三)项目必要性和重要性
城市排水设施是城市防汛安全保障的重要组成部分,确保排水管
道设施完好,充分发挥现有排水设施能力对上海防汛安全工作至关重要。
通过定期开展雨污水管道养护,及时疏通管道,清捞淤泥,能够保障管通水畅,从而避免因管道隐患带来的排水事专业资
料
故,保障市民安全出行。
加快推进闵行区排水系统改造工程建设,稳步提高城市防汛排水能力。
稳步推进城市养护作业市场化改革,逐步建立统一开放、竞争有序的养护市场体系和运行体系,提升城市养护管理水平。
(四)项目的可行性
由闵行区排水管理所负责项目的实施和管理。
项目经费按照行业
标准计算,经闵行区水务局申请,闵行区政府、财政局审核批准,设立专项资金用于日常养护。
根据《上海市排水管理条例》和《城镇排水管渠与泵站维护技术规程》(CJJ68-2007 )的要求和标准,制定了《上海市闵行区排水管理所排水管道养护质量管理办法》,主要目标为加强闵行区排水管道养护工作的监督管理,提高排水设施养护管理水平,确
保排水设施完好和正常运行,防止洪涝灾害,保障城市防汛排水安全。
二、项目绩效目标设定情况
(一)项目的总体目标
项目的总目标是确保项目单位接收范围内的雨污水管道有效运
行。
根据相关政策、标准的要求,加强对闵行区排水管道养护工作,确保设施完好,提高排水设施养护管理水平,保障区域防汛安全和排水畅通,减少通沟泥对水体染,提高周边居民的生活质
量。
(二)项目的具体目标
专业资料
产出数量:养护计划执行率>90%;机械疏通率=100%
产出质量:综合合格率 >85% ;通畅抽查合格率>90%
产出时效:突发事件处置及时率>90%
经济效益:项目预算比养护定额下浮30%
社会效益:管道设施完好率>95% ;投诉处置率100%
影响力:长效管理机制政策资金保障度良好,制度和措施齐全;
养护人员配备充分到位
满意度:居民满意度>80% ;企业满意度>80%主要绩效指标目标
(三)阶段性工作目标
根据管道养护考核办法编制了闵行区排水管理所工作计划。
排水管道养护主要项目计划
三、项目投入情况(一)项目总投入和构成情况闵行区雨污水
管道养护项目经费预算按照行业标准《上海计算得出。
市排水管
道设施养护维修年度经费定额》下浮30%项目经费由区排水管
理所(二级预算单位)上报其上级主管部年区级部门预算,并由区水务局门一闵行区水务局编制20172017上报区财政局安排年度预算指标,经区人大批准后纳入年政府部门预算。
(二)经常性项目执行情况项目历年预算安排及执行情况详见
下表:雨污水管道养护项目前三年资金安排及执行情况表单位:万元
(三)资金来源情况《上海市闵行区雨污水管道养护项目经费预算按照行业标准《上海市排水、年)排水管道设施养护维修年度经费定额》(2015,预算价年度现行价单位估价表》管道设施养护维修定额2015年我所管2017100%资金。
下浮30%计算
得出。
由区财政承担919公里。
辖的市政雨污水管道涉及全区
14 个镇、街道,全长2017年雨污水管道养护项目预算资金安排明细表项目
个区域,通过11管道养护项目为政府采购项目,项目分为家养护单位分别中标,112014年由公开招标确定养护单位。
年。
年合同期限从2014-2016 项目资金申请及拨付流程详见下图:
项目资金拨付流程图(直接支付)专业资料
区财政审核
(四)成本管理情况
项目最终的支出金额是以合同为准。
③直接支付凭证①用款申请②审核后区水务局
四、项目计划活动
(一)组织管理
为保障项目实施,已建立了相应的组织机构。
组织架构如下图:
(1)闵行区水务局作为预算主管部门,主要负责规范项目建设管理、项目统筹规划、监督考核和资金管理等。
(2 )闵行区排水管理所作为闵行区水务局下属二级预算单位,
按照政府采购公开招投标的方式确定养护中标单位,进行排水管道养护管理,并对各养护单位进行质量考核,同时负责申请拨付养护资金。
(二)实施范围和对象
专业资料
该项目所包含54公里(新虹街道)污水管道养护,410公里(除新虹街道的其他镇街道)污水管道养护,105公里(新虹街道)
雨水管道养护,291公里(除新虹街道的其他镇街道)雨水管道养护,闵开发雨、污水管道养护59公里。
(三)项目实施计划
本项目属城市基础设施的养护管理工作,实施时间为一个自然年
2017年1月1日至2017年12月31日。
年初制定全年目标及养护计划,上报市排水处备案,每月按计划对相应管道实施养护。
排水所每月对养护工作进行抽查考核,并接受市排水处的每月考
核检查和监督。
年末进行综合考核,并评出奖励等次,进行表彰。
五、保证项目实施的制度、措施
(一)项目管理制度和日常考核制度:根据《闵行区排水管理所
排水管道及泵站养护质量管理办法》的规定,明确了项目日常养护标准、日常监督管理和考核检查的要求。
(二)资金管理制度:根据《工程进度价款支付制度》、《行政事
业单位预算管理制度》、《工程项目岗位责任制度》《闵行区排水
管理所政府采购管理制度》的规定,制定好年度预算计划、预算使用规范、项目采购规范以及资金使用分配原则,同时抓好内控
管理。
(三)考核管理制度:区排水管理所按照《闵行区排水管理所排水管道养
护质量管理办法》要求,预留10%养护经费作考核之
用,剩余养护费用由区排水管理所按季度向财政申请拨付,年终
对于考核合格的单位按考核等次发放相应比例的考核费用。
专业资料
六、项目整改情况
(一)2016年项目评价情况:
2016年闵行区财政局对项目进行跟踪评价,评价结果项目运行
基本正常。
(二)2016年财政预算实施情况主要问题有:
相关子项目采购审批流程进度较慢,项目连续性可能受到影响。
2016年闵开发地区雨污水管道养护由上海闵行联合发展有限公司实行。
上海闵行联合发展有限公司于2016年6月就闵行经济开发区所属排水设施养护问题,向闵行区发改委提出由上海联工
实业有限公司作为养护单一来源养护单位进行养护的申请,由于
该单一来源审批流程较为缓慢,使得相关养护经费支付进度受到影响,影响项目的连续开展。
七、风险因素分析
(一)受到天气等客观因素影响较大。
每年汛期都会出现短时强降雨和台风来袭等灾害天气。
对于超出设计强度的降雨,现有管道设施无法承受,极易产生道路积水和污水冒溢现象。
八、建议和改进措施
根据2016年发现的问题,我所已经整改完毕。
闵开发相关的2016年度养护经费已经全部到位。
加强管道的疏通和日常的巡查,保持管道通畅。
暴雨期间,尽量做到2小时退水。
专业资料
闵行区排水管理所
专业资料
2016年11月28日专业资料。