06 文件分类、编码及版本管理制度
- 格式:doc
- 大小:101.50 KB
- 文档页数:8
管理制度文件编码要求一、目的为了规范管理制度文件的编写,提高文件的信息化程度和可阅读性,确保文件的准确、清晰和规范。
二、适用范围适用于所有管理制度文件的编码要求,包括各类规章制度、工作流程、操作规程等。
三、编码原则1. 简单明了:编码应简洁明了,易于识别和记忆。
2. 有序排列:编码应有序排列,便于归档和检索。
3. 规范统一:编码应遵循统一的规范,不得随意更改。
4. 保密性:编码应具有一定的保密性,不得随意泄露。
四、编码要求1. 编码内容:编码应包括编号和名称两部分,编号是标识文件的唯一序号,名称是对文件内容的简要描述。
2. 编码格式:编号采用数字、字母或符号等形式,名称采用中文或英文等形式。
3. 编码规范:编码应按照一定规范进行组织,如“规章制度-部门编号-序号”等形式。
4. 编码更新:编码更新应及时进行,确保文件的版本控制和管理。
五、编码管理1. 责任部门:由相关部门负责管理管理制度文件的编码工作。
2. 编码工作流程:编码工作应按照程序规定进行,包括新建、修改和废止等流程。
3. 编码备份:编码备份应妥善保存,以防丢失或损坏。
4. 编码检查:对编码进行定期检查和审核,确保编码的准确性和完整性。
六、附则1. 本编码要求自发布之日起开始执行。
2. 对于已编写的管理制度文件,应尽快进行编码整理,以符合本要求。
3. 如有变动或疑问,应及时向管理部门进行反馈和沟通。
七、结语管理制度文件的编码是规范管理工作的重要环节,各部门应严格按照要求执行,并不断完善和提高文件编码管理水平,确保管理制度文件的有效运行和实施。
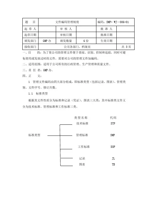
一、目的:为了使公司的管理文件便于查阅、识别、控制和追踪,同时可避免使用或发放过时的文件,需要对公司的管理文件加编码。
二、适用范围:适用于公司所有的行政管理、生产管理和质量文件。
三、责任者:GMP办。
四、正文:1 管理文件编码由四大部分组成,即标准类型(包括记录、图表)、管理类别、文件序号、修订次数。
1.1 标准类型根据其文件性质分为标准和记录(凭证)、图表三大类;其中标准类文件又分为技术标准、管理标准和工作标准三类。
类型名称代码技术标准 STP 标准类型管理标准 SMP工作标准 SOP记录 JL图表 TB1.2 管理类别:文件按其管理进行分类,拼音缩写代码列表如下:1.3 文件序号以三位阿拉伯数字表示,如序号为第6号的文件,顺序号用006表示。
1.4 修订次数修订号用两位数字表示,如00为第一次制订,01为第一次修订,02为第二次修订,以此类推。
代码与顺序号、修订号之间用短线分开。
文件编码:标准类型(代码)-管理类别(缩写代号)-文件序号(三位阿拉伯数字)修订次数(两位数字)。
例如:STP-SC-007-00STP-SC表示生产技术标准007表示顺序为第7号的生产技术标准文件。
最后的00表示第一次制订的文件。
STP-SC-007-00表示序号为第7号的生产技术标准文件,此文件是首次制订的。
特殊规定1.5质量技术类文件的编码由四部分组成,即①②③④第①部分: 代表质量类技术标准第②部分:物料类别,01表示原辅料,02表示中间品,03表示包材,04表示成品,04N表示成品内控。
第③部分:为文件流水号,由三位阿拉伯数字组成,按顺序从001到999号。
表示该文件是本部分的第几个文件。
第④部分为版式序号:00表示第一版新文件,01表示第一次修改,02表示第二次修改,依此类推。
1.6验证类文件的编码由四部分组成,即②②③④(SB、WS)。
(设备、清洁验证为SOP,工艺验证为STP)如:SOP-SBYZ-001-01标示序号第一个设备第一次再验证。
文件变更履历页1、目的:建立统一的文件编码和公司金蝶K3 系统各代号编码原则以及文件版本/次管理原则和方法,使各类文件的分类有一定的组织系统和规律。
2、适用范围:适用于本公司所有受控文件的编码,金蝶K3系统编码和版本/次管理。
3、定义无4、权责:各部门:负责按程序和本文件的要求对本部门拟定文件的编码。
文管:负责各部门文件编码原则的拟定和各部门文件编码的监督、确认。
5.作业内容:5.1一、二、三、四阶文件编码原则5.1.1体系类文件(如质量手册、程序文件、管理规定、制度、作业办法、工作说明、实施细则等)流水号(从001-999)文件别号体系代号普信达公司代号“PSD”备注:三阶文件在文件别号后,增加一个代码,区分SIP、SOP、作业办法、实施细则等,如:PSD-Q-03(A)-001 表示SIP。
5.1.2说明5.1.2.1管理体系代号:依据管理体系之不同,其代号亦不相同,目前本公司以“Q”代表质量管理体系,以“E”代表环境管理体系等。
5.1.2.2文件阶层代号:依据文件阶层赋予代号,一阶文件为“01”(手册Manual),二阶文件为“02”(程序Procedure),三阶文件为“03”(指导书Instruction),四阶文件为“04(表单)”。
5.1.3对于在表单印刷时即可编好管理流水号的(如:送货单号、采购申请单号、入库单号等),可依据表单印刷许可的特性确定编码方法。
5.1.3.1通常方法如下:X X X X X X X X流水号(从000001~999999)印刷时的年份号(如09)。
备注:金蝶K3系统中生成的表单以系统自动生成的流水码区分。
参照金蝶K3系统表单编号原则。
5.1.3.2申请印刷时要注意避免重号。
推荐头2位用印刷时的年份号开头,并且申请印刷时需根据已有表单的编号在申请单上注明新印表单的起始编号。
5.2文件版本/次的编码和管理5.2.1文件版本/次编码原则①版本:从A开始的整数②版次:从05.2.2版本/次的变更5.2.2.1文件内容修改,应在修订页内做相应的修改记录,并对封面进行版本/次的变更。
1.目的本文件规定文件类别的划分和编号及格式的规定,确保实施有序管理。
2.范围适用于公司所质量管理体系文件。
3.公司代号DF:表示东方纸箱机械实业有限公司4. 管理类别划分及其代号规定:类别序号管理类别代号说明业务类1 技术管理T2 采购物料管理 B3 质量管理Q4 生产管理P5 运输管理 D支持类6 市场管理M7 人力资源管理H8 行政管理 A9 环境管理 E10 安全卫生管理S11 基础设施管理I 含投资12 财务管理 F13 目标计划管理O 含实体绩效管理、年度经营计划目标14 信息管理N15 客户关系管理 C5. 文件类别划分及其代号规定:序号文件类别定义代号1 质量手册规定组织质量管理体系的文件QMQP2 程序文件质量管理体系中描述为进行某项活动或过程所规定的途径的文件3 规章制度QRQL4 计划规定用于某一具体情况的管理体系要素和资源的文件5 作业指导书有关如何实施和记录的详细描述WI6 表单用于记录管理体系所要求的信息的文件QF7 清单目录QT8 技术规范TS6. 部门代号根据组织架构图中设置的各部门名称,以两个英语单词第一个大写字母进行标识,如总经理、总经理助理、生产副总、营销副总均缩写成CE、生产部PD、人事行政部HA、财务部FD、物控部MC、开发部RD、市场部MD、品管部QM、售后服务部CS。
7. 文件编号组成要素7.1 质量手册和程序文件:DF/QM - ××顺序号(00, 01, 02……)公司代号及文件类别号7.2 三级文件及其它文件:DF/××-××-××文件的序号(01,02,……)部门代号(其中物控部原已印刷的表单按“OP”,但等ERP正式运行后改为“PMC”) 作业指导书(WI)、规章制度(QR)、技术规范(TS)、质量记录(QF)等文件类别号公司代号7.3 物控部计划编号:×××/××××/××/×××/×××此供应商当月生产计划单或追加计划单或更改计划单的流水号计划编制的当月流水号计划编制的月份计划编制的年份供应商编号8. 程序文件的结构和基本要求8.1 程序可用文字、流程图、表格或其组合描述。
06-文件分类、编码及版本管理制度文件分类、编码及版本管理制度1.目的为规公司文件管理,明确文件体系分类,并通过文件编码及版本的制定使其具有唯一性、统一性、识别性、控制性,特制定本管理制度,以达到信息资料有效分类管理及便于查找的目的。
2.适用围本管理制度适用于公司文件体系。
其他公司参照执行。
3.文件分类公司文件体系依照容从上至下分为四大类:政策类、制度类、流程类、其他类。
4.1政策类政策是公司在不违背国家相关政策法规的前提下,为了实现公司整体利益最大化,以权威形式制定的公司战略、发展目标计划及其他对公司活动起到纲领性指导作用的文件。
4.2制度类制度是公司、部门等制定主体在公司政策的指导下,为了规自身建设,加强成本控制、维护工作秩序、提高工作效率、增加公司利润、增强企业品牌影响力,通过一定的程序所制定出的一系列规和准则,包括管理制度、规定、办法等。
公司制度一般包括以下几个方面:(1)人力管理制度。
容包括:员工守则及行为规、岗位职责、岗位说明书、考勤管理、招聘管理、人事档案管理、离职管理、培训管理、人员调动管理、奖惩管理、福利管理、工资管理、绩效考核管理等。
(2)安全制度。
容包括:警卫人员值勤管理、防火安全管理、安全生产管理、安全保卫管理、事故管理、危险物品安全管理等。
(3)财务制度。
容包括:资金预结算管理、资金管理、现金管理、财务审批管理、财务盘点管理、审计管理、固定资产管理、出纳管理、会计档案管理、统计管理等。
(4)行政制度。
容包括:会议管理、文件管理、档案管理、出差管理、车辆管理、食堂管理、管理、环境卫生管理、值班管理、办公用品管理等。
(5)业务部门制度。
指以各业务部门为主体制定的涉及到与人力管理、安全、行政等通用容相关的一系列规和准则。
4.3流程类流程类文件是符合一定格式规要求,用于指导业务运作而编制的一系列相互配套但又各有侧重的程序文件。
重点强调时间性、逻辑性和规、维护业务的标准化运作。
包括流程、操作细则等。
文件编号管理制度编制部门:负责人:审核部门:负责人:总经理审批:审批日期:文件编号管理制度1.目的:为了规范公司管理体各类文件,确保公司重要文件具有唯一编号,便于文件的识别、追溯和控制,保证公司文件体系有效运转,特制定本制度。
2.适用范围:适用于公司有文件3.文件编号结构3.1文件编号由四部分组成,每部分之间用“—”连接。
第一部分:表明公司名称,统一使用“”。
第二部分:表明发文部门。
第三部分:表明文件的密级程度。
第四部分:表明文件的属性,即文件的类型。
第五部分:表明版本号。
第六部分:表明文件的状态,即反映对原文件所作的修改。
第七部分:表明文件发文时间。
3.2各部分表示方法3.2.1第一部分:公司简称为“”,统一使用英文缩写为“”3.2.2第二部分:发文部门发文机构表达符号总经办01综合办02财务部03项目运营部04产品运营部053.2.3第三部分:文件的密级密级表达符号控制发放和使用的范围特别说明R.03(绝密)限于高层管理人员总经理R.02(机密)限于中层以上管理人员部门经理、主管、项目经理等R.01(秘密)限于涉及的某个人或某部门R.00 无任何限制3.2.4第四部分:文件层次及文件类型3.2.4.1文件层次:层次表达符号文件层次说明NO.1 一层次文件质量手册NO.2 二层次文件程序文件和规章制度等NO.3 三层次文件作业指导书、检验规程等等作业性文件NO.4 四层次文件表格记录3.2.4.2文件类型(可归档分类使用)类型表达符号文件类型说明TD(Technical documents) 技术类文件图纸、材料表、技术方案、研发资料等MD(Management document) 管理类文件规章制度、管理文件、作业指导书、检验规程、表格记录BD(Business documents) 业务类文件合同、协议等NC(Notice the class file) 发文类文件发文、公告、通知、函、会议文件等OD(Other types of documents) 其他类文件以上没包括的文件3.2.5第五部分:版本号3.2.5.1起草版本的编号为 0.1, 0.2, 0.3, ..., 0.10。
审批及颁发:部门签名日期起草质量保证部质量保证部主审质量总监会审生产管理负责人批准质量管理负责人颁发质量保证部分发:Copy-1 Copy-2 Copy-3 Copy-4 Copy-5 质量保证部质量控制部设备部技术部销售部Copy-6 Copy-7 Copy-8 Copy-9 Copy-10 行政人事部财务部安全环保部企管部注册部Copy-11 Copy-12 Copy-13 Copy-14 Copy-15 科技项目部采购部仓储部生产部一车间Copy-16 Copy-17 Copy-18 Copy-19 Copy-20 二车间三车间六车间七车间八车间Copy-21 Copy-22九车间十车间文件再审记录:第几次再审审核情况审核人/日期批准人/日期第次再审第次再审第次再审一、目的依照GMP要求,确立文件分类与编码规则,便于文件管理和追溯。
二、范围适用于文件分类与编码管理。
三、职责1 质量保证部负责文件体系的分类及编码规则,对各文件进行赋码。
2 各部门负责按照原则对文件进行分类管理;各部门起草文件时必须严格遵循文件编码的规定。
四、术语无五、内容1 文件分类1.1 一级文件:阐明公司内某一体系的方针,描述体系的文件。
主要包括:质量方针、质量管理手册、质量责任制、质量目标。
1.2 二级文件:主要描述为实施体系要素所涉及到的各职能部门的活动,或为完成某项活动而规定的方法。
包括:a)技术标准:包括工艺规程、质量标准、方案、报告等。
b)管理标准:包括计划、管理制度、清单、目录等,描述公司各主要过程的管理活动。
c)工作标准:包括部门职责、职务说明书。
d)工厂主文件。
1.3 三级文件:标准操作规程(SOP),描述各管理环节的操作要素和工作流程、具体的操作方法和步骤。
1.4 四级文件:记录、表格、合格证、图纸、标签、证书等。
2 文件编码2.1 文件分类编码应遵循以下原则:2.1.1 系统性:统一分类,统一编码。
公司文件编号管理制度文件编号管理制度1.目的确保公司重要文件具有唯一编号,便于文件的识别、追溯和控制,保证公司文件体系有效运转。
2.适用范围本制度适用于本公司经营管理过程中,所涉及的全部文件的编号、版号以及分发编号的标识管理。
3.总则1. 凡本公司需进行编号管理的文件、资料,在编号时均应按照本规定的要求接受管理;本规定不适用于党务文件。
2. 由企业发展部负责制订公司文件分类的编号方法,并指导各部门专职人员执行。
3. 根据文件类型和内容进行编号分类,便于科学管理和开发利用。
4. 文件类别4.1 文件1. 管理制度2. 技术文件3. 合同(招投标)4. 外来文件4.2记录1. 会议记录2. 检查记录3. 工作总结(周报、月报)4. 工作计划5.文件编号规则5.1编码元素使用规则5.1.1公司名称公司全称:湖南华熠智能工程有限公司简称:HNHY5.1.2部门代号QF--企业发展部 ZH--综合部 ZX--管理咨询部 GC--硬件研发部 RJ--软件研发部 5.1.3日期代号统一采用“yyxx”的格式,例如“1101”代表该文件是2011年1月制定的。
5.1.4流水号统一采用三位阿拉伯数字编码,例如:“001”代表第一份文件。
5.1.5文件版本编号下面是对文件版本进行编号要遵守的标准:起草版本的编号为 0.1, 0.2, 0.3, ..., 0.10。
版本编号可以根据项目需要延伸到若干层。
例如, 0.1, 0.1.1, 0.1.1.1。
一旦文件版本得以确认后,版本编号应该始自 1.0。
版本编号不断变化为: 1.0, 1.1, 1.2, ..., 1.10。
项目可以根据需要将版本编号晋升为2.0,2.1, 2.2 等。
5.2文件编码结构LYKJ/XX—XX—XX—YYXX—nnn流水号(000-999)日期代号(年年月月)文件类型部门代号企业代号/文件(记录)5.3文件分类编码规则5.3.1规章制度和管理文件格式:LYKJ/WJ-QF-ZD-vdd格式说明:公司名称/文件类别-部门缩写-制度缩写-版本号5.3.2合同(招投标)协议格式:LYKJ/WJ-QF-T-yyxx-nnn 格式说明:公司名称/文件类别-部门缩写-合同类型-年月-流水号 T:合同类型(S-销售合同;P-采购合同;C-合作协议;H-劳动合同;T-技术开发合同;O-其他合同)5.3.3外来文件格式:LYKJ/WJ-AA-RM-yyxx-nnn格式说明:公司名称/文件类别-外来公司名称-需求相关-年月-流水号5.3.4技术文件格式:LYKJ/WJ-RJ-(AB)BB-yyxx-vdd 格式说明:公司名称/文件类别-部门缩写-(项目名称)工作过程名称-年月-版本号相应工作过程名称的简称(例如 SPP,SRS)不是必需的,但如果要使用,应该遵守下面表格中的标准。
公司文件编号管理制度
为规范公司文档管理,特制订本文件编号规范,请各部门在以后的文件编号中严格按照此规定进行文件编号。
文件命名基本各式:
XXX - XX - XX - XXXXXX - XX
发文状态/文件流水号
发文日期
文件类型
发文机构
公司代码
一、文件编号由五部分组成,每部分之间用“—”连接
第一部分:公司代码,表明发文公司
第二部分:发文机构,表明公司内发文的部门
第三部分:文件类型,表明文件所属性质
第四部分:发文日期,表明发文时间
第五部分:发文状态/文件流水号,发布制度类表明文件版本号,发布其它类型表明文件流水号
二、各部分表示方法
1.公司代码
由公司拼音首字母组成,具体为SCT
2.发文机构
发文机构的表达符号
3.文件类型 文件类型的表达符号
4.发文日期
由年月日YYYYMMDD 表示,例如20230110 5.文件状态/文件流水号
文件状态/文件流水号表达符号的说明
三、举例:
1.人事部2023年01月10日发布的考勤管理制度第一版 文件编号:SCT-RS-ZD-20230110-1.0
2.人事部2023年01
月11日发布的中层管理人员会议纪要 文件编号:SCT-RS-HY-20230110-01 四、文件表头
制度类文件统一使用下列表头,例: 正文
五、公司行政类文件
XXX 【XXXX】 X号
顺序号,例,12号
发文年份,例【2023】
公司简称
六、编号管理
所有文件由人事部统一编制和管理。
所有文件流水号在每年1月1日自动归零。
文件分类及编码管理制度部门签字/日期Department Signature/Date起草人:Prepared by审核人:Reviewed by审核人:Reviewed by审核人:N/A N/A Reviewed by审核人:N/A N/A Reviewed by审核人:N/A N/A Reviewed by批准人:Approved by颁发部门Issued by 全环保部执行日期Effective Date替换文件Replaced For N/A复审日期Review Date分发部门Distributed to1. 目的规范公司EHS管理体系的各类文件编码规则。
2. 适用范围适用于公司EHS管理体系的各类文件编码。
3. 术语或定义SMP(Standard Management Procedure)标准管理程序是用于指导安全管理工作的文件SOP(Standard Operating Procedure)标准操作规程经批准用来指导安全操作、维护与清洁、环境控制等,安全生产活动的通用性文件E(Environment)环境H(Health)健康S(Safety)安全DO(Documentation and Records)文件管理PO(Policy and objectives)方针与目标OR(Organization and Responsibilities)组织机构与职责RM(Risk Management)风险管理LI(Laws and Institutions)法律与制度ET(Education and Training)教育培训FPS(Facilities and Process Safety)生产设施及工艺安全JS(Job Security)作业安全DH(Dangerous chemicals and Hazard informed)危险化学品与危害告知HG(Hidden dangers and Governance)隐患排查与治理OI(Occupational health and labor protection)职业卫生与劳动防护AM(Accident Management)事故管理EM(Emergency Management)应急管理PA(Performance Appraisal)绩效考核CI(Continuous Improvement)持续改进4. 责任4.1 安全环保部文档管理人员负责监督所有与EHS相关的文件编码按此程序执行。
文件分类及编码规则在日常工作和生活中,我们经常需要处理各种各样的文件。
为了方便管理和查找文件,对文件进行分类和编码是非常必要的。
下面是一些文件分类及编码规则的建议。
文件分类规则:1.根据文件性质分类可以根据文件的性质将其分类,比如财务文件、人事文件、行政文件、采购文件等。
这样可以方便在需要时快速找到相应的文件。
2.根据文件部门分类如果是在组织或公司中使用文件,可以根据文件所属的部门进行分类。
比如销售部门、研发部门、市场部门等。
这样可以方便各个部门管理自己的文件。
3.根据文件日期分类无论是哪种文件,都可以根据其创建日期或修改日期进行分类。
可以按照年份、月份、日期等进行分类管理,方便查找和归档。
4.根据文件重要性分类可以根据文件的重要性进行分类,将一些重要的文件单独归档。
比如合同文件、核心技术文件等,以便更好地保护和管理。
文件编码规则:1.使用数字与字母混合编码可以使用数字与字母的组合进行文件编码,比如A001、B002等。
数字可以代表文件分类,字母可以代表文件序号。
这样可以方便对文件进行排序和查找。
2.使用层次化编码可以使用层次化的编码结构,从大类到小类逐级编码。
比如001表示财务文件,001.001表示财务报表,001.002表示财务凭证等。
这样可以方便按照层级关系进行分类和查询。
3.使用关键词编码可以根据文件的关键词进行编码。
比如根据文件名称和内容中的关键词编码,比如报销申请、销售合同等。
这样可以方便根据关键词查找文件。
4.使用版本号编码对于经常需要修改的文件,可以使用版本号进行编码。
比如v1.0表示第一个版本,v2.0表示第二个版本。
这样可以方便追踪文件的修改历史。
总结:文件分类和编码规则可以根据具体情况进行调整和适应。
在实际应用中,可以根据组织或个人的需求进行灵活运用。
通过合理的文件分类和编码规则,可以提高文件管理的效率和准确性,减少查找和整理文件的时间成本,提高工作效率。
文件分类和编号管理制度有限公司标准管理规程1 目的规范文件的分类和编号,便于文件管理的标准化。
2 适用范围本公司现有的文件。
3 责任者质量管理部。
4 内容4.1 本公司GMP文件系统包括标准和记录两部分,分类如下:岗位职责技术标准——工艺规程、批生产记录、质量标准、验证方案标准标准管理规程——生产、设备、物料、卫生、销售、质量保证、质量控制、计量标准操作规程——生产、设备、物料、卫生、销售、质量保证、质量控制、计量记录——生产、设备、物料、卫生、销售、质量保证、质量控制、计量、行政、财务4.2 每一文件必须有一个确定的编号和版本号。
文件的版本号用大写英文字母表示,新订文件的版本号为A,第一次修订则为B,照此类推。
4.3 标准类文件编号4.3.1 组成由文件代码、类别代码和类别项下的编号组成,如_-Y-ZZZ表示,_为文件代码,Y为类别代码,后三位是流水编号,为001~999。
例如:SOP-MF-101表示生产类标准操作规程,编号为101。
具体的文件代码、类别代码列表如下:有限公司标准管理规程4.3.2 类别项下的编号分类4.3.2.1 岗位职责类文件(文件代码为RS),各部门流水编号均为001~999。
4.3.2.2 管理制度类文件(文件代码为SMP),各部门流水编号均为001~999。
4.3.2.3 标准操作规程类文件(文件代码为SOP),按以下分类:类别代码为QA、MM,流水编号均为001~999。
有限公司标准管理规程注:如增加产品,流水编号依次增加。
有限公司标准管理规程4.4 记录类文件的编号4.4.1 与标准类文件编号相同,由文件代码、类别代码和类别项下的编号组成,如R-Y-ZZZ形式, R代表记录文件,Y为类别代码,后三位是流水编号,为001~999。
4.4.2 同一类别的文件所属的记录编号应连续。
例如:R-MF-001表示生产类(类别代码MF)的第一份记录表格。
4.4.3 记录文件的编号在表格的右下角标注。
文件分类及编码管理制度
一、目的:为了使公司的管理文件便于查阅、识别、控制和追踪,同时可避免使用或发放过时的文件,需要对公司的管理文件加以分类及编码。
二、适用范围:适用于公司所有的行政管理、生产管理和质量文件,不适用于公司的文秘性文件。
三、责任者:总经办。
四、正文:
1 公司文件编码由五部分组成:公司代号、文件类别、文件次类别、文件序号、修订次数。
1.1公司代号:公司注册商标“三和”的汉语拼音的后两个字母,即“SH”。
1.2 文件类别:文件类别的汉语拼音缩写,按文件分类系统,明细如下表:
文件类别明细表
1.3 文件次类别:用“01、02……”表示,按文件分类系统,明细如下表:
文件次类别明细表
1.4 文件序号:用“×××”数字表示,如该文件为次类别中第068个文件,文件序号为“068”。
1.5 修订次数:用“××”数字表示,如“00”表示新制定文件,“01”表示修订过1次。
1.6 公司文件编码由总经办根据文件性质和分类系统对每一文件按其规定给定。
1.7 公司文件编码一经给定,由总经办登记备案。
1.8 公司文件编码举例说明:
SH JS 01 001 00
表示新制定文件
表示文件序号
表示工艺规程
表示技术标准
表示郑州三和饲料有限公司
编码举例图。
竭诚为您提供优质文档/双击可除规章制度文件编号篇一:文件编号管理制度文件编号管理办法hxsh/ws-ZD-001-1503-0.1为加强管理,提高管理的科学化、规范化,特对涉及公司管理方面的制度、流程、表单、合同以及体系管理方面的文件实行统一编号,实现文件编码唯一性。
第一条总则1.凡本公司需进行编号管理的文件、资料,在编号时均应按照本规定的要求接受管理;本规定不适用于党务文件。
2.由企业管理部负责制订公司文件分类的编号方法,并指导各部门专职人员执行。
3.根据文件类型和内容进行编号分类,便于科学管理和开发利用。
第二条适用范围本制度适用于本公司经营管理过程中,所涉及的全部文件的编号、版号以及分发编号的标识管理。
第三条相关术语1、质量体系文件指质量手册、程序文件、作业文件、管理文件、质量记录等与质量体系有关的文件。
2、技术文件指产品技术文件、工艺技术文件、检验技术文件、外来技术文件、建设图纸和其它技术文件六大类。
3合同文件指除技术、质量合同以外的配套协议、准时供货协议、各种供方行为规范承诺书、价格协议等配套合同和营销合同等。
4、文书文件指公司行政文件、行政规章、各种请示、一次性的通知等其它与质量体系无直接关联的文件,但以公司级文件颁布的列入公司行政文件类。
第四条职责1、企业管理部负责行政文书、各类文件的编号和归口管理。
2、供销部负责合同文件的归口管理。
3、生产部负责技术、工艺以及质量体系文件的归口管理。
第五条类别及代码1、公司名称公司全称:巴州泓信石油化工有限公司简称:hxsh2、部门代码企业管理部Qg生产部sc供销部gx财务部cw3、日期代号统一采用“yyxx”的格式。
例如:“1503”代表该文件是20XX年3月制定的。
4、流水号统一采用阿拉伯数字编码。
例如:“001”代表第一份文件。
5、版本号下面是对文件版本进行编号要遵守的标准:起草版本的编号为0.1,0.2,0.3,...,0.10。
版本编号可以根据项目需要延伸到若干层。
文号管理制度范文为规范文件管理工作,提高工作效率,保障信息安全,根据我司的实际情况,特制订本制度。
一、文件的分类和编号1. 一般文件按照公文分类管理,分为文件、函件、通知、报告、简报等,每个类别都有单独的文号系统。
2. 文件编号的原则是连续编号,不间断,便于查找和归档。
3. 文件的编号原则上由文件管理部门统一编制,每个部门需提前申请文号才可以进行文件的编制。
4. 对于特殊文件或重要文件,由领导批准后再进行编制。
5. 文件的编号采用数字和字母组合,便于识别和检索。
二、文件的归档和保管1. 文件的归档原则是按照文件的类别和编号进行分类,保证文件的整齐和方便查找。
2. 文件的保管要求是密封存放,防止文件的遗失和泄漏。
3. 文件的保管责任由文件管理部门负责,对于文件的借阅和归还要进行登记和监管。
4. 对于长期保存的文件,要进行定期检查和整理,确保文件的完整性和安全性。
5. 文件的销毁应按照规定的程序进行,对于保密文件要进行粉碎处理,防止泄密。
三、文件的流转和审批1. 文件的流转要遵循审批程序,确保文件的合法性和规范性。
2. 文件的签发和审核要按照规定的程序进行,对于重要文件需要领导签字确认。
3. 文件的传递要及时,确保文件的及时处理和反馈。
4. 文件的抄送和传阅要明确责任人,及时落实工作要求。
5. 文件的处理和结论要及时反馈,对于需要回复的文件要按时回复。
四、其他相关规定1. 文件的秘密等级要根据文件内容和重要性确定,严格保密,防止泄露。
2. 文件的打印和复印要节约用纸,提倡双面打印,减少资源浪费。
3. 文件的电子存储要建立备份和归档系统,确保信息安全和可靠性。
4. 文件的管理要遵循文件管理规范和相关法律法规,不得私自处理和篡改文件。
五、总则本制度自颁布之日起执行,凡因不遵守本制度引起的问题,由相关责任人承担责任,为保证文件管理工作的正常进行,特制订本制度。
特此公告。
文号管理制度范本公司名称:XXXXX 公司制定单位:文件管理部制定日期:XXXX年XX月XX日生效日期:XXXX年XX月XX日制度编号:XXX-XX-XX制度修订:无审批人:XXX (签字)文号管理制度.doc以上为文号管理制度范本,以供大家参考。
公司资料文件管理制度模版一、目的确立统一的文件管理规范,以保障文件的安全、完整和可检索性,进而提升工作效率和质量。
二、适用范围本制度适用于公司内所有部门及员工,涉及所有书面文件、电子文档以及其他形式的记录材料。
三、文件分类与编码1. 文件应根据内容性质分为不同的类别,如行政文件、财务文件、人事文件等。
2. 每类文件应有统一的编码系统,便于识别和检索。
四、文件创建与审批1. 文件的创建应遵循“必要性原则”,仅当必要时才进行编写。
2. 文件在正式发布前需经过相关部门负责人的审批。
五、文件存储与保管1. 纸质文件应归档至指定位置,电子文档应保存在公司指定的服务器或云端。
2. 对于涉密文件,应采取加密或其他安全措施,限制访问权限。
六、文件更新与作废1. 文件内容如有变更,应及时更新并记录版本号。
2. 作废的文件应明确标记,并在规定时间内销毁或转移存储。
七、文件检索与使用1. 建立有效的文件检索系统,确保员工能快速找到所需文件。
2. 使用文件时,应遵循“最小必要权限”原则,仅在必要时方可访问相关文件。
八、文件备份与灾难恢复1. 定期对重要文件进行备份,防止数据丢失。
2. 制定灾难恢复计划,确保在突发事件中能迅速恢复文件系统的正常运行。
九、监督与审计1. 设立专责团队负责监督文件管理制度的执行情况。
2. 定期进行内部审计,评估制度的有效性并提出改进建议。
十、违规处理对于违反文件管理制度的行为,应根据情节轻重进行相应的处理。
十一、附则本制度自发布之日起生效,由公司管理层负责解释和修订。
文件分类、编码及版本管理制度
1.目的
为规范公司文件管理,明确文件体系分类,并通过文件编码及版本的制定使其具有唯一性、统一性、识别性、控制性,特制定本管理制度,以达到信息资料有效分类管理及便于查找的目的。
2.适用范围
本管理制度适用于公司文件体系。
其他公司参照执行。
3.文件分类
公司文件体系依照内容从上至下分为四大类:政策类、制度类、流程类、其他类。
4.1政策类
政策是公司在不违背国家相关政策法规的前提下,为了实现公司整体利益最大化,以权威形式制定的公司战略、发展目标计划及其他对公司活动起到纲领性指导作用的文件。
4.2制度类
制度是公司、部门等制定主体在公司政策的指导下,为了规范自身建设,加强成本控制、维护工作秩序、提高工作效率、增加公司利润、增强企业品牌影响力,通过一定的程序所制定出的一系列规范和准则,包括管理制度、规定、办法等。
公司制度一般包括以下几个方面:
(1)人力管理制度。
内容包括:员工守则及行为规范、岗位职责、岗位说明书、考勤管理、招聘管理、人事档案管理、离职管理、培训管理、人员调动管理、奖惩管理、福利管理、工资管理、绩效考核管理等。
(2)安全制度。
内容包括:警卫人员值勤管理、防火安全管理、安全生产管理、安全保卫管理、事故管理、危险物品安全管理等。
(3)财务制度。
内容包括:资金预结算管理、资金管理、现金管理、财务审批管理、财务盘点管理、审计管理、固定资产管理、出纳管理、会计档案管理、统计管理等。
(4)行政制度。
内容包括:会议管理、文件管理、档案管理、出差管理、车辆管理、食堂管理、保密管理、环境卫生管理、值班管理、办公用品管理等。
(5)业务部门制度。
指以各业务部门为主体制定的涉及到与人力管理、安全、行政等通用内容相关的一系列规范和准则。
4.3流程类
流程类文件是符合一定格式规范要求,用于指导业务运作而编制的一系列相互配套但又各有侧重的程序文件。
重点强调时间性、逻辑性和规范、维护业务的标准化运作。
包括流程、操作细则等。
4.4其他类
其他类文件是指除了政策类、制度类、流程类以外的其他文件,例如:会议纪要、方案、计划、报告等。
4.5说明
(1)手册是公司或部门按实际需求,选择若干个有关联的文件汇编成册的文件。
手册的内容不得与原有文件冲突。
如《工管中心管理制度及流程手册》、《标准化建设体系管理手册》。
(2)表单模板是支持制度流程运作而预先设计好的标准化格式文件,或预先设定好的检查项目表,可直接在模板空白处填写或可按内容实施检查。
要求与制度流程配套使用。
4.文件编码
4.1编码类型
(1)文件编码
指文件体系所有文件的编码。
格式规范为“文件编码:xxx”,要求放在文件正文页眉处,居右,如图1所示:
(2)表单编码
指填写表单样式的模板产生的编码。
格式规范为“表单编码:xxx”,要求放在表单上端右侧位置,如图2所示:
(3)手册编码
指由文件汇编成册的手册编码。
格式规范为“手册编码:xxx”,要求放在手册正文页眉处,居右,如图3所示:
4.2编码规则
4.2.1编码元素规则
文件编码包括四大元素:类别码、范围码、业务别、序列码。
表单编码可按需添加制表号。
(1)类别码
用于识别文件的类别。
格式为一个大写英文字母,例如:M—手册、Z—制度、P—流程、F—表单。
(2)范围码
用于识别文件的适用范围。
格式为两个大写英文字母,例如:AA—全公司、ZS—装饰、MQ—幕墙。
(3)业务别
用于识别文件适用的业务范围,要求归口到一级部门。
格式为业务部门缩写名称拼音的前两个首字母。
例如,企管部的缩写为“企管”,拼音首字母为“QG”,即作为其业务别。
若出现业务部门缩写首字母重复的情况,则已有业务部门的业务别不变,新增业务部门的业务别保留第一个大写字母,第二个大写字母按照26个英文字母(重复字母除外)的顺序编写。
如,新业务模块的业务别根据规则应为“GG”,与已有的工管中心业务别重复,则将该新业务模块的业务别制定为“GA”。
(4)序列码
用于识别同类别、同范围、同业务文件的流水号。
格式为两位数字,起始编号为“01”。
涉及到项目管理人员的表单,表单编号中序列码格式可以为“角色名缩写-序号”,例如,项目经理:“项-01”;施工员:“施-01”;安全员:“安-01”;质量员:“质-01”;资料员:“资-01”;材料员:“材-01”;仓管员:“仓-01”;决算员:“决-01”。
(5)制表号
即填写表单的流水号。
制表号现不作要求,各部门可按需选择填写,待后期信息系统上线,制表号将由系统自动生成。
表1 编码元素规则示例表
财务部CW法务监察部FW
信息部IT行政综合部XZ 人力资源部HR证券投资部ZT
知识产权部IP审计部SA
4.2.2编码结构
图4编码结构图
(1)文件编码:类别码-范围码-业务别-序列码
如,信息部《亚厦股份互联网访问管理制度》的文件编码为:Z-AA-IT-01;
(2)表单编码:类别码-范围码-业务别-序列码-(制表号)
如,假定《采购计划表》模板的序列码为03,则其表单编码为:F-ZS-JC-03;
如,某项目部施工员使用的某表单的表单编码为:F-ZS-GG-施-01;
(3)手册编码:类别码-范围码-业务别-序列码
如,标准化管理体系管理手册的手册编码为:M-AA-QG-01;
5.文件版本
版本号是版本的识别号,文件新建时为初始版本号,以后每次修订均须根据规则更新版本号。
5.1版本号格式
版本号格式为“Vx.y”(“V”为“Version”的缩写)。
“x”为从“1”开始编号的整数,“y”为0~9范围内的整数,文件初始版本号为“V1.0”。
(1)“x”应用于范围较大的变更或者是结构性的变更,“y”应用于内容的小变化。
(2)“y”是在保持“x”不变(同一个大版本)的情况下才会发生改变,若本次“x”发生变化,“y”数值要置为“0”。
版本号要求体现在文件、手册正文页脚处,居右,格式规范为“版本号:Vx.y”,如图5所示:
图5版本号示意图
5.2版本号更新规则
文件/手册的版本号为“Vx.y”,内容只是小范围的修订,不涉及结构性根本性的调整,应将文件版本号中的“y”更新为“y+1”,“x”数值不变。
如内容、结构等进行大的修订后,应将文件版本号中的“x”更新为“x+1”,“y”数值置为“0”。
6.附则
(1)未遵照本制度要求开展工作的管理人员按相关管理办法追责。
(2)本管理制度自发布日起生效。
(3)本管理制度由企管部负责解释及组织修订。
(4)记录的保存
记录名称
移交责
任人
保存责
任人
保存
场所
存档
时间
保存
期限
到
期处理
方式
《文件分类、
编码及版本管理
制度》
企管部
张璐
销
毁
(5)文件拟定和修订记录
版
本
拟定/修订责任
人
拟定/修订日
期
拟定
/修订内容说明批准人V
1.0
企管部张璐修订
7.支持文件
(1)《制度模板》
(2)《流程模板》
(3)《操作细则模板》。