步进电机驱动器说明书
- 格式:pdf
- 大小:1.02 MB
- 文档页数:10
步进电机驱动器说明书DHBQ30722是基于DSP控制的三相步进电机驱动器。
它是将先进的DSP控制芯⽚和三相逆变驱动模块结合⼀起所构成的新⼀代数字步进电机驱动器。
驱动电压为AC110V-220V,适配电流在7.0A以下、外径57-130mm的各种型号的三相混合式步进电机。
该驱动器内部采⽤类似伺服控制原理的电路,此电路可以使电机运⾏平稳,⼏乎没有震动和噪⾳,电机在⾼速时,⼒矩⼤⼤⾼于⼆相和五相混合式步进电机。
定位精度最⾼可达60000步/转。
该产品⼴泛应⽤于雕刻机、中型数控机床、电脑绣花机、包装机械等分辨率较⾼的⼤、中型数控设备上。
特●⾼性能、低价格●设有16档等⾓度恒⼒矩细分,最⾼分辨率60000步/转●最⾼反应频率可达200Kpps●步进脉冲停⽌超过1.5s时,线圈电流⾃动减到设定电流的⼀半●光电隔离信号输⼊/输出●驱动电流1.2A/相到7.0A/相分16档可调●单电源输⼊,电压范围:AC110V-220V●相位记忆功能(注:输⼊停⽌超过3秒后,驱动器⾃动记忆当时电机相位,重新上电或MF信号由低电平变为⾼电平时,驱动器⾃动恢复电机相位)。
电流设定驱动器⼯作电流由DIP-1端⼦设定,运⾏电流为正常⼯作输出电流设置开关(详见下表)运⾏电流(A) 1.2 1.5 2.0 2.3 2.5 3.0 3.2 3.6 D1OFF OFF OFF OFF OFF OFF OFF OFF D2OFF OFF OFF OFF ON ON ON ON D3OFF OFF ON ON OFF OFF ON ON D4OFF ON OFF ON OFF ON OFF ON运⾏电流(A) 4.0 4.5 5.0 5.3 5.8 6.2 6.57.0 D1ON ON ON ON ON ON ON ON D2OFF OFF OFF OFF ON ON ON OND3OFF OFF ON ON OFF OFF ON ON D4OFF ON OFF ON OFF ON OFF ON细分设定驱动器细分由DIP-2端⼦设定,共16档,由6位拨码开关的前四位分别设定(后两位为功能设定)。
HT D542两相数字式步进电机驱动器使用前请认真阅读本手册用户使用手册常州合泰电机电器股份有限公司■ 简介● 两相数字式步进电机驱动器HTD542具有高速大转矩特性 供电电压可达 50VDC 静止时电流自动减半正弦波电流控制技术电机发热低● ● ● ● 光电隔离差分信号输入,响应频率最高200K 细分精度高达十六种,2倍及5倍细分均可选择具有过压、欠压,过流等保护功能可进行脉冲/方向或双脉冲模式切换● ●● HTD542两相步进电机驱动器是有极高可靠性的两相步进电机驱动器,是当前行业在售产品中返修率最低的一款产品。
得益于其优秀的过流和过压保护拓扑电路,使其即使在极高转速及适度过压情况下,仍可启动自保护以确保不被损坏。
HTD542两相步进电机驱动器适配两相42,57,60的各类两相混合式步进电机。
■ 电气性能及环境指标电气参数● 环境指标●驱动器参数最小值典型值最大值单位输入电压184850VDC 驱动电流 1.0- 4.2A 输入脉冲频率1-200K Hz 输入脉冲宽度250-5E+8ns 绝缘电阻500--M Ω冷却方式自然冷却或强制冷却使用场合避免粉尘,油污及腐蚀性气体工作环境温度0~40℃最高环境湿度90%RH (无结露)存储温度-10 ~70℃ 最大振动5.9m/S2 max■ 机械尺寸及安装图状态指示灯控制信号拨码开关设定电动机连接ENA -ENA+DIR -DIR +PUL-P UL+S W8S W7S W6S W5S W4S W3S W2S W1B -B+A+A -RED/GR ■ 驱动器接口与接线示意图电源及电机接线●● 控制信号接口控制信号示例图●名称功能GND -电源负极V+电源正极:DC18V ~50V A+两相电机A 相。
A+、A-互调,可变换电机运转方向A -B+两相电机B 相。
B+、B-互调,可变换电机运转方向B -名称功能PUL+脉冲控制信号:脉冲下降沿有效,脉冲电压5-24V,为了可靠响应,脉冲宽度大于1.5μS。
DL-026H步进电机驱动器使用说明书北京时代超群电器科技有限公司目录第一章概述 (1)第二章参数说明 (1)第三章驱动器使用方法 (3)1.驱动器接线示意图 (3)2.使用步骤 (4)3.输入信号说明 (4)4.输入信号内部接口电路 (5)5.CP信号的脉冲宽度 (7)6.CP信号的电平方式 (7)7.DIR信号起作用时刻 (8)8.细分设定 (8)9.电机相电流设定 (8)10.电机升降速设计简介 (8)第四章安装尺寸 (10)第一章概述瑞得集团北京瑞业科技发展公司,在1992年推出DL系列全密封、模块化步进电机驱动器,十几年来,其工艺和性能随着电子技术的高速发展不断升级和更新。
DL系列步进电机驱动器品种齐全,可与大多数国产电机进行配套使用,部分产品已经出口到国外。
DL-026H步进电机驱动器是DL系列中的成熟产品,用于驱动二相混合式步进电机。
第二章参数说明电流设定值: 3.5A,4A,4.5A,5A,5.5A,6A每转步数:200(步距角1.8度)400(步距角0.9度)1000(步距角0.36度)2000(步距角0.18度)输入脉冲方式:单脉冲工作电源:AC16V/0.5A与AC30V~110V/2.5A两组配套电机:110至130系列二相混合式步进电机。
操作面板图如下页所示:第三章驱动器使用方法1.驱动器接线示意图图中标号释义:CP+:脉冲正输入端CP-:脉冲负输入端U/D+:方向电平的正输入端U/D-方向电平的负输入端PD+:脱机信号正输入端PD-:脱机信号负输入端电机与驱动器接线图:AB2.使用步骤(1)参考面板提示,通过拨位开关设定您所需要的细分数,在CP脉冲能允许的情况下,尽量选用较大的细分数;(2)参考面板提示,通过拨位开关设定电机的相电流,一般设定为和电机额定相电流相等,如果能够拖动负载,可以设定为小于电机额;定相电流,但不能设定为大于电机额定相电流;(3)参考面板提示,连接输入信号线;(4)参考面板提示,连接电机线;(5)参考面板提示,连接电源线;(6)加电后,观察指示灯及电机运行情况。
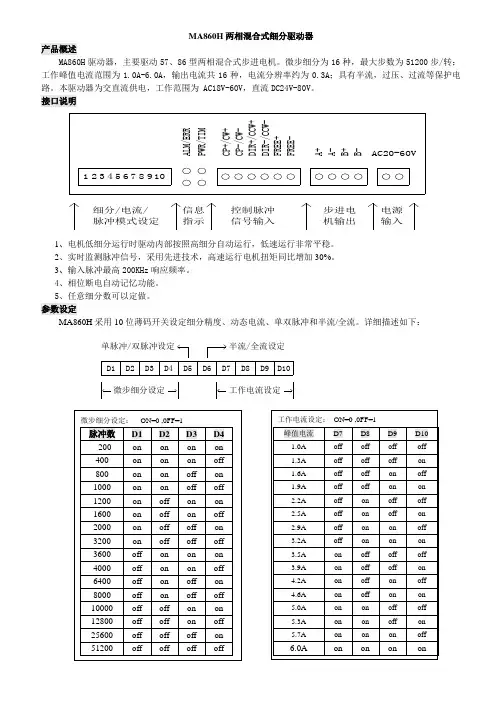
MA860H 两相混合式细分驱动器
产品概述
MA860H 驱动器,主要驱动57、86型两相混合式步进电机。
微步细分为16种,最大步数为51200步/转;工作峰值电流范围为1.0A-6.0A ,输出电流共16种,电流分辨率约为0.3A ;具有半流,过压、过流等保护电路。
本驱动器为交直流供电,工作范围为 AC18V-60V ,直流DC24V-80V 。
接口说明
B
+B -9C P -/C W -A +A -D I R -/C C W -F R E E +D I R +/C C W +F R E E -
P W R /T I M
C P +/C W +
10
A
L M
/E R
R 523
487
61AC20-60V
步进电机输出
控制脉冲信号输入电源输入
信息指示细分/电流/脉冲模式设定
1、电机低细分运行时驱动内部按照高细分自动运行,低速运行非常平稳。
2、实时监测脉冲信号,采用先进技术,高速运行电机扭矩同比增加30%。
3、输入脉冲最高200KHz 响应频率。
4、相位断电自动记忆功能。
5、任意细分数可以定做。
参数设定 MA860H 采用10位薄码开关设定细分精度、动态电流、单双脉冲和半流/全流。
详细描述如下:
D1
D2
D3
D4
D5
D6
D7
D8
D9D10
微步细分设定工作电流设定
单脉冲/双脉冲设定半流/全流设定。
SJ-3H110MB 三相混合式步进电机细分驱动器一、性能简介SJ-3H110MB 三相混合式步进电机驱动器把交流伺服电机驱动器原理应用到步进电机驱动器中,输入的220VAC 经整流后产生325VDC ,再经调制器调制为325V 阶梯式正弦电流波形,每个阶梯对应电机转动一步,通过改变驱动器输出电流的频率来改变电机转速,而输出的阶梯数确定了电机转过的角度。
SJ-3H110MB 混合式步进电机驱动器,具有以下特点:1.采用交流伺服控制原理,在控制方式上增加了全数字式电流环控制,三相正弦电流驱动输出,使三相混合式电机低速无爬行,无共振区,噪音小。
2.驱动器功放级的电压达到DC325伏,步进电机高速运转仍然有高转矩输出。
3.具备短路、过压、欠压、过热等完善保护功能,可靠性高。
4.具有细分、半流和掉电相位记忆功能。
5.具有多种细分选择,可控制电机在任意细分状态下精确定位,最小步距角可设为0.036°(10000步/转)。
适用 面广,通过设置不同相电流可配置各种电机。
二、电气技术参数输入电源 AC220V -15%~+10% 50/60HZ 5.5A(MAX) 输出相电流 1.7A ~6.8A 适配电机 三相混合式步进电机工作环境 0℃~50℃ 15~85%RH 、不结露。
无腐蚀性、易燃、易爆、导电性气体、液体和粉尘。
存放环境 0℃~50℃ 15~85%RH 、不结露。
驱动方式 PWM (脉宽调制)恒流斩波,三相正弦波电流输出。
步距角 0.036°、0.045°、0.06°、 0.072°、0.09°、0.12°、0.15°、0.18°、0.225°、0.3°、0.36°、0.45°、0.6°、 0.72°、0.9°、1.8°电机步数 10000、8000、6000、5000、4000、3000、2400、2000、1600、1200、1000、800、600、500、400、200 步距角设定 DIP 开关(SW1.2.3.4) 输入信号 CP+/CP-;DIR+/DIR-;EN+/EN-输入电平 5V 时输入信号不需串电阻,12V 时串入1K 电阻,24V 时串入2K 电阻。
步进电机驱动器使用手册目录1安全事项 (2)2产品外形 (4)2.1产品外形 (4)3接口定义 (5)3.1电机、电源接口C N1 (5)3.1.1两相步进电机接线 (5)3.1.2五相步进电机接线 (6)3.2控制接口C N2 (7)3.2.1脉冲(P u l)信号/上限位信号 (9)3.2.2方向(D i r)信号/下限位信号 (9)3.2.3回零(Z e r o)信号/原点信号 (9)3.2.4脱机/使能(F r e e/E n a b l e)信号 (9)3.2.5到位(I N P)信号 (10)3.2.6就绪(R D Y)信号 (11)3.2.7接口电压 (11)3.3编码器接口C N3 (13)3.4U S B接口C N4 (14)3.5M o d b u s接口C N5 (15)4L E D指示 (16)4.1状态指示L E D (16)4.2通讯指示L E D (18)5性能参数 (18)5.1机械参数 (18)5.2安装尺寸 (19)6应用指南 (20)6.1安装准备 (20)6.2机械安装 (20)6.3电气安装 (21)6.4日常维护 (21)6.5注意事项 (21)6.5常见问题 (22)为保障使用者人身安全,保护设备正常使用,请务必阅读并遵守本章的安全事项。
在操作时违反本事项所示要求,可能会导致人员重伤或者死亡。
在操作时违反本事项所示要求,可能会引起驱动器永久损坏及附加事故。
谨防触电,爆炸或其他危险禁止在易爆、易燃或腐蚀性环境使用本产品;禁止开启产品外壳;驱动器带电时内部电压可能超过36VDC,驱动器和电机都必须接安全保护地线;驱动器内部电压不会瞬间释放,必须先切断电源,等指示灯熄灭后才能进行插拔、接线、设置、测量、搬动等人工操作;禁止带电插拔;驱动器故障时温度可能很高,必须先切断电源,等下降至安全温度后才能进行人工操作;驱动器应用于直接涉及人身安全的设备,必须配备人身安全防范措施;驱动器或设备故障时可能存在火灾隐患,必须配备消防安全防范措施。
Indexer接口步进电机驱动器使用说明书(57型:ZD-M57P)版本 说明Ver1.00 初始1.产品特点☆微型设计,安装便利,可与57步进电机一体化☆散热铸铝封闭型外壳☆停止运行时自动半流,无锁相噪声☆并行接口高速光电隔离,兼容3.3-5V和12-24V逻辑电平☆电流2-4.5A连续可调☆ 1/2/4/8/16/32/64/128细分可选2.产品参数供电电源 DC11V-DC36V/5A,推荐DC24VIndexer 接口COM 共阳极。
拨码开关选择3.3V-5V或者12V-24V说明:拨码开关HV选择On位置时,COM可当共阴极使用DIR 0V或者Vcom。
电流:8mA@3.3V/8mA@12V/15mA@5V/18mA@24VSTP 0V或者Vcom。
电流:8mA@3.3V/8mA@12V/15mA@5V/18mA@24V频率0-20KHzEN 0V或者Vcom。
电流:8mA@3.3V/8mA@12V/15mA@5V/18mA@24VVcom或者悬空,EN使能步进电机;0V步进电机脱机状态输出电机电流峰值4.5A(单相最大),实际使用2-4.5A可调驱动方式 PWM斩波恒流驱动细分拨码开关设置选择1、2、4、8、16、32、64、128绝缘电阻在常温常压下>100MΩ绝缘强度在常温常压下0.5KV , 1 分钟保护输入反接、过载、驱动过热、驱动过流操作温度 -20℃-85℃3.电气接口Ref之间电压。
相电流值 = 电压值数值×2例如:步进电机相电流为4.0A,调节电位器,是的Ref与GND之间电压为2.0V4.典型接线图兼容3.3V-5V和12V-24V用户级,脱机信号可选接。
注意:用户系统使用3.3V-5V时,拨码开关HV拨到ON(见3电气接口)用户系统使用12V-24V时,拨码开关HV拨到OFF5.包装序号数量部件1 1 ZD-M57P并行接口57型步进电机驱动器一个2 1 5264-6P延长线30cm3 4(选)φ3×14 螺钉驱动器与57步进电机孔位、大小一致。
YKD3422MA 数字式细分驱动器特点木工雕刻机 数控机床 包装设备 纺织设备 水钻设备 激光切割机YKD3422MA是一款基于高性能DSP控制的三相步进电机驱动器,硬件设计上采用DSP+IPM模块进行高集成度简约化设计,数字式PWM控制方式,软件上采用矢量控制技术及微细分自适应控制技术,即使在低细分条件下也可以使电机低速运行平稳,几乎没有震动和噪音,电机在高速时力矩大大高于两相和五相混合式步进电机。
驱动电压为交流110V-240V,适配电流在4.2A以下的各种型号三相混合式步进电机。
此款驱动最适宜控制高电压小电流电机。
定位精度最高可达10000步/转.细分设置更改需要断电重启后才生效,运行电流及抱轴电流设定支持不断电在线设置。
电流设定驱动器接线示意图典型应用概述1. STOP/Im为保持状态(或抱轴状态)输出电流设置电位器,可设置为正常输出电流的20%-80%(顺时针增大,逆时针减小),支持在线调整。
2. RUN/Im为正常工作输出电流设置开关(详见下表),支持在线调整。
PU DR MF DIP开关设定输入信号波形时序图安装尺寸(单位:mm)◆◆◆◆◆◆◆◆◆◆◆◆ 采用矢量控制及微细分控制技术,在运行平稳性、噪音、震动、发热等方面 较传统驱动器均有较大的提升; 衰减模式及衰减时间自适应控制,开关管运行在最少开关模式,运行时发热 大大降低,电流波形失真度较小; 设有16档等角度恒力矩细分,最高分辨率10000步/转; 最高响应频率可达200Kpps;加减速曲线配置合适的情况下电机最高空载速度可达50R/S(or 3000RPM);步进脉冲停止超过100ms时,线圈电流自动减为20%-80%(由STOP/Im设定)光电隔离信号输入/输出驱动电流从0.6A/相到4.2A/相分16档可调单电源输入,电压范围:交流AC110-220V出错保护:过热保护/过流、电压过低保护YKD3422MA体积为178x108.5x68(),净重量为:0.93kg相位记忆功能(注:输入脉冲停止超过5秒后,驱动器自动记忆当时电机相位,重新上电或MF信号由有效变为无效时,驱动器自动恢复电机相位)。
DM860H数字式两相步进驱动器一、产品简介1.概述DM860H是青蓝科技新推出的数字式步进电机驱动器,采用最新32位DSP技术,用户可以设置400-51200内的任意细分以及额定电流内的任意电流值,能够满足大多数场合的应用需要。
由于采用内置微细分技术,即使在低细分的条件下,也能够达到高细分的效果,低中高速运行都很平稳,噪音超小。
驱动器内部集成了参数自动整定功能,能够针对不同电机自动生成最优运行参数,最大限度发挥电机的性能。
2.特点●全新32位DSP技术●可驱动4、6、8线两相步进电机●低振动低噪声●光隔离差分信号输入●内置高细分●脉冲响应频率最高可达200KHz(更高可改)●参数自动整流功能●电流设定方便,可在2.0-6.0A之间任意选择●精密电流控制使电机发热大为降低●细分设定范围为400-51200●静止时电流自动减半●具有过压、欠压、短路等保护功能●5V、24V信号兼容3.应用领域适合各种中小型自动化设备和仪器,例如:雕刻机、打标机、切割机、激光照排、绘图仪、数控机床、自动装配设备等。
在用户期望小噪声、高速度的设备应用中应用效果特佳。
二、电气、机械和环境指标1.电气指标说明DM860H最小值典型值最大值单位输出电流 2.0- 6.0A 输入电源电压203680VAC 控制信号输入电流71016mA 步进脉冲频率0-200KHz 绝缘电阻50MΩ2.使用环境及参数冷却方式自然冷却或强制风冷使用环境场合不能放在其他发热的设备旁,要避免粉尘、油雾、腐蚀性气体,湿度太大及强振动场所,禁止有可燃气体和导电灰尘温度0——50℃湿度40—90%RH 振动10~55Hz/0.15mm 保存温度-20℃~65℃重量280克3.机械安装图图1安装尺寸图(单位:mm)※推荐采用侧面安装,散热效果更佳,设计安装尺寸时,注意考虑端子大小及布线!4.加强散热方式1)驱动器的可靠工作温度通常在50℃以内,电机工作温度为80℃以内;2)建议使用时选择自动半流方式,马达停止时电流自动减一半,以减少电机和驱动器的发热;3)安装驱动器时请采用竖着侧面安装,使散热齿形成较强的空气对流;必要时机内靠近驱动器处安装风扇,强制散热,保证驱动器在可靠工作温度范围内工作。
vexta udx5128步进驱动器说明书概述:vexta udx5128步进驱动器是一款专业的两相混合式步进电机驱动器,可适配国内外各种品牌,电流在4.0A及以下,外径39,42,57mm的四线,六线,八线两相混合式步进电机。
适合各种小中型自动化设备和仪器,例如:雕刻机、打标机、切割机、激光照排、绘图仪、数控机床、拿放装置等。
在用户期望低成本、大电流运行的设备中效果特性。
特点:信号输入:单端,脉冲/方向细分可选:1/2/4/8/16/32细分输出电流:0.5A-4.0A输入电压:9-42VDC静止时电流自动减半可驱动4,6,8线两相、四相步进电机光耦隔离信号输入,抗干扰能力强具有过热、过流、欠压锁定、输入电压防反接保护等功能体积小巧,方便安装外部信号3.3-24V通用,无需串联电阻信号输入端:PUL+ PUL-脉冲输入信号。
默认脉冲上升沿有效。
为了可靠响应脉冲信号,脉冲宽度应大于1.2us。
DIR+ DIR-方向输入信号,高/低电平信号,为保证电机可靠换向,方向信号应先于脉冲信号至少5us建立。
电机的初始运行方向与电机绕组接线有关,互换任一相绕组(如A+、A-交换)可以改变电机初始运行方向。
ENA+ ENA-使能输入信号(脱机信号),用于使能或禁止驱动器输出。
使能时,驱动器将切断电机各相的电流使电机处于自由状态,不响应步进脉冲。
当不需用此功能时,使能信号端悬空即可。
电机绕组连接:A+,A-电机A相绕组。
B+,B-电机B相绕组。
DRV 电源电压连接VCC直流电源正。
范围9-42VDC。
GND 直流电源负。
状态指示绿色LED上电源指示灯,故障指示灯。
当驱动器接通电源时,该LED常亮;当驱动器切断电源时,该LED熄灭。
若上电灯不亮,代表出现故障。
当故障被用户清除时,绿色LED常亮。
故障原因:①请检查电源接线或使用电压是否在使用范围之内。
②过流保护(对地短路;对VM 短路;输出之间短路(错相)):断电检查接线是否正确;③过温保护:冷却一段时间待驱动器温度降下来之后再使用,或者加装散热风扇。
具有集成电流检测、1/256 微步进、智能调优和使用 GPIO 引脚进行失速检测的 DRV8434A 步进电机驱动器1 特性•PWM 微步进电机驱动器–简单的 STEP/DIR 接口–最高 1/256 的微步进分度器•集成电流检测功能–无需检测电阻–±4% 满量程电流精度•智能调优纹波控制衰减•使用 GPIO 引脚进行失速检测•工作电源电压范围为 4.5V 至 48V•低 R DS(ON):24V、25°C 时为 330mΩ HS + LS •高电流容量:2.5A 满量程、1.8A 均方根电流•支持 1.8V、3.3V、5.0V 逻辑输入•低电流睡眠模式 (2μA)•展频时钟,以降低 EMI•小型封装和外形尺寸•保护特性–VM 欠压锁定 (UVLO)–电荷泵欠压 (CPUV)–过流保护 (OCP)–无传感器失速检测–开路负载检测 (OL)–热关断 (OTSD)–故障调节输出 (nFAULT)2 应用•打印机和扫描仪•ATM 和验钞机•纺织机•舞台照明设备•办公和家庭自动化•工厂自动化和机器人•医疗应用•3D 打印机3 说明DRV8434A 是一款适用于工业和消费类应用的步进电机驱动器。
该器件由两个 N 沟道功率 MOSFET H 桥驱动器、一个微步进分度器以及集成电流检测功能完全集成。
DRV8434A 最高可驱动 2.5A 满量程输出电流(取决于 PCB 热设计)。
DRV8434A 采用内部电流检测架构,无需再使用两个外部功率检测电阻,可缩小PCB 面积并降低系统成本。
该器件使用内部 PWM 电流调节方案,该方案采用智能调优纹波控制衰减。
智能调优可通过自动调节实现出色的电流调节性能,并对电机变化和老化效应进行补偿和减少电机的可闻噪声。
借助简单的 STEP/DIR 接口,可通过外部控制器管理步进电机的方向和步进速率。
这款器件可配置为多种步进模式,从全步进模式到 1/256 微步进模式皆可。
3M583(三相高性价比)细分步进驱动器使用手册Version1.0版权所有不得翻印【使用前请仔细阅读本手册,以免损坏驱动器】宁波纳川自动化科技有限公司3M583步进电机驱动器使用说明在使用本品前,请仔细阅读本使用说明书请妥善保管本说明书,以备日后参考本册外观图片仅供参考,请以实物为准安全注意事项请勿带电插拔连接线缆。
此产品非密封,请勿在内部混入镙丝、金属屑等导电性异物或可燃性异物,储存和使用时请注意防潮防湿。
驱动器为功率设备,尽量保持工作环境的散热通风。
在连上步进电机,调节好电流后使其连续工作半小时后观察步进电机是否在额定温度后方可进行后续使用,如果电机温度过高请联系制造商。
一、产品简介1.1 产品概述3M583是纳川科技最新推出的一款采用精密电流控制技术设计的高细分步进电机驱动器,适合驱动57-86型各种品牌的三相混合式步进电机。
由于采用了先进的抗噪声控制方法,能大幅度降低电机运转时的噪声和振动,使得步进电机运转时的噪声和平稳性趋近于伺服电机的水平。
和市场上的大多数其他细分驱动产品相比,步进电机和驱动器的发热量降幅达15-30%。
1.2 产品特点■高性价比、超低噪声■电机和驱动器发热均较低■供电电压可达50VDC■输出电流峰值可达8.3A (均值5.9A)■输入信号TTL兼容,静止时电流自动减半■可驱动3、6线三相步进电机■光隔离差分信号输入■脉冲响应频率最高可达400KHz(更高可选)■多达8种细分可选1.3 应用领域适合各种中小型型自动化设备和仪器,例如:雕刻机、打标机、切割机、激光照排、绘图仪、数控机床、拿放装置等。
在用户期望低成本、小噪声、高速度的设备中效果特佳。
二、电气、机械和环境指标2.1 电气指标说明3M583最小值典型值最大值单位输出电流 2.09(均值1.48)- 8.3(均值5.8) A 输入电源电压18 36 50(含纹波)VDC 逻辑输入电流7 10 16 mA 步进脉冲频率0 - 400 KHZ 绝缘电阻500 MΩ2.2 使用环境及参数冷却方式自然冷却使用环境场合尽量避免粉尘、油雾及腐蚀性气体环境温度0℃-+50℃最高工作温度70℃湿度40-90% RH9 (不能结露和有水珠)震动 5.9m/S2 Max保存温度-20℃-125℃重量约300克2.3 机械安装图 单位:毫米2.4 加强散热方式(1)驱动器的可靠工作温度通常在65℃以内,电机的工作温度在80℃以内;(2)安装驱动器时请采用竖着侧面安装,形成较强的空气对流,必要时机内靠近驱动器出安装风扇,强制散热,保证驱动器在可靠的工作温度范围内工作。
DL-025MAC步进电机驱动器使用说明书北京时代超群电器科技有限公司目录第一章概述 (1)第二章参数说明 (1)第三章驱动器使用方法 (2)1.驱动器接线示意图 (2)2.使用步骤 (4)3.输入信号说明 (4)4.输入信号内部接口电路 (4)5.CP信号的脉冲宽度 (5)7.DIR信号起作用时刻> (6)7.电机升降速设计简介 (6)8.细分设定 (6)9.电机相电流设定 (7)第四章安装尺寸 (7)第一章概述瑞得集团北京瑞业科技发展公司,在1992年推出DL系列全密封、模块化步进电机驱动器,十几年来,其工艺和性能随着电子技术的高速发展不断升级和更新。
DL系列步进电机驱动器品种齐全,可与大多数国产电机进行配套使用,部分产品已经出口到国外。
DL-025MAC步进电机驱动器是DL系列中的新产品,用于驱动两相或者四相混合式步进电机。
体积更小、性能更加稳定。
低频特性有很大提高。
第二章参数说明电流调定值: 0.7A,1.4A,2.1A,2.8A,3.2A,3.5A,4.9A每转步数: 400 (步距角0.9度)1000(步距角0.36度)2000 (步距角0.18度)4000 (步距角0.09度)8000 (步距角0.045度)输入脉冲方式: 单脉冲与双脉冲可选工作电源: AC16V/0.5A与AC20V~40V/4A两组配套电机: 57至86系列二相混合式步进电机第三章驱动器使用方法1.驱动器接线示意图图中标号释义:CP+:单脉冲模式,脉冲正输入端CP-:单脉冲模式,脉冲负输入端U/D+: 单脉冲模式,方向电平的正输入端 U/D-:单脉冲模式,方向电平的负输入端 CW+:双脉冲模式,正脉冲的正输入端CW-:双脉冲模式,正脉冲的负输入端CCW+:双脉冲模式,负脉冲的正输入端CCW-:双脉冲模式,负脉冲的负输入端PD+:脱机信号正输入端PD-:脱机信号负输入端电机与驱动接线:2.使用步骤(1)参考面板提示,通过拨位开关设定您所需要的细分数,在CP脉冲能允许的情况下,尽量选用较大的细分数;(2)参考面板提示,通过拨位开关设定电机的相电流,一般设定为和电机额定相电流相等,如果能够拖动负载,可以设定为小于电机额;定相电流,但不能设定为大于电机额定相电流;(3)参考面板提示,通过拨位开关设定驱动器的半流功能。
sd2280步进电机驱动器说明书1、首先确定步进电机拖动负载所需要的扭矩。
最简单的方法是在负载轴上加一杠杆,用弹簧秤拉动杠杆,拉力乘以力臂长度既是负载力矩。
或者根据负载特性从理论上计算出来。
由于步进电机是控制类电机,所以目前常用步进电机的最大力矩不超过45Nm,力矩越大,成本越高,如果您所选择的电机力矩较大或超过此范围,可以考虑加配减速装置。
2、确定步进电机的最高运行转速。
转速指标在步进电机的选取时至关重要,步进电机的特性是随着电机转速的升高,扭矩下降,其下降的快慢和很多参数有关,如:驱动器的驱动电压、电机的相电流、电机的相电感、电机大小等等,一般的规律是:驱动电压越高,力矩下降越慢;电机的相电流越大,力矩下降越慢。
在设计方案时,应使电机的转速控制在600转每分或800转每分以内,当然这样说很不规范,可以参考矩-频特性。
3、根据负载最大力矩和最高转速这两个重要指标,再参考矩-频特性,就可以选择出适合自己的步进电机。
如果您认为自己选出的电机太大,可以考虑加配减速装置,这样可以节约成本,也可以使您的设计更灵活。
要选择好合适的减速比,要综合考虑力矩和速度的关系,选择出最佳方案。
4、最后还要考虑留有一定的力矩余量和转速余量。
5、可以先选择混合式步进电机,如果由于价格因素,可以选取反应式步进电机。
6、尽量选取细分驱动器,且使驱动器工作在细分状态。
7、选取时且勿走入只看电机力矩这一个指标的误区,也就是说并非电机的扭矩越大越好,要和速度指标一起考虑。
8、超小型驱动器和微型驱动器是靠外壳作为散热器的,应固定在较大、较厚的金属板上或外加风机散热,如果没有散热条件,而驱动器又工作在转速较低的场合(这时驱动器发热较大),可以选用带风机的90型驱动器代替。
TB6600升级版两相步进驱动器使用说明书[使用前请仔细阅读本手册,以免损坏驱动器]目录一、产品简介 (3)概述 (3)特点 (3)二、接口和接线介绍 (3)信号输入端 (3)电机绕组连接 (3)电源电压连接 (4)状态指示 (4)接线方式 (4)接线要求 (5)三、电流、细分拨码开关设定 (5)细分设定 (5)工作(动态)电流设定 (6)四、机械和环境指标 (6)使用环境及参数 (6)机械安装图 (7)五、电机适配 (7)电机适配 (7)电机接线 (8)供电电压和输出电流的选择 (8)五、常见问题 (9)应用中常见问题和处理方法 (9)六、保修条款 (10)◆概述TB6600升级版驱动器是一款专业的两相混合式步进电机驱动器,可适配国内外各种品牌,电流在4.0A及以下,外径39,42,57mm的四线,六线,八线两相混合式步进电机。
适合各种小中型自动化设备和仪器,例如:雕刻机、打标机、切割机、激光照排、绘图仪、数控机床、拿放装置等。
在用户期望低成本、大电流运行的设备中效果特性。
◆特点※信号输入:单端,脉冲/方向※细分可选:1/2/4/8/16/32细分※输出电流:0.5A-4.0A※输入电压:9-42VDC※静止时电流自动减半※可驱动4,6,8线两相、四相步进电机※光耦隔离信号输入,抗干扰能力强※具有过热、过流、欠压锁定、输入电压防反接保护等功能※体积小巧,方便安装※外部信号3.3-24V通用,无需串联电阻◆信号输入端PUL+ PUL-脉冲输入信号。
默认脉冲上升沿有效。
为了可靠响应脉冲信号,脉冲宽度应大于1.2us。
DIR+ DIR-方向输入信号,高/低电平信号,为保证电机可靠换向,方向信号应先于脉冲信号至少5us建立。
电机的初始运行方向与电机绕组接线有关,互换任一相绕组(如A+、A-交换)可以改变电机初始运行方向。
ENA+ ENA-使能输入信号(脱机信号),用于使能或禁止驱动器输出。
使能时,驱动器将切断电机各相的电流使电机处于自由状态,不响应步进脉冲。
当不需用此功能时,使能信号端悬空即可。
◆电机绕组连接A+,A-电机A相绕组。
B+,B-电机B相绕组。
◆电源电压连接VCC 直流电源正。
范围9-42VDC。
GND直流电源负。
◆状态指示绿色LED 上电源指示灯,故障指示灯。
当驱动器接通电源时,该LED常亮;当驱动器切断电源时,该LED熄灭。
若上电灯不亮,代表出现故障。
当故障被用户清除时,绿色LED常亮。
故障原因:①请检查电源接线或使用电压是否在使用范围之内。
②过流保护(对地短路;对VM短路;输出之间短路(错相)):断电检查接线是否正确;③过温保护:冷却一段时间待驱动器温度降下来之后再使用,或者加装散热风扇。
绿色LED 下运行指示灯。
驱动器接收脉冲,此灯闪烁。
一旦停止发脉冲,常亮。
若指示灯全灭,在使用过程中驱动器或已造成损坏,请联系厂家返修。
◆接线方式输入信号接口有两种接法,用户可根据需要采用共阳极接法或共阴极接法。
ENA 端可不接。
ENA 有效时电机转子处于自由状态(脱机状态),这时可以手动转动电机转轴,做适合您的调节。
手动调节完成后,再将ENA 设为无效状态,以继续自动控制。
◆接线要求(1)为了防止驱动器受干扰,建议控制信号采用屏蔽电缆线,并且屏蔽层与地线短接,同一机器内只允许在同一点接地,如果不是真实接地线,可能干扰严重,此时屏蔽层不接。
(2)脉冲和方向信号线与电机线和电源线不允许并排包扎在一起,最好分开至少10cm以上,否则电机噪声容易干扰脉冲方向信号引起电机定位不准,系统不稳定等故障。
(3)如果一个电源供多台驱动器,应在电源处采取并联连接,不允许先到一台再到另一台链状式连接。
(4)严禁带电拔插驱动器电源端子,带电的电机停止时仍有大电流流过线圈,拔插电源端子将导致巨大的瞬间感生电动势将烧坏驱动器。
(5)严禁将导线头加锡后接入接线端子,否则可能因接触电阻变大而过热损坏端子。
(6)接线线头不能裸露在端子外,以防意外短路而损坏驱动器。
驱动器采用六位拨码开关设定细分、运行电流。
详细描述如下:SW1、SW2、SW3细分精度设定。
SW4、SW5、SW6驱动电流设定。
◆细分设定细分脉冲/圈SW1SW2SW3NC NC ON ON ON12000N ON OFF2/A400ON0FF ON2/B4000FF0N ON4800ON OFF0FF816000FF ON0FF163200OFF0FF0N3264000FF0FF0FF注意:①NC代表电机失能脱机②2/A与2/B都是2细分◆工作(动态)电流设定电流(A)峰值(A)SW4SW5SW60.50.7ON ON ON1.0 1.2ON OFF0N1.5 1.7ON0N OFF2.0 2.2ON0FF0FF2.5 2.70FF ON ON2.8 2.90FF OFF0N3.0 3.20FF0N OFF3.54.00FF0FF0FF◆使用环境及参数冷却方式自然冷却或强制风冷使用环境场合不能放在其他发热的设备旁,要避免粉尘、油污、腐蚀性气体、湿度太大及强震场所,禁止有可燃气体和导电灰尘湿度40--90%RH震动10-55Hz/0.15mm重量0.15KG◆机械安装图五、电机选配TB6600升级版驱动器可以用来驱动4、6、8线的两相、四相混合式步进电机,步距角为1.8度和0.9度的均可适用。
选择电机时主要由电机的扭矩和额定电流决定。
扭矩大小主要由电机尺寸决定。
尺寸大的电机扭矩较大;而电流大小主要与电感有关,小电感电机高速性能好,但电流较大。
◆电机选配(1)确定负载转矩,传动比工作转速范围T电机=C(Jε+T负载)J:负载的转动惯量ε:负载的最大角加速度C:安全系数,推荐值1.2-1.4 T负载:最大负载转矩,包括有效负载、摩擦力、传动效率等阻力转矩(2)电机输出转矩由哪些因素决定对于给定的步进电机和线圈接法,输出扭矩有以下特点:●电机实际电流越大,输出转矩越大,但电机铜损(P=I2R)越多,电机发热偏多;●驱动器供电电压越高,电机高速扭矩越大;●由步进电机的矩频特性图可知,高速比中低速扭矩小。
◆电机接线两相4线,6线,8线电机接线,如下图◆供电电压和输出电流的选择(1)供电电压的设定一般来说,供电电压越高,电机高速时力矩越大。
越能避免高速时扭矩不够造成的卡机失步。
但另一方面,电压太高会导致过压保护,电机发热较多,甚至可能损坏驱动器。
在高电压下工作时,电机低速运动的振动会大一些。
(2)输出电流的设定值对于同一电机,电流设定值越大时,电机输出力矩越大,但电流大时电机和驱动器的发热也比较严重。
具体发热量的大小不仅与电流设定值有关,也与运动类型及停留时间有关。
以下的设定方式采用步进电机额定电流值作为参考,但实际应用中的最佳值应在此基础上调整。
原则上如温度很低(<40℃)则可视需要适当加大电流设定值以增加电机输出功率(力矩和高速响应)。
●四线电机:输出电流设成等于或略大于电机额定电流值;●六线电机高力矩模式:输出电流设成电机单极性接法额定电流的50%;●六线电机高速模式:输出电流设成电机单极性接法额定电流的100%;●八线电机串联接法:输出电流可设成电机单极性接法额定电流的70%;●八线电机并联接法:输出电流可设成电机单极性接法额定电流的140%。
△注意:电流设定后请运转电机15-30分钟,如电机温升太高(>70℃),则应降低电流设定值。
所以,一般情况是把电流设成电机长期工作时出现温热但不过热时的数值。
◆应用中常见问题和处理方法现象可能问题解决措施电机不转电源灯不亮正常范围供电电流设定太小根据电机额定电流,选择合适电流档驱动器已保护排除故障后,重新上电使能信号为低此信号拉高或不接控制信号问题1.检查控制信号的幅值和宽度是否满足要求 2.电机高速启动,控制器信号需做加减速处理 3.输出信号不同选择不同的接线方式(NPN选择共阳,PNP选择共阴)电机转向错误电机线接错任意交换电机同一相的两根线(例如A+、A-交换接线位置)电机线有断路检查并接对报警指示灯灭电机线接错检查接线电压过高或过热检查电源电压;放置待温度降下再使用电机或驱动器损坏更换电机或驱动器位置不准信号受干扰 1.排除干扰 2.做屏蔽线处理屏蔽地未接或未接好可靠接地细分错误设对细分电流偏小适当加大电流控制信号问题检查控制信号是否满足时序要求电机加速堵转加速时间太短适当增大加速时间电机扭矩太小选大扭矩电机电压偏低或电流太小适当提高电压或设置更大的电流◆一年保修我司对产品的原材料和工艺缺陷提供从发货日起一年的质保。
在保修期内我司为有缺陷的产品提供免费维修服务。
◆不属保修之列●不恰当的接线,如电源正负极接反和带电拔插●未经许可擅自更改内部器件●超出电气和环境要求使用●环境散热太差●同时带两台电机运行。