步进电机控制器-说明手册
- 格式:docx
- 大小:40.29 KB
- 文档页数:14
步进电机控制器说明书本文档旨在提供步进电机控制器的详细说明,包括其功能、使用方法和技术参数等内容。
以下是各章节的具体细化:1. 引言1.1 背景介绍1.2 目的与范围2. 控制器概述2.1 功能特点- 步进电机驱动能力强大,适用于多种应用场景。
- 支持多种通信接口(如RS485、CAN)以及常见编程语言(如C++、Python)。
- 提供丰富而灵活的运动控制模式。
3. 硬件配置要求3.1最低硬件需求CPU:Intel Core i5或更高版本;内存:8GB RAM 或以上;存储空间:100GB 可用磁盘空间;3.2推荐硬件配置CPU: Intel Core i7-9700K;内存:16 GB DDR4;显卡:NVIDIA GeForce RTX2060 Super;4.安装指南4-1安装前准备工作a) 操作系统选择:Windows操作系统推荐Windows10, Linux操作系統建议Ubuntu18+.b) 软件:访问官方网站最新版本的步进电机控制器软件。
4-2安装过程a) 运行安装程序,按照提示完成安装;b) 配置相关参数以适应实际需求。
5. 使用方法5.1 控制器连接与通信设置- 描述如何将控制器与计算机或其他设备进行连接,并配置相应的通信接口和参数。
5.2 步进电机驱动设置- 解释如何使用控制器来驱动步进电机,并提供示例代码和操作指南。
5.3 运动控制模式选择及调整-介绍不同运动模式(位置、速度等)的特点和用法,并说明如何根据需要进行调整。
6.技术规格6-1输入/输出端口提供输入/输出引脚定义表;描述各个引脚功能及其对应编号。
6—2总线协议支持列出所支持总线协议名称;指明每种总线协议在本系统中具体作用。
7.故障排除7_1常见问题解答常见问题并给予解决方案;8.附件:请参考附件文件。
法律名词及注释:1. 步进电机:一种将脉冲信号转换为角位移的执行器,通常由定子和转子组成。
2. 控制器:用于控制步进电机运动的设备或系统。
1题目:2 电路原理图的设计2.1步进电机控制电路原理图硬件总体电路原理图如下图2.1所示,图2.1 2.2 LCD显示模块LCD1602与51单片机的接口原理图如下图2.2,2.3L297/298电机驱动模块L297、L298与单片机的接口原理图如下图2.3,图2.3L297能产生4相控制信号,其用于分辨单片机传送给它的信号是低电平还是高电平,以采取相应的措施工作。
L298是步进电机专用驱动芯片,是2相和4相步进电机的专用驱动器,驱动46V,2A 以下的步进电机,如上图2.3所示。
2.4 键盘控制模块(加速、减速、正转、反转)键盘控制模块的链接方式如图2.5所示图2.2图2.5由这4个键分别来控制电机的转动情况:加速,减速,正转,反转。
3软件系统设计3.1软件系统的流程结构3.2主程序模块#include "AT89X51.h"int delay();void inti_lcd();void show_lcd(int);void cmd_wr();void ShowState();void clock(unsigned int Delay) ;void DoSpeed(); //计算速度//正转值#define RIGHT_RUN 1//反转值#define LEFT_RUN 0sbit RS=0xA0;//P2口地址sbit RW=0xA1;sbit E=0xA2;char SpeedChar[]="SPEED(n/min):";char StateChar[]="RUN STATE:";char STATE_CW[]="CW";char STATE_CCW[]="CCW";char SPEED[3]="050";unsigned int RunSpeed=50; //速度unsigned char RunState=RIGHT_RUN; //运行状态main(){/*定时器设置*/TMOD=0x66; //定时器0,1都为计数方式;方式2;EA=1; //开中断TH0=0xff; //定时器0初值FFH;TL0=0xff;ET0=1;TR0=1;TH1=0xff; //定时器1初值FFH;TL1=0xff;ET1=1;TR1=1;IT0=1; //脉冲方式EX0=1; //开外部中断0:加速IT1=1; //脉冲方式EX1=1; //开外部中断1:减速inti_lcd();DoSpeed();ShowState();while(1){clock(RunSpeed);//延时时间P0_1=P0_1^0x01;//什么意思,用与或也行的}}//定时器0中断程序:正转void t_0(void) interrupt 1{RunState=RIGHT_RUN;P0_0=1;//控制CW CCW的P1=0x01;cmd_wr();ShowState();}//定时器1中断:反转void t_1(void) interrupt 3{RunState=LEFT_RUN;P0_0=0;P1=0x01;cmd_wr();ShowState();}//中断0:加速程序void SpeedUp() interrupt 0{if(RunSpeed>=12)RunSpeed=RunSpeed-2;DoSpeed();P1=0x01;cmd_wr();ShowState();}//中断1:减速程序void SpeedDowm() interrupt 2{if(RunSpeed<=100)RunSpeed=RunSpeed+2;DoSpeed();P1=0x01;cmd_wr();ShowState();}int delay() //判断LCD是否忙{int a;start:RS=0;RW=1;E=0;for(a=0;a<2;a++);E=1;P1=0xff;if(P1_7==0)return 0;elsegoto start;}void inti_lcd() //设置LCD方式{P1=0x38;cmd_wr();delay();P1=0x01; //清除cmd_wr();delay();P1=0x0f;cmd_wr();delay();P1=0x06;cmd_wr();delay();P1=0x0c;cmd_wr();delay();}void cmd_wr() //写控制字{RS=0;RW=0;E=0;E=1;}void show_lcd(int i) //LCD显示子程序{P1=i;RS=1;RW=0;E=0;E=1;}void ShowState() //显示状态与速度{int i=0;while(SpeedChar[i]!='\0'){delay();show_lcd(SpeedChar[i]);i++;}delay();P1=0x80 | 0x0d;cmd_wr();i=0;while(SPEED[i]!='\0'){delay();show_lcd(SPEED[i]);i++;}delay();P1=0xC0;cmd_wr();i=0;while(StateChar[i]!='\0'){delay();show_lcd(StateChar[i]);i++;}delay();P1=0xC0 | 0x0A;cmd_wr();i=0;if(RunState==RIGHT_RUN)while(STATE_CW[i]!='\0'){delay();show_lcd(STATE_CW[i]);i++;}elsewhile(STATE_CCW[i]!='\0'){delay();show_lcd(STATE_CCW[i]);i++;}}void clock(unsigned int Delay) //1ms延时程序{ unsigned int i;for(;Delay>0;Delay--)for(i=0;i<124;i++);}void DoSpeed(){SPEED[0]=(1000*6/RunSpeed/100)+48;SPEED[1]=1000*6/RunSpeed%100/10+48;SPEED[2]=1000*6/RunSpeed%10+48;}4仿真及调试如图4.1(1)、图4.1(2)所示5.总论图4.1(1)图4.1(2)参考文献致谢。
Instruction ManualStep Motor Controller – EtherCAT(24 VDC Servo) with STO Sub-functionSeries JXCEF#IMPORTANTWhen supplied in the European Union or the United Kingdom this document does not contain the necessary safety instructions as requiredby the Machinery Directive 2006/42/EC or the UK Machinery Safety Regulations 2008.It is mandatory to refer to the Operation Manual, Document No. JXC#-OMY0009 supplied with the product by your local SMC subsidiary for such safety instructions before using this product.The EU or UKCA Declaration of Conformity is supplied by your local subsidiary with the product.For other territories the Operation Manual and Declaration of Conformity may be downloaded from the SMC website (URL https://).The intended use of the step motor controller is to control the movementof an electrical actuator whilst connected to the EtherCAT protocol.These safety instructions are intended to prevent hazardous situations and/or equipment damage. These instructions indicate the level of potential hazard with the labels of “Caution,” “Warning” or “Danger.”They are all important notes for safety and must be followed in additionto International Standards (ISO/IEC)∗1), and other safety regulations.IEC 60204-1: Safety of machinery - Electrical equipment of machines. (Part 1: General requirements)ISO 10218-1: Robots and robotic devices - Safety requirements for industrial robots - Part 1: Robots.•Refer to product catalogue, Operation Manual and Handling Precautions for SMC Products for additional information.• Keep this manual in a safe place for future reference.Caution Caution indicates a hazard with a low level of risk which, ifnot avoided, could result in minor or moderate injury.Warning Warning indicates a hazard with a medium level of riskwhich, if not avoided, could result in death or serious injury.Danger Danger indicates a hazard with a high level of risk which, ifnot avoided, will result in death or serious injury.Warning•Always ensure compliance with relevant safety laws and standards.All work must be carried out in a safe manner by a qualified person in compliance with applicable national regulations.•Special products (-X) might have specifications different from those shown in the specifications section. Contact SMC for specific drawings. 2 Specifications2.1 General specificationsItem SpecificationsCompatible motor Step motor (servo 24 VDC)Power supply(M24V, C24V)Power supply voltage: 24 VDC +/-10%(certified SELV / PELV power supply). Current consumption200 mA or less (controller)Refer to the actuator specifications for totalpower consumption. Compatible encoderIncremental A/B phase (800 pulses / rotation)Battery-less absolute A/B phase(4096 pulse/rotation)Memory EEPROMLock control Forced lock release terminalCable lengthPower supply cable: 30 m max.Actuator cable: 20 m max. Cooling method Natural air-coolingOperatingtemperature0°C to 55°C (no freezing).Storage temperature -10o C to 60o C (no freezing) Humidity range90% RH or less (No condensation) Insulation resistance50 MΩ (500 VDC)between the external terminals and case Weight250 g (Direct mounting type)270 g (DIN rail mounting type)https://).3 Name and function of individual parts Description1Controller labelLabel indicating the controller modelnumber.2FEFunctional Earth.(when the controller is mounted, tightenscrews and connect the groundingcable).3PWRPower supply connector (5 pin).Connector for controller power supply(24 VDC) using the power supply plug.4STOSTO Connector (5 pin).Connector for controller responsible forSTO sub-function control.5MOTMotor drive connector (6 pin).Connector for actuator cable.6ENCEncoder connector (16 pin).Connector for actuator cable.7SISerial I/O connector (8 pin).Connector for teaching box (LEC-T1) orcontroller communication cable (JXC-W2A-C).8Applicable electricactuator modelnumber labelLabel indicating the electric actuatorpart number which can be connected tothe controller.9LED display LED’s to indicate the controller status.10Rotary switchSwitches to set the EtherCATcommunication IP address.11CommunicationconnectorConnector for EtherCAT network.12MAC address label Not applicable to EtherCAT product.13Security label Label to prevent tampering of product.14Safety HW versionlabelLabel indicating the safety HW version.15Non- safety versionlabelLabel indicating the Non-safety version.16Serial number label Label indicating the serial number.4 Installation4.1 InstallationWarning•Do not install the product unless the safety instructions have been readand understood.•Design the installation so that the temperature surrounding thecontroller is 55o C max. Leave enough space between the controllersso that the operating temperature of the controllers remains within thespecification range.•Mount the controller vertically with 30 mm minimum space on the topand bottom of the controller as shown below.•Allow 60 mm minimum space between the front of the controller and adoor (lid) so that the connectors can be connected and disconnected.4.2 Mounting•The controller can be direct mounted (model JXCEF7#) using screwsor mounted on a DIN rail (model JXCEF8#).•When using DIN rail mounting, hook the controller on the DIN rail andpress the lever down to lock it.CautionIf the mounting surface for the controller is not flat or is uneven, excessivestress may be applied to the enclosure, which can cause failure. Be sureto mount on a flat surface.4.3 EnvironmentWarning•Do not use in an environment where corrosive gases, chemicals, saltwater or steam are present.•Do not use in an explosive atmosphere.•Do not expose to direct sunlight. Use a suitable protective cover.•Do not install in a location subject to vibration or impact in excess ofthe product’s specifications.•Do not mount in a location exposed to radiant heat that would result intemperatures in excess of the product’s specifications.•Avoid mounting the controller near a vibration source, such as a largeelectromagnetic contactor or circuit breaker on the same panel.•Do not use in an environment with strong magnetic fields present.5 WiringCaution•Do not perform wiring while the power is ON.•Confirm proper insulation of wiring.•Do not route wires and cables together with power or high voltagecables.•Keep wiring as short as possible to prevent interference fromelectromagnetic noise and surge voltage.•Do not use an inrush current limited type of power supply for thecontroller.•Do not connect multiple wires to one connector terminal.Power Supply ConnectorWire the power supply cable to the power supply plug connector, theninsert it into connector PWR on the controller.•Use special screwdriver (Phoenix Contact No. SZS0.4×2.0) to open /close lever and insert the wire into the connector terminal.PinNo.Terminal Function Description1 C24V Power supply (+) Positive control power.2 M24V Motor power (+)Positive power for theactuator motor suppliedvia the controller.3 EMG Stop (+)Positive power foremergency stop signal4 0V Common power (-)Negative common power forM24V, C24V, EMG and LKRLS.5 - NC N/A6 LK RLS Unlocking (+)Positive power for lockrelease.Applicable wire size: AWG20 (0.5 mm2). Wire O/D to be ø2.5 mm max.Stripped wire length – 8 mm.ORIGINAL INSTRUCTIONS10 mm minimum(for actuator body size 25 mm or more)5.1 STO Sub-function ConnectorWire the cable for the STO function to the STO plug connector, then insert it into connector STO on the controller.5.2 Ground connection• Place a ground cable with crimped terminal under one of the M4 mounting screws with a shakeproof washer and tighten the screw.CautionThe M4 screw, cable with crimped terminal and shakeproof washer must be prepared by the user.The controller must be connected to Ground to reduce noise. If higher noise resistance is required, ground the 0 V (signal ground). When grounding the 0 V, avoid flowing noise from ground to 0 V.•A dedicated Ground connection must be used. Grounding should be to a D-class ground (ground resistance of 100 Ω maximum).• The cross-sectional area of the ground cable shall be 2 mm 2 minimum. • The Grounding point should be as near as possible to the controller. Keep the grounding cable as short as possible.6 Setting6.1 Switch setting• Turn off the power supply while setting the switch.• The rotary switch should be set with a small flat blade screwdriver. The EtherCAT ID of the controller is set using the rotary switches.When the switches are set to “000”, the EtherCAT ID of the controller can be set by the EtherCAT master device.To set the EtherCAT ID through the EtherCAT master device, refer to the manual of the EtherCAT master device.(The initial value of the EtherCAT ID is “0", when “000” is set by the rotary switches).EtherCAT ID setting Switch setting EtherCAT IDx100 x10 x1 0 0 0 Value that allows setting by EtherCAT master device (Initial value: “0”)0 0 1 10 0 3 3 (Default) 0 : : : 0 6 4 64 : : : : 999999Hardware ConfigurationESI file (XML file) is required to configure the controller.ESI file (XML file) can be downloaded from the URL given below.The ESI set up file can be downloaded from the SMC website (URL: https:// ).CautionDo not turn OFF the power supply for the controller or connect / disconnect the cable while data is being written to EEPROM (PWR LED (green) is flashing). This is to avoid the possibility of incorrect / corrupt data (step data, parameter).8 Product configuration9 LED DisplayRefer to the table below for details of the LED status.LEDDescriptionPWR OFFPower is not supplied Green LED is ONPower is supplied ALMOFFNormal operation Red LED is ONAlarm generated RUNOFFINIT stateGreen LED is flashing Pre-Operational state Green LED is single flashing Safe-Operational state Green LED is ONOperational stateERROFF No error in EtherCAT communication Red LED is flashing Error in the setting of EtherCAT communicationRed LED is double flashingError in the setting of EtherCAT communication(application watch dog timeout). L/A 1OFF“IN” port: No Link, No Activity Green LED is ON“IN” port: Link, No Activity Green Led is flashing “IN” port: Link, ActivityL/A 2 OFF“OUT” port: No Link, No Activity Green LED is ON“OUT” port: Link, No Activity Green Led is flashing“OUT” port: Link, ActivityRefer to the catalogue on the SMC website (URL: https:// ) for the How to Order information.Refer to the drawings / operation manual on the SMC website (URL: https:// ) for outline dimensions.12 Maintenance12.1 General MaintenanceCaution• Not following proper maintenance procedures could cause the product to malfunction and lead to equipment damage.• Before performing maintenance, turn off the power supply. Check the voltage with a tester 5 minutes after the power supply is turned OFF. • If any electrical connections are disturbed during maintenance, ensure they are reconnected correctly and safety checks are carried out as required to ensure continued compliance with applicable national regulations.• Do not make any modification to the product.• Do not disassemble the product, unless required by installation or maintenance instructions.Caution• Maintenance should be performed according to the procedure indicated in the Operation Manual.• When equipment is serviced, first confirm that measures are in place to prevent dropping of work pieces and run-away of equipment, etc, then cut the power supply to the system. When machinery is restarted, check that operation is normal with actuators in the correct position.Warning• Perform maintenance checks periodically.• Confirm wiring and screws are not loose. Loose screws or wires maycause unexpected malfunction.• Conduct an appropriate functional inspection and test after completing maintenance. In case of any abnormalities (if the actuator does not move, etc.), stop the operation of the system. Otherwise, an unexpected malfunction may occur and it will become impossible to ensure safety. Operate an emergency stop instruction to confirm safety. • Do not put anything conductive or flammable inside of the controller. • Ensure sufficient space around the controller for maintenance.13 Limitations of Use13.1 Limited warranty and Disclaimer/Compliance Requirements Refer to Handling Precautions for SMC Products.14 Product disposalThis product shall not be disposed of as municipal waste. Check your local regulations and guidelines to dispose of this product correctly, in order to reduce the impact on human health and the environment.15 ContactsRefer to or www.smc.eu for your local distributor / importer.URL: https:// (Global) https://www.smc.eu (Europe) SMC Corporation, 4-14-1, Sotokanda, Chiyoda-ku, Tokyo 101-0021, Japan Specifications are subject to change without prior notice from the manufacturer. © 2021 SMC Corporation All Rights Reserved. Template DKP50047-F-085M。
步进电机控制器说明书步进电机控制器说明书一、产品概述本文档旨在提供有关步进电机控制器的详细说明。
步进电机控制器是一种用于控制步进电机运动的装置,通过电子方式驱动步进电机实现精确的位置控制。
本控制器具有高精度、可编程性强等特点,适用于各种不同的步进电机应用场景。
二、产品特性本节介绍步进电机控制器的主要特性和功能。
2.1 高精度驱动步进电机控制器采用先进的驱动技术,能够实现高精度的步进电机驱动,可满足精密定位和运动控制需求。
2.2 可编程控制控制器内置丰富的控制算法,支持用户编程,可以根据具体应用需求进行自定义控制,提供更灵活的控制方式。
2.3 多种通信接口本控制器支持多种通信接口,如RS232、RS485、CAN等,便于与其他设备进行通信,实现系统集成和数据传输。
2.4 多种操作模式控制器提供多种操作模式选择,如速度控制、位置控制、力控制等,适应不同应用场景的需求。
2.5 安全保护功能为了确保系统的安全性,本控制器内置了多种安全保护功能,如过流保护、过热保护等,提供有效的保护措施。
三、产品安装和连接本节介绍步进电机控制器的安装和连接方式。
3.1 安装首先,确保电源已经断开。
将控制器固定在合适的位置,通过螺丝固定。
确保控制器和其他设备之间的空间足够,并保持良好的通风。
3.2 连接根据具体应用需求,通过合适的连接线将控制器与步进电机、电源等设备连接。
注意连接的正确性和稳定性,避免接触不良和短路等问题。
四、控制器编程及操作指南本节介绍步进电机控制器的编程和操作方法。
4.1 控制器编程步进电机控制器支持多种编程方式,如C语言、Python等。
用户可以编写相应的代码实现对步进电机的控制和驱动。
4.2 控制器操作指南控制器提供用户友好的操作界面,通过按钮、旋钮等方式进行控制操作。
用户可以根据界面上的指示进行相应的参数设置、模式切换等操作。
五、常见问题与解答本节了一些常见问题,并提供相应的解答。
如果用户遇到其他问题,建议参考本节解答,若问题仍未解决,可联系技术支持人员。
CM25L 系列运动控制器(步进电机控制器)说明书北京时代超群科技有限公司1. 安全须知★★ 在使用本控制系统前,请您仔细阅读本手册后再进行相关的操作。
仔细阅读本操作说明书,以及用户安全须知,采取必要的安全防护措施。
如果用户有其他需求,请与本公司联系。
工作环境及防护1. 控制系统的工作环境温度为0-40℃,当超出此环境温度时系统可能会出现工作不正常甚至死机等现象。
温度过低(零下)时,液晶显示器将会出现不正常显示的情况。
2. 相对湿度应控制在0-85%。
3. 在高温、高湿、腐蚀性气体的环境下工作时,必须采取特殊的防护措施。
4. 防止灰尘、粉尘、金属粉尘等杂物进入控制系统。
5. 应防护好控制系统的液晶屏幕(易碎品):使其远离尖锐物体;防止空中的物体撞到屏幕上;当屏幕有灰尘需要清洁时,应用柔软的纸巾或棉布轻轻擦除。
系统保修说明保修期:非人为损坏,主板保修1年。
液晶屏保修6个月,面膜按键(属于易耗品)保修期为3个月。
以下情况不在保修范围内:任何违反使用要求的人为故障或意外故障;带电插拔系统联接插座而造成的损坏;自然灾害等原因导致的损坏;未经许可,擅自拆卸、改装、修理等行为造成的损坏。
控制系统功能改变或完善(升级),恕不另行通知。
2.概述本公司最新研制的“运动控制器”,驱动装置采用细分步进电机或交流伺服电机,配备液晶显示器,全封闭触摸式操作键盘。
该系统具有可靠性高,精度高,噪音小,操作方便等特点。
本控制器可控制单个步进或伺服电机运动,可实现点位、直线的操作。
具有计数器、循环跳转(分绝对和条件)、子程序、变量等功能。
支持中文、文字指令。
简单、清晰的参数给您的操作带来方便和快捷。
一条指令有一到三个功能。
系统组成数控系统主要由以下几部分组成:l 液晶显示器(分辨率:192×64)l 专用运动控制芯片(信号输出为:5V TTL)l 输入/输出(10路光电隔离24V输入,16路光电隔离24V输出)l 用户加工程序存储器(单轴40个程序,两轴28个程序)l 单轴程序行数80行l 两轴程序行数70行l 薄膜按键阵列(28键)2.3 技术指标l 最小数据单位0.001mml 最大数据尺寸±9999.999mml快速点位运动限速2400mm/min (脉冲当量为0.001毫米时)l 最高加工速度限速2400mm/min (脉冲当量为0.001毫米时)l 单轴最高脉冲输出频率45KHzl 两轴最高脉冲输出频率30KHzl 控制轴数1/2轴l 电子齿轮分子:1-9999,分母:1-9999l 系统主要功能自动、手动、程序编辑、系统参数、自检、设置等 外观尺寸外形尺寸:长172,宽94,厚30嵌入孔尺寸:长162,宽84,前面板厚4开机画面客户可自己设计好开机画面,通过RS232下载到控制器上。
hb-b3hl步进电机控制器使用说明书摘要:1.步进电机控制器概述2.控制器的安装与接线3.控制器的使用与调试4.控制器的维护与故障排除5.安全注意事项正文:一、步进电机控制器概述hb-b3hl 步进电机控制器是一款高性能、多功能的步进电机控制器,适用于各种步进电机的驱动与控制。
该控制器具有优异的低速性能、高速性能和定位精度,可广泛应用于数控机床、机器人、自动化设备等领域。
二、控制器的安装与接线1.控制器的安装:根据设备结构和尺寸选择合适的安装位置,确保安装牢固、易于操作和维护。
2.接线:根据电机的类型和接线方式,正确连接电源、电机驱动线和控制信号线。
接线时注意线序和极性,避免接错。
三、控制器的使用与调试1.参数设置:根据实际应用需求,通过拨码开关或上位机软件设置控制器的相关参数,如电机型号、步长、转速等。
2.试运行:参数设置完成后,给控制器通电,观察电机是否能正常运转。
如有异常,检查接线、参数设置等,排除故障后重新试运行。
3.调试:在设备正常运行的基础上,逐步调整参数,以达到最佳性能。
调试过程中要注意观察电机的运行状态,避免过载、过热等异常现象。
四、控制器的维护与故障排除1.维护:定期检查控制器的接线、螺丝等部件,确保连接牢固,避免因振动等原因导致的松动。
保持控制器及其周围环境的清洁,防止灰尘、油污等进入设备。
2.故障排除:如遇设备故障,先关闭电源,检查接线、参数设置等,排除简单故障。
如无法解决,请联系专业技术人员或厂商进行维修。
五、安全注意事项1.使用前请仔细阅读说明书,了解控制器的功能、参数和操作方法。
2.接线时务必断电,避免触电事故。
3.控制器请不要在潮湿、高温、腐蚀性环境中使用,以免损坏设备。
4.设备运行时,请勿触摸电机和控制器,以免发生意外。
TC5510/TC5522/TC5530/TC5522R/TC5530R运动控制器(步进电机控制器)说明书正视图全图左视图后视图右视图TC55-MOD全图注:TC55系列产品,面板尺寸及外壳面膜完全一致,TC55-MOD为选配产品一、概述篇 (3)二、连接篇 (5)三、操作篇 (7)1.自动执行 (11)1.1实际运行 (11)1.2空运行 (11)1.3单步执行 (12)1.4终止程序 (12)2手动操作 (13)2.1手动高速 (13)2.2点动操作 (14)2.3回程序零 (14)2.4回机械零 (14)3程序管理 (16)3.1程序编辑 (16)3.2程序读入 (18)3.3程序删除 (19)3.4程序保存 (20)4参数设置 (20)4.2系统自检 (23)4.3 IO设置 (27)4.4用户管理 (29)四、编程篇 (30)五、附录篇 (52)一、概述篇TC55面板型运动控制器(数控系统)采用高性能32位CPU,驱动装置采用细分步进电机或交流伺服电机,配备液晶显示器,全封闭触摸式操作键盘。
该系统具有可靠性高,精度高,噪音小,操作方便等特点。
本控制器可控制1-3个电机运动,可实现点位、直线插补、圆弧插补等操作。
具有循环、跳转及简易PLC等功能。
简单、清晰的参数带给您方便和快捷的操作。
输入/输出的设置功能可方便您的使用和维修,适用于各类的1-3轴运动装置。
产品特点开机画面可自行修改控制器或上位计算机双模式编程独立24V电源反接保护IO光耦隔离输出短接保护手动正反转可同步外部开关控制简易PLC逻辑参数区密码可设定适用产品类型●数控钻床系统、数控车床系统、数控铣床系统、数控磨床系统●裁剪机控制系统、切割机控制系统、焊接控制系统、点胶机控制系统、送料控制系统●位移台、一维控制平台、二维控制平台、三维控制平台●螺纹机控制系统、锁螺丝机控制系统●喷涂生产线控制系统、装配生产线控制系统、记米器控制系统技术特点●自动执行:可实现实际运行、空运行、单段执行、终止程序、启动和暂停功能●手动操作:可实现手动高、低速、点动操作、回程序零、回机械零等操作。
更新至2012年10月05日 1一、产品介绍产品介绍XC601是我公司总结历次开发步进电机控制器经验,自主开发的一款经济型步进电机控制器。
该控制器使用进口原装高速智能芯片做为平台,全铝工业外壳,性能稳定、可靠性高、抗干扰性强等优点。
适用于各种环境恶劣的工厂现场。
同时具体丰富的通用功能,使控制器更加方便和实用。
该控制器适用于传感器控制的往返运动控制、定长控制、速度控制等。
1、超宽电压输入:DC5-32V。
2、多重保护功能:有反接保护,过压保护,过流保护。
3、调速功能:有单/双速调速功能。
单速调速时,板载调速和外接调速自动切换。
4、加减速:最优化的S 型加减速曲线,有立即停止、减速停止功能。
5、输出频率:最高可输出20KHz 脉冲频率。
6、输入输出:输入输出全部光偶隔离。
输出为负脉冲,输入信号低电平有效。
7、延时功能:在电机反转前有0.2S-6S 的延时时间可调。
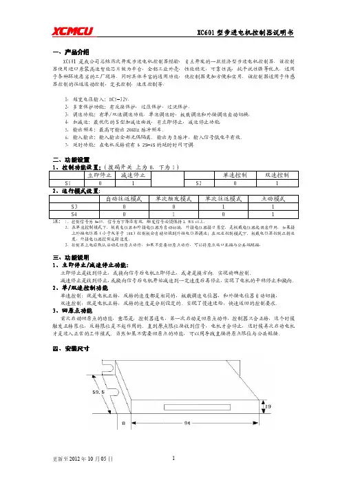
二、功能设置功能设置1、控制功能设置控制功能设置::(拨码开关 上为0,下为1) 立即停止 减速停止 单速控制双速控制S1 0 1S2 0 1 2、运行模式设置运行模式设置::自动往返模式 单次触发模式 单次往返模式 点动模式S3 0 0 1 1 S4 0 1 01注:1、控制信号为0-5V,信号为下降沿有效,触发信号必须保持2.5US 以上。
2、在单速控制模式下,板载电位器和外接电位器为自动切换,外接电位器接口悬空,是板载电位器起调速作用,如果接上外接电位器(小于或等于10K)控制板会自动切换到外接电位器调速;在双速控制模式下,板载电位器控制正转速度,外接电位器控制反转速度。
3、控制器上电后默认启动是回原点动作。
如果不需要回原点动作,可以将原点端口直接与公共端短接。
三、功能说明功能说明 1、立即停止立即停止//减速停止功能减速停止功能:: 立即停止是收到停止,或换向信号后电机立即停止,或者是换方向。
实现精确控制。
减速停止是收到停止,或换向信号后电机开始减速到一定速度后再停止,实现了电机的平稳停止和换向。
系统特点●控制轴数:单轴;●指令特点:任何可编程(可实现各种复杂运行:定位控制和非定位控制);●最高输出频率:40KHz(特别适合控制细分驱动器);●输出频率分辨率:1Hz;●编程条数:最大99条;●输入点:6个(光电隔离);●输出点:3个(光电隔离);●一次连续位移范围:-7999999~+7999999;●工作状态:自动运行状态、手动运行状态、程序编辑状态、参数设定状态;●升降速曲线:2条(最优化);●显示功能位数:8位数码管显示,手动/自动状态显示、运行/停止状态显示、步数/计数值/程序显示、编辑程序,参数显示、输入/输出状态显示、CP脉冲和方向显示;●自动运行功能:可编辑,通过面板按键和加在端子的电平可控制自动运行的启动和停止等操作;●手动运行功能:可调整位置(手动的点动速度和点动步数可设定);●参数设定功能:可设定起跳频率、升降速曲线、反向间隙、手动长度、手动速度、中断跳转行号和回零速度;●程序编辑功能:可任意插入、删除可修改程序。
具有跳转行号、数据判零、语句条数超长和超短的判错功能;●回零点功能:可双向自动回到零点;●编程指令:共14条指令;外操作功能:通过参数设定和在A操作和B操作端子上加开关可执行外部中断操作;●工作电压:AC90~260V后面板图及信号说明:后面板接线端子。
包括:1.CP、CW、OPTO为步进电机驱动器控制线此三端分别连至驱动器的相应端,其中:CP:步进脉冲信号CW:电机转向电平信号OPTO:前两路信号的公共阳端CP、CW的状态分别对应面板上的指示灯。
2.RUN:启动程序自动运行,相当于面板上的启动键。
3.STOP:暂停正自动运行的程序,相当于面板的停止键。
再次启动后,程序继续运行。
4.A操作和B操作这是本控制器的一大特点:图2后面板图对于步进电机,我们一般进行定量定位控制,如控制电机以一定的速度运行一定的位移这种方式很容易解决,只需要把速度量和位移量编程即可。
EasySmc 2130 步进电机控制器使用说明厦门华菱工控技术有限公司Xiamen Hualing Industry Control Technology Co.,Ltd一、概述 (1)二、性能指标 (1)三、运动控制系统组成框图 (1)3.1、PLC作为上位机,如松下的FP0-C10CR,带RS-232C串口 (1)3.2、工业控制计算机作为上位机,使用RS232 OR RS485与 EasySmc 2130 构成主从系统 (2)3.3、EasyHmi作为上位机,可最大限度的提高性能价格比,需要用户订制 (2)四、接线说明和跳线定义 (2)4.1、外形尺寸说明 (3)4.2、接线端说明 (3)4.2.1、电源输入信号 (3)4.2.2、串行口信号 (3)4.2.3、步进电机驱动信号 (3)4.2.4、下限输入,原点输入,上限输入,外部联锁输入信号 (4)4.2.5、紧急故障停止输入信号 (5)4.2.6、手动信号输入 (5)4.3、手动/联机跳线说明 (5)五、串行口控制命令说明 (5)5.1、初始化命令 (7)5.1.1、设置X轴加速度,起跳频率,最大速度(命令码1......7) (7)5.1.2、设置Y轴加速度,起跳频率,最大速度(命令码8......12). (8)5.1.3、设置Z轴加速度,起跳频率,最大速度(命令码13......15).. (9)5.1.4、设置各轴手动参数和反向复位距离S(命令码16+DAT1) (9)5.1.5、恢复默认的控制器参数,保存当前的控制器参数(命令码17+DAT1) (9)5.1.6、紧急制动、平滑制动命令(命令码18+DAT1) (9)5.1.7、控制命令(命令码19+DAT1) (10)5.2、轴位置参数设置命令 (11)5.2.1、设置X轴软件限位寄存器(命令码21+DAT1) (11)5.2.2、设置Y轴软件限位寄存器(命令码22+DAT1) (11)5.2.3、设置Z轴软件限位寄存器(命令码23+DAT1) (11)5.2.4、设置X轴当前位置寄存器(命令码24+DAT1) (11)5.2.5、设置Y轴当前位置寄存器(命令码25+DAT1) (11)5.2.6、设置Z轴当前位置寄存器(命令码26+DAT1) (12)5.3、轴状态和运动参数查询命令 (12)5.3.1、查询X轴状态(命令码31+DAT1) (12)5.3.2、查询Y轴状态(命令码32+DAT1) (12)5.3.3、查询Z轴状态(命令码33+DAT1) (12)5.3.4、查询X轴运动参数(命令码34+DAT1) (12)5.3.5、查询Y轴运动参数(命令码35+DAT1) (13)5.3.6、查询Z轴运动参数(命令码36+DAT1) (14)5.3.7、读出控制器当前手动、联机状态(命令码37+DAT1) (14)5.3.8、命令执行情况的查询(命令码38+DAT1) (15)5.4、复位运动命令和独立运动命令 (16)5.4.1、X轴复位运动(命令码41+DAT1) (16)5.4.2、Y轴复位运动(命令码42+DAT1) (17)5.4.3、Z轴复位运动(命令码43+DAT1) (17)5.4.4、X轴独立运动(命令码44+DAT1) (17)5.5、直线插补命令 (17)5.5.1、XY直线插补运动(命令码51+DAT1+DAT2) (17)5.5.2、XZ直线插补运动(命令码52+DAT1+DAT2) (18)5.5.3、YZ直线插补运动(命令码53+DAT1+DAT2) (18)5.5.4、XYZ直线插补运动(命令码57+DAT1+DAT2+DAT3) (18)5.6、圆弧插补命令 (18)5.6.1、XY圆弧插补运动(命令码61+DAT1+DAT2+DAT3) (18)5.6.2、XZ圆弧插补运动(命令码62+DAT1+DAT2+DAT3) (19)5.6.3、YZ圆弧插补运动(命令码63+DAT1+DAT2+DAT3) (19)5.7、样条插补命令 (19)5.7.1、命令格式 (19)5.7.2、样条同步输出功能 (21)5.8、其它 (21)5.8.1、计数器(2个) (21)5.8.2、程序下载、上载、脱机执行 (21)六、故障检查、维修保养、售后服务 (22)附录 (23)动控制系统。
YARAK步进驱动器使用说明书 型号:Y2S3060-NY2S3060-N驱动器为等角度恒力矩细分型驱动器,驱动电压DC20-60V,适配4线,6或8出线,电流在3A以下,外径42-86mm的各种型号二相混合式步进电机。
特点◆高性能、低价格◆设有4档等角度恒力矩细分,最高50细分◆最高反应频率可达1Mpps◆步进脉冲超过10ms时,线圈电流自动减半◆双极恒流斩波方式◆光电隔离信号输入◆驱动电流从0.9A/相到3A/相连续可调◆单电源输入,电压范围:DC20-60V性能指标说明最小值典型值最大值单位供电电压20 36 60 VDC输出电流 0.9 — 3 A控制信号输入电流5 10 15 mA步进脉冲频率0 — 1000 KHz步进脉冲最小宽度0.5—— us转向信号最小宽度2 —— us工作环境温度0 — +50 ℃存储温度 -40 — +50 ℃环境湿度—— 90%RH9不能结露—接口与接线示意图注意:1、请不要将电源正负极接反,否则会烧坏驱动器;2、脉冲信号和方向信号为5V,高于5V时请接限流电阻;电机使3、能信号为5—12V输入,给使能信号时电机将停驱动器适配4线、6线和8线电机,接线如下:止;注:六线串行连接时额定电流为电机额定电流0.7倍。
功能设定细分设定细分数 5 10 25 50SW1 ON ON ON OFFSW2 ON ON OFF ON SW3 ON OFF OFF OFF SW4 无效 SW5 OFF :脉冲+方向驱动方式;ON :双脉冲驱动方式 电流设定 电流(A ) 0.9 1.2 1.5 1.8 2.1 2.4 2.7 3.0SW6 OFF ON OFF ON OFF ON OFF ON SW7 OFF OFF ON ON OFF OFF ON ONSW8 OFF OFF OFF OFF ON ON ON ON注:将驱动器印字一面朝上平放,拨码开关朝下为ON !YARAK 驱动器选型Y 2S 30 60-S1 2 3 4 51.系列号Y 系列号 2.相数2S 两相 3.输出相电流(MAX)30 最大输出电流为3.0A 15 最大输出电流为1.5A 4.输入电压(MAX)60 最大输入电压为60V 5.细分模式M 细分数固定为25S 细分数可选2、4、8、16、32、64 N 细分数可选5、10、25、50 O 细分数可选为25、100Y 2S S T 10-S1 2 3 4 51.系列号Y 系列号 2.相数2S 两相3S 三相3.智能驱动器ST 智能驱动器,可自发脉冲,电脑调试 4.输出电流(MAX) 10 10A(MAX),24-80VDC 5 5A(MAX),24-48VDC 5.控制类型 S 支持主机实时控制,但不能程序驻留 PLUS 支持编程下载至驱动器独立运行 Q/I 比PLUS 具有更多输入输出口 BLANK 标准型。
yf19步进电机控制器说明书摘要:一、概述二、产品特点三、技术参数四、工作原理五、安装与使用六、注意事项七、故障排除八、售后服务正文:一、概述yf19 步进电机控制器是一款高性能的步进电机控制设备,适用于各种步进电机的控制。
它能够精确地控制步进电机的旋转角度和转速,广泛应用于各种自动化设备、机器人和数控机床等领域。
二、产品特点1.高精度:yf19 步进电机控制器能够精确地控制步进电机的旋转角度和转速,提高了设备的运动精度。
2.高效率:yf19 步进电机控制器采用优化的控制算法,有效地提高了步进电机的工作效率。
3.稳定性:yf19 步进电机控制器具有优良的抗干扰性能,确保设备在各种工况下的稳定运行。
4.可编程:yf19 步进电机控制器支持编程,用户可以根据实际需求设置控制参数,以满足不同应用场景的需求。
三、技术参数1.控制方式:脉冲控制2.工作电压:DC 24V3.脉冲信号输入:脉冲信号输入正(PUL)、脉冲信号输入负(PUL-)、方向电平信号(DIR)、方向电平信号负(DIR-)4.脱机信号输入:脱机信号输入正(EN)、脱机信号输入负(EN-)5.输出电流:0-2A(可根据用户需求定制)四、工作原理yf19 步进电机控制器通过接收脉冲信号来控制步进电机的旋转。
当控制器接收到脉冲信号时,它会将脉冲信号转换为相应的电流信号,并通过驱动器将电流信号传递给步进电机,从而驱动步进电机旋转。
五、安装与使用1.选购合适的步进电机和驱动器,确保它们与控制器的接口兼容。
2.将步进电机和驱动器连接到控制器上,并确保接线正确无误。
3.接通电源,并确保控制器的工作电压与步进电机和驱动器的工作电压一致。
4.通过编程设置控制器的控制参数,以满足实际应用需求。
5.启动设备,观察步进电机的旋转情况,如有异常,请及时排查故障。
六、注意事项1.控制器应避免暴露在潮湿、高温和有腐蚀性的环境中,以免损坏设备。
2.接线时应确保线缆牢固,避免线缆松动导致设备故障。
电机,伺服电机可编程控制器AKS-01Z使用说明一、系统特点●控制轴数:单轴;●指令特点:任意可编程(可实现各种复杂运行:定位控制和非定位控制);●最高输出频率:40KHz(特别适合控制细分驱动器);●输出频率分辨率:1Hz;●编程条数:99条;6、按键:共10个按键,且大部分按键为复合按键,他们在不同状态表示的功能不同,下面的说明中,我们只去取功能之一表示按键。
后面板图及信号说明:后面板图为接线端子,包括:1、CP、CW、OPTP为步进电机驱动器控制线,此三端分别连至驱动器的相应端,其中:CP————步进脉冲信号CW————电机转向电平信号OPTO————前两路信号的公共阳端CP、CW的状态分别对应面板上的指示灯2、启动:启动程序自动运行,相当于面板上的启动键。
3、停止:暂停正在运行的程序,相当于面板上的停止键,再次启动后,程序继续运行。
4、A操作和B操作是本控制器的一大特点:对于步进电机,我们一般进行定量定位控制,如控制电机以一定的速度运行一定的位移这种方式很容易解决,只需把速度量和位移量编程即可。
但还有相当多的控制是不能事先定位的,例如控制步进电机从起始点开始朝一方向运行,直到碰到一行程开关后停止,当然再反向运行回到起始点。
再例如要求步进电机在两个行程开关之间往复运行n次,等等。
在这些操作中,我们事先并不知道步进电机的位移量的具体值,又应当如何编程呢?本控制器利用:“中断操作”,我们称之为“A操作”和“B操作”。
以“A操作”为例,工作流程为:当程序在运行时,如果“A操作”又信号输入,电机作降速停止,程序在此中断,程序记住了中断处的座标,程序跳转到“A操作”入口地址所指定的程序处运行程序。
5、输入1和输入2通过开关量输入端。
6、输出1、输出2和输出3通过开关量输出端。
7、C OM+、COM—输入输出开关量外部电源,本电源为DC12V/0.3A,COM+为正端,COM—为负端,此电源由控制器内部隔离提供。
步进电机,伺服电机可编程控制器KH-01使用说明一、系统特点•控制轴数:单轴;•指令特点:任意可编程(可实现各种复杂运行:定位控制和非定位控制);•最高输出频率:40KHz(特别适合控制细分驱动器);•输岀频率分辨率:1Hz;•编程条数:99条;•输入点:6个(光电隔离);•输岀点:3个(光电隔离);• 一次连续位移范围:一7999999〜7999999;•工作状态:自动运行状态,手动运行状态,程序编辑状态,参数设定状态;•升降速曲线:2条(最优化);•显示功能位数:8位数码管显示、手动/自动状态显示、运行/停止状态显示、步数/计数值/程序显示、编辑程序,参数显示、输入/输出状态显示、CP脉冲和方向显示;•自动运行功能:可编辑,通过面板按键和加在端子的电平可控制自动运行的启动和停止;•手动运行功能:可调整位置(手动的点动速度和点动步数可设定);•参数设定功能:可设定起跳频率、升降速曲线、反向间隙、手动长度、手动速度、中断跳转行号和回零速度;•程序编辑功能:可任意插入、删除可修改程序。
具有跳转行号、数据判零、语句条数超长和超短的判断功能;•回零点功能:可双向自动回到零点;•编程指令:共14条指令;•外操作功能:通过参数设定和编程,在(限位A)A操作和(限位B)B操作端子上加开关可执行外部中断操作;•电源:AC220V(电源误差不大于土15%。
一、前面板图前面板图包括:1、八位数码管显示2、六路输入状态指示灯3、三路输岀状态指示灯4、CP脉冲信号指示灯5、CW方向电平指示灯6、按键:共10个按键,且大部分按键为复合按键,他们在不同状态表示的功能不同,下面的说明中,我们只去取功能之一表示按键。
后面板图及信号说明:后面板图为接线端子,包括:1、方向、脉冲、+5V为步进电机驱动器控制线,此三端分别连至驱动器的相应端,其中:脉冲------- 步进脉冲信号方向------- 电机转向电平信号+5V ---------- 前两路信号的公共阳端CP CW勺状态分别对应面板上的指示灯2、启动:启动程序自动运行,相当于面板上的启动键。
3、停止:暂停正在运行的程序,相当于面板上的停止键,再次启动后,程序继续运行。
4、(限位A)A操作和(限位B)B操作是本控制器的一大特点:对于步进电机,我们一般进行定量定位控制,如控制电机以一定的速度运行一定的位移这种方式很容易解决,只需把速度量和位移量编程即可。
但还有相当多的控制是不能事先定位的,例如控制步进电机从起始点开始朝一方向运行,直到碰到一行程开关后停止,当然再反向运行回到起始点。
再例如要求步进电机在两个行程开关之间往复运行n次,等等。
在这些操作中,我们事先并不知道步进电机的位移量的具体值,又应当如何编程呢?本控制器利用:“中断操作”,我们称之为“(限位A)A操作”和“(限位B)B操作”。
以“(限位A)A操作”为例,工作流程为:当程序在运行时,如果“(限位A)A操作”又信号输入,电机作降速停止,程序在此中断,程序记住了中断处的座标,程序跳转到“(限位A)A操作”入口地址所指定的程序处运行程序。
5、输入1和输入2通过开关量输入端。
6、输出1、输出2和输出3通过开关量输出端。
7、+24V、地一输入输出开关量外部电源,本电源为DC24V/0.2A,此电源由控制器内部隔离提供。
8〜220V控制器电源输入端。
输入信号和输出信号接口电路:本控制器的“启动”、“停止”、“(限位A)A操作”、“(限位B)B操作”、“输入1 ”、“输入2”为输入信号,他们具有相同的输入接口电路。
“输出 1 "、“输出2”、“输出3”称为输出信号。
他们具有相同的输出接口电路。
输入和输出电路都有光电隔离,以保证控制器的内部没有相互干扰,控制器内部工作电源(+5V)和外部工作电源(+24V)相互独立,并没有联系,这两组电源由控制器内部变压器的两个独立绕组提供。
开关量输入信号输岀信号的状态,分另U对应面板上的指示灯。
对于输入量,输入低电平(开关闭合时)灯亮,反之灯灭;对于输岀量,输岀0时为低电平,指示灯灭,反之灯亮。
开关量输入电路:三,控制器联接示意图:四、操作流程图:控制器总是工作在四种状态之一:自动状态、手动状态、程序编辑状态、参数设定状态。
上电或按[复位]后,控制器处于自动待运行状态且使坐标于零点,这时可以启动程序自动运行或切换到手动状态,程序编辑状态和参数设定状态只能在手动状态下切换。
程序编辑完成或参数设定完成后,按[退岀]键退回到手动状态(程序将自动被保护)。
在手动状态下,如要切换到程序编辑状态,只需按[编辑]键,如要切换到参数设定状态,需按[编参]键2秒以上。
(注:上述所说的按键[编辑]、[编参]、[退岀]其实是同一个按键,由三个功能复合,我们介绍某一功能时,按键的名字只取其一,下同)五,参数设定:参数设定状态的进岀方式为:在手动状态下,按住[编参]键2秒以上,直到进入参数设定状态后才能松开。
参数设定完成后按[退岀]键返回到手动状态(参数将被自动保护)。
参数分两行显示,第一行显示参数的名称,第二行显示参数数据。
参数修改方式:进入参数设定状态后,首先显示第一行[JF ----- ]。
且前2位的参数名称闪动显示:如按[A ]、[V ],将会显示下一个或上一个参数名称。
如按[回车]键,将进入(下一行)参数数据的编辑修改状态,这时数据的第一位闪动显示,如按[A ]> [V ],数据将被改变。
如按[V]、[> ]键,将移至下一位进行修改,如此类推。
数据修改后,按[回车]确认,按[取消]放弃修改。
总之,参数的设定通过[A ]、[V]、[V ]、[>]、[回车]、[取消]六个按键完成的:通过移动左右键使光标移至相应位上,这时数码将跳动显示,再通过上下键改变数值;用回车键进入数据修改状态,数据修改完成后,再用回车键确认退岀或用取消键放弃修改。
请参考《操作流程速查表》。
、程序编辑及指令详解:程序编辑状态的进岀方式为:在手动状态下,按[编辑]键。
即可进入到程序编辑状态。
程序编辑完成后,按[退岀]键返回到手动状态(参数将自动保存)。
本控制器的程序区最多可以编辑99条指令,程序中每一条指令有一个行号。
行号为自动编号,从00开始按顺序排列,您可以在程序中插入或删除某行,但行号会重新分配。
程序格式是:每一条程序分两行显示(无参数程序除外),第一行显示行号和指令名称,第二行显示指令数据。
程序的最后一条指令固定为“ END。
总之,程序的修改通过[A ]、[V ]、[V]、[> ]、[插入]、[删除]、[回车]、[取消]八个键来完成;通过移动左右键使光标移至相应位上,这时数码将跳动显示,再通过上下键改变数值:用回车键进入数据修改状态,数据修改完成后,再用回车键确认退岀或用取消键放弃修改。
请参与《操作流程速度表》。
行号数据)指令详解(、手动运行方式:在自动状态下按[自动/手动]将进入手动状态,前二位数码管将显示为T]以表示为手动状态。
按[>]或[V],电机将按不同的方向手动运行,手动运行的位移量和速度由参数庙宇状态下的HL和HF值决定,请参考“控制器操作流程图”。
三、自动运行方式:控制器上电或按复位键后,自动使坐标值清零,并以此作为坐标零点,在把上一次的手动存盘的计数器的值调入计数器单元,然后处于自动待运行状态,按[启动]键或从端子上输入启动信号后,控制器将从第00行程序开始运行,直至运行到最后一条程序END这时自动运行结束,控制器返回自动待运行状态。
请参考“控制器操作流程图”在自动状态下,又有3种不同的子状态:1、自动待运行状态,表示控制器准备运行程序,只需按[启动]键或端子上输入启动信号即可,程序完成运行后也将处于此状态;2、自动运行状态,表示控制器正在运行程序;3、自动运行停止状态,表示控制器正在运行程序时被[停止]键或端子上输入的停止信号中断运行程序将在断点处等待再次被启动。
在自动状态下,又有三种不同的显示方式:(通过按同一个键[步数]、[计数]、[A ]进行切换)1、步数显示方式:控制器显示当前的坐标值,单位:脉冲数;2、计数显示方式:控制器显示当前计数器单元的计数值,单位:个数;3、程序显示方式:控制器显示当前所处的程序行及程序名。
为了能在显示上很好的区分自动状态的三个子状态以及三种显示方式,我们用显示器前两位的不同显示方式来区别:(见下表)四、外形尺寸及安装尺寸:本控制器采用嵌入仪表外壳,体积小重量轻(500G),前面板为71MM*71M的方形,长度为120MM具体尺寸见下图:十一、编辑及应用举例:例一:参数要求:起跳频率2.5KHZ,升降速较快,间隙补偿为0;运行要求:以2.9KHZ的速度运行98765步,再以15KHZ的速度反向运行8765步,停止。
参数清单:(进入参设定状态修改)JF=02500,rS=H,CC=000Q清序清单:(进入程序编辑状态)00SPEED02900给下面的运行赋值速度2.9KHZ01G-LEN00098765;电机正向运行98765步02SPEED15000给下面的运行赋值速度15KHZ03G-LEN- 0008765;电机反向运行8765步04END程序结束例二:参数要求:起跳频率2.5K HZ,升降速较慢。
间隙补偿为12;运行要求:启动时要求蜂鸣器响一短声后以39KHZ的速度运行1234567步,使3个输出量为101状态,延时55.9秒后使后二位输岀状态为11,程序在此处暂停,直到再次启动后使用电机以同样的速度返回起始点的另一侧第888步的位置,到位后发岀一长声通知,结束。
参数清单:(进入参数设定状态修改)JF=02500,rS=L,CC=0012程序清单:(进入程序编辑状态)OOOUTnnnq使蜂鸣器响一短声01SPEED39000 给下面的运行赋值速度39KHZ02G-LEN01234567;电机正向运行1234567 步03OUT101n使3个输出量为101状态04DELAY0055900 延时55.9 秒05OUTn11n 使后二位输出状态为1106PAUSE 程序在此处暂停07GOTO-0000888 电机返回起始点的另一侧第888 步的位置08OUTnnn1 使蜂鸣器响一长声09END 程序结束例三:运行要求:(参数设定省略)有一物体,从零点以 2.9KHZ的速度向前运行100步(此点作为物体的参考点);在参考点停止后输出010 ;检测输入位,若INI=0,电机同速度返回零。
若INI工0,电机以15KHZ的速度再向前运行10000步后使蜂鸣器短声报警;再以35KHZ的速度返回参考点。
若这时INI=0 ,则返回零点,否则继续按第一次的方式循环,以此类推。
要求返回零点后,蜂鸣器响长声报警。