结构力学(二)试卷
- 格式:doc
- 大小:227.01 KB
- 文档页数:7
结构力学(下)补考试卷(土木工程2002级)考试 时间: 2小时一、 填空,选择题 (共20分,每题5分)1、图示结构的原始刚度矩阵的最大带宽为:____________________。
2、用矩阵位移法计算图示结构,不忽略轴向变形,引入支承条件后的缩减总刚为:______________阶。
3、图示结构(不计干件质量)动力自由度次数为_____________。
4、单自由度体系在简谐荷载作用下如果频率比大于 1,则要减小振动幅值 需采取措施___________。
A 增加刚度,减少质量;B 增加刚度,增加质量;C 减少刚度,减少质量;D 减少刚度,增加质量;二、计算题(共65分)1、图示结构用矩阵位移法求解时(P ql =,2m ql =,P 作用在各杆中点),(22分) ①、结构的原始刚度矩阵阶数为多少?②、求结点3和结点5的综合结点荷载列阵3{}P 和5{}P 。
③、以单刚子块形式写出结构原始刚度中的子块[K 14],[K 35]和[K 55]。
2、求图示结构的自振频率。
各杆EI 均为无穷大,弹性支座刚度系数为k 。
(12分)3、求图示结构的自振频率和主振型,并作出振型图,各杆 EI =常数,不计阻尼和刚架的自重。
(16分)两自由度结构自由振动振幅方程为: 2111112222211122221()01()0m A m A m A m A δδωδδω⎧-+=⎪⎨+-=⎪⎩4、图示结构,不计阻尼影响, 0()sin p F t F t θ= ,θ=解决下列问题:(15分) ① 求自振频率ω ;② 求动力放大系数μD ③ 求质点m 的最大位移。
三、根据电算结果作图(共15分)某超静定刚架结构,结构离散情况如下图所示,已利用PF程序求出计算结果,根据计算结果作出其剪力图。
(各单元始端i<末端j;E,I取为常数1,A取为13e)电算结果:The Results of CalculationThe Terminal Forcesmember N(st) Q(st) M(st) N(en) Q(en) M(en)1 -13.214 11.041 15.795 13.214 -1.041 8.3712 -1.041 -13.214 -8.371 1.041 -6.786 -4.4833 -6.786 -1.041 -5.517 6.786 1.041 1.351( NA= 51 )( NW= 250 )。
全国2018年4月高等教育自学考试结构力学(二)试题课程代码:02439一、单项选择题(每小题2分,共20分)在每小题列出的四个选项中只有一个选项是符合题目要求的,请将正确选项前的字母填在题后的括号内。
1.用力法计算图示结构时,使力法典型方程中副系数全为零的基本结构是( )2.图示结构K截面弯矩(设下面受拉为正)M k为( )A.qa2 2B.- qa2 2C. 322 qaD.2qa23.机动法作内力影响线所依据的原理是( )A.刚体系虚位移原理B.刚体系虚力原理C.变形体虚位移原理D.变形体虚力原理4.图示连续梁上作用可以任意分布的均布荷载,若求截面C变矩的绝对最大值,则荷载应分布在( )A.(1)、(4)跨B.(2)、(3)跨C.(1)、(3)跨D.(2)、(4)跨5.按先处理法,图示结构的结点荷载列阵为( )A.[8KN -6KN]TB.[8KN 6KN]TC.[-8KN 6KN]TD.[-8KN -6KN]T6.{}{}F F e e 和分别是局部坐标系和整体坐标系的单元杆端力矩阵,〔T 〕是坐标转换矩阵,则正确的表达式为( )A.{}F e =[T][F]eB. {F}e =[T][F ]eC. {}F e =[T]T [F]e D {F}e =[T]T {}F e[T] 7.当简谐荷载作用于有阻尼的单自由度体系时,若荷载频率远远大于体系的自振频率,则此时与动荷载相平衡的主要是( )A.弹性恢复力B.阻尼力C.惯性力D.重力8.图(a)、(b)两结构中,EI 1、EI 2及h 均为常数,则两者自振频率ωa 与ωb 的关系为( )A.ωa >ωbB.ωa <ωbC.ωa =ωbD.不定,取决于EI 1/EI 2以及h 的值9.塑性铰是( )A.单向铰无弯矩B.双向铰无弯矩C.单向铰有弯矩D.双向铰有弯矩10.在竖直向下荷载作用下,等截面连续梁的破坏机构是( )A.各跨独立形成B.各跨联合形成C.相邻跨联合形成D.隔跨联合形成二、填空题(每小题2分,共20分)11.图示结构(各杆EI=常数)用位移法求解时,结点转角未知量个数为_______ ,独立结点线位移个数为_______ 。
山东省专升本考试土木工程结构力学(移法)模拟试卷2(题后含答案及解析)题型有:1.5B.2.0C.2.5D.3正确答案:A 涉及知识点:移法26.下列关于下图所示结构位移法基本未知量的论述,正确的是( )A.三个基本未知量θA、θB、△B.两个基本未知量θA=θB,△C.θA=θB=0,只有一个未知量△D.θA=θB=△/a,只有一个未知量△正确答案:C 涉及知识点:移法解答题27.用位移法计算下图(a)所示刚架,并绘制内力下图。
正确答案:①确定基本未知量Z1,基本体系如图(b)。
②列典型方程r11Z1+R1P=0。
③画如图(c)、(d),由节点平衡求系数和自由项,r11=4i+i+3i=8i,R1P=20-60=-40。
④解方程Z1=-R1P/r11=5/i。
⑤叠加M图如图(e)所示。
⑥求剪力,画V图如图(f)所示。
⑦节点平衡求轴力,画N图如图(g)所示。
涉及知识点:移法28.用位移法计算下图(a)所示刚架并绘制弯矩图。
正确答案:①结构对称、荷载对称,取等代结构如图(b),其横梁弯矩、剪力是静定的,故将静定的横梁去掉,横梁所受的力向节点等效平移,得图(c)所示体系。
一个节点角位移未知量Z1。
②列典型方程r11Z1十R1P=0。
③画如图(d)、(e)所示,求系数和自由项:r11=4i十4i+3i=11i,R1P=40+15=55。
④解方程Z1=-R1P/r11=5/i。
⑤叠加M图如图(f)所示。
涉及知识点:移法29.用位移法计算下图(a)所示刚架并绘制弯矩图。
正确答案:①因IC杆剪力静定,故节点1的饲移不作基本未知量,转角Z1作基本未知量,如图(b)所示。
②列典型方程r11Z1+R1P=0。
③在画MP时,先求出杆端剪力V1C=P,然后,将该端视为定向支座并且将V1C作为集中荷载加在该端,另端视为固定,按图(d)所示的单跨超静定梁。
确定形常数和载常数。
作出如图(c)、(e)所示,由节点平衡求系数和自由项,r11=3i+i+3i=7i,R1P=-42。
XX大学课程考试试卷课程名称:结构力学分)一、判断题(对打O,错打X。
每小题3分,共计9分)1. 局部坐标系单元刚度矩阵和整体坐标系单元刚度矩阵均为对称矩阵。
2. 当结构中某杆件的刚度增加时,结构的自振频率不一定增大。
3. 用能量法求体系自振频率时,则所得结果定为一精确解。
二、单项选择题(每小题4分,共计12分)分)1. 单元刚度矩阵中元素的物理意义是:的物理意义是:A.当且仅当时引起的与相应的杆端力;相应的杆端力;B.当且仅当时引起的与相应的杆端力;相应的杆端力;C.当时引起的相应的杆端力;相应的杆端力;D.当时引起的与相应的杆端力。
2. 引入图示结构边界约束后的局部坐标单元刚度矩阵为:引入图示结构边界约束后的局部坐标单元刚度矩阵为:(其中:) 3. 设直杆的轴向变形不计,图示体系的动力自由度数为:设直杆的轴向变形不计,图示体系的动力自由度数为:A.3 ; B.4 ;D.6 。
C.5 ; 三、填空题(每空3分,共9分)分)1. 对图示结构先处理法集成所得结构刚度矩阵总未知量数为,最大半带宽为。
2. 主振型关于质量矩阵的正交性用公式表达为。
四、计算题(16分),图中圆括号内数码为结点定位向量图a所示结构(整体坐标见图b,图中圆括号内数码为结点定位向量(力和位移均按竖直,转动方向顺序排列)。
求结构刚度矩阵[K]。
五、计算题(16分),图中圆括号内数码为结点定位向量 图a所示结构,不考虑轴向变形,整体坐标见图b,图中圆括号内数码为结点定位向量(力和位移均按水平、竖直、转动方向顺序排列)。
求等效结点荷载列阵。
六、计算题(16分)图示桁架,已知结点位移列阵。
试用矩阵位移法求单元①和单元③在局部坐标系下的杆端力列阵。
端力列阵。
设。
七、计算题(22分)。
求:图示体系各柱EI = 常数,柱高均为l,。
求:⑴体系的自振频率;⑴体系的自振频率;⑵最大动力弯矩及相应的弯矩图。
⑵最大动力弯矩及相应的弯矩图。
1. 48 12 2. 求各单元单刚:,( 转换成,单元②;利用单元定位向量,将中元素反号后叠加集成即,(取横梁为隔离体,有,可求,由位移法方程:,(如。
结构力学(下)考试试卷学年下学期时间120分钟结构力学(下)课程32 学时学分考试形式:闭卷一、选择或填空题(本题15分,每小题3分)1.一般单元的单元刚度系数ij k的物理意义为______。
2.平面杆件结构用后处理法建立的原始刚度方程组,_____。
A.可求得全部结点位移B.可求得非支座结点位移C.可求得支座结点位移D.无法求得结点位移3.图示结构(不计杆质量)的振动自由度为____个。
4.测得某结构自由振动经过10个周期后振幅降为原来的8%,该结构体系的阻尼比 为_____。
5.当结构发生共振时(考虑阻尼),结构的_____。
A.动平衡条件不能满足B.干扰力与阻尼力平衡,惯性力与弹性力平衡C.干扰力与弹性力平衡,惯性力与阻尼力平衡D.干扰力与惯性力平衡,弹性力与阻尼力平衡二、分析计算题(本题共55分)1. 写出图示结构的振动微分方程,并求出自振频率 。
(8分)2.按图示结构的节点,单元编号方式,作如下分析:(8分)1)总刚最大带宽是多少? 2)缩减后总刚阶数是多少?3)以单刚子块的形式写出原始总刚子块[66k ],[17k ],[23k ]。
3.图示平面结构用矩阵位移法计算,求结点2和4的综合结点荷载列阵(各单元的节点编号均有i<j )。
(14分)4.试求图示体系的自振频率ω及质量m 的最大动力位移,设θ=0.5ω,各杆EI 相同。
不计阻尼。
(12分)5.求图示结构的自振频率与主振型,各杆EI =常数。
(13分)三、根据PF 程序的计算结果绘制图示结构的弯矩图(各单元的节点编号均有i<j )。
(本题10分)The Terminal Forcesmember N(st) Q(st) M(st) N(en) Q(en) M(en) 1 -136.159 417.628 1244.178 136.159 82.372 432.100 2 182.372 -136.159 -432.100 -182.372 136.159 -929.489 3 136.159 182.372 729.489 -136.159 -182.372 .000四、矩阵位移法上机题(本题20分)(本题不用再作)1111212221211222221010m A m A m A m A δδωδδω⎫⎛⎫-+= ⎪⎪⎝⎭⎪⎬⎛⎫⎪+-= ⎪⎪⎝⎭⎭1.作图示刚架的F、S F、M图,已知各杆截面均为矩形,柱截面宽N0.5m,高0.5m, 梁截面宽0.5m,高0.6m,各杆E=3.65×104 MPa。
结构力学(二)自考真题及答案卷面总分:70分答题时间:50分钟试卷题量:23题一、单选题(共12题,共20分)1.图示结构支座A向下、向左分别发生微小位移a,则结点C的水平位移等于()• A.2a()• B.2a()• C.a()• D.a()正确答案:A2.图示梁线刚度为i,给定杆端位移如图所示,利用转角位移方程求出MAB、MBA分别等于()• A.-2i,-2i• B.0,0• C.2i,2i• D.6i,6i正确答案:D3.图示结构,i为线刚度。
AB杆的B端转动刚度(劲度)值为:()• A.1• B.3• C.4• D.7正确答案:B4.水平单位力P=1在柱AB上移动,则正确的弯矩MA(以右侧受拉为正)影响线应是()• A.图(a)• B.图(b)• C.图(c)• D.图(d)正确答案:A5.图示为悬臂梁截面C剪力影响线图的几种结果,其中正确的应是()• A.图(a)• B.图(b)• C.图(c)• D.图(d)正确答案:D6.某结构的刚度矩阵如下(单位省略)1.5 3 52 0 38 2 1.5K根据结构刚度矩阵的性质,可知矩阵中下列元素的值一定是错误的()• A.K11、K22• B.K11、K33• C.K22、K33• D.K12、K21正确答案:C7.结构的非结点荷载与它的等效结点荷载分别引起的()• A.内力不同,结点位移相同• B.内力相同,结点位移相同• C.内力不同,结点位移不同• D.内力相同,结点位移不同正确答案:A8.欲增大结构的自振频率ω,则结构的刚度K及质量m应作如下变化()• A.K 增大、m 增大• B.K 减小、m 减小• C.K 减小、m 增大• D.K 增大、m 减小正确答案:D9.欲提高图示体系的临界荷截Pcr,则应使弹簧刚度k及杆长l按下述方式变化()• A.k 增大,l 减小• B.k 增大,l 增大• C.k 减小,l 增大• D.k 减小,l 减小正确答案:B10.只承受弯矩的截面处于极限状态时,确定截面中性轴位置的条件是()• A.变形协调条件• B.截面上的弯矩应等于零• C.受拉区和受压区的面积相等• D.平衡条件与变形协调条件正确答案:C11.当屋面坡度小于()时,卷材宜平行于屋脊铺贴。
结构力学II试题1、正误判断题 (每题2分,共16分。
正确的标O,错误的标 )1. 矩阵位移法中各类杆件的单元刚度矩阵均具有对称性和奇异性 ( )2. 局部坐标系与整体坐标系之间的坐标变换矩阵T是正交矩阵 ( )3. 简单三角单元的形状函数就是三角单元的面积坐标 ( )4. 简单三角形单元的位移函数中应该包括常数项 ( )5. 两类稳定问题的主要区别是:荷载—位移曲线上是否出现分支点 ( )6. 杆件截面的极限弯矩由极限荷载确定 ( )7. 由于阻尼的存在,任何振动都不会长期持续下去 ( )8. 结构计算中,大小、方向随时间变化的荷载必须按动荷载考虑 ( )二、单项选择题(每题1分,共8分,将选择的字母填在括号内)1. 矩阵位移法的单元刚度方程表示 ( )A.杆端位移与杆端力之间的关系;B.结点位移与结点力之间的关系;C.结点力与杆端力之间的关系D.结点位移与杆端位移之间的关系2. 常应变三角形单元所具有的性质之一是 ( )A. 各单元之间应力连续;B.单元内任意点各插值函数之和等于1;C. 单元的形状函数完全相等;D.单元的形状函数考虑了面外位移;3. 静力法确定完善体系临界荷载的依据是 ( )A.未失稳时的静力平衡条件;B. 失稳时的能量守恒条件;C. 失稳时的静力平衡条件;D. 未失稳时的位移协调条件。
4.极限荷载应满足的条件是 ( )A.单向机构条件 + 内力局限条件;B. 内力局限条件 + 平衡条件;C. 平衡条件 + 单向机构条件;D.平衡条件 + 内力局限条件 + 单向机构条件;5 . 超静定结构的极限荷载的大小 ( )A. 受截面形状影响;B. 受支座移动影响;C. 受温度变化影响;D. 受材料阻尼影响。
6.某单自由度体系当仅刚度EI扩大4倍时,则周期比原周期 ( )A、减小1/4;B、减小1/2 ;C、增大1/4;D、增大1/27. 忽略直杆的轴向变形,图示结构的动力自由度为 ( )A 3;B 5;C 4;D 6。
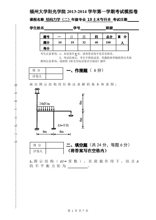
福州大学阳光学院2013-2014学年第一学期考试模拟卷课程名称结构力学(二)年级专业13土木专升本考试日期学生姓名学号班级考生注意事项:1、本试卷共6页,请查看试卷中是否有缺页。
2、考试结束后,考生不得将试卷、答题纸和草稿纸带出考场教师注意事项:请按照《阳光学院试卷评分规范》操作一、作图题( 6分)画出图示结构用位移法求解的基本体系图:二、填空题(共24分,每题6分)(将答案写在空格内)1、图示结构(EI = 常数),在荷载作用下,结点A 的不平衡力矩为。
………………………………………………………………装……订……线……内……不……要……答……题…………………………………………………………2、图示结构A B杆A端的剪力QAB为__________。
qEA=EA=EA=3、图示结构,不考虑轴向变形。
等效结点荷载列阵{}P E=[]T。
m224m43kN/my4、图a 所示结构EI=常数,已知其弯矩图(注意图中弯矩值均须乘以ql2100),据此计算截面B和C的相对转角ϕB C=,转向( )。
22. 8220. 0459. 1348. 02图M2(ql2100)三、计算题(共32分,每题16分)1、用 位 移 法 作 图 示 结 构 M 图 。
E I = 常 数 。
lll2、用力矩分配法计算图示对称结构,并作出M图。
EI = 常数。
4m4m10k N10k NA C E四、计算题(共38分,每题19分)1、试用矩阵位移法解图示连续梁,绘弯矩图。
EI = 已知常数。
4.2、用力法计算图示结构,绘弯矩图,EI 为常数。
q。
山东省专升本考试土木工程结构力学(力法)模拟试卷2(题后含答案及解析)全部题型 2. 结构力学结构力学判断题1.无荷载就无内力,这句话只适用于静定结构,不适用于超静定结构。
( )A.正确B.错误正确答案:A 涉及知识点:力法2.下图所示结构截断三根链杆,可以变成一个简支梁,故它有三次超静定。
( )A.正确B.错误正确答案:B解析:截断三根杆后,A点有两个自由度。
知识模块:力法3.下图所示两次超静定结构,可以选下图(b)为基本结构进行力法汁算。
( )A.正确B.错误正确答案:B解析:解除约束后左半部分成为几何瞬变体系。
知识模块:力法4.求超静定结构的位移时,可将虚拟单位荷载加在任意静定的基本体系上。
( )A.正确B.错误正确答案:A 涉及知识点:力法5.超静定结构支座移动时,如果刚度增大一倍,内力也增大一倍,而位移不变。
( )A.正确B.错误正确答案:A解析:支座移动产生的内力与刚度的绝对值成正比,所以刚度增大一倍,内力也增大一倍;由公式:可见支座移动引起的位移与刚度无关。
知识模块:力法6.在下图所示的两结构中,(a)中拉杆的轴力N与(b)中的水平反力XB的关系是:当拉杆的刚度EA=有限值时,N<XB;当拉杆的刚度EA=无穷大时,N=XB。
( )A.正确B.错误正确答案:A 涉及知识点:力法单项选择题7.在力法典型方程中,恒大于零的是( )A.主系数B.副系数C.自由项D.右端项正确答案:A 涉及知识点:力法8.在力法典型方程中,副系数( )A.恒大于零B.恒小于零C.恒等于零D.可正、可负、可为零正确答案:D 涉及知识点:力法A.多余未知力B.支座反力C.角位移D.独立的结点线位移正确答案:A 涉及知识点:力法10.打开联接三刚片的复铰,相当于去掉几个约束? ( )A.2B.3C.4D.5正确答案:C 涉及知识点:力法11.力法方程中的系数δki表示的是基本结构由( )A.Xi产生的Xk方向的位移B.Xi=1产生的Xk方向的位移C.Xi=1产生的Xi方向的位移D.Xk=1产生的Xi方向的位移正确答案:B 涉及知识点:力法12.图(a)结构如选图(b)为基本体系,其力法方程为( )A.δ11X1+△1P=0B.δ11X1+△1P=a/EAC.δ11X1+△1P=一X1a/EAD.δ11X1+△1P=X1a/EA正确答案:C 涉及知识点:力法13.力法方程的实质是( )A.平衡条件B.位移条件C.物理条件D.互等定理正确答案:B 涉及知识点:力法A.静定结构B.超静定结构C.可变体系D.不变体系正确答案:C解析:力法基本结构也可以是超静定结构。
一.是非题(将判断结果填入括弧:以O 表示正确,X 表示错误)(本大题分4小题,共11分)1 . (本小题 3分)图示结构中DE 杆的轴力F NDE =F P /3。
(x ).2 . (本小题 4分)用力法解超静定结构时,只能采用多余约束力作为基本未知量。
(x )3 . (本小题 2分)力矩分配中的传递系数等于传递弯矩与分配弯矩之比,它与外因无关。
(o )4 . (本小题 2分)用位移法解超静定结构时,基本结构超静定次数一定比原结构高。
(o )二.选择题(将选中答案的字母填入括弧内)(本大题分5小题,共21分) 1 (本小题6分)图示结构EI=常数,截面A 右侧的弯矩为:( A )A .2/M ;B .M ;C .0; D. )2/(EI M 。
2. (本小题4分)图示桁架下弦承载,下面画出的杆件内力影响线,此杆件是:(B ) A.ch ; B.ci; C.dj; D .cj .F p /2M2a2a a aa aA F p /2F p /2 F p /2F p F pa a aa F PED3. (本小题 4分)图a 结构的最后弯矩图为:A. 图b;B. 图c;C. 图d;D.都不对。
(A )( a) (b) (c) (d)4. (本小题 4分)用图乘法求位移的必要条件之一是:( B ) A.单位荷载下的弯矩图为一直线; B.结构可分为等截面直杆段; C.所有杆件EI 为常数且相同; D.结构必须是静定的。
5. (本小题3分)图示梁A 点的竖向位移为(向下为正):( C ) A.F P l 3/(24EI ); B . F P l 3/(!6EI ); C . 5F P l 3/(96EI ); D. 5F P l 3/(48EI ).三(本大题 5分)对图示体系进行几何组成分析。
图示体系为具有一个多余约束的几何不变体系A l /2l /2EI 2EIF Pa d c eb fgh iklF P =11j llM /4 3M /4M /43M /43M /4M /4M /8 M /2EIEIM四(本大题 9分)图示结构B 支座下沉4 mm ,各杆EI=2.0×105 kN ·m 2,用力法计算并作M 图。
重庆大学 结构力学Ⅱ 课程试卷2005 ~2006 学年 第 2 学期开课学院: 土木工程考试日期: 2006.4.23考试方式:考试时间: 120 分钟注:1.大标题用四号宋体、小标题及正文用小四号宋体;2.按A4纸缩小打印一、 是非判断题(每小题3分,共9分)1.图a 所示体系的自振周期大于图b 体系的自振周期。
( )2.用能量法计算无限自由度体系的临界荷载,所得计算结果均不小于精确解。
( ) 3.当温度升高时,连续梁的极限弯矩值将降低。
( )二、 填空题(共14分)1.(本小题6分)受到简谐荷载作用的单自由度体系,为减小质点的振幅,当自振频率ω 小于荷载频率θ 时,应______体系的刚度;当自振频率ω 大于荷载频率θ 时,应______体系的刚度。
2.(本小题4分)图示结构的极限荷载为F Pu =____。
P(第2小题图)(第3小题图)3.(本小题4分)图示体系的动力自由度数为____。
三、 计算题(共77分)1.(本小题8分)将图示结构简化为单根压杆,并计算相应的弹簧刚度k 。
(已知13EIk l =)1k2.(本小题10分)不考虑阻尼,试列出图示体系的运动方程,并求出相应的柔度系数。
命题人:文国治组题人:文国治审题人: 张来仪命题时间:学院 专业 年级 学号 姓名封线密3.(本小题12分)求图示连续梁的极限荷载F Pu,并绘出极限状态下的弯矩图。
4.(本小题8分)计算图示体系的临界荷载F Pcr。
5.(本小题14分)求图示体系的自振频率和主振型,并绘出主振型图。
(已知层间侧移刚度k1 = 2k,k2 = k,m1 = m2 = m)6.(本小题12分)求图示刚架稳态振动时质点的振幅,并绘出最大动力弯矩图。
(已知F P = 8kN,θ=EI = 2.5×104kN·m 2,不考虑阻尼)F重庆大学 结构力学(1) 课程试卷2005 ~2006 学年 第 2 学期开课学院: 土木工程考试日期: 06.4.23考试方式:考试时间: 120 分钟 注:1.大标题用四号宋体、小标题及正文用小四号宋体;2.按A4纸缩小打印四、 是非判断题(每小题3分,共9分)1.图a 所示体系的自振周期大于图b 体系的自振周期。
一.是非题(将判断结果填入括弧:以O 表示正确,X 表示错误)(本大题分4小题,共11分)1 . (本小题 3分)图示结构中DE 杆的轴力F NDE =F P /3。
(x ).2 . (本小题 4分)用力法解超静定结构时,只能采用多余约束力作为基本未知量。
(x )3 . (本小题 2分)力矩分配中的传递系数等于传递弯矩与分配弯矩之比,它与外因无关。
(o )4 . (本小题 2分)用位移法解超静定结构时,基本结构超静定次数一定比原结构高。
(o )二.选择题(将选中答案的字母填入括弧内)(本大题分5小题,共21分) 1 (本小题6分)图示结构EI=常数,截面A 右侧的弯矩为:( A )A .2/M ;B .M ;C .0; D. )2/(EI M 。
2. (本小题4分)图示桁架下弦承载,下面画出的杆件内力影响线,此杆件是:(B ) A.ch ; B.ci; C.dj; D .cj.23. (本小题 4分)图a 结构的最后弯矩图为:A. 图b;B. 图c;C. 图d;D.都不对。
(A )( a) (b) (c) (d)4. (本小题 4分)用图乘法求位移的必要条件之一是:( B ) A.单位荷载下的弯矩图为一直线; B.结构可分为等截面直杆段; C.所有杆件EI 为常数且相同; D.结构必须是静定的。
5. (本小题3分)图示梁A 点的竖向位移为(向下为正):( C ) A.F P l 3/(24EI ); B . F P l 3/(!6EI ); C . 5F P l 3/(96EI ); D. 5F P l 3/(48EI ).三(本大题 5分)对图示体系进行几何组成分析。
图示体系为具有一个多余约束的几何不变体系F P=1四(本大题 9分)图示结构B 支座下沉4 mm ,各杆EI=2.0×105 kN ·m 2,用力法计算并作M 图。
六(本大题14分)已知图示结构,422.110 kN m ,10 kN/m EI q =⨯⋅=求B 点的水平位移。
长沙理工大学考试试卷………………………………………………………………………………………………………………………试卷编号 〔1〕 拟题教研室〔或老师〕签名 教研室主任签名 ………………………………………………………………………………………………………………………课程名称〔含档次〕 结构力学B 课程代号 08010002专 业 工程管理 层次〔本、专〕 本科类 考试方式〔开、闭卷〕 闭 卷一、 判断题〔5x4=20分〕1.图 示 对 称 体 系 为 几 何 瞬 变 。
()2.图 示 桁 架 在 某 因 素 作 用 下 ,求CD 杆 的 转 角 时 , 其 虚 设 力 状 态的 广 义 单 位 力 如 图 所 示 : ( )Am k=1m k =1BCED3.图 示 结 构 中 A 、B 支 座 反 力 均 为 零 。
〔 〕AB2ddd2dPPPPP24.图 示 拱 在 荷 载 作 用 下,为 2F /3 (拉)。
〔 〕5.图示梁EI= 常数,杆长为l,其中点 C 的位移为∆CVql EI=424/()。
()q二、选择题〔5x4=20分〕1.图示体系为:()A.几何不变无多余约束;B.几何不变有多余约束;C.几何常变;D.几何瞬变。
2.四个互等定理适用于:〔〕A.刚体;B.变形体;C.线性弹性体系;D.非线性体系。
3.图示结构:〔〕A. ABC 段有内力;B. ABC段无内力;C. CDE段无内力;D. 全梁无内力。
4.图示桁架1 ,2 ,3 杆的内力为:〔〕A.===;N N N1230B.==N N N123均不等于0 ;C.== ,N N N1320不等于0 ;daaaa5.图 示 梁 A 点 的 竖 向 位 移 为 〔 向 下 为 正 〕:( )A .Pl EI 324/() ;B .Pl EI 316/();C .5963Pl EI /() ;D .5483Pl EI /()。
P三、填空题〔5x4=20分〕1.三 个 刚 片 用 三 个 不共 线 的 单铰 两 两 相 联,则 该 体 系是。
结构力学(一)( 75 分)一、判断题(10 分,每题 2 分)1.有多余约束的体系一定不是几何不变体系。
()2.图示简支梁在A 点的支座反力为M/l。
()R A3.温度改变、支座移动和制造误差等因素在静定结构中引起内力。
()4.图 a 所示桁架的 N1影响线如图 b 所示。
()5.图a对称结构可简化为图 b 结构来计算。
〔)二、选择题(将选中答案的字母填入括号内,本大题共10 分,每小题 2 分)1.图示组合结构中杆 AB的轴力为 ( ) A.-qaB.qaC.2qaD.-2qa2. 图示结构用力矩分配法计算时,结点A的约束力矩(不平衡力矩)为(以顺时针转为正)()A.-3 Pl /16B.-3 Pl /8C. Pl /8D.3 Pl /163.力法典型方程表示的是()A.平衡条件B.物理条件C.变形条件D.图乘条件() 4.图示结构某截向的弯矩影响线已做出如图所示A . P= 1 在露时, C 截面的弯矩值B .P= 1 在C 时, A 截面的弯距值C.P= 1 在 C 时, E 截面的弯矩值D. P=1 在 C 时, D 截而的弯矩值)未知量。
5. 用位移法计算图示结构时,有(A.1 ; B. 2; C.3; D. 4三、填空题(将答案写在横线上,本大题共12 分,每小题 3 分)1.图所示拱的拉杆 AB的拉力 N AB=______。
题1图题2图2.图所示桁架的零杆数目为______。
3.两个刚片之间用四根既不变于一点也不全平行的链杆相联,组成的体系为________。
4.c题 4 图四、分析与绘图题(本小题10 分,共 30 分)1.对下图进行几何构造分析。
2.绘出下图主梁Rc、 M K的影响线。
3.绘制图示刚架的弯矩、剪力图。
五、计算题(本大题13 分)1.用位移法计算图示结构,并作M 图,各杆 EI= 常数。
结构力学(二)( 75 分)六、判断题(10 分,每题 2 分)1.图示体系为几何瞬变体系。
《结构力学》II 课程期末试卷(本科)(A )参考答案1、1、试列出位移法方程。
(18 %) 设 6EIi =。
)(1↵=∆B φ,)(2↓∆=∆=∆D B 。
(2分)64BA B B i M i l θ∆=-,3BD B M i θ=(2分+ 2分)2612BA B B i i Q l l θ∆=-+,23DC B iQ l ∆=+;2338DE B i Q ql l ∆=-+ (2分+ 2分+ 2分)664370i BA Bc B B B B B i iM M M i i i l l θ∆θθ∆=+=-+=-=∑222612333()()08i BA DC DE B B B B i i i i Q Q Q Q ql l l l l θ∆∆∆=+-=-++--+=∑261838B B i i ql l l θ∆-+=+ 受力图、位移法方程:(3分+3分)i k 711=, i k k -==2112, i k 5.022=, 01=P F , 5.42-=P F ;2、如图所示的刚架,已利用力矩分配法,已求出部分杆端弯矩,试求DB 、EC 杆端的弯矩和BD 杆的轴力,并作其M 、Q 图。
(14 %)DB 杆端的弯矩=10.2KN m (1分)EC 杆端的弯矩=-12.5KN m (1分) 弯矩图、剪力图 (6分+3分) AC 杆的轴力 (3分)6 m 2 m6 mM 图(kN m )如图示超静定梁,试用力矩分配法计算,并作M 图。
(18 %)(每个结点需要计算2次,计算过程中小数点后保留一位即可)1)求固端弯矩 (5分)40.F BA M KN m =;340/270.16F CB M Fl KN m =--= 21120.12F F CD DC M M ql KN m -=== 2)求分配系数 (2分)C 结点:0.6;0.4CB CD μμ==D 结点:0.5;0.5DC DE μμ==分配与传递(7分) M 图(4分)4、用矩阵位移法求解连续梁,列出整体刚度方程。
结构力学试卷(一)注意:1、答案必须真写在答题纸上,填写在试卷上无效。
(C)虚功原理包括平衡条件和几何条件(位移协调条件);(D)利用一个假定的虚拟单位力状态可能求出多个位移。
3、位移计算的图乘法可用于的结构为:(A)曲梁(曲杆)结构与变截面梁(B)拱结构(C)任意平面杆件结构(D)由等截面直杆组成的梁与刚架结构三、作图题:(试按要求作图,每题5分,总计15分)1、作出图示静定刚架的弯矩图(不要求写出计算过程):四、计算题:(按指定方法计算如下各超静定结构内力,并绘制弯矩图)1、用力法计算如下图示结构,并绘制弯矩图(20分)2、用位移法计算如下图示结构并绘弯矩图(18分)3、用无剪力分配法计算如下结构,并绘制弯矩图(17分)《结构力学》课程试卷(三)注意:1、答案必须真写在答题纸上,填写在试卷上无效。
2、答案必须写明题目序号,并按题序号答题。
3、请保持行距,保持卷面整洁。
一、填空题(每空1分,共15分)1、结构的计算简图,简化的内容包括:荷载、杆件、____、____四个部分。
2、几何不变体系是指略去了____,体系的几何形状、位置不变的结构。
3、在竖向荷载作用下,相同跨度的三铰拱和简支梁比较,前者的弯矩值要小得多,是由于三铰拱存在____。
4、支座移动引起静定结构的位移是____位移,结构不产生____。
5、力矩分配法仅适用于计算____的连续梁和刚架。
6、工程结构从几何角度可分为____结构、板壳结构和实体结构三类,结构力学是以____结构为主要研究对象。
7、几何构造分析的主要目的是检查并设法保证结构的几何____,同时构造分析又与____分析之间是密切相关的。
8、超静定拱用力法计算,由于杆轴曲线,力法方程中的系数、自由项计算不能采用____,而要____计算。
二、分析:(每图5分,共计15分)1、对图示体系进行几何组成分析,并得出结论:②是几何不变还是几何可变结构?《结构力学》课程试卷(三)注意:1、答案必须真写在答题纸上,填写在试卷上无效。
福州大学阳光学院2013-2014学年第一学期考试模拟卷
课程名称 结构力学(二)年级专业 13土木专升本 考试日期
学生姓名 学号 班级
考生注意事项:1、本试卷共6页,请查看试卷中是否有缺页。
2、考试结束后,考生不得将试卷、答题纸和草稿纸带出考场
教师注意事项:请按照《阳光学院试卷评分规范》操作
一、作图题( 6分)
画 出 图 示 结 构 用 位 移 法 求 解 的 基 本 体 系 图 :
二、填空题(共24分,每题6分) (将答案写在空格内)
1、图 示 结 构 ( EI = 常 数 ) , 在 荷 载 作 用 下 , 结 点 A
的 不 平 衡 力
矩 为 。
……………………
…………………………………装……订……线……内……不……要……答……题…………
………………………………………………
a a
2、图 示 结 构 A B 杆 A 端 的 剪 力 Q AB 为 __________。
q
3、图 示 结 构 ,不 考 虑 轴 向 变 形 。
等 效 结 点 荷 载 列 阵 {}P E =
[
]T 。
m
224m
43kN/m
y
m
4、图 a 所 示 结 构 EI = 常 数 , 已 知 其
弯 矩 图 (注 意 图 中 弯 矩 值 均
须 乘 以 ql 2
100 ), 据 此 计 算 截 面 B 和 C 的 相 对 转 角
ϕB C
=
, 转 向 ( )。
l
22. 82
20. 0459. 1348. 02
图 M 2(ql 2100
三、计算题(共32分,每题16分)
1、用位移法作图示结构M 图。
E I = 常数。
l l l l
2、用力矩分配法计算图示对称结构,并作出M图。
EI = 常数。
4m
4m
10kN/m
10kN/m
A C E
四、计算题(共38分,每题19分)
1、试用矩阵位移法解图示连续梁,绘弯矩图。
EI = 已知常数。
4
.
2、用力法计算图示结构,绘弯矩图,EI 为常数。
q。