结构力学 B试卷集锦及答案
- 格式:doc
- 大小:717.50 KB
- 文档页数:42
结构力学b考试题及答案详解一、单项选择题(每题2分,共10分)1. 在结构力学中,以下哪个选项不是结构的几何组成条件?A. 几何不变体系B. 几何可变体系C. 几何不变且无多余约束体系D. 几何不变且有多余约束体系答案:B2. 确定结构内力的方法中,以下哪个选项是错误的?A. 弯矩图法B. 虚功法C. 能量法D. 静力平衡法答案:B3. 对于静定结构,以下哪个选项是正确的?A. 内力可以通过平衡方程确定B. 内力可以通过几何方程确定C. 内力可以通过材料力学方程确定D. 内力可以通过静力平衡方程和几何方程确定答案:D4. 在结构力学中,以下哪个选项不是结构的平衡条件?A. 外力的合力为零B. 外力的合力矩为零C. 内力的合力为零D. 内力的合力矩为零答案:C5. 以下哪个选项是结构力学中弯矩图的正确绘制方法?A. 根据弯矩方程直接绘制B. 根据剪力图直接绘制C. 根据轴力图直接绘制D. 根据扭矩图直接绘制答案:A二、简答题(每题5分,共20分)1. 简述结构力学中结构的几何组成条件有哪些?答:结构的几何组成条件包括几何不变体系、几何不变且无多余约束体系以及几何不变且有多余约束体系。
几何不变体系是指在任何外力作用下,结构的形状和大小都不会发生改变的体系。
几何不变且无多余约束体系是指结构在满足几何不变的前提下,没有多余的约束条件。
几何不变且有多余约束体系是指结构在满足几何不变的前提下,存在多余的约束条件。
2. 描述结构力学中弯矩图的绘制步骤。
答:弯矩图的绘制步骤包括:首先,根据结构的外力和支座反力,确定结构的剪力图;然后,根据剪力图,通过积分得到弯矩图;最后,根据弯矩图的正负号,确定梁的受拉和受压区域。
3. 说明静定结构和超静定结构的区别。
答:静定结构是指在静力平衡条件下,结构的内力可以通过平衡方程唯一确定的结构。
而超静定结构是指在静力平衡条件下,结构的内力不能通过平衡方程唯一确定,需要结合几何方程和材料力学方程来确定内力的结构。
结构力学B复习题答案1. 确定结构的自由度。
在结构力学中,确定结构的自由度是分析结构响应的第一步。
自由度是指结构在空间中可以独立移动的方向数。
对于平面结构,通常有三个自由度:两个平移自由度和一个旋转自由度。
2. 应用静力平衡方程。
为了确保结构处于平衡状态,必须满足静力平衡方程。
这包括三个方向上的力平衡方程(x、y和z方向)以及力矩平衡方程。
对于平面结构,通常只需要考虑x和y方向上的力平衡以及关于任意点的力矩平衡。
3. 计算结构的内力。
结构的内力包括轴力、剪力和弯矩。
这些内力可以通过平衡方程计算得出。
对于梁和框架结构,通常需要绘制剪力图和弯矩图来直观地表示内力的分布。
4. 应用弯矩图确定截面应力。
弯矩图可以用于确定结构截面上的正应力和剪应力。
正应力由弯矩和截面惯性矩决定,而剪应力则由剪力和截面面积决定。
通过这些应力分布,可以评估结构的承载能力。
5. 考虑结构的稳定性。
除了强度和刚度要求外,结构的稳定性也是设计中必须考虑的因素。
对于细长的柱子或高耸结构,需要进行稳定性分析,以确保在风载或其他横向荷载作用下不会发生失稳。
6. 应用能量方法求解结构响应。
能量方法,如虚功原理和卡氏定理,可以用来求解结构在荷载作用下的位移和应力。
这些方法在处理复杂结构问题时特别有用,因为它们可以避免直接求解复杂的平衡方程。
7. 考虑结构的动力响应。
对于动态荷载,如地震或交通荷载,结构的动力响应变得重要。
这需要考虑结构的质量和阻尼特性,并可能需要使用模态分析等高级方法来评估结构的动态特性。
8. 应用有限元方法进行结构分析。
对于复杂的结构系统,有限元方法是一种强大的工具,可以模拟结构在各种荷载和边界条件下的行为。
通过将结构离散化为有限数量的元素,可以更精确地模拟结构的响应。
9. 考虑结构的非线性行为。
在某些情况下,结构材料或几何的非线性行为可能对结构响应产生显著影响。
这可能需要使用非线性有限元分析来准确预测结构在极端荷载下的行为。
注:装订线内禁止答题,装订线外禁止有姓名和其他标记。
东北农业大学成人教育学院考试题签结构力学(B )一、判断题(每题1分,共15分)1.力法典型方程的等号右端项不一定为0。
( )2.计算超静定结构的位移时,虚设力状态可以在力法的基本结构上设。
( )3.用力矩分配法计算结构时,汇交于每一结点各杆端分配系数总和为1,则表明分配系数的计算无错误。
( ) 4.力矩分配法适用于所有超静定结构的计算。
( ) 5.当AB 杆件刚度系数i S AB 3 时,杆件的B 端为定向支座。
( )6.求桁架内力时截面法所截取的隔离体包含两个或两个以上的结点。
( ) 7.超静定结构的力法基本结构不是唯一的。
( ) 8.在桁架结构中,杆件内力不是只有轴力。
( ) 9.超静定结构由于支座位移可以产生内力。
( ) 10.超静定结构的内力与材料的性质无关。
( ) 11.图示桁架结构中有3个杆件轴力为0 。
( )12.图示悬臂梁截面A 的弯矩值是ql 2。
( )ll13.静定多跨梁中基本部分、附属部分的划分与所承受的荷载无关。
( ) 14.一般来说静定多跨梁的计算是先计算基本部分后计算附属部分。
( ) 15.用平衡条件能求出全部内力的结构是静定结构。
( )注:装订线内禁止答题,装订线外禁止有姓名和其他标记。
二、单项选择题(每题2分,共30分) 1.图示简支梁中间截面的弯矩为( )qlA . 82qlB . 42ql C . 22ql D . 2ql2.超静定结构在荷载作用下产生的内力与刚度( )A . 无关B . 相对值有关C . 绝对值有关D . 相对值绝对值都有关 3.超静定结构的超静定次数等于结构中( ) A .约束的数目 B .多余约束的数目 C .结点数 D .杆件数4.力法典型方程是根据以下哪个条件得到的( )。
A .结构的平衡条件 B .结构的物理条件C .多余约束处的位移协调条件D .同时满足A 、B 两个条件5. 图示对称结构作用反对称荷载,杆件EI 为常量,利用对称性简化后的一半结构为( )。
专业 年级 结构力学(二) 试题考试类型:开卷 试卷类型:B 卷 考试时量:120分钟一、填空题:(20分,每题5分,共4题)1、已知l =2m ,M u =300KNm ,则图1示等截面静定梁的极限荷载________________________。
2、请绘出图2示结构弯矩图,各杆EI 、l 均相同。
3、 图3示结构的原始刚度矩阵是______________________________________________。
4、略去杆件自重及阻尼影响,图4示结构自振频率是______________________________。
二、简答题:(20分,每题5分,共4题)1、什么是塑性铰,其与普通铰的区别是什么?2、矩阵位移法中何为单元分析?何为整体分析?3、剪力分配法中,若荷载不是作用在柱顶,而是作用在竖柱上应如何处理?4、第一类失稳的特征、第二类失稳的特征分别是什么?四、计算题:( 30分,每题15分,共2题)图 1图2 图 4图31、 请用无剪力分配法 绘制图5所示刚架的M 图。
2、试求图6示刚架的自振频率和主振型。
五、综合题:( 30分,共1题)图7所示刚架各杆E 、I 、A 相同,且21000l I A =,试用矩阵位移法求其内力。
(提示:为计算方便,可暂设E=I=l =q=1,待求出结点线位移、角位移、杆端轴力、剪力、弯矩后,再分别乘上EI ql 4、EI ql 3、ql 、2ql 即可。
)一、填空题:(20分,每题5分,共4题)1、___200KN___2、3、()()()()()()()()()()()()()()()()⎥⎥⎥⎥⎥⎥⎦⎤⎢⎢⎢⎢⎢⎢⎣⎡+++455454445444344342233232324223322222122121112111000000000000k k k k k k k k k k k k k k k k 。
4、356maEI 二、简答题:(20分,每题5分,共4题)1、答:截面的弯矩不能再增大,但弯曲变形可任意增长,这就相当于在该截面处出现了一个铰,我们称此为塑性铰。
专业 年级 结构力学(一) 试题考试类型:闭卷 试卷类型:B 卷 考试时量:120分钟一、判断题:(10分,每题2分,共5题) 1、图1所示结构的弯矩图是正确的。
( × ) 2、叠加法就是图形的简单拼接。
( × ) 3、图2所示图乘是正确的。
( × ) 4、静定结构在温度改变的影响下不产生内力,但会引起位移。
( √ ) 5、若弯矩图是从基线顺时针方向转的(以小于90°的转角),则剪力为正。
( √ )图1 图2二、填空题:(30分,每空1分,共10题)1、一个点具有 2 自由度,一个刚片具有 3 自由度,铰接链杆体系计算自由度的公式为 W=2j-(b+r ) 。
2、多跨静定梁几何组成顺序是 先基本部分,后附属部分 。
刚架内力符号的两个脚标的含义是:第一个脚标表示内力所属截面,第二个脚标表示 该截面所属杆件的另一端 。
合力拱轴线是指 拱轴线上所有截面弯矩都等于零,只有轴力时,这种最经济的拱轴线 。
3、轴力以拉为正,剪力以使隔离体顺时针方向转者为 正 ,弯矩以使梁下侧纤维受拉者为 正 ,弯矩图习惯绘在杆件 受拉 侧。
4、求解桁架内力的截面法可分为 力矩法 、 投影法 。
桁架中内力为零的杆件称为 零杆 。
5、理想桁架必须满足下列假定:① 各节点都是无摩擦的理想铰 ;② 各杆轴都是直线,且在同一平面内且通过铰的中心 ;③ 荷载只作用在节点上且在桁架平面内 。
6、位移法是以 某些节点位移 作为基本未知量,位移法典型方程的实质是 平衡 条件。
在每个节点线位移处附加刚臂,节点铰位移处附加支座链杆所构成的结构 位移法基本结构。
A wy c7、对称结构在反对称的荷载作用下,其反力、位移 反 对称的,弯矩、轴力是 反 对称的,剪力 正 对称的。
8、△ij 中,第一个下标表示 该位移所在位置 ,第二个下标表示 引起该位移的原因 。
超静定次数数目与 多余未知力 数目相等。
结构力学2 试卷及答案B考试类型:开卷 试卷类型:B 卷 考试时量:120分钟一、填空题:(20分;每题5分;共4题) 1、已知l =2m ;M u =300KNm ;则图1示等截面静定梁的极限荷载________________________。
2、请绘出图2示结构弯矩图;各杆EI 、l 均相同。
3、 图3示结构的原始刚度矩阵是______________________________________________。
4、略去杆件自重及阻尼影响;图4示结构自振频率是______________________________。
二、简答题:(20分;每题5分;共4题) 1、什么是塑性铰;其与普通铰的区别是什么?2、矩阵位移法中何为单元分析?何为整体分析?图1图 2图 4图33、剪力分配法中;若荷载不是作用在柱顶;而是作用在竖柱上应如何处理?4、第一类失稳的特征、第二类失稳的特征分别是什么?四、计算题:(30分;每题15分;共2题)1、请用无剪力分配法绘制图5所示刚架的M图。
图52、试求图6示刚架的自振频率和主振型。
五、综合题:( 30分;共1题)图6图7所示刚架各杆E 、I 、A 相同;且21000l IA;试用矩阵位移法求其内力。
(提示:为计算方便;可暂设E=I=l =q=1;待求出结点线位移、角位移、杆端轴力、剪力、弯矩后;再分别乘上EI ql 4、EIql 3、ql 、2ql 即可。
)图7一、填空题:(20分;每题5分;共4题) 1、___200KN___ 2、3、()()()()()()()()()()()()()()()()⎥⎥⎥⎥⎥⎥⎦⎤⎢⎢⎢⎢⎢⎢⎣⎡+++45545444544434434223323232422332222212212111211100000000000k k k k k k k k k k k k k k k k 。
4、356maEI二、简答题:(20分;每题5分;共4题)1、答:截面的弯矩不能再增大;但弯曲变形可任意增长;这就相当于在该截面处出现了一个铰;我们称此为塑性铰。
结构力学考试题及答案【篇一:《结构力学》期末考试试卷(a、b卷-含答案)】>一、填空题(20分)(每题2分)1.一个刚片在其平面内具有3 一个点在及平面内具有自由度;平面内一根链杆自由运动时具有 3 个自由度。
2.静定结构的内力分析的基本方法,隔离体上建立的基本方程是程。
3.杆系结构在荷载,温度变化,支座位移等因素作用下会产生和4.超静定结构的几何构造特征是5.对称结构在对称荷载作用下,若取对称基本结构和对称及反对称未知力,则其中反对称未知力等于零。
6.力矩分配法适用于。
7.绘制影响线的基本方法有8.单元刚度矩阵的性质有9.结构的动力特性包括;; 10. 在自由振动方程y(t)?2??y(t)??2y(t)?0式中,?称为体系的率,?称为阻尼比。
...二、试分析图示体系的几何组成(10分)(1)(2)答案:(1)答:该体系是几何不变体系且无余联系。
(2)答:该体系是几何不变体系且无多余联系。
三、试绘制图示梁的弯矩图(10分)(1)(2)答案:(1)(2)m图四、简答题(20分)1. 如何求单元等效结点荷载?等效荷载的含义是什么?答案:2.求影响线的系数方程与求内力方程有何区别?答案:3.动力计算与静力计算的主要区别是什么?答案:4.自由振动的振幅与那些量有关?答案五、计算题(40分)1、用图乘法计算如图所示简支梁a截面的转角?a。
已知ei=常量。
(10分)答案:解:作单位力状态,如图所示。
分别作出mp和m图后,由图乘法得:2.试作图示伸臂量的fby mk的影响线。
答案:fby的影响线mk的影响线3.试用力法计算单跨静定梁。
并作m图。
(10分)解:选取基本结构,并作出单位弯局矩图和荷载弯矩图如图所示4.试用位移法求作图示连续梁的内力图。
(10分)(型常数、载常数见附表)解:(c)m 解:(1)只有一个未知量,基本体系如图所示(d)mp (2)建立位移法典型方程k11z1?r1p?0(3)作m,mp如图所示(a)(b)11k11?7i;r1p?pl?ql2881(pl?ql2)(4)代入方程解得:z1??56i(5)叠加法绘制弯矩图(e)附表:型常数、载常数表(e)【篇二:结构力学试题及答案汇总(完整版)】. 图示体系的几何组成为:( a) a. 几何不变,无多余联系; b. 几何不变,有多余联系; c. 瞬变; d. 常变。
华中科技大学文华学院2009~2010学年度第一学期 《船舶结构力学》参考答案、评分标准专业:船舶与海洋工程 使用范围:本科 考试时间:2009年11月27日 卷型:B 卷 考试方式:开卷 课程性程:必修(学位课程)1. 为什么单跨直梁在几种横向载荷作用下引起的弯曲要素可以采用叠加法求出,而单跨直梁在复杂弯曲时横荷重与轴向力的影响不可分开考虑? (10分)解答:(1)因为梁的弯曲公式是在小变形与材料符合胡克定律的前提下导出的,因此梁的弯曲要素与梁上的横向载荷成正比,即梁的弯曲要素与外载成线性关系,因此当梁上受到几种不同载荷作用时就可以运用叠加原理计算。
(2)梁的复杂弯曲,其弯曲要素计算式中,轴向力与横向载荷是耦合在一起,不再是分别与轴向力和横向载荷呈线性关系,即弯曲要素与轴向力有关的参数2l Tu EI=不呈线性关系,因此单跨直梁在复杂弯曲时横荷重与轴向力的影响不可分开考虑。
2. 何谓力法与位移法?对于矩形薄板弯曲问题的纳维叶解法属何种方法,为什么? (10分)解答:力法:在求解结构力学问题时,以“力”为基未知量,然后根据变形连续条件建立方程式,最后求解出“力”。
位移法:在求解结构力学问题时,以“位移”为基本未知量,然后根据静力平衡条件建立方程式,最后求解出“位移”。
矩形薄板弯曲的纳维叶解法属位移法,因为该法首先假设具有待定系数的挠曲函数,然后通过求解用挠曲函数表示的平衡微分方程求得满足边界条件的挠曲函数。
3. 试问在何情况下矩形薄板会发生筒形弯曲?筒形弯曲时板条梁与普通梁弯曲有何差别,在求解筒形弯曲时,可利用普通梁的弯曲要素表吗?(10分)解答: 当矩形板(1)长边与短边之比为 2.5~3;(2)垂直于板面载荷沿板长边方向不变时,板在横向载荷作用下将产生筒形弯曲。
筒形弯曲部分的板条梁与普通梁弯曲的差别在于板条梁的两个侧面要受相邻板的约束而不能自由变形,其截面仍为矩形,因此0y ε=,而普通梁弯曲时,横截面将不再保持原截面形状,因此0y ε≠。
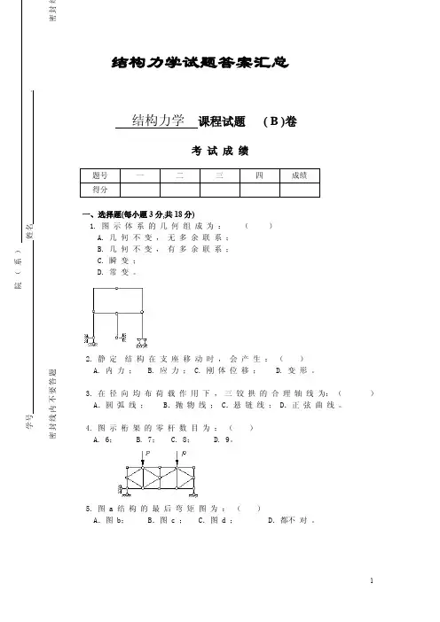
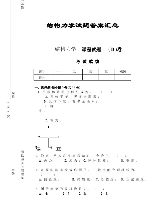
院(系) 学号 姓名 .密封线内不要答题 密封……………………………………………………………………………………………………………………………………………………结构力学试题答案汇总结构力学课程试题 ( B )卷考 试 成 绩题号 一二三四成绩得分一、选择题(每小题3分,共18分)1. 图 示 体 系 的 几 何 组 成 为 : ( ) A. 几 何 不 变 , 无 多 余 联 系 ; B. 几 何 不 变 , 有 多 余 联 系 ; C. 瞬变 ; D. 常 变 。
2. 静 定 结 构 在 支 座 移 动 时 , 会 产 生 : ( )A. 内 力 ;B. 应 力 ;C. 刚 体 位 移 ;D. 变 形 。
3. 在 径 向 均 布 荷 载 作 用 下 , 三 铰 拱 的 合 理 轴 线 为: ( )A .圆 弧 线 ;B .抛 物 线 ;C .悬 链 线 ;D .正 弦 曲 线 。
4. 图 示 桁 架 的 零 杆 数 目 为 : ( )A. 6;B. 7;C. 8;D. 9。
5. 图 a 结构的最后弯矩图为:()A.图 b; B.图 c ; C.图 d ; D.都不对。
6. 力法方程是沿基本未知量方向的:()A.力的平衡方程;B.位移为零方程;C.位移协调方程; D.力的平衡及位移为零方程。
二、填空题(每题3分,共9分)1.从几何组成上讲,静定和超静定结构都是_________体系,前者_________多余约束而后者_____________多余约束。
2. 图 b 是图 a 结构 ________ 截面的 _______ 影响线。
3. 图示结构 AB 杆 B 端的转动刚度为 ________, 分配系数为________, 传递系数为 _____。
三、简答题(每题5分,共10分)1.静定结构内力分析情况与杆件截面的几何性质、材料物理性质是否相关?为什么?2.影响线横坐标和纵坐标的物理意义是什么?四、计算分析题,写出主要解题步骤(4小题,共63分)1.作图示体系的几何组成分析(说明理由),并求指定杆1和2的轴力。
教师试做时间85分钟出题教师取题时间审核教研室主任出题单位使用班级考试日期院(部)主任考试成绩期望值80 印刷份数规定完成时间110分钟交教学部印刷日期学号;姓名:班级:..........................................................密.......................................................封...........................................................线.......................................................... 专业年级班2016~2017 学年第一学期《结构力学》课参考答案试卷类型:B 卷题号一二三四五总成绩得分一、单项选择(每题4分,共20分)1、图1所示体系的几何组成为:( A )A. 几何不变,无多余联系;B. 几何不变,有多余联系;C. 瞬变;D. 常变。
图1 图22、不计杆件质量和轴向变形,图2所示体系的振动自由度数为( C )(A) 1 (B) 2 (C) 3 (D) 43、在径向均布荷载作用下,三铰拱的合理轴线为:( A )A.圆弧线;B.抛物线;C.悬链线; D.正弦曲线4、图示桁架的零杆数目为:(D)A. 6;B. 7;C. 8;D. 9。
5、图示三单跨梁的自振频率分别为ωa,ωb,ωc,它们之间的关系是( D )(a) (b) (c)(A)cbaωωω>>(B)bcaωωω>>(C)bacωωω>>(D)cabωωω>>二、填空题(20分)1、具有基本部分和附属部分的结构,进行受力分析的次序是:先计算_ 附属__部分,后计算__基础__部分(6分)。
2、若三铰拱的跨度、拱上竖向荷载给定不变,则拱愈扁平,拱的水平推力愈___大_(大或小)。
建筑力与结构学试题B卷一、名词辨析题(35分)1、内力和应力(7分)2、静定结构和超静定结构(5分)3、超筋梁和少筋梁(8分)4、板式楼梯和梁式楼梯(7分)5、刚性基础和柔性基础(8分)二、选择题(4×5=20分)1、材料强度设计值是()A、材料强度的平均值乘以材料分项系数B、材料强度的平均值除以材料分项系数C、材料强度的标准值乘以材料分项系数D、材料强度的标准值除以材料分项系数2、关于各类连接接头的适用范围,下列()项规定有误。
A 、需作疲劳验算的构件,纵向拉筋不得采用绑扎搭接,也不得采用焊接接头B 、轴拉及小偏心构件的纵向受力筋不得采用绑扎搭接接头C 、受弯构件的受拉钢筋,可采用机械接头D 、受压钢筋直径大于32mm 时,不宜采用绑扎搭接接头3、矩形截面梁,截面尺寸mm mm h b 500200⨯=⨯,采用C25混凝土、HRB400级钢筋,已知梁底配置256Φ受拉钢筋,则梁的抗弯承载力=u M ( )m kN ⋅。
A 、25.6B 、75.0C 、183.16D 、224.764、钢筋混凝土轴心受压短柱,由于混凝土收缩和徐变,使得( )A 、混凝土应力增大,钢筋应力减小B 、混凝土应力减小,钢筋应力增大C 、混凝土应力增大,钢筋应力增大D 、混凝土应力减小,钢筋应力减小三、简答题(20分)1、什么是刚体和变形体?变形体的基本假设是什么?(4分)2、焊接的优缺点是什么?(4分)3、钢筋混凝土框架结构体系的优缺点是什么?(8分)4、桩按不同的标准如何分类?(4分)四、某钢筋混凝土矩形截面简支梁,截面尺寸mm mm h b 500200⨯=⨯,计算跨度m l 40=,梁上作用恒载标准值(不含自重)m kN /14,活荷载标准值m kN /9,活荷载组合值系数7.0=c ψ,梁的安全等级为二级。
试求梁的跨中最大弯矩设计值。
(15分)五、某钢筋混凝土柱,承受轴心压力设计值kN N 2460=,柱的计算长度为m l 5.40=,选用C25级混凝土(2/5.12mm N f c =)和HPB235级钢筋(2/210mm N f y ='),试设计该柱截面。
***学院期末考试试卷一、1。
一个刚片在其平面内具有3个自由度; 一个点在及平面内具有2自由度;平面内一根链杆自由运动时具有3个自由度.2。
静定结构的内力分析的基本方法截面法,隔离体上建立的基本方程是平衡方程。
3.杆系结构在荷载,温度变化,支座位移等因素作用下会产生变形和位移.4.超静定结构的几何构造特征是有多余约束的几何不变体系。
5.对称结构在对称荷载作用下,若取对称基本结构和对称及反对称未知力,则其中反对称未知力等于零。
6.力矩分配法适用于没有侧移未知量的超静定梁与刚架.7。
绘制影响线的基本方法有静力法法和机动法法.8。
单元刚度矩阵的性质有奇异性和对称性。
9.结构的动力特性包括结构的自阵频率;结构的振兴型;结构的阻尼. 10。
在自由振动方程式中,称为体系的自振频率,称为阻尼比.二、试分析图示体系的几何组成(10分)(1)(2)答案:(1)答:该体系是几何不变体系且无余联系。
(2)答:该体系是几何不变体系且无多余联系。
三、试绘制图示梁的弯矩图(10分)(1) (2)答案:(1)(2)M图四、简答题(20分)1.如何求单元等效结点荷载?等效荷载的含义是什么?答案:2.求影响线的系数方程与求内力方程有何区别?答案:3。
动力计算与静力计算的主要区别是什么?答案:4.自由振动的振幅与那些量有关?答案五、计算题(40分)1、用图乘法计算如图所示简支梁A截面的转角。
已知EI=常量。
(10分)答案:解:作单位力状态,如图所示。
分别作出和图后,由图乘法得:2。
试作图示伸臂量的的影响线.答案:的影响线的影响线3.试用力法计算单跨静定梁。
并作M图。
(10分)解:选取基本结构,并作出单位弯局矩图和荷载弯矩图如图所示4。
试用位移法求作图示连续梁的内力图。
(10分)(型常数、载常数见附表)解:(c)解:(1)只有一个未知量,基本体系如图所示(d)(2)建立位移法典型方程(3)作如图所示(a)(b);(4)代入方程解得:(5)叠加法绘制弯矩图(e)(e)附表:型常数、载常数表***学院期末考试试卷一、1。
试卷1
一、是非题
(每题2分,共10分)
1.功的互等定理仅适用于线性变形体系。 ( )
2. 对图2中a图所示桁架用力法计算时,取图b作为基本体系(杆AB被去掉),
则
其典型方程为:。 ( )
图2 图3
3.图3所示梁在一组移动荷载组作用下,使截面K产生最大弯矩的最不利荷
载
位置如图(a)所示。 ( )
4. 图示结构用位移法求解时,基本未知量数目为3,用力法求解,则基本未知
量
数目为5。 ( )
5. 位移法典型方程的右端项一定为零。 ( )
二、填空题
(共18分)
1. 图1所示体系是________________体系,它有______个多余约
束。
(4分)
图1 图2
2.图2所示桁架杆1的内力为 。(4分)
3.力法方程中柔度系数代表 ,自由项代
表 。(4分)
4.已知荷载作用下结构的M图如图所示,画出其剪力图。 (6分)
图4
M图 Q图
三、作图示结构的M、Q图。d=2m。(20分)
四、 用力法计算,并作图示对称结构M图。EI=常数。(20分)
五、 用位移法计算图示刚架,并画出M图。(20分)
六、作图示梁的的影响线,并利用影响线求给定荷载作用下的
值。
(12分)
课程名称:结构力学I(样卷解答) 考试班级: 土木02(1、2、3、水建)
一、是非题
(每题2分,共10分)
1.( ) 2. ( ) 3. ( ) 4. ( ) 5. ( )
二、填空题
(共18分)
1._几何不变体系(3分), 0 (1分) 2. 0 (4分)
3.
基本结构在1jX作用下产生的沿iX的位移(2分)
基本结构在仅荷载作用下产生的沿iX的位移(2分)
4. 5ql/8 3ql/8 (6分) 正负号各1分
三、
(20分)
支座反力20KN, 10KN, 20KN, 10KN 每个图形10分,每根
杆2分
40
120 100
60 40
10
M图 (KN.m)
20
10
10
20
20
10
20
10
Q图 (KN)
每根杆符号错扣1分
四、. (20分)
q
半结构
(2分) X1 力法基本体系 (3分)
力法方程 0 IP111X(2分)
ql2/8
MP图
(2分) X1=1 M1图 l (2分)
系数: ;3/2311EIl (2分) ;24/4IPEIql (2分)
解得: 16/1qlX (1分)
最后弯矩图
M图
ql2/16
3ql2/32 ql2/16 3ql2/32
(4分)
选择其它基本体系可参照以上给分。
五、 (20分)
Z1
P
基本体系
Z2
图
M
1
Z
2
Z
=1
3
i
2
1
i
4
3
i
i
( 3分 ) ( 2分 )
图
M
Z2=1
i
l
l
i
2
6
3
M图 (Pl/304)
15
40
15
30
82
( 4分 ) ( 2分 ) MP图( 2分 )
ir1011
, lirr62112 ,, 15222lirPPRPR1652 , 01 , (6分 )
016515606102121PliZ
l
i
ZliiZ
( 1分 )
EIPlZEIPlZ91215912
25
223
1
( 1分 ) 最后弯矩图
六、. (12分)
1m
1m
D
E
F
G
MB影响线
C
1m
+
A
B
(7分)
mKNMB.851100201321301121
(5分)
试卷2
一、选择题(本题共五题,每题4分,共20 分。在每小题给出的四个选项
中,
只有一项符合题目要求。把所选项前的编号填在括号内)
1、图 1 所示的体系是( )
①无多余约束的几何不变体系;
②有多余约束的几何不变体系;
③几何瞬变体系;
④几何可变体系,但不是几何瞬变体系。
图1
2、如图 2 所示的结构在外力作用下,CD杆D端的剪力( )
①
②
③ ④
图2
3、如图3所示结构,若支座B产生位移,则该结构将( )
①不产生位移;
②产生内力;
③不产生内力; ④产生变形。
图3
4、用力法解图4所示结构的未知量个数为( )
① 5个;
② 6个;
③ 9个;
④ 12个;
图4
5、位移法方程的实质是( )
①平衡方程;
②位移方程;
③物理方程;
④平衡方程与位移方程。
二、填空题(本题共5题,每题4分,共20 分。把正确的答案填在题中横线
上)
1、原为几何可变体系,经 位移后又成为几何不变的体系
称为
体系。
2、如图5所示桁架中的零杆 根。
图5
3、用虚功原理导出计算结构在载荷作用下位移的单位载荷法时,其虚功方程
中的位移和变形是由 引起的,而作虚功的力是
及其产生的内力。
4、力法方程就其性质而言,属于 方程,方程中的载荷项表
示基本结构在载荷作用下沿 。
5、图6所示刚架,假定忽略所有杆件的轴向变形,按位移法求解时,有
个独立的角位移未知量和有 个独立的线位移未知量。
图6
三、计算题(共 60 分)
1、作图7示刚架弯矩、剪力图。(15分)
图7
2、利用影响线求图8多跨静定梁C截面的弯矩值。(10分)
图8
3、求图9多跨静定梁的D截面的竖向位移。
图9
4、用力法解图10示刚架,并作刚架的最后弯矩图。
图10
5、用位移法解图11示刚架,并绘刚架弯矩图。
图11
课程名称:函授本科结构力学(样卷解答)
一、选择题
1、 ①
2、②
3、③
4、③
5、①
二、填空题
1、 微小 、 几何 、 瞬变
2、12
3、 实际荷载 ,虚加的单位力
4、 位移 、方向上的位移
5、4 、 2
三、计算题(共 60 分)
1、作图7示刚架弯矩、剪力图。(15分)
图7
解:(1)求支反力(3分)
(2)作图 (6分)
(3)作图 (6分)
2、利用影响线求图8多跨静定梁C截面的弯矩值。(10分)
图8
解:(1)作影响线 (4分)
(2)求 (6分)
(下侧受拉)
3、求图9多跨静定梁的D截面的竖向位移。
图9
解:
(同侧)
(同侧)
(异侧)
4、用力法解图10示刚架,并作刚架的最后弯矩图。
图10
解:(1)对称的2次超静定刚架
(2)取基本结构如图
(3)利用对称性列力法方程
(3分)
(4)求
将以上系数代入方程求解得:
(7分)
(5)用控制截面弯矩,作弯矩图 (5分)
(左侧受拉)
(右侧受拉)
(右侧受拉)
(左侧受拉)
5、用位移法解图11示刚架,并绘刚架弯矩图。
图11
解:(1)确定位移法基本未知量为:
刚结点C的转角,BC杆的水平位移,
(2)加上附加约束形成位移法基本结构如图
(3)
列位移法方程
(2分)
(4)作图,求
,
(5)令作图,求
(6)令作图,求
位移法方程是:
求得:
(7)用控制截面弯矩,作弯矩图
(左侧受拉)
(右侧受拉)