差压变送器原理及操作
- 格式:ppt
- 大小:1.82 MB
- 文档页数:15
差压变送器的工作原理
差压变送器是一种测量流体或气体差压的设备,其工作原理如下:
1. 流体或气体进入差压变送器的两个连接口,并在连接口处形成差压。
2. 差压作用于连接口处的感应装置,感应装置通常由弹簧和膜片组成。
差压的变化会使膜片产生位移,而弹簧则会对膜片产生恢复力。
3. 位移的膜片连接到一个传感器装置上,传感器通常是由应变片或电容器组成。
当膜片位移时,传感器装置会相应地产生电信号。
4. 电信号由电路处理,转换为标准的电压、电流或数字信号输出。
5. 输出信号传输到控制系统或显示设备,供用户分析和判断。
整个过程中,差压变送器通过感应装置和传感器装置将流体或气体的差压转化为电信号输出。
这样通过测量差压的变化,我们可以获取到流体或气体的相关信息,如流量、压力等。
差压变送器广泛应用于化工、电力、石油、冶金等行业中的流体流量、压力等参数的测量和控制。
差压变送器使用说明书范本差压变送器概述1、差压变送器的定义:差压变送器是一种用于测量流体中压力差的仪器,它将压力差转换为标准信号输出,以便进行监测和控制。
2、差压变送器的工作原理:差压变送器通过测量流体中两个点的压力差来确定流体的流速或流量。
它通常由传感器、信号处理器和输出模块组成。
3、差压变送器的应用领域:差压变送器广泛应用于石油化工、电力、冶金、水处理等行业,用于测量液体、气体或蒸汽的流速、流量、液位等参数。
差压变送器校验步骤1、校验前的准备工作:在进行差压变送器校验之前,需要对校验仪器进行准备,包括选择合适的校验仪器、检查仪器的状态和准备所需的校验介质等。
2、校验仪器的选择:根据差压变送器的型号和规格,选择合适的校验仪器,确保校验仪器的测量范围和精度能够满足校验要求。
3、校验步骤详解:(1)校验仪器的连接:将校验仪器与差压变送器正确连接,确保信号传输的稳定和可靠。
(2)校验仪器的调零:根据校验仪器的操作说明,进行调零操作,使校验仪器的零点与实际零点一致。
(3)校验仪器的校准:根据校验仪器的操作说明,进行校准操作,使校验仪器的测量结果与标准值一致。
(4)校验结果的记录:将校验结果记录下来,包括校验日期、校验人员、校验数值等信息,以备后续参考和比对。
差压变送器调试步骤1、调试前的准备工作:在进行差压变送器调试之前,需要对调试仪器进行准备,包括选择合适的调试仪器、检查仪器的状态和准备所需的调试介质等。
2、调试仪器的选择:根据差压变送器的型号和规格,选择合适的调试仪器,确保调试仪器的测量范围和精度能够满足调试要求。
3、调试步骤详解:(1)调试仪器的连接:将调试仪器与差压变送器正确连接,确保信号传输的稳定和可靠。
(2)调试仪器的调零:根据调试仪器的操作说明,进行调零操作,使调试仪器的零点与实际零点一致。
(3)调试仪器的校准:根据调试仪器的操作说明,进行校准操作,使调试仪器的测量结果与标准值一致。
(4)调试结果的记录:将调试结果记录下来,包括调试日期、调试人员、调试数值等信息,以备后续参考和比对。
差压变送器的原理及应用一、差压变送器的原理差压变送器是一种用于测量流体流动特性的仪器,主要通过测量管路中的差压来反映流体的流量、速度、压力等参数。
其工作原理是基于差压传感器和电路转换模块的协同作用。
1. 差压传感器差压传感器是差压变送器的核心部件,它通过应变力学的原理将压力变化转化为电阻值的变化。
差压传感器通常由弹性薄膜和电阻栅片构成。
当流体通过差压传感器时,由于流体的作用力不均匀,使得弹性薄膜产生弯曲变形。
这种变形会导致电阻栅片的电阻值发生相应的变化,从而将差压转化为电信号输出。
2. 电路转换模块电路转换模块是差压变送器中起到信号转换和放大的作用。
其作用是将差压传感器输出的电信号进行放大、滤波和线性化处理,使其成为标准的电流或电压信号输出,便于传输和处理。
二、差压变送器的应用差压变送器广泛应用于各个领域的流体测量和控制过程中,下面是一些常见的应用场景:1. 工业领域•流量测量:差压变送器可以用于测量液体或气体的流量,例如管道、油气井和化工厂的流量管理。
•空气质量控制:差压变送器可以用于监测和调节室内的空气质量,例如建筑物、实验室和医学设备中的空气流量控制。
2. 环境监测•大气压力测量:差压变送器可以用于测量大气压力的变化,用于天气预报、气象观测和高空飞行器的飞行控制。
•液位测量:差压变送器可以用于测量液体的液位,例如河流、湖泊和水库的水位监测。
3. 医疗行业•呼吸机控制:差压变送器可以用于监测呼吸机中的气流差压,控制和调节患者的呼吸频率和气流量。
•血液透析:差压变送器可以用于监测和控制血液透析机中的血液流量和液体透析。
4. 燃气热力领域•气体分析:差压变送器可以用于气体的流量分析、组分分析和质量控制,例如煤气、天然气和工业气体的分析。
•加热与冷却控制:差压变送器可以用于控制加热和冷却系统中的液体或气体流量,实现温度的调节和能量的控制。
以上仅是差压变送器在各领域中的一些应用示例,实际上差压变送器的应用领域非常广泛。
压力和差压变送器详细使用说明(一)差压变送器原理与使用本节根据实际使用中的差压变送器主要介绍电容式差压变送器。
1。
差压变送器原理压力和差压变送器作为过程控制系统的检测变换部分,将液体、气体或蒸汽的差压(压力)、流量、液位等工艺参数转换成统一的标准信号(如DC4mA~20mA 电流),作为显示仪表、运算器和调节器的输入信号,以实现生产过程的连续检测和自动控制.差动电容式压力变送器由测量部分和转换放大电路组成,如图1。
1所示。
图1.1 测量转换电路图1。
2 差动电容结构差动电容式压力变送器的测量部分常采用差动电容结构,如图1.2所示。
中心可动极板与两侧固定极板构成两个平面型电容H C和L C。
可动极板与两侧固定极板形成两个感压腔室,介质压力是通过两个腔室中的填充液作用到中心可动极板。
一般采用硅油等理想液体作为填充液,被测介质大多为气体或液体。
隔离膜片的作用既传递压力,又避免电容极板受损。
当正负压力(差压)由正负压导压口加到膜盒两边的隔离膜片上时,通过腔室内硅油液体传递到中心测量膜片上,中心感压膜片产生位移,使可动极板和左右两个极板之间的间距不相对,形成差动电容,若不考虑边缘电场影响,该差动电容可看作平板电容。
差动电容的相对变化值与被测压力成正比,与填充液的介电常数无关,从原理上消除了介电常数的变化给测量带来的误差。
2。
变送器的使用(1)表压压力变送器的方向低压侧压力口(大气压参考端)位于表压压力变送器的脖颈处,在电子外壳的后面。
此压力口的通道位于外壳和压力传感器之间,在变送器上360°环绕。
保持通道的畅通,包括但不限于由于安装变送器时产生的喷漆,灰尘和润滑脂,以至于保证过程通畅.图1.3为低压侧压力口。
图1.3 低压侧压力口(2)电气接线①拆下标记“FIELD TERMINALS”电子外壳。
②将正极导线接到“PWR/COMN”接线端子上,负极导线接到“-”接线端子上。
注意不得将带电信号线与测试端子(test)相连,因通电将损坏测试线路中的测试二极管。
差压变送器说明书
差压变送器是一种用于测量两个压力之间的差异并将其转换为标准电信号输出的设备。
它通常由压力传感器、信号处理器和输出电路组成。
差压变送器的工作原理是通过测量两个压力点之间的压力差来确定差压。
这些压力点可以是气体或液体的两个不同位置。
压力传感器通常采用膜片或应变片的形式,当压力施加在传感器上时,膜片或应变片会发生变形,从而产生电信号。
信号处理器用于将传感器产生的微弱电信号放大并进行滤波处理,以提高其精度和稳定性。
输出电路将处理后的信号转换为标准的电流、电压或数字信号输出,以便于与其他设备进行连接和数据传输。
差压变送器通常具有以下特点和功能:
1. 高精度测量能力:差压变送器能够测量微小的压力差异,通常具有高精度的测量能力,能够满足各种精密测量需求。
2. 宽测量范围:差压变送器通常具有较大的测量范围,可以适应不同压力差异的测量需求。
3. 高稳定性和可靠性:差压变送器采用高质量的材料和先进的制造工艺,具有良好的稳定性和可靠性,能够长时间稳定工作。
4. 多种输出信号形式:差压变送器可以提供多种输出信号形式,包
括电流、电压和数字信号等,方便与其他设备进行连接和数据传输。
5. 易于安装和维护:差压变送器通常具有简单的安装和维护过程,可以方便地安装在各种场合和设备上。
需要注意的是,在使用差压变送器时,应根据具体的应用场景和要求选择合适的型号和规格,并按照说明书进行正确的安装和使用,以确保测量的准确性和可靠性。
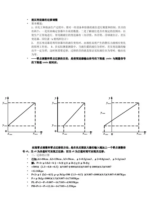
• 差压变送器的迁移调整• 基本概述:1、在化工和炼油生产过程中,要对一些设备和容器的液位进行测量和控制。
其目的有两个:一是用来确定容器中介质的数量,二是了解液位是否在规定的范围内,以使生产正常地进行。
常用测液位的变送器有(内浮筒、外浮筒、浮球液位计、差压变送器、同位素(r 射线料位计)2、 差压变送器是利用容器内的液位变化时,由液柱高度产生的静压力液相应变化的原理工作的。
3、在实际测量测量中,当液位灌的液位为零时,差压变送器的输出不一定为零,这时候需要迁移,迁移的目的就是保证实际液位在为零时,输出也为零。
• ——零点调整和零点迁移的目的,是使变送器输出信号的下限值ymin 与测量信号的下限值xmin 相对应。
实现零点调整和零点迁移的方法,是在负反馈放大器的输入端加上一个零点调整信号z0。
当z0为负值时可实现正迁移;而当z0为正值时则可实现负迁移。
• 三、迁移的计算• 已知:h1=80cm , h2=150cm , h3=50cm , ρ1=0.5g/cm3 , ρ2=0.8g/cm3 , ρ3=1g/cm3 • 解:P+1=ρ1(h2—h 1—h 3)g +ρ2h 1g +ρ3h 3g• =500×(1.5—0.8—0.5)×9.807+800×0.8×9.807+1000×0.5×9.807•=12.16Kpa •P+2=ρ1(h2—h3)g+ρ3h3g=500(1.5—0.5)×9.807+1000×0.5×9.807=9.807Kpa •P-=ρ3h2g=1000×1.5×9.807=14.7105Kpa •PL=P+2—P-=9.807—14.7105=-4.9035Kpa • PH=P+1—P-=12.16—14.7105=-2.55Kpa y y min max min max y y min max•仪表的测量范围:(-5KPa~-3KPa)四、1151变送器灌隔离液:•1、关头道阀,打开头道阀隔离灌放空堵头丝堵,打开正负压阀,平衡阀和排污阀。
压差变送器的原理及应用
压差变送器是一种用于测量流体压力差的传感器。
它基于差压的概念,通过测量两个不同位置的压力,计算出流体通过管道时所产生的压力差,并将其转换为标准信号输出。
压差变送器由传感器元件、信号处理电路和输出装置组成。
压差变送器的工作原理如下:其传感器元件将被测介质进入传感器后产生的压力差转化为电信号,然后经过信号处理电路的放大、线性化处理,最后转换为标准的电流信号(如4-20mA)或电压信号(如0-5V)输出。
这一电信号可以被控制室或仪表读取,并根据其数值进行相应的控制或显示。
压差变送器的应用非常广泛。
首先,它被广泛应用于工业控制系统中。
例如,在化工工艺控制中,可以使用压差变送器测量管道中的流量,从而实现对工艺参数的精确控制。
此外,压差变送器还可用于测量液位、温度和流速等多个工艺参数。
其次,压差变送器也广泛用于环境监测领域。
例如,可以将压差变送器安装在大气压力传输系统中,用于测量大气压力的变化。
此外,压差变送器还可用于测量气体或液体的压力,以监测环境中特定区域的气体或液体压力变化,从而实现对环境的监测和控制。
此外,压差变送器还经常用于设备运行状态监测中。
例如,在空气处理系统中,可以使用压差变送器测量过滤器的压差,从而判断过滤器是否需要更换。
类似地,它还可以测量机械设备中的冷却水压力差,以判断设备的工作状态。
总之,压差变送器是一种将压力差转换为电信号的传感器,可广泛应用于工业控制、环境监测和设备状态监测等领域。
在实际应用中,我们可以根据具体的需求选择适合的压差变送器型号和参数,以满足不同场合的测量要求。
差压变送器测量液位的原理
差压变送器测量液位的原理基于帕斯卡原理和阿基米德原理。
差压变送器通过测量液体表面下方的压力与空气或气体压力之间的差异来计算液位高度。
具体实现步骤如下:
1.差压变送器主要由两个压力传感器和一个计算器组成。
一个传感器安装于容器底部,另一个安装于液体表面下方。
两个传感器之间的压力差将转换为电信号进行测量。
2.当液位变化时,液体的压力会影响液体表面下方的传感器,但不会影响容器底部的传感器。
由于液体密度的影响,液体表面以下的压力会随着液位高度而变化。
3.通过将液体表面以下的压力与大气压力进行比较,差压变送器可以确定液位高度。
计算器会将传感器测量到的压力差转换为液位高度的值,并输出该值。
总之,差压变送器测量液位的原理基于测量液体表面下方的压力与大气压力的差异,通过计算该差异来确定液位高度。
差压变送器测液位详细介绍
一、工作原理
差压变送器一般由两个感压装置、一个补偿装置和一个变送部分组成。
其中,感压装置安装在液体底部和液体表面之间,分别测量两点压力,然
后通过补偿装置进行校正和补偿,最后由变送部分将差压信号转换为标准
信号输出。
二、结构
差压变送器一般由压力传感器、信号处理器、液体密封系统和外壳组成。
其中,压力传感器是最关键的部件,用于测量液体底部和液体表面的
压力差。
信号处理器接收传感器的信号,并进行放大、滤波和线性化处理,然后将结果输出。
液体密封系统用于保护传感器免受液体侵入和泄漏的影响。
外壳则起到保护内部组件的作用。
三、应用
1.储罐液位测量:差压变送器可测量储罐内的液位,用于控制储罐的
液位,以确保生产过程的正常进行。
2.水处理系统:差压变送器可用于测量水处理系统中的液位,帮助控
制水位、水流和水质。
3.石油化工:差压变送器可用于测量化工过程中的液位,以确保生产
过程的安全和效率。
4.食品和制药:差压变送器可用于食品和制药过程中的液位测量,以
确保产品的质量和卫生安全。
5.建筑工程:差压变送器可用于测量建筑工程中的液位,如水池、水塔和排水系统。
差压变送器的工作原理
首先,差压变送器通过安装在管道中的测压孔来测量流体在管道中的压力差。
当流体在管道中流动时,它会受到管道壁和阻力的作用,从而产生压力差。
差压变送器通过测量管道两侧的压力来获取这个压力差值,然后将其转换成标准信号输出。
其次,差压变送器的工作原理还涉及到流体静力学的原理。
根据流体静力学,
流体在管道中流动时会产生静压力,即流体静压力=液体密度×重力加速度×流体
高度。
差压变送器利用这一原理,通过测量管道两侧的静压力来计算流体的流量、液位或密度。
此外,差压变送器还利用泊松方程来实现流量、液位或密度的测量。
泊松方程
是描述流体静力学的重要方程之一,它可以表达流体在管道中流动时的压力分布和压力差。
差压变送器通过测量管道两侧的压力,并结合泊松方程来计算流体的流量、液位或密度。
总的来说,差压变送器的工作原理是基于流体静力学和泊松方程的原理,通过
测量管道两侧的压力差来实现流量、液位或密度的测量。
它在工业生产中起着重要的作用,广泛应用于化工、石油、电力、水利等领域。
希望通过本文的介绍,能让大家对差压变送器的工作原理有更深入的了解。
差压变送器测量液位基础知识一、差压变送器的工作原理差压变送器通常用于测量密闭容器内的液位,利用液体自身重力产生的压力差来测量容器内液体的液位。
其高压侧测量管(位于图上方)由于蒸汽凝结,始终处于充满水状态,保持压力恒定,而低压侧测量管(位于图下方)与容器组成联通器,其压力随容器内液位的变化成线性变化。
设△P为变送器接收到的差压信号,P0为容器内部压力,P+为变送器正压侧压力,P-为变送器负压侧压力;ρ为容器内液体的密度;g 为重力加速度;h1为工艺零点到容器上部取压口的高度;h2为容器工艺液位;h为变送器到工艺液位零点的高度。
则有:P+=P0+ρgh1+ρghP-=P0+ρgh2+ρgh△P=P+-P-=ρgh1-ρgh2当液面由h2=0变化为h2=h1时,差压变送器所测得的差压由最大值变为ΔP=0,通过设置变送器,输出电流由4mA变为20m。
二、变送器零位的设置差压变送器测量液位时,零位的设置是非常重要的环节。
当变送器的高压(H)侧、低压(L)侧与就地测量筒的高压侧、低压侧连接一致时,高压侧导压管始终处于充满水状态,变送器高压端测得压力为P+kPa,变送器的低压侧与低压侧导压管相连,测得压力为P-kPa,则变送器测得实际差压为(P+-P-)kPa。
容器液位最低时,差压值最大,对应于变送器内部设置LRV,也就是变送器的零位,此时变送器输出电流4mA,容器液位最高时,差压值为0,对应于变送器内部设置URV,也就是变送器的满度,此时变送器输出电流20mA。
当变送器的高压(H)侧、低压(L)侧与就地测量筒的高压侧、低压侧连接相反时,需要对变送器内部设置进行修改:即将变送器的LRV 设置为(P--P+)kPa(这个差值为负数),也就是说,无论变送器与导压管怎样连接,变送器的满度对应于测量容器的满水位,差压始终为0,即变送器的满度URV为0kPa,输出电流20mA。
当变送器的高压侧与导压管高压侧相连时,变送器零位LRV设置为最大差压值,当变送器的高压侧与导压管低压侧相连时,变送器零位LRV设置为最大差压值的负数。
差压变送器投入过程及原理差压变送器是一种用来测量流体压力差的仪器,它可以将差压信号转换为标准的电信号输出,以便于远程监控和数据采集。
差压变送器通常由传感器、放大器、电路板和输出端口组成。
差压变送器的投入过程可以分为以下几个步骤:1. 安装差压传感器:差压传感器是差压变送器的核心部件,它通常由两个测量压力的腔室和一个弹性膜片组成。
在投入过程中,首先需要将差压传感器正确地安装在流体管道中,使其与流体接触。
传感器的两个腔室分别与两个测量点相连,用来测量流体的压力差。
2. 连接电路板:差压传感器将测量到的压力差转换为电信号后,需要通过电路板进行放大和处理。
投入过程中,我们需要将传感器与电路板正确地连接起来,以确保信号的传输和处理正常进行。
3. 设置参数:投入差压变送器后,我们需要通过调节一些参数来适应具体的应用场景。
比如,根据流体的性质和工艺要求,我们可以设置量程范围、输出信号类型、灵敏度等参数,以确保测量结果的准确性和稳定性。
4. 连接输出端口:差压变送器的输出信号可以通过不同的方式进行传输,比如模拟信号输出、数字信号输出、无线传输等。
投入过程中,我们需要将输出端口与接收设备正确地连接起来,以便于监控和数据采集。
差压变送器的工作原理主要基于压力传感器的原理。
当流体通过差压传感器时,由于流体速度和管道横截面积的变化,会产生压力差。
差压传感器的腔室中的弹性膜片会受到这个压力差的作用而发生弯曲变形,进而改变电阻、电容或电感等信号特性。
这些变化被传感器转换为电信号后,经过放大和处理,最终输出为标准的电信号。
差压变送器在工业领域中有着广泛的应用。
比如,在石油化工、电力、冶金、水处理等行业中,差压变送器常用于测量流体的流量、液位、压力等参数。
通过实时监测这些参数,我们可以掌握工艺过程的状态,及时调整操作参数,提高生产效率和产品质量。
总结起来,差压变送器是一种能够将差压信号转换为电信号输出的仪器,它的投入过程包括安装传感器、连接电路板、设置参数和连接输出端口。
差压变送器原理及用途差压变送器(Differential Pressure Transmitter)是一种测量两个不同压力之间差值的设备,通常用于监测和控制工业过程中的液体或气体流量、液位和压力等参数。
它基于差压原理工作,通过测量流体在管道或容器中的压力差来实现对参数的监测和控制。
差压变送器通常由以下几个主要组成部分构成:传感器、放大器、显示器和输出信号接口。
传感器是差压变送器的核心部件,它可以将流体的压力差转化为电信号。
传感器中最常用的元件是压阻式传感器和压电式传感器。
放大器可以将传感器输出的微弱电信号放大,并进行线性校准和滤波处理。
显示器可以将经过处理的信号转化为易于读取的数值,并可选配报警功能。
输出信号接口用于将处理后的信号传输给控制系统,通常采用模拟信号输出(如4-20mA)或数字信号输出(如HART协议)。
差压变送器的用途非常广泛。
其主要应用领域包括但不限于以下几个方面:1. 流量测量:差压变送器可以测量流体在管道中的压差,并基于流体力学原理计算出流体的实际流量。
在工业生产中,流量测量是很重要的参数,例如石油化工、水处理、食品饮料等行业都需要对流体的流量进行准确测量和控制。
2. 液位测量:差压变送器可以通过测量容器底部和液面之间的压差来计算液位高度。
在储罐、水箱、污水处理等场合,液位测量是必要的,差压变送器广泛应用于这些领域。
3. 压力测量:差压变送器不仅可以测量流体的差压,也可以用于测量单一压力值。
通过将一个压力接口通向待测压力的测量点,然后将另一个压力接口接地,就可以测得待测压力值。
4. 液体和气体测量:差压变送器可以用于测量液体和气体的密度、黏度和粘度等参数。
通过与流量计、温度传感器等配合使用,可以实现复杂的流体流量和能量计算。
5. 控制和监测系统:差压变送器是工业自动化控制系统的重要组成部分,它与PLC、DCS等控制设备配合使用,用于控制某些参数的变化,并监测设备或管道的运行状况。
差压变送器原理差压变送器(Differential Pressure Transmitter)是一种用于测量流体差压的仪器。
它基于流体静压的原理,通过测量两个不同位置处的压力差,来推算流体的流速、流量和液位等参数。
差压变送器一般由压力传感器、信号转换电路和输出信号电路组成。
下面将详细介绍差压变送器的原理与工作过程。
原理差压变送器的原理基于流体的静压力。
当流体在管道中流动时,由于流体的流动阻力和管道的几何形状,会在管道的两个不同位置产生不同的压力。
差压变送器通过测量这两个位置的压力差,来推算流体的流速、流量和液位等参数。
差压变送器一般使用压力传感器来测量两个位置的压力。
这些压力传感器一般采用压电效应或应变片原理工作,能够将压力转化为电信号。
然后,这些电信号会经过信号转换电路进行放大和滤波,最终转化为标准的电信号输出。
工作过程差压变送器的工作过程主要包括以下几个步骤:1.安装首先,差压变送器需要正确安装在流体管道上,以确保能够准确测量压力差。
通常情况下,差压变送器会与管道的两个不同位置相连接,并使用合适的密封材料来防止泄漏。
2.压力测量差压变送器中的压力传感器会测量流体管道中的两个位置处的压力。
这些压力传感器一般被安装在流体管道的观测孔或法兰上,并与管道内的流体直接接触。
3.信号转换压力传感器会将测量到的压力转化为电信号,然后通过信号转换电路进行放大和滤波。
信号转换电路通常包括模拟电路和数字电路,能够将压力信号转换为标准的电信号输出。
4.输出信号差压变送器的输出信号一般通过标准的电信号接口进行传输。
常见的输出信号接口包括4-20mA以及0-5V等。
这些电信号可以直接供给控制系统或数据采集设备使用。
5.参数推算根据测量到的压力差以及管道的几何特性,可以通过特定的算法来推算出流体的流速、流量和液位等参数。
这些参数可以用于监测和控制流体流动过程。
差压变送器在工业领域的应用非常广泛,尤其在流体控制和过程监测方面起着关键作用。