(整理)3x30m连续梁下部结构计算书.
- 格式:doc
- 大小:662.00 KB
- 文档页数:16
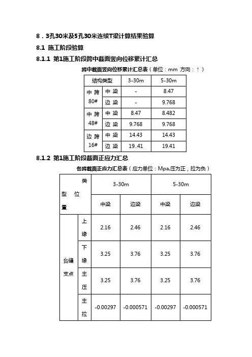
8.3孔30米及5孔30米连续T梁计算结果验算8.1 施工阶段验算8.1.1 第1施工阶段跨中截面竖向位移累计汇总跨中截面竖向位移累计汇总表(单位:mm 方向:↑)8.1.2 第1施工阶段截面正应力汇总各跨截面正应力汇总表(应力单位:Mpa,压为正,拉为负)8.1.3 第2施工阶段跨中截面竖向位移累计汇总跨中截面竖向位移累计汇总表(单位:mm 方向:↑)8.1.4 第2施工阶段截面正应力汇总各跨截面正应力汇总表(应力单位:Mpa,压为正,拉为负)8.1.5第3施工阶段跨中截面竖向位移累计汇总跨中截面竖向位移累计汇总表(单位:mm 方向:↑)8.1.6 第3施工阶段截面正应力汇总各跨截面正应力汇总表(应力单位:Mpa,压为正,拉为负)8.1.7 第4施工阶段跨中截面竖向位移累计汇总跨中截面竖向位移累计汇总表(单位:mm 方向:↑)8.1.8 第4施工阶段截面正应力汇总各跨截面正应力汇总表(应力单位:Mpa,压为正,拉为负)8.1.9 第5施工阶段跨中截面竖向位移累计汇总跨中截面竖向位移累计汇总表(单位:mm 方向:↑)8.1.10 第5施工阶段截面正应力汇总各跨截面正应力汇总表(应力单位:Mpa,压为正,拉为负)8.1.11 第6施工阶段跨中截面竖向位移累计汇总跨中截面竖向位移累计汇总表(单位:mm 方向:↑)8.1.12 第6施工阶段截面正应力汇总各跨截面正应力汇总表(应力单位:Mpa,压为正,拉为负)8.1.13第7施工阶段跨中截面竖向位移累计汇总跨中截面竖向位移累计汇总表(单位:mm 方向:↑)8.1.14 第7施工阶段截面正应力汇总各跨截面正应力汇总表(应力单位:Mpa,压为正,拉为负)跨中截面竖向位移累计汇总表(单位:mm 方向:↑)各跨截面正应力汇总表(应力单位:Mpa,压为正,拉为负)跨中截面竖向位移累计汇总表(单位:mm 方向:↑)各跨截面正应力汇总表(应力单位:Mpa,压为正,拉为负)跨中截面竖向位移累计汇总表(单位:mm 方向:↑)各跨截面正应力汇总表(应力单位:Mpa,压为正,拉为负)跨中截面竖向位移累计汇总表(单位:mm 方向:↑)11施工阶段截面正应力汇总各跨截面正应力汇总表(应力单位:Mpa,压为正,拉为负)8.1.17 施工阶段应力验算T梁为C50的预应力混凝土结构。
30x30m连续箱梁现浇支架计算D东莞市城市快速轨道交通R2线2312标40m简支箱梁现浇支架方案1编制依据(1)《东莞市城市快速轨道交通R2线2312标40m箱梁构造图》(2)《建筑施工碗扣式脚手架安全技术规范》(JGJ166-2008)(3)《建筑结构荷载规范》(GB 50009-2001)(4)现行客运专线铁路桥梁设计及施工技术规范2工程概况东莞市城市快速轨道交通R2线工程R2312标高架段起止桩号为YDK34+143.93~YDK37+788.180。
段内106#墩~109#墩为3×30m连续梁,桥梁正线位于原莞太路上,地基情况较好。
箱梁梁体为单箱单室、等高度、斜腹结构。
标准段箱梁截面顶宽为920cm,底板宽度4.0m。
顶板厚度为25cm,腹板厚度为30cm,梁端箱梁截面顶宽为9.2m,底板宽度4.0m。
顶板厚度为40cm,腹板厚度为45cm,箱梁截面高度180cm;中支点处为留有60cm×60cm人洞的横隔板。
箱梁截面如图1、2。
图2:3x30m连续梁断面图图2:3x30m连续梁中支点断面图支架设计方案东莞市城市快速轨道交通R2线2312标的3×30m连续梁现浇箱梁(106#~109#),采用满堂式现浇支架进行施工。
现浇支架采用φ48mmWDJ碗扣型多功能钢管脚手架,搭设为满堂落地支架。
支架立杆横桥向布置:翼缘板下为(120+2×90+60)cm、腹板下为(2×30)cm、底板下为(60+2×90+60)cm;立杆顺桥向布置为(100×90)cm,支架横桥向搭设总宽度为11.6m;立杆顶部配置KTC-50顶托,顶托上设14×12cm横向承重枋木,承重枋木沿桥横向间距为90cm,承重枋木上为10×10cm横向肋木,肋木布置为沿顺桥向布置间距30cm;立杆底部配制KTZ-30可调底座;横杆步距为90cm。
连续箱梁支架计算书一、荷载计算取沿桥向北1.0m全桥桥宽为计算单元,根据图纸所给113.3m一联,混凝土方量为1256.2m3,预应力钢筋混凝土容重取2.6t/M3。
1、梁体自重整个梁体一次性浇筑,按梁体底部5.4米最大荷载部位进行计算。
每延米重量:两腹板:0.5×3.25×2×2.6=8.45t底板:(5.4m-0.5×2)×0.3×2.6=3.432t顶板:(5.4m-0.5×2)×0.3×2.6=3.432t合计:8.45+3.432+3.432=15.314t箱梁底宽方向每平方米梁重:P1=15.314t/5.4M×1m=2.836t/m2。
2、其它荷载○1模板、支架及方木荷载按P2=0.3t/m2○2施工人员荷载按均布施工荷载P3=0.1t/m3○3混凝土振捣时产生的荷载P4=0.2t/m2每平方米总荷载为:P=P1﹢P2+ P3+ P4=3.436t/m2二、计算每根立杆支撑面积当横杆竖向步距为120cm框架立杆荷载P120容许=3t/根,则每平方米需要立杆数量为n=P/P120容许=3.436/3=1.145根,即每根立杆支撑面积为:S=1/1.145=0.873m2。
三、立杆水平步距根据支架格构尺寸,选择水平框0.6×0.6m立杆步距,每根立杆支撑面积为:S1=0.6×0.6=0.36m2<0.873m2,安全系数2.4,即方案可行。
四、验算模板1、强度○1底板(竹胶板)底模板采用竹胶板(122cm×244cm×1.5cm)底板下横桥向布置10×10cm方木,中心距为25cm。
竹胶板抵抗弯矩为:W =bh2/6 = (1220×152)/6=45750mm3竹胶板上最大弯矩为M =PL2/10 =(56.83×1.22×0.252)/10=0.43332875KN·m=433328.75N·mm竹胶板弯曲强度:f=M/N=433328.75/45750=9.47MPa<50MPa(竹胶板抗弯强度)○2小肋(横桥向方木)低板肋下横桥向采用10×10cm方木,小肋下为10×10cm方木(纵桥向)支架水平方向格构为60cm×60cm。
计算书工程名称:设计编号:计算容:桥梁计算书共页计算年月日校核年月日审核年月日专业负责年月日目录一、计算资料 (3)二、桥梁纵向荷载计算 (4)1.永久作用 (4)2.可变作用 (5)三、桥墩、桥台盖梁抗弯、抗剪承载力计算及裂缝宽度计算 (5)四、墩台桩基竖向承载力计算 (6)五、桥台桩身力计算 (6)1、桥台桩顶荷载计算 (6)2、桥台桩基变形系数计算 (7)3、m法计算桥台桩身力 (7)六、桥墩桩身力计算 (8)1、桥墩墩柱顶荷载计算 (8)2、桥墩桩基变形系数计算 (9)3、m法计算桥墩桩身力 (9)七、桥台、桥墩桩基桩身强度校核 (10)1、桥台桩基桩身强度校核 (10)2、桥墩桩基桩身强度校核 (12)一、计算资料1.设计荷载汽车荷载:城—A级人群荷载:按《城市桥梁设计规》(CJJ 11-2011)10.0.5条取用。
2.桥梁跨径及横断面布置跨径组合:3×13m简支梁桥,单孔计算跨径:l0 =12.60 m;桥梁横断面:4.5m(人行道)+15m(混行车道)+ 4.5m(人行道)=24m。
3.桥梁主要构造上部结构采用3跨13m装配式先法预应力空心板梁(使用《中华人民国交通行业公路桥梁通用图》板梁系列,编号36-2分册,交通部专家委员会等编制)。
下部结构采用桩柱式桥墩、桥台。
墩台基础采用φ120cm钻孔灌注桩。
4.桥梁主要材料(1)、混凝土空心板梁:采用C50砼预制,C40砼封端,板梁铰缝采用C50砼浇注;桥面铺装:10cm厚C50砼现浇层+4cm细粒式沥青砼(AC-13C)+6cm中粒式沥青砼(AC-20C);墩台盖梁:C30砼;墩台桩基础:C30水下砼。
(2)、钢筋普通钢筋采用HPB300和HRB400钢筋,板梁预应力钢筋为Φs15.2高强度低松弛预应力钢绞线。
5.计算依据《城市桥梁设计规》(CJJ11-2011)《公路桥涵设计通用规》(JTG D60-2004)《公路钢筋混凝土及预应力混凝土桥涵设计规》(JTG D60-2004)《公路桥涵地基与基础设计规》(JTG D60-2004)6.计算容由于设计周期较短,设计时桥梁上部结构套用《中华人民国交通行业公路桥梁通用图》(板梁系列,编号36-2分册,交通部专家委员会等编制)图纸,不再进行验算,本计算书主要对桥梁墩台、桩基等下部结构进行计算。
连续梁计算一、几何数据及计算参数构件编号: LL-1混凝土: C30 主筋: HRB400 箍筋: HRB335保护层厚度as(mm): 35.00 指定主筋强度:无跨中弯矩调整系数: 1.00 支座弯矩调整系数: 1.00(说明:弯矩调整系数只影响配筋)自动计算梁自重:是恒载系数: 1.20 活载系数: 1.40二、荷载数据荷载工况1 (恒载):三、内力及配筋1. 弯矩图2. 剪力图3. 截面内力及配筋0支座: 正弯矩 0.00 kN*m,负弯矩 0.00 kN*m,剪力25.11 kN,上钢筋: 4f12, 实际面积: 452.39 mm2, 计算面积: 450.00 mm2下钢筋: 4f12, 实际面积: 452.39 mm2, 计算面积: 450.00 mm21跨中: 正弯矩 20.09 kN*m,负弯矩 0.00 kN*m,剪力-37.67 kN,挠度0.08mm(↓),位置:跨中裂缝 0.02mm上钢筋: 4f12, 实际面积: 452.39 mm2, 计算面积: 450.00 mm2下钢筋: 4f12, 实际面积: 452.39 mm2, 计算面积: 450.00 mm2箍筋: D6@130, 实际面积: 434.99 mm2/m, 计算面积: 408.57 mm2/m 1支座: 正弯矩 0.00 kN*m, 位置: 0.00m负弯矩 25.11 kN*m, 位置: 0.00m剪力左 -37.67 kN, 位置: 4.00m剪力右 31.39 kN, 位置: 0.00m上钢筋: 4f12, 实际面积: 452.39 mm2, 计算面积: 450.00 mm2下钢筋: 4f12, 实际面积: 452.39 mm2, 计算面积: 450.00 mm22跨中: 正弯矩 6.28 kN*m, 位置: 2.00m负弯矩 0.00 kN*m, 位置: 0.00m剪力31.39 kN, 位置: 0.00m挠度0.08mm(↓),位置:跨中裂缝 0.01mm上钢筋: 4f12, 实际面积: 452.39 mm2, 计算面积: 450.00 mm2下钢筋: 4f12, 实际面积: 452.39 mm2, 计算面积: 450.00 mm2箍筋: D6@130, 实际面积: 434.99 mm2/m, 计算面积: 408.57 mm2/m 2支座: 正弯矩 0.00 kN*m,负弯矩 25.11 kN*m,剪力左 -31.39 kN,剪力右 37.67 kN,上钢筋: 4f12, 实际面积: 452.39 mm2, 计算面积: 450.00 mm2下钢筋: 4f12, 实际面积: 452.39 mm2, 计算面积: 450.00 mm23跨中: 正弯矩 20.09 kN*m,负弯矩 0.00 kN*m,剪力37.67 kN,挠度0.08mm(↓),位置:跨中裂缝 0.02mm上钢筋: 4f12, 实际面积: 452.39 mm2, 计算面积: 450.00 mm2下钢筋: 4f12, 实际面积: 452.39 mm2, 计算面积: 450.00 mm2箍筋: D6@130, 实际面积: 434.99 mm2/m, 计算面积: 408.57 mm2/m 3支座: 正弯矩 0.00 kN*m, 位置: 4.00m负弯矩 0.00 kN*m, 位置: 4.00m剪力-25.11 kN, 位置: 4.00m上钢筋: 4f12, 实际面积: 452.39 mm2, 计算面积: 450.00 mm2下钢筋: 4f12, 实际面积: 452.39 mm2, 计算面积: 450.00 mm2。
摘要在本设计中,根据地形图和任务书要求,依据现行公路桥梁设计规范提出了两种预应力混凝土连续梁桥、拱桥三种桥型方案。
经过对各种桥型的比选最终选择三跨预应力混凝土连续梁桥为本次的推荐设计桥型方案。
本设计应用Midas软件对预应力混凝土连续梁桥进行结构分析,根据拟定的桥梁尺寸建立桥梁基本模型,对主梁恒载内力和活载内力进行计算,并进行内力组合得到内力包络图。
然后进行预应力钢束估算和预应力损失的计算。
最后对结构进行强度和应力验算以及行车道板的计算。
经过分析验算表明该设计计算方法正确,基本满足要求。
关键词:Midas软件;混凝土连续梁桥;内力;结构分析;验算ABSTRACTIn this design, according to the topography, and project requirements,according to the current highway bridge design specification of prestressed concrete continuous girder bridge forward, arch bridge three schemes. structure after the bridge of various final choice of three-span prestressed concrete continuous girder bridge design for this recommendation.This design uses Midas software for prestressed concrete continuous beam bridge structural analysis, building bridges basic model developed based on the size of the bridge, and then to Internal force on the girder dead load and live load force calculated to obtain a combination of internal forces and internal forces envelope. Then calculate estimates prestressed steel beams and prestressed losses. Finally, the calculation of the structure and the strength and stress checking carriageway board. After checking the analysis shows that the design calculations correctly, basically meet the requirements.KEY WORDS:Midas software;concrete continuous girder bridge;Internal forces;Structure analysis;checking computation目录第一章概述 (1)1.1预应力混凝土连续梁桥概述 (1)1.2技术标准 (3)1.3地质状况 (3)1.4采用材料 (3)1.5设计依据 (3)第二章方案比选 (4)2.1构思宗旨 (4)2.2比选标准及设计原则 (4)2.3设计方案 (4)2.4方案比选 (7)2.5方案确定 (8)第三章三跨预应力混凝土连续梁桥总体布置 (9)3.1桥型布置 (9)3.2桥梁截面形式 (9)3.3桥梁下部结构 (12)3.4本桥使用材料 (12)第四章内力计算 (13)4.1全桥结构单元的划分 (13)4.2全桥施工节段划分 (13)4.3主梁恒载内力计算 (15)4.4主梁活载内力计算 (18)4.5内力组合 (21)第五章预应力钢束的估算与布置 (27)5.1钢束估算 (27)5.2预应力钢束布置 (37)5.3预应力损失的计算 (38)第六章强度和应力验算 (47)6.1正截面抗弯承载力验算 (47)6.2斜截面抗剪承载力验算 (50)6.3正截面抗裂验算 (53)6.4斜截面抗裂验算 (56)6.5短暂状况预应力混凝土受弯构件应力验算 (59)第七章行车道板的计算 (67)7.1主梁桥面板按单向板计算 (67)7.2活载内力计算 (67)7.3主梁悬臂板的计算 (68)7.4行车道板的设计内力 (69)7.5桥面板配筋 (69)参考文献 (71)外文原文 (72)外文翻译 (82)致谢 (98)第一章概述1.1预应力混凝土连续梁桥概述预应力混凝土连续梁桥以结构受力性能好、变形小、伸缩缝少、行车平顺舒适、造型简洁美观、养护工程量小、抗震能力强等而成为最富有竞争力的主要桥型之一。
预应力砼连续梁计算一、设计参数1构造尺寸预应力砼连续梁跨径L=30+30+30m桥宽B=13.0m,梁高1.8m,截面两侧挑臂各 2.87m ,挑臂端部高度0.2m。
梁体跨中截面顶板厚0.22m,底板厚0.22m,腹板厚0.4m。
支点截面顶板厚0.22m,底板厚0.4m,腹板厚0.6m。
典型截面如下图:图1.1支点横断面图1.2跨中横断面2. 材料(1) 混凝土:C50砼(2) 预应力体系预应力采用0 j15.24mm高强度低松弛钢绞线,弹性模量 1.95 x 105MPa后张法,塑料波纹管,须符合(GB/T5224-1995)技术标准。
3. 设计荷载(1)恒载:一期恒载:钢筋混凝土丫 = 26kN/m3;二期恒载:桥面铺装:8cm砼+ 9cm沥青;砼栏杆10kN/m/侧。
⑵汽车荷载:公路I级,3车道车道折减系数0.78,偏载系数1.15 ;冲击系数:参照《公路桥涵设计通用规范》第432条。
(3) 混凝土徐变及收缩的影响:混凝土徐变系数参照《公路钢筋混凝土及预应力混凝土桥涵设计规范》附录F取用。
(4) 温度影响(T):箱梁日照温差参照《公路桥涵设计通用规范》(JTGD60—2004)第4310条竖向温度梯度进行计算。
(5) 基础变位:按支座不均匀沉降1cm考虑。
4. 荷载组合(1 )承载能力极限状态组合一、组合I:基本组合。
按规范JTG D60—2004第4.1.6条规定。
按此组合验算结构的承载能力极限状态的强度。
(2)正常使用极限状态内力组合一、组合I:长期效应组合。
按规范JTG D60—2004第4.1.7条规定。
二、组合H:短期效应组合。
按规范JTG D60—2004第4.1.7条规定。
三、组合川:标准值组合。
二、主梁纵向平面受力分析计算1. 纵向平面分析的有限元模型主梁纵向平面分析采用桥梁分析专用软件《桥梁博士 3.1.0版》,有限元模型见下图。
全桥共分为96个单元。
许阡阿吐仃丫计节T悄巾幵TITm幵T門『f怖聊幵广椚TTTT幵曾f TT严申T汙忻HTTf FfTT悄艸if图2.1纵向分析的有限元模型2. 内力组合恒载作用下(未计预应力):I 8259 18259图2.2恒载作用下弯矩图(kN・m活载作用下(未计预应力)图2.4活载作用下弯矩包络图(kN・m3•应力验算A类预应力构件受弯构件抗裂计算包括正截面和斜截面抗裂验算,须满足规范(JTG D62-2004 )第6.3.1 条规定。
机场快速路连接线工程3x35m连续梁结构计算报告审查:校核:编写:目录1概述 (1)1.1项目概况 (1)1.2主要技术标准和资料 (2)1.3主要设计规范 (2)1.4主要材料与力学指标 (2)1.5施工方法 (3)1.6效应方向 (3)2桥梁静力分析 (3)2.1计算说明 (3)2.1.1计算内容 (4)2.1.2依据资料 (4)2.1.3计算原则与方法 (4)2.1.4计算结论与问题 (4)2.1.5设计计算荷载 (4)2.1.6荷载组合 (6)2.1.7计算模型 (7)2.2主梁验算 (8)2.2.1结构尺寸 (8)2.2.2主梁内力和应力 (9)2.2.3持久状况承载能力极限状态验算 (11)2.2.4持久状况正常使用极限状态验算 (13)2.2.5持久状况和短暂状况构件应力验算 (14)2.3桥墩验算 (15)2.3.1桥墩构造及配筋 (15)2.3.2桥墩内力 (16)2.3.3持久状况承载能力极限状态验算 (17)2.3.4持久状况正常使用极限状态验算 (18)2.4基础验算 (18)2.4.1桩身强度验算 (18)2.4.2桩基承载力验算 (23)3抗震计算 (26)1概述1.1项目概况某快速路连接线工程,道路全长5.185公里,起点为东山北路北延与产业大道交叉口,线路自西向东延伸,与机场快速路平交后,转为由北向南,经某特色小镇东侧,止于四道口。
非机动车道桥为3×35m预应力混凝土连续刚构桥,主梁为单箱单室等高箱梁,桥面宽4.5m,梁高2.0m,箱梁顶板宽4.5m,底板宽2.25m。
详见图图1-1、图1-2。
2号墩与主梁固结,墩高4.5m,桩长24m,1号墩设置支座,墩高5.5m,桩长24m。
桥面铺装采用10cm厚沥青砼。
主梁采用C50砼,主墩采用C40砼,承台采用C35砼,桩基采用C30水下砼。
图1-1 桥型立面布置图(单位:cm)图1-2 箱梁断面图(单位:cm)1.2 主要技术标准和资料主要技术标准:——荷载等级:小型车专用道路设计汽车荷载(不计冲击)和人群荷载取大值 ——设计使用年限:100年 ——设计基准期:100年 ——环境类别:Ⅰ类——抗震设防标准:地震基本烈度为6度;地震动峰值加速度0.05g ;抗震设防分类:丙类;抗震设计方法:C 类设计基本资料:——结 构:现浇预应力混凝土连续刚构 ——标准跨径:3×35m ——桥面宽度:4.5m=净-3.5m+2×0.5m 防撞护栏1.3 主要设计规范——《城市桥梁设计规范》(CJJ11-2011); ——《城市桥梁抗震设计规范》(CJJ 166-2011); ——《公路工程技术标准》(JTG B01-2014);——《工程可靠性设计统一标准》(GB/T 50153-2008); ——《公路桥涵设计通用规范》(JTG D60-2015);——《公路钢筋混凝土及预应力混凝土桥涵设计规范》(JTG 3362-2018); ——《公路桥涵施工技术规范》(JTG F50-2011); ——《混凝土结构耐久性设计规范》(GB/T 50476-2008)。
桥涵通用图30米现浇预应力混凝土箱梁下部构造(路基宽9.0 米,R=80m)计算书计算:汪晓霞复核:审察:二〇二〇年七月30m 连续箱梁下部构造计算(B=9m,R=80m )第一部分基础资料一、计算基本资料1技术标准与设计规范:1)中华人民共和国交通部标准《公路工程技术标准》( JTG B01-2014 )2)中华人民共和国交通部标准《公路桥涵设计通用规范》( JTG D60-2015 )3)中华人民共和国交通部标准《公路钢筋混凝土及预应力混凝土桥涵设计规范》(JTG 3362-2018 )4)交通部标准《公路桥涵地基与基础设计规范》( JTG D63-2007 )2桥面净空:净 -8.0 米3汽车荷载:公路Ⅰ级,构造重要性系数4资料性能参数1)混凝土C30 砼:墩柱、墩柱系梁 ,主要强度指标:强度标准值f ck=20.1MPa ,f tk=强度设计值f cd=13.8MPa ,f td=弹性模量 E =4M pac2)一般钢筋a)HPB300 钢筋其主要强度指标为:抗拉强度标准值 f sk=300MPa抗拉强度设计值 f sd=250MPa弹性模量E s=2.1x10 5MPab)HRB400 钢筋其主要强度指标为:抗拉强度标准值 f sk=400MPa抗拉强度设计值 f sd=330MPa弹性模量 E =5M Pasc)HRB500 钢筋其主要强度指标为:抗拉强度设计值f sd=415MPa弹性模量E s=2.0x10 5MPa5主要构造尺寸上部构造为 2×30m ~ 4×30m 一联 ,现浇连续预应力箱形梁。
每跨横向设 2 个支座。
桥墩墩柱计算高取10 、15 、17 米,直径、 1.6 米。
因无法预计各桥的实际部署情况及地形、地质因素,墩顶纵向水平力,分别按 2 跨一联、 3 跨一联、 4跨一联,墩柱取等高度及等刚度计算。
应用本通用图时,应依照本质分联情况,核实桥墩构造尺寸及配筋可否满足受力要求。
目 录1 概述 (1)1.1 设计特点与思路 (1)1.2 设计资料 (1)1.2.1 桥梁线型布置 (1)1.2.2 主要技术标准 (1)1.2.3 主要材料 (1)1.2.4 施工方式 (2)1.2.5 支座沉降 (2)1.2.6 设计计算依据 (2)1.2.7 基本计算数据 (3)1.3 设计要点及结构尺寸拟定 (4)1.3.1 设计要点 (4)1.3.2 桥梁结构图式 (4)1.3.3 上部结构截面形式及截面尺寸拟定 (4)2 上部结构计算 (7)2.1模型建立 (7)2.1.1 模型概况 (7)2.1.2 施工阶段划分 (8)2.1.3 荷载工况 (8)2.2 主梁计算 (8)2.2.1 主梁内力计算 (8)2.2.2 预应力钢筋估算及布置 (20)2.2.3 预应力损失及有效预应力计算 (24)2.2.4 主梁截面强度验算 (29)2.2.5 抗裂验算 (31)2.2.6 持久状况构件的应力验算 (35)2.2.7 短暂状况构件的应力验算 (40)2.2.8 挠度验算 (43)2.2.9 预加力引起的反拱计算及预拱度的设置 (44)2.2.10 锚下混凝土局部承压验算 (45)3 下部结构计算 (47)3.1 设计资料 (47)3.1.1 水文与地质资料 (47)3.1.2 桥墩尺寸与材料 (48)3.1.3 荷载情况 (49)3.2 原始数据 (49)3.3 墩柱计算 (50)3.3.1 柱顶截面内力计算 (50)3.3.2 荷载组合 (52)3.3.3 柱顶截面配筋 (55)3.3.4 裂缝验算 (56)3.3.5 柱稳定性验算 (57)3.4 桩基计算 (57)3.4.1 桩顶截面计算 (57)3.4.2 地下水位截面计算 (62)3.4.3 桩长计算 (66)3.4.4 土中最大弯矩计算 (70)3.4.5 桩身截面配筋计算与裂缝验算 (72)3.4.6 桩身强度验算 (76)3.5 水平位移验算 (77)3.6 沉降验算 (78)1 概述1.1 设计特点与思路北华路上跨桥在北华路(顺德一环支线)上,跨越顺德一环主线,属佛山市顺德区快速干线网二期工程中的一座重要的桥梁。
长深公路遵化(承唐界)至南小营段公铁分离立交桥工程3×30m连续箱梁计算1.工程概述本工程为长深公路遵化(承唐界)至南小营段上跨唐遵铁路分离式立交桥工程。
交叉点铁路里程为唐遵TK54+429m,交叉点斜角角度为110º。
桥梁起点里程为K20+546.9m(耳墙尾),终点里程为K21+185.1m(耳墙尾),桥梁全长638.20m。
2.设计依据3.设计标准及技术规范3.1.中华人民共和国交通部发布《公路工程技术标准》(JTG B01-2003)3.2.中华人民共和国交通部发布《公路桥涵设计通用规范》(JTGD60-2004)3.3.中华人民共和国交通部发布《公路钢筋混凝土及预应力混凝土桥涵设计规范》(JTG D62-2004)3.4.中华人民共和国交通部发布《公路工程抗震设计规范》(JTJ 004-89)4.技术标准4.1.道路等级:公路-Ⅰ级,设计车速80km/h;双幅双向四车道。
4.2.桥面宽度:桥面全宽26.0m,双幅净11.5m宽机动车道+0.75m 钢波形梁护栏+0.5m钢筋混凝土墙式护栏,两幅间距0.5m。
4.3.轨顶限高:桥梁底部距既有规划铁路轨顶不小于7.6m,以满足铁路双层集装箱运输的要求。
4.4.地震基本烈度:地震动峰值加速度0.1g-0.15g,地震动反应谱特征周期为0.4-0.45。
4.5.桥梁纵坡:纵坡3.0﹪。
4.6.竖曲线半径:5000m。
4.7.桥梁横坡:2.0﹪。
4.8.桥面铺装:10cm沥青混凝土面层+10cmC40号混凝土调平层。
5.主要材料5.1.混凝土预制箱梁、边横梁:C50混凝土。
现浇接头、湿接缝:C50混凝土。
混凝土调平层:C40混凝土。
5.2.钢材5.2.1.预应力钢绞线:采用高强度低松弛型,公称直径d=15.2mm(Sφ)。
5.2.2.普通钢筋:采用HRB335(φ)。
5.2.3.其它钢材:采用A3钢。
5.3.其它5.3.1.锚具及管道成孔:预制箱梁锚具采用OVM.M15型锚具及其配套设备,管道成孔采用预埋金属波纹管;箱梁连续接头处顶板锚具采用BM15型锚具及其配套设备,管道成孔采用预埋金属波纹管。
7.2简支T梁边梁使用阶段验算(1)正常使用极限状态验算●正常使用极限状态作用长期效应组合下简支边梁拉应力:仅摘取支撑中心线(2#节点)、1/4跨(9#节点)及半跨(16号节点)处计算结果(应力单位:Mpa,压为正,拉为负)●正常使用极限状态作用短期效应组合下简支边梁拉应力:仅摘取支撑中心线(2#节点)、1/4跨(9#节点)及半跨(16号节点)处计算结果(应力单位:Mpa,压为正,拉为负)●正常使用极限状态作用简支边梁压应力:仅摘取支撑中心线(2#节点)、1/4跨(9#节点)及半跨(16号节点)处计算结果(应力单位:Mpa,压为正,拉为负)● 正常使用极限状态简支T 形梁边梁截面验算边梁为C50预应力混凝土结构。
按《公路钢筋混凝土及预应力混凝土桥涵设计规范》(JTG D62-2019)第6.3.1条、第7.1.5条、第7.1.6条,混凝土构件的法向应力和主拉、压应力及部分预应力混凝土A 类受弯构件的法向拉应力应符合下面规定:法向压应力限值: 0.5ck f =0.5×32.4=16.2 Mpa法向拉应力限值(短期效应组合):0.7tk f =0.7×2.65=1.855 Mpa主压应力限值: 0.6ck f =0.6×32.4=19.44 Mpa主拉应力限值(短期效应组合): 0.7tk f =0.7×2.65=1.855 Mpa由正常使用极限状态荷载组合应力表中可知:在荷载组合作用下,边梁截面应力均满足要求。
使用荷载作用下,简支边梁各束预应力钢绞线最大拉应力值为1171 Mpa ,小于按《公路钢筋混凝土及预应力混凝土桥涵设计规范》(JTG D62-2019)第7.1.5条,7股钢绞线最大拉应力限值0.65pk f =0.65×1860=1209 Mpa ,满足要求● 正常使用极限状态简支T 梁边梁竖向挠度验算在短期效应组合作用下,跨中16#节点最大竖向挠度为mm f 5.25max =(↑)。
题目学院(系):专业班级:学生姓名:指导老师:学位论文原创性声明本人郑重声明:所呈交的论文是本人在导师的指导下独立进行研究所取得的研究成果。
除了文中特别加以标注引用的内容外,本论文不包括任何其他个人或集体已经发表或撰写的成果作品。
本人完全意识到本声明的法律后果由本人承担。
作者签名:2007 年月日学位论文版权使用授权书本学位论文作者完全了解学校有关保障、使用学位论文的规定,同意学校保留并向有关学位论文管理部门或机构送交论文的复印件和电子版,允许论文被查阅和借阅。
本人授权省级优秀学士论文评选机构将本学位论文的全部或部分内容编入有关数据进行检索,可以采用影印、缩印或扫描等复制手段保存和汇编本学位论文。
本学位论文属于1、保密囗,在年解密后适用本授权书2、不保密囗。
(请在以上相应方框内打“√”)作者签名: 2007年月日导师签名: 2007年月日摘要 (II)Abstract (II)绪论 (1)1上部结构设计概述 (3)1.1设计基本资料 (3)1.2 截面形式及截面尺寸拟定 (4)1.3毛截面几何特性计算 (5)2 上部结构内力计算 (9)2.1 单元划分 (9)2.2 恒载内力计算 (10)2.3 温度及墩台基础沉降次内力计算 (11)2.4 收缩次内力 (15)2.5 活载组合内力计算 (16)2.6 内力组合 (18)3 预应力钢束的估算与布置 (23)3.1 计算原理 (23)3.2预应力钢束的估算 (27)3.3 预应力钢束布置 (29)3.4预应力损失计算 (31)4 普通钢筋估算 (36)5 强度验算 (38)6 应力、变形验算 (40)6.1基本原理 (40)6.2施工阶段应力验算 (41)6.3 使用阶段应力验算 (47)6.4 挠度的计算与验算预拱度的设计 (57)7 桥墩的计算 (60)7.1 设计资料 (60)7.2 墩柱计算 (61)8 钻孔灌注桩计算 (64)8.1 荷载计算 (65)8.2 桩长计算 (66)8.3 桩的内力计算(m法) (66)8.4 桩顶纵向水平位移验算与桩身材料截面强度验算 (69)结束语 (72)致谢 (73)参考文献 (74)根据设计任务书要求和设计规范的规定,本着“安全、适用、经济、美观”八字原则,对平南高速公路D匝道桥第三联进行了设计。
30⽶组合梁计算书30m组合梁结构计算书1 ⼯程概况上部结构采⽤1x30m简⽀组合梁结构,两侧⼈⾏道各3m,车⾏道15m。
上部结构由6⽚钢梁及混凝⼟桥⾯板组成,钢梁⾼度0.9m,混凝⼟桥⾯板厚度0.2~0.25m,钢梁宽度2m,钢梁之间距1.5m,梁顶设置1.5%横坡。
典型断⾯如图1-1所⽰。
图1-1 组合梁典型断⾯图(单位:mm)2 技术标准和设计依据2.1技术标准(1)桥⾯布置:3m⼈⾏道+15m⾏车道+3m⼈⾏道=21m全宽(2)设计车道数:双向4车道(3)桥⾯横坡:1.5%(双向坡)(4)荷载等级:城市-A级2.2设计规范1、《城市桥梁设计规范》(CJJ11-2011)2、《公路⼯程技术标准》(JTGB01-2003)3、《公路桥涵钢结构及⽊结构设计规范》(JTJ 025-86)4、《公路桥涵设计通⽤规范》JTG D60-20045、《公路钢筋混凝⼟及预应⼒混凝⼟桥涵设计规范》(JTG D62-2004)7、《钢结构设计规范》(GB50017-2003)8、《桥梁⽤结构钢》(GB/T 714-2000)9、《公路桥梁钢结构防腐涂装技术条件》(JT/T 722-2008)3 主要材料及技术参数3.1钢材钢材采⽤Q345qE钢,其技术指标应符合GB/T 714-2000的规定,弹性模量E=2.1×105Mpa,剪切模量G= 0.81×105MPa。
钢材容许应⼒见下表:表3-1 钢材容许应⼒表3.2混凝⼟桥⾯板采⽤C50混凝⼟,混凝⼟指标见下表:混凝⼟⼒学性能指标表4 组合梁上部结构纵向计算4.1计算⽅法与模型本计算采⽤桥梁博⼠3.3.0计算程序,对主梁进⾏容许应⼒计算。
根据刚接板梁法计算得出各⽚梁的横向分布系数见表4-1,以下验算是对最不利边梁(1#、6#梁)进⾏验算。
表4-1 各⽚梁横向分布系数表组合梁的整体分析采⽤弹性⽅法,组合梁计算模型和荷载应考虑施⼯过程的影响,混凝⼟硬化前,钢梁、混凝⼟桥⾯板、模板等⼀期恒载及施⼯荷载由钢梁承担;混凝⼟硬化后,桥⾯铺装、⼈⾏道等⼆期恒载及活荷载由组合梁承担。
北引桥横梁配筋计算本桥均为40m 连续箱梁结构。
通过上部结构计算可知最不利荷载组合:汽车荷载作用时 竖向力 G=2121.1KN 绕Z 扭矩 TZ =-8322.0KN.m人群荷载作用时 竖向力 G=345.9KN 绕Z 扭矩 TZ =-2230.5KN.m恒载(含轻轨轨道自重及轻轨活载共5118.6KN )作用时竖向力 G=31023.2KN 绕Z 扭矩 TZ =11719.6KN.m故偏心距为:e 汽车G Tz ==-3.92m由于箱梁两边悬臂长度的不等,导致了其偏心的产生,现为使其恒载均匀的传至3个支座处,可以假设在悬臂长的那一端削去部分悬臂,使得两边悬臂相等。
通过计算得知削去的悬臂体积为21.96m3,故削去部分自重为:G 削=21.96*26=570.96KN故可均布恒载为:G=31571.7-5118.6-570.96=25882.14KN故分到下面3个支座的力分别为:N1’=N2’=N3’=25882.14/3=8627.38KN3.最后计算削去部分自重、轻轨自重及其活载可求得反力:N1’’=570.96KN N2’’=0KN N3’’=5118.6KN中支点弯矩M1=-3023.1KN.m4.将上述结果叠加即为支座所受反力:N1终=N1+N1’+N1’’=10937.9KNN2终=N2+N2’+N2’’=9499.5KNN3终=N3+N3’+N3’’=13601.2KNM1=-3833.8 KN.m5.求弯矩及剪力根据求得的力列弯矩方程得M max=3006.5 KN.mM min=-3833.8KN.mQ max=4973.8 KN6.计算配筋。
将M max、M min、Q max带入数据文件,由Bricad系统中的BAR.EXE小程序计算出横梁截面钢筋根数,结果文件如下。
**************************************** 恒通软件配筋计算结果** ****************************************输入数据文件名:f:\bar\byqppx.dat主筋直径(mm): 32 离梁底距(cm):10.0箍筋直径(mm): 12 箍筋肢数: 6斜筋直径(mm): 32混凝土标号: 50********************************截面座标(m)= 0********************************正弯矩配筋受压区高度(强度) = .7(cm)受压区高度(抗裂) = 9.3(cm)强度系数=99.99主筋根数(强度) = 1 ( .1 平方厘米)主筋根数(抗裂) = 2 ( 8.1 平方厘米)箍筋间距(cm) =50.0斜筋根数= 0 ( .0 平方厘米)斜截面水平长(cm) = 60.0裂缝宽度(mm) = .002负弯矩配筋受压区高度(强度) =27.6(cm)受压区高度(抗裂) =30.3(cm)强度系数= 9.06主筋根数(强度) = 10 ( 72.9 平方厘米)主筋根数(抗裂) = 12 ( 89.0 平方厘米)箍筋间距(cm) =34.3斜筋根数= 26 (205.2 平方厘米)斜截面水平长(cm) = 46.2裂缝宽度(mm) = .188********************************截面座标(m)= 1.68********************************正弯矩配筋受压区高度(强度) =24.5(cm)受压区高度(抗裂) =27.7(cm)强度系数=10.59主筋根数(强度) = 8 ( 57.2 平方厘米)主筋根数(抗裂) = 10 ( 73.3 平方厘米)箍筋间距(cm) =50.0斜筋根数= 0 ( .0 平方厘米)斜截面水平长(cm) =432.0裂缝宽度(mm) = .179负弯矩配筋受压区高度(强度) = .7(cm)受压区高度(抗裂) = 9.3(cm)强度系数=99.99主筋根数(强度) = 1 ( .1 平方厘米)主筋根数(抗裂) = 2 ( 8.1 平方厘米)箍筋间距(cm) =50.0斜筋根数= 0 ( .0 平方厘米)斜截面水平长(cm) = 60.0裂缝宽度(mm) = .002。
3×30m连续梁下部结构计算书1.工程概况桥梁上部为3×30m跨预应力混凝土连续梁,主梁总宽度为12m,梁高为1.6m。
主梁采用单箱双室断面,其中主梁悬臂长 2.0m,标准断面箱室顶板厚0.22m,底板厚0.2m,腹板厚0.45m,中支点及边支点断面箱室顶板厚0.37m,底板厚0.32m,腹板厚0.65m,两断面间设长2.5m的渐变段。
混凝土主梁采用C50混凝土现场浇注,封端采用C45混凝土。
主梁中墩采用两根直径1.6m圆柱,下接直径1.8m桩基,左侧中墩高7m,右侧墩柱高8.5m。
主梁边墩采用盖梁+直径1.6m双柱中墩,下接直径1.8m桩基形式;中、边墩横桥向中心距均为5.6m。
主梁边支点采用普通板式橡胶支座,中墩与主梁固结。
2.设计规范《城市桥梁设计准则》(CJJ11—93);《城市桥梁设计荷载标准》(CJJ77—98);《公路工程技术标准》(JTGB01-2003);《公路桥涵设计通用规范》(JTG D60-2004);《公路钢筋混凝土及预应力混凝土桥涵设计规范》(JTG D62-2004));《公路桥涵地基与基础设计规范》(JTG D63—2007);《公路桥梁抗震设计细则》(JTG/T B02-01-2008);《公路桥涵施工技术规范》(JTJ041-2000);3.静力计算3.1 计算模型由于主梁支撑中心与其中心线斜正交,且主梁平面基本为直线,因此建立平面杆系模型计算结构的内力及变形。
桥梁内力及位移的计算均采用桥梁博士3.0有限元程序进行,其中边支点仅采用竖向支撑,中墩底部采用弹性支撑,其支撑刚度根据m法计算(m0=1.2×105kN/m4,K水平=2.4×106kN/m,K弯曲=1.1×107kN.m/rad)。
根据桥梁结构受力特点,其计算模型见下图。
主梁计算模型3.2 计算荷载3.2.1 结构自重及二期恒载盖梁结构自重:混凝土容重按26kN/m3计;二期恒载:桥面铺装0.18×11.04×25=49.7kN/m;防撞护栏及挂板等每侧6.5kN/m二期恒载合计:62.7kN/m。
广青公路二期(洛水至红白镇段)工程蓥华大桥3×30m连续梁下部结构计算书1.工程概况桥梁上部为3×30m跨预应力混凝土连续梁,主梁总宽度为12m,梁高为1.6m。
主梁采用单箱双室断面,其中主梁悬臂长 2.0m,标准断面箱室顶板厚0.22m,底板厚0.2m,腹板厚0.45m,中支点及边支点断面箱室顶板厚0.37m,底板厚0.32m,腹板厚0.65m,两断面间设长2.5m的渐变段。
混凝土主梁采用C50混凝土现场浇注,封端采用C45混凝土。
主梁中墩采用两根直径1.6m圆柱,下接直径1.8m桩基,左侧中墩高7m,右侧墩柱高8.5m。
主梁边墩采用盖梁+直径1.6m双柱中墩,下接直径1.8m桩基形式;中、边墩横桥向中心距均为5.6m。
主梁边支点采用普通板式橡胶支座,中墩与主梁固结。
2.设计规范《城市桥梁设计准则》(CJJ11—93);《城市桥梁设计荷载标准》(CJJ77—98);《公路工程技术标准》(JTGB01-2003);《公路桥涵设计通用规范》(JTG D60-2004);《公路钢筋混凝土及预应力混凝土桥涵设计规范》(JTG D62-2004));《公路桥涵地基与基础设计规范》(JTG D63—2007);《公路桥梁抗震设计细则》(JTG/T B02-01-2008);《公路桥涵施工技术规范》(JTJ041-2000);3.静力计算3.1 计算模型由于主梁支撑中心与其中心线斜正交,且主梁平面基本为直线,因此建立平面杆系模型计算结构的内力及变形。
桥梁内力及位移的计算均采用桥梁博士3.0有限元程序进行,其中边支点仅采用竖向支撑,中墩底部采用弹性支撑,其支撑刚度根据m法计算(m0=1.2×105kN/m4,K水平=2.4×106kN/m,K弯曲=1.1×107kN.m/rad)。
根据桥梁结构受力特点,其计算模型见下图。
主梁计算模型3.2 计算荷载3.2.1 结构自重及二期恒载盖梁结构自重:混凝土容重按26kN/m3计;二期恒载:桥面铺装0.18×11.04×25=49.7kN/m;防撞护栏及挂板等每侧6.5kN/m二期恒载合计:62.7kN/m。
3.2.2 汽车活载:汽车活载:采用公路Ⅰ级车道荷载,按3车道布载汽车冲击:正弯矩区0.273;负弯矩区0.37;偏载系数:1.15;车道折减系数:0.8。
3.2.3 其它荷载体系温差:+30℃;-30℃;桥面日照温差:+14℃;-7℃(按规范模式加载);基础沉降:各墩柱取5mm;混凝土收缩、徐变:按规范计算3.3 主梁预应力钢束设置预应力钢束采用13×7φ5高强低松弛预应力钢铰线,其标准强度为1860MPa,张拉控制应力为1302MPa。
主梁共布置三排钢束,每排布置6束。
预应力钢束的整体布置见下图。
主梁预应力钢束布置图钢束1输入信息钢束2输入信息钢束3输入信息3.4 墩柱计算结果中墩采用C40混凝土现浇,按普通钢筋混凝土构件设计。
各工况下,墩柱受力情况见下表。
左中墩墩顶内力统计表左中墩墩底内力统计表右中墩墩顶内力统计表右中墩墩底内力统计表中墩各控制截面配筋验算见下表:中墩控制截面配筋验算表说明:墩柱斜截面抗剪强度由地震偶然组合(E2)控制,故此处不进行验算。
从上表可以看出,墩柱配筋满足规范要求。
4.结构抗震验算4.1 计算模型建立空间杆系模型,采用Midas/Civil 2006软件进行抗震相关计算分析。
其中主梁、横梁、墩柱、桩基、系梁均采用空间梁单元模拟,为简化计算,主梁边支撑仅考虑板式橡胶支座刚度,不再考虑边墩盖梁、墩柱、桩基与支座的刚度耦合。
利用节点弹性支撑模拟桩—土相互作用,其顺桥向、横桥向及竖向约束刚度采用m法计算(其中m0=2×1.2×105kN/m4,C z=7.5×106kN/m2)。
计算模型见下图。
结构地震响应通过加速度反应谱分析得到,其中模态组合采用CQC法。
墩柱屈服弯矩、极限承载力及顺桥向横桥向容许位移通过静力弹塑性分析得到,其中采用FEMA铰模拟墩柱塑性铰特性。
3×30m 连续梁计算模型4.2 计算参数根据《公路桥梁抗震设计细则》(JTG/T B02-01-2008),本桥抗震设防类别按B 类考虑。
根据蓥华大桥地质勘察报告,桥址处场地抗震设防烈度为Ⅶ度,设计地震分组为第二组,设计基本地震加速度为0.15g ,地震动反应谱特征周期为0.40S 。
设防目标:E1地震作用下,一般不受损坏或不需修复可继续使用;E2地震作用下,应保证不致倒塌或产生严重结构损伤,经临时加固后可维持应急交通使用。
根据抗震规范6.1.3,本桥为规则桥梁;根据抗震规范表6.1.4,本桥E1、E2作用均可采用SM/MM 分析计算方法。
当抗震分析采用多振型反应谱法,水平设计加速度反应谱S 由下式(规范5.2.1)确定:max max max (5.50.45)0.10.1(/)gg g S T T sS S s T T S T T T T ⎧+<⎪=≤≤⎨⎪>⎩其中m a x 2.25i s d S C C C A= 式中:Tg —特征周期(s); T —结构自振周期(s);S—水平设计加速度反应谱最大值;maxCi—抗震重要性系数;Cs—场地系数;Cd—阻尼调整系数;A—水平向设计基本地震加速度峰值。
反应谱拟合的相关参数见下表:E1地震作用加速度反应谱E2地震作用加速度反应谱4.3 E1地震验算地震偶然荷载作用下(E1)结构内力见下图。
地震偶然荷载作用下(E1)顺桥向最不利弯矩对应轴力地震偶然荷载作用下(E1)顺桥向最不利弯矩地震偶然荷载作用下(E1)横桥向最不利弯矩对应轴力地震偶然荷载作用下(E1)横桥向最不利弯矩地震偶然荷载组合(E1)下中墩各控制截面配筋验算见下表:中墩控制截面配筋验算表说明:墩柱斜截面抗剪强度由地震偶然组合(E2)控制,故此处不进行验算。
从上表可以看出,墩柱配筋满足规范要求。
4.4 E2地震验算4.4.1 E2地震作用下墩柱容许位移验算 4.4.1.1 墩柱有效抗弯刚度计算由公式(B.0.1-2),墩柱截面屈服曲率φy 为:00277.06.1002.0213.2213.2=⨯==Dyy εφ通过弹塑性分析得到铰的基本铰属性,计算墩柱截面顺桥向及横桥向屈服弯矩My 。
墩柱截面顺桥向弯矩-位移曲线墩柱截面横桥向弯矩-位移曲线因此墩柱塑性铰区域截面顺桥有效抗弯刚度:cy E φy eff M I ==7700/(0.00277×3.250×107)=0.0855(m 4)墩柱塑性铰区域截面有限刚度系数=0.0855/(π×1.64/64)=0.266墩柱塑性铰区域截面横桥有效抗弯刚度:cy E φy eff M I ==6125/(0.00277×3.250×107)=0.0680(m 4)墩柱塑性铰区域截面有限刚度系数=0.0680/(π×1.64/64)=0.211。
4.4.1.2 墩柱等效塑性铰长度计算根据上式,左墩柱等效塑性铰长度为0.5m ,右墩柱等效塑性铰长度为0.6m 。
4.4.1.3 E2作用下位移计算在E2地震作用下,墩柱顺桥向及横桥向最大位移见下图。
E2地震作用下顺桥向位移(δXmax =3.0cm )E2地震作用下横桥向位移(δYmax=2.5cm)4.4.1.4 墩柱容许位移计算根据规范7.4.8条建立弹塑性分析模型计算墩柱顺桥向及横桥向容许位移。
墩柱顺桥向荷载位移曲线(△u =15.3cm)墩柱横桥向荷载位移曲线(△u=13.3cm)4.4.1.5 墩柱容许位移验算E2地震作用下,墩顶的顺桥向和横桥向水平位移按抗震规范第6.7.6条计算,△d=Cδ。
场地特征周期Tg =0.4S,顺桥向结构自振周期T=0.58>Tg,查表6.7.6 c=1;横桥向结构自振周期T=0.69>Tg。
查表6.7.6 c=14.4.2 E2地震作用墩柱斜截面抗剪承载力验算4.4.2.1 墩柱顺桥向剪力设计值墩顶、底顺桥向潜在塑性区域极限弯矩图因此,顺桥向墩柱塑性铰区域抗剪承载力设计值:5.8876590412.100+⨯=+=n s zc x zc c H M M V φ=2514kN 4.4.2.2 墩柱横桥向剪力设计值墩顶、底横桥向潜在塑性区域极限弯矩图因此,横桥向墩柱塑性铰区域抗剪承载力设计值:5.810198103012.100+⨯=+=n s hc x hc c H M M V φ=2894kN 4.4.2.3 墩柱斜截面抗剪承载力验算由上述计算可知,墩柱塑性铰区域斜截面抗剪承载力由横桥向控制,其承载力验算见下表。
墩柱塑性铰区域斜截面抗剪承载力验算表4.4.3 E2地震作用桩基强度验算E2地震作用下,桩基内力按规范6.8.5条及其条文说明计算,由上述计算可知,桩基配筋由横向弯矩控制。
E2地震作用下桩基最大内力E2地震作用下,桩基承载力验算见下表。
桩基配筋验算表桩基箍筋加密区采用2根φ16HRB335钢筋,间距为10cm,对应桩基斜截面抗剪承载力可满足规范要求。