钢筋混凝土轴心受力构件受压共40页
- 格式:ppt
- 大小:3.29 MB
- 文档页数:40
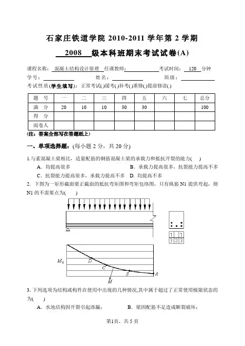
石家庄铁道学院2010-2011学年第2学期2008 级本科班期末考试试卷(A)课程名称:混凝土结构设计原理任课教师:考试时间:120 分钟学号:姓名:班级:考试性质(学生填写):正常考试( )缓考( )补考( )重修( )提前修读( )题号一二三四五六七总分满分20 10 10 30 30 100 得分阅卷人一、单项选择题:(每小题2分,共20分)1.与素混凝土梁相比,适量配筋的钢筋混凝土梁的承载力和抵抗开裂的能力( )A.均提高很多B.承载力提高很多,抗裂能力提高不多C.抗裂能力提高很多,承载力提高不多 D. 均提高不多2.下图为一矩形截面梁正截面的抵抗弯矩图和弯矩包络图,只有纵筋N1提供弯起,则N1的不需要点为( )3.下列选项为结构或构件在使用中出现的几种情况,其中属于超过了正常使用极限状态的为( )A.水池结构因开裂引起渗漏;B.梁因配筋不足造成断裂破坏;C .施工中过早拆模造成结构倒塌;D .偏心受压柱失稳破坏。
4.正常使用极限状态设计进行荷载效应的短期效应组合时,对可变荷载应采用( )A .标准值B .代表值C .频遇值D .准永久值5.对于钢筋混凝土无腹筋梁,当剪跨比m<1时,常发生的斜截面受剪破坏形态为( )A .弯曲破坏B .剪压破坏C .斜拉破坏D .斜压破坏 6.下列对于钢筋混凝土剪扭构件的承载力,说法不正确的是( )A .抗剪承载力比不受扭矩时的小;B .抗扭承载力比纯扭时的小;C .加大箍筋间距,对两种承载力没有影响;D .提高混凝土强度,承载力会提高。
7.矩形截面小偏心受压构件截面设计时,离轴向力较远一侧钢筋s A 可按最小配筋率配置,这是为了( )A .保证构件破坏时,s A 的应力能达到受拉屈服强度B .保证构件破坏时,s A 的应力能达到受压屈服强度C .保证构件破坏时,从s A 一侧先被压坏D .节约钢材用量,因为构件破坏时s A 的应力一般达不到屈服强度。
钢筋混凝土轴心受压构件的稳定系数是一个重要的参数,用于评估构件在受压状态下的稳定性。
在钢筋混凝土结构设计中,轴心受压构件承受的压力会引起构件的变形和破坏,因此需要通过稳定系数来考虑构件的稳定性,确保结构的安全性和可靠性。
在本文中,我将深入探讨钢筋混凝土轴心受压构件的稳定系数表,并分享一些关于这个主题的观点和理解。
1. 稳定系数的定义和意义稳定系数是指构件在受压状态下的稳定性与材料强度之间的比值。
它的值代表了构件抵抗稳定性失效的能力,是判断结构是否满足稳定性要求的关键指标。
稳定系数的计算通常基于一定的假设和理论模型,考虑到材料的弹性模量、几何形状、截面特性以及加载方式等因素。
通过建立稳定系数表,我们可以根据构件的几何形状和受力情况,查找相应的稳定系数值,从而进行结构设计和评估。
2. 稳定系数表的结构和内容稳定系数表包括了各种不同构件和截面形状的稳定系数数值,供工程师和设计人员参考使用。
它通常按照构件的类型和截面形状进行分类,提供了一系列的稳定系数数值。
稳定系数表的结构可以按照以下方式进行组织:2.1 构件类型分类:比如梁、柱、墙等,每种构件类型都有独立的稳定系数表。
2.2 截面形状分类:对于每种构件类型,按照不同的截面形状建立子表,比如矩形截面、圆形截面、T形截面等。
2.3 参数分类:在每个子表中,根据构件的尺寸、材料强度和约束条件等参数,列出相应的稳定系数数值。
3. 稳定系数表的应用和设计原则稳定系数表是钢筋混凝土结构设计中的重要工具,为设计人员提供了参考数值,帮助他们评估和选择合适的构件尺寸和截面形状。
在使用稳定系数表时,设计人员应该遵循以下几个原则:3.1 参考适用范围:稳定系数表通常针对一定的材料强度、构件尺寸范围和约束条件进行编制,设计人员需要根据实际情况选择合适的表格进行参考。
3.2 综合考虑各因素:稳定系数的数值取决于材料的强度、构件的几何形状和加载方式等因素,设计人员需要对这些因素进行综合考虑,以确保稳定系数的准确性和适用性。
《结构设计原理》总复习题《结构设计原理》总复习第⼀节名词解释题1. 混凝⼟强度等级2. 钢筋充分利⽤点3. 混凝⼟弹性模量4. 混凝⼟的割线模量5. 混凝⼟徐变6. 混凝⼟的标准强度7. 混凝⼟的切线模量8. 钢筋伸长率9. 弹性系数 10. 徐变系数 11. 钢筋屈服强度(条件屈服强度)12. 钢筋冷加⼯ 13. 配筋率 14. 换算截⾯ 15. 截⾯抵抗矩系数16. 结构极限状态 17. 钢筋的标准强度 18. 极限状态设计法 19. 钢筋的设计强度20. 混凝⼟设计强度 21. 冷拉 22. 梁界限破坏 23. 塑性破坏 24. 净换算截⾯25. 设计弯矩图 26. 剪跨⽐ 27. 钢筋不需要点 28. 斜拉破坏 29. 材料图 30. 斜压破坏 31. 短柱 32. 33. 34. 预应⼒砼 35. 先张法 36.后张法 37. 钢筋预应⼒损失 38. 时效(时效硬化)第⼆节选择题1. 混凝⼟割线模量 E’c 与弹性模量 E c 的关系 E’c=n E c 中的n确值当应⼒增⾼处于弹塑性阶段时,c(a) n >1;(b) n =1;(c) n <12. 我国现⾏规范中,混凝⼟⽴⽅体抗压强度 f cu 与其轴⼼抗压强度 f c 的关系为 d(a)f cu=0.5 f c 2/3 ;(b)f cu=0.7f c;(c)f cu=f c;(d)f c=0.7f cu3. 当混凝⼟双向受⼒时,它的抗压强度随另⼀⽅向压应⼒的增⼤⽽ a(a)增加;(b)减⼩;(c)不变4. 在轴向压⼒和剪⼒的共同作⽤下,混凝⼟的抗剪强度 c(a)随压应⼒的增⼤⽽增⼤;(b)随压应⼒的增⼤⽽减⼩;(c)随压应⼒的增⼤⽽增⼤,但压应⼒过⼤,抗剪强度反⽽减⼩5. 只配螺旋筋的钢筋混凝⼟柱体试件的抗压强度,⾼于混凝⼟抗压强度是因为 c(a)螺旋筋参与混凝⼟受压;(b)螺旋筋使混凝⼟密实;(c)螺旋筋约束了混凝⼟横向变形6. ⼀对称配筋的钢筋混凝⼟构件两端固定,由于混凝⼟收缩(未受外荷)b(a)混凝⼟中产⽣拉应⼒,钢筋中产⽣拉应⼒;(b)混凝⼟中产⽣拉应⼒,钢筋中⽆应⼒;(c) 混凝⼟和钢筋均不产⽣应⼒7. 在保持不变的长期荷载作⽤下,钢筋混凝⼟中⼼受压构件中 c(a)徐变使混凝⼟压应⼒减⼩,因为钢筋与混凝⼟共同变形,所以钢筋的压应⼒也减⼩;(b)由于徐变是应⼒不增加⽽变形随时间增长的现象,所以混凝⼟及钢筋的压应⼒均不变;(c)根据平衡,徐变使混凝⼟压应⼒减⼩,钢筋压应⼒增⼤8. 线性徐变不是指a(a)徐变与荷载持续时间 t 为线性关系;(b)徐变系数与初应变(⼒)成线性关系;(c)瞬时变形与徐变变形之和与初应⼒成线性关系9. ⽤对埋⼊混凝⼟中的钢筋施加拉⼒ P 以测定钢筋与混凝⼟之间的粘结⼒,当拉⼒ P ⼩于拔出⼒时,钢筋与混凝⼟之间的粘结⼒沿钢筋长度 l分布为 a(a)平均分布(b)三⾓形分布(c)抛物线分布10. 我国《规范》采⽤的混凝⼟的设计强度是 c(a)平均强度(b)标准强度除以安全系数 K(c)在⼀定保证率下的强度值(d)与安全系数 K 配套使⽤的强度值。
《结构设计原理》试题1一、单项选择题1.配螺旋箍筋的钢筋混凝土柱,其其核心混凝土抗压强度高于单轴混凝土抗压强度是因为【 C 】A. 螺旋箍筋参与混凝土受压B. 螺旋箍筋使混凝土密实C. 螺旋箍筋横向约束了混凝土D. 螺旋箍筋使纵向钢筋参与受压更强2.钢筋混凝土轴心受拉构件极限承载力N u有哪项提供【 B 】A. 混凝土B. 纵筋C. 混凝土和纵筋D. 混凝土、纵筋和箍筋3.混凝土在空气中结硬时其体积【 B 】A. 膨胀B. 收缩C. 不变D. 先膨胀后收缩4.两根适筋梁,其受拉钢筋的配筋率不同,其余条件相同,正截面抗弯承载力M u【 A 】A. 配筋率大的,M u大B. 配筋率小的,M u大C. 两者M u相等D. 两者M u接近5.钢筋混凝土结构中要求钢筋有足够的保护层厚度是因为【 D 】A. 粘结力方面得考虑B. 耐久性方面得考虑C. 抗火方面得考虑D. 以上3者6.其他条件相同时,钢筋的保护层厚度与平均裂缝间距、裂缝宽度(指构件表面处)的关系是【 A 】A. 保护层愈厚,平均裂缝间距愈大,裂缝宽度也愈大B. 保护层愈厚,平均裂缝间距愈小,裂缝宽度也愈小C. 保护层愈厚,平均裂缝间距愈小,但裂缝宽度愈大D. 保护层厚度对平均裂缝间距没有影响,但保护层愈厚,裂缝宽度愈大7.钢筋混凝土梁截面抗弯刚度随荷载的增加以及持续时间增加而【 B 】A. 逐渐增加B. 逐渐减少C. 保持不变D. 先增加后减少8.减小预应力钢筋与孔壁之间的摩擦引起的损失σs2的措施是【 B 】A. 加强端部锚固B. 超张拉C. 采用高强钢丝D. 升温养护混凝土9.预应力混凝土在结构使用中【 C 】A. 不允许开裂B. 根据粘结情况而定C. 有时允许开裂,有时不允许开裂D. 允许开裂10.混凝土结构设计中钢筋强度按下列哪项取值【 D 】A. 比例极限B. 强度极限C. 弹性极限D. 屈服强度或条件屈服强度二、填空题11. 所谓混凝土的线性徐变是指徐变变形与初应变成正比。
混凝土结构设计原理试题库及其参考答案混凝土结构设计原理试题库及其参考答案一、判断题二、错;对;对;错;对;错;对;对;错;对;对;对;对;第1章钢筋和混凝土的力学性能1.混凝土立方体试块的尺寸越大,强度越高。
( * )2.混凝土在三向压力作用下的强度可以提高。
()3.普通热轧钢筋受压时的屈服强度与受拉时基本相同。
()4.钢筋经冷拉后,强度和塑性均可提高。
( * )5.冷拉钢筋不宜用作受压钢筋。
()6.C20表示fcu=20N/mm。
( * )7.混凝土受压破坏是由于内部微裂缝扩展的结果。
()8.混凝土抗拉强度随着混凝土强度等级提高而增大。
()9.混凝土在剪应力和法向应力双向作用下,抗剪强度随拉应力的增大而增大。
( * )10.混凝土受拉时的弹性模量与受压时相同。
()11.线性徐变是指压应力较小时,徐变与应力成正比,而非线性徐变是指混凝土应力较大时,徐变增长与应力不成正比。
()12.混凝土强度等级愈高,胶结力也愈大()13.混凝土收缩、徐变与时间有关,且互相影响。
()第3章轴心受力构件承载力错;对;对;错;错;错;1.轴心受压构件纵向受压钢筋配置越多越好。
( * )2.轴心受压构件中的箍筋应作成封闭式的。
()3.实际工程中没有真正的轴心受压构件。
()4.轴心受压构件的长细比越大,稳定系数值越高。
(* )5.轴心受压构件计算中,考虑受压时纵筋容易压曲,所以钢筋的抗压强度设计值最大取为400N/mm。
( * )6.螺旋箍筋柱既能提高轴心受压构件的承载力,又能提高柱的稳定性。
( * )第4章受弯构件正截面承载 1.错;错;错;对;错;错;对;错;对; 1.混凝土保护层厚度越大越好。
( * )2.对于x?hf的T形截面梁,因为其正截面受弯承载力相当于宽度为bf的矩形截面梁,所以其配筋率应按??''2As来计算。
( * )'bfh03.板中的分布钢筋布置在受力钢筋的下面。
( * )4.在截面的受压区配置一定数量的钢筋对于改善梁截面的延性是有作用的。
《混凝土结构设计原理》——期末考试参考答案一、单选题1.在钢筋混凝土轴心受压构件中混凝土的徐变将使( )。
A.钢筋应力增大,混凝土应力减小B.钢筋应力增大,混凝土应力增大C.钢筋应力减小,混凝土应力增大D.钢筋应力不变,混凝土应力减小正确答案:A2.《规范》规定,弯起钢筋在弯终点外应留有平行于梁轴线方向的锚固长度,其长度为( )。
A.在受拉区不应小于20d,在受压区不应小于10dB.在受拉区不应小于10d,在受压区不应小于5dC.在受拉区不应小于20d,在受压区不应小于20dD.在受拉区不应小于20d,在受压区不应小于15d正确答案:A3.变形钢筋的粘结力主要来自( )。
A.化学胶结力和摩擦力B.摩擦力C.机械咬合力D.摩擦力和机械咬合力正确答案:C4.结构能够完成预定功能的概率称为( )。
A.失效概率B.结构的可靠度C.可靠概率D.结构的可靠性正确答案:C5.混凝土强度的基本指标是( )。
A.立方体抗压强度标准值B.轴心抗压强度设计值C.轴心抗压强度标准值D.立方体抗压强度平均值正确答案:A6.T、I形截面纯扭构件计算时,下列说法正确的是( )。
A.划分矩形截面时保证腹板和翼缘的完整性B.划分矩形截面时,忽略翼缘的作用,与受剪承载力计算相同C.各矩形截面的扭矩按总扭矩计算;各矩形截面的扭矩应按该矩形的塑性抵抗矩与总塑性抵抗矩的比例进行分配确定D.各矩形截面的扭矩应按该矩形的塑性抵抗矩与总塑性抵抗矩的比例进行分配确定正确答案:D7.可变荷载的代表值中最小的是( )。
A.标准值B.组合值C.准永久值D.频遇值正确答案:C8.《混凝土结构设计规范》(GB50010-2010)中混凝土强度的基本代表值是( )。
A.立方体抗压强度设计值B.立方体抗压强度标准值C.轴心抗压强度标准值D.轴心抗压强度设计值正确答案:B9.受弯构件正截面弯曲破坏形态的决定性因素是()。
A.荷载大小B.混凝土强度等级C.计算受压区高度D.箍筋用量正确答案:C10.下列钢筋选用的基本原则中,不正确的是( )。