悬挑板结构计算说明(新规范)
- 格式:doc
- 大小:75.00 KB
- 文档页数:5
悬挑板模板面积计算规则悬挑板模板面积的计算规则是一个涉及到建筑工程学的复杂问题,需要考虑多个因素。
以下是对悬挑板模板面积计算规则的详细解析。
一、悬挑板概述悬挑板,也称为挑檐板,是一种在建筑物上向外延伸的板状结构,通常由钢筋混凝土或木材制成。
悬挑板的作用是保护建筑物免受雨水、日晒等自然环境的影响,同时也为建筑物增添了美观和立体感。
二、悬挑板模板面积计算规则模板类型要明确模板的种类。
悬挑板的模板主要由底模、侧模和端模组成。
底模是支撑在悬挑板根部的一块模板,侧模是悬挑板两侧的模板,端模是悬挑板两端的模板。
计算方法(1)底模面积计算底模的面积计算主要考虑两个因素:悬挑板的宽度和厚度。
一般情况下,底模的长度等于悬挑板的长度。
计算公式为:底模面积 = 悬挑板宽度×悬挑板厚度如果底模的长度不是悬挑板的长度,那么需要另外计算底模的长度。
计算公式为:底模面积 = 底模长度×悬挑板宽度×悬挑板厚度(2)侧模面积计算侧模的面积计算需要考虑悬挑板的宽度、厚度以及侧模的高度。
一般情况下,侧模的高度等于悬挑板的厚度。
计算公式为:侧模面积 = 悬挑板宽度×侧模高度× 2 ×悬挑板厚度如果侧模的高度不是悬挑板的厚度,那么需要另外计算侧模的高度。
计算公式为:侧模面积 = 悬挑板宽度×侧模高度× 2 ×悬挑板厚度×侧模数量(3)端模面积计算端模的面积计算需要考虑端模的长度和高度。
一般情况下,端模的长度等于悬挑板的长度。
计算公式为:端模面积 = 端模长度×端模高度× 2 ×悬挑板厚度×端模数量需要注意的是,在实际工程中,由于模板配置需要考虑操作空间、支撑结构等因素,计算出来的模板面积通常需要加上一定的安全系数。
安全系数的取值一般根据工程经验来确定,通常在1.1~1.2之间。
实例分析以一个实际工程为例,假设某悬挑板的宽度为1米,厚度为0.2米,底模长度为5米,侧模高度为0.4米,端模长度为5米,求模板的总面积。
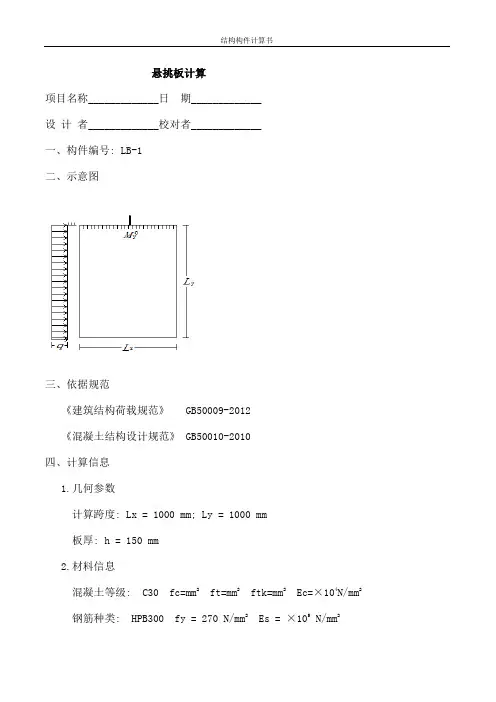
准永久值系数:永久荷载标准值 可变荷载标准值 W q = 1.000 q gk = 9.000kN/m q qk = 0.500kN/m悬挑板计算项目名称 _____________ 日期 _________________设计者 _______________ 校对者 _______________一、 构件编号:LB-1二、 示意图四、计算信息1. 几何参数计算跨度:Lx = 1000 mm; Ly = 1000 mm板厚:h = 150 mm2. 材料信息2 2 24 2 混凝土等级:C30 fc=14.3N/mm ft=1.43N/mm ftk=2.01N/mm Ec=3.00 x10 N/mm 2 5 2钢筋种类:HPB300 fy = 270 N/mm Es = 2.1 x 10 N/mm最小配筋率:p = 0.250%纵向受拉钢筋合力点至近边距离 :as = 20mm保护层厚度:c = 10mm3. 荷载信息(均布荷载)永久荷载分项系数:丫 G = 1.200可变荷载分项系数:丫 Q = 1.4004. 计算方法:弹性板三、依据规范《建筑结构荷载规范》 GB50009-2012《混凝土结构设计规范》 GB50010-20105. 边界条件(上端/下端/左端/右端):固定/自由/自由/自由6. 设计参数结构重要性系数:丫 o = 1.00泊松比:卩=0.200五、计算参数:1. 计算板的跨度:Lo = 1000 mm2. 计算板的有效高度:ho = h-as=150-20=130 mm六、配筋计算(悬臂板计算):1. Y 向支座钢筋1) 确定上端端支座弯距M o y = ( 丫 G* q gk+ 丫 Q*q qk)*Lo 2/22=(1.200*9.000+1.400*0.500)*1 /2=5.750 kN*m2) 确定计算系数a s = Y o*Mfy/( a 1*fc*b*ho*ho)6=1.00*5.750 X 10 心.00*14.3*1000*130*130)=0.0243) 计算相对受压区高度E = 1-sqrt(1-2* a s) = 1-sqrt(1-2*0.024) = 0.0244) 计算受拉钢筋面积As = a 1*fc*b*ho* E /fy = 1.000*14.3*1000*130*0.024/2702=166mm5) 验算最小配筋率p = As/(b*h) = 166/(1000*150) = 0.111%p <p min = 0.250% 不满足最小配筋要求所以取面积为 As = p min*b*h = 0.250%*1000*150 = 375 mm 采取方案扈8@130,实配面积386 mnf七、跨中挠度计算:Mk ------ 按荷载效应的标准组合计算的弯矩值Mq ------ 按荷载效应的准永久组合计算的弯矩值1. 计算标准组合弯距值M:2Mk = M gk+M k = ( q gk+ q qk)*Lo /22=(9.000+0.500)*1 /2=4.750 kN*m2. 计算准永久组合弯距值M,:2Mq = M gk+ p q*M qk = ( q gk+ ® q* q qk)*Lo /22=(9.000+1.0*0.500)*1 /2=4.750 kN*m3. 计算受弯构件的短期刚度Bs1) 计算按荷载荷载效应的两种组合作用下,构件纵向受拉钢筋应力d sk = Mk/(0.87*ho*As) 混规(7.1.4-3)=4.750 X 10 6/(0.87*130*386) = 108.804 N/mmd sq = Mq/(0.87*ho*As) 混规(7.1.4-3)6=4.750 X 10 /(0.87*130*386) = 108.804 N/mm2) 计算按有效受拉混凝土截面面积计算的纵向受拉钢筋配筋率矩形截面积:Ate = 0.5*b*h = 0.5*1000*150= 75000mmp te = As/Ate 混规(7.1.2-4)=386/75000 = 0.515%3) 计算裂缝间纵向受拉钢筋应变不均匀系数“0 k =1.1-0.65*ftk/( p te* <r sk) 混规(7.1.2-2)= 1.1-0.65*2.01/(0.515%*108.804) = -1.233因为0 不能小于最小值 0.2 ,所以取0 k = 0.20 q = 1.1-0.65*ftk/( p te* <r sq) 混规(7.1.2-2)= 1.1-0.65*2.01/(0.515%*108.804) = -1.233因为0 不能小于最小值 0.2 ,所以取0 q = 0.24) 计算钢筋弹性模量与混凝土模量的比值 a E54a E = Es/Ec = 2.1 X 10 /3.00 X 10 = 7.0005) 计算受压翼缘面积与腹板有效面积的比值丫 f矩形截面,丫 f=06) 计算纵向受拉钢筋配筋率pp = As/(b*ho)= 386/(1000*130) = 0.297%7) 计算受弯构件的短期刚度Bs2Bsk = Es*As*ho /[1.15 0 k+0.2+6* a E* p /(1+ 3.5 丫 f)]( 混规(7.2.3-1)) = 2.1 X 1 0 5*386*1 30 2/[1 . 1 5*-1 .233+0.2+6*7.000*0.297%/(1 +3.5*0.0)] 32= 2.470 X 10 3kN*m22Bsq = Es*As*ho /[1.15 0 q+0.2+6* a E* p /(1+ 3.5 丫 f)]( 混规(7.2.3-1))52= 2.1 X 1 0 5*386*1 30 2/[1 . 1 5*-1 .233+0.2+6*7.000*0.297%/(1 +3.5*0.0)]32= 2.470 X 10 3kN*m24. 计算受弯构件的长期刚度 B1) 确定考虑荷载长期效应组合对挠度影响增大影响系数0当p '=0 时,0 =2.0 混规(7.2.5)2) 计算受弯构件的长期刚度 BBk = Mk/(Mq*( 0 -1)+Mk)*Bs ( 混规(7.2.2-1))= 4.750/(4.750*(2.0- 1)+4.750)*2.470 X10 332= 1.235 X103 kN*m2Bq = Bsq/ 0 ( 混规 (7.2.2-2))3= 2.470 X103/2.032= 1.235 X103 kN*m2B = min(Bk,Bq)= min(1234.807,1234.807)= 1234.8075. 计算受弯构件挠度4f max = (q gk+q qk)*(2*Lo) 4/(8*B)43= (9.000+0.500)*1 4/(8*1.235 X103)= 15.387mm6. 验算挠度挠度限值 fo=2Lo/200=2*1000/200=10.000mmfmax=15.387mm>fo=10.000mm ,不满足规范要求八、裂缝宽度验算 :1. 上端支座跨中裂缝1) 计算荷载效应M o y = ( q gk+ 0 q* q qk)*Lo 2/2= (9.000+1.0*0.500)*1000*1000/2= 4.550 kN*m2) 光面钢筋 ,所以取值 v i =0.73) 因为 C < 20 ,所以取 C = 204) 计算按荷载效应的准永久组合作用下,构件纵向受拉钢筋应力d sq=Mq/(0.87*ho*As) 混规(7.143)6=4.550 X 10 /(0.87*130*386)=104.223N/mm5) 计算按有效受拉混凝土截面面积计算的纵向受拉钢筋配筋率矩形截面积, Ate=0.5*b*h=0.5*1000*150=75000 mm 2p te=As/Ate 混规(7.1.2-4)=386/75000 = 0.0051因为p te=0.0051 < 0.01, 所以让p te=0.016) 计算裂缝间纵向受拉钢筋应变不均匀系数“0=1.1-0.65*ftk/( p te* d sq) 混规(7.1.2-2) =1.1-0.65*2.010/(0.0100*104.223) =-0.154因为0 =-0.154 < 0.2, 所以让0 =0.27) 计算单位面积钢筋根数 nn=1000/dist = 1000/130=78) 计算受拉区纵向钢筋的等效直径d eq2d eq= ( En i*d i )/( En i*V i*d i)=7*8*8/(7*0.7*8)=119) 计算最大裂缝宽度3 max=a cr* 0 * d sq/Es*(1.9*C+0.08*Deq/ p te)( 混规(7.1.2-1)5=1.9*0.200*104.223/2.1 X10 5*(1.9*20+0.08*11/0.0100) =0.0244mm W 0.30, 满足规范要求。
悬挑板计算悬挑雨篷板计算一、荷载计算1、雨篷板荷载计算:120厚砼板:120x0.001x25=3KN/m2双面粉刷:0.06x20=1.2KN/m2荷载标准值合计:gK1=4.2KN/m22、雨篷板翻边荷载计算:翻边高:180mm翻边宽:100mm翻边重:180x0.001x100x0.001x25=0.45KN/m粉刷:0.03x20x(180x2+100)x0.001= 0.276KN/m荷载标准值合计:gK2=0.726KN/m3、活荷载:0.5KN/m2积水荷载:180x0.001x10=1.8KN/m2雪荷载:0.65KN/m2均部活荷载取qK1=MAX(0.5,0.65,1.8)=1.8KN/m2检修集中荷载:qK2=1.0KN/m取1米板宽作为计算单元均部线荷载设计值q=1.2gK1+1.4qK1=1.2x4.2+1.4x1.8=7.56KN/m端部集中荷载设计值P=1.2gK2+1.4qK2=1.2x0.726+1.4x1=2.27KN二、弯距配筋计算雨篷板挑出长度L=1.2m混凝土强度等级C30fc=14.3N/mm2fy=360N/mm2h0=100mmM=qL2/2+PL=0.5x7.56x1.2^2+2.27x1.2=8.17KN.mαS=M/fcbh02=8.17x10^6/(14.3x1000x100^2)=0.057γS=(1+(1-2αS)1/2)/2=(1+sqrt(1-2x0.057))/2=0.971AS=M/γSfyh0 =8.17x10^6/(0.971x360x100)=233.72mm2选用钢筋φ8@120实配AS=419mm2三、裂缝宽度验算构件受力特征系数αcr=2.1混凝土抗拉标准值ftk=2.01N/mm2纵向受拉钢筋表面特征系数ν=1.0钢筋弹性模量Es=200000N/mm2deq=∑(ni * di^2)/∑(ni*υ*di)=8/1=8.00ρte=As/Ate=As/0.5*b*h=419/(0.5x1000x120)=0.007取ρte=0.01荷载标准组合计算的弯矩Mk=(gK1+qK1)L2/2 +(gK2+qK2)L=0.5x(4.2+1.8)x1.2^2+(0.726+1)x1.2=6.391KN.mσsk=Mk/(0.87h0AS)=6.3912x10^6/(0.87x100x419)=175.33N/mm2ψ=1.1-0.65ftk/(ρteσsk)=1.1-0.65x2.01/(0.01x175.33)=0.355取ψ=0.355(注:当ψ<0.2时,取ψ=0.2,当ψ>1时,取ψ=1)最大裂缝宽度ωmax=αcrψσsk(1.9c+0.08deq/ρte)/ES=2.1x0.355x175.33x(1.9x20+0.08x8/0.01)/200000=0.067< 0.3 裂缝满足要求。
悬挑板计算项目名称_____________日期_____________设计者_____________校对者_____________一、构件编号: LB-1二、示意图三、依据规范《建筑结构荷载规范》 GB50009-2012《混凝土结构设计规范》 GB50010-2010四、计算信息1.几何参数计算跨度: Lx = 1000 mm; Ly = 1000 mm板厚: h = 150 mm2.材料信息混凝土等级: C30 fc=mm2 ft=mm2 ftk=mm2Ec=×104N/mm2钢筋种类: HPB300 fy = 270 N/mm2Es = ×105 N/mm2最小配筋率: ρ= %纵向受拉钢筋合力点至近边距离: as = 20mm保护层厚度: c = 10mm3.荷载信息(均布荷载)=永久荷载分项系数: γG可变荷载分项系数: γ=Q准永久值系数: ψq =永久荷载标准值: qgk = m2可变荷载标准值: qqk = m24.计算方法:弹性板5.边界条件(上端/下端/左端/右端):固定/自由/自由/自由6.设计参数结构重要性系数: γo =泊松比:μ =五、计算参数:1.计算板的跨度: Lo = 1000 mm2.计算板的有效高度: ho = h-as=150-20=130 mm六、配筋计算(悬臂板计算):向支座钢筋1) 确定上端端支座弯距M o y = (γG*qgk+γQ*qqk)*Lo2/2= *+**12/2= kN*m2) 确定计算系数αs = γo*M o y/(α1*fc*b*ho*ho)= *×106/**1000*130*130)=3) 计算相对受压区高度ξ = 1-sqrt(1-2*αs) = 1-sqrt(1-2* =4) 计算受拉钢筋面积As = α1*fc*b*ho*ξ/fy = **1000*130*270= 166mm25) 验算最小配筋率ρ = As/(b*h) = 166/(1000*150) = %ρ<ρmin = % 不满足最小配筋要求所以取面积为As = ρmin*b*h = %*1000*150 = 375 mm2采取方案8@130, 实配面积386 mm2七、跨中挠度计算:Mk -------- 按荷载效应的标准组合计算的弯矩值Mq -------- 按荷载效应的准永久组合计算的弯矩值1.计算标准组合弯距值Mk:Mk = Mgk +Mqk= (qgk+qqk)*Lo2/2= +*12/2 = kN*m2.计算准永久组合弯距值Mq:Mq = Mgk +ψq*Mqk= (qgk+ψq*qqk)*Lo2/2= +**12/2= kN*m3.计算受弯构件的短期刚度 Bs1) 计算按荷载荷载效应的两种组合作用下,构件纵向受拉钢筋应力σsk = Mk/*ho*As) 混规= ×106/*130*386) = N/mmσsq = Mq/*ho*As) 混规= ×106/*130*386) = N/mm 2) 计算按有效受拉混凝土截面面积计算的纵向受拉钢筋配筋率矩形截面积: Ate = *b*h = *1000*150= 75000mm2ρte = As/Ate 混规 = 386/75000 = %3) 计算裂缝间纵向受拉钢筋应变不均匀系数ψψk = 混规 = =因为ψ不能小于最小值,所以取ψk =ψq = 混规 = =因为ψ不能小于最小值,所以取ψq =4) 计算钢筋弹性模量与混凝土模量的比值αEαE = Es/Ec = ×105/×104 =5) 计算受压翼缘面积与腹板有效面积的比值γf矩形截面,γf=06) 计算纵向受拉钢筋配筋率ρρ = As/(b*ho)= 386/(1000*130) = %7) 计算受弯构件的短期刚度 BsBsk = Es*As*ho 2/[ψk++6*αE*ρ/(1+ γf')](混规 = ×105*386*1302/[*++6**%/(1+*]= ×103 kN*m 2Bsq = Es*As*ho 2/[ψq++6*αE*ρ/(1+ γf')](混规 = ×105*386*1302/[*++6**%/(1+*]= ×103 kN*m 24.计算受弯构件的长期刚度B1) 确定考虑荷载长期效应组合对挠度影响增大影响系数θ当ρ'=0时,θ= 混规 2) 计算受弯构件的长期刚度 BBk = Mk/(Mq*(θ-1)+Mk)*Bs (混规 = *+*×103= ×103 kN*m 2Bq = Bsq/θ (混规 = ×103/= ×103 kN*m 2B = min(Bk,Bq)= min,=5.计算受弯构件挠度f max = (q gk +q qk )*(2*Lo)4/(8*B)= +*14/(8*×103)=6.验算挠度挠度限值fo=2Lo/200=2*1000/200=fmax=>fo=,不满足规范要求!八、裂缝宽度验算:1.上端支座跨中裂缝1) 计算荷载效应M o y = (qgk+ψq*qqk)*Lo2/2= +**1000*1000/2= kN*m=2) 光面钢筋,所以取值vi3) 因为C < 20,所以取C = 204) 计算按荷载效应的准永久组合作用下,构件纵向受拉钢筋应力σsq=Mq/*ho*As) 混规=×106/*130*386)=mm5) 计算按有效受拉混凝土截面面积计算的纵向受拉钢筋配筋率矩形截面积,Ate=*b*h=*1000*150=75000 mm2ρte=As/Ate 混规 =386/75000 =因为ρte= < ,所以让ρte=6) 计算裂缝间纵向受拉钢筋应变不均匀系数ψψ= 混规 = =因为ψ= < ,所以让ψ=7) 计算单位面积钢筋根数nn=1000/dist = 1000/130=78) 计算受拉区纵向钢筋的等效直径deqdeq = (∑ni*di2)/(∑ni*vi*di)=7*8*8/(7**8)=119) 计算最大裂缝宽度ωmax=αcr*ψ*σsq/Es**C+*Deq/ρte) (混规=**×105**20+*11/= ≤ , 满足规范要求。
悬挑板模板面积计算规则悬挑板模板面积计算规则一、引言悬挑板是一种特殊的结构形式,常见于桥梁、楼梯及其他悬挑结构中。
悬挑板的设计和施工需要计算其模板面积,以确保结构的稳定和安全。
本文将介绍悬挑板模板面积计算规则,以帮助工程师和施工人员准确计算模板的面积,保证结构的质量和安全。
二、悬挑板模板面积计算规则在计算悬挑板的模板面积时,需要考虑以下几个因素:1. 悬挑板的形状悬挑板的形状可以是矩形、梯形、三角形等。
根据不同的形状,模板面积的计算方法也有所不同。
在计算矩形悬挑板的模板面积时,只需计算悬挑板的长度和宽度的乘积即可。
而在计算梯形或三角形悬挑板的模板面积时,需要首先计算悬挑板底边的长度和顶边的长度,再计算两者之和的一半乘以悬挑板的高度。
2. 悬挑板的厚度悬挑板的厚度决定了模板的尺寸和面积。
一般情况下,悬挑板的厚度是根据设计要求确定的。
在计算模板面积时,需要将悬挑板的厚度考虑在内,并根据悬挑板的形状选择合适的模板尺寸。
3. 渣挑板的挑出长度悬挑板的挑出长度是指悬挑板从支点到悬挑部分的水平距离。
挑出长度越大,悬挑板的模板面积就越大。
在计算模板面积时,需要将悬挑板的挑出长度考虑在内,并根据挑出长度选择合适的模板尺寸和支撑方式。
4. 模板材料的规格和性能模板材料的规格和性能对于计算模板面积也有一定的影响。
不同规格和性能的模板材料具有不同的承载能力和使用寿命。
因此,在选择模板材料时,需要根据悬挑板的负载和使用环境,选择合适的模板规格和性能。
5. 模板的支撑方式模板的支撑方式对悬挑板的模板面积计算也有一定的影响。
常见的模板支撑方式有脚手架支撑和吊挂支撑两种。
在选择支撑方式时,需要考虑模板的尺寸、重量和施工条件等因素,并确保支撑稳定安全。
三、实例分析为了更好地理解和应用悬挑板模板面积计算规则,我们来看一个实际的案例。
假设有一座悬挑桥,桥梁的挑出长度为10米,悬挑板的形状为矩形,长度为15米,宽度为5米,厚度为0.3米。
悬挑板计算书悬挑板(扣件式,斜立杆)计算书计算依据:1、《混凝土结构工程施工规范》GB50666-20112、《混凝土结构设计规范》GB 50010-20103、《建筑结构荷载规范》GB 50009-20124、《建筑施工模板安全技术规范》JGJ 162-20085、《建筑施工扣件式钢管脚手架安全技术规程》JGJ130-2011一、工程属性二、荷载设计三、模板体系设计设计简图如下:平面图立面图四、面板验算按简支梁计算:截面抵抗矩:W=bh2/6=800×15×15/6=30000mm3,截面惯性矩:I=bh3/12=800×15×15×15/12=225000mm4q1=γ0×[1.35(G1k+(G2k+G3k)×h)+1.4×φc×Q1k]×b=1×[1.35×(0 .1+(24+1.5)×0.15)+1.4×0.9×2.5]×0.8=6.759kN/mq2=[1×(G1k+(G2k+G3k)×h)]×b=[1×(0.1+(24+1.5)×0.15)]×0.8=3.14kN/m简图如下:1、抗弯验算M max=0.125q1L2=0.125×6.759×0.3252=0.089kN·mσ=M max/W=0.089×106/30000=2.975N/mm2≤[f]=15N/mm2满足要求!2、挠度验算νmax=5q2L4/(384EI)=5×3.14×3254/(384×10000×225000)=0.203mm≤[ν]=L/250=325/250=1.3mm满足要求!3、支座反力计算设计值(承载能力极限状态)R max=1q1L=1×6.759×0.325=2.197kN标准值(正常使用极限状态)R'max=1q2L=1×3.14×0.325=1.02kN五、小梁验算承载能力极限状态:面板传递给小梁q1=2.197/0.8=2.746kN/m小梁自重q2=1×1.35×(0.3-0.1)×0.325=0.088kN/m梁左侧模板传递给小梁荷载F1=1×1.35×0.5×0.15×0.325=0.033kN梁右侧楼板及侧模传递给小梁荷载F2=1×[1.35×(0.5+(24+1.1)×0.1)+1.4×0.9×2.5]×((1-0.5)-0.8/2)/2×0.325+1×1.35×0.5×(0.15-0.1)×0.325=0.128kN正常使用极限状态:面板传递给小梁q1=1.02/0.8=1.276kN/m小梁自重q2=1×(0.3-0.1)×0.325=0.065kN/m梁左侧模板传递给小梁荷载F1=1×0.5×0.15×0.325=0.024kN梁右侧楼板及侧模传递给小梁荷载F2=(1×0.5+1×(24+1.1)×0.1)×((1-0.5)-0.8/2)/2×0.325+1×0.5×(0.15-0.1)×0.325=0.057kN计算简图如下:承载能力极限状态正常使用极限状态1、抗弯验算小梁弯矩图(kN·m)σ=Mmax/W=0.34×106/64000=5.317N/mm2≤[f]=15.444N/mm2满足要求!2、抗剪验算小梁剪力图(kN)V max=1.261kNτmax=3V max/(2bh0)=3×1.261×1000/(2×60×80)=0.394N/mm2≤[τ]=1.782N/mm2满足要求!3、挠度验算小梁变形图(mm)νmax=0.717mm≤[ν]=L/250=1000/250=4mm满足要求!4、支座反力计算承载能力极限状态R1=1.185kN,R2=1.261kN正常使用极限状态R'1=0.57kN,R'2=0.597kN六、主梁验算由上节可知P=max[R1,R2]=1.261kN,P'=max[R1',R2']=0.597kN主梁计算简图一主梁计算简图二 1、抗弯验算主梁弯矩图一(kN·m)主梁弯矩图二(kN·m)σ=Mmax/W=0.82×106/4490=182.628N/mm2≤[f]=205N/mm2满足要求!2、抗剪验算主梁剪力图一(kN)主梁剪力图二(kN)V max=2.667kNτmax=2V max/A=2×2.667×1000/424=12.58N/mm2≤[τ]=125N/mm2满足要求!3、挠度验算主梁变形图一(mm)主梁变形图二(mm)跨中νmax=2.922mm≤[ν]=L/250=1300/250=5.2mm满足要求!悬臂端νmax=0.714mm≤[ν]=2l2/250=2×100/250=0.8mm满足要求!4、支座反力计算图一:R max=3.638kN图二:R max=3.153kN用小梁的支座反力分别代入可得:承载能力极限状态图一立杆1:R1=3.419kN,立杆2:R2=3.638kN图二立杆1:R1=2.963kN,立杆2:R2=3.153kN七、扣件抗滑移验算扣件最大受力N=max[R1,R2]=3.638kN≤R c=k c×8=0.85×8=6.8kN 满足要求!八、立杆验算1、长细比验算l0=h/min[sinα,sinθ1,..,sinθn,sinβ]=1800/min[sin77,sin90]=1847.347 mm λ=l0/i=1847.347/15.9=116.185≤[λ]=180长细比满足要求!2、稳定性计算l01=h /sinβ=1800/1=1800mmλ1= l01/i=1800/15.9=113.208≤[λ]=180查表得,φ1=0.496立杆自重G=1×1.35×0.15×(3.55-0.15)=0.689kN,R1=3.419kN,R2=3.638kN立杆最大受力N=max[(R1+G)/sinα,(R2+N边+G)/sinβ]=max[(3.419+0.689)/sin77,(3.638+6.564+0.689)/sin90]=10.891kNf=N/(φA)=10.891×103/(0.496×424)=51.785N/mm2≤[f]=205N/mm2满足要求!九、高宽比验算根据《建筑施工扣件式钢管脚手架安全技术规范》JGJ130-2011 第6.9.7:支架高宽比不应大于3H/B=3.55/7.2=0.493≤3满足要求,不需要进行抗倾覆验算!十、立杆地基基础计算立杆底垫板的底面平均压力p=N/(m f A)=10.891/(0.9×0.15)=80.672kPa≤f ak=140kPa满足要求!。
悬挑板结构计算悬挑板结构是指在一端或两端支承的板,悬挑出现。
它通常被用于桥梁、楼板、悬挑檐等工程中,具有较好的经济性和良好的空间感。
为了保证悬挑板结构的安全可靠,需要进行结构计算。
下面将针对2024年新规范进行悬挑板结构计算。
一、受力分析:1.1自重荷载:自重荷载是指悬挑板结构本身的重量及构件的重量。
在计算过程中,需要估算悬挑板结构的总重量,并按照规范要求进行分布计算。
自重荷载主要是对整个结构的弯矩和剪力产生影响。
1.2活载荷载:活载荷载是指悬挑板结构上的可变荷载,例如行人、车辆、设备等。
在计算过程中,需要根据实际情况确定活载荷载的大小,并按照规范要求进行分布计算。
活载荷载主要是对整个结构的弯矩和剪力产生影响。
1.3温度荷载:温度荷载是指悬挑板结构由于温度变化引起的应力和变形。
在计算过程中,需要考虑温度荷载引起的结构收缩和膨胀,以及温度荷载引起的构件伸缩变形。
温度荷载主要是对整个结构的拉力和压力产生影响。
1.4地震荷载:地震荷载是指悬挑板结构由于地震引起的水平力和垂直力。
在计算过程中,需要根据地震波的参数和结构的性能指标进行计算。
地震荷载主要是对整个结构的剪力和弯矩产生影响。
二、计算方法:2.1弯矩分布:首先需要计算悬挑板结构的弯矩分布。
弯矩的大小受到荷载的影响,同时也受到结构的几何形状和刚度的影响。
弯矩分布可通过静力平衡方程进行计算,也可采用数值分析方法进行求解。
2.2剪力分布:接下来需要计算悬挑板结构的剪力分布。
剪力的大小也受到荷载的影响,同时也受到结构的几何形状和刚度的影响。
剪力分布可通过静力平衡方程进行计算,也可采用数值分析方法进行求解。
2.3受力平衡:最后需要进行受力平衡的分析,以保证悬挑板结构处于力学平衡的状态。
受力平衡的分析可通过受力平衡方程进行计算,并考虑结构的几何形状和刚度的影响。
三、验算要求:在进行悬挑板结构计算时,需要进行相应的验算,以保证结构的安全可靠。
3.1极限弯矩验算:需要对悬挑板结构的极限弯矩进行验算。
挑檐板配筋、裂缝及挠度计算原理一、确定计算方法因为板的配筋面积研究的是1米板宽线荷载均为1米板宽的数值(b=1000mm)挑檐采用雨篷构件的计算方法二、确定荷载分类、统计数据1.均布恒荷载标准值gk (kN/m)板自重+板底板侧的抹灰、粉刷+找平、找坡(面层)+其他材料(轻质材料如SBS防水、附加层、掺入的防水剂等可取)材料容重参考:混凝土(kN/m3)25纸筋石灰抹底(抹灰)(kN/m)16水泥砂浆找平、找坡(面层)(kN/m3)20C15细石混凝土(面层)(kN/m3)23水泥砂浆粉刷墙面单位自重(kN/m2)=20×(厚)×22.均布活荷载标准值qk (kN/m)取不上人屋面活荷标准值与雪荷载标准值的最大值有翻边的(会产生积水)取积水荷载与以上值的最大值归纳一句话即取活荷载、雪荷载、积水荷载较大值注:不上人屋面活荷+(《楼梯阳台雨篷设计》第222页;《荷规》注:1允许部分构件加)积水荷载为1米板宽底板受到的积水线荷载雪荷载标准值=基本值×μr取值见《荷规》表项次1积雪分布系数μr3.集中恒荷载标准值Fgk (kN/m)翻边+翻板自重(挑檐的翻边之上还有翻板)v1.0 可编辑可修改4.施工检修集中荷载F (kN)雨篷、挑檐取F=1kN三、采取最不利的荷载组合永久荷载控制的组合:P=+××qk可变荷载控制的组合:P=+以上组合分别定义了不同的荷载分项系数γg 与γq及组合值系数没有集中恒荷载Fgk对弯矩的影响时只要取上述最大值如有集中恒荷载Fgk,取两种组合下产生的最大弯矩的组合四、进行弯矩计算计算原则:集中荷载F不与活荷载q同时考虑(算弯矩时不组合,并不是不考虑)M1=(γg·g k+γq·q k)l n2+F g·l nM2=γg·g k·l n2+F g·l n+1×l nM=max(M1,M2)注:有集中恒荷载时M要计算两种荷载组合下M1、M2的值,取产生最大弯矩的荷载组合,荷载分项系数取相应组合下的。
悬挑板结构计算说明(新规范).doc 悬挑板结构计算说明(新规范)封面文档标题:悬挑板结构计算说明(新规范)编制单位:[贵单位名称]编制日期:[编制日期]审核人:[审核人姓名]批准人:[批准人姓名]目录[第一章总则][第二章术语和符号][第三章荷载和作用][第四章材料性能][第五章悬挑板的几何特性][第六章内力计算][第七章配筋设计][第八章连接和锚固][第九章施工和验收要求][第十章附录]第一章总则第一条目的和适用范围说明本计算说明的目的和适用的悬挑板结构类型。
第二条规范依据列出本计算说明依据的相关国家标准、行业标准和地方规定。
第二章术语和符号第三条术语定义定义悬挑板、荷载组合、极限状态等专业术语。
第四条符号说明列出计算过程中使用的主要符号及其代表的意义。
第三章荷载和作用第五条荷载分类根据新规范,分类说明永久荷载、可变荷载和偶然荷载。
第六条荷载组合描述荷载组合的原则和计算方法。
第四章材料性能第七条混凝土性能列出混凝土的强度等级、弹性模量等性能指标。
第八条钢筋性能描述钢筋的强度等级、延性等要求。
第五章悬挑板的几何特性第九条悬挑长度规定悬挑板长度的取值范围和限制条件。
第十条板厚和配筋说明板厚的确定原则和配筋的一般要求。
第六章内力计算第十一条弯矩计算详细阐述悬挑板在不同荷载作用下的弯矩计算方法。
第十二条剪力计算描述悬挑板剪力的计算公式和注意事项。
第七章配筋设计第十三条配筋原则根据新规范,说明悬挑板配筋的设计原则。
第十四条配筋计算列出悬挑板配筋计算的具体步骤和公式。
第八章连接和锚固第十五条连接设计描述悬挑板与其它结构构件的连接方式和设计要求。
第十六条锚固长度根据新规范,给出钢筋锚固长度的计算方法。
第九章施工和验收要求第十七条施工要求列出悬挑板施工过程中的质量控制要点。
第十八条验收标准规定悬挑板结构验收时的检查项目和标准。
第十章附录附录A 相关计算表格和示例提供悬挑板结构计算中常用的表格和示例。
附录B 参考文献列出编制本计算说明时参考的主要文献资料。
悬挑板结构计算说明(新规范)挑檐板配筋、裂缝及挠度计算原理一、确定计算方法因为板的配筋面积研究的是1米板宽线荷载均为1米板宽的数值(b=1000mm)挑檐采用雨篷构件的计算方法二、确定荷载分类、统计数据1.均布恒荷载标准值gk (kN/m)板自重+板底板侧的抹灰、粉刷+找平、找坡(面层)+其他材料(轻质材料如SBS防水、附加层、掺入的防水剂等可取0.1)材料容重参考:混凝土(kN/m3)25纸筋石灰抹底(抹灰)(kN/m)16水泥砂浆找平、找坡(面层)(kN/m3)20C15细石混凝土(面层)(kN/m3)23水泥砂浆粉刷墙面单位自重(kN/m2)0.36=20×0.009(厚)×2 2.均布活荷载标准值qk (kN/m)取不上人屋面活荷标准值0.7与雪荷载标准值的最大值有翻边的(会产生积水)取积水荷载与以上值的最大值归纳一句话即取活荷载、雪荷载、积水荷载较大值注:不上人屋面活荷0.5+0.2(《楼梯阳台雨篷设计》第222页;《荷规》4.3.1注:1允许部分构件加0.2)积水荷载为1米板宽底板受到的积水线荷载雪荷载标准值=基本值0.45×μr积雪分布系数μr取值见《荷规》表6.2.1项次13.集中恒荷载标准值Fgk (kN/m)翻边+翻板自重(挑檐的翻边之上还有翻板)4.施工检修集中荷载F (kN)雨篷、挑檐取F=1kN三、采取最不利的荷载组合永久荷载控制的组合:P=1.35gk +1.4×0.7×qk可变荷载控制的组合:P=1.2gk +1.4qk以上组合分别定义了不同的荷载分项系数γg 与γq及组合值系数0.7没有集中恒荷载Fgk对弯矩的影响时只要取上述最大值如有集中恒荷载Fgk,取两种组合下产生的最大弯矩的组合四、进行弯矩计算计算原则:集中荷载F不与活荷载q同时考虑(算弯矩时不组合,并不是不考虑)M1=(γg·g k+γq·q k)l n2+F g·l nM2=γg·g k·l n2+F g·l n+1×l nM=max(M1,M2)注:有集中恒荷载时M要计算两种荷载组合下M1、M2的值,取产生最大弯矩的荷载组合,荷载分项系数取相应组合下的。
挑檐板配筋、裂缝及挠度计算原理一、确定计算方法因为板的配筋面积研究的是1米板宽线荷载均为1米板宽的数值(b=1000mm)挑檐采用雨篷构件的计算方法二、确定荷载分类、统计数据1.均布恒荷载标准值gk (kN/m)板自重+板底板侧的抹灰、粉刷+找平、找坡(面层)+其他材料(轻质材料如SBS防水、附加层、掺入的防水剂等可取)材料容重参考:混凝土(kN/m3)25纸筋石灰抹底(抹灰)(kN/m)16水泥砂浆找平、找坡(面层)(kN/m3)20C15细石混凝土(面层)(kN/m3)23水泥砂浆粉刷墙面单位自重(kN/m2)=20×(厚)×22.均布活荷载标准值qk (kN/m)取不上人屋面活荷标准值与雪荷载标准值的最大值有翻边的(会产生积水)取积水荷载与以上值的最大值归纳一句话即取活荷载、雪荷载、积水荷载较大值注:不上人屋面活荷+(《楼梯阳台雨篷设计》第222页;《荷规》注:1允许部分构件加)积水荷载为1米板宽底板受到的积水线荷载雪荷载标准值=基本值×μr积雪分布系数μr取值见《荷规》表项次13.集中恒荷载标准值Fgk (kN/m)翻边+翻板自重(挑檐的翻边之上还有翻板)4.施工检修集中荷载F (kN)雨篷、挑檐取F=1kN三、采取最不利的荷载组合永久荷载控制的组合:P=+××qk可变荷载控制的组合:P=+以上组合分别定义了不同的荷载分项系数γg 与γq及组合值系数没有集中恒荷载Fgk对弯矩的影响时只要取上述最大值如有集中恒荷载Fgk,取两种组合下产生的最大弯矩的组合四、进行弯矩计算计算原则:集中荷载F不与活荷载q同时考虑(算弯矩时不组合,并不是不考虑)M1=(γg·g k+γq·q k)l n2+F g·l nM2=γg·g k·l n2+F g·l n+1×l nM=max(M1,M2)注:有集中恒荷载时M要计算两种荷载组合下M1、M2的值,取产生最大弯矩的荷载组合,荷载分项系数取相应组合下的。
悬挑板计算项目名称 _____________ 日期 _________________设计者 _______________ 校对者 _______________一、 构件编号:LB-1二、 示意图四、计算信息1. 几何参数计算跨度:Lx = 1000 mm; Ly = 1000 mm板厚:h = 150 mm2. 材料信息2 2 24 2 混凝土等级:C30 fc=14.3N/mm ft=1.43N/mm ftk=2.01N/mm Ec=3.00 x 10 N/mm2 5 2钢筋种类:HPB300 fy = 270 N/mm Es = 2.1 x 10 N/mm最小配筋率:p = 0.250%纵向受拉钢筋合力点至近边距离 :as = 20mm保护层厚度:c = 10mm3. 荷载信息(均布荷载)永久荷载分项系数:丫 G = 1.200可变荷载分项系数:丫 Q = 1.4004. 计算方法:弹性板5. 边界条件(上端/下端/左端/右端):固定/自由/自由/自由准永久值系数: 永久荷载标准值 可变荷载标准值 W q = 1.000q gk = 9.000kN/mq qk = 0.500kN/m三、依据规范《建筑结构荷载规范》 GB50009-2012《混凝土结构设计规范》 GB50010-20106. 设计参数结构重要性系数:丫o = 1.00泊松比:卩=0.200五、计算参数:1. 计算板的跨度:Lo = 1000 mm2. 计算板的有效高度:ho = h-as=150-20=130 mm六、配筋计算(悬臂板计算):1. Y 向支座钢筋1) 确定上端端支座弯距M o y = ( 丫G* q gk+ 丫Q*q qk)*Lo 2/22=(1.200*9.000+1.400*0.500)*1 /2=5.750 kN*m2) 确定计算系数a s = Y o*Mfy/( a 1*fc*b*ho*ho)6=1.00*5.750 X 10 心.00*14.3*1000*130*130)=0.0243) 计算相对受压区高度E = 1-sqrt(1-2* a s) = 1-sqrt(1-2*0.024) = 0.0244) 计算受拉钢筋面积As = a 1*fc*b*ho* E /fy = 1.000*14.3*1000*130*0.024/2702=166mm5) 验算最小配筋率p = As/(b*h) = 166/(1000*150) = 0.111%p <p min = 0.250% 不满足最小配筋要求所以取面积为As = p min*b*h = 0.250%*1000*150 = 375 mm2采取方案8@130,实配面积386 mm七、跨中挠度计算:Mk -------- 按荷载效应的标准组合计算的弯矩值Mq -------- 按荷载效应的准永久组合计算的弯矩值1. 计算标准组合弯距值M:2Mk = M gk+M k = ( q gk+ q qk)*Lo /22=(9.000+0.500)*1 /2=4.750 kN*m2. 计算准永久组合弯距值M,:2Mq = M gk+ p q*M qk = ( q gk+ ® q* q qk)*Lo /22=(9.000+1.0*0.500)*1 /2=4.750 kN*m3. 计算受弯构件的短期刚度Bs1) 计算按荷载荷载效应的两种组合作用下,构件纵向受拉钢筋应力d sk = Mk/(0.87*ho*As) 混规(7.1.4-3)=4.750 X 10 6/(0.87*130*386) = 108.804 N/mmd sq = Mq/(0.87*ho*As) 混规(7.1.4-3)6=4.750 X 10 /(0.87*130*386) = 108.804 N/mm2) 计算按有效受拉混凝土截面面积计算的纵向受拉钢筋配筋率矩形截面积:Ate = 0.5*b*h = 0.5*1000*150= 75000mm p te = As/Ate 混规(7.1.2-4) =386/75000 = 0.515%3) 计算裂缝间纵向受拉钢筋应变不均匀系数“0 k = 1.1-0.65*ftk/( p te* <r sk) 混规(7.1.2-2)=1.1-0.65*2.01/(0.515%*108.804) = -1.233因为0不能小于最小值0.2,所以取0 k = 0.20 q = 1.1-0.65*ftk/( p te* <r sq) 混规(7.1.2-2)=1.1-0.65*2.01/(0.515%*108.804) = -1.233因为0不能小于最小值0.2,所以取0 q = 0.24) 计算钢筋弹性模量与混凝土模量的比值 a E5 4a E = Es/Ec = 2.1 X 10 /3.00 X 10 = 7.0005) 计算受压翼缘面积与腹板有效面积的比值丫f矩形截面,丫f=06) 计算纵向受拉钢筋配筋率pp = As/(b*ho)= 386/(1000*130) = 0.297%7) 计算受弯构件的短期刚度BsBsk = Es*As*ho /[1.15 0 k+0.2+6* a E* p /(1+ 3.5 丫f)]( 混规(7.2.3-1))=2.1 X 105*386*130 2/[1.15*-1.233+0.2+6*7.000*0.297%/(1+3.5*0.0)]3 2=2.47 0X 10 kN*m2Bsq = Es*As*ho /[1.15 0 q+0.2+6* a E* p /(1+ 3.5 丫f)]( 混规(7.2.3-1))5 2=2.1 X 10 *386*130 /[1.15*-1.233+0.2+6*7.000*0.297%/(1+3.5*0.0)]=2.470 X 10 kN*m4. 计算受弯构件的长期刚度B1) 确定考虑荷载长期效应组合对挠度影响增大影响系数0当p '=0 时,0 =2.0 混规(7.2.5)2) 计算受弯构件的长期刚度BBk = Mk/(Mq*( 0 -1)+Mk)*Bs ( 混规(7.2.2-1))=4.750/(4.750*(2.0- 1)+4.750)*2.470 X 10 3=1.235 X 10 kN*mBq = Bsq/ 0 (混规(7.2.2-2))=2.470 X 10 /2.0=1.235 X 10 kN*mB = mi n(Bk,Bq)=min (1234.807,1234.807)=1234.8075. 计算受弯构件挠度4f max = (q gk+q qk)*(2*Lo) /(8*B)4 3=(9.000+0.500)*1 /(8*1.235 X 10 )=15.387mm6. 验算挠度挠度限值fo=2Lo/200=2*1000/200=10.000mmfmax=15.387mm>fo=10.000mm ,不满足规范要求八、裂缝宽度验算:1.上端支座跨中裂缝1) 计算荷载效应M o y = ( q gk+ 0 q* q qk)*Lo 2/2=(9.000+1.0*0.500)*1000*1000/2=4.550 kN*m2) 光面钢筋,所以取值V i =0.73) 因为C < 20 ,所以取C = 204) 计算按荷载效应的准永久组合作用下,构件纵向受拉钢筋应力d sq=Mq/(0.87*ho*As) 混规(7.1.4-3)6=4.550 X 10 /(0.87*130*386)=104.223N/mm5) 计算按有效受拉混凝土截面面积计算的纵向受拉钢筋配筋率矩形截面积,Ate=0.5*b*h=0.5*1000*150=75000 mm 2p te=As/Ate 混规(7.1.2-4)=386/75000 = 0.0051因为p te=0.0051 < 0.01, 所以让p te=0.016) 计算裂缝间纵向受拉钢筋应变不均匀系数“2=1.1-0.65*ftk/( p te* d sq) 混规(7.1.2-2)=1.1-0.65*2.010/(0.0100*104.223)=-0.154因为2 =-0.154 < 0.2, 所以让2 =0.27) 计算单位面积钢筋根数nn=1000/dist = 1000/130=78) 计算受拉区纵向钢筋的等效直径d eq_ - 2 _ -d eq= ( En i*d i )/( En i*V i*d i)=7*8*8/(7*0.7*8)=119) 计算最大裂缝宽度3max=a cr* 2 * d sq/Es*(1.9*C+0.08*Deq/ p te)( 混规(7.1.2-1)5=1.9*0.200*104.223/2.1 X 10 *(1.9*20+0.08*11/0.0100)=0.0244mm< 0.30, 满足规范要求。
悬挑板计算项目名称_____________日期_____________设计者_____________校对者_____________一、构件编号: LB-1二、示意图三、依据规范《建筑结构荷载规范》 GB50009-2012《混凝土结构设计规范》 GB50010-2010四、计算信息1.几何参数计算跨度: Lx = 1000 mm; Ly = 1000 mm板厚: h = 150 mm2.材料信息混凝土等级: C30 fc=14.3N/mm2 ft=1.43N/mm2 ftk=2.01N/mm2Ec=3.00×104N/mm2钢筋种类: HPB300 fy = 270 N/mm2Es = 2.1×105 N/mm2最小配筋率: ρ= 0.250%纵向受拉钢筋合力点至近边距离: as = 20mm保护层厚度: c = 10mm3.荷载信息(均布荷载)永久荷载分项系数: γG = 1.200可变荷载分项系数: γQ = 1.400准永久值系数: ψq = 1.000永久荷载标准值: qgk = 9.000kN/m2可变荷载标准值: qqk = 0.500kN/m24.计算方法:弹性板5.边界条件(上端/下端/左端/右端):固定/自由/自由/自由6.设计参数结构重要性系数: γo = 1.00泊松比:μ = 0.200五、计算参数:1.计算板的跨度: Lo = 1000 mm2.计算板的有效高度: ho = h-as=150-20=130 mm六、配筋计算(悬臂板计算):1.Y向支座钢筋1) 确定上端端支座弯距M o y = (γG*qgk+γQ*qqk)*Lo2/2= (1.200*9.000+1.400*0.500)*12/2= 5.750 kN*m2) 确定计算系数αs = γo*M o y/(α1*fc*b*ho*ho)= 1.00*5.750×106/(1.00*14.3*1000*130*130)= 0.0243) 计算相对受压区高度ξ = 1-sqrt(1-2*αs) = 1-sqrt(1-2*0.024) = 0.0244) 计算受拉钢筋面积As = α1*fc*b*ho*ξ/fy = 1.000*14.3*1000*130*0.024/270 = 166mm25) 验算最小配筋率ρ = As/(b*h) = 166/(1000*150) = 0.111%ρ<ρmin = 0.250% 不满足最小配筋要求所以取面积为As = ρmin*b*h = 0.250%*1000*150 = 375 mm2采取方案8@130, 实配面积386 mm2七、跨中挠度计算:Mk -------- 按荷载效应的标准组合计算的弯矩值Mq -------- 按荷载效应的准永久组合计算的弯矩值1.计算标准组合弯距值M k:Mk = M gk+M qk = (qgk+qqk)*Lo2/2= (9.000+0.500)*12/2= 4.750 kN*m2.计算准永久组合弯距值M q:Mq = M gk+ψq*M qk = (qgk+ψq*qqk)*Lo2/2= (9.000+1.0*0.500)*12/2= 4.750 kN*m3.计算受弯构件的短期刚度 Bs1) 计算按荷载荷载效应的两种组合作用下,构件纵向受拉钢筋应力σsk = Mk/(0.87*ho*As) 混规(7.1.4-3)= 4.750×106/(0.87*130*386) = 108.804 N/mmσsq = Mq/(0.87*ho*As) 混规(7.1.4-3)= 4.750×106/(0.87*130*386) = 108.804 N/mm2) 计算按有效受拉混凝土截面面积计算的纵向受拉钢筋配筋率矩形截面积: Ate = 0.5*b*h = 0.5*1000*150= 75000mm2ρte = As/Ate 混规(7.1.2-4)= 386/75000 = 0.515%3) 计算裂缝间纵向受拉钢筋应变不均匀系数ψψk = 1.1-0.65*ftk/(ρte*σsk) 混规(7.1.2-2)= 1.1-0.65*2.01/(0.515%*108.804) = -1.233因为ψ不能小于最小值0.2,所以取ψk = 0.2ψq = 1.1-0.65*ftk/(ρte*σsq) 混规(7.1.2-2)= 1.1-0.65*2.01/(0.515%*108.804) = -1.233因为ψ不能小于最小值0.2,所以取ψq = 0.24) 计算钢筋弹性模量与混凝土模量的比值αEαE = Es/Ec = 2.1×105/3.00×104 = 7.0005) 计算受压翼缘面积与腹板有效面积的比值γ f矩形截面,γf=06) 计算纵向受拉钢筋配筋率ρρ = As/(b*ho)= 386/(1000*130) = 0.297%7) 计算受弯构件的短期刚度 BsBsk = Es*As*ho2/[1.15ψk+0.2+6*αE*ρ/(1+ 3.5γf')](混规(7.2.3-1)) = 2.1×105*386*1302/[1.15*-1.233+0.2+6*7.000*0.297%/(1+3.5*0.0)]= 2.470×103 kN*m2Bsq = Es*As*ho2/[1.15ψq+0.2+6*αE*ρ/(1+ 3.5γf')](混规(7.2.3-1)) = 2.1×105*386*1302/[1.15*-1.233+0.2+6*7.000*0.297%/(1+3.5*0.0)]= 2.470×103 kN*m24.计算受弯构件的长期刚度B1) 确定考虑荷载长期效应组合对挠度影响增大影响系数θ当ρ'=0时,θ=2.0 混规(7.2.5)2) 计算受弯构件的长期刚度 BBk = Mk/(Mq*(θ-1)+Mk)*Bs (混规(7.2.2-1))= 4.750/(4.750*(2.0-1)+4.750)*2.470×103= 1.235×103 kN*m2Bq = Bsq/θ (混规(7.2.2-2))= 2.470×103/2.0= 1.235×103 kN*m2B = min(Bk,Bq)= min(1234.807,1234.807)= 1234.8075.计算受弯构件挠度f max = (q gk+q qk)*(2*Lo)4/(8*B)= (9.000+0.500)*14/(8*1.235×103)= 15.387mm6.验算挠度挠度限值fo=2Lo/200=2*1000/200=10.000mmfmax=15.387mm>fo=10.000mm,不满足规范要求!八、裂缝宽度验算:1.上端支座跨中裂缝1) 计算荷载效应M o y = (qgk+ψq*qqk)*Lo2/2= (9.000+1.0*0.500)*1000*1000/2= 4.550 kN*m2) 光面钢筋,所以取值v i=0.73) 因为C < 20,所以取C = 204) 计算按荷载效应的准永久组合作用下,构件纵向受拉钢筋应力σsq=Mq/(0.87*ho*As) 混规(7.1.4-3)=4.550×106/(0.87*130*386)=104.223N/mm5) 计算按有效受拉混凝土截面面积计算的纵向受拉钢筋配筋率矩形截面积,Ate=0.5*b*h=0.5*1000*150=75000 mm2ρte=As/Ate 混规(7.1.2-4)=386/75000 = 0.0051因为ρte=0.0051 < 0.01,所以让ρte=0.016) 计算裂缝间纵向受拉钢筋应变不均匀系数ψψ=1.1-0.65*ftk/(ρte*σsq) 混规(7.1.2-2)=1.1-0.65*2.010/(0.0100*104.223)=-0.154因为ψ=-0.154 < 0.2,所以让ψ=0.27) 计算单位面积钢筋根数nn=1000/dist = 1000/130=78) 计算受拉区纵向钢筋的等效直径d eqd eq= (∑n i*d i2)/(∑n i*v i*d i)=7*8*8/(7*0.7*8)=119) 计算最大裂缝宽度ωmax=αcr*ψ*σsq/Es*(1.9*C+0.08*Deq/ρte) (混规(7.1.2-1) =1.9*0.200*104.223/2.1×105*(1.9*20+0.08*11/0.0100)=0.0244mm ≤ 0.30, 满足规范要求。
悬挑板模板面积计算规则悬挑板是一种常见的结构形式,在建筑工程中起到了重要的作用。
它不仅具备了轻质结构、美观性和灵活性等优点,还能够提高建筑的空间利用率。
悬挑板的面积计算是设计中的重要环节,只有准确计算面积才能确保结构的稳定性和安全性。
本文将介绍悬挑板模板面积计算的规则和方法。
悬挑板模板面积计算的规则主要包括直线悬挑板和弯曲悬挑板两种情况。
其中,直线悬挑板是指悬挑板的边缘呈直线形状,而弯曲悬挑板是指悬挑板的边缘呈弯曲形状。
下面将分别介绍这两种情况下的模板面积计算规则。
对于直线悬挑板来说,模板面积计算需要考虑悬挑板的上表面和下表面。
上表面的面积可以通过悬挑板的长度和宽度相乘来得到。
而下表面的面积需要考虑到悬挑板下方的空间,一般可以通过将悬挑板下表面的形状划分为若干简单几何形状,如矩形、三角形等,然后计算每个几何形状的面积并求和。
最后,将上表面的面积和下表面的面积相加即可得到悬挑板的模板面积。
对于弯曲悬挑板来说,模板面积计算需要考虑到其边缘的弯曲形状。
通常,弯曲悬挑板的边缘可以近似为一条光滑的曲线形状,如抛物线、双曲线等。
在计算面积时,可以将弯曲悬挑板的上表面和下表面分别近似为一系列的长方形或矩形区域,并计算每个区域的面积。
最后,将上表面的面积和下表面的面积相加即可得到悬挑板的模板面积。
在进行悬挑板模板面积计算时,还需要考虑到悬挑板的厚度。
一般情况下,悬挑板的厚度为一定数值,可以根据设计要求确定。
在计算面积时,需要将上表面和下表面的面积都乘以悬挑板的厚度,从而得到悬挑板的模板体积。
另外,悬挑板模板的计算还需要注意一些细节。
首先,需要考虑到悬挑板的边缘的曲线形状和厚度变化。
如果悬挑板的边缘存在曲线形状或厚度变化,可以通过将其划分为若干简单几何形状来近似计算面积。
其次,还需要考虑到悬挑板的支撑形式和材料的选择。
悬挑板的支撑形式和材料的选择会直接影响到模板面积的计算结果。
因此,在进行面积计算时,需要根据具体的工程要求和材料性能来确定支撑形式和材料的选择。
挑檐板配筋、裂缝及挠度计算原理
一、确定计算方法
因为板的配筋面积研究的是1米板宽
线荷载均为1米板宽的数值(b=1000mm)
挑檐采用雨篷构件的计算方法
二、确定荷载分类、统计数据
1.均布恒荷载标准值gk (kN/m)
板自重+板底板侧的抹灰、粉刷+找平、找坡(面层)+其他材料(轻
质材料如SBS防水、附加层、掺入的防水剂等可取0.1)
材料容重参考:混凝土(kN/m3)25
纸筋石灰抹底(抹灰)(kN/m)16
水泥砂浆找平、找坡(面层)(kN/m3)20
C15细石混凝土(面层)(kN/m3)23
水泥砂浆粉刷墙面单位自重(kN/m2)0.36=20×0.009(厚)×2 2.均布活荷载标准值qk (kN/m)
取不上人屋面活荷标准值0.7与雪荷载标准值的最大值
有翻边的(会产生积水)取积水荷载与以上值的最大值
归纳一句话即取活荷载、雪荷载、积水荷载较大值
注:不上人屋面活荷0.5+0.2(《楼梯阳台雨篷设计》第222页;《荷规》
4.3.1注:1允许部分构件加0.2)
积水荷载为1米板宽底板受到的积水线荷载
雪荷载标准值=基本值0.45×μr
积雪分布系数μr取值见《荷规》表6.2.1项次1
3.集中恒荷载标准值Fgk (kN/m)
翻边+翻板自重(挑檐的翻边之上还有翻板)
4.施工检修集中荷载F (kN)
雨篷、挑檐取F=1kN
三、采取最不利的荷载组合
永久荷载控制的组合:P=1.35g k+1.4×0.7×q k
可变荷载控制的组合:P=1.2g k+1.4q k
以上组合分别定义了不同的荷载分项系数γg与γq及组合值系数0.7
没有集中恒荷载F gk对弯矩的影响时只要取上述最大值
如有集中恒荷载F gk,取两种组合下产生的最大弯矩的组合
四、进行弯矩计算
计算原则:
集中荷载F不与活荷载q同时考虑(算弯矩时不组合,并不是不考虑)
M1=(γg·g k+γq·q k)l n2+F g·l n
M2=γg·g k·l n2+F g·l n+1×l n
M=max(M1,M2)
注:有集中恒荷载时M要计算两种荷载组合下M1、M2的值,取产生最大弯矩的荷载组合,荷载分项系数取相应组合下的。
(这部分程序自动算)
五、正截面受弯配筋
计算钢筋面积A S=M/γS f y h0 (mm2)
内力臂系数γS=(1+(1-2αS)1/2)/2
见《混凝土设计原理》P63
截面抵抗矩系数αS=M/α1f c bh02
钢筋混凝土截面的弹塑性抵抗矩系数,见《混凝土设计原理》P63
等效矩形应力图计算系数α1
程序自动取用附录部分数据
《混凝土设计原理》表4-1
有效厚度h0=h-a s (mm)
受拉钢筋重心至受拉混凝土边缘距离a s
单排筋取c+d/2,双排筋取到内排钢筋的中心,d为钢筋直径(这里d取10)
板保护层厚度c(mm)
《砼规》8.2.1
雨篷板属二类环境
强度≤C25时应+5mm
程序自动,无需修改
受拉钢筋强度设计值f y (N/mm2)
受力筋的采用详《砼规》4.2.1)
钢筋实际配筋面积A S (mm2)
A S=pi·(d/2)2·b/s
Pi:圆周率d:钢筋直径s钢筋间距
六、验算ρmin、ρmax
提供ρ=A S/bh0 对比实心板经济配筋0.4%~0.8%
取有效截面计算,供参考调整,验算时仅用与最大配筋率作对比,与最小配筋率的对比应取全截面
ρmin取自《砼规》表8.5.1
程序计算0.2与45f t/f y较大值
ρmax=ξb·α1f c/f y
以下是参与系数
计算界限相对受压区高度ξb=略
详《砼规》式6.2.7-1
详《混凝土设计原理》P60
ξb=x b/h0
用有效截面的原因在这
详《混凝土原理》P60
由此可算界限受压区高度x b
此外提供实际受压区高度x=f y A s/α1f c b
等效矩形应力图计算系数β1
程序自动取用附录部分数据
《混凝土设计原理》表4-1
Es -----钢筋弹性模量
《砼规》表4.2.5
正截面混凝土极限压应变εcu
《砼规》式6.2.1-5
程序自动计算
按非均匀受压考虑
f cu,k即C25中25这个强度值,详《砼规》4.1.1及《原理》
以上ρmax计算完毕!
七、裂缝验算
按《砼规》第7章
采用三级裂缝控制计算(三级计算可仅采用准永久组合7.1.1-3)
考虑长期作用影响
最大裂缝宽度限值ωlim (mm)
雨篷板裂缝允许0.2mm,详《砼规》条款3.4.4、表3.4.5及表3.5.2
最大裂缝宽度ωmax=αcrψσsk/ES(1.9c+0.08deq/ρte) (mm)
《砼规》式7.1.2-1
这里依然按荷载标准组合和荷载准永久组合两种计算,取不利情况ψK=1.1-0.65ftk/ρteσsk
ψq=1.1-0.65ftk/ρteσsq
应变不均匀系数,实际取值(0.2≤ψ≤1.0) 详《砼规》式7.1.2-2
构件受力特征系数αcr
《砼规》表7.1.2-1
σsk=MK/0.87h0AS (N/mm2)
σsq=Mq/0.87h0AS (N/mm2)
《砼规》式7.1.4-3
受拉区纵筋等效直径deq=d/νi (mm)
deq=(∑ni*di2)/(∑ni*Vi*di)
详《砼规》P89式7.1.2-3
单位面积钢筋根数n==INT(b/s)
b=1000mm,s为钢筋间距
MK=(gK+qK)ln2/2+FgKln (kN·m)
按荷载标准值组合计算的雨篷板根部弯矩值
Mq=(gK+ψqqK)l2/2+FgKln (KN·m)
按荷载准永久组合计算的雨篷板根部弯矩值
ρte=AS/0.5bh
按有效受拉混凝土截面面积计算的纵向受拉钢筋配筋率
详《砼规》式7.1.2-4
纵向受拉钢筋表面特征系数νi
钢筋的相对粘结特性系数
《砼规》P91表7.1.2-2
工程构筑物结构设计规范GB50069-2002附录A
(有这方面信息,但是太老的不准)
以上裂缝验算完毕!
八、挠度验算*(形心沿抵抗刚度方向的位移)
计算受弯构件挠度fmax=SMkl02/Bmin(mm)
S为挠度系数,仅统计不同受力情况下分数部分
详《混凝土原理》P201
详《结构静力计算手册》
取pLn^4/8EI+FLn^3/3EI
P取荷载基本组合gk+qk
EI取长期刚度最小值
挠度限值f0(mm)
《砼规》表3.4.3
悬臂板计算跨度按2倍取用
Bmin=min(Bk,Bq)(kN·m2)
由最小刚度原则代替均值弹性材料截面抗弯刚度EI
详《混凝土原理》P201
受弯构件的长期刚度Bk(kN·m2)
混规(7.2.2-1)
受弯构件的长期刚度Bq(kN·m2)
混规(7.2.2-2)
短期刚度Bsk (kN·m2)
Bsk = Es*As*h02/[1.15*ψk+0.2+6*αE*ρ/(1+ 3.5*γf)] 混规(7.2.3-1) 短期刚度Bsq (kN·m2)
Bsq = Es*As*h02/[1.15*ψq+0.2+6*αE*ρ/(1+ 3.5*γf)] 混规(7.2.3-1)
考虑荷载长期作用对挠度的影响系数θ
《砼规》条款7.2.5
没有受压钢筋A S’=0 θ=2.0
受压翼缘面积与腹板有效面积的比值γ'f
矩形截面=0 《砼规》式7.1.4-7
钢筋弹性模量与混凝土模量的比值αE
混凝土弹性模量EC(N/mm2)
《砼规》表4.1.5
以上挠度验算完毕!。