平面度和粗糙度区别天准
- 格式:docx
- 大小:16.55 KB
- 文档页数:2
平面度表示方法及含义平面度是衡量工件表面精度的一种度量衡,是在平面上测量、观察和评定工件表面形貌质量的技术内容。
它是一种综合性的检测参数,可以衡量工件表面的粗糙度、光滑度和其他表面特征。
它能够有效地提供准确的数据,用于精确分析表面的形貌、结构和技术状况,以及各种原料评估和检测,以确保最终产品达到质量要求。
平面度测量方法是一种精确的量化技术,通过测量工件表面的统计特征来衡量工件表面特征的质量。
主要是利用机械测量仪器来检测和计算表面上的高点、低点、比较量、粗糙度曲线等参数。
通过比较各项参数的测量值,可以更准确地计算出钢件表面的精细程度。
表面平面度的含义是指在规定的区域内,工件表面任意一个点与一条给定的参考线之间的垂直偏差大小。
利用表面平面度,可以确保产品表面的质量,并保证其加工后的准确度和抗拉力。
平面度检测的测量方法主要有投影仪法、讯号轮测量法、膜状平面度法、粗糙度测量仪法、多头测量仪法和超声波测量仪法等。
主要包括绝对平面度、线条平面度、洛氏平面度、柏拉图平面度和多头跟踪平面度几种。
投影仪法是最常见的平面度测量方法,它通过投射光源以及分析投影图像,来测量平面度。
讯号轮测量仪法通过从表面上采集讯号来测量表面形貌,用于粗细机件表面测量。
超声波测量仪法是一种非接触式表面测量方法,采用超声波信号及其反射情况来衡量表面粗糙度,是一种适用于金属以及聚四氟乙烯塑料表面的测量方法。
由于平面度的重要性,国家对于平面度的控制也更加严格。
目前,国际上对于平面度的标准化也正在发展,特别是在精密机械制造领域,所采用的标准更加严格,并要求表面的高精度。
为了满足用户的需求,工厂及设备配备要经常加以检验和维护,以保证产品质量并获得良好的可靠性。
综上所述,平面度是衡量工件表面精度的重要指标,它能够提供有力的参考数据,衡量工件表面的质量。
同时,国家也更加重视平面度的管理,以确保最终的产品质量符合标准。
严格的平面度标准,有助于工厂保持生产质量,并为用户提供更为安全可靠的产品。
平面度概念(一)
平面度概念及相关内容
什么是平面度概念
•平面度是工程学中的一个术语,用于描述一个物体的平坦程度和表面的平滑度。
•平面度是指一个物体表面与一个理想平面之间的偏差程度。
•平面度是工程制造中一个非常重要的指标,直接影响到产品的质量和性能。
平面度的测量方法
•平面度的测量可以使用测量仪器,如平面度测量仪、激光干涉仪等。
•平面度测量通常通过对多个测量点进行测量,并基于这些点的位置关系来计算平面度。
平面度的标准与符号
•平面度的标准通常由相关的行业和国家制定,并以符号的形式表示。
•平面度的符号是一个矩形框内的两条平行线,上方标注一个数字表示容许的最大偏差。
平面度的应用领域
•平面度在机械制造、汽车制造、航空航天、电子设备等领域都有广泛的应用。
•平面度可以影响到零件的装配精度、摩擦阻力、润滑效果等方面。
平面度的控制方法
•平面度的控制可以通过工艺改进、加工技术改进、测量方法改进等手段来实现。
•平面度的控制需要综合考虑材料性质、加工工艺、测量精度等因素。
平面度与其他表面性质的关系
•平面度与平滑度、粗糙度、直度等表面性质存在一定的联系和区别。
•平面度是表面性质中的一个重要指标,但不代表其他表面性质的完整描述。
以上是关于平面度概念及其相关内容的简述。
平面度作为一个重
要的指标,对于保证产品质量和性能至关重要,其测量、标准、应用
领域和控制方法等方面都需要深入研究和实践。
希望以上内容能提供
一些参考和启发,推动相关领域的发展和进步。
金属表面平整度指标
金属表面平整度是指金属表面的平整程度或光洁度,通常用于衡量金属零件的表面质量。
不同行业和应用领域可能使用不同的指标来描述金属表面的平整度。
以下是一些常见的金属表面平整度指标:
1.表面粗糙度(Surface Roughness):
•表面粗糙度是表面不规则度的度量,通常以微米(μm)或英寸为单位。
常用的表示方法包括Ra(平均粗糙度)、
Rz(最大峰谷高度)等。
2.平整度指标(Flatness):
•平整度用于描述金属表面的平面度,即表面是否是一个平面。
通常使用一些数学标准,如平均平面度、最大平面度
等。
3.圆度(Roundness):
•圆度描述了一个圆形物体的表面是否符合理想的圆形。
对于金属零件的轴对称部分,圆度是一个重要的指标。
4.平行度(Parallelism):
•平行度用于描述两个表面之间的平行关系,即它们之间的距离是否保持在一定的范围内。
5.垂直度(Perpendicularity):
•垂直度用于描述两个表面之间的垂直关系,即它们之间的夹角是否在一定的范围内。
6.同心度(Concentricity):
•同心度用于描述一个孔或轴是否与另一个孔或轴在同一中心线上。
这在轴承和旋转部件的制造中很重要。
7.角度度量(Angularity):
•角度度量用于描述零件表面上的角度关系,确保所需的角度准确性。
这些指标通常是根据特定的标准和要求来测量和评估的。
在金属加工和制造领域,合适的表面平整度指标的选择取决于具体的应用和产品设计要求。
9.5.1 表面粗糙度符号、代号及其注法加工零件时,由于刀具在零件表面上留下刀痕和切削分裂时表面金属的塑性变形等影响,使零件表面存在着间距较小的轮廓峰谷。
这种表面上具有较小间距的峰谷所组成的微观几何形状特性,称为表面粗糙度。
机器设备对零件各个表面的要求不一样,如配合性质、耐磨性、抗腐蚀性、密封性、外观要求等,因此,对零件表面粗糙度的要求也各有不同。
一般说来,凡零件上有配合要求或有相对运动的表面,表面粗糙度参数值小。
零件表面粗糙度是评定零件表面质量的一项技术指标,零件表面粗糙度要求越高(即表面粗糙度参数值越小),则其加工成本也越高。
因此,应在满足零件表面功能的前提下,合理选用表面粗糙度参数。
1.表面粗糙度参数的概念及其数值零件表面粗糙度的评定方法有:表面粗糙度高度参数轮廓算术平均偏差(R a)和轮廓最大高度(R z)。
使用时宜优先选用R a。
2.表面粗糙度代号标注GB/T 131—1993规定了表面粗糙度的符号、代号及其注法。
表面粗糙度符号(、、)上注写所要求的表面特征参数后,即构成表面粗糙度代号。
特征参数R a的表面粗糙度代号标注见表9-1。
表9-1轮廓算术平均偏差Ra值的代号标注表面粗糙度高度参数R a、R z在代号中用数值标注时,除参数代号R a可省略外,其余在参数值前需注出相应的参数代号R z。
表面粗糙度高度参数R z、R y的标注示例见表9-2。
表9-2表面粗糙度高度参数R z、R y值的代号标注示例3.表面粗糙度标注规定表面粗糙度符号、代号一般标注在可见轮廊线、尺寸界线、引出线或它们的延长上。
符号的尖端必须从材料外指向表面。
在同一图样上,每一表面一般只标注一次代(符)号,并尽可能靠近有关尺寸线。
当地位狭小或不便标注时,代(符)号可以引出标注。
4.表面粗糙度在图样上的标注方法(GB/T 131— 1993)表面粗糙度在图样上的标注方法见表9-3。
表9-3表面粗糙度在图样上的注法槽、极限与配合是零件图和装配图中一项重要的技术要求,也是检验产品质量的技术指标。
平面度的概念平面度的概念一、引言平面度是工程学中一个非常重要的概念,它涉及到制造、加工、装配等多个方面,是保证产品质量的关键之一。
本文将对平面度的概念进行全面详细的介绍。
二、定义平面度是指在一个平面内,各点到某一基准面的距离误差,也可以理解为该平面与基准面之间形成的角度误差。
通俗来说,就是表征一个物体表面是否能够与另一个物体表面完全贴合。
三、测量方法1. 直接测量法:使用万能高度仪或千分尺等工具直接测量物体表面高低差。
2. 光学测量法:通过反射或透过光线,利用干涉仪等设备进行测量。
3. 机械比较法:利用机械传感器对被测物体表面进行触碰式测量。
四、符号表示在图纸上表示平面度时,通常使用“△”符号表示。
例如,“△0.05”表示该平面与基准面之间最大距离误差为0.05mm。
五、应用领域1. 制造业:在机械制造、汽车制造、电子制造等领域中,平面度是保证产品精度和质量的重要指标。
2. 建筑业:在建筑设计和施工中,平面度是确保建筑物外观美观和结构稳定的关键因素。
3. 航空航天:在航空航天领域中,平面度对于飞行器的稳定性和安全性具有重要意义。
六、影响因素1. 材料性质:不同材料的硬度、弹性模量等物理特性会影响平面度的测量结果。
2. 制造工艺:不同的加工方法和工艺会对平面度产生影响。
3. 测量设备:测量设备的精度和准确性也会对平面度测量结果产生影响。
七、常见问题及解决方法1. 平面度超差:可能是由于材料变形、加工误差等原因导致,需要重新进行加工或更换材料。
2. 平面度无法达到要求:可能是由于测量设备精度不足或操作不当导致,需要检查并更换设备或重新进行测量。
八、总结平面度作为一个重要的质量指标,对于制造、建筑、航空航天等领域都具有重要意义。
在实际应用中,需要注意材料性质、制造工艺、测量设备等因素的影响,并及时解决常见问题。
加工精度科技名词定义中文名称:加工精度英文名称:machining accuracy定义:工件加工后的实际几何参数(尺寸、形状和位置)与设计几何参数的符合程度,表现为加工误差。应用学科:机械工程(一级学科);机械工程(2)总论(二级学科)加工精度是加工后零件表面的实际尺寸、形状、位置三种几何参数与图纸要求的理想几何参数的符合程度。理想的几何参数,对尺寸而言,就是平均尺寸;对表面几何形状而言,就是绝对的圆、圆柱、平面、锥面和直线等;对表面之间的相互位置而言,就是绝对的平行、垂直、同轴、对称等。零件实际几何参数与理想几何参数的偏离数值称为加工误差。加工精度主要用于生产产品程度,加工精度与加工误差都是评价加工表面几何参数的术语。加工精度用公差等级衡量,等级值越小,其精度越高;加工误差用数值表示,数值越大,其误差越大。加工精度高,就是加工误差小,反之亦然。公差等级从IT01,IT0,IT1,IT2,IT3至IT18一共有20个,其中IT01表示的话该零件加工精度最高的,IT18表示的话该零件加工精度是最低的,一般上IT7、IT8是加工精度中等级别。任何加工方法所得到的实际参数都不会绝对准确,从零件的功能看,只要加工误差在零件图要求的公差范围内,就认为保证了加工精度。机器的质量取决于零件的加工质量和机器的装配质量,零件加工质量包含零件加工精度和表面质量两大部分。机械加工精度是指零件加工后的实际几何参数(尺寸、形状和位置)与理想几何参数相符合的程度。它们之间的差异称为加工误差。加工误差的大小反映了加工精度的高低。误差越大加工精度越低,误差越小加工精度越高。一、加工精度的内容尺寸精度指加工后零件的实际尺寸与零件尺寸的公差带中心的相符合程度。形状精度指加工后的零件表面的实际几何形状与理想的几何形状的相符合程度。位置精度指加工后零件有关表面之间的实际位置精度差别。尺寸精度、形状精度和位置精度的关系通常在设计机器零件及规定零件加工精度时,应注意将形状误差控制在位置公差内,位置误差又应小于尺寸公差。即精密零件或零件重要表面,其形状精度要求应高于位置精度要求,位置精度要求应高于尺寸精度要求。二、获得加工精度的方法①对工艺系统进行调整试切法调整通过试切—测量尺寸—调整刀具的吃刀量—走刀切削—再试切,如此反复直至达到所需尺寸。此法生产效率低,主要用于单件小批生产。调整法通过预先调整好机床、夹具、工件和刀具的相对位置获得所需尺寸。此法生产率高,主要用于大批大量生产。②减小机床误差1)提高主轴部件的制造精度应提高轴承的回转精度:①选用高精度的滚动轴承;②采用高精度的多油锲动压轴承;③采用高精度的静压轴承应提高与轴承相配件的精度:①提高箱体支撑孔、主轴轴颈的加工精度;②提高与轴承相配合表面的加工精度;③测量及调节相应件的径向跳动范围,使误差补偿或相抵消。2)对滚动轴承适当预紧①、可消除间隙;②、增加轴承刚度; ③、均化滚动体误差。3)使主轴回转精度不反映到工件上③减少传动链传动误差1)传动件数少,传动链短,传动精度高; 2)采用降速传动(i<1),是保证传动精度的重要原则,且越接近末端的传动副,其传动比应越小; 3)末端件精度应高于其他传动件。④减小刀具磨损在刀具尺寸磨损达到急剧磨损阶段前就必须重新磨刀⑤减小工艺系统的受力变形主要从:1)提高系统的刚度,特别是提高工艺系统中薄弱环节的刚度;2)减小载荷及其变化提高系统刚度1、合理的结构设计1)尽量减少连接面的数目; 2)防止有局部低刚度环节出现; 3)应合理选择基础件、支撑件的结构和截面形状。2、提高连接表面的接触刚度1)提高机床部件中零件间结合面的质量; 2)给机床部件以预加载荷; 3)提高工件定位基准面的精度和减小它的表面粗糙度值。3、采用合理的装夹和定位方式减小载荷及其变化1、合理选择刀具几何参数和切削用量,以减小切削力; 2、毛胚分组,尽量使调整中毛胚加工余量均匀。⑥减小工艺系统热变形1、减少热源的发热和隔离热源1)采用较小的切削用量; 2)零件精度要求高时,将粗精加工工序分开; 3)尽可能将热源从机床分离出去,减少机床热变形; 4)对主轴轴承、丝杆螺母副、高速运动的导轨副等不能分离的热源,从结构、润滑等方面改善其摩擦特性,减少发热或用隔热材料; 5)采用强制式风冷、水冷等散热措施。2、均衡温度场3、采用合理的机床部件结构及装配基准1)采用热对称结构——在变速箱中,将轴、轴承、传动齿轮等对称布置,可使箱壁温升均匀,箱体变形减小; 2)合理选择机床零部件的装配基准。4、加速达到传热平衡5、控制环境温度⑦减少残余应力1、增加消除内应力的热处理工序; 2、合理安排工艺过程。三、影响加工精度的原因①加工原理误差加工原理误差是指采用了近似的刀刃轮廓或近似的传动关系进行加工而产生的误差。加工原理误差多出现于螺纹、齿轮、复杂曲面加工中。例如,加工渐开线齿轮用的齿轮滚刀,为使滚刀制造方便,采用了阿基米德基本蜗杆或法向直廓基本蜗杆代替渐开线基本蜗杆,使齿轮渐开线齿形产生了误差。又如车削模数蜗杆时,由于蜗杆的螺距等于蜗轮的周节(即mπ),其中m是模数,而π是一个无理数,但是车床的配换齿轮的齿数是有限的,选择配换齿轮时只能将π化为近似的分数值(π =3.1415)计算,这就将引起刀具对于工件成形运动(螺旋运动)的不准确,造成螺距误差。在加工中,一般采用近似加工,在理论误差可以满足加工精度要求的前提下(《=10%-15%尺寸公差),来提高生产率和经济性。②调整误差机床的调整误差是指由于调整不准确而产生的误差。③机床误差机床误差是指机床的制造误差、安装误差和磨损。主要包括机床导轨导向误差、机床主轴回转误差、机床传动链的传动误差。机床导轨导向误差1、导轨导向精度——导轨副运动件实际运动方向与理想运动方向的符合程度。主要包括: ①导轨在水平面内直线度Δy和垂直面内的直线度Δz(弯曲); ②前后两导轨的平行度(扭曲); ③导轨对主轴回转轴线在水平面内和垂直面内的平行度误差或垂直度误差。 2.、导轨导向精度对切削加工的影响主要考虑导轨误差引起刀具与工件在误差敏感方向的相对位移。车削加工时误差敏感方向为水平方向,垂直方向引起的导向误差产生的加工误差可以忽略;镗削加工时误差敏感方向随刀具回转而变化;刨削加工时误差敏感方向为垂直方向,床身导轨在垂直平面内的直线度引起加工表面直线度和平面度误差。机床主轴回转误差机床主轴回转误差是指实际回转轴线对于理想回转轴线的漂移。主要包括主轴端面圆跳动、主轴径向圆跳动、主轴几何轴线倾角摆动。1、主轴端面圆跳动对加工精度的影响:①加工圆柱面时无影响;②车、镗端面时将产生端面与圆柱面轴线垂直度误差或端面平面度误差;③加工螺纹时,将产生螺距周期误差。2、主轴径向圆跳动对加工精度的影响:①若径向回转误差表现为其实际轴线在y轴坐标方向上作简谐直线运动,镗床镗出的孔为椭圆形孔,圆度误差为径向圆跳动幅值;而车床车出的孔没什么影响;②若主轴几何轴线作偏心运动,无论车、镗都能得到一个半径为刀尖到平均轴线距离的圆。 3.、主轴几何轴线倾角摆动对加工精度的影响:①几何轴线相对于平均轴线在空间成一定锥角的圆锥轨迹,从各截面看相当于几何轴心绕平均轴心作偏心运动,而从轴向看各处偏心值不同;②几何轴线在某一平面内作摆动,从各截面看相当于实际轴线在一平面内作简谐直线运动,而从轴向看各处跳动幅值不同;③实际上主轴几何轴线的倾角摆动为上述两种的叠加。机床传动链的传动误差机床传动链的传动误差是指传动链中首末两端传动元件之间的相对运动误差。④夹具的制造误差和磨损夹具的误差主要指:1)定位元件、刀具导向元件、分度机构、夹具体等的制造误差;2)夹具装配后,以上各种元件工作面间的相对尺寸误差;3)夹具在使用过程中工作表面的磨损。⑤刀具的制造误差和磨损刀具误差对加工精度的影响根据刀具的种类不同而异。1)定尺寸刀具(如钻头、铰刀、键槽铣刀及圆拉刀等)的尺寸精度直接影响工件的尺寸精度。2)成型刀具(如成型车刀、成型铣刀、成型砂轮等)的形状精度将直接影响工件的形状精度。3)展成刀具(如齿轮滚刀、花键滚刀、插齿刀具等)的刀刃形状误差会影响加工表面的形状精度。4)一般刀具(如车刀、镗刀、铣刀),其制造精度对加工精度无直接影响,但刀具易磨损。⑥工艺系统受力变形工艺系统在切削力、夹紧力、重力和惯性力等作用下会产生变形,从而破坏了已调整好的工艺系统各组成部分的相互位置关系,导致加工误差的产生,并影响加工过程的稳定性。主要考虑机床变形、工件变形以及工艺系统的总变形。切削力对加工精度的影响只考虑机床变形,对加工轴类零件来讲,机床受力变形使加工工件呈两端粗、中间细的鞍形,即产生圆柱度误差。只考虑工件变形,对加工轴类零件来讲,工件受力变形使加工后工件呈两端细、中间粗的鼓形。而对加工孔类零件来讲,单独考虑机床或工件的变形,加工后工件的形状与加工的轴类零件相反。夹紧力对加工精度的影响工件装夹时,由于工件刚度较低或夹紧力着力点不当,使工件产生相应的变形,造成的加工误差。⑦工艺系统的热变形在加工过程中,由于内部热源(切削热、摩擦热)或外部热源(环境温度、热辐射)产热使工艺系统受热而发生变形,从而影响加工精度。在大型工件加工和精密加工中, 工艺系统热变形引起的加工误差占加工总误差的40%-70%。工件热变形对加工金的的影响包括工件均匀受热和工件不均匀受热两种⑧工件内部的残余应力残余应力的产生:1)毛胚制造和热处理过程中产生的残余应力;2)冷校直带来的残余应力;3)切削加工带来的残余应力。⑨加工现场环境影响加工现场往往有许多细小金属屑,这些金属屑如果存在与零件定位面或定位孔位置就会影响零件加工精度,对于高精度加工,一些细小到目视不到的金属屑都会影响到精度。这个影响因素会被识别出来但并无十分到位的方法来杜绝,往往对操作员的作业手法依赖很高。四、加工精度的测量方法加工精度根据不同的加工精度内容以及精度要求,采用不同的测量方法。一般来说有以下几类方法: 1、按是否直接测量被测参数,可分为直接测量和间接测量。直接测量:直接测量被测参数来获得被测尺寸。例如用卡尺、比较仪测量。间接测量:测量与被测尺寸有关的几何参数,经过计算获得被测尺寸。显然,直接测量比较直观,间接测量比较繁琐。一般当被测尺寸或用直接测量达不到精度要求时,就不得不采用间接测量。2、按量具量仪的读数值是否直接表示被测尺寸的数值,可分为绝对测量和相对测量。绝对测量:读数值直接表示被测尺寸的大小、如用游标卡尺测量。相对测量:读数值只表示被测尺寸相对于标准量的偏差。如用比较仪测量轴的直径,需先用量块调整好仪器的零位,然后进行测量,测得值是被侧轴的直径相对于量块尺寸的差值,这就是相对测量。一般说来相对测量的精度比较高些,但测量比较麻烦。2、按被测表面与量具量仪的测量头是否接触,分为接触测量和非接触测量。接触测量:测量头与被接触表面接触,并有机械作用的测量力存在。如用千分尺测量零件。非接触测量:测量头不与被测零件表面相接触,非接触测量可避免测量力对测量结果的影响。如利用投影法、光波干涉法测量等。4、按一次测量参数的多少,分为单项测量和综合测量。单项测量;对被测零件的每个参数分别单独测量。综合测量:测量反映零件有关参数的综合指标。如用工具显微镜测量螺纹时,可分别测量出螺纹实际中径、牙型半角误差和螺距累积误差等。综合测量一般效率比较高,对保证零件的互换性更为可靠,常用于完工零件的检验。单项测量能分别确定每一参数的误差,一般用于工艺分析、工序检验及被指定参数的测量。5、按测量在加工过程中所起的作用,分为主动测量和被动测量。主动测量:工件在加工过程中进行测量,其结果直接用来控制零件的加工过程,从而及时防治废品的产生。被动测量:工件加工后进行的测量。此种测量只能判别加工件是否合格,仅限于发现并剔除废品。6、按被测零件在测量过程中所处的状态,分为静态测量和动态测量。静态测量;测量相对静止。如千分尺测量直径。动态测量;测量时被测表面与测量头模拟工作状态中作相对运动。动态测量方法能反映出零件接近使用状态下的情况,是测量技术的发展方向。粗糙度在机械学中,粗糙度指加工表面上具有的较小间距和峰谷所组成的微观几何形状特性。它是互换性研究的问题之一。表面粗糙度一般是由所采用的加工方法和其他因素所形成的,例如加工过程中刀具与零件表面间的摩擦、切屑分离时表面层金属的塑性变形以及工艺系统中的高频振动等。由于加工方法和工件材料的不同,被加工表面留下痕迹的深浅、疏密、形状和纹理都有差别。表面粗糙度与机械零件的配合性质、耐磨性、疲劳强度、接触刚度、振动和噪声等有密切关系,对机械产品的使用寿命和可靠性有重要影响。粗糙度表示方式零件表面经过加工后,看起来很光滑,经放大观察却凹凸不平。表面粗糙度,是指加工后的零件表面上具有的较小间距和微小峰谷所组成的微观几何形状特征,一般是由所采取的加工方法或其他因素形成的。零件表面的功用不同,所需的表面粗糙度参数值也不一样。零件图上要标注表面粗糙度符号,用以说明该表面完工后须达到的表面特性。表面粗糙度高度参数有3种: 1.轮廓算术平均偏差Ra 在取样长度内,沿测量方向(Y方向)的轮廓线上的点与基准线之间距离绝对值的算术平均值。 2.微观不平度十点高度Rz 指在取样长度内5个最大轮廓峰高的平均值和5个最大轮廓谷深的平均值之和。 3.轮廓最大高度Ry 在取样长度内,轮廓最高峰顶线和最低谷底线之间的距离。目前,一般机械制造工业中主要选用Ra。Ra值按下列公式计算: Ra=1/l ∫t0|Y(x)|dx或近似为Ra= 1/n ∑|Y i|。式中,Y为轮廓线上的点到基准线(中线)之间的距离;ι为取样长度。粗糙度多用于表征钢板,因为钢板涂覆前必须要有一定得粗糙度,否则油漆的咬合力不足,容易脱落。机械加工表面粗糙度机械加工表面质量,是指零件在机械加工后被加工面的微观不平度,也叫粗糙度,以Ra\Rz\Ry三种代号加数字来表示,机械图纸中都会有相应的表面质量要求,一般是工件表面粗糙度Ra<0.8um的表面时称:镜面。其加工后的表面质量直接影响被加工件的物理、化学及力学性能。产品的工作性能、可靠性、寿命在很大程度上取决于主要零件的表面质量。一般而言,重要或关键零件的表面质量要求都比普通零件要高。这是因为表面质量好的零件会在很大程度上提高其耐磨性、耐蚀性和抗疲劳破损能力。镜面——是金属切削加工的理想境界,是提高机械部件使用寿命的最有效手段。镜面——是机械切削加工后,得到非常好粗糙度的传统代名词,能清晰倒影出物品影像的金属表面。无论用何种金属加工方法加工,在零件表面总会留下微细的凸凹不平的刀痕,出现交错起伏的峰谷现象,粗加工后的表面用肉眼就能看到,精加工后的表面用放大镜或显微镜仍能观察到。这就是零件加工后的表面粗糙度,过去称为表面光洁度。国家规定表面粗糙度的参数由高度参数、间距参数和综合参数组成。获得镜面的机械加工方法有:去除材料方式、无切削方式(滚压加工)。去除材料加工方式有:磨削、研磨、抛光、电火花。无切削加工方式有:滚压(采用镜面工具)、挤压。。
平面度概念平面度概念概念介绍•平面度是指一个物体或表面在平面上的程度。
•在设计和制造领域中,平面度是用于衡量零件表面与设计平面之间的偏差程度的参数。
平面度的重要性•平面度是确保零件在装配和运行过程中的正常功能的关键要素之一。
•如果零件的平面度不达标,可能会导致装配困难、摩擦增加、密封性能下降等问题。
平面度的测量方法•使用测量仪器(如平面度尺、测量平台等)来测量零件表面与设计平面之间的偏差。
•常用的平面度测量方法有直接比较法、光干涉法等。
平面度的符号表示•标准中规定了平面度的符号表示,一般使用GD&T(几何尺寸和公差)标准。
•符号表示中会使用一个T字形的标志,上面有一个箭头,表示与理想平面的偏差方向。
平面度的公差要求•根据零件的功能和装配要求,平面度的公差要求有所不同。
•一般情况下,零件表面与设计平面之间的偏差应控制在一定的公差范围内。
平面度与其他几何参数的关系•平面度是一种独立的几何参数,与其他几何参数(如圆度、直线度等)没有直接的关系。
•但是,在实际测量和设计中,通常会将多个几何参数结合起来考虑。
平面度的应用领域•平面度在各种工业领域中都有广泛的应用,特别是在汽车、航空航天、机械制造等行业中。
•在这些领域中,平面度的要求通常较高,需要采用精密的测量设备和制造工艺。
结论•平面度是衡量零件表面与设计平面之间偏差程度的重要参数。
•平面度的测量和控制对于确保零件装配和正常运行至关重要。
•在设计和制造过程中,需要根据零件的功能和装配要求确定合适的平面度公差要求。
•平面度的符号表示和公差要求都是根据标准规定的,以确保统一的测量和制造标准。
•平面度与其他几何参数虽然没有直接的关系,但在实际应用中需要综合考虑,以满足整体设计要求。
•平面度广泛应用于各个工业领域,特别是需要高精度和高质量要求的行业。
•在汽车制造中,平面度的控制是确保发动机零部件配合性和运转平稳的关键。
•在航空航天领域,平面度的要求更高,因为任何微小的偏差都可能导致飞机零件装配不合理或失效。
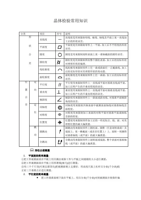
晶体检验常用知识形位公差测量1.平面度的简单测量:①把工件被测面放在平板上用目测法观察工件与平板之间缝隙的大小进行测量;②把工件被测面放在平板上用厚薄规(塞尺)进行测量;③用三个千斤顶(可调支撑顶尖)把被测面朝上支撑好,用高度尺装上杠杆百分表(千分表)校正好三个基准点后进行测量。
2.平行度的简单测量:★把工件基准面朝下放在平板上,用百分表(千分表)对到被测面并使指针偏摆过半圈左右,紧贴平板轻轻推动工件,从百分表(千分表)上读出指针变动量;★把工件基准面朝下放在平板上,用高度尺装上杠杆百分表(千分表) 对到被测面并使指针偏摆过半圈左右,紧贴平板轻轻推动高度尺,从杠杆百分表(千分表)上读出指针变动量。
3.跳动或同轴度的简单测量:把轴类零件相同尺寸的部位(基准圆)放在一个或两个V型槽内,与带百分表或千分表的高度规一起放在平板上,把表头对准被测部位,慢慢转动零件,读出表上的指针变动量就可得到圆跳动或同轴度。
4.对称度的简单测量轴上的键槽的对称度,一般是放在平台上,使用V型铁和百分表(带座),先测一边的槽面,固定表头,然后旋转180度再测另外的一边,差值既是.5.垂直度的简单测量把工件基准面朝下压住紧贴在平板上,用高度计的百分表(千分表)对到被测垂面并使指针偏摆过半圈左右,摇动高度计上手柄,使百分表头在工件被测垂面上下移动,从百分表(千分表)上读出指针变动量;6.螺纹位置度的简单测量螺纹孔相对于外径的位置度。
因为是螺纹孔,所以很难测量,可在螺纹加工前--即测量加工光孔的位置度除此外,各形位公差测量可利用投影仪,高度仪,检测工装等进行准确测量。
附:质检人员检验误差的特点及防止措施一、检验误差的概念1.真值(Y):被测量(可以是几何量,也可以是其他物理量)的真实值。
2.检验误差:被测量的测得值与被测量真值之差。
即定义为△Y=y-Y△Y为检验误差:y为检验测得值*任何检验都不能检验出真值,因为检验误差不可避免。
平面度名词解释
平面度是指基片具有的宏观凹凸高度相对理想平面的偏差。
平面度是限制实际平面对其理想平面变动量的一项指标,用来控制被测实际平面的形状误差。
概念
平面度测量是指被测实际表面对其理想平面的变动量。
平面度误差是将被测实际表面与理想平面进行比较,两者之间的线值距离即为平面度误差值;
测量方法
平面度误差测量的常用方法有以下几种。
①平晶干涉法。
用光学平晶的工作面体现理想平面,直接以干涉条纹的弯曲程度确定被测表面的平面度误差值。
这种方法主要用于测量小平面,如量规的工作面和千分尺测头测量面的平面度误差。
②打表测量法。
打表测量法是将被测零件和测微计放在标准平板上,以标准平板作为测量基准面,用测微计沿实际表面逐点或沿几条直线方向进行测量。
③液平面法。
液平面法是用液平面作为测量基准面,液平面由“连通罐”内的液面构成,然后用传感器进行测量。
此法主要用于测量大平面的平面度误差。
④光束平面法。
光束平面法是采用准值望远镜和瞄准靶镜进行测量,选择实际表面上相距最远的三个点形成的光束平面作为平面度误差的测量基准面。
⑤激光平面度测量仪。
激光平面度测量仪用于测量大型平面的平面度误差。
表面粗糙度表面粗糙度(surface roughness)是指加工表面具有的较小间距和微小峰谷的不平度 [1]。
其两波峰或两波谷之间的距离(波距)很小(在1mm以下),它属于微观几何形状误差。
表面粗糙度越小,则表面越光滑。
通常把波距小于1mm 尺寸的形貌特征归结为表面粗糙度,1~10mm尺寸的形貌特征定义为表面波纹度,大于10mm尺寸的形貌特征定义为表面形貌表面粗糙度一般是由所采用的加工方法和其他因素所形成的,例如加工过程中刀具与零件表面间的摩擦、切屑分离时表面层金属的塑性变形以及工艺系统中的高频振动等。
由于加工方法和工件材料的不同,被加工表面留下痕迹的深浅、疏密、形状和纹理都有差别。
表面粗糙度与机械零件的配合性质、耐磨性、疲劳强度、接触刚度、振动和噪声等有密切关系,对机械产品的使用寿命和可靠性有重要影响。
我国国家标准有GB/T 131-2006《表面结构的表示法》,规定了表面粗糙度的表示方法,适用于表面粗糙度的标注和图样标注;GB/T 1031-2009《表面结构轮廓法表面粗糙度参数及其数值》,规定了表面粗糙度的参数及其数值,适用于机械加工表面质量的评定,也可用于制定机械加工工艺规程和设计模具等。
一、发展历史为研究表面粗糙度对零件性能的影响和度量表面微观不平度的需要,从20年代末到30年代,德国、美国和英国等国的一些专家设计制作了轮廓记录仪、轮廓仪,同时也产生出了光切式显微镜和干涉显微镜等用光学方法来测量表面微观不平度的仪器,给从数值上定量评定表面粗糙度创造了条件。
从30年代起,已对表面粗糙度定量评定参数进行了研究,如美国Abbott就提出了用距表面轮廓峰顶的深度和支承长度率曲线来表征表面粗糙度。
1936年出版了Schmaltz论述表面粗糙度的专著,对表面粗糙度的评定参数和数值的标准化提出了建议。
但粗糙度评定参数及其数值的使用,真正成为一个被广泛接受的标准还是从40年代各国相应的国家标准发布以后开始的。
表面精度等级和粗糙度的关系表面精度等级和粗糙度的关系是一种非常重要的工程概念,尤其是在制造业领域,这一点更是如此。
表面精度等级和粗糙度是表面质量评估的两个主要参数,通过这两个参数可以评估表面的光洁度和光滑度。
在这篇文章中,我将讨论表面精度等级和粗糙度之间的关系,并探讨如何使用这些参数来评估表面质量。
1. 表面精度等级表面精度等级是表面质量的一种度量,用于描述表面的光洁度和精度。
它通常用数字表示,数字越小,表明表面质量越高。
表面精度等级定义了表面的光洁度和平坦度,并给出了与每个等级对应的允许的缺陷和不良表面。
2. 粗糙度粗糙度是指表面的凹凸度或不平坦度。
它是一个测量表面粗糙度的参数。
粗糙度值越大,表面越不平坦。
通过光学或机械手段可以测定粗糙度。
3. 表面精度等级和粗糙度的关系表面精度等级和粗糙度之间存在严格的关系。
表面精度等级是对表面质量的一个量化描述,而粗糙度则是用数值来描述表面的凹凸度或不平坦度。
这两个参数可以互相转换,通常通过一个统一的指标来表示表面质量,从而评估和比较不同表面的质量。
4. 如何评估表面质量在评估表面质量时,通常需要同时考虑表面精度等级和粗糙度这两个因素。
表面精度等级是用来量化表面的平坦度和光洁度,而粗糙度则是用数字来描述表面的凹凸度和不平坦度。
一个高质量的表面应该具有较低的表面精度等级和较低的粗糙度值。
在制造过程中,可以通过使用高精度机床和精确的加工工艺来获得高质量表面。
然而,对于一些不可避免的表面缺陷,比如瑕疵和划痕,通常可以通过增加表面精度等级和减小粗糙度值来减少它们的影响。
总体而言,表面精度等级和粗糙度是评估表面质量的两个关键指标,它们在制造过程中非常重要。
通过使用适当的测量工具和加工工艺,可以获得高质量的表面,从而提高产品性能和寿命。
平面度1. 什么是平面度?平面度是用来描述一个物体表面的水平程度或平坦程度的物理量。
通常情况下,我们可以在工程制图、制造和测量领域中使用平面度来评估物体的平整度。
平面度取决于物体表面的形状和曲率,以及表面上的任何凸起或凹陷。
2. 平面度的测量方法平面度的测量可以通过多种方法进行,下面将介绍一些常见的方法:2.1 直尺法直尺法是一种简单的测量方法,通过在物体表面上放置一根直尺并观察直尺和表面之间的间隙来判断平面度。
如果直尺的完全接触表面,则可以认为表面是平整的。
然而,这种方法对于评估较高精度要求的平面度可能不够准确。
2.2 测平仪法测平仪是一种专门用于测量平面度的仪器。
它通过测量物体表面相对于地面的水平度来确定平面度的好坏。
测平仪通常采用气泡水平仪或激光水平仪的原理进行测量。
2.3 光干涉法光干涉法是一种比较精确的测量方法,通过使用干涉仪或激光干涉仪来测量物体表面的平整度。
该方法利用光波在表面上产生干涉的原理来计算平面度。
3. 平面度的重要性3.1 对产品质量的影响平面度是评估产品质量的重要指标之一。
对于一些需要与其他零件配合的机械部件来说,如果平面度不达标,可能会导致零件相互之间无法良好配合,从而影响产品的性能和质量。
3.2 对加工工艺的要求平面度对于一些精密加工工艺也非常重要。
例如,对于一些需要进行切削或磨削的工作,如果物体表面的平面度不达标,可能会导致加工过程中刀具磨损加剧、加工精度下降等问题。
3.3 对工作环境的要求一些在运行时需要保持平衡的设备或机械装置,对于工作台、床身等部件的平面度要求也较高。
如果平面度不达标,可能会使得设备在运行过程中发生不平衡、晃动等现象,从而影响设备的运行效果和寿命。
4. 平面度的标准平面度的标准通常根据具体的使用要求和产品规格而定。
不同的行业和应用领域可能对平面度的要求有所不同。
常用的平面度测量标准有ISO 1101等国际标准和GB/T 1184等国内标准。
5. 如何提高平面度?提高平面度可以从以下几个方面入手:5.1 加工工艺改进通过改进加工工艺,如增加抛光、研磨等步骤,可以提高物体表面的平整度和平面度。
磨削加工中的表面质量控制磨削加工是一种常用的工艺,用于制造各种精密零部件和工件,如轴承,摩擦盘,汽车零部件等。
在磨削过程中,表面质量控制是至关重要的,因为表面质量直接影响着工件的性能和寿命。
磨削加工的目的是通过去除工件上的杂质和不均匀性来获得平滑的表面。
表面粗糙度和平面度是表征表面质量的两个重要参数。
通常,表面粗糙度是指在单位面积上,表面上高低起伏的平均值。
而平面度是指一个表面与参考平面之间的平均高度差。
为了控制表面质量,磨削加工中使用了多种技术和工具。
其中最常用的是磨石或砂轮。
磨石或砂轮的颗粒尺寸和材料的选择对结果的表面质量有很大的影响。
通常,磨粒越精细,表面质量越好。
此外,针对不同材料的磨削需求,还可选择不同硬度和结构的砂轮。
除了磨石或砂轮的选择,磨削加工中使用的冷却剂和润滑剂也对表面质量起着重要作用。
冷却剂用于降低磨削温度,减少热变形和烧伤的风险。
润滑剂则有助于减少摩擦,提高磨削效率,并改善表面质量。
适当地选择和使用冷却剂和润滑剂可以最大限度地提高磨削加工的表面质量。
此外,操作者的技术水平和经验也对表面质量的控制起着重要作用。
磨削加工是一项技术含量较高的工艺,需要操作者熟练掌握机床设备的操作和各种磨削工具的使用。
只有经验丰富的操作者才能在操作过程中精确地控制加工参数,如速度,进给量和深度,以获得理想的表面质量。
除了上述因素,材料的选择和工件的设计也对磨削加工中的表面质量有一定的影响。
不同材料对磨削的难度有所不同。
硬度较高的材料,如硬质合金和陶瓷,可能需要更高的磨削压力和更好的冷却润滑效果来获得良好的表面质量。
此外,工件的设计也应考虑到磨削加工的特点和要求,以便在磨削过程中避免过度切削和表面变形。
总而言之,磨削加工中的表面质量控制是一项复杂而关键的任务。
通过正确选择磨削工具,使用适当的冷却剂和润滑剂,熟练掌握操作技巧,选择合适的材料和设计工件,可以提高磨削加工的表面质量。
在实践中,需要根据不同情况和要求制定相应的工艺流程和控制措施,以确保得到精确和理想的表面质量,并最终提高工件的性能和寿命。
粗糙度的标准粗糙度是一个物体表面不平整程度的量度,通常用来描述材料的质地和表面处理的粗糙程度。
在工程和制造领域,粗糙度是一个非常重要的参数,它直接影响着材料的性能和使用寿命。
本文将介绍粗糙度的标准及其在不同领域中的应用。
一、粗糙度的定义。
粗糙度是指物体表面的不平整程度,通常用来描述表面的起伏和不规则程度。
表面越不平整,粗糙度就越大。
粗糙度的量度通常使用Ra值来表示,Ra值越大,表面越粗糙。
二、粗糙度的标准。
粗糙度的标准是根据国际标准化组织(ISO)和美国国家标准协会(ANSI)等组织的标准来制定的。
这些标准规定了不同粗糙度等级的Ra值范围,以及不同表面处理方法对应的粗糙度要求。
例如,在ISO 1302标准中,将表面粗糙度分为12个等级,分别对应不同的Ra值范围,从最光滑的表面到最粗糙的表面。
三、粗糙度在制造领域的应用。
在制造领域,粗糙度是一个非常重要的参数,它直接影响着零件的装配和使用性能。
例如,在汽车制造中,发动机缸体的表面粗糙度直接影响着活塞环的密封性能和摩擦损耗。
因此,制造商需要根据产品的使用要求和材料的特性,选择合适的粗糙度标准和表面处理方法。
四、粗糙度在工程领域的应用。
在工程领域,粗糙度也是一个非常重要的参数,它直接影响着机械设备的运行和维护。
例如,在风力发电机组的叶片表面处理中,粗糙度的控制直接影响着叶片的气动性能和耐久性。
因此,工程师需要根据设备的使用环境和运行要求,选择合适的粗糙度标准和表面处理方法。
五、结论。
粗糙度是一个重要的表面质量参数,它直接影响着材料的性能和使用寿命。
粗糙度的标准是根据国际标准化组织和美国国家标准协会等组织的标准来制定的,这些标准规定了不同粗糙度等级的Ra值范围,以及不同表面处理方法对应的粗糙度要求。
在制造和工程领域,粗糙度都是一个非常重要的参数,它直接影响着产品的装配和使用性能。
因此,对于不同的产品和应用领域,需要选择合适的粗糙度标准和表面处理方法,以确保产品的质量和性能。